钢筋下料实例
- 格式:docx
- 大小:679.42 KB
- 文档页数:26
钢筋下料长度计算例题背景在钢筋混凝土结构设计和施工过程中,钢筋的下料长度计算是一项重要的工作,它直接影响着钢筋的节约和施工的准确性。
下料长度的计算需要根据钢筋的尺寸要求和构件的具体情况进行,下料不合理可能导致浪费或者材料不足的情况。
问题描述在一栋建筑的柱子上需要设置一根钢筋,柱子的高度为4000mm,钢筋的直径为16mm,柱子底部做了20mm的挡砂条。
现在需要计算出这根钢筋的下料长度。
解决方法步骤1:确定需要计算的钢筋长度首先,我们需要计算出钢筋的实际需要长度。
在这个例题中,柱子的高度为4000mm,挡砂条的高度为20mm,所以,钢筋的实际需要长度为4000mm -20mm = 3980mm。
步骤2:考虑钢筋的加工和连接需要接下来,我们需要考虑钢筋的加工和连接需要,这些因素会增加钢筋的长度。
在一般情况下,通常会增加一个余量,以便于连接钢筋和构件。
在这个例题中,我们假设加工和连接需要增加50mm的长度。
所以,钢筋的最终下料长度为3980mm + 50mm = 4030mm。
步骤3:进行标记和切割在确定了钢筋的最终下料长度后,我们需要在钢筋上进行标记,以便于切割。
通常,我们会使用标记笔或者专门的切割仪器进行标记。
标记的位置需要准确无误,以确保切割的精度和准确性。
然后,我们需要使用钢筋切割机进行切割。
切割时需要注意安全,并保持切割的垂直性。
步骤4:整理和检查切割完成后,我们需要进行钢筋的整理和检查。
将切割好的钢筋按照长度和直径进行分类,并进行清理,以确保下一步使用时的安全性。
然后,我们需要对下料的钢筋进行检查,确保长度和质量符合设计和施工要求。
如果有不符合要求的情况,应及时进行纠正。
结论在本例题中,我们通过计算钢筋的实际需要长度,并考虑加工和连接的需要,最终确定了钢筋的下料长度为4030mm。
然后,我们进行了标记和切割,并最终进行了整理和检查。
钢筋下料长度的计算对于钢筋混凝土结构的设计和施工至关重要,只有通过合理的计算和准确的操作,才能确保结构的安全性和施工的质量。
某框架建筑结构,抗震等级为4级,共有10根框架梁,其配筋如图5.23所示,混凝土等级为C30,钢筋锚固长度LαE为30d。
柱截面尺寸为500mm x 500mm。
试计算该梁钢筋下料长度并编制配料单(参见混凝土结构平面整体表示方法03G10l-l构造详图)。
解1)梁上部通长钢筋下料长度计算通长钢筋在边支座处按要求应弯锚,弯段长度为15d,则平直段长度为500-25 =475 mm≥0.4LaE,故满足要求。
其下料长度为:7200 + 2×250 - 2 ×25 + 2×15×25 - 2×2. 29×25 = 8286 mm2)负弯矩钢筋下料长度计算负弯矩筋要求锚人支座并伸出Ln/3。
其下料长度为:(7200 – 2×250)/3 + 500 - 25 + 15×25 - 2.29×25 = 3 026 mm3)梁下部钢筋下料长度计算下料长度为:7200 +2×250 -2×25 +2×15×25 -2×2. 29×25 =8286 mm4)抗扭纵向钢筋下料长度计算下料长度为:7200 +2×250 -2×25 +2×15×18 -2×2. 29×18=8108mm5)附加吊筋下料长度计算附加吊筋构造见图5.23 (b)。
下料长度为:2×20×14 + 250 + 2×50 + 2×(700 - 2×25)×1. 414 - 4×0.54×14 = 2688 mm 6)箍筋下料长度计算箍筋外包尺寸为:[(300 -2×25 +2×10) + (700 -2×25 +2 ×10) ]×2 = 1880 mm根据抗震要求,箍筋端头弯钩平直段长度为10d,所以每个箍筋弯钩增加长度为3π(D+d)/8 - (D/2 + d) + 10d = 11. 87d。
237514-钢筋下料全套计算公式及实例D注:墙净面积是指要扣除暗(端)柱、暗(连)梁,即墙面积-门洞总面积-暗柱剖面积- 暗梁面积;拉筋的面筋面积是指其横向间距×竖向间距。
例:(8000*3840)/(600*600)第二节剪力墙墙柱一、纵筋1、首层墙柱纵筋长度=基础插筋+首层层高+伸入上层的搭接长度2、中间层墙柱纵筋长度=本层层高+伸入上层的搭接长度3、顶层墙柱纵筋长度=层净高+顶层锚固长度注意:如果是端柱,顶层锚固要区分边、中、角柱,要区分外侧钢筋和内侧钢筋。
因为端柱可以看作是框架柱,所以其锚固也同框架柱相同。
二、箍筋:依据设计图纸自由组合计算。
第三节剪力墙墙梁一、连梁1、受力主筋顶层连梁主筋长度=洞口宽度+左右两边锚固值Lae中间层连梁纵筋长度=洞口宽度+左右两边锚固值Lae2、箍筋顶层连梁,纵筋长度范围内均布置箍筋即N=(LAE-100/150+1)*2+(洞口宽-50*2)/间距+1(顶层)中间层连梁,洞口范围内布置箍筋,洞口两边再各加一根即N=(洞口宽-50*2)/间距+1(中间层)二、暗梁1、主筋长度=暗梁净长+锚固2、箍筋第三章柱KZ钢筋的构造连接第一章基础层一、柱主筋基础插筋=基础底板厚度-保护层+伸入上层的钢筋长度+Max{10D,200mm}二、基础内箍筋基础内箍筋的作用仅起一个稳固作用,也可以说是防止钢筋在浇注时受到挠动。
一般是按2根进行计算(软件中是按三根)。
第二章中间层一、柱纵筋1、KZ中间层的纵向钢筋=层高-当前层伸出地面的高度+上一层伸出楼地面的高度二、柱箍筋1、KZ中间层的箍筋根数=N个加密区/加密区间距+N+非加密区/非加密区间距-103G101-1中,关于柱箍筋的加密区的规定如下1)首层柱箍筋的加密区有三个,分别为:下部的箍筋加密区长度取Hn/3;上部取Max{500,柱长边尺寸,Hn/6};梁节点范围内加密;如果该柱采用绑扎搭接,那么搭接范围内同时需要加密。
钢筋下料全套计算公式及实例预算类2010-05-18 16:11:44 阅读843 评论0 字号:大中小订阅第一章梁第一节框架梁一、首跨钢筋的计算1、上部贯通筋上部贯通筋(上通长筋1)长度=通跨净跨长+首尾端支座锚固值2、端支座负筋端支座负筋长度:第一排为Ln/3+端支座锚固值;第二排为Ln/4+端支座锚固值3、下部钢筋下部钢筋长度=净跨长+左右支座锚固值注意:下部钢筋不论分排与否,计算的结果都是一样的,所以我们在标注梁的下部纵筋时可以不输入分排信息。
以上三类钢筋中均涉及到支座锚固问题,那么,在软件中是如何实现03G101-1中关于支座锚固的判断呢?现在我们来总结一下以上三类钢筋的支座锚固判断问题:支座宽≥Lae且≥0.5Hc+5d,为直锚,取Max{Lae,0.5Hc+5d }。
钢筋的端支座锚固值=支座宽≤Lae或≤0.5Hc+5d,为弯锚,取Max{Lae,支座宽度-保护层+15d }。
钢筋的中间支座锚固值=Max{Lae,0.5Hc+5d }4、腰筋构造钢筋:构造钢筋长度=净跨长+2×15d抗扭钢筋:算法同贯通钢筋5、拉筋拉筋长度=(梁宽-2×保护层)+2×11.9d(抗震弯钩值)+2d拉筋根数:如果我们没有在平法输入中给定拉筋的布筋间距,那么拉筋的根数=(箍筋根数/2)×(构造筋根数/2);如果给定了拉筋的布筋间距,那么拉筋的根数=布筋长度/布筋间距。
6、箍筋箍筋长度=(梁宽-2×保护层+梁高-2×保护层)+2×11.9d+8d箍筋根数=(加密区长度/加密区间距+1)×2+(非加密区长度/非加密区间距-1)+1注意:因为构件扣减保护层时,都是扣至纵筋的外皮,那么,我们可以发现,拉筋和箍筋在每个保护层处均被多扣掉了直径值;并且我们在预算中计算钢筋长度时,都是按照外皮计算的,所以软件自动会将多扣掉的长度在补充回来,由此,拉筋计算时增加了2d,箍筋计算时增加了8d。
钢筋配料计算实例与注意事项时间:2010-05-29 09:57来源:未知作者:流浪东东点击:289次9-3-1-3 配料计算的注意事项 1 .在设计图纸中,钢筋配置的细节问题没有注明时,一般可按构造要求处理。
2 .配料计算时,要考虑钢筋的形状和尺寸在满足设计要求的前提下要有利于加工安装。
3 .配料时,还要考虑施工需要的附加钢筋。
例如9-3-1-3 配料计算的注意事项1.在设计图纸中,钢筋配置的细节问题没有注明时,一般可按构造要求处理。
2.配料计算时,要考虑钢筋的形状和尺寸在满足设计要求的前提下要有利于加工安装。
3.配料时,还要考虑施工需要的附加钢筋。
例如,后张预应力构件预留孔道定位用的钢筋井字架,基础双层钢筋网中保证上层钢筋网位置用的钢筋撑脚,墙板双层钢筋网中固定钢筋间距用的钢筋撑铁,柱钢筋骨架增加四面斜筋撑等。
9-3-1-4 配料计算实例的截面尺寸与配筋见图9-55,共计5已知某教学楼钢筋混凝土框架梁KL1根。
混凝土强度等级为C25。
求各种钢筋下料长度。
图9-55 钢筋混凝土框架梁KL平法施工图l[解] 1.绘制钢筋翻样图根据本手册9-2“配筋构造”的有关规定,得出:(1)纵向受力钢筋端头的混凝土保护层为25mm;(2)框架梁纵向受力钢筋Φ25的锚固长度为35×25=875mm,伸入柱内的长度可达500-25=475mm,需要向上(下)弯400mm;(3)悬臂梁负弯矩钢筋应有两根伸至梁端包住边梁后斜向上伸至梁顶部;(4)吊筋底部宽度为次梁宽+2×50mm,按45°向上弯至梁顶部,再水平延伸20d=20×18=360mm。
框架梁尺寸与上述构造要求,绘制单根钢筋翻样图(图9-56),并对照KL1将各种钢筋编号。
框架梁钢筋翻样图图9-56 KL12.计算钢筋下料长度计算钢筋下料长度时,应根据单根钢筋翻样图尺寸,并考虑各项调整值。
①号受力钢筋下料长度为:(7800-2×25)+2×400-2×2×25=8450mm②号受力钢筋下料长度为:(9650-2×25)+400+350+200+500-3×2×25-0.5×25=10888mm⑥号吊筋下料长度为:350+2(1060+360)-4×0.5×25=3140mm⑨号箍筋下料长度为:2(770+270)+70=2150mm⑩号箍筋下料长度,由于梁高变化,因此要先按公式(9-7)算出箍筋高差△。
钢筋下料典型例题钢筋下料是指根据施工图纸和设计要求,将钢筋按照一定的长度和数量进行切割和加工的过程。
钢筋下料是钢筋加工的重要环节,直接关系到施工质量和工期的控制。
下面将介绍一道典型的钢筋下料例题,详细讲解下料的步骤和要点。
例题:某建筑工地需要用到Φ12mm的钢筋,根据施工图纸要求,需要下料300根,每根的长度为6m。
步骤一:计算总长度首先,我们需要计算总长度,即需要的钢筋总长度。
根据题目中的要求,每根钢筋的长度为6m,需要下料300根,所以总长度为6m * 300 = 1800m。
步骤二:计算每捆长度接下来,我们需要计算每捆钢筋的长度。
根据实际施工情况,一般将钢筋按照一定数量捆扎在一起,方便运输和使用。
我们可以根据实际情况来确定每捆的长度。
假设每捆长度为8m,那么每捆需要的钢筋数量为1800m / 8m = 225根。
步骤三:计算每根长度在计算每根长度时,我们需要考虑钢筋切割的损耗。
一般情况下,钢筋切割的损耗率为3%~5%。
我们可以根据实际情况来确定损耗率,假设损耗率为3%。
那么每根钢筋的长度为6m * (1 + 3%) = 6m * 1.03 = 6.18m。
步骤四:计算切割长度最后,我们需要计算切割长度,即将每根钢筋切割为多少段。
根据设计要求,题目中要求每根钢筋的长度为6.18m。
我们可以根据实际施工情况来确定每段的长度。
假设每段的长度为1.5m,那么每根钢筋需要切割的段数为6.18m / 1.5m = 4.12段。
综上所述,根据题目要求,我们需要下料300根Φ12mm的钢筋。
总长度为1800m,每捆长度为8m,每根长度为6.18m,每根需要切割为4.12段。
在实际操作中,除了上述的计算步骤,还需要考虑以下几点:1. 钢筋的切割方式:可以使用手动切割、电动切割或机械切割等方式进行切割。
选择合适的切割方式可以提高工作效率和减少切割损耗。
2. 钢筋的标记和分类:为了方便施工和使用,可以对下料后的钢筋进行标记和分类。
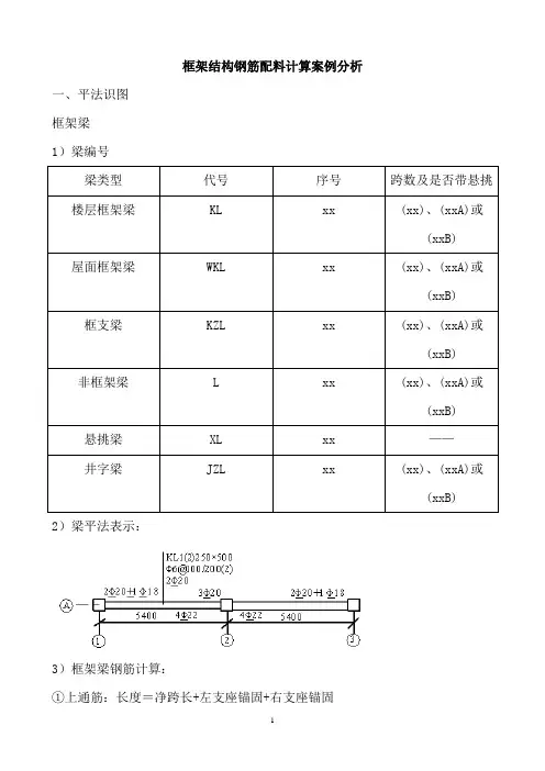
框架结构钢筋配料计算案例分析一、平法识图框架梁1)梁编号梁类型代号序号跨数及是否带悬挑楼层框架梁KL xx (xx)、(xxA)或(xxB) 屋面框架梁WKL xx (xx)、(xxA)或(xxB) 框支梁KZL xx (xx)、(xxA)或(xxB) 非框架梁L xx (xx)、(xxA)或(xxB) 悬挑梁XL xx ——井字梁JZL xx (xx)、(xxA)或(xxB)2)梁平法表示:3)框架梁钢筋计算:①上通筋:长度=净跨长+左支座锚固+右支座锚固左、右支座锚固长度的取值判断:当hc-保护层(直锚长度) ≥LaE时,取Max(LaE ,0.5hc+5d)当hc-保护层(直锚长度) < LaE时,必须弯锚,hc-保护层+15d②支座负筋:支座负筋按照部位分为两类:端支座负筋:第一排长度=左或右支座锚固+净跨长/3第二排长度=左或右支座锚固+净跨长/4中间支座负筋:第一排长度=2*max(第一跨,第二跨)净跨长/3+支座宽第二排长度=2*max(第一跨,第二跨)净跨长/4+支座宽③架立筋的计算:架立筋和支座负筋的搭接长度为150④框架梁下部钢筋计算:下部通长筋长度=净跨长+左支座锚固+右支座锚固⑤框架梁中部钢筋计算:中部钢筋分为两类:构造钢筋:构造筋长度=净跨长+2*15d抗扭钢筋:抗扭筋长度=净跨长+2*锚固长度(同框架梁下部纵筋)搭档:拉筋:拉筋直径取值:梁宽≤350取6mm,>350取8mm,拉筋间距为非加密区间距两倍长度=梁宽-2×保护层+调整值拉筋根数=((净跨长-50×2)/非加密间距×2+1)) ×排数⑥吊筋的计算:吊筋夹角取值:梁高≤800取45度,>800取60度吊筋长度=次梁宽+2×50+2×(梁高-2保护层)/正弦45度(60度)+2×20d拉筋构造附加吊筋构造⑦箍筋:长度=(b+h)×2-8c+调整值根数:梁箍筋距支座边的距离为50mm加密区的长度为一级抗震等级:max(2hb,500)二级抗震等级:max(1.5hb,500)根数=((L左加密区-50)/加密间距+1)+(L非加密区/非加密间距-1)+((L右加密区-50)/加密间距+1)抗震楼层框架梁KL纵向钢筋构造梁内主要钢筋:上:上部通长筋中:侧面纵向钢筋-构造或抗扭下:下部钢筋左:左支座钢筋中:架立钢筋右:右支座钢筋箍筋附加钢筋:吊筋、次梁加筋3、板钢筋:国家建筑标准设计图集04G101-41)板块编号板类型代号序号楼面板LB xx屋面板WB xx延伸悬挑板YXB xx纯悬挑板XB xx2)板钢筋计算①板底钢筋长度计算: 长度=净跨+伸进长度×2+弯勾6.25d ×2板底钢筋伸进支座长度:伸进长度=max(支座宽/2,5d) 板底钢筋根数计算:第一根钢筋距梁或墙边50mm:L板底钢筋设置/间距+1②板负筋长度的计算:负筋长度=锚入长度+弯勾+板内净尺寸+弯折长度中间支座负筋长度计算:中间支座负筋长度=水平长度+弯折长度*2板负筋的根数计算:第一根钢筋距梁或墙边50mm:L板底钢筋设置/间距+1③负筋的分布筋:长度=轴线长度-负筋标注长度×2+150×2+弯勾×2端支座负筋的分布筋长度=轴线(净跨)长度-负筋标注长度×2+搭接长度×2+弯勾×2根数=(负筋板内净长-50)÷分布筋间距中间支座负筋的分布筋长度=轴线(净跨)长度-负筋标注长度×2+搭接长度×2+弯勾×2根数左、右=(负筋板内净长-50)÷分布筋间距板内钢筋总结:受力筋:面筋、底筋负筋:边支座负筋、中间支座负筋负筋分布筋:钢筋配料计算案例分析某三层框架结构抗震等级为2级,其中KZ1、KL1配筋情况如图所示。
梁钢筋下料长度计算案例梁是建筑中常见的结构元素,钢筋则是梁的重要构件。
在梁的施工过程中,需要对钢筋进行下料,将钢筋按照需要的长度进行切割。
下面通过一个案例来介绍梁钢筋下料长度的计算方法。
案例背景:建筑项目中需要施工一根梁,该梁的长10米,截面尺寸为250mm×400MM,要求梁的钢筋配筋率为2%,现假设钢筋直径为12mm。
1.计算配筋面积2.计算钢筋根数钢筋的直径为12mm,梁的钢筋根数可以通过配筋面积除以钢筋面积得到,钢筋面积可以通过直径查表得到。
根据国家标准《钢筋混凝土结构设计规范》中的表格,可以得到12mm钢筋的面积为113mm²。
所以,钢筋根数为2000mm²÷113mm²≈17.7根。
3.计算钢筋总长度梁的长度为10米,每根钢筋需要延伸到梁的两端,所以每根钢筋的长度为10米+2倍钢筋的伸长长度。
根据《钢筋混凝土结构设计规范》中的规定,12mm钢筋的伸长长度为40倍钢筋直径,即40×12mm=480mm。
所以每根钢筋的长度为10米+2×480m m=10.96米。
4.计算每根钢筋的下料长度每根钢筋下料的长度为钢筋总长度减去梁的宽度,即10.96米-400mm=10.56米。
5.计算总的下料长度钢筋根数为17.7根,每根钢筋的下料长度为10.56米,所以总的下料长度为17.7根×10.56米≈186.65米。
综上所述,对于该梁的钢筋下料长度计算,总的下料长度为约186.65米。
需要注意的是,以上计算过程中,钢筋的伸长长度和梁的宽度可以根据实际情况进行调整,同时还需要遵循国家有关建筑标准和规范的相关规定。
在实际工程中,还需要考虑钢筋的搭接长度、钢筋的曲折弯曲处的延伸长度等因素,以及合理利用钢筋的优良性能,确保梁的结构安全和施工质量。
钢筋下料全套计算公式及实例预算类2010-05-18 16:11:44 阅读843 评论0 字号:大中小订阅第一章梁第一节框架梁一、首跨钢筋的计算1、上部贯通筋上部贯通筋(上通长筋1)长度=通跨净跨长+首尾端支座锚固值2、端支座负筋端支座负筋长度:第一排为Ln/3+端支座锚固值;第二排为Ln/4+端支座锚固值3、下部钢筋下部钢筋长度=净跨长+左右支座锚固值注意:下部钢筋不论分排与否,计算的结果都是一样的,所以我们在标注梁的下部纵筋时可以不输入分排信息。
以上三类钢筋中均涉及到支座锚固问题,那么,在软件中是如何实现03G101-1中关于支座锚固的判断呢?现在我们来总结一下以上三类钢筋的支座锚固判断问题:支座宽≥Lae且≥0.5Hc+5d,为直锚,取Max{Lae,0.5Hc+5d }。
钢筋的端支座锚固值=支座宽≤Lae或≤0.5Hc+5d,为弯锚,取Max{Lae,支座宽度-保护层+15d }。
钢筋的中间支座锚固值=Max{Lae,0.5Hc+5d }4、腰筋构造钢筋:构造钢筋长度=净跨长+2×15d抗扭钢筋:算法同贯通钢筋5、拉筋拉筋长度=(梁宽-2×保护层)+2×11.9d(抗震弯钩值)+2d (26d)拉筋根数:如果我们没有在平法输入中给定拉筋的布筋间距,那么拉筋的根数=(箍筋根数/2)×(构造筋根数/2);如果给定了拉筋的布筋间距,那么拉筋的根数=布筋长度/布筋间距。
6、箍筋箍筋长度=(梁宽-2×保护层+梁高-2×保护层)+2×11.9d+8d箍筋根数=(加密区长度/加密区间距+1)×2+(非加密区长度/非加密区间距-1)+1注意:因为构件扣减保护层时,都是扣至纵筋的外皮,那么,我们可以发现,拉筋和箍筋在每个保护层处均被多扣掉了直径值;并且我们在预算中计算钢筋长度时,都是按照外皮计算的,所以软件自动会将多扣掉的长度在补充回来,由此,拉筋计算时增加了2d,箍筋计算时增加了8d。
钢筋配料计算实例与注意事项时间:2010-05-29 09:57来源:未知作者:流浪东东 点击:289次9-3-1-3配料计算的注意事项1 •在设计图纸中,钢筋配置的细节问题没有注 明时,一般可按构造要求处理。
2 •配料计算时,要考虑钢筋的形状和尺寸在 满足设计要求的前提下要有利于加工安装。
3 •配料时,还要考虑施工需要的 附加钢筋。
例如9-3-1-3配料计算的注意事项1 •在设计图纸中,钢筋配置的细节问题没有注明时,一般可按构造要求处 理。
2 •配料计算时,要考虑钢筋的形状和尺寸在满足设计要求的前提下要有利 于加工安装。
3 •配料时,还要考虑施工需要的附加钢筋。
例如,后张预应力构件预留孔 道定位用的钢筋井字架,基础双层钢筋网中保证上层钢筋网位置用的钢筋撑脚, 墙板双层钢筋网中固定钢筋间距用的钢筋撑铁,柱钢筋骨架增加四面斜筋撑等。
9-3-1-4 配料计算实例已知某教学楼钢筋混凝土框架梁1的截面尺寸与配筋见图9-55,共计5根。
混凝土强度等级为C25。
求各种钢筋下料长度。
2O1S 4也垃4皿<izn^500X500 ;i ;爭 |© 巨刚町 j 4150 '-*亠-”!11・■・・ 叠 ■一i ・・・图9-55钢筋混凝土框架梁平法施工图[解]1 •绘制钢筋翻样图根据本手册9-2 “配筋构造”的有关规定,得出: (1 )纵向受力钢筋端头的混凝土保护层为 25;(2) 框架梁纵向受力钢筋打25的锚固长度为35X 25=875,伸入柱内的长度KL2(lA)3QOXfiOO11 830UX 600/400■J i i7500可达500—25= 475,需要向上(下)弯400;(3)悬臂梁负弯矩钢筋应有两根伸至梁端包住边梁后斜向上伸至梁顶部;(4)吊筋底部宽度为次梁宽+2 X 50,按45°向上弯至梁顶部,再水平延伸2020 X 18 = 360。
对照i框架梁尺寸与上述构造要求,绘制单根钢筋翻样图(图9-56),并将各种钢筋编号。
图9-56 i框架梁钢筋翻样图2 •计算钢筋下料长度计算钢筋下料长度时,应根据单根钢筋翻样图尺寸,并考虑各项调整值。
①号受力钢筋下料长度为:(7800—2X 25)+ 2X 400—2X 2X 25 = 8450②号受力钢筋下料长度为:(9650—2X 25)+ 400+ 350+ 200+ 500 —3X 2X 25—0.5X 25= 10888⑥号吊筋下料长度为:350+ 2 (1060+ 360)—4X 0.5X 25= 3140⑨号箍筋下料长度为:2 (770+ 270)+ 70= 2150⑩号箍筋下料长度,由于梁高变化,因此要先按公式(9-7)算出箍筋高差箍筋根数n=( 1850- 100) /200+ 1 = 10,箍筋高差△=( 570—370) / (10 —1)= 22轩册e 号IS神匠居543H 152C X Z70 5(14 A 270厂M初 ©437^270 4l5X27t 193X37D i70x27tl4«J x 270 J574钢筋配料单表9-27每个箍筋下料长度计算结果列于表 9-27。
2札 a构件名称:i 梁,5根F 轉誉|阜脳歎 imrriJn--------- -]简[fl钢号(mrnJ卜诵札度(mm )单1■ ■ -It(kJ)'■8177JO !■”筒1,11MJA315J.rn r?s」HJWIl「2io4192742工23 『3V92 IID】M….m.”申匠」]4^17 1 102^00[州2MJ_______「2 ________ JO4t360幽、。
厂118l!40Ji力© 7200 业 U 730r> 斗 20•XSB一一 ----------------1—.------------142050210丄q..山144C~~10L5』r~101^54)154|!33*14UJSS315*571^15W9-3-1-5 配料单与料牌钢筋配料计算完毕,填写配料单,详见表9-27。
列入加工计划的配料单,将每一编号的钢筋制作一块料牌,作为钢筋加工的依据与钢筋安装的标志。
钢筋配料单和料牌,应严格校核,必须准确无误,以免返工浪费。
钢筋下料计算不难一点就会梁板钢筋的下料长度=梁板的轴线尺寸-保护层(一般25 )+上弯勾尺寸180 度弯勾=6.25d90度弯勾=3.5d45度弯勾=4.9d再咸去度量差:30度时取0.3d \ 45度0.5d \ 60度1d \ 90度2 d \135 度3 d如果是一般的施工图纸按上面的方法就可以算出来如板的分布筋负盘梁的纵向受力筋架力筋.如果是平法施工图那就要参考03G101-1B 了箍筋的长度:外包长度+弯勾长度-6d弯勾长度6 加100\8 加120\10 加140箍筋个数=梁构件长度-(2 5保护层)*2 /箍筋间距+1矩形箍筋下料长度计算公式箍筋下料长度= 箍筋周长+ 箍筋调整值(表1 )式中箍筋周长=2(外包宽度+外包长度);外包宽度22d;外包长度22d;b x构件横截面宽X高;c ——纵向钢筋的保护层厚度;d ――箍筋直径。
箍筋调整值见表1。
2 •计算实例某抗震框架梁跨中截面尺寸b x 250X 500,梁内配筋箍筋© 6@150纵向钢筋的保护层厚度25,求一根箍筋的下料长度。
解:外包宽度=22d=250-2X25+2X6=212 ()外包长度22d=500-22X25+2X6=462 ()箍筋下料长度=箍筋周长+箍筋调整值=2 (外包宽度+外包长度)+110 (调整值)=2 (212+462) +110=1458 ()〜1460 ()(抗震箍)错误计算方法1:箍筋下料长度=2 (250-2 X 25 ) +2 (500-2 X 25 ) +50 (调整值)=1350 ()(非抗震箍)错误计算方法2 :箍筋下料长度=2 (250-2 X 25 ) +2(500-2 X 25) =1300 ()梁柱箍筋的下料,在施工现场,如果给钢筋工一个总长=22826.5d的公式, 钢筋工不是太欢迎;如果将梁的已知保护层直接代入公式,使表达方式简单一些,钢筋工就容易记住。
譬如,当次梁的4面保护层均为25时,箍筋直径为圆8,我们有:箍筋总长二2212; 箍筋直径为圆10,我们有:箍筋总长二2265; 箍筋直径为圆12,我们有:箍筋总长二22118; 箍筋直径为圆14,我们有:箍筋总长二22171。
譬如,当主梁支座顶面保护层为55,其余3面保护层为25时,箍筋直径为圆8,我们有:箍筋总长=22h—48;箍筋直径为圆10,我们有箍筋总长=225;箍筋直径为圆12,我们有箍筋总长=2258;箍筋直径为圆14,我们有箍筋总长=22111。
譬如,当柱的保护层为30时,箍筋直径为圆8,我们有:箍筋总长=22h—28;箍筋直径为圆10,我们有箍筋总长=2225;箍筋直径为圆12,我们有箍筋总长=2278;箍筋直径为圆14,我们有箍筋总长=22131。
钢筋配料单钢筋编号 钢筋级别构件名称1(标注设计尺寸)①I②CI构件名称2① CI ②CI构件名称 3① CI②■)I简图钢筋编号钢筋级别(标注设计尺寸)构件名称:柱简 图直 径所在位置下料长度根8 柱卜基础 2.13 27 8柱卜基础2.13278 柱卜基础 1.63 9 8柱卜基础3.131:8 柱卜基础 1.63 9 8柱卜基础1.639直 径所在位置下料长度根101 II 16 梁下柱 1.993 16 101 II16 梁下柱 4.09 16 101 I 16 梁下柱 3.16 16 101I 16 梁下柱2.572 16 箍筋I8梁下柱箍 筋1.654417!构件名称:梁1I 16 ①轴12.5728 1: 2I16②③④轴12.57283(3 n16⑤轴 5.2128 124n16 ⑥轴7.6128 12 简图钢筋编号钢筋级别直径仃UVr-宀护下料长度根(标注设计尺寸)所在位置构件名称:梁5 n16 A轴17.0728 126 n16 B轴17.0728 127 n16 C轴17.0728 128n16 D轴15.5728 12③ 轴与 D 轴支座短筋n16 交点处 1.873 3②轴与 A 轴交支座短筋n16 点处 1.873 3箍筋i8 D轴 1.6344 40箍筋i8 A轴 1.6344 44箍筋i8 C轴的①一④ 1.3544 27 箍筋i8 C轴的④一⑤ 1.5544 60 简图钢筋编号钢筋级别直径斤匚卄八空下料长度根(标注设计尺寸)所在位置构件名称:梁箍筋i8 C轴的⑤一⑥ 1.3544 33 箍筋i8 B轴 1.3544 36① —⑥轴的箍筋i8 A—B 与C 1.3544 99—D箍筋I8 ① ②③④⑥ 轴的B—C 1.3544 30构件名称:楼板①I8 1~3层板 4.3 43②I8 1~3层板 4.9 37③I8 1~2层板 1.348 54④I8 1~2层板 2.428 37简图钢筋编号钢筋级别直径斤匚卄八空下料长度根(标注设计尺寸)所在位置构件名称:楼板⑤I8 1~2层板 4.828 19⑥I8 1~3层板 2.5 18⑦I8 1~3层板0.898 10⑧I8 1~3层板 1.528 10⑨I8 1~3层板 4 10⑩I8 1~2层板 1.268 74I8 1~2层板 1.268 52I8 1~2层板 2.228 52③I8 3 层板1.348 23④I8 3 层板2.428 16简图钢筋编号钢筋级别直径片l=?=t 下料长度根(标注设计尺寸)所在位置构件名称:楼板⑤I8 3 层板 4.82884⑩I8 3 层板1.268 32I8 3 层板1.268 20I8 3 层板 2.228 20案例、平法识图国家建筑标准设计图集03G101-1混凝土结构施工图平面整体表示方法制图规则和构造详图(现浇混凝土框架、剪力墙、框架- 剪力墙、框支剪力墙结构)1、框架柱1)柱编号柱类型代号序号框架柱框支柱芯柱梁上柱剪力墙上柱框架柱:在框架结构中主要承受竖向压力;将来自框架梁的荷载向下传输,是框架结构中承力最大构件。
框支柱:出现在框架结构向剪力墙结构转换层,柱的上层变为剪力墙时该柱定义为框支柱;芯柱:它不是一根独立的柱子,在建筑外表是看不到的,隐藏在柱内。
当柱截面较大时,由设计人员计算柱的承力情况,当外侧一圈钢筋不能满足承力要求时,在柱中再设置一圈纵筋。
由柱内内侧钢筋围成的柱称之为芯柱;梁上柱:柱的生根不在基础而在梁上的柱称之为梁上柱。
主要出现在建筑物上下结构或建筑布局发生变化时;墙上柱:柱的生根不在基础而在墙上的柱称之为墙上柱。