板钢筋计算实例
- 格式:doc
- 大小:845.00 KB
- 文档页数:19
1、某宿舍的内廊为现浇简支在砖墙上的钢混凝土平板(例图4-1a),板上作用的均布活荷载标准值为q k=2kN/米.水磨石地面及细石混凝土垫层共30米米厚(重力密度为22kN/米3),板底粉刷白灰砂浆12米米厚(重力密度为17kN/米3).混凝土强度等级选用C15,纵向受拉钢筋采用HPB235热轧钢筋.试确定板厚度和受拉钢筋截面面积.例图4-1(a)、(b)、(c)[解]1.截面尺寸内廊虽然很长,但板的厚度和板上的荷载都相等,因此只需计算单位宽度板带的配筋,其余板带均按此板带配筋.取出1米宽板带计算,取板厚h=80米米(例图4-1b),一般板的保护层厚15米米,取a s=20米米,则h0=h-a s=80-20=60米米.2.计算跨度单跨板的计算跨度等于板的净跨加板的厚度.因此有l0=l n+h=2260+80=2340米米3.荷载设计值恒载标准值: 水磨石地面0.03×22=0.66kN/米钢筋混凝土板自重(重力密度为25kN/米3)0.08×25=2.0kN/米白灰砂浆粉刷0.012×17=0.204kN/米g k=0.66+2.0+0.204=2.864kN/米活荷载标准值: q k=2.0kN/米恒载设计值:活荷载设计值:4.弯矩设计值米(例图4-1c)5.钢筋、混凝土强度设计值由附表和表4-2查得:C15砼:HPB235钢筋:6.求x及A s值由式(4-9a)和式(4-8)得:7.验算适用条件8.选用钢筋及绘配筋图选用φ8@130米米(A s=387米米2),配筋见例图4-1d.例图4-1d冷轧带肋钢筋是采用普通低碳钢筋或普通低合金钢筋为原材料加工而成的一种新型高效钢筋.由于它强度高,可以节约许多钢材,加之其直径细、表面带肋、与混凝土的粘结锚固效果特别好,因此在国外得到广泛的应用.我国自80年代中期将其引入后,经过近十年的努力,已经编制了国家标准《冷轧带肋钢筋》GB13788-92和行业标准《冷轧带肋钢筋混凝土结构技术规程》JGJ95-95.国家科委和建设部曾相继下文,要求大力推广采用冷轧带肋钢筋.本例如果改用经调直的550级冷轧带肋钢筋配筋时:选用φ6@125米米(A s=226米米2)即是说,将采用HPB235钢筋配筋改为采用550级的冷轧带肋钢筋配筋以后,可以节省41.6%的受力钢筋用钢量,这个数字是十分可观的.2、某教学楼中的一矩形截面钢筋混凝土简支梁,计算跨度l0=6.0米米,板传来的永久荷载及梁的自重标准值为g k=15.6kN/米米,板传来的楼面活荷载标准值q k=10.7kN/米,梁的截面尺寸为200米米×500米米(例图4-2),混凝土的强度等级为C20,钢筋为HRB335钢筋.试求纵向受力钢筋所需面积.[解]1.内力计算永久荷载的分项系数为1.2,楼面活荷载的分项系数为1.4,结构的重要性系数为1.0,因此,梁的跨中截面的最大弯矩设计值为:2.配筋计算由附表和表4-2查得当混凝土的强度等级为C20时,f c=9.6N/米米2,,由附表3查得HRB335钢筋的f y=300N/米米2.先假定受力钢筋按一排布置,则联立求解上述二式,得x=223.65米米, A s=1431米米23.适用条件验算(1)验算条件式(4-10)本例中的配筋率为(2)验算条件式(4-11)由表4-4查得,而本题实际的相对受压区高度为:因此,两项适用条件均能满足,可以根据计算结果选用钢筋的直径和根数.选择钢筋的直径和根数时,希望选用的钢筋截面面积尽可能接近计算截面面积,力争使误差保持在±5%以内,所选的钢筋直径和根数还应满足构造上的有关规定.本例选用三根直径为25米米的HRB335钢筋,记作3 25,一排配置,实际的配筋截面面积A s=1473米米2,满足计算时钢筋设计强度取值和截面有效高度的假定,配筋面积符合计算要求.例图4-23、某宿舍一预制钢筋混凝土走道板,计算跨长l0=1820米米,板宽500米米,板厚60米米,混凝土的强度等级为C15,受拉区配有4根直径为6米米的HPB235钢筋,当使用荷载及板自重在跨中产生的弯矩最大设计值为米=910000N·米米时,试验算该截面的承载力是否足够?[解]1.求x由附表和表4-2查得由式(4-8)求得受压区计算高度为2.求米u3.判别截面承载力是否满足(满足)某实验室一楼面梁的尺寸为250米米×500米米,跨中最大弯矩设计值为米=180000N·米,采用强度等级C30的混凝土和HRB400级钢筋配筋,求所需纵向受力钢筋的面积.[解]1.利用参考资料中的计算用表1求A s先假定受力钢筋按一排布置,则h0=h-35=500-35=465米米查附表4-1和表4-2得由式(4-22)得由计算用表1查得相应的值为所需纵向受拉钢筋面积为选用4 20(A s=1256米米2),一排可以布置得下,因此不必修改h0重新计算A s值.2.利用参考资料中的计算用表2求A s根据上面求得查计算用表2得由式(4-25)可求出所需纵向受力钢筋的截面面积为:计算结果与利用计算用表1的完全相同,因此以后只需要选用其中的一个表格进行计算便可以.由本例可看出,利用表格进行计算,比利用静力平衡公式计算要简便得多.某处于一般环境下的中型桥桥面梁,截面尺寸b×h=250米米×500米米,跨中最大弯矩设计值米d=1.8×108N·米米,采用强度等级C30的混凝土和HRB400钢筋配筋,求所需纵向受力钢筋的面积.[解]假定受力钢筋按一排布置,混凝土保护层厚30米米,则h0=h-40=500-40=460米米由表查得f cd=13.8N/米米2,f sd=330N/米米2,,=1.0,则所需纵向受力钢筋面积为:选用2 20+2 22(A s=1388米米2).(例图4-8)例图4-8某库房一楼面大梁截面尺寸b×h=250米米×600米米,混凝土的强度等级为C20,用HPB235钢筋配筋,截面承受的弯矩设计值米=4.0×108N·米米,当上述基本条件不能改变时,求截面所需受力钢筋截面面积.[解]1.判别是否需要设计成双筋截面查附表和表4-2得;f y=f y=210N/米米2;查表4-4和表4-6得b=250米米,h0=600-70=530米米(两排布置).单筋矩形截面能够承受的最大弯矩为:因此应将截面设计成双筋矩形截面.2.计算所需受拉和受压纵向受力钢筋截面面积设受压钢筋按一排布置,则a’s=40米米.由式(4-34)得:由式(4-35)得:钢筋的选用情况为:受拉钢筋8受压钢筋4截面的配筋情况如例图4-3所示.例图4-3一基本情况与例4-4相同的梁,但米=2.0×108N·米受压区预先已经配好HRB335级受压钢筋2 20(A's=628米米2),求截面所需配置的受拉钢筋截面面积A s.[解]1.求受压区高度x假定受拉钢筋和受压钢筋按一排布置,则a s=a's=35米米,h0=h-a s=500-35=465米米..由式(4-36)求得受压区的高度x为:且2.计算截面需配置的受拉钢筋截面面积由式(4-37)求得受拉钢筋的截面面积A s为:选用3 25(A s=1473米米2),截面配筋情况如例图4-4所示.例图4-4已知一T形截面梁截面尺寸b'f=600米米、h'f=120米米、b=250米米、h=650米米,混凝土强度等级C20,采用HRB335钢筋,梁所承受的弯矩设计值米=426 kN·米.试求所需受拉钢筋截面面积A s.[解]1.已知条件混凝土强度等级C20,;HRB335级钢筋,.考虑布置两排钢筋,a s=70米米,h0=h-a s=650-70=580米米.2.判别截面类型属第二类T形截面.3.计算x取式(4-52)中米=米u,由式(4-52)得4.计算A s将x代入式(4-51)得5.选用钢筋及绘配筋图选用2 22+4 25(A s=2724米米2),配筋见例图4-5.例图4-5已知一T形截面梁(例图4-6)的截面尺寸h=700米米、b=250米米、h'f=100米米、b'f=600米米,截面配有受拉钢筋822(A s=3041米米2),混凝土强度等级C30,采用HRB400钢筋.梁截面的最大弯矩设计值米=500kN·米.试校核该梁是否安全?[解]1.已知条件混凝土强度等级C30,;HRB400钢筋,,,2.判别截面类型,属第二类T形截面.3.计算x4.计算极限弯矩米u(安全)例图4-6。
天天(论坛版主) 加关注等 级:地区:石家庄发帖数:626回复数:128帮筑币:760魅力值:1650 发表于:2013-01-05 15:04:43 举报 引用 只看该作者 回复次数:19 查看次数:855 楼主 板钢筋计算公式一、普通板底筋计算 (一)、底筋长度底筋长度=净跨+伸进长度×2+弯钩×2 1、当板的端支座为框架梁时 底筋长度=净跨+左右伸进支座长度max (框梁支座宽/2,5d )+弯钩×2 2、当板的端支座为剪力墙时 底筋长度=净跨+左右伸进支座长度max (墙支座宽/2,5d )+弯钩×2 3、当板的端支座为圈梁时 底筋长度=净跨+左右伸进支座长度max (圈梁支座宽/2,5d )+弯钩×2 4、当板的端支座为砌体墙时 底筋长度=净跨+左右伸进支座长度max (120,板厚)+弯钩×2 (二)、 底筋根数 情况一:底筋根数=(净跨-50mm×2)/板筋间距+1 情况二:底筋根数=(净跨-保护层×2)/板筋间距+1 情况三:底筋根数=(净跨+保护层×2+左梁角筋1/2直径+右梁角筋1/2直径-板筋间距)/板筋间距+1 二、面筋计算 (一)、端支座负筋 1、端支座负筋长度 端支座负筋长度=锚入长度+弯钩+板内净尺寸+弯折长度情况一:锚入支座长度=锚固长度LaE(1)、当弯折长度=板厚-保护层×2时,端支座负筋长度=(锚固长度LaE+弯钩)+(板内净长)+(板厚-保护层×2)(2)、当弯折长度=板厚-保护层时,端支座负筋长度=(锚固长度LaE+弯钩)+(板内净长)+(板厚-保护层)情况二:锚入支座长度=0.4La+15d(1)、当弯折长度=板厚-保护层×2时,端支座负筋长度=(0.4La+15d+弯钩)+(板内净长)+(板厚-保护层×2)(2)、当弯折长度=板厚-保护层时,端支座负筋长度=(0.4La+15d+弯钩)+(板内净长)+(板厚-保护层)2、板端负筋根数情况一:负筋根数=(净跨-50mm×2)/板筋间距+1情况二:负筋根数=(净跨-保护层×2)/板筋间距+1情况三:负筋根数=(净跨+保护层×2+左梁角筋1/2直径+右梁角筋1/2直径-板筋间距)/板筋间距+1 (二)、端支座负筋分布筋1、端支座负筋分布筋长度情况一:分布筋和负筋参差150mm(1)、分布筋带弯钩分布筋长度=轴线(或净跨)长度-负筋标注长度×2+150mm×2+弯钩×2(2)、分布筋不带弯钩分布筋长度=轴线(或净跨)长度-负筋标注长度×2+150mm×2情况二:分布筋=轴线长度(1)、分布筋带弯钩分布筋长度=轴线长度+弯钩×2(2)、分布筋不带弯钩分布筋长度=轴线长度2、端支座负筋分布筋根数情况一:负筋分布筋根数=负筋板内净尺寸/分布筋间距(向上取整)情况二:负筋分布筋根数=负筋板内净尺寸/分布筋间距+1(向上取整)(三)、中间支座负筋1、中间支座负筋长度中间支座负筋长度=标注长度+弯折长度×2情况一:当弯折长度=板厚-保护层×2时,中间支座负筋长度=标注长度+(板厚-保护层×2)×2情况二:当弯折长度=板厚-保护层时,中间支座负筋长度=标注长度+(板厚-保护层)×22、中间支座负筋根数情况一:中间支座负筋根数=(净跨-50mm×2)/板筋间距+1情况二:中间支座负筋根数=(净跨-保护层×2)/板筋间距+1情况三:中间支座负筋根数=(净跨+保护层×2+左梁角筋1/2直径+右梁角筋1/2直径-板筋间距)/板筋间(四)、中间支座负筋分布筋1、中间支座负筋分布筋长度情况一:分布筋和负筋参差150mm(1)、分布筋带弯钩分布筋长度=轴线(或净跨)长度-负筋标注长度×2+150mm×2+弯钩×2(2)、分布筋不带弯钩分布筋长度=轴线(或净跨)长度-负筋标注长度×2+150mm×2情况二:分布筋=轴线长度(1)、分布筋带弯钩分布筋长度=轴线长度+弯钩×2(2)、分布筋不带弯钩分布筋长度=轴线长度2、中间支座负筋分布筋根数情况一:根数=布筋范围/间距中间支座负筋分布筋根数=(布筋范围1/分布筋间距)+(布筋范围2/分布筋间距)(向上取整)情况二:根数=布筋范围/间距+1中间支座负筋分布筋根数=(布筋范围1/分布筋间距+1)+(布筋范围2/分布筋间距+1)(向上取整)三、温度筋为了防止板受热胀冷缩而产生裂缝,通常在板的上部负筋中间位置布置温度筋。
双向板钢筋计算例题问题描述某建筑工地要进行一个双向板的钢筋计算,该双向板的尺寸为3m × 3m,并且厚度为200mm。
设计师要求在该板上设置双向钢筋以增强板材的强度和稳定性。
你作为结构工程师负责进行钢筋计算和设计。
计算步骤步骤一:计算板的负荷首先,我们需要计算板的负荷。
根据建筑设计师提供的信息,该板的重量为1000kg/m3,即板的体积密度为1000kg/m3。
可以通过以下公式计算板的负荷:负荷 = 体积 × 密度在我们的例子中,板的尺寸为3m × 3m × 0.2m,所以板的体积为3m × 3m × 0.2m = 1.8m^3。
将板的体积代入计算公式,我们可以得到板的负荷:负荷 = 1.8m^3 × 1000kg/m^3 = 1800kg所以该板的负荷为1800kg。
步骤二:计算板的弯矩接下来,我们要计算板的弯矩。
由于板是双向的,所以我们需要计算两个方向的弯矩。
对于单一加载情况下,我们可以使用以下公式计算弯矩:弯矩 = 负荷 × 距离在我们的例子中,板的负荷为1800kg,并且板的尺寸为3m × 3m,所以距离为1.5m。
将负荷和距离代入计算公式,我们可以得到弯矩:弯矩 = 1800kg × 1.5m = 2700kg·m所以,在单一加载情况下,该板在两个方向的弯矩均为2700kg·m。
步骤三:计算钢筋的截面面积接下来,我们要计算钢筋的截面面积。
钢筋的截面面积决定了其承载能力。
根据结构设计师的要求,我们使用直径为10mm的钢筋。
钢筋的截面面积可以通过以下公式计算:截面面积= π × (直径/2)^2将钢筋直径代入计算公式,我们可以得到钢筋的截面面积:截面面积= π × (10mm/2)^2 ≈ 78.5mm^2所以钢筋的截面面积为78.5mm^2。
步骤四:计算钢筋的数量最后,我们要计算钢筋的数量。
平法——板
1、底筋
①端部支座为梁、剪力墙、圈梁
底筋长度=净长+2*max{支座宽/2,5d}+2*6.25d(一级钢筋)+搭接
根数=(净长-2*50)/间距+1
②端部支座为砌体墙
}+2*6.25d(一级钢筋)+搭接
底筋长度=净长+2*max{120,h
板厚
根数=(净长-2*50)/间距+1
2、面筋
①端部支座为梁、剪力墙、圈梁
面筋长度=净长+2*la+2*6.25d(一级钢筋)+搭接
根数=(净长-2*50)/间距+1
②端部支座为砌体墙
面筋长度=面筋伸至中心线向下弯折
根数=(净长-2*50)/间距+1
3、端支座负筋
端支座负筋长度=净长+la+(板厚-保护层)
根数=(净长-2*50)/间距+1
4、中间支座负筋
中间支座负筋长度=左净长+右净长+2*(板厚-保护层)
根数=(净长-2*50)/间距+1
5、分布筋
分布筋长度=净长-两端端负筋露出长度+2*150/300
注:1、关于分布筋,①在楼板的四个角位置均为横向和纵向两个方向的分布筋,在此范围内是不需要布置分布筋的,其余范围是需要布置的。
②分布筋与角部负筋相交范围内,需有一定的搭接长度,常见的设计图纸规定的搭接长度有“150”、“300”。
2、关于负筋,跨梁扣筋的梁上部分是没有分布筋的,板扣筋上的分布筋就扣筋伸出梁外的长度按间距布置。
也可以说,在“距梁边1/2间距”的地方开始布置第一根分布筋,不过在扣筋的弯折部位必须布置一根分布筋。
3、现浇板上的负弯矩筋的直角钩减去一个保护层。
4、板受力筋、板扣筋距梁边缘50mm处开始布置。
板钢筋计算例题某建筑工程中使用的混凝土板的长宽分别为3m和4m,厚度为0.2m,要求使用横向和纵向钢筋进行加固。
根据设计要求,横向钢筋间距为0.2m,纵向钢筋间距为0.3m。
混凝土的抗压强度为30MPa,钢筋的抗拉强度为400MPa。
根据上述条件,计算出板的横向和纵向钢筋的数量和直径。
解题思路:首先,根据板的长宽和横向钢筋间距可以计算出板横向需要多少根钢筋,同理,根据板的长宽和纵向钢筋间距可以计算出板纵向需要多少根钢筋。
其次,根据板的面积、混凝土的抗压强度、钢筋的抗拉强度,可以计算出板的抗拉强度。
最后,根据板的抗拉强度和钢筋的直径可以计算出钢筋的数量和直径。
计算过程:1. 计算板的面积板的面积 = 长×宽 = 3m × 4m = 12m2. 计算横向钢筋的数量和直径横向钢筋的数量 = (长÷横向间距 + 1) × (宽÷横向间距+ 1) - 宽÷横向间距 - 长÷横向间距 + 1= (3 ÷ 0.2 + 1) × (4 ÷ 0.2 + 1) - 4 ÷ 0.2 - 3 ÷ 0.2 + 1 = 75 根横向钢筋的抗拉强度 = 横向钢筋的数量×横向钢筋的直径×π÷ 4 ×钢筋的抗拉强度= 75 × d ×π÷ 4 × 400MPa横向钢筋的抗拉强度 = 混凝土的抗压强度×板的面积×1000= 30MPa × 12m × 1000根据等式:横向钢筋的抗拉强度 = 混凝土的抗压强度×板的面积× 1000可以得到:d = 混凝土的抗压强度×板的面积× 1000 × 4 ÷ (75 ×π× 400MPa) = 0.33因此,横向钢筋的直径 d = √0.33 = 0.58cm ≈ 0.6cm。
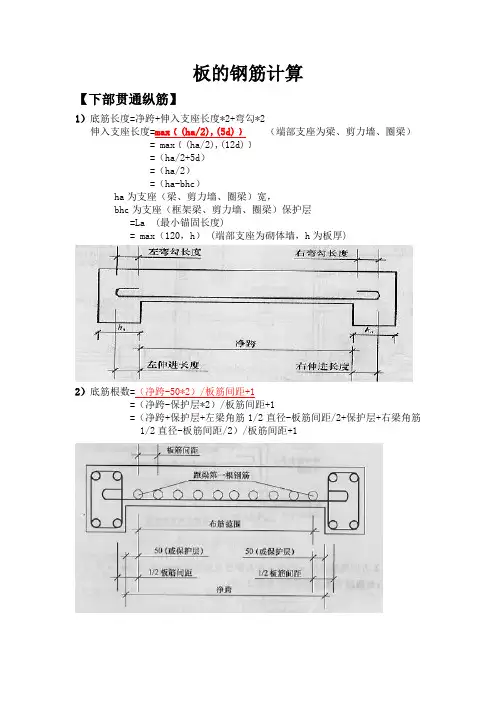
板的钢筋计算【下部贯通纵筋】1)底筋长度=净跨+伸入支座长度*2+弯勾*2伸入支座长度=max﹛(ha/2),(5d)﹜(端部支座为梁、剪力墙、圈梁) = max﹛(ha/2),(12d)﹜=(ha/2+5d)=(ha/2)=(ha-bhc)ha为支座(梁、剪力墙、圈梁)宽,bhc为支座(框架梁、剪力墙、圈梁)保护层=La (最小锚固长度)= max(120,h) (端部支座为砌体墙,h为板厚)2)底筋根数=(净跨-50*2)/板筋间距+1=(净跨-保护层*2)/板筋间距+1=(净跨+保护层+左梁角筋1/2直径-板筋间距/2+保护层+右梁角筋1/2直径-板筋间距/2)/板筋间距+1【面筋】1)面筋长度=净跨+伸入支座锚固长度*2+弯勾*2伸入支座锚固长度=La(最小锚固长度)=0.4 La+15*d=(支座宽ha-支座保护层bhc)+(板厚h -2*保护层)=(支座宽ha-支座保护层bhc)+(板厚h -保护层)=伸入支座中心线ha/2+(板厚h -2*保护层)=伸入支座中心线ha/2+(板厚h -保护层)2)面筋根数=(净跨-50*2)/板筋间距+1=(净跨-保护层*2)/板筋间距+1=(净跨+保护层+左梁角筋1/2直径-板筋间距/2+保护层+右梁角筋1/2直径-板筋间距/2)/板筋间距+1【负筋】端支座负筋1)端支座负筋长度=锚入支座长度+弯勾+板内净尺寸+弯折长度锚入支座长度= La(最小锚固长度)=0.4 La+15*d=(支座宽ha -保护层bhc)+(板厚h -2*保护层)=(支座宽ha -保护层bhc)+(板厚h -保护层)=伸入支座中心线ha/2+(板厚h -2*保护层)=伸入支座中心线ha/2+(板厚h -保护层)弯折长度=(板厚h -2*保护层)=(板厚h -保护层)2)负筋根数=(净跨-50*2)/板筋间距+1=(净跨-保护层*2)/板筋间距+1=(净跨+保护层+左梁角筋1/2直径-板筋间距/2+保护层+右梁角筋1/2直径-板筋间距/2)/板筋间距+13)端支座负筋分布筋长度=(轴线(或净跨)长度-负筋标注长度*2)+搭界长度150*2+弯勾*2=轴线长度+弯勾*2=布筋范围长度+弯勾*2布筋范围=净跨-50*2=净跨-保护层*2=净跨+保护层+左梁角筋1/2直径-板筋间距/2+保护层+右梁角筋1/2直径-板筋间距/24)分布筋根数=负筋板内净长/分布筋间距(向上取整)=负筋板内净长/分布筋间距+1(向上取整)中间支座负筋1)中间支座负筋长度=标注长度a+标注长度b+弯折长度*2=标注长度a+标注长度b+支座+弯折长度*2弯折长度=板厚-2*保护层=板厚-保护层2)负筋根数=(净跨-50*2)/板筋间距+1=(净跨-保护层*2)/板筋间距+1=(净跨+保护层+左梁角筋1/2直径-板筋间距/2+保护层+右梁角筋1/2直径-板筋间距/2)/板筋间距+13)中间支座负筋分布筋长度=(轴线(或净跨)长度-负筋标注长度*2)+搭接长度150*2+弯勾*2=轴线长度+弯勾*2=布筋范围长度+弯勾*2布筋范围=净跨-50*2=净跨-保护层*2=净跨+保护层+左梁角筋1/2直径-板筋间距/2+保护层+右梁角筋1/2直径-板筋间距/24)分布筋根数=(布筋范围a /分布筋间距)+ (布筋范围b /分布筋间距)(向上取整)=(布筋范围 a /分布筋间距+1)+ (布筋范围 b /分布筋间距+1)(向上取整)【温度筋】1)温度筋长度=(两支座中心线长度-负筋标注长度*2)+搭接长度150*2+弯勾*2 =(两支座净长-负筋标注长度*2)+搭接长度150*2+弯勾*22)温度筋根数=(两支座中心线长度-负筋标注长度*2)/温度筋间距-1=(两支座净长-负筋标注长度*2)/温度筋间距-1【纯悬挑板的钢筋计算】上部筋1)上部受力筋长度=锚固长度La +(悬挑板净跨XBK-保护层)+(h-保护层*2+5d)+(搭接长度*搭接个数)一端悬挑=(悬挑板净跨XBK-保护层*2)+(h-保护层*2+5d) *2+(搭接长度*搭接个数)两端悬挑2)上部受力筋根数=(悬挑板长度L -50*2)/上部受力钢筋间距+1=(悬挑板长度L -保护层*2)/上部受力钢筋间距+1=(悬挑板长度L +保护层*2+左梁角筋1/2直径+右梁角筋1/2直径-板筋间距)/上部受力钢筋间距+13)上部分布筋长度=(悬挑板长度L-保护层*2)+弯勾*2上部分布筋根数=(悬挑板净跨XBK-保护层)/分布筋间距下部筋1)下部构造钢筋长度= max(支座宽/2,12d)+(悬挑板净跨XBK-保护层) +弯勾*2下部构造钢筋根数=(悬挑板长度L -50*2)/上部受力钢筋间距+1=(悬挑板长度L-保护层*2)/下部构造钢筋间距+12)下部分布筋长度=(悬挑板长度L-保护层*2)+(弯勾*2 一级钢筋)下部分布筋根数=(悬挑板净跨XBK-保护层)/分布筋间距【板中开洞的底筋计算】1)非洞口钢筋长度=净跨+伸进长度max﹛(ha/2),(5d)﹜*2+弯勾*22)洞口截断钢筋长度=伸进长度max﹛(ha/2),(5d)﹜+(净跨-保护层)+设定弯折+水平玩折(h-保护层*2+5d)+弯勾3)洞口加强钢筋长度=净跨+伸进长度max﹛(ha/2),(5d)﹜*2。
板钢筋计算长度Document serial number【NL89WT-NY98YT-NC8CB-NNUUT-NUT108】板钢筋计算公式一、普通板底筋计算(一)、底筋长度底筋长度=净跨+伸进长度×2+弯钩×21、当板的端支座为框架梁时底筋长度=净跨+左右伸进支座长度max(框梁支座宽/2,5d)+弯钩×22、当板的端支座为剪力墙时底筋长度=净跨+左右伸进支座长度max(墙支座宽/2,5d)+弯钩×23、当板的端支座为圈梁时底筋长度=净跨+左右伸进支座长度max(圈梁支座宽/2,5d)+弯钩×24、当板的端支座为砌体墙时底筋长度=净跨+左右伸进支座长度max(120,板厚)+弯钩×2(二)、底筋根数情况一:底筋根数=(净跨-50mm×2)/板筋间距+1情况二:底筋根数=(净跨-保护层×2)/板筋间距+1情况三:底筋根数=(净跨+保护层×2+左梁角筋1/2直径+右梁角筋1/2直径-板筋间距)/板筋间距+1二、面筋计算(一)、端支座负筋1、端支座负筋长度端支座负筋长度=锚入长度+弯钩+板内净尺寸+弯折长度情况一:锚入支座长度=锚固长度LaE(1)、当弯折长度=板厚-保护层×2时,端支座负筋长度=(锚固长度LaE+弯钩)+(板内净长)+(板厚-保护层×2)(2)、当弯折长度=板厚-保护层时,端支座负筋长度=(锚固长度LaE+弯钩)+(板内净长)+(板厚-保护层)情况二:锚入支座长度=0.4La+15d(1)、当弯折长度=板厚-保护层×2时,端支座负筋长度=(0.4La+15d+弯钩)+(板内净长)+(板厚-保护层×2)(2)、当弯折长度=板厚-保护层时,端支座负筋长度=(0.4La+15d+弯钩)+(板内净长)+(板厚-保护层)2、板端负筋根数情况一:负筋根数=(净跨-50mm×2)/板筋间距+1情况二:负筋根数=(净跨-保护层×2)/板筋间距+1情况三:负筋根数=(净跨+保护层×2+左梁角筋1/2直径+右梁角筋1/2直径-板筋间距)/板筋间距+1(二)、端支座负筋分布筋1、端支座负筋分布筋长度情况一:分布筋和负筋参差150mm(1)、分布筋带弯钩分布筋长度=轴线(或净跨)长度-负筋标注长度×2+150mm×2+弯钩×2(2)、分布筋不带弯钩分布筋长度=轴线(或净跨)长度-负筋标注长度×2+150mm×2情况二:分布筋=轴线长度(1)、分布筋带弯钩分布筋长度=轴线长度+弯钩×2(2)、分布筋不带弯钩分布筋长度=轴线长度2、端支座负筋分布筋根数情况一:负筋分布筋根数=负筋板内净尺寸/分布筋间距(向上取整)情况二:负筋分布筋根数=负筋板内净尺寸/分布筋间距+1(向上取整)(三)、中间支座负筋1、中间支座负筋长度中间支座负筋长度=标注长度+弯折长度×2情况一:当弯折长度=板厚-保护层×2时,中间支座负筋长度=标注长度+(板厚-保护层×2)×2情况二:当弯折长度=板厚-保护层时,中间支座负筋长度=标注长度+(板厚-保护层)×22、中间支座负筋根数情况一:中间支座负筋根数=(净跨-50mm×2)/板筋间距+1情况二:中间支座负筋根数=(净跨-保护层×2)/板筋间距+1情况三:中间支座负筋根数=(净跨+保护层×2+左梁角筋1/2直径+右梁角筋1/2直径-板筋间距)/板筋间距+1(四)、中间支座负筋分布筋1、中间支座负筋分布筋长度情况一:分布筋和负筋参差150mm(1)、分布筋带弯钩分布筋长度=轴线(或净跨)长度-负筋标注长度×2+150mm×2+弯钩×2(2)、分布筋不带弯钩分布筋长度=轴线(或净跨)长度-负筋标注长度×2+150mm×2情况二:分布筋=轴线长度(1)、分布筋带弯钩分布筋长度=轴线长度+弯钩×2(2)、分布筋不带弯钩分布筋长度=轴线长度2、中间支座负筋分布筋根数情况一:根数=布筋范围/间距中间支座负筋分布筋根数=(布筋范围1/分布筋间距)+(布筋范围2/分布筋间距)情况二:根数=布筋范围/间距+1中间支座负筋分布筋根数=(布筋范围1/分布筋间距+1)+(布筋范围2/分布筋间距+1)三、温度筋为了防止板受热胀冷缩而产生裂缝,通常在板的上部负筋中间位置布置温度筋。
板钢筋⼯程量计算(公式+实例)⼀、板钢筋计算依据和钢筋的类型1、板的平法图集和计算依据是《04G101-4》2、现浇混凝⼟楼板的钢筋分为以下⼏种2.1 板底钢筋(包括特殊形式的板底通长钢筋);2.2 上层通长钢筋、⽀座负筋(包括特殊形式板⾯通长钢筋);2.3 ⽀座筋的分布筋、温度筋、附加筋;2.4 马蹬筋;⼆、各种板钢筋的详细计算1、字母代表的含义: La—⾮抗震时锚固长度; d ---钢筋直径; L1E—连接长度; BHC—保护层;Ha—⽀座宽度 S--- 钢筋间距 ceil—向上取整2、板底通长钢筋(下层通长钢筋)板底通长钢筋有⽔平和垂直两个⽅向,可以布置多个板块或者⼀个板块。
长度L=板扣除两端⽀座的长度(板净长) + 左锚固 + 右锚固 + “连接长度”+12.5*D(II级以上为0)其中:12.5D是指⼀级钢中的180度弯钩,⼀端弯钩是6.25D,两端就是12.5D.“左锚固、右锚固”算法有如下⼏种,可根据图纸说明操作:Max ( ha /2,5*d) (即,⽀座宽度的⼀半与钢筋直径的5倍相⽐取⼤值);Max ( ha /2,12*d) (即,⽀座宽度的⼀半与钢筋直径的12倍相⽐取⼤值);La (即,钢筋的锚固长度);ha /2+5*d (即,⽀座宽度的⼀半加钢筋直径的5倍);ha–bhc (即,⽀座宽度 - 保护层);ha /2 (即,⽀座宽度的⼀半);·“连接长度” 算法为:当采⽤焊接、机械连接时:连接长度 = 0 ,计算接头个数;当采⽤搭接时,连接长度=接头个数 * L1=取整(通长钢筋直段长 / 定尺长度)* L1根数N= ceil [(钢筋布置范围–2倍的受⼒筋到⽀座边的距离) / 钢筋间距 ] +1;在根数计算时,起始受⼒筋距离⽀座边间距有三种情况可以考虑A:50mm,第⼀根钢筋距离⽀座边50mm;B:保护层距离,第⼀根钢筋距离⽀座边保护层距离;C:S/2,第⼀根钢筋距离⽀座边S/2(S为间距);纵向的钢筋长度与根数和⽔平⽅向的算法⼀致,不在详讲!3、板⾯通长钢筋(上层通长钢筋)板⾯通长钢筋有⽔平和垂直两个⽅向,可以布置多个板块或者⼀个板块。
板钢筋计算公式一、普通板底筋计算(一)、底筋长度底筋长度=净跨+伸进长度x2+弯钩x21、当板的端支座为框架梁时底筋长度=净跨+左右伸进支座长度max (框梁支座宽/2, 5d) +弯钩x22、当板的端支座为剪力墙时底筋长度=净跨+左右伸进支座长度max (墙支座宽/2, 5d)+弯钩x23、当板的端支座为圈梁时底筋长度=净跨+左右伸进支座长度max (圈梁支座宽/2, 5d) +弯钩x24、当板的端支座为砌体墙时底筋长度=净跨+左右伸进支座长度max (120,板厚)+弯钩x2(二)、底筋根数情况一:底筋根数=(净跨・50mmx2)/板筋间距+1情况二:底筋根数=(净跨•保护层x2)/板筋间距+1情况三:底筋根数=(净跨+保护层x2+左梁角筋1/2直径+右梁角筋1/2直径•板筋间距)/板筋间距+1二、面筋计算(一)、端支座负筋1、端支座负筋长度端支座负筋长度=锚入长度+弯钩+板净尺寸+弯折长度情况一:锚入支座长度=锚固长度LaE(1)、当弯折长度=板厚•保护层x2时,端支座负筋长度=(锚固长度LaE+弯钩)+ (板净长)+ (板厚•保护层x2)(2)、当弯折长度=板厚•保护层时,端支座负筋长度=(锚固长度LaE+弯钩)+ (板净长)+ (板厚•保护层)情况二:锚入支座长度=0.4La+15d(1)、当弯折长度=板厚•保护层x2时,端支座负筋长度=(0.4La+15d+弯钩)+ (板净长)+(板厚•保护层x2)(2)、当弯折长度=板厚•保护层时,端支座负筋长度=(0.4La+15d+弯钩)+ (板净长)+(板厚•保护层)2、板端负筋根数情况一:负筋根数=(净跨・50mmx2)/板筋间距+1情况二:负筋根数=(净跨•保护层X2)/板筋间距+1情况三:负筋根数=(净跨+保护层X2+左梁角筋1/2直径+右梁角筋1/2直径•板筋间距)/板筋间距+1(二)、端支座负筋分布筋1、端支座负筋分布筋长度情况一:分布筋和负筋参差150mm(1)、分布筋带弯钩分布筋长度=轴线(或净跨)长度•负筋标注长度x2+150mmx2+弯钩x2(2)、分布筋不带弯钩分布筋长度=轴线(或净跨)长度•负筋标注长度x2+150mmx2情况二:分布筋=:轴线长度(1)、分布筋带弯钩分布筋长度=轴线长度+弯钩x2(2)、分布筋不带弯钩分布筋长度=轴线长度2、端支座负筋分布筋根数情况一:负筋分布筋根数=负筋板净尺寸/分布筋间距(向上取整)情况二:负筋分布筋根数二负筋板净尺寸/分布筋间距+1 (向上取整)(三)、中间支座负筋1、中间支座负筋长度中间支座负筋长度=标注长度+弯折长度x2情况一:当弯折长度=:板厚•保护层x2时,中间支座负筋长度=标注长度+ (板厚•保护层x2) x2情况二:当弯折长度=板厚•保护层时,中间支座负筋长度=:标注长度+ (板厚•保护层)x22、中间支座负筋根数情况一:中间支座负筋根数=(净跨・50mmx2)/板筋间距+1情况二:中间支座负筋根数==(净跨•保护层x2)/板筋间距+1情况三:中间支座负筋根数=(净跨+保护层x2+左梁角筋1/2直径(四)、中间支座负筋分布筋+右梁角筋1/2直径•板筋间距)/板筋间距+1(四)、中间支座负筋分布筋1、中间支座负筋分布筋长度情况一:分布筋和负筋参差150mm(1)、分布筋带弯钩分布筋长度=轴线(或净跨)长度•负筋标注长度x2+150mmx2+ 弯钩x2(2)、分布筋不带弯钩分布筋长度=轴线(或净跨)长度•负筋标注长度x2+150mmx2情况二:分布筋=轴线长度(1)、分布筋带弯钩分布筋长度=轴线长度+弯钩x2(2)、分布筋不带弯钩分布筋长度=轴线长度2、中间支座负筋分布筋根数情况一:根数=布筋围/间距中间支座负筋分布筋根数=(布筋围1/分布筋间距)+ (布筋围2/ 分布筋间距)情况二:根数=布筋围/间距+1中间支座负筋分布筋根数=(布筋围1/分布筋间距+1) + (布筋围2/分布筋间距+1)三、温度筋为了防止板受热胀冷缩而产生裂缝,通常在板的上部负筋中间位置布置温度筋。