爆破装药参数汇总
- 格式:doc
- 大小:20.50 KB
- 文档页数:2
中深孔爆破参数的选择和装药量计算1台阶高度:5-15m;2孔径D :90mm;3单位炸药消耗量q 与岩石坚硬程度的关系列于下表本矿体普氏硬度为10~12取q=m ³4底盘抵抗线采用过大的底盘抵抗线会造成根底多,大块率高,后冲作用大;过小则不仅浪费炸药,增大钻孔工作量,而且岩块易抛散和产生飞石危害;底盘抵抗线的大小与钻孔直径、炸药威力、岩石可爆性、台阶高度和坡面角等因素有关,在设计中可用类似条件下的经验公式来计算;① 根据钻孔作业的安全条件 B Hctga W +≥1式中:W1—底盘抵抗线,m ; H —台阶高度,m ;α—台阶坡面角; B —从钻孔中心到坡顶线的安全距离,一般B=~3m;② 按每孔的装药条件mq W τ∆⋅=78.0D 1式中:D —孔径,dm ;∆—装药密度,g/ml ;τ—装药系数,一般为~;m —炮孔密集系数,一般为~;q —炸药单耗根据工程实际需要选择;③按炮孔直径确定d W )45~25(1=取W 1=4m 优化取值5超深h超深h m 是指钻孔超过台阶底盘水平的深度;若超深过大,将造成钻机和炸药的浪费;同时还将增加爆破动强度和底盘的破坏;根据经验,超深可按下式确定:1)35.0~15.0(W h = 或 H h )2.0~1.0(= 式中:1W —底盘抵抗线,m ;当岩石松软时取小值,岩石坚硬时取大值;对于要求特别保护的底板,应将超深取负值;6孔距a孔距按下式计算:a =m ×W1m 为炮孔密集系数,一般为~取a=~4m7排距bb =~1×a取b=~3m8孔深L垂直孔: L =H +h,倾斜孔: L =H +h/Sin αα为炮孔倾角;9 填塞长度LT堵塞长度LT m 是指装药后炮孔的剩余部分作为填塞物充填的长度;合理的堵塞长度应从降低爆炸气体能量损失和尽可能增加钻孔装药量两个方面考虑;堵塞长度过长将会降低延米爆破量,增加钻孔费用,并造成台阶上部岩石破碎不佳;堵塞长度过短,则炸药能量损失大,将产生较强的空气冲击波、噪声和个别飞石的危害,并影响钻孔下部破碎效果,常用的经验公式为⎩⎨⎧=≥(倾斜孔)垂直孔或11T T )0.1~9.0()()8.0~7.0(L L W W W或 LT =20-40Dm10单孔药量Q :单排孔爆破或多排孔爆破的第一排孔的单孔装药量按下式计算:H qaW Q 1=多排孔爆破时,从第二排孔起,以后各排孔的单孔装药量按下式计算:kqabH Q =式中:K — 考虑受到前面多排孔的矿岩阻力作用的增加系数k,一般取~;。
爆破参数的选择1、高速台钻、潜孔钻主要爆破参数(抛石)钻孔采用梅花型布孔。
1)、梯段高度HH=10~12m,分台阶进行开采;2)、钻孔深度LL=10.5~13m(包括超钻深度);3)、孔距aa=;4)、排距bb=;5)、最小抵抗线ww=b=;6)、孔径DD=80~90mm;7)、单位耗药量qq=/m3;8)、单孔装药量计算Q=qaL×××13=;9)、炸药品种选用2#岩石硝铵炸药10)、药卷直径dd=70mm;11)、装药结构、封堵长度l采用连续不偶合装药,孔口封堵材料采用石粉,堵塞长度主要考虑防止冲炮飞石,提高爆破效果。
l=1/3L=1/3×炮孔布置及装药结构如下图所示:A-A 剖面塑料导爆管堵塞石粉炸药非电毫秒雷管装药结构图12)、起爆方式采用1~25段非电塑料导爆管毫秒雷管并串联结,火雷管引爆。
2、27型手风钻主要爆破参数1)、钻孔深度LL=5m;2)、布孔,根据掌子面自由面的情况确定,若岩石较坚硬完整,可采用棋盘式布孔方法。
孔距a,排距ba=b=;3)、孔径DD=50mm;4)、单位耗药量qq=/m3;5)、单孔装药量计算Q=qaL×××5=;6)、炸药品种选用2#岩石硝铵炸药;7)、封堵长度ll=1m;8)、装药结构和起爆方式采用1~25段非电塑料导爆管毫秒雷管并串联结,单孔起爆。
石料开采方法料场石方开采前应结合施工道路的布置及临时设施场地的布置进行合理的规划,选择场地开阔、料层厚、储料集中、质量好的大料场作为本工程抛填石料的主料场,并根据设计的开采方法及开采工作面的布置,合理安排施工机械和施工人员,制定科学的开挖方案正确指导施工。
同时还必须布置好料场的排水设施,确保开采机械及人员的施工安全。
根据主料场的地形地质条件及料场征地范围,在开挖范围内设置安全护栏,人工在规划开采边线外挖截水沟,人工配合1m3反铲剥离覆盖层,一般方法开挖钻爆弃料1m3反铲挖装,15T自卸车运碴到指定弃碴场弃碴,堤坝抛填料采用深孔梯段微差挤压控制爆破法(在施工条件与地质条件符合洞室爆破时,进行小规模洞室爆破试验,试验时邀请监理工程师和业主参加,成功后进行开采),高速台钻造孔,炸药为2#岩石销铵炸药,电毫秒雷管起爆,料场工作面开出后,分两个工作面开采,采取自上而下梯段开采,边坡坡比为,开挖高度30m时留一马道,马道宽,梯段高度10m-12m, 1m3和2m3铲装车,15T-20T自卸车运料至施工堤抛填。
一、装药密度(克每立方厘米):2号岩石乳化0.95-1.3、粉状乳化0.85-1.05、1号粉状铵油0.9-1.0、多孔粒状铵油0.8-0.9、岩石改性铵油0.9-1.1、岩石膨化铵油0.8-1.0、重铵油0.85-1.3线装药密度(千克每米):圆周率*(d的平方)*装药密度/4000二、钻机直径(多孔铵油炸药时取装药密度0.85克每立方厘米)对应的线装药主要有:40mm-1.07千克每米、50-1.67千克每米、65-2.82千克每米、70-3.27千克每米、76-3.85千克每米、90-5.41千克每米、100-6.67千克每米、110-8.07千克每米、120-9.6千克每米三、常用药卷(2号岩石乳化炸药)型号:1、直径32mm 长度20cm药量150g;2、直径35mm长度20cm药量200g四、各个爆破单耗(千克每立方米):光面线装药密度0.15-0.2、预裂线装药密度为0.25-0.4、台阶(深)0.4-0.6、台阶(浅)0.5-1.2、基坑0.3-0.35、沟槽一般取0.5、井巷掘进1.2-2.4(一般取1)、隧道同井巷一般取1左右、拆除砖混1-1.5、拆除混凝土1.5-2、混泥土基础一般取1、桩井2-3、立井2-4、水下钻孔(0.45+(0.05-0.15)H)五、台阶(深孔)爆破:H台阶高度已知,钻机直径D 一般取H/100,底盘抵抗线W=KD其中K取(30-40),超深h=(8-12)D,孔距a=mW其中m取(1-1.25),排距b=(0.6-1.0)W,若三角形布孔则b=asin60,孔深L=(H+h)/sin,堵塞长度L2=(20-30)D,单耗q(0.4-0.6)一般取0.5左右,q1线装药密度根据公式核算具体见第一项,根据线装药算出单孔装药量与根据单耗算出的单孔装药量(Q=qHaW)对比,调整a或者b或者q单耗,从而保持结果一致。
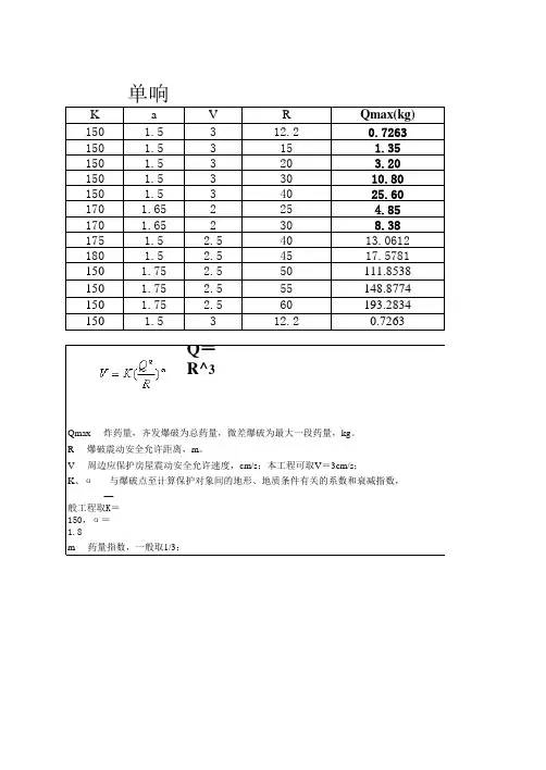
安全校核:v=K(立方根Q/R)括号开a次方,其中K系数(50-350)一般取150,a系数(1.3-2)一般取1.5,v一般民用建筑屋为1.5-3cm/s。
K a V R Qmax(kg) 150 1.5312.20.7263 150 1.5315 1.35 150 1.5320 3.20 150 1.533010.80 150 1.534025.60 170 1.65225 4.85 170 1.652308.38 175 1.5 2.54013.0612 180 1.5 2.54517.5781 150 1.75 2.550111.8538 150 1.75 2.555148.8774 150 1.75 2.560193.2834 150 1.5312.20.7263Q=R^3(V/K)^(3/a)Qmax----炸药量,齐发爆破为总药量,微差爆破为最大一段药量,kg。
R----爆破震动安全允许距离,m。
V----周边应保护房屋震动安全允许速度,cm/s;本工程可取V=3cm/s;K、α-----与爆破点至计算保护对象间的地形、地质条件有关的系数和衰减指数, —般工程取K=150,α=1.8m----药量指数,一般取1/3;露天浅孔控爆单孔药量参数计算表q a w或b L Q(kg)0.3 1.4 1.23 1.512 0.45331040.5 0.3 1.8 1.53 2.43 0.3 2.1 1.83 3.402单孔药量计算公式: Q=a*b*L*q爆破振动安全距离 R 验算表1501.53190013.5721150 1.53200013.5721150 1.53250013.57211501.53300013.5721—般工程取K=150,α=1.5KaQRv170 1.650.36 4.56170 1.650.310 1.96170 1.650.315 1.01170 1.650.3200.631701.650.3500.14Qmax----炸药量,齐发爆破为总药量,微差爆破为最大一段药量,kg 。
R----爆破震动安全允许距离,m 。
单位耗药量(-)单位耗药量(二)炸药换算系数e值单位耗药量(四)坚硬岩石低台阶(H v 2w)爆破耗药量及主要参数单位耗药量K及其它参数(五)爆破设计(一)、规范规定《铁路隧道施工规范》(TB10204-2002)规定:光面爆破参数预裂爆破参数说明:1、上表所列参数适用于炮眼深度1.0〜3.5m,炮眼直径40〜50mm药卷直径20〜25mm2、当断面较小或围岩软弱、破碎或对曲线、折线开挖成形要求较高时,周边眼间距 E 应取小值;3、周边眼抵抗线W值在一般情况下均应大于周边眼间距E值。
软岩在取较小E值时,W 值应适当增大;4、E/W 软岩取小值,硬岩及断面小时取大值;5、表列装药集中度q为2号硝铵炸药,选用其它类型炸药时,应修正。
换算系数.K 1 2号硝铵炸药猛度.2号硝铵炸药爆力I;• K. —I2(换算炸药猛度换算炸药爆力丿(二)、爆破器材的选择⑴炸药:一般情况下,多采用二号硝铵炸药,洞内有水时应采用乳化油炸药、水胶炸药或其他防水性炸药;有瓦斯的隧道内,应采用煤矿安全炸药(如2、3号煤矿炸药,2、3号煤矿抗水炸药,煤矿水胶炸药,煤矿乳化油炸药,被筒炸药,当量炸药,离子交换炸药);在软弱围岩周边爆破时,选择低爆速光爆专用炸药,如二号低爆速炸药。
隧道常用炸药国产光面爆破专用炸药⑵雷管:在无瓦斯隧道内,可首先考虑采用非电毫秒雷管或半秒雷管;在有瓦斯的隧道内,采用煤矿瞬发电雷管或毫秒延期电雷管。
雷管的段间隔时间差应考虑控制在100ms左右,在软弱围岩中爆破,为避免振动强度的迭加作用,雷管最好跳段使用,特别是1〜5段的雷管。
大断面隧道爆破,至少要求有1〜15段雷管隧道常用雷管(三)、参数确定一个© 32*25cm药卷用药量0.195kg一个© 25*25cm药卷用药量0.125kg一个© 20*25cm药卷用药量0.0875kg炸药密度0.85〜1.05g/cm光面爆破岩石饱和抗压强度39.7〜46.25MPQ属于中硬岩规范参数装药不偶和系数D (炮眼直径Rh/药卷直径Rc)1.5〜2,宜取2.0周边眼间距E取45〜60cm最小抵抗线V,应大于周边眼间距,取60〜75cm相对距E/V取0.8〜1周边眼装药集中度q(kg/m)0.2〜0.3眼深:全断面3〜3.5m,台阶法1〜3m单位用药:全断面0.9〜2kg/m3,台阶法0.4〜0.8kg/m3炮眼直径取43mm考虑油压凿岩机炮眼直径42〜46mn W, V= 0.5 〜0.7 , q = 0.28 〜0.38炮眼直径34〜38mrr W, V= 0.4 〜0.6 , q = 0.14 〜0.21中空孔到装药眼间距入:岩层系数,中硬岩以上取1.9〜2.2:中空孔径(mr)d:装药眼径(mrj)掏槽炮眼间距不小于20cm,掏槽炮眼比辅助眼深10cm周边眼炮泥堵塞长度不小于20cm全断面开挖:断面尺寸:72.97m2,宽11m 高8m1.3循环进尺的选定在软弱围岩中,宜采用0.8〜1.5m, —般取1.1m。
一、单位耗药量单位耗药量(一)单位耗药量(二)炸药换算系数e值单位耗药量(四)单位耗药量K及其它参数(五)二、隧道爆破设计爆破设计(一)、规范规定《铁路隧道施工规范》(TB10204-2002)规定:光面爆破参数预裂爆破参数说明:1、上表所列参数适用于炮眼深度1.0~3.5m ,炮眼直径40~50mm ,药卷直径20~25mm ;2、当断面较小或围岩软弱、破碎或对曲线、折线开挖成形要求较高时,周边眼间距E 应取小值;3、周边眼抵抗线W 值在一般情况下均应大于周边眼间距E 值。
软岩在取较小E 值时,W 值应适当增大;4、E/W :软岩取小值,硬岩及断面小时取大值;5、表列装药集中度q 为2号硝铵炸药,选用其它类型炸药时,应修正。
换算系数:⎪⎭⎫ ⎝⎛+=换算炸药爆力号硝铵炸药爆力换算炸药猛度号硝铵炸药猛度2221K (二)、爆破器材的选择⑴炸药:一般情况下,多采用二号硝铵炸药,洞内有水时应采用乳化油炸药、水胶炸药或其他防水性炸药;有瓦斯的隧道内,应采用煤矿安全炸药(如2、3号煤矿炸药,2、3号煤矿抗水炸药,煤矿水胶炸药,煤矿乳化油炸药,被筒炸药,当量炸药,离子交换炸药);在软弱围岩周边爆破时,选择低爆速光爆专用炸药,如二号低爆速炸药。
隧道常用炸药国产光面爆破专用炸药⑵雷管:在无瓦斯隧道内,可首先考虑采用非电毫秒雷管或半秒雷管;在有瓦斯的隧道内,采用煤矿瞬发电雷管或毫秒延期电雷管。
雷管的段间隔时间差应考虑控制在100ms左右,在软弱围岩中爆破,为避免振动强度的迭加作用,雷管最好跳段使用,特别是1~5段的雷管。
大断面隧道爆破,至少要求有1~15段雷管。
(三)、参数确定一个φ32*25cm 药卷用药量0.195kg 一个φ25*25cm 药卷用药量0.125kg 一个φ20*25cm 药卷用药量0.0875kg 炸药密度0.85~1.05g/cm 3 光面爆破岩石饱和抗压强度39.7~46.25MPa ,属于中硬岩 规范参数装药不偶和系数D (炮眼直径Rh/药卷直径Rc )1.5~2,宜取2.0 周边眼间距E 取45~60cm最小抵抗线V,应大于周边眼间距,取60~75cm 相对距E/V 取0.8~1周边眼装药集中度q (kg/m )0.2~0.3 眼深:全断面3~3.5m ,台阶法1~3m单位用药:全断面0.9~2kg/m3,台阶法0.4~0.8kg/m3 炮眼直径取43mm ,考虑油压凿岩机炮眼直径42~46mm 时,V =0.5~0.7,q =0.28~0.38 炮眼直径34~38mm 时,V =0.4~0.6,q =0.14~0.21 中空孔到装药眼间距λ:岩层系数,中硬岩以上取1.9~2.2:中空孔径(mm ) d :装药眼径(mm )掏槽炮眼间距不小于20cm ,掏槽炮眼比辅助眼深10cm 周边眼炮泥堵塞长度不小于20cm 全断面开挖:222dd d A ++⎪⎪⎭⎫ ⎝⎛++=ϕϕϕλπϕ断面尺寸:72.97m2,宽11m ,高8m 1.3循环进尺的选定在软弱围岩中,宜采用0.8~1.5m ,一般取1.1m 。
第145页平行空眼直线掏槽于楔形掏槽(倾斜眼掏槽)的爆破效果比较列于表8-4.该数据是在断面为2.4m×2。
1m,长度为600m的不同岩层掘进时监测的。
由表8—4看出:(1)楔形掏槽优点有:一是所需炮眼数目少;二是炸药单耗低;三是爆破单位体积岩石所需的炮眼长度低。
(2)直眼掏槽优点有:一是炮眼利用率高;二是眼深不受巷道断面限制;三是破碎块度均匀;四是钻眼方便,准确性高.这两种方法的优缺点正好相反。
直眼掏槽在单位炸药消耗量和爆破单位体积岩石所需的炮眼长度方面都比楔形掏槽高,其主要原因是直眼掏槽槽腔的炸药单耗和炮眼数目明显偏高。
因此,直眼掏槽的爆破效率在小断面掘进工作要比楔形掏槽的爆破效率低,但在中等和大断面的掘进工作面,由于槽腔面积所占掘进面积的比例小,直眼掏槽爆破效率明显提高.c 混合式掏槽混合式掏槽是指两种以上的掏槽方式混合使用,在遇到岩石特别坚硬或巷道断面较大时,可以采用桶形与锥形混合掏槽。
B 辅助眼和周边眼的布置原则辅助眼和周边眼的布置原则:(1)布眼均匀,既要充分利用炸药能量,又要保证岩石按设计轮廓线崩落。
其间距根据岩石性质而定,一般辅助眼取0.4-0。
8m,周边眼取0。
5-1.0m,周边眼距巷道轮廓线取0。
1-0。
2m。
(2)底眼布置较为困难,有积水时容易产生瞎炮,因此要注意以下几点:1)眼间距一般为0。
4-0.7m,抛炸爆破时,底眼采用较小间距;2)底眼眼口应比巷道底板高出0。
1—0。
2m,但其眼底应低于底板0。
1-0。
2m,抛炸爆破时,应将炮孔深度加深0.2m左右;3)底眼装药量介于掏槽眼和辅助眼之间,装药长度为眼深的0.5—0。
7倍,抛炸爆破时,每孔增加1-2个药卷.目前,在一些质量要求较高的井巷掘进中,大都采用光面爆破或预裂爆破技术。
有关参数设计可参考第7.4节“预裂爆破和光面爆破"中的内容,在此不重复.第146页工作面的炮眼布置图如图8-9所示。
巷道断面面积3mx3m,图中数字为起爆顺序图未做8.1。
一、单位耗药量单位耗药量(一)单位耗药量(二)炸药换算系数e值单位耗药量(四)单位耗药量K及其它参数(五)二、隧道爆破设计爆破设计(一)、规范规定《铁路隧道施工规范》(TB10204-2002)规定:光面爆破参数预裂爆破参数说明:1、上表所列参数适用于炮眼深度1.0~3.5m ,炮眼直径40~50mm ,药卷直径20~25mm ;2、当断面较小或围岩软弱、破碎或对曲线、折线开挖成形要求较高时,周边眼间距E 应取小值;3、周边眼抵抗线W 值在一般情况下均应大于周边眼间距E 值。
软岩在取较小E 值时,W 值应适当增大;4、E/W :软岩取小值,硬岩及断面小时取大值;5、表列装药集中度q 为2号硝铵炸药,选用其它类型炸药时,应修正。
换算系数:⎪⎭⎫ ⎝⎛+=换算炸药爆力号硝铵炸药爆力换算炸药猛度号硝铵炸药猛度2221K (二)、爆破器材的选择⑴炸药:一般情况下,多采用二号硝铵炸药,洞内有水时应采用乳化油炸药、水胶炸药或其他防水性炸药;有瓦斯的隧道内,应采用煤矿安全炸药(如2、3号煤矿炸药,2、3号煤矿抗水炸药,煤矿水胶炸药,煤矿乳化油炸药,被筒炸药,当量炸药,离子交换炸药);在软弱围岩周边爆破时,选择低爆速光爆专用炸药,如二号低爆速炸药。
隧道常用炸药国产光面爆破专用炸药⑵雷管:在无瓦斯隧道内,可首先考虑采用非电毫秒雷管或半秒雷管;在有瓦斯的隧道内,采用煤矿瞬发电雷管或毫秒延期电雷管。
雷管的段间隔时间差应考虑控制在100ms左右,在软弱围岩中爆破,为避免振动强度的迭加作用,雷管最好跳段使用,特别是1~5段的雷管。
大断面隧道爆破,至少要求有1~15段雷管。
(三)、参数确定一个φ32*25cm 药卷用药量0.195kg 一个φ25*25cm 药卷用药量0.125kg 一个φ20*25cm 药卷用药量0.0875kg 炸药密度0.85~1.05g/cm 3 光面爆破岩石饱和抗压强度39.7~46.25MPa ,属于中硬岩 规范参数装药不偶和系数D (炮眼直径Rh/药卷直径Rc )1.5~2,宜取2.0 周边眼间距E 取45~60cm最小抵抗线V,应大于周边眼间距,取60~75cm 相对距E/V 取0.8~1周边眼装药集中度q (kg/m )0.2~0.3 眼深:全断面3~3.5m ,台阶法1~3m单位用药:全断面0.9~2kg/m3,台阶法0.4~0.8kg/m3 炮眼直径取43mm ,考虑油压凿岩机炮眼直径42~46mm 时,V =0.5~0.7,q =0.28~0.38 炮眼直径34~38mm 时,V =0.4~0.6,q =0.14~0.21 中空孔到装药眼间距λ:岩层系数,中硬岩以上取1.9~2.2:中空孔径(mm ) d :装药眼径(mm )掏槽炮眼间距不小于20cm ,掏槽炮眼比辅助眼深10cm 周边眼炮泥堵塞长度不小于20cm 全断面开挖:222dd d A ++⎪⎪⎭⎫ ⎝⎛++=ϕϕϕλπϕ断面尺寸:72.97m2,宽11m ,高8m 1.3循环进尺的选定在软弱围岩中,宜采用0.8~1.5m ,一般取1.1m 。
预裂爆破参数预裂爆破是一种工程爆破方法,通常用于矿山开采、城市建设和道路建设等工程中。
预裂爆破参数是指在进行预裂爆破时所需考虑和确定的各项关键参数,包括爆破孔的布置、装药量、起爆序列、延时时间等。
下面将详细介绍预裂爆破参数的选择和计算。
1. 爆破孔的布置参数爆破孔的布置是预裂爆破参数中的关键因素之一。
爆破孔的布置应根据具体的爆破对象和工程要求合理确定。
通常需要考虑的因素包括岩体的结构、裂隙的分布、爆破后的岩石破碎度等。
在选择爆破孔的位置、深度和间距时,需要综合考虑这些因素,以达到预期的爆破效果。
2. 装药量参数装药量是指每个爆破孔中使用的炸药或者其他爆破药剂的数量和种类。
装药量的确定需根据具体的工程要求和岩石的物理力学性质来进行计算。
在选择装药量时,需要考虑到爆破孔的尺寸、岩石的强度、断裂模式以及爆破后的岩石颗粒度要求等因素。
3. 起爆序列和延时时间参数起爆序列是指爆破孔中装药的起爆顺序,延时时间是指爆破孔中不同装药点之间的起爆间隔时间。
合理的起爆序列和延时时间能够有效地控制岩石的炸裂和破碎过程,从而获得理想的爆破效果。
一般来说,爆破孔中首先应当爆破离岩体表面最远的装药点,然后依次向岩体表面的方向进行爆破,以最大限度地控制岩石的破碎和飞石。
4. 安全措施和环保参数在确定预裂爆破参数时,还需要考虑到安全措施和环保要求。
在进行预裂爆破工程时,应当确保周围区域的人员和建筑物安全,并采取必要的防护措施。
还应当合理选择爆破药剂,控制爆破产生的振动、噪音和粉尘,以减少对周围环境的影响。
预裂爆破参数的选择和计算是一项复杂的工程任务,需要综合考虑岩石的物理力学性质、工程要求、安全环保要求等多个因素。
只有合理选择预裂爆破参数,才能够确保爆破工程的顺利进行,并达到预期的效果。
爆破技术参数选取爆破技术参数的选取对于爆破作业的安全性和效率有着重要的影响。
在进行爆破作业之前,需要根据具体的工程特点和环境条件,综合考虑诸多因素来确定合适的爆破参数。
下面将介绍一些常用的爆破技术参数,并解释其选取的依据。
1.预裂参数:预裂参数主要包括孔眼直径、孔眼深度、孔间距和孔网形式等。
选取合适的预裂参数可以实现预裂的稳定推进,降低裂纹发展的阻力,提高爆破效果。
预裂参数需要根据岩石或矿体的物理力学性质,如岩石的抗压强度、裂隙的分布及其性质、地下水的分布等,来确定。
2.裂纹参数:裂纹参数主要包括炮孔内的裂纹发展方向、长度和分布密度等。
裂纹的发展方向应与设计要求和爆破目标一致,可以通过倾斜钻孔、裂缝放射法等方法来控制。
裂纹的长度和分布密度决定了岩石的破碎程度和爆破效果,需要根据爆破目标和现场实际情况来确定。
3.裂纹传导速度:裂纹传导速度是指由于爆炸产生的裂纹在岩体中传播的速度。
裂纹传导速度的选取需要根据岩石的物理力学性质、裂纹发展方向等因素来确定。
合适的裂纹传导速度可以保证预裂的稳定传输和扩展,提高岩石的破碎程度和爆破效果。
4.炮孔参数:炮孔参数主要包括炮孔直径、炮孔深度、炮孔间距和炮孔田字形等。
炮孔参数的选取需要根据爆破原理、炮孔的布置形式以及地质条件等综合考虑。
适当的炮孔直径和深度可以提高爆破效果,增加炮孔间距可以降低爆破震荡的影响。
炮孔田字形的选取可以根据爆破目标的形状和要求来确定。
5.起爆参数:起爆参数主要包括装药量、装药形式、引爆序列和点火方式等。
装药量需要根据爆破目标的大小、岩石的物理力学性质等来确定,过少的装药量可能导致爆破效果不理想,过多的装药量可能导致过度破碎。
装药形式可以选择空包、包装炸药或混合装药,需要根据爆破条件和安全要求来确定。
引爆序列和点火方式可以根据炮孔布置形式和现场实际情况来选择。
6.震源参数:震源参数主要包括爆破波速、爆破能量和动力指数等。
爆破波速决定了爆破产生的冲击波在岩石中的传播速度,爆破能量决定了岩石的破碎程度。
注:1、表中所列参数适用于炮眼深度1.0-4.0m,炮眼直径40-50mm,药卷直径20-25mm.
2、当断面较小或围岩软弱、破碎或对曲线、折现开挖成形要求较高时,周边眼间距E 应取较小值。
3、周边眼抵抗线W值在一般情况下均应大于周边眼间距E值。
软岩在取较小E值时,W值应适当增大。
4、E/W:软岩去较小值,硬岩及断面小时取大值。
5、表列装药集中度q为2号岩石硝铵炸药,选用其它类型炸药时,应修正。
周边眼应沿隧道开挖轮廓线布置,保证开挖断面符合设计要求,硬岩开眼位置在轮廓线上,软岩可向内偏5~10cm。
底板和仰拱底面采用预留光爆层爆破,II级围岩段的中心水沟应与隧底光爆层同时爆破成形。
辅助眼交错均匀布置在周边眼和掏槽眼之间,力求爆破出的石块快度适合装渣需要。
周边炮眼与炮眼的眼底应在同意垂直面上,掏槽炮眼加深10~20cm。
当开挖面凹凸较大时,应按实际情况调整炮眼深度,是周边眼和辅助眼在同以垂直面上。
炸药可选用岩石硝铵炸药和乳化炸药。
工程概况工程位于某县xxx村附近,距县城约30km。
电站发电水头约30m,装机容量为2×15MW,拟建电站厂房左侧陡削坡高的山体,严重影响着电站厂房的安危,需自山脚水平挖进约45m×18.5m,开挖石方12500m3,采用露天台阶深孔爆破,台阶高度15m,台阶坡面角80°。
周边300m处有民房需要保护。
工程区域位于天台山山脉中部,地形以中低山为主,间夹山间盆地,主要山峰高程多在1000m左右。
工程区地层岩性为流纹质晶屑熔结凝灰岩、石英二长岩,新鲜岩石一般致密坚硬,局部夹不稳定的凝灰质砂砾岩、粉砂岩等中软岩。
区内褶皱构造不发育,主要为断裂构造。
以北东向断裂为主,其次为南、北向断裂。
主要断裂有F101~F108共8条,F102宽10~50m,影响带宽150m以上,主要由断层坡碎岩等组成;其余宽0.5~20.0m。
岩石坚固性系数为f=6~8。
2爆破参数的确定及装药结构式中:d—钻孔直径(cm);Δ—装药密度(g/mL);τ-深孔装药系数;L—孔深。
根据爆区台阶高度,钻孔直径和岩石性质,爆破参数为:H=15m;孔径d=10cm;单耗q取0.3kg/m3;装药密度Δ=0.75g/mL;孔深装药系数τ取0.8;超深h=10d=1m;孔深L=H+h=16m;炮孔直径=100mm;m-钻孔邻近密集系数,其值通常>1.0,取1.2。
则:计算得W=3.7m1(2)孔距。
a=mw1w1为底盘最小抵抗线;则a=mw1=1.2×3.7=4.4m(3)排距。
b=asin60°=0.866a式中b-排距;a-孔距。
则b=asin60°=4.4×0.866=3.8m-Hctg80°。
式中B—台阶上眉(6)台阶上眉线至前排孔口距离B=w1线至前排孔口的距离;w—最小抵抗线;H—台阶高度;Ctg80°=台阶坡面角。
1则B=3.7-15×0.176=1.1m(7)炮孔总数。
爆破装药三参数汇总
一、装药参数主要包括:装药结构,装药密度,装药系数。
1、装药结构:炸药在炮眼中的装填状态,如药
包的品种、形状以及药包之间的位置关系
等。
(1)按装药品种可分为单一装药和混合装药。
单一装药:装同一种炸药。
混合装药:根据各段岩石硬度的不同灵活选
取不同品种炸药,以达到理想效果。
(2)按装填状态分连续装药、间隔装药、耦合装药以及不耦合装药。
连续装药:药卷之间不留间隙;袋装粉状、
粒状炸药等,填满炮孔。
间隔装药:药卷之间留有空隙;采用分段装
药。
耦合装药:药卷直径和炮孔直径相同,塞满
炮孔。
不耦合装药:炮孔直径大于药卷直径。
2、装药密度:单位体积内炸药质量。
装药密度=
炮孔装药质量
装药体积
3、装药系数:描述装药长度。
装药系数=
装药长度
炮孔长度
依据经验,一般取0.7—0.85。