船舶电力推进系统优势
- 格式:doc
- 大小:17.00 KB
- 文档页数:1
船舶电力推进系统船舶电力推进系统是现代船舶设计中的重要部分,它的作用是为船舶提供高效、可靠的动力,以满足船舶的各种需求。
本文将详细介绍船舶电力推进系统的构成、特点、应用场景及其发展趋势。
一、系统构成船舶电力推进系统主要由发电机、变压器、配电板、变频器、推进器等组成。
其中,发电机负责将机械能转化为电能,变压器则将发电机输出的电压和电流进行调节,配电板负责对电能进行分配和控制,变频器则将电源频率转换为推进器所需的频率,推进器则最终将电能转化为机械能,推动船舶前行。
二、系统特点船舶电力推进系统具有以下优点:1、能量利用率高:电力推进系统中的电动机能量转换效率高达90%以上,相比传统燃油发动机,能量利用率更高。
2、航行平稳:由于电力推进系统可以通过调节电动机的转速和转向来控制推进器,因此可以实现船舶的平稳航行,减少震动和噪音。
3、维护方便:电力推进系统的机械部件相对较少,因此维护相对简单,寿命也更长。
4、环保:由于电力推进系统使用的燃料是电力,因此不会产生废气和噪音,对环境更加友好。
三、应用场景电力推进系统在船舶中的应用非常广泛,尤其是在大型船舶、高速船和军舰中,电力推进系统的优势更加明显。
例如,在大型油轮中,电力推进系统可以更好地满足油轮的平稳航行和货物运输需求;在高速船中,电力推进系统可以实现更高的航速和更好的舒适性;在军舰中,电力推进系统可以提高舰船的隐蔽性和作战能力。
四、发展趋势随着科技的不断进步,船舶电力推进系统也在不断发展。
未来,电力推进系统将更加智能化、高效化和环保化。
具体来说,以下是一些发展趋势:1、智能控制:未来的电力推进系统将更加智能化,可以通过传感器和人工智能技术实现自动化控制和优化,提高系统的效率和可靠性。
2、高效能源:未来的电力推进系统将更加注重能源的高效利用,例如采用更高效的发电机和电动机,以及更先进的能量储存技术,以提高系统的能量利用率。
3、环保技术:未来的电力推进系统将更加注重环保,例如采用更环保的燃料电池或太阳能等可再生能源技术,以减少对环境的影响。
船舶电力推进技术
船舶电力推进技术是指使用电力驱动船舶推进系统的技术。
相比于传统的机械推进技术,电力推进技术具有更高的效率、更低的噪音和更少的污染排放,因此在现代船舶设计中得到了越来越广泛的应用。
船舶电力推进系统通常由以下几个部分组成:
1. 发电机:将机械能转换成电能,产生所需的电力。
2. 电动机:将电能转换成机械能,驱动船舶的螺旋桨旋转,产生推进力。
3. 电池组:作为备用电源,提供紧急电力供应或在需要时提供额外的电力。
4. 控制系统:负责监测和调节电力系统的运行,确保系统的稳定和安全。
船舶电力推进技术的优点包括:
1. 高效节能:电力推进系统可以实现高效节能,降低船舶的燃料消耗和排放。
2. 噪音低:电力推进系统的运转噪音较低,减少了对周围环境的噪音污染。
3. 灵活性高:电力推进系统可以根据需要调节输出功率,提高船舶的操纵灵活性。
4. 维护方便:电力推进系统的维护相对简单,可以减少
船舶的维护成本和停机时间。
船舶电力推进技术的缺点包括:
1. 初始成本高:电力推进系统的建设成本相对较高,需要投入大量资金。
2. 技术要求高:电力推进系统的设计和维护需要具备较高的技术水平。
3. 受电网限制:电力推进系统的运行需要依赖电网供电,受到电网供电的限制。
船舶直流组网电力推进技术发展优势报告随着船舶行业的发展,船舶电力推进技术也不断得到了改进和优化。
其中,船舶直流组网电力推进技术是当前较为先进的一种技术。
本文主要介绍船舶直流组网电力推进技术的发展优势。
一、提高船舶效率采用船舶直流组网电力推进技术可以有效提高船舶的效率。
相比于传统的交流电系统,直流电系统具有更高的电能转化效率和更低的能量损耗。
在船舶的电力供应和储存方面,直流电池和充电器具有更高的充电效率和更长的电池寿命,从而使得船舶运行更加高效。
二、提升船舶的可靠性在传统的交流电系统中,一旦发生短路或电路故障,整个电力系统就可能会瘫痪。
而直流电系统则可以更加灵活地应对这些故障,因为故障发生后只会影响到一个或几个电池单元,而不会影响到整个电力系统。
这种特性可以提高船舶的可靠性和安全性,从而降低船舶的维修成本和运营风险。
三、降低船舶的碳排放船舶是主要的碳排放来源之一。
采用船舶直流组网电力推进技术可以减少碳排放,因为直流电池和充电器所需的电源可以来自可再生能源,例如太阳能和风能。
此外,使用直流电推进系统可以减少能源的浪费,从而降低船舶的碳排放。
四、支持智能化船舶随着智能化技术的快速发展,越来越多的船舶需要智能化技术的支持。
船舶直流组网电力推进技术可以为智能化船舶提供更好的平台,因为它可以与各种智能化方案集成,如远程监控、自主导航、自动调节和自适应控制等。
这些功能帮助船舶更好地适应未来的智能化趋势,提高生产效率并减少人为干扰。
综上所述,船舶直流组网电力推进技术具有很多优势,在提高船舶效率、提升可靠性、降低碳排放、支持智能化船舶等方面都有显着表现。
这种技术的进步将使船舶更加清洁、高效和安全。
船舶直流组网电力推进技术的发展不仅在理论计算和实验室观测方面有所突破,在实际应用中也取得了不俗表现。
以下将选取相关数据进行分析。
一、直流电系统的效率比交流电系统高5-10%直流电系统具有更高的电能转化效率和更低的能量损耗,这也是船舶直流组网电力推进技术优势之一。
船舶电力推进系统的技术创新在现代船舶工业中,船舶电力推进系统作为一项关键技术,正经历着日新月异的创新与变革。
这一技术的发展不仅提升了船舶的性能和效率,还为航运业带来了诸多新的机遇和挑战。
船舶电力推进系统,简单来说,就是将船舶的动力来源从传统的机械传动转变为电力驱动。
其核心组成部分包括发电装置、电力变换装置、推进电机以及控制与监测系统等。
这种系统的优势在于能够实现更加灵活的动力分配、精确的速度控制以及更低的噪音和振动水平。
过去,船舶电力推进系统在一些特殊用途的船舶上应用较为广泛,如破冰船、海洋工程船等。
然而,随着技术的不断进步,其应用范围正在逐渐扩大,包括商船、客船甚至军舰。
在技术创新方面,首先值得一提的是发电装置的改进。
传统的船舶发电通常依赖于内燃机,如柴油机。
如今,随着新能源技术的发展,燃料电池、太阳能电池板以及风能发电装置等逐渐崭露头角。
燃料电池具有高效、清洁的特点,能够为船舶提供稳定的电力来源。
太阳能电池板和风能发电装置则能够在特定条件下补充能源,进一步提高船舶的能源利用效率,减少对传统燃油的依赖,降低对环境的影响。
电力变换装置的性能提升也是一个重要的创新点。
高效的电力变换装置能够将发电装置产生的电能进行精确的调节和转换,以满足推进电机的不同需求。
同时,新型的电力变换装置还具备更好的电能质量控制能力,减少谐波和电压波动,提高整个电力系统的稳定性和可靠性。
推进电机的技术发展同样令人瞩目。
永磁同步电机由于其高效率、高功率密度和良好的调速性能,逐渐成为船舶电力推进系统中的主流选择。
与传统的异步电机相比,永磁同步电机能够在更小的体积和重量下输出更大的功率,从而为船舶节省宝贵的空间和重量。
此外,超导电机的研究也在不断推进。
虽然目前超导电机在实际应用中还面临一些技术和成本的挑战,但一旦取得突破,将为船舶电力推进带来革命性的变化。
控制与监测系统的智能化是船舶电力推进系统技术创新的另一个重要方向。
通过先进的传感器和数据分析技术,控制与监测系统能够实时获取船舶的运行状态、电力系统的参数以及外界环境信息,并据此进行智能决策和优化控制。
电力拖动系统在航海工程中的作用电力拖动系统(Electric Propulsion System)是指船舶中采用电力传动来驱动推进器的系统。
近年来,随着科技的不断发展和航海工程的需求增加,电力拖动系统在航海工程中扮演着越来越重要的角色。
本文将探讨电力拖动系统在航海工程中的作用。
一、提高船舶的能效电力拖动系统可以提高船舶的能效,减少能源消耗。
传统船舶的主要能源消耗来自于内燃机,而电力拖动系统可以将船上的燃油转化为电能,通过电动机驱动推进器进行推进。
相比于传统的内燃机驱动推进系统,在能源利用效率上有着明显的优势。
而且,电力拖动系统的维护成本相对较低,可以降低航海工程的运营成本。
二、提高船舶的灵活性电力拖动系统可以提高船舶的灵活性,增强操纵性能。
相比于传统的内燃机推进系统,电力拖动系统在转速和转向上更加灵活,操纵更加精准。
此外,电力拖动系统还能实现船舶的动力调配,可以根据实际情况灵活分配船舶的动力,提高船舶的动态性能。
在航海工程中,灵活的操纵性对于航道的通行和船舶的操作都具有重要的意义。
三、提升船舶的环保性能电力拖动系统可以提升船舶的环保性能,减少对环境的污染。
相比于传统的内燃机推进系统,电力拖动系统在排放物的减少上具有显著优势。
电力拖动系统的使用可以减少废气的排放,降低对海洋环境的污染,保护海洋的生态环境。
在航海工程中,环保意识的提高是当代社会的一个重要课题,电力拖动系统的使用有助于船舶行业实现绿色发展。
四、提高航行的安全性电力拖动系统可以提高航行的安全性,减少事故的发生。
传统的内燃机推进系统在运行时存在一定的噪音和振动,增加了事故的发生概率。
而电力拖动系统在运行时噪音较低且振动较小,可以降低事故风险。
此外,电力拖动系统还具备自动监测和故障诊断的功能,可以及时发现和解决系统故障,保证船舶的安全运行。
综上所述,电力拖动系统在航海工程中扮演着重要的角色。
它提高船舶的能效,增强船舶的灵活性,提升船舶的环保性能以及提高航行的安全性。
舰船电力推进系统优势及发展现状一、舰船电力推进系统行业优势船船推进方式是指船船从原动机到螺旋桨的功率传输方式,可分为机械推进和电力推进两大类.电力推进系统的主要优点在于占用空间小、操作灵活、推进功率和服务功率可自山转换,因此在海军舰船、豪华邮轮、海工船等特种船型应用较广,但由于其经济性较差,并没有在大型船舶上广泛应用.值得注意的是,不论机械推进还是电力推进,其原动机没有改变,还是以柴油机、燃气轮机或者蒸汽轮机作为船舶的主功率源.船舶推进方式分类和优劣势电力推进根据不同维度可分为多种类型.根据电力推进占比可分为混合电力推进和全电力推进,根据电动机的布局位置可分为吊舱式和非吊舱式,根据推进负载与非推进负载的电力管理和分配方式可分为综合电力推进等.电力推进方式分类由于电力推进技术具备明显优势,广泛适用于各类军船,也适用于各种大型客轮(豪华邮轮、渡轮)、特殊货轮(特别是LNG船、化学品船等)、海洋工程船(破冰船、铺缆船、挖泥船、测量船等)、海洋石油、天然气开采装备以及油气运输船等.对于民船和军船而言,电力推进技术的共同优越性有十点:1)增加有效载荷;2)降低振动;3)提高灵活性;4)增强可靠性;5)提高机动性; 6)减少维护保养量;7)节省燃油;8)提高自动化程度;9)延长设备寿命;10)技术升级.电力推进技术的主要优势U前电力推进方式中最有发展前景的是综合电力推进系统,综合电力推进系统所需功率范围为50-100W,主要系统包括供电系统、推进系统和监控系统三个分系统,主要的装置包括原动机,发电机,推进功率分配系统,推进电动机驱动装置,推进电动机,螺旋桨,非推进功率分配系统.从价值量来看,不含原动机的船舶价值量约为全船的15%左右,整套系统套价值量在千万到亿不等.综合电推系统的主要子系统舰船采用综合电力推进系统能够降低燃料消耗、节省舰船运行成本.舰船采用综合电力推进系统能够降低燃料消耗、节省舰船运行成本.在舰船的不同工作模式下,仅当舰船发动机接近满功率运行时采用机械推进的效率稍高,其余模式下采用电力推进的效率均高于机械推进.不同推进方式的推进效率比较不同推进方式的推进效率比较与乩大村堆切準比值<*)隈血极电力加遗g"幼枫》枫从曲it二、舰船电力推进系统发展现状民品领域,电力推进应用率逐步提高,整个市场呈扩张趋势.从2010-2019年完工船舶各类推进方式占比来看,采用电力推进的完工船舶占比从2010年的3. 74%上升到2019年的4.96%,其中,2017、2018年船舶电力推进占比均超过7%, 2019年有所下降主要因为整体船舶市场处于低谷,特别是油价持续低迷,海工船船等主要应用电力推进船型订单量较少.采用电力混合推进方式的船舶占比也有较大提升,从2010年的0. 33%提高到2019年的0. 73%.2010-2019年完工船舶各类推进方式占比2010-2019年2010-2019年采用电力推进和混合艘数100.00% 90.00% 80.00% 70.00% 60.00% 50.00% 40.00% 30.00% 20.00% 10.00%2010-201^年采川电力推进和混合艘数■全电0.00%从应用船型来看,船船电力推进系统主要应用的船型为海工船、特殊船型和豪华邮轮• 111于造价较高、全功率效率较低等原因,电力推进系统在油船、散货船、集装箱船这三大主流船型应用较少,但山于其突出的操作性优势,故在海工船、特殊船型和豪华邮轮等船舶上应用率极高.从具体船型来看,2019年完丄的海工船中钻井船、地震探测船、科考船、R0V潜水支持船等船型100%都是采用了电力推进系统,在其他的海工船型中应用占比也基本达到50%以上;在特殊船型中,LNG再气化船、燃料船等船型100% 采用了电力推进系统,LNG船舶中电力推进系统占比也达到了67%;豪华邮轮是另一个电力推进系统应用的主要船型,2019年完工的豪华邮轮中,电力推进系统占比达到了85. 7%.2019年完工船舶中电力推进系统主要应用船型2010-2019年完工豪华邮轮数量(艘)2010-2019年完工g华邮轮数応(艘〉2010-2019年完工豪华邮轮推进方式占比2010-2019年完工豪华邮轮推进方式占比■全电推进•小型鏗轮(2万吨以下)■全电推进冲型蜉轮(2-5万吨)全电推进•大型哒(5~7万吨)■全电推迸•巨型密轮(7万从建造国家来看,欧洲完工的船舶采用电力推进的比例较高.一方面山于欧洲生产的船型主要为豪华邮轮、海工船以及特殊船型,这些船型较为适合应用电力推进系统,另一方面也因为全球主要的电力推进系统生产厂商均在欧洲,技术和产业链较为成熟.2019年中国完工的船舶电力推进占比仅为3. 94%,但从绝对量来讲,由于基数较大,中国完丄的电力推进船舶数量全球最高,占全球完工电力推进船舶的23. 36%.2019年中国完工船舶中电力推进船舶数量及占比2019年中国完工船舶中电力推进船船数量及占比2010 2011 2012 20132014 2015 2016 2017 2018 20192019年各国完工电力推进船舶占比2019年各国完工电力推进船舶占比■中国■挪威■韩国■意坤■韩国■具他从完工船型来看,中国完工船舶中采用电力推进的主要为海工船和特殊船型.2019年中国完工的海工船中有25艘采用了电力推进方式,特殊船型中有19艘采用了电力推进方式,3艘采用了混合动力推进方式.2019年中国完工船舶电力推进船型船型分类具体船型电力推进混合动力推进机械推进总计电力及混合动力占比海工船三用工作船1—7812. 50%潜水支持船2—2450. 00%12%中国2049年询将建造10艘航母,LI前中国已造航母型号为002,后续2020-2049年将建造8艘航母,若对标美航母作战群水面舰艇价格,则造价为2592亿美元,平均每年129.6亿美元对应900. 72亿人民币(按照6. 93中美汇率计算).按照20%船舶动力系统造价占比计算,则未来中国航母作战群军用舰船动力系统总采购规模约为180. 14亿元,若中国也建造非航母作战配套舰艇,则此为军用电力综合推进系统采购额的保守估计.未来中国航母作战群军用舰船综合电力推进系统投入预佔未来市场空间方面,军品方面,预计未来十年军船市场电力推进市场空间为31.35亿美元,约合人民币220亿元。
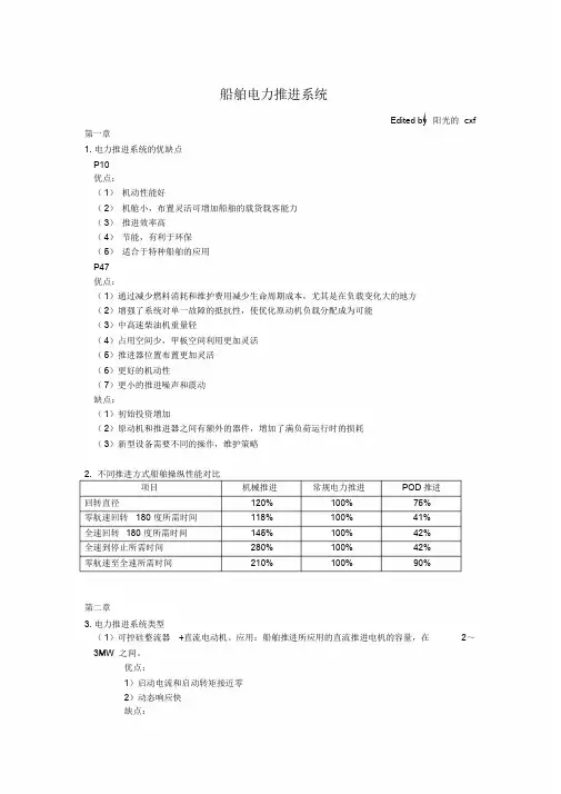
船舶电力推进系统Edited by 阳光的cxf 第一章1. 电力推进系统的优缺点P10优点:(1)机动性能好(2)机舱小,布置灵活可增加船舶的载货载客能力(3)推进效率高(4)节能,有利于环保(5)适合于特种船舶的应用P47优点:(1)通过减少燃料消耗和维护费用减少生命周期成本,尤其是在负载变化大的地方(2)增强了系统对单一故障的抵抗性,使优化原动机负载分配成为可能(3)中高速柴油机重量轻(4)占用空间少,甲板空间利用更加灵活(5)推进器位置布置更加灵活(6)更好的机动性(7)更小的推进噪声和震动缺点:(1)初始投资增加(2)原动机和推进器之间有额外的器件,增加了满负荷运行时的损耗(3)新型设备需要不同的操作,维护策略2. 不同推进方式船舶操纵性能对比项目机械推进常规电力推进POD推进回转直径120% 100% 75%零航速回转180 度所需时间118% 100% 41%全速回转180 度所需时间145% 100% 42%全速到停止所需时间280% 100% 42%零航速至全速所需时间210% 100% 90%第二章3. 电力推进系统类型(1)可控硅整流器+直流电动机。
应用:船舶推进所应用的直流推进电机的容量,在2~3MW 之间。
优点:1)启动电流和启动转矩接近零2)动态响应快缺点:1)转矩控制不精准2)换向器易发生故障3)谐波污染较大4)直流电动机结构复杂,成本高,体积大,维护困难,效率低(2)交流异步电动机+可调螺距螺旋桨模式。
应用:这种推进方式只适合于中、小功率船舶,或1000kW 以下的侧推装置,因为微软起动器目前还只有中、小功率的低压产品。
优点1)几乎没有谐波污染2)转矩稳定没有脉动3)设计点运行效率高缺点:1)启动电流大2)启动瞬间机械轴承受转矩大3)功率因数低4)功率及转矩动态响应慢5)反转慢,制动距离长6)变矩桨结构复杂,价格贵,可靠性差7)变距桨液压控制系统复杂(3)电流型变频器CSI (Current Source Inverter) + 交流同步电动机。
舰船电力推进系统优势和新能源随着社会对可持续发展的需求增加,舰船电力推进系统的优势以及新能源在舰船领域的应用备受关注。
本文将重点探讨舰船电力推进系统的优势以及新能源在该领域的可行性和前景。
一、舰船电力推进系统的优势舰船电力推进系统采用电力作为动力源,相比传统的机械传动系统,具有以下几大优势:1. 高效能利用舰船电力推进系统可以实现能源的高效利用。
在传统的机械传动系统中,发动机将燃料转化为机械能,再通过传动装置传递给螺旋桨推动船只前进。
而舰船电力推进系统中,发动机将燃料转化为电能,然后通过电力装置直接驱动电动机推动船只前进。
相比之下,电能的传递和转化更为高效,能够更好地利用燃料能源,提高船舶的能效。
2. 灵活性和可控性强舰船电力推进系统具有灵活性和可控性强的特点。
由于电能传递的方式更加灵活,可以根据实际需要调整电能的分配和使用,从而更好地适应不同的航行状况和任务需求。
此外,电力推进系统采用电子控制技术,可以实现精细化的调控和控制,提高船舶的操控性和安全性。
3. 减少噪音和振动舰船电力推进系统相对于机械传动系统来说,噪音和振动较低。
传统的机械传动系统在运行过程中会产生噪音和振动,对船员的工作和生活环境造成一定的干扰和影响。
而电力推进系统则可以减少机械传动带来的噪音和振动,提升舒适性和工作效率。
二、新能源在舰船领域的应用随着可再生能源技术的发展和成熟,新能源在舰船领域的应用越来越广泛,为舰船电力推进系统带来了新的可能性。
1. 太阳能太阳能作为最常见的新能源之一,在舰船领域具有广阔的应用前景。
通过在舰船上安装太阳能电池板,可以将太阳能转化为电能,为舰船提供动力。
尤其在远洋航行或停靠港口等长时间停泊的情况下,可以通过太阳能进行充电,减少对传统能源的依赖。
2. 风能风能也是一种可再生能源,适用于舰船的风能利用主要包括风帆系统和风力涡轮发电系统。
通过利用海上的风力来推动船舶前进,不仅减少对传统能源的消耗,而且也可以为舰船电力推进系统提供额外的能源补充。
科技成果——船舶综合电力推进系统技术开发单位中国船舶重工集团公司第七一二研究所技术简介船舶综合电力推进系统是近年来在船舶行业兴起的一种新的推进技术,具有节能降耗、低噪音振动、提升舱室有效空间、操作灵活方便等诸多优点,在工程、游船、海洋工程船、现代渔船等多种船型上非常适用,目前正在被越来越多的国内外船东接受并实际应用。
其系统包括了柴油发电机组、变压器、变频器、推进电动机等核心设备,之前只有国外少数几家企业具备其技术开发和产品供货能力。
技术开发单位是目前国内唯一具备船舶电力推进系统集成和自主核心设备供货的单位,形成了具有完全自主知识产权的电力推进系统及变频器、推进电机、功率管理系统等核心设备系列化产品研制生产能力,并建立了产业化生产基地,是国内唯一通过CCS系列化产品型式认可的产品;同时还具备20MW以下核心设备的定制供货能力。
主要技术指标低压690V/中压3300V,20MW及以下各类船舶电力推进系统集成能力,包括DFE、AFE、直流、混合等多种模式;低压690V、功率3MW以下,中压3300V、功率10MW以下船用变频器系列化产品;低压690V、功率3MW以下,中压3300V、功率10MW以下高、低速船用推进电动机系列化产品。
技术特点具有为船舶提供电力推进系统提供完整解决方案的能力;船用水冷变频器具有效率高、模块化、调速能力强等优点;推进电机具有功率因数高、效率高等优点;功率管理系统具有良好的人机互动、系统兼容型强等优点。
技术水平国际先进适用范围挖泥船、游船、豪华邮轮、海洋工程船、科考船、渔船等多种电力推进船舶;海洋工程平台、生活平台等各类海工平台变频驱动领域。
专利状态授权专利10余项。
技术状态批量生产、成熟应用阶段合作方式市场合作:与有行业资源或资金实力的相关单位开展市场合作,拓展自主知识产权电力推进系统的市场,为用户提供性价比高的电力推进系统及核心设备。
预期效益在船舶电力推进领域,目前国内越来越多船东接受和使用电力推进系统,电力推进系统属于典型的高技术含量装备,一般一船套系统价值都在千万元人民币左右,年产值可达数亿元,毛利润率在30%以上。
基于电力推进船舶的动力装置特性思考
电力推进船舶的动力装置可以分为三部分:电源系统、传动系统和推进器系统。
这种动力装置具有以下几个特性。
第一,稳定性较佳。
电力推进船舶通过电源系统提供稳定的电能,再经过电转换器等进行适当的转换,从而保证了船舶的稳定。
第二,效率较高。
与传统的柴油发动机相比,电力推进船舶可以实现电能与动力输出之间的高效转换,提高了能量利用率,节约了能源消耗。
第三,柔性运转。
电力推进船舶的推进器系统可以实现对电能的快速调节,从而使船舶可以实现快速的加速和减速,具有较好的柔性。
第四,环保性好。
电力推进船舶使用电能作为动力源,相比燃油使用更加环保,对海洋环境的影响也比较小。
第五,维护成本相对较低。
电力推进船舶相比柴油发动机,传动系统简单,维护成本相对也较低。
但是,同时也存在以下一些挑战。
首先,电力推进船舶的电源系统需要有稳定可靠的电源,而电池技术并未到达足够高的水平,因此限制了电力推进船舶的应用范围。
其次,对于像远航船舶这样需要长时间连续运行的船只,电力推进船舶的续航能力有限,需要通过绿色能源等其他方式来提高续航能力。
最后,电力推进船舶的建造成本相对较高,需要额外投入较大的资金。
综上所述,电力推进船舶的动力装置具有明显的优点。
尽管其存在一定的挑战,但随着技术的不断进步和电池技术的不断升级,相信电力推进船舶未来将实现更广泛的应用。
综述船舶综合电力系统的组成、优点和应用。
示例文章篇一:《船舶综合电力系统:组成、优点与应用》嗨,大家好!今天咱们来聊聊船舶综合电力系统。
这可是个超级酷的东西呢!先说说船舶综合电力系统的组成吧。
它就像一个超级复杂又超级有序的大团队。
里面有发电设备,这就像是整个团队的能量源泉,就好比我们身体里的心脏一样,要是没有它,整个系统就没动力啦。
发电设备可不止一种哦,有柴油发电机,还有燃气轮机发电机呢。
这些发电机就负责生产电能,源源不断地给船舶提供动力。
然后呢,还有配电设备。
配电设备就像是一个超级管家,它要把发电设备产生的电能合理地分配到船舶的各个地方去。
这就好比我们家里的电线布局,要把电送到每个房间,每个电器那里。
配电设备得保证每个地方都能得到合适的电量,不能多也不能少,多了可能会把东西烧坏,少了又不够用。
再就是电力推进设备啦。
这个可太重要了!它就像是船舶的腿,带着船舶在海里航行。
电力推进设备能让船舶走得又稳又快。
而且它和传统的推进设备不一样,更加灵活,就像我们人走路和机器人走路的区别,机器人可以更精准地控制每一步。
接下来讲讲船舶综合电力系统的优点。
哇,那优点可多着呢!首先,它的能源利用率超高。
就好比我们吃饭,以前只能吃半碗饭干半碗活,现在能吃半碗饭干一碗活啦。
它能把发电设备产生的电能最大程度地利用起来,不会像以前那样浪费很多能量。
这对船舶来说,可就能节省好多燃料呢,省钱又环保。
还有哦,它的灵活性很强。
船舶在不同的工况下,比如是在全速航行呢,还是在慢慢停靠码头的时候,对电力的需求是不一样的。
船舶综合电力系统就能根据这些不同的需求,快速地调整电力的分配。
这就像我们穿衣服,天气热了就少穿点,天气冷了就多穿点,很灵活的。
船舶综合电力系统还很安静。
你想啊,在海上航行的时候,如果船舶老是发出很大的噪音,那多讨厌呀。
这个系统就像是一个安静的小猫咪,悄悄地就把事情给办了。
这对于一些特殊任务的船舶,比如科考船来说,就特别重要啦。
舰船电力推进系统优势和新能源舰船电力推进系统的优势主要包括以下几点:1. 环保节能:舰船电力推进系统可以采用新能源作为能源输入,例如太阳能、风能、核能等,相比传统的燃油推进系统更加环保,减少了对大气和水域的污染。
同时,电力推进系统的效率更高,能够更好地利用能源,实现节能目标。
2. 噪音低:相比燃油推进系统,电力推进系统的噪音更低。
燃油推进系统产生的噪音主要来自于内燃机的运转,而电力推进系统可以采用电动机等无噪音的设备,降低了舰船的噪音污染,提高了舰船的隐蔽性。
3. 可靠性高:电力推进系统由多个电动机组成,每个电动机都可以独立工作,因此具有较高的可靠性。
即使其中一个电动机出现故障,其他电动机仍然可以正常工作,确保舰船的持续运行。
4. 灵活性强:电力推进系统可以根据舰船的需求进行灵活的调节。
通过控制电动机的转速和功率输出,可以实现对舰船的速度和航行方式的灵活调整,提高舰船的机动性和操纵性。
至于新能源在舰船电力推进系统中的应用,目前主要包括以下几种:1. 太阳能:舰船可以通过安装太阳能电池板来收集太阳能,将其转化为电能供电。
太阳能电池板可以安装在舰船的甲板上,通过吸收阳光来产生电能,为舰船提供部分电力需求。
2. 风能:舰船可以利用风能进行推进。
通过安装风能发电机和风帆等设备,将风能转化为电能或直接推动舰船,实现舰船的推进。
3. 核能:核能是一种高效且稳定的能源,可以为舰船提供持续的电力供应。
核能发电系统可以通过核反应堆产生热能,再将热能转化为电能,为舰船提供动力。
4. 其他新能源:除了太阳能、风能和核能,舰船还可以利用其他新能源如地热能、潮汐能等进行推进。
这些新能源的应用可以减少对传统能源的依赖,提高舰船的能源利用效率和环境友好性。
舰船电力推进系统优势和新能源舰船电力推进系统的优势主要包括以下几个方面:1. 环保节能:舰船电力推进系统采用电力作为动力源,相比传统的燃油推进系统,能够减少燃油的使用量,降低碳排放和空气污染,对环境更加友好。
2. 高效稳定:舰船电力推进系统具备高效稳定的特点,电动机的功率输出可以根据需求进行调整,能够实现快速启动和停止,提高舰船的操控性能。
3. 低噪音和振动:相比传统的内燃机推进系统,电力推进系统噪音和振动更低,能够提供更加安静和舒适的工作环境,有利于舰员的工作和休息。
4. 灵活性和可靠性:舰船电力推进系统可以根据需要进行灵活配置,可以采用多台电动机进行推进,提高系统的可靠性和冗余性,同时也有利于舰船的机动性能。
5. 整合新能源:舰船电力推进系统可以与新能源技术相结合,如太阳能、风能等,通过利用可再生能源来供电,进一步减少对传统能源的依赖,提高能源利用效率。
新能源在舰船电力推进系统中的应用主要包括以下几个方面:1. 太阳能:舰船上的太阳能电池板可以将太阳能转化为电能,为舰船提供部分电力需求,如照明、通信等。
此外,太阳能还可以用于充电设备,如电动舰艇的电池组。
2. 风能:舰船上的风力发电机可以利用风能产生电能,为舰船提供部分电力需求。
风能可以通过舰船上的风帆或风轮来捕捉,转化为机械能,再经过发电机转化为电能。
3. 潮汐能:舰船可以利用潮汐能发电,通过潮水的涨落来驱动发电机,产生电能。
潮汐能是一种可再生能源,可以提供稳定的电力供应。
4. 氢能:舰船可以利用氢能作为燃料,通过燃料电池将氢气与氧气反应产生电能,为舰船提供动力。
氢能是一种清洁能源,只产生水蒸气作为副产品,对环境无污染。
综上所述,舰船电力推进系统具有环保节能、高效稳定、低噪音和振动、灵活性和可靠性等优势,并可以与新能源技术相结合,实现对可再生能源的利用,从而进一步提高舰船的能源利用效率。
舰船电力推进系统优势和新能源1. 引言舰船的电力推进系统是舰船的重要组成部分,对舰船的性能和效能起着至关重要的作用。
随着科技的发展和环境保护意识的增强,越来越多的舰船开始使用新能源作为电力推进系统的主要源。
本文将探讨舰船电力推进系统的优势以及新能源在舰船电力推进系统中的应用,并分析其带来的益处和挑战。
2. 传统电力推进系统的优势传统舰船电力推进系统主要由燃料发动机和发电机组成。
这种系统的优势在于:2.1 高效性传统电力推进系统采用燃料发动机进行发电,可以实现较高的能量转换效率。
同时,发电过程中产生的余热可以被回收利用,提高系统的整体效能。
2.2 稳定性传统电力推进系统通过燃料供应控制燃料发动机的运转,并通过发电机将机械能转化为电能。
这种系统结构简单、稳定可靠,并且在长时间航行情况下仍能保持良好的工作状态。
2.3 易于维护传统电力推进系统使用广泛,配件供应充足,维护和维修相对容易。
船舶设备工程师具备相关技能,可以快速定位和解决问题。
3. 新能源在舰船电力推进系统中的应用随着环境保护意识的增强和新能源技术的不断进步,越来越多的舰船开始采用新能源作为电力推进系统的主要能源源。
以下是几种常见的新能源在舰船电力推进系统中的应用。
3.1 太阳能太阳能是一种常见的新能源,可以通过光伏电池板将太阳能转化为电能。
舰船可以在船体上安装太阳能电池板,收集太阳能供电给电力推进系统。
太阳能的应用能够降低舰船的碳排放,减少航行对环境的影响。
3.2 风能利用风能进行舰船推进是一种传统但经济高效的方法。
船只可以配备风能发电机,通过捕捉风能并将其转化为电能,驱动舰船的电力推进系统。
这种方法可以减少对传统能源的依赖,降低运营成本。
3.3 潮汐能潮汐能是近年来新兴的能源形式,可以通过潮汐发电机将潮汐能转化为电能。
舰船可以在需要的地区利用潮汐能发电,应用于电力推进系统。
潮汐能的特点是稳定性高,可预测性强,适用于远洋航行的舰船。
4. 新能源在舰船电力推进系统中的益处和挑战4.1 益处使用新能源作为舰船电力推进系统的能源源,具有以下益处:•增强环境可持续性:新能源的使用可以降低舰船的碳排放,减少对环境的影响,有利于维护海洋生态环境的可持续发展。
船舶电力推进系统优势
随着国际海事组织在船舶排放方面制定越来越严格的标准,加上石油资源逐渐耗尽,内燃机将逐步退出历史舞台,绿色环保的电力推进系统将成为未来船舶动力发展的方向。
国外已经开发了多种类型电力推进系统,并在多型船舶上应用。
我国在此领域的研究则刚刚起步,应加速对相关技术的研究和开发应用,积极参与到这一领域的国际竞争,在市场上占有一席之地。
“与传统的船舶动力系统相比,电力推进系统具有调速范围广、驱动力大、易于正反转、体积小、布局灵活、安装方便、便于维修、振动和噪音小等优点。
电力推进作为船舶的新型推进动力,世界各国都在进行深入的研究” 中国工程院院土、中国船舶轮机专家闻雪友表示,作为船舶主动力系统的电力推进系统,由于其高效率、高可靠性、高自动化以及低维护,正成为新世纪大型水面船舶青睐的主推进系统。
目前,发达国家新造船舶的30%已采用电力推进系统。
船舶电力推进新技术的研发及应用,将大大减轻船舶污染和海洋环境污染,充分体现了“绿色航运”和“绿色船舶”的环保节能理念,这将是今后船舶动力领域的一个发展方向。
“相对于传统的柴油机推进系统,电力推进系统可谓优势多多。
”据上海海事大学教授汤天浩介绍,一是电力推进具有良好的经济性。
在一艘船上多台中速柴油机用于发电,可根据用电负荷选择发电机运行台数,使机组始终运行于高效工作区,实现最大的经济性。
与同功率的船舶相比,采用电力推进要比内燃机推进耗油减少10%左右,减少船体阻力5%-10%,提高运输效率15%,航速可提高0.5节。
二是电力推进系统操纵性好。
采用电力推进系统后,操纵控制方便,起动加速性好,制动快,正反车速度切换快,可推进电机转速易于调节,在正反转各种转速下都能提供恒定转矩,因此能得到最佳的工作特性,使船舶取得优良的操纵性。
二是电力推进系统具有良好的安全性。
对于柴油机推进的船舶来说,一旦主机重要部件或舵机、轴系出现故障往往导致瘫船。
而电力推进则使用多台原动机,个别机组故障不致丧失动力。
电力推进系统多采用两套以上互为备用,同步电动机定子有两组相互独立的绕组,一组出了故障仍可减载运行。
四是电力推进系统节省空间。
采用传统推进系统的船舶轴系长度往往占到船长的40%左右,采用电力推进系统的船舶省去了传动轴系、减速齿轮箱,改善了机舱布局结构,使动力装置安排更加合理,节省了大量空间。
五是电力推进系统噪音低。
采用电力推进后,主要振动源——发动机安装在弹性底座上,以恒定转速运行,与轴系和船体也无直接联结,大大减少了振动和噪声,工作区整洁,提高了乘船的舒适程度。
六是采用电力推进系统有利于船舶控制环境污染,降低排放。
对同一功率船舶而言,电力推进中的中速柴油机可以始终在最佳工作区工作,燃油燃烧质量好,燃烧产物中的氮氧化物含量少,减少了废气排放,使机舱内空气新鲜,环境质量得到改善。