UAA1041B LD1041 汽车闪光器专用集成电路
- 格式:pdf
- 大小:142.60 KB
- 文档页数:7
332023/11·汽车维修与保养文/浙江 蔡永福2022年捷豹路虎发现运动混动版故障现象一辆2022年生产的捷豹路虎发现运动插电混动版,搭载AJ20型1.5T 三缸发动机,VIN码为L2CHA2B79NG15***,行驶里程为1 123km,该车发动机故障灯常亮。
故障诊断与排除接车后,首先验证故障现象。
启动车辆,发现仪表台上的发动机故障灯常亮(图1)。
上路试车,未见其他异常。
询问车主得知,由于暂未安装家用充电桩,第一次在外公共的充电桩充电后启动车辆时,就发现仪表台上的发动机故障灯常亮。
而且,车主确认在充电之前,仪表台上的发动机报警灯未点亮。
另外,车主还反映,车载娱乐系统显示屏出现过一次黑屏的情况,但重新启动后又自动恢复正常了。
图1 故障车仪表台上的发动机故障灯检查车辆,未发现该车有任何加装或改装;查询维修记录,该车之前未进行过任何维修; 查询技术网站,未发现任何与故障车型相关的技术公告和服务活动。
使用诊断电脑PF对故障车进行全车扫描,发现系统内存有多个故障码(图2):U006487-车辆通信总线E消息缺失;U008087-车辆通信总线F消息缺失;B130002-音频输出A一般信号故障;B156119-座椅高度调节电机驱动[B1561]电路电流高于限值;U004681-车辆通信总线C接收到无效串行数据。
在上述这些故障码中,没有一个故障码与发动机故障灯点亮是相关的,因此笔者推测可能是该车使用了非授权的充电桩而导致发动机故障灯点亮。
使用诊断电脑清除所有故障码后重新进行全车扫描,系统内未再发现无任何故障码,且仪表台上的发动机故障灯也不再点亮。
交车时,建议车主不要使用非捷豹路虎授权的充电桩进行充电,同时在用车时留心观察,发现任何异常时,请及时返厂检修。
一周后,该车再次进店,车主反映仪表台上的发动机故障灯再次点亮,并且这次车辆没有进行过任何充电,故障灯也是在车辆启动时点亮的。
再次使用诊断电脑PF进行全车扫描,得到的故障码与上次基本相同,依旧存有故障码 U0064-87和U0080-87,但仍然未发现与发动机故障灯点亮有关的故障码。
LT4761LT47611(4)LT4761 汽车闪光器专用集成电路一、概述LT4761 是为汽车转向及报警信号闪光器设计的专用集成电路。
若遇前后任一转向指 示灯发生故障时,闪光频率立刻自动提高一倍,向司机报警。
二、工作原理该电路由外接 RC 振荡信号直接耦合输入三角波,经受控振荡、电流放大,输出具有强驱动的方脉冲,当取样监控到负载减小一半时,相应的比较器动作,引起振荡频率增大 一倍的变化。
当电源电压产生瞬态脉冲(± 100V )时,保护电路自动导通分流或箝位限 幅达到保护的目的。
该电路输出信号可提供 120 - 200mA 的驱动电流。
三、引出脚及其功能:LT4761 有标准 DIP8( 直插式 ) 和 SO8( 贴片式 ) 两种封装供你选择,引线排列及功能 如图所示。
引脚介绍: 引脚 符号pin symbol功能fuaction 1 2 GND 地Vs 电源电压IC ground Supply voltage3 4 OUT OSC 继电器控制输出 Relay control outputOscillator 振荡器 5 6 7 8OSC V s LD S I振荡器 电源电压灯故障检测 启动输入Oscillator Supply voltage Lamp failure detection Start inputDIP8SO8SIVsLDOSCGNDVs OUT OSC引脚图 Figure pinning参数 Parameters电源电流 Supply current Work voltage 引线 4=Vcc Value测试条件Test condition符号 Symbol 最小值 典型值 最大值 单位min typ max Unit电池工作电压 Battery work voltage9.5输出电流 Output currentVB I ccIOH 13 150 3012018 200 80200V mAmAIOL 10 100 µA闪光频率 Gleam frequency 70140 80160 90180次/分T/M 次/分T/M 取样电阻Take a sample resistance 正常工作 Normal workRs0.0150.0170.02Ω引线 7=Vcc工作电压 R = L*/L*R = L*工 作 电 压 Rj = 100ΩWork voltage引线 7=GND工 作 电 压 Rj = 100Ω Work voltage引线 4=GND工 作 电 压 R1=120K Work voltage C1=3.3µR=2L* 工 作 电 压 R1=120KWork voltage C1=3.3µR=1L*四、参数规范值LT4761注:1、L* 灯泡规格为 12V/21W 2、Rj 为继电器线圈电阻 100Ω 3、工作电压取 13V2(4)LT4761五、典型应用图Typical Utility Graph1、12V 闪光器R1 = 91K - 120K R2 = 3.0K R3 =330Ω Rs* =0.017Ω C1 =3.3µ/50υRj、Kj 为继电器,线圈电阻 Rj -100ΩL* 为 12v /21w 灯泡外接电路稍加改动可与境外型号的 U243B 和 U2043 互换使用。
I –9401 Addressable Sounder StrobeC-9401 Sounder Strobe Installation and Operation Manual(Issue 3.0, February 2004)Global System Technology PLCCONTENTSI General (1)II Features (1)III Technical Specifications (1)IV Structure and Operation Principle (2)V Mounting and Wiring (2)VI Testing (4)VII Applications (4)I GeneralSounder Strobe is a kind of optical and visual alarm device used to warn people in field when fire occurs.GST produces two types of sounder strobe, addressable (I-9401) and conventional (C-9401). Addressable sounder strobe can be started directly by fire alarm controller. It can be electronically programmed and modified by P-9910 Hand Held Programmer in field. Conventional sounder strobe can give optical and visual alarm when powered by DC24V, and can be connected to fire alarm controller through an addressable linkage control module. When it is not started, wire checking can be done by loading reverse voltage and connecting terminal resistor at the end of the circuit.II Features1. Red plexiglass panel, several strong red LED as light source, striking, long-life andlow consumption.2. Fire alarm sound over 85dB, easy to catch attention.3. Circuit part and base box are plugged together, reliable contact convenient forengineering;Addressable:4. Peripheral control terminals to startup the sounder strobe directly by passivenormally open contact (e.g. manual call point), unaffected by power-cut of signal bus.5. Signal bus and power bus non-polarized, easy for connection.6. Function of checking power-cut, sending fault information to the controller.7. Electronic programming of address code that can be modified on site. Conventional:8. DC24V two-wire, polarized, easy for wire checking (connecting terminal resistorwhen checking, the resistance value can be deiced by connecting devices).III Technical Specifications1. Operating Voltage (power bus terminal only for conventional):Signal Bus Voltage: 24V Range Allowed: 16V~28V;Power Bus Voltage: DC24V Range Allowed: DC20V~DC28V2. Operating Current (power alarming current only for conventional):Power Standby Current≤10mA;Power Alarming Current≤160mA;Loop Standby Current≤0.8mA;Loop Starting Current≤6.0mA.3. Flashing Frequency: 20~180 times every minute when alarming;4. Alarm Voice≥85dB(Due front 3m horizontal (A weighted))5. Wiring:Addressable: Four wires, non-polarized, two-loop to the controller,non-polarized two-wire to the power.Conventional: Non-polarized two-wire with the power.6. Operating Environment:Temperature: -10℃~+50℃;Relative Humidity≤95%, no condensation;7. Dimension: 144mm×90mm×57mm;8. Material and Color of Enclosure: ABS/ ivory white, front inlaid with plexiglass/red9. Hole Distance: 65mmcontrolled by timing circuit giving flashing light signal.Intelligent sounder is built in with microprocessor, which execute communication with fire alarm controller, checking power cut of the power bus and startup of audio and visual signals. Intelligent sounder strobe can start audio and visual signal after receiving startup command from fire alarm controller or directly by outer controlling contact.Conventional sounder strobe can be started when loading DC24V between D1 and D2.V Mounting and WiringWarning: Before installing the device, disconnect the power from the loop and verify that all bases are securely installed and that the wiring polarity is correct atconventional sounder strobe can be reset by power cut. Notify the proper authorities the system is back on line.5. If a sounder strobe fails in testing, check its connection and test again. If it still fails,return for repair.VII ApplicationsThe wiring of signal bus and power bus for intelligent sounder strobe and direct control through passive normally open contact of manual call point are shown in Fig.5:and D2 is negative which are reverse when not started up.。
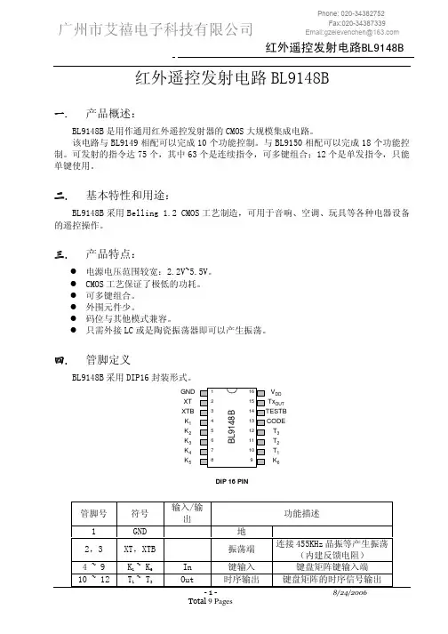
红外遥控发射电路BL9148B一. 产品概述:BL9148B 是用作通用红外遥控发射器的CMOS 大规模集成电路。
该电路与BL9149相配可以完成10个功能控制。
与BL9150相配可以完成18个功能控制。
可发射的指令达75个,其中63个是连续指令,可多键组合;12个是单发指令,只能单键使用。
二. 基本特性和用途:BL9148B 采用Belling 1.2 CMOS 工艺制造,可用于音响、空调、玩具等各种电器设备的遥控操作。
三. 产品特点:电源电压范围较宽:2.2V~5.5V。
CMOS 工艺保证了极低的功耗。
可多键组合。
外围元件少。
码位与其他模式兼容。
只需外接LC 或是陶瓷振荡器即可以产生振荡。
四. 管脚定义BL9148B 采用DIP16封装形式。
管脚号 符号 输入/输出 功能描述1 GND地2,3 XT,XTB 振荡端 连接455KHz 晶振等产生振荡(内建反馈电阻) 4 ~ 9 K 1 ~ K 6 In 键输入 键盘矩阵键输入端 10 ~ 12T 1 ~ T 3Out时序输出 键盘矩阵的时序信号输出管脚号 符号 输入/输出 功能描述13 CODE In 码位输入用作传输和接收码位匹配用14 TESTB In 测试 开路15 Tx out Out 信号输出 传输信号输出,信号12位一个周期,38KHz 载波调制16V DD电源五. 结构框图六. 极限参数(T = 25℃):参 数符号 极限值 单位 电源电压 V DD 6.0V 输入/输出电压V IN V SS -0.3~V DD +0.3V 功 耗 P D 200mW mW 工作温度 T opr -20~75 ℃ 存储温度T stg -55~125 ℃ Tx out ”1”输出电流I out-5 mA七.电参数(V DD = 3V , T = 25℃,另有说明除外):项 目 符号 测试条件 最小 典型 最大 单位电源电压 VDD所有功能操作 2.2 3.0 5.0 V工作电流 IDD键通、无负载 — — 1.0mA静态电流 IDS键开、不振荡 — — 10μA高电平 VIH —— 2.0 — 3.0 VK1~K6CODE 输入电压 低电平 VIL—— 0 — 0.5 V高电平 IIHVIH=3V 20 30 60 μAK1~K6输入电流 低电平 IILVIL=0V -1.0 — 1.0 μA高电平 IIHVIH=3V -1.0 — 1.0 μA输入端CODETESTB 输入电流 低电平 IILVIL=0V 20 30 60 μA高电平 IOHVOH=3V — — -500 μAT1~T3输出电流 低电平 IOLVOL=0V 50 — — μA高电平 IOHVOH=3V — — -0.1 μA输出端 Txout输出电流 低电平 IOLVOL=0V 1.0 — — μA振荡频率 fosc—— 400 455 600 kHz八.功能描述振荡电路内含CMOS反向器及自偏置电阻。
丹东华奥电子有限公司简介LD209A(替代CS209A)是一种双极性集成电路,主要用于金属检测或是接近感应。
集成电路(见方框图)包含两个片上的电流调节器,振荡器和低电平的反馈电路,峰值检波/解调电路,一个比较器和两个互补的输出端。
振荡器与外部LC 网络连接,实现振荡器振幅的可调,这主要依赖于LC 谐振的Q 值。
在低Q 条件,一个可变低电平反馈电路可以为主振荡器提供驱动。
峰值解调器能够检测振荡器包络的负极部分,并将解调波形输入到比较器中。
通过将解调器的输入与内部基准相比较,比较器确定互补输出端口的状态。
输出引脚需要连接外部负载。
.内部包含瞬变抑制电路,用来在谐振电路末端吸收负极瞬变。
LD209A 可用于汽车速度传感器电路。
特点系列信息●振荡器专用电流调节器●负极瞬变抑制●可调的低电平反馈●改进的过热保护性能●VCC =12V ,6mA 电流消耗●输出端吸收电流能力20mA (4Vcc ),100mA (24Vcc )方框图封装说明DIP8管装,无铅SOP8管装,编带,无铅SOP14管装,编带,无铅金属接近探测器集成电路△VBE/R电流调节器VBE/R 电流调节器负瞬变抑制解调比较振荡器丹东华奥电子有限公司管脚描述绝对最大范围引脚缩写功能DIP8&SO8SO1411OSC 连接于OSC 和RF 的可变反馈电阻用于设置检查范围22TANK 连接并联谐振电路33GND 地44OUT1互补的集电极开路输出,当OUT1为低时,有金属存在56OUT2互补的集电极开路输出,当OUT1为高时,有金属存在610DEMOD 控制OUT1和OUT 2状态的比较器输入端712V CC 电源电压813RF 连接于OSC 和RF 的可变反馈电阻用于设置检查范围5,7,8,9,11,14NC空参数缩写数值单位电源电压24V 能量消耗(TA =125℃)200mW 储存温度-55to +165℃结温度-40to +150℃静电放电(除TANK 引脚)2kV焊接温度波峰焊(仅通孔形式)回流焊(仅贴片形式)10sec.最大,260℃峰值60sec.大于183℃,230℃峰值DIP8&SOP8SOP14丹东华奥电子有限公司电特性-40℃≤TA ≤125℃,除非另外说明典型工作特性出转换延时&输出负载输出转换延时&温度参数测试环境最小值典型值最大值单位电源电流I CC V CC =4VV CC =12V V CC =24V 3.56.011.0 6.011.620.0mA 谐振电流V CC =20V -550-300-100μA 解调器充电电流V CC =20V -60-30-10μA 输出漏电流V CC =24V 0.0110.0μA 输出端饱和电压V SA T V CC =4V ,I S =20mA V CC =24V ,I S =100mA60200200500mV 振荡器偏压V CC =20V 1.1 1.9 2.5V 反馈偏压V CC =20V 1.1 1.9 2.5V Osc-Rf 偏压V CC =20V -250100550mV 保护电压I TANK =-10mA-10.0-8.9-7.0V 检测门限72014401950mV 释放门限55012001700mV解调电压&距离(不同的RF)工作原理LD209A是一款金属探测电路。
目录宁波拜特发送给通讯板CAN1 ......................................................................第一帧0001:宁波拜特发送给充电机 ..............................................................第二帧0002:宁波拜特发送给充电机 ..............................................................第三帧0003:宁波拜特发送给充电机 ..............................................................第四帧0004:宁波拜特发送给充电机 ..............................................................第五帧0005:宁波拜特发送给充电机 ..............................................................第六帧0006:宁波拜特发送给充电机 ..............................................................通讯板CAN1 发送给宁波拜特 ....................................................................第一帧401充电机发送给宁波拜特 ...............................................................第二帧402:充电机发送给宁波拜特 ...............................................................第三帧403:充电机发送给宁波拜特 ...............................................................第四帧404:充电机发送给宁波拜特 ...............................................................第五帧405:充电机发送给宁波拜特 ...............................................................主控板发送给通讯板CAN2 ........................................................................第一帧18A0ABCC:APF侧主控板发送给通讯板 ....................................................第二帧:BiDCDC侧主控板发送给通讯板 ..........................................................第三帧C0:APF侧主控板发送给通讯板 ...........................................................第四帧:APF侧主控板发送给通讯板 ............................................................第五帧:BiDCDC侧主控板发送给通讯板 ..........................................................通讯板发送给主控板CAN2 ........................................................................第一帧C0: 通讯板发送给主控板CAN2 ...........................................................11第二帧C1: 通讯板发送给主控板CAN2 ...........................................................第三帧C2:通讯板发送给主控板CAN2.............................................................1111第四帧404:通讯板发送给主控板CAN2 ..........................................................BiDCDC侧发送给APF侧 ........................................................................第一帧C0: BiDCDC发送给APF侧 CAN2 ......................................................第二帧:BiDCDC侧主控板发送给APF侧 CAN2 ..................................................APF侧发送给BiDCDC侧 .........................................................................第一帧C0: APF发送给BiDCDC侧 CAN2........................................................第二帧: APF发送给BiDCDC侧 CAN2 .........................................................3.1、充电桩CAN1发往充电机A通迅板CAN1:共2帧 ..............................................3.1.1第一帧D1:充电桩对充电机的控制命令 .....................................................3.1.2第二帧D2:充电统计信息数据 .............................................................3.2、充电机A通迅板CAN1发往充电桩协议:共4帧 ................................................3.2.1第一帧C1:充电机运行信息 ...............................................................3.2.2第二帧C2:充电机交流输入信息 ...........................................................3.2.3第三帧C3:充电机APF侧运行信息码与温度 .................................................3.2.4第三帧C4:充电机BiDCDC侧运行信息码与温度 ...........................................3.3、充电机B通迅板CAN3发往上位机协议:共9帧 ..................................................3.3.1第一帧D1:充电机工作信息 ................................................................3.3.2第二帧D2:充电信息统计数据 .............................................................3.3.3第三帧C1:充电机状态信息 ...............................................................3.3.4第四帧C2:充电机交流输入信息 ...........................................................3.3.5第五帧C3:充电机APF侧工作信息码与温度 .................................................3.3.6第六帧C4:充电机BiDCDC侧工作信息码与温度 ...........................................3.3.7第七帧E1:电动汽车电池组单体电压信息1 ................................................3.3.8第八帧E2:电动汽车电池组单体电压信息2 ................................................3.3.9第九帧E3:电动汽车电池组信息 ..........................................................3.4、CAN以太网转换器发往充电机B通迅板CAN3协议: ...........................................3.4.1第一帧C1:监控系统对充电机的控制命令 ..................................................C1:通过CANB板的CAN1发送监控系统对充电机的控制命令 ......................................宁波拜特发送给通讯板CAN1第一帧0001:宁波拜特发送给充电机ID 0x001 周期(ms)PRI (3bit)Resv(2bit)FunctionCode(8bit)DestAddr(8bit)(8bit)SourceAddr(8bit)数 据 域位置 数 据 名 数 据 说 明 BYTE1 保护电压上限低字节 HighestVoltage_Prt BYTE2 保护电压上限高字节 0.025VBYTE3 保护电压下限低字节 LowestVoltage_PrtBYTE4 保护电压下限高字节 0.025VBYTE5 保护电流上限低字节 Charge_MaxCurrent_Prt BYTE6 保护电流上限高字节 0.015ABYTE7 保护电流下限低字节 Discharge_MaxCurrent_Prt BYTE8 保护电流下限高字节 0.015A第二帧0002:宁波拜特发送给充电机ID 0x002 周期(ms)PRI (3bit)Resv(2bit)FunctionCode(8bit)DestAddr(8bit)(8bit)SourceAddr(8bit)数 据 域位置 数 据 名 数 据 说 明 BYTE1 充电运行电压限制低字节 LimitVoltage_Charging BYTE2 充电运行电压限制高字节 0.025VBYTE3 充电运行电流限制低字节 LimitCurrent_Charging BYTE4 充电运行电流限制高字节 0.015ABYTE5 充电运行单体电压上限低字节 LimitCellVoltage_Charging BYTE6 充电运行单体电压上限高字节 0.025VBYTE7BYTE8第三帧0003:宁波拜特发送给充电机ID 0x003 周期(ms)PRI (3bit)Resv(2bit)FunctionCode(8bit)DestAddr(8bit)(8bit)SourceAddr(8bit)数 据 域位置 数 据 名 数 据 说 明 BYTE1 放电运行电压限制低字节 LimitVoltage_Charging BYTE2 放电运行电压限制高字节 0.025VBYTE3 放电运行电流限制低字节 LimitCurrent_Charging BYTE4 放电运行电流限制高字节 0.015A第四帧0004:宁波拜特发送给充电机ID 0x004 周期(ms)PRI (3bit)Resv(2bit)FunctionCode(8bit)DestAddr(8bit)(8bit)SourceAddr(8bit)数 据 域位置 数 据 名 数 据 说 明 BYTE1 主参数低字节 MainParameterBYTE2 主参数高字节 0.025VBYTE3 工作模式 工作模式WorkModeSet_NBT01 恒流充电 02恒压充电03 恒流放电 04 恒功率充电05恒功率放电 06恒阻放电07搁置工作状态WorkStateSet_NBT单体控制 CellCtrl_NBT 第五帧0005:宁波拜特发送给充电机ID 0x005 周期(ms)PRI (3bit)Resv(2bit)FunctionCode(8bit)DestAddr(8bit)(8bit)SourceAddr(8bit)数 据 域位置 数 据 名 数 据 说 明BYTE1 当前最高单体电压低字节 CellBatteryHighestVoltage BYTE2 当前最高单体电压高字节 0.025V第六帧0006:宁波拜特发送给充电机ID 0x006 周期(ms)PRI (3bit)Resv(2bit)FunctionCode(8bit)DestAddr(8bit)(8bit)SourceAddr(8bit)数 据 域位置 数 据 名 数 据 说 明 BYTE1 当前电流电压发送周期低字节 CurrentVolSendCycleBYTE2 当前电流电压发送周期高字节通讯板CAN1 发送给宁波拜特第一帧401充电机发送给宁波拜特ID 0x401 周期(ms)PRI (3bit)Resv(2bit)FunctionCode(8bit)DestAddr(8bit)(8bit)SourceAddr(8bit)数 据 域位置 数 据 名 数 据 说 明 BYTE1 保护电压上限低字节 HighestVoltage_Prt BYTE2 保护电压上限高字节 0.025VBYTE3 保护电压下限低字节 LowestVoltage_PrtBYTE4 保护电压下限高字节 0.025VBYTE5 保护电流上限低字节 Charge_MaxCurrent_Prt BYTE6 保护电流上限高字节 0.015ABYTE7 保护电流下限低字节 Discharge_MaxCurrent_Prt BYTE8 保护电流下限高字节 0.015A第二帧402:充电机发送给宁波拜特ID 0x402 周期(ms)PRI (3bit)Resv(2bit)FunctionCode(8bit)DestAddr(8bit)(8bit)SourceAddr(8bit)数 据 域位置 数 据 名 数 据 说 明 BYTE1 充电运行电压限制低字节 LimitVoltage_Charging BYTE2 充电运行电压限制高字节 0.025VBYTE3 充电运行电流限制低字节 LimitCurrent_Charging BYTE4 充电运行电流限制高字节 0.015ABYTE5 充电运行单体电压上限低字节 LimitCellVoltage_Charging BYTE6 充电运行单体电压上限高字节 0.025VBYTE7BYTE8第三帧403:充电机发送给宁波拜特ID 0x403 周期(ms)PRI (3bit)Resv(2bit)FunctionCode(8bit)DestAddr(8bit)(8bit)SourceAddr(8bit)数 据 域位置 数 据 名 数 据 说 明 BYTE1 放电运行电压限制低字节 LimitVoltage_Charging BYTE2 放电运行电压限制高字节 0.025VBYTE3 放电运行电流限制低字节 LimitCurrent_Charging BYTE4 放电运行电流限制高字节 0.015ABYTE5BYTE6第四帧404:充电机发送给宁波拜特ID 0x404 周期(ms)PRI (3bit)Resv(2bit)FunctionCode(8bit)DestAddr(8bit)(8bit)SourceAddr(8bit)数 据 域位置 数 据 名 数 据 说 明 BYTE1 主参数低字节 MainParameterBYTE2 主参数高字节 0.025VBYTE3 工作模式 工作模式WorkModeSet_NBT01 恒流充电 02恒压充电03 恒流放电 04 恒功率充电05恒功率放电 06恒阻放电07搁置工作状态WorkStateSet_NBT单体控制 CellCtrl_NBT 第五帧405:充电机发送给宁波拜特ID 0x405 周期(ms)PRI (3bit)Resv(2bit)FunctionCode(8bit)DestAddr(8bit)(8bit)SourceAddr(8bit)数 据 域位置 数 据 名 数 据 说 明 BYTE1 运行电压低字节 Voltage_BiDCDCBYTE2 运行电压高字节 0.025VBYTE3 运行电流低字节 Current_BiDCDCBYTE4 运行电流高字节 0.015A主控板发送给通讯板CAN2第一帧18A0ABCC:APF 侧主控板发送给通讯板ID 0x18A0ABCC 周期(ms)PRI (3bit)Resv(2bit)FunctionCode(8bit)DestAddr(8bit)(8bit)SourceAddr(8bit)C1 AB CC数 据 域位置 数 据 名 数 据 说 明 BYTE1 工作模式/工作状态 WorkMode_Set WorkMode_APFWorkState_R WorkState_APFdeadband_comBYTE2 WorkMode_Set 0.1.2.3.CtrlMode 4.5Test_Mode 6,7BYTE3 APF侧母线电压低字节 dis_udc APF_udcBYTE4 APF侧母线电压高字节BYTE5 交流输入电流低字节 dis_iaf APF_iafBYTE6 交流输入电流高字节BYTE7 flag_protect_softBYTE8第二帧:BiDCDC 侧主控板发送给通讯板ID 0x18A0CCBB 周期(ms)PRI (3bit)Resv(2bit)FunctionCode(8bit)DestAddr(8bit)(8bit)SourceAddr(8bit)C1 AB CC数 据 域位置 数 据 名 数 据 说 明BYTE1 工作模式/工作状态 WorkMode_Set WorkMode_BiDCDCWorkState_R WorkState_BiDCDCdeadband_comBYTE2 工作状态/工作模式 WorkMode_Set 0.1.2.3.CtrlMode 4.5Test_Mode 6,7BYTE3 充电机输出的充电电压低字节 dis_udc Voltage_BiDCDCBYTE4 充电机输出的充电电压高字节BYTE5 充电机输出的充电电流低字节 disp_IOUTdc Current_BiDCDCBYTE6 充电机输出的充电电流高字节BYTE7 APF侧母线电压低字节 APF_BusVoltageBYTE8 APF侧母线电压高字节第三帧C0:APF侧主控板发送给通讯板ID 0x18A1CCAA 周期(ms)PRI (3bit)Resv(2bit)FunctionCode(8bit)DestAddr(8bit)(8bit)SourceAddr(8bit)C1 AB CC数 据 域位置 数 据 名 数 据 说 明 BYTE1 线电压低字节 APF_u_abBYTE2 线电压高字节BYTE3 A相电流低字节 APF_iafBYTE4 A相电流高字节BYTE5 B相电流低字节 APF_ibfBYTE6 B相电流高字节BYTE7 C相电流低字节 APF_icfBYTE8 C相电流高字节第四帧:APF 侧主控板发送给通讯板ID 0x18F1CCAA 周期(ms)PRI (3bit)Resv(2bit)FunctionCode(8bit)DestAddr(8bit)(8bit)SourceAddr(8bit)数 据 域位置 数 据 名 数 据 说 明 BYTE1 APF运行信息代码1 APF_ERROR[0]BYTE2 APF运行信息代码2 APF_ERROR[1]BYTE3 APF运行信息代码3 APF_ERROR[2]BYTE4 APF运行信息代码4 APF_ERROR[3]BYTE5 APF散热器温度1 APF_Temp[0]BYTE6 APF散热器温度2 APF_Temp[0]BYTE7 APF散热器温度3 APF_Temp[0]BYTE8 APF散热器温度4 APF_Temp[0]第五帧:BiDCDC 侧主控板发送给通讯板ID 0x18F1CCAA 周期(ms)PRI (3bit)Resv(2bit)FunctionCode(8bit)DestAddr(8bit)(8bit)SourceAddr(8bit)数 据 域位置 数 据 名 数 据 说 明 BYTE1 BiDCDC运行信息代码1 BiDCDC_ERROR[0]BYTE2 BiDCDC运行信息代码2 BiDCDC_ERROR[1]BYTE3 BiDCDC运行信息代码3 BiDCDC_ERROR[2]BYTE4 BiDCDC运行信息代码4 BiDCDC_ERROR[3]BYTE5 BiDCDC散热器温度1 BiDCDC_Temp[0]BYTE6 BiDCDC散热器温度2 BiDCDC_Temp[0]BYTE7 BiDCDC散热器温度3 BiDCDC_Temp[0]BYTE8 BiDCDC散热器温度4 BiDCDC_Temp[0]通讯板发送给主控板CAN2第一帧C0: 通讯板发送给主控板CAN2ID 0x18C0ABCC周期(ms)PRI (3bit)Resv(2bit)FunctionCode(8bit)DestAddr(8bit)(8bit)SourceAddr(8bit)C1 AB CC数 据 域位置 数 据 名 数 据 说 明BYTE1 工作模式/工作状态 WorkMode_SetbyCAN 低四位0B0000 静置 0B0001 恒流充电0B0010 恒压充电(限压恒流充电)0B0011 恒功率充电0B0100 恒流放电0B0101 恒压放电(限压恒流放电)0B0110 恒功率放电0B0111 系统调试模式WorkState_Set 4,5位0B00 停止 0B01 运行0B10 暂停 0B11 出错deadband_comHMI_TestMode = 0:为正常工作模式; 1:为系统调试模式BYTE2 充电电压设置低字节 VoltageSet_ChargeBYTE3 充电电压设置高字节 0.1VBYTE4 充电电流设置低字节 CurrentSet_ChargeBYTE5 充电电流设置高字节 0.1ABYTE6 AC侧电流设置低字节 IacSet_HMIBYTE7 AC侧电流设置高字节 0.1ABYTE8 控制模式/调试模式 KM1FANKA3KA4_CtrlHMI_CtrlMode第二帧C1: 通讯板发送给主控板CAN2ID 0x18C1ABCC 周期(ms)PRI (3bit)Resv(2bit)FunctionCode(8bit)DestAddr(8bit)(8bit)SourceAddr(8bit)C1 AB CC数 据 域位置 数 据 名 数 据 说 明 BYTE1 主参数低字节 MainParameterBYTE2 主参数高字节BYTE3 单体最高电压低字节 CellBatteryHighestVoltage BYTE4 单体最高电压高字节BYTE5 单体电压限值低字节 LimitCellVoltage_Charging BYTE6 单体电压限值高字节BYTE7 控制信息 KM2_ENABLE 1吸合 2 断开CellCtrl_NBT 单体控制 BYTE8 故障信息 CCS_ErrorCode第三帧C2:通讯板发送给主控板CAN2ID 0x18C2ABCC 周期(ms)PRI (3bit)Resv(2bit)FunctionCode(8bit)DestAddr(8bit)(8bit)SourceAddr(8bit)数 据 域位置 数 据 名 数 据 说 明 BYTE1 保护电压上限低字节 HighestVoltage_Prt BYTE2 保护电压上限高字节 0.1VBYTE3 保护电压下限低字节 LowestVoltage_PrtBYTE4 保护电压下限高字节 0.1VBYTE5 保护电流上限低字节 Charge_MaxCurrent_Prt BYTE6 保护电流上限高字节 0.1ABYTE7 保护电流下限低字节 Discharge_MaxCurrent_Prt BYTE8 保护电流下限高字节 0.1A第四帧404:通讯板发送给主控板CAN2ID 0x404 周期(ms)PRI (3bit)Resv(2bit)FunctionCode(8bit)DestAddr(8bit)(8bit)SourceAddr(8bit)数 据 域位置 数 据 名 数 据 说 明 BYTE1 主参数低字节 MainParameterBYTE2 主参数高字节 0.025VBYTE3 工作模式 工作模式WorkModeSet_NBT01 恒流充电 02恒压充电03 恒流放电 04 恒功率充电05恒功率放电 06恒阻放电07搁置工作状态WorkStateSet_NBT单体控制 CellCtrl_NBT第五帧F1:通讯板发送给主控板CAN2【新增参数设置】 ID 0x18F1ABCC 周期(ms)PRI (3bit)Resv(2bit)FunctionCode(8bit)DestAddr(8bit)(8bit)SourceAddr(8bit)数 据 域位置 数 据 名 数 据 说 明 BYTE1 直流电压矫正BYTE2 直流电流矫正BYTE3 直流电压偏移低字节BYTE4 直流电压偏移高字节BYTE5 直流电流偏移低字节BYTE6 直流电流偏移高字节BYTE7BYTE8第六帧F2:通讯板发送给主控板CAN2【新增参数设置】 ID 0x18F2ABCC 周期(ms)PRI (3bit)Resv(2bit)FunctionCode(8bit)DestAddr(8bit)(8bit)SourceAddr(8bit)数 据 域位置 数 据 名 数 据 说 明 BYTE1 直流电压比例1低字节BYTE2 直流电压比例1高字节BYTE3 直流电压比例2低字节BYTE4 直流电压比例2高字节BYTE5 直流电压比例3低字节BYTE6 直流电压比例3高字节BYTE7 直流电压比例4低字节BYTE8 直流电压比例4高字节第七帧F3:通讯板发送给主控板CAN2【新增参数设置】 ID 0x18F3ABCC 周期(ms)PRI (3bit)Resv(2bit)FunctionCode(8bit)DestAddr(8bit)(8bit)SourceAddr(8bit)数 据 域位置 数 据 名 数 据 说 明 BYTE1 充电电流比例1低字节BYTE2 充电电流比例1高字节BYTE3 充电电流比例2低字节BYTE4 充电电流比例2高字节BYTE5 放电电流比例1低字节BYTE6 放电电流比例1高字节BYTE7 放电电流比例2低字节BYTE8 放电电流比例2高字节BiDCDC侧发送给APF侧第一帧C0: BiDCDC发送给APF侧 CAN2ID 0x18A0CCBB:周期(ms)PRI (3bit)Resv(2bit)FunctionCode(8bit)DestAddr(8bit)(8bit)SourceAddr(8bit)数 据 域位置 数 据 名 数 据 说 明BYTE1 工作模式/工作状态 BiDCDC_WorkMode 低四位0B0000 静置 0B0001 恒流充电0B0010 恒压充电(限压恒流充电)0B0011 恒功率充电0B0100 恒流放电0B0101 恒压放电(限压恒流放电)0B0110 恒功率放电0B0111 系统调试模式BiDCDC_WorkState 4,5位0B00 停止 0B01 运行0B10 暂停 0B11 出错BYTE2 充电电压设置低字节 Voltage_BiDCDCBYTE3 充电电压设置高字节 0.1VBYTE4 充电电流设置低字节 Current_BiDCDCBYTE5 充电电流设置高字节 0.1A第二帧:BiDCDC侧主控板发送给APF 侧 CAN2ID 0x18F1CCBB 周期(ms)PRI (3bit)Resv(2bit)FunctionCode(8bit)DestAddr(8bit)(8bit)SourceAddr(8bit)数 据 域位置 数 据 名 数 据 说 明 BYTE1 BiDCDC运行信息代码1 BiDCDC_ERROR[0]BYTE2 BiDCDC运行信息代码2 BiDCDC_ERROR[1]BYTE3 BiDCDC运行信息代码3 BiDCDC_ERROR[2]BYTE4 BiDCDC运行信息代码4 BiDCDC_ERROR[3]BYTE5 BiDCDC散热器温度1 BiDCDC_Temp[0]BYTE6 BiDCDC散热器温度2 BiDCDC_Temp[0]BYTE7 BiDCDC散热器温度3 BiDCDC_Temp[0]BYTE8 BiDCDC散热器温度4 BiDCDC_Temp[0]APF侧发送给BiDCDC侧第一帧C0: APF发送给BiDCDC 侧 CAN2ID 0x18A0CCBB:周期(ms)PRI (3bit)Resv(2bit)FunctionCode(8bit)DestAddr(8bit)(8bit)SourceAddr(8bit)数 据 域位置 数 据 名 数 据 说 明BYTE1 工作模式/工作状态 APF_WorkMode 低四位0B0000 静置 0B0001 恒流充电0B0010 恒压充电(限压恒流充电)0B0011 恒功率充电0B0100 恒流放电0B0101 恒压放电(限压恒流放电)0B0110 恒功率放电0B0111 系统调试模式APF_WorkState 4,5位0B00 停止 0B01 运行0B10 暂停 0B11 出错BYTE2 APF侧母线电压低字节 APF_BusVoltageBYTE3 APF 侧母线电压高字节 0.1V第二帧: APF发送给BiDCDC侧 CAN2ID 0x18F1CCAA 周期(ms)PRI (3bit)Resv(2bit)FunctionCode(8bit)DestAddr(8bit)(8bit)SourceAddr(8bit)数 据 域位置 数 据 名 数 据 说 明 BYTE1 APF运行信息代码1 APF_ERROR[0]BYTE2 APF运行信息代码2 APF_ERROR[1]BYTE3 APF运行信息代码3 APF_ERROR[2]BYTE4 APF运行信息代码4 APF_ERROR[3]BYTE5 APF散热器温度1 APF_Temp[0]BYTE6 APF散热器温度2 APF_Temp[0]BYTE7 APF散热器温度3 APF_Temp[0]BYTE8 APF散热器温度4 APF_Temp[0]3.1、充电桩CAN1发往充电机A通迅板CAN1:共2帧3.1.1第一帧D1:充电桩对充电机的控制命令ID 0x0FD1CCDD 周期(ms)20PRI (3bit)Resv(2bit)FunctionCode(8bit)DestAddr(8bit)(8bit)SourceAddr(8bit)011 11 D1 CC DD数 据 域位置 数 据 名 数 据 说 明BYTE1 充电模式 0x00 :高频整流0x01 :恒流限压充电,0x02 :恒压限流充电,0x03 :恒功率充电,0x04 :容性无功输出0x05 :感性无功输出0x06 :恒流限压放电,0x07 :恒阻放电0x08 :恒功率放电,BYTE2 工作命令 0x00 : 停机 0x01 :运行0x02 :恢复 0x03 :故障BYTE3 控制方式 0x00 :手动 0x01: 国网BMS模式0x02: 充电桩控制0x03: 监控系统控制0x04: 国标BMS模式BYTE4 工作模式 0x00 :正常工作模式0x01 :系统调试模式BYTE5 充电电压设定低字节 0.1V/bit 偏移量:0例:V =3201,对应电压为320.1v BYTE6 充电电压设定高字节BYTE7 充电电流设定低字节 0.1A/bit 偏移量:0例:I =582 ,对应电流为58.2A BYTE8 充电电流设定高字节3.1.2第二帧D2:充电统计信息数据ID 0x0FD2CCDD 周期(ms)1000 PRI Resv FunctionCode DestAddr(8bit) SourceAddr(3bit) (2bit) (8bit) (8bit) (8bit) 011 11 D2 CC DD数 据 域位置 数 据 名 数 据 说 明BYTE1 充电起始时间_低字节 充电起始时间为:时分秒BYTE2 充电起始时间_高字节BYTE3 充电时长低字节 单位:分钟,偏移量:0例:V =65535,对应费用为65535分钟 BYTE4 充电时长高字节BYTE5 充电电量低字节 单位:0.01度,偏移量:0例:V =65535,对应费用为655.35度 BYTE6 充电电量高字节BYTE7 充电费用低字节 单位:0.01元,偏移量:0例:V =65535,对应费用为655.35元 BYTE8 充电费用高字节3.2、充电机A通迅板CAN1发往充电桩协议:共4帧3.2.1第一帧C1:充电机运行信息ID 0x07C1DDCC 周期(ms) 20PRI (3bit)Resv(2bit)FunctionCode(8bit)DestAddr(8bit)(8bit)SourceAddr(8bit)001 11 C1 DD CC数 据 域位置 数 据 名 数 据 说 明BYTE1 充电模式 0x00 :高频整流0x01 :恒流限压充电,0x02 :恒压限流充电,0x03 :恒功率充电,0x04 :容性无功输出0x05 :感性无功输出0x06 :恒流限压放电,0x07 :恒阻放电0x08 :恒功率放电,BYTE2 工作命令 0x00 : 停机 0x01 :运行0x02 :恢复 0x03 :故障BYTE3 控制方式 0x00 :手动 0x01: 国网BMS模式0x02: 充电桩控制0x03: 监控系统控制0x04: 国标BMS模式BYTE4 工作模式 0x00 :正常工作模式0x01 :系统调试模式BYTE5 充电电压低字节 0.1V/bit 偏移量:0例:V =3201,对应电压为320.1v BYTE6 充电电压高字节BYTE7 充电电流低字节 0.1A/bit 偏移量:0例:I =582 ,对应电流为58.2A BYTE8 充电电流高字节3.2.2第二帧C2:充电机交流输入信息ID 0x07C2DDCC 周期(ms)20PRI (3bit)Resv(2bit)FunctionCode(8bit)DestAddr(8bit)(8bit)SourceAddr(8bit)001 11 C2 DD CC数 据 域位置 数 据 名 数 据 说 明BYTE1 交流输入电压低字节 0.1V/bit 偏移量:0例:V =3201,对应电压为320.1v BYTE2 交流输入电压高字节BYTE3 三相电流Ia低字节 0.1A/bit 偏移量:0例:I =582 ,对应电流为58.2A BYTE4 三相电流Ia高字节BYTE5 三相电流Ib低字节 0.1A/bit 偏移量:0例:I =582 ,对应电流为58.2A BYTE6 三相电流Ib高字节BYTE7 三相电流Ic低字节 0.1A/bit 偏移量:0例:I =582 ,对应电流为58.2A BYTE8 三相电流Ic 高字节3.2.3第三帧C3:充电机APF侧运行信息码与温度ID 0x07C3DDCC 周期(ms)20PRI (3bit)Resv(2bit)FunctionCode(8bit)DestAddr(8bit)(8bit)SourceAddr(8bit)001 11 C3 DD CC数 据 域位置 数 据 名 数 据 说 明BYTE1 APF信息码1 Error_1, 16进制数,具体数值含义,参阅充电机相关操作文件BYTE2 APF信息码2 Error_2, 16进制数,具体数值含义,参阅充电机相关操作文件BYTE3 APF信息码3 Error_3, 16进制数,具体数值含义,参阅充电机相关操作文件BYTE4 APF信息码4 Error_4, 16进制数,具体数值含义,参阅充电机相关操作文件BYTE5 APF充电机温度1 PWM整流侧机箱温度。
9 - 三角箭头,指示该元件在电路图下一页有延续10 - T73b/51 - T73b 73 51上多针插头代号、,例如:,针,触点BCM 车身控制器多针脚插头触点数及所连接的触点号2 - 指示导线的延续,框内的数字指示导线在相同编号的部分有延续1 - SC21 21 ( 5A )保险丝代号,图中“”表示保险丝盒中号位保险丝3 - 元件上插头的代号,表示该插头的代号、触点数和所连接的触点号,例如:多针脚插头,针,触点T32/13 - T3232 134 - 线束内部连接的代号,可以在电路图中处查到该不可拆式连接位于哪个线束内元件代号及名称5 - 指示内部接线的去向,数字表示电路图中下一个部分有相同数字的内部接线相连6 - ( 4 5 )元件的符号参见第、页7 - 三角箭头,指示该元件在电路图上一页有延续8 - T4ac/4 - T4ac 4 4线束的插头连接代号,,例如:多针脚插头,针,触点表示该插头的代号、触点数和所连接的触点号11 - 接线端子号,元件上的接线端子号或多针插头触点号12 - - 30 = 30端子代号在继电器上,表示继电器上单个端子,例如继电器上的端子13 - -继电器位置编号在继电器板上14 - ( : ) 导线截面积单位平方毫米和颜色15 - 元件代号,可以在电路图查到元件名称中处元件代号及名称16 - ( )内部连接细实线,这个连接并不是作为导线存在,而是表示元件或导线束内部的电路17 - 接地点的代号,可以在电路图查到接地点在车上的位置中处元件代号及名称18 - 551 003 07 10 08 电路图图号,例如:,表示车型,表示组号,表示页码,表示月份,表示年份551-003071008可加热后窗玻璃电磁阀天线螺旋弹簧换档杆锁电磁阀J过热保险丝收音机喇叭爆震传感器收音机15蓄电池后由开关控制的正极来自点火起动开关的端子( / ) 15a由点火起动开关控制的正极保险丝后/ ( )30直接由蓄电池正极输出31蓄电池负极,或车辆接地50 50b 点火起动开关用于起动电机的输出/告知车身控制器,车辆处于点火瞬间的电信号54制动灯56灯光开关用于变光和远光切换的输出56a远光56d变光开关上的超车接线柱56b 变光58侧灯、尾灯、牌照灯58d 开关和仪表板照明照明亮度调节( )58L左侧灯、尾灯和停车灯端子意义58R 71a 右侧灯、尾灯和停车灯方向盘喇叭控制的电信号75在起动时由点火起动开关控制的用于切断用电器并保证蓄电池电流的输出端子/85继电器上,绕组末端输出接线柱87继电器上常开触点输出接线柱BLL BLR BLS BTS左转向灯右转向灯2 刹车开关信号1 刹车开关信号CAN - H CAN - L ,驱动系统,驱动系统在驱动控制单元之间的数据总线发动机、自动变速箱、、数据总线诊断接口, ( ABS )……CAN - H CAN - L ,舒适系统,舒适系统在舒适系统中央控制单元之间的舒适系统数据总线车门控制单元,,车载电源控制单元,数据总线诊断接口,…… ( Climatic )CANH - KI CANL - KI 组合仪表和数据总线诊断接口之间的数据总线CAN - H Infotainment CAN - L Infotainment,,数据总线接口和收音机、放大器之间的数据总线 K NSL GND 控制单元的诊断导线后雾灯接地NSW 前雾灯86继电器上,绕组始端输入接线柱86s 将钥匙从点火起动开关拔下后由点火起动开关切断正极 / / 端子意义P停车灯供电PL PR TK Xr Xz 左侧驻车灯右侧驻车灯车门触点雾灯供电大灯供电端子意义15 安培15 安培5 安培5 安培5 安培15 安培15 安培- - L2右侧大灯双丝灯泡右侧大灯照明距离调节伺服马达- - L1左侧大灯双丝灯泡左侧大灯照明距离调节伺服马达67SC6SC7保险丝 6保险丝 756a56a- - M1M4左侧停车灯灯泡左侧尾灯灯泡1保险丝 1SC1位置编号电路图中元件名称的 额定值功能部件 / 总线端电路图元件代号中的 2SC2保险丝 2- - M2M3右侧尾灯灯泡右侧停车灯灯泡3SC3保险丝 358L 58R585SC5保险丝 5 - - L2右侧大灯双丝灯泡右侧近光灯灯泡 - - L1左侧大灯双丝灯泡左侧近光灯灯泡4SC4保险丝 456b 56b - E95可加热前座乘客座椅调节器 - E94可加热驾驶员座椅调节器 - E107前座乘客侧车窗升降器开关 - E308车内联锁按钮- R 收音机- X牌照灯 - L78后视镜调节开关照明 - E15可加热后窗玻璃开关 - E39后部车窗升降器联锁开关 - E52左后车窗升降器开关右后车窗升降器开关- E54Tiptronic 开关- F189用于装备自动变速箱的车型用于装备座椅加热的车型M29M31V48V49用于装备卤素前大灯的车型用于装备卤素前大灯的车型用于装备卤素前大灯的车型用于装备卤素前大灯的车型用于装备椭球射灯前大灯的车型用于装备椭球射灯前大灯的车型用于装备椭球射灯前大灯的车型用于装备椭球射灯前大灯的车型878722SC22保险丝 22- J519BCM 车身控制器7.5 安培30位置编号电路图中元件名称的 额定值功能部件 / 总线端电路图元件代号中的 SC11保险丝 1111 5 安培155 安培SC21保险丝 21 - J285组合仪表中带显示单元的控制单元2130用于装备手动变速箱的车型- - J519R BCM 车身控制器收音机19SC19保险丝 1986s 20SC20保险丝 20 - T16b 自诊断接口305 安培5 安培12SC12保险丝 12 - J285组合仪表中带显示单元的控制单元13SC13保险丝 13 5 安培 - T16b 自诊断接口5 安培15 - - J17J220燃油泵继电器Motronic 发动机控制单元14SC14保险丝 14155 安培15 - F36离合器踏板开关 - - F F47制动信号灯开关制动踏板开关 - J446驻车辅助控制单元 - E19驻车灯开关1516SC16SC17保险丝 16保险丝 1717未占用18 5 安培157.5 安培未占用 5 安培SC10保险丝 10 - J104 ABS 控制单元10155 安培SC9保险丝 9J234安全气囊控制单元915 - 8未占用P31SC31保险丝 31 - V12后窗玻璃刮水器马达15 安培75SC32保险丝 32 - E43后视镜调节开关32 5 安培7530SC30保险丝 302728SC27SC28保险丝 27保险丝 2829未占用 - U1点烟器- J519BCM 车身控制器- F4倒车灯开关10 安培75F125J217Tiptronic 开关多功能开关自动变速箱控制单元F189 - - - 15 安培1575用于装备自动变速箱的车型用于装备手动变速箱的车型7.5 安培用于装备自动变速箱的车型24SC24保险丝 2425SC25保险丝 257.5 安培307.5 安培 - - - - - - - G65J301高压传感器驾驶员侧可加热车外后视镜前部车内照明灯左侧行李箱照明灯空调器控制单元前座乘客侧可加热车外后视镜前座乘客侧阅读灯驾驶员侧阅读灯后部中间阅读灯- - 1523SC23保险丝 2310 安培30W13W19W44W18W Z4Z5SC33保险丝 333315 安培75位置编号电路图中元件名称的 额定值功能部件 / 总线端电路图元件代号中的 - - 后雾灯开关前雾灯开关E7E1826SC26保险丝 265 安培15导航准备插头R 收音机 - 用于装备前后顶灯带阅读灯的车型用于装备碟的车型 6 CD位置编号电路图中元件名称的 额定值功能部件 / 总线端电路图元件代号中的 SC37保险丝 37J271SC39SC40SC41SC42Motronic 供电继电器保险丝,安培 3910 保险丝,安培 4015 保险丝,安培 417.5 保险丝,安培42 5 Motronic 发动机控制单元3730 安培30- - - - - - SC39保险丝 39 - - N32N33喷嘴,第缸 3 喷嘴,第缸 43910 安培87未占用38 - - N30N31喷嘴,第缸 1 喷嘴,第缸 2 J220SC34保险丝 34- J331近光灯继电器- E4变光开关 - E1车灯开关3430 安培75用于装备椭球射灯前大灯的车型SC35保险丝 35 - Z20左侧喷嘴加热电阻- E38车窗玻璃刮水器间歇运行调节器357.5 安培75 - Z21右侧喷嘴加热电阻SC36保险丝 36- G6燃油泵供油泵 ( )3615 安培30SC40保险丝 40 - - - - N70N127N291N292带功率输出级的点火线圈 1带功率输出级的点火线圈 2带功率输出级的点火线圈 3带功率输出级的点火线圈 44015 安培87SC41保险丝 41- - Z19N80氧传感器加热装置活性碳容器装置电磁阀周期性控制 ( )417.5 安培87- Z29氧传感器加热装置120 安培位置编号电路图中元件名称的 额定值功能部件 / 总线端电路图元件代号中的 SC45保险丝 45M184525 安培30SC42保险丝 4242 5 安培- E45J293 - 冷却液风扇控制单元GRA 开关87SC43保险丝 43 - J301空调器控制单元437.5 安培30SC44保险丝 44- - - - - - - - - - - R收音机左前转向信号灯灯泡闪烁报警灯开关左后转向信号灯灯泡右前转向信号灯灯泡右后转向信号灯灯泡左侧刹车灯灯泡右侧刹车灯灯泡左侧侧面转向信号灯灯泡右侧侧面转向信号灯灯泡高位刹车灯灯泡4430SC46保险丝 46 - - - - - - - M4M3M2M1左侧尾灯灯泡右侧停车灯灯泡右侧尾灯灯泡左侧停车灯灯泡信号喇叭双音喇叭 / 可加热后窗玻璃车窗玻璃刮水器马达4615 安培30SC47保险丝 474715 安培30H1SC48保险丝 484825 安培30Z1SC49保险丝 494925 安培30V M19M5E3M6M7M8M10M25M9SC50保险丝 505020 安培30- - - - F220F221F222F223驾驶员侧中央门锁闭锁单元前座乘客侧中央门锁闭锁单元左后中央门锁闭锁单元右后中央门锁闭锁单元。
大众汽车控制模块继电器编号1# 进气预热继电器4# 安全带报警系统控制单元007# 组合继电器10# 怠速及超速切断控制单元811 919 096(零件号) 13# 空调继电器15# 雾灯继电器17.18# 卸荷继电器19# 刮水继电器21# 闪光器22# 挂车遇险报警器24# 车窗玻璃升降继电器29# 安全带报警系统控制单元30# 电控单元继电器31# 散热器风扇继电器32# 电控单元继电器33# 前灯清洗系统继电器38# 冷却水泵继电器.乘客室通风系统41# 触媒警示继电器42# 冷却液不足指示继电器42A# 冷却液不足指示继电器44# 催化反映器报警控制单元47# 自动预热过程控制继电器51# 喇叭继电器53# 喇叭继电器60# 预热塞继电器61# 超速切断控制单元继电器67# 油泵继电器72# 后窗刮水器和洗涤器继电器78# ABS液压泵继电器79# ABS继电器80# 进气预热继电器80# 汽油泵继电器(大众面包车)82# 怠速控制提升控制单元83# 电动坐椅自由轮锁止机构继电器85# ABS液压泵继电器.ABS电磁阀继电器87# ABS锁定控制继电器91# 燃油泵启动控制单元94# 暖风.A/C继电器99# 可调整时间间歇/喷水继电器100# 二次空气泵继电器102.104# 预热塞继电器111# 二次空气辅助泵控制继电器114# 暖风.蒸发器继电器125.155# 怠速提升继电器126# 启动锁止继电器137# 预热塞系统和EGR.CAT柴油发动机的控制器140# 空调继电器(大众面包车)147# 压缩机切断继电器150# 启动锁止.倒车灯继电器151# 后雾灯继电器.挂车牵引继电器167# 燃油泵继电器175# 启动锁止.倒车灯继电器186# 启动机锁止继电器(防盗报警系统,PASSAT) 208# 油泵继电器212# 燃油泵继电器(4缸红旗)213# 卸荷继电器214# 风扇继电器215# 燃油泵继电器(5缸奥迪)216# 启动预热继电器262# 怠速控制单元263# 油泵继电器271# 刮水继电器(5缸奥迪)272# 散热器风扇控制继电器(5缸奥迪)285# 电动车窗升降控制单元296# 空调继电器309# 油压报警器316# 舒适控制单元317# 刮水/洗涤器间歇继电器363# 电动玻璃升降控制单元370# 散热器风扇继电器.二次空气继电器377# 刮水间歇继电器398# 空调切断继电器404# 燃料预供应继电器411# 中控锁继电器412# 点火线圈供电428# 发动机控制单元供电(宝来1.8T)431# 中央门锁控制器449# 踏步灯继电器453# 刮水间歇继电器(奥迪100)J1 ——闪光继电器21#J2 ——危险闪光继电器J4 ——喇叭继电器J5 ——雾灯继电器J6 ——稳压器(仪表内部JEEDA)J8 ——停车加热继电器J9——可加热后玻璃继电器J17 ——燃油泵继电器J26 ——散热器风扇继电器J29 ——截止二极管(车门控制系统,典型应用在GOLF/BORA上)J31 ——清洗/雨刮-间歇继电器(JEEDA)J32 ——空调继电器13#J39——大灯清洗装置继电器J44 ——电磁离合器继电器J48 ——后风窗除霜器继电器J49 ——电动燃油泵继电器2J52——火化塞继电器J53——起动机继电器J59 ——X触点卸荷继电器(JEEDA)J69 ——启动机继电器J81 ——进气歧管预热继电器(化油器车型装备)J99 ——可加热后视镜继电器J104——ABS控制单元(包括带EDS的)J105——ABS回油泵继电器J106——ABS电磁阀继电器J114——机油压力控制单元J119——多功能指示器(仪表内部组件)J123——灯泡控制器J126——新鲜空气鼓风机控制单元J130——超速切断控制器单元(仅仅用于USA规格捷达1.8L车型)J131——司机座椅加热控制单元J132——副司机座椅加热控制单元J135——散热器风扇第三级继电器J136——带记忆功能的座椅调节控制单元J138——散热器风扇启动控制单元J139——车窗升降和滑动天窗控制单元J140——延时关闭/内部照明控制单元J152——报警蜂鸣器J153——电磁离合器控制单元J162——加热控制单元(主要用于停车加热控制)J166——仪表照明放大器J189——自检系统控制单元J192——多点喷射控制单元(捷达王5V)J197——自动水平调节控制单元J201——保护二极管(空调系统压缩机保护)J207——启动锁止继电器(AUDI A6)(POLO 126#)J208——氧传感器加热控制单元J213——GRA控制单元J215——左侧可加热后座椅控制单元J216——右侧可加热后座椅控制单元J218——仪表板控制单元J219——倒车灯继电器J220——多点喷射发动机控制单元J226——启动锁止及倒车灯继电器(AT车)J234——安全气囊控制单元J236——SERVOTRONIC控制单元J243——油压和冷却液报警及转速表控制单元(仪表JEEDA)J245——滑动车顶控制单元(主要用在GOLF/BORA上)J248——柴油直接喷射引擎控制单元J255——自动空调控制单元J262——后风窗电动卷帘控制单元J267——后视镜记忆功能控制单元J268——动力转向位置传感器J269——动力转向压力传感器J271——多点喷射供电继电器(编号428,主要用在GOLF/BORA上)J276——控制单元: 遥控/中央门锁J278——氧传感器加热器继电器J285——带显示器的控制单元,在仪表内(泛指仪表)J293——冷却风扇控制单元J299——二次空气喷射泵继电器(控制号100,主要用在GOLF/BORA上)J301——防盗控制单元(第二代防盗系统)/空调控制单元J317——供电—接线30的继电器J329——总线端K1.15供电继电器J338——节气门控制单元J345——拖车识别装置控制单元J347——超声波传感器控制单元J351——后视镜收缩功能控制单元J361——SIMOS控制单元(主要用在GOLF/BORA上)J362——防盗器控制单元(第三代防盗,仪表内部组件)J364——辅助加热装置控制单元J367——蓄电池监控控制单元J379——中央门锁以及防盗报警控制单元(主要用在GOLF/BORA上)J386——车门控制单元,司机一侧J387——车门控制单元,副司机侧J388——车门控制单元,左后车门J389——车门控制单元,右后车门J393——舒适系统中央控制单元(包含了车内监控功能主要用在GOLF/BORA/A4上)J400——刮水器马达控制单元J401——带CD光盘驱动器的导航控制系统的控制单元J403——水平高度调节系统压缩机继电器J412——车载电话控制单元J413——信号喇叭继电器J428——车距控制单元J431——大灯光线水平调整控制单元J445——燃油冷却泵继电器(TDI)J446——超声波倒车报警系统控制单元J448——4AV/4LV/4MV控制单元J453——多功能方向盘控制单元J489——无线电时钟接收器J492——四轮驱动控制单元(主要用在GOLF/BORA和早期A4上)J495——二次空气泵继电器(V8/TDI)J496——冷却泵辅助继电器J500——转向助力控制单元(电动助力转向系统POLO)J502——轮胎压力监控单元J503——带显示器的控制单元(用于收音机或者导航系统)J505——可加热风档玻璃控制单元J507——收音机R和语音输入控制单元J509——动力转向电机继电器J518——访问和启动授权控制单元J519——车载电源(电网)管理控制单元J521——副驾驶员侧带记忆功能的座椅调整装置的控制单元J522——带记忆的后部座椅调节控制单元J523——前部信息显示和操作单元的控制模块J525——数字式声音套件控制单元J526——电话/电子通讯系统控制单元J527——转向柱电子装置控制单元J528——天窗电子系统控制单元J533——数据总线诊断接口,在组合仪表内(支持自诊断的仪表系统)J536——增压空气冷却泵继电器(V8 TDI)J537——4MV的控制单元(喷射装置)J540——电动驻车制动器和手制动器控制单元J542——制动助力控制单元J545——二次空气喷射泵继电器(VR12)J546——行李箱盖开启控制单元J555——风扇控制器J559——交通信息控制单元J569——制动助力继电器J605——尾门控制单元J623——发动机控制单元J643——燃油预供应继电器(404#)J644——电源管理系统控制单元J648——左后信息显示和操作控制单元J649——右后信息显示和操作控制单元J655——蓄电池断开继电器J680——供电继电器1—总线端K1.75J681——供电继电器2—总线端K1.15J685——前部信息显示和操作单元的显示单元J690——左尾灯控制单元J691——右尾灯控制单元J692——尾门尾灯控制单元J693——尾门右侧尾灯控制单元J695——起动机继电器2J711——清洗液加热装置继电器J800——踏步灯继电器(POLO 449#)J801——左门踏步灯继电器(POLO 449#)J802——右门踏步灯继电器(POLO 449#)E87 ——空调控制和显示单01:发动机电子控制系统41:柴油泵电子控制系统02:自速箱镜55:车大灯范围控制系统17:仪表09:电器附件93:OBD-Ⅱ00:读取故障代码-所有系统,或用地址代码选择车辆系统.加热器87:LT气袋/安全带张紧器89:LT防撞板内饰操作通读取数据流; 09:读取单个的测量值; 10:匹配; 11:注册程序.元Welcome To Download !!!欢迎您的下载,资料仅供参考!。
丹东华奥电子有限公司简介LD1041(替代UAA1041B )是汽车闪光器专用集成电路。
当遇到汽车前后任何一个转向灯损坏时,闪光频率加快一倍,向司机报警。
也可用于手制动闸报警指示等其它报警装置。
特点系列信息●故障灯检测●过压保护●车灯短路保护●电池反接保护●内置稳压钳位二极管●抗电磁干扰能力强引脚介绍极限参数封装说明SOP8管装,编带,无铅DIP8管装,无铅管脚缩写功能1GND 地2Vs 电源电压3OUT 继电器控制输出4OSC 振荡器5OSC 振荡器6SCD on/off 短路检测开/关7LD 灯故障检测8SI启动输入额定值缩写数值单位功耗P D 350mW 输出电流Iout 300mA 结温T J (max)150℃工作温度范围T A -40~+100℃储存温度范围T stg-65~+150℃汽车闪光器专用集成电路引脚图电参数(Ta=25℃)丹东华奥电子有限公司功能介绍LD1041用于驱动转向指示灯的闪光继电器。
图1所示的是带外围器件的典型应用电路图。
图中,R1、C1决定振荡器频率,并联电阻Rs用于检测故障灯和短路现象,限流电阻R2和R3用于在卸载瞬间保护集成电路。
电路有短路检测、故障灯指示和过压保护功能。
在实际应用中短路检测功能可以通过开关K2选择使用。
L1、L2、L3和L4是转向灯。
当开关K1接通后,经过延迟时间t1后继电器开始工作。
转向灯(L1、L2或L3、L4)将按振荡器频率闪烁。
K1断开,闪烁周期停止,电路回到初始状态。
过压保护集成电路可对电池电压进行检测。
当电源电压超过22V左右(12V闪光器)时,(这种情况可能在错误的将两块蓄电池组串接时发生),该继电器断开,停止工作,保护闪光灯不受损坏。
当电源电压恢复正常后,集成电路恢复工作。
故障灯检测集成电路通过对电阻Rs的电流检测来完成故障灯检测。
当某个转向灯故障时,闪烁频率将加快一倍来表示故障。
短路保护通过检测电阻Rs的电流是否过流(Ish>25A)来完成。
LCD 检测1.音响接通,首先按下POWER按钮,然后同时按下SEEK按钮(上)大约1秒钟。
2.根据下表检测LCD检测显示操作起动LCD检测模式LCD中的字符显示不全或不清晰LCD完好不是以上情况更换基本单元3.关掉音响或将点火开关打到LOCK(关)位置以停止诊断帮助功能按钮检测1.音响接通,首先按下POWER按钮,然后同时按下TAPE/MD按钮并且保持大约1秒钟。
2.根据下表检测按钮:检测显示操作·起动按钮检测模式·按下所有按钮—蜂鸣器发声蜂鸣器完好蜂鸣器不发声更换基本单元3.关掉音响或将点火开关打到LOCK(关)位置停止诊断帮助功能扬声器检测1.接通音响,首先按下POWER按钮,然后同时按下AUTO-M按钮并且保持大约1秒钟。
2.根据下表检测扬声器:检测显示操作·起动扬声器检测模式·每个扬声器是按以下的顺序发声吗?1.左前门扬声器和扩音器2.右前门扬声器和扩音器3.右后门扬声器和扩音器4.左后门扬声器和扩音器—是扬声器以及基本单元和扬声器之间的线束完好否检测以下部分:·扬声器故障·基本单元和故障扬声器之间的线束3.关掉音响或置点火开关于LOCK(关)位置以停止诊断帮助功能收音机接收情况检测1.接通音响并在收音模式下,首先按下POWER按钮,然后同时按下Preset按钮“2”并且保持大约1秒钟。
2.根据下表检测收音机接收情况检测显示操作起动收音机接收情况检测模式正常天线,天线和基本单元完好改换频率(频道)并再次检测故障检测天线和天线装置如果两者都不完好,更换故障部分如果两者都完好,更换基本单元3.关掉音响或将点火开关打到LOCK(锁)位置停止诊断帮助功能T-177音响放大器(外部)检测1.音响接通,首先按下POWER按钮,然后同时按下SCAN按钮并且保持大约1秒钟。
2.根据下表检测音响放大器(外部)检测显示操作起动音响放大器(外部)检测模式正常音响放大器工作信号已输出扬声器发出声音系统完好扬声器不发出声音检测以下部分:·音响放大器(外部)·扬声器·低音放大器继电器·(基本单元—音响放大器(外部)—低音放大器继电器)故障音响放大器工作信号没有输出更换基本单元3.关掉音响或将点火开关打到LOCK(关)位置停止诊断帮助功能T-178启动 步骤1:操作模式对导航控制单元的输入信号正确吗? 步骤2:情况检测模式 有任何错误信号提示吗?结束 否车载诊断[巡航控制系统]前言概述A6E817266350W01·有两种车载诊断功能:一是操作模式,用来检测和指示对控制组件输入信号的正确操作;二是情况检测模式,用来显示系统中的错误。
元件符号名称、连接插头、接地点A 蓄电池B 起动马达C 交流发电机C1电压调节器E3闪烁报警灯开关,在仪表板中部空调出风口中间 E4变光开关,在组合开关左侧拨杆上车灯开关,在仪表板左侧E1E15可加热后窗玻璃开关,在仪表板中部空调控制面板左侧E18后雾灯开关,在仪表板左侧E38车窗玻璃刮水器间歇运行调节器,在组合开关右侧拨杆上E40左前车窗升降器开关,在驾驶员车门内后部车窗升降器联锁开关,在驾驶员车门内E39E24驾驶员侧安全带开关,在驾驶员座椅右侧E35空调器开关E34后窗玻璃刮水器开关,在组合开关右侧拨杆上E43后视镜调节开关,在左前车门内E45GRA 开关,在组合开关左侧杆上拨E48后视镜调节转换开关,在左前车门内E52左后车窗升降器开关,在左后车门内E53左后车窗升降器开关,在驾驶员车门内E55右后车窗升降器开关,在驾驶员车门内E54右后车窗升降器开关,在右后车门内E59滑动天窗升起降下开关,在前部内顶灯内 / E2转向信号灯开关,在组合开关左侧拨杆上D 点火起动开关D2防盗锁止系统识读线圈E9新鲜空气鼓风机开关E19驻车灯开关,在组合开关左侧拨杆上E44车窗玻璃清洗泵开关清洗刮水自动装置,在组合开关右侧拨杆上( ) F9手制动控制开关,在手制动杆下部E95可加热前座乘客座椅调节器,在换档杆前方中央通道上E86多功能显示器调用按钮,在组合开关右侧拨杆上E94可加热驾驶员座椅调节器,在换档杆前方中央通道上E107前座乘客侧车窗升降器开关,在前座乘客车门内E231车外后视镜加热按钮,在左前车门内E139滑动天窗调节器,在前部内顶灯内E109多功能显示器存储开关,在组合开关右侧拨杆上E308车内联锁按钮,在换档杆前面中央通道上E234后行李箱盖把手开锁按钮,在行李箱盖内F1油压开关,在气缸盖左侧前面F2驾驶员侧车门接触开关,在驾驶员车门锁上F 制动信号灯开关,在制动踏板上方F5行李箱照明开关,在行李箱盖锁上F3前座乘客侧车门接触开关,在前座乘客车门锁上F10左后车门接触开关,在左后车门锁上F34制动液液位报警开关,在制动储液罐内F11右后车门接触开关,在右后车门锁上E227GRA ( ) 按钮套件,在组合开关左侧拨杆上F47 制动踏板开关,在制动踏板上方F59驾驶员侧中央门锁开关,在驾驶员车门内多功能开关,在变速箱顶部F125安全气囊螺旋弹簧带滑环的复位环,在组合开关下部/ F138E7前雾灯开关,在仪表板左侧右前车窗升降器开关,在驾驶员车门内E81E184新鲜空气鼓风机和循环空气开关G32冷却液不足显示传感器,在发动机舱内右侧膨胀壶内G39氧传感器催化净化器前,在发动机前方排气歧管上( ) G40霍尔传感器,在气缸盖后面左侧G46左后转速传感器,在左后车轮内G45右前转速传感器,在右前车轮内 G42进气温度传感器,在进气歧管后部下方G44右后转速传感器,在右后车轮内G47左前转速传感器,在左前车轮内G59驾驶员座椅温度传感器,在驾驶员座椅垫内G60前座乘客座椅温度传感器,在前座乘客座椅垫内G61爆震传感器,在气缸体后面中部G62冷却液温度传感器,在发动机左侧G92温度风门伺服马达电位计,在空调器左侧G93齿轮油温度传感器G130氧传感器催化净化器后,在发动机下方排气前管上( ) G143空气内循环风门伺服马达内的电位计,在仪表板右侧空调器上G17车外温度传感器,在前保险杠左侧G28 发动机转速传感器,在气缸体左侧后部G179驾驶员侧侧面安全气囊碰撞传感器,在左柱下部B G1燃油储备显示G5转速表G6燃油泵供油泵,在后座垫右侧下部 ( ) G21车速表G79油门踏板位置传感器,在油门踏板上方G71进气压力传感器,在进气歧管后部下方G65高压传感器,在发动机舱内右侧空调管上G180前座乘客侧侧面安全气囊碰撞传感器,在右柱下部B G182变速箱输入转速传感器H 信号喇叭控制,在方向盘内H1信号喇叭双音喇叭,在前保险杠内右侧 / H3蜂鸣器报警音/ H15后部驻车辅助报警蜂鸣器,在左柱上部B F222左后中央门锁闭锁单元,在左后车门内右后中央门锁闭锁单元,在右后车门内F223G 燃油存量传感器,在后座垫右侧下部G185油门踏板位置传感器,在油门踏板上方 - 2 -G191中部出风口温度传感器,在中部出风口左侧G195变速箱输出转速传感器G203左后驻车辅助传感器,在后保险杠内G204左后中部驻车辅助传感器,在后保险杠内 G205右后中部驻车辅助传感器,在后保险杠内G206右后驻车辅助传感器,在后保险杠内G263蒸发器出风口温度传感器,在空调器左侧蒸发器上G192脚部空间出风口温度传感器,在驾驶员侧脚部出风口旁G188节气门驱动装置电控节气门角度传感器 ( ) -2-G186节气门驱动装置电控节气门 ( )G187节气门驱动装置电控节气门角度传感器 ( ) -1- F221前座乘客侧中央门锁闭锁单元,在前座乘客车门内G56仪表板温度传感器G267温度选择旋钮电位计F189Tiptronic 开关,在换档杆上F220驾驶员侧中央门锁闭锁单元,在驾驶员车门内G128前座乘客侧座椅占用传感器在前座乘客座椅垫内,J519BCM 车身控制器,在仪表板左侧下方J533数据总线诊断接口J680总线端供电继电器,在仪表板左侧下方继电器支架上号位继电器 75 2 ( 53 )K3油压指示灯K2发电机指示灯J682总线端供电继电器,在仪表板左侧下方继电器支架上号位继电器 50 11 ( 648 )K1远光灯指示灯K6闪烁报警装置指示灯,在仪表板中部空调出风口中间J393舒适便利功能系统中央控制单元,在仪表板内空调器左侧/ J446驻车辅助控制单元,在行李箱左侧后轮罩后部J338节气门控制单元,在发动机舱内右侧后部J362防盗锁止系统控制单元J400刮水器马达控制单元,在排水槽左侧K47ABS 指示灯K60近光灯指示灯K65左侧转向信号灯指示灯K75安全气囊指示灯K83排气警示灯K94右侧转向信号灯指示灯K105燃油存量指示灯K13后雾灯指示灯K17前雾灯指示灯K19安全带报警系统指示灯K28冷却液温度冷却液不足显示指示灯 / K31GRA 指示灯K115防盗锁止系统指示灯 K118制动系统指示灯K127后行李箱盖打开指示灯K169换档杆锁指示灯K220轮胎压力监控显示指示灯L1左侧大灯双丝灯泡,在左大灯内L2右侧大灯双丝灯泡,在右大灯内L9车灯开关照明灯泡L22左侧前雾灯灯泡,在前保险杠左侧L23右侧前雾灯灯泡,在前保险右侧杠L46左侧后雾灯灯泡,在左尾灯内L76按钮照明K170灯泡故障指示灯K166车门打开指示灯K132电控节气门故障信号灯L78后视镜调节开关照明L79选档杆照明J285组合仪表中带显示单元的控制单元J293冷却液风扇控制单元,在左纵梁前部下方J301空调器控制单元,在仪表板中部J234安全气囊控制单元,在空调器底部中央通道上J271Motronic 12 ( 648 )供电继电器,在仪表板左侧下方继电器支架上号位继电器J245滑动天窗调节控制单元,在车顶前部中间J220Motronic 发动机控制单元,在发动机舱内横隔板左侧K84空调器指示灯K114新鲜空气和循环空气运行模式指示灯J217自动变速箱控制单元,在发动机舱内左侧蓄电池后部J104ABS 控制单元,在发动机舱内右纵梁后部J59X 1 ( 53 )触点卸载继电器,在仪表板左侧下方继电器支架上号位继电器J119多功能显示器J17燃油泵继电器,在仪表板左侧下方继电器支架上Ⅱ号位继电器 7 () ( 449 )R15左后低音喇叭,在左后车门内R11天线,在车顶后部中间N153驾驶员侧安全带拉紧器引爆装置,在左柱下部B N154前座乘客侧安全带拉紧器引爆装置,在右柱下部B N32喷嘴,第缸 3 N33喷嘴,第缸4 N31喷嘴,第缸 2 N39 冷却液风扇串联电阻,在散热风扇左侧下部N80活性碳容器装置电磁阀周期性控制,在进气歧管后部上方( )N101左前进气阀ABS N102左前排气阀ABS N110换档杆锁电磁阀,在换档杆前面下方N127带功率输出级的点火线圈 2N131前座乘客安全气囊引爆装置,在仪表板右侧侧N133右后进气阀 ABS N134左后进气阀 ABS N135右后排气阀 ABS N70带功率输出级的点火线圈 1N88电磁阀 1N89电磁阀 2N90电磁阀 3N91电磁阀 4N92电磁阀 5N93电磁阀 6N99右前进气阀 ABS N100右前排气阀 ABS N136左后排气阀ABS N95驾驶员侧安全气囊引爆装置,在方向盘内N225动态行驶调节装置控制阀-1-N226动态行驶调节装置控制阀-2-N227动态行驶调节装置高压控制阀-1-N228动态行驶调节装置高压控制阀-2-N280空调器压缩机调节阀,在压缩机上N283电磁阀 10N282电磁阀 9N291带功率输出级的点火线圈 3N292带功率输出级的点火线圈 4 P 火花塞插头Q 火花塞R 收音机,在仪表板中部R17右后低音喇叭,在右后车门内N199驾驶员侧侧面安全气囊引爆装置,在驾驶员座椅靠背左侧N200前座乘客侧前座乘客侧面安全气囊引爆装置,在座椅靠背右侧N30喷嘴,第缸 1 N24带过热保险丝的新鲜空气鼓风机串联电阻,在空调器上方中部M25高位刹车灯灯泡,在后风窗玻璃上部中间M18左侧侧面转向信号灯灯泡,在左前翼子板中部M19右侧侧面转向信号灯灯泡,在右前翼子板中部M10右侧刹车灯灯泡,在右尾灯内M17右侧倒车灯灯泡,在右尾灯内M8右后转向信号灯灯泡,在右尾灯内M9左侧刹车灯灯泡,在左尾灯内M3右侧停车灯灯泡,在右大灯内M4左侧尾灯灯泡,在左尾灯内M5左前转向信号灯灯泡,在左大灯内M6左后转向信号灯灯泡,在左尾灯内M7右前在右大灯转向信号灯灯泡,内M2右侧尾灯灯泡,在右尾灯内M1左侧停车灯灯泡,在左大灯内SC16 保险丝,安培,驻车辅助控制单元保险丝,在仪表板左侧下方保险丝支架上 165SC7保险丝,安培,右前远光灯保险丝,在仪表板左侧下方保险丝支架上 715SA4保险丝,安培,点火起动开关、触点卸载继电器、总线端供电继电器保险丝,在蓄电池盖保险丝支架顶面右侧 440 X 50 SA5保险丝,安培,冷却液风扇控制单元保险丝,在蓄电池盖保险丝支架顶面右侧 550 SC3保险丝,安培,内部开关照明供电保险丝,在仪表板左侧下方保险丝支架上3 5 SC4保险丝,安培,左前近光灯保险丝,在仪表板左侧下方保险丝支架上 415SC5保险丝,安培,右前近光灯保险丝,在仪表板左侧下方保险丝支架上 515SC6保险丝,安培,左前远光灯保险丝,在仪表板左侧下方保险丝支架上615 SA6保险丝,安培,液压泵保险丝,在蓄电池盖保险丝支架顶面右侧 650ABS SC1保险丝,安培,左侧停车灯灯泡、左侧尾灯灯泡保险丝,在仪表板左侧下方保险丝支架上 15SC2保险丝,安培,右侧停车灯灯泡、右侧尾灯灯泡保险丝,在仪表板左侧下方保险丝支架上 25SC11保险丝,安培,制动信号灯开关、制动踏板开关保险丝,在仪表板左侧下方保险丝支架上 115SC12保险丝,安培,自诊断接口保险丝,在仪表板左侧下方保险丝支架上 125SC13保险丝,安培,组合仪表中带显示单元的控制单元保险丝,在仪表板左侧下方保险丝支架上 135SC14保险丝,安培,发动机控制单元、燃油泵继电器保险丝,在仪表板左侧下方保险丝支架上 145Motronic SC15保险丝,安培,在仪表板左侧下方保险丝支架上 155SC9保险丝,安培,安全气囊控制单元保险丝,在仪表板左侧下方保险丝支架上 9 5 SC10保险丝,安培,控制单元保险丝,在仪表板左侧下方保险丝支架上 105ABS SA2保险丝,安培,、、、、、、仪表板左侧下方保险丝盒内号总线保险丝,在蓄电池盖保险丝支架顶面右侧 2110SC36SC37SC55SC56SC59SC60 30 S5保险丝,安培,自动变速箱控制单元保险丝,在蓄电池盖保险丝支架顶面左侧 5 5 保险丝,安培,交流发电机保险丝,在蓄电池盖保险丝支架顶面右侧 1175SA1保险丝,安培,车身控制器保险丝,在蓄电池盖保险丝支架顶面左侧 65BCM S6保险丝,安培,控制单元保险丝,在蓄电池盖保险丝支架顶面左侧 210ABS S2保险丝,安培,冷却液风扇控制单元保险丝,在蓄电池盖保险丝支架顶面左侧325 S3保险丝,安培,发动机控制单元保险丝,在蓄电池盖保险丝支架顶面左侧4 5 Motronic S4R22右前高音喇叭,在右柱内 A R23右前低音喇叭,在右前车门内S1保险丝,安培,阀门保险丝,在蓄电池盖保险丝支架顶面左侧125 ABS R24天线放大器,在车顶后部中间R20左前高音喇叭,在左柱内 A R21 左前低音喇叭,在左前车门内SC31保险丝,安培,后窗玻璃刮水器马达保险丝,在仪表板左侧下方保险丝支架上 3115SC32保险丝,安培,后视镜调节开关保险丝,在仪表板左侧下方保险丝支架上 325SC33保险丝,安培,雾灯开关保险丝,在仪表板左侧下方保险丝支架上 3315SC30保险丝,安培,点烟器保险丝,在仪表板左侧下方保险丝支架上 3010SC43保险丝,安培,空调器控制单元保险丝,在仪表板左侧下方保险丝支架上 437.5SC45保险丝,安培,制动信号灯,闪烁报警灯转向信号灯保险丝,在仪表板左侧下方保险丝支架上 ,4525SC39保险丝,安培,喷嘴保险丝,在仪表板左侧下方保险丝支架上 3910SC40保险丝,安培,带功率输出级的点火线圈保险丝,在仪表板左侧下方保险丝支架上 4015 SC41保险丝,安培,活性碳容器装置电磁阀、氧传感器加热装置保险丝,在仪表板左侧下方保险丝支架上 417.5SC44保险丝,安培,收音机保险丝,在仪表板左侧下方保险丝支架上 4420保险丝,安培,收音机、导航准备插头保险丝,在仪表板左侧下方保险丝支架上 265SC26保险丝,安培,自动变速箱控制单元、多功能开关、开关保险丝,在仪表板左侧下方保险丝支架上 2715Tiptronic SC27SC42保险丝,安培,冷却液风扇控制单元、开关保险丝,在仪表板左侧下方保险丝支架上 425GRA 保险丝,安培,车内照明灯保险丝,在仪表板左侧下方保险丝支架上 2310SC23保险丝,安培,后视镜加热保险丝,在仪表板左侧下方保险丝支架上 247.5SC24保险丝,安培,空调器控制单元、高压传感器保险丝,在仪表板左侧下方保险丝支架上 257.5SC25SC34保险丝,安培,车灯开关、变光开关、近光灯继电器保险丝,在仪表板左侧下方保险丝支架上 3430SC35保险丝,安培,车窗玻璃刮水器间歇运行调节器、喷嘴加热电阻保险丝,在仪表板左侧下方保险丝支架上 357.5SC36保险丝,安培,燃油泵保险丝,在仪表板左侧下方保险丝支架上 3615SC37保险丝,安培,供电继电器、发动机控制单元、带功率输出级的点火线圈、喷嘴、活性碳容器装置电磁阀、氧传感器加热装置、冷却液风扇控制单元、开关保险丝,在仪表板左侧下方保险丝支架上 3730Motronic Motronic GRA SC28保险丝,安培,车身控制器保险丝,在仪表板左侧下方保险丝支架上287.5 BCM SC22保险丝,安培,车身控制器保险丝,在仪表板左侧下方保险丝支架上 227.5BCM 保险丝,安培,组合仪表中带显示单元的控制单元保险丝,在仪表板左侧下方保险丝支架上 215SC21SC20保险丝,安培,自诊断接口保险丝,在仪表板左侧下方保险丝支架上 205SC19保险丝,安培,,在仪表板左侧下方保险丝支架上19 5 86s 供电保险丝SC17保险丝,安培,驻车灯开关保险丝,在仪表板左侧下方保险丝支架上 177.5SC60保险丝,安培,点火起动开关保险丝,在仪表板左侧下方保险丝支架上 6030SC55保险丝,安培,滑动天窗调节控制单元保险丝,在仪表板左侧下方保险丝支架上 5520SC56保险丝,安培,座椅加热保险丝,在仪表板左侧下方保险丝支架上 5625保险丝,安培,前座乘客侧车窗升降器马达、右后车窗升降器马达保险丝,在仪表板左侧下方保险丝支架上 5325SC53保险丝,安培,舒适便利功能系统中央控制单元保险丝,在仪表板左侧下方保险丝支架上 545 / SC54T1b 1 针插头,黑色,起动马达插头T1c 1 针插头,黑色,油压开关插头T1e 1 针插头,白色,收音机插头T1g 1 针插头,黑色,在车顶后部T2a 2 针插头,黑色,换档杆锁电磁阀插头T2b 2 针插头,黑色,车窗玻璃清洗泵插头T2c 2 针插头,黑色,左侧前雾灯灯泡插头T2d 2 针插头,黑色,右侧前雾灯灯泡插头T2e 2 针插头,棕色,在变速箱前部插头支架上T2f 2 针插头,黑色,中部出风口温度传感器插头T2g2 针插头,黑色,脚部空间出风口温度传感器插头T2h 2 针插头,黑色,导航准备插头T2i 2 针插头,黑色,在变速箱前部插头支架上T2j 2 针插头,黑色,驾驶员侧车窗升降器马达插头T2k 2 针插头,黑色,前座乘客侧车窗升降器马达插头T2L 2 针插头,黑色,左前高音喇叭插头T2m 2 针插头,黑色,右前高音喇叭插头T2n 2 B 针插头,黑色,在左柱中部T2o 2 针插头,黑色,左后车窗升降器马达插头T2p 2 B 针插头,黑色,在右柱中部T2q 2 针插头,黑色,右后车窗升降器马达插头T2r 2 针插头,黑色,后行李箱盖把手开锁按钮插头T2s 2 针插头,黑色,左前转向信号灯灯泡插头T2u 2 针插头,黑色,右前转向信号灯灯泡插头T2w 2 / 针插头,黑色,信号喇叭双音喇叭插头T2x 2 1 针插头,黑色,在驾驶员座椅底部插头支架上号位SC58保险丝,安培,座椅调节器保险丝,在仪表板左侧下方保险丝支架上5810 SC59保险丝,30安培,新鲜空气鼓风机开关,座椅调节器保险丝,在仪表板左侧下方保险丝支架上59 SC51保险丝,安培,舒适便利功能系统中央控制单元保险丝,在仪表板左侧下方保险丝支架上 517.5 / SC52保险丝,安培,驾驶员侧车窗升降器马达、左后车窗升降器马达保险丝,在仪表板左侧下方保险丝支架上 5225SC47保险丝,安培,信号喇叭双音喇叭保险丝,在仪表板左侧下方保险丝支架上 4715 / SC48保险丝,安培,后窗玻璃加热保险丝,在仪表板左侧下方保险丝支架上 4825SC49保险丝,安培,前风窗刮水器马达保险丝,在仪表板左侧下方保险丝支架上 4925SC50保险丝,安培,集控锁保险丝,在仪表板左侧下方保险丝支架上 5020保险丝,安培,示宽灯供电保险丝,在仪表板左侧下方保险丝支架上4615 SC46T2bg2 针插头,黄色,驾驶员侧安全带拉紧器引爆装置插头T2bh2 针插头,黄色,前座乘客侧安全带拉紧器引爆装置插头T2bk2 针插头,黄色,驾驶员侧侧面安全气囊碰撞传感器插头T2bL2 针插头,黄色,前座乘客侧侧面安全气囊碰撞传感器插头T2bn 2 针插头,黑色,爆震传感器插头T2bp 2 针插头,黑色,冷却液温度传感器插头T2bq2 1 针插头,黑色,第缸喷嘴插头T2br 2 2 针插头,黑色,第缸喷嘴插头T2bs 2 3 针插头,黑色,第缸喷嘴插头T2bt 2 4 针插头,黑色,第缸喷嘴插头T2bv 2 针插头,黑色,活性碳容器装置电磁阀插头T2bz 2 针插头,黑色,空调器压缩机调节阀插头T2cp2 针插头,黑色,蒸发器出风口温度传感器插头T2cq2 针插头,黑色,新鲜空气鼓风机插头T2cs2 针插头,黑色,后部驻车辅助报警蜂鸣器插头T2da2 针插头,黄色,前座乘客侧安全气囊引爆装置插头T3a 3 针插头,黑色,驾驶员侧后视镜调节马达插头T3b 3 针插头,黑色,前部车内照明灯插头T3c 3 针插头,黑色,前座乘客侧后视镜调节马达插头T3d 3 针插头,白色,点烟器插头T3g 3 5 针插头,黄色,在驾驶员座椅底部插头支架上号位T3h 3 5 针插头,黄色,在前座乘客座椅底部插头支架上号位T3L 3 针插头,黑色,发动机转速传感器插头T3m 3 针插头,黑色,霍尔传感器插头T3o 3 针插头,黑色,左后驻车辅助传感器插头T3p 3 针插头,黑色,左后中部驻车辅助传感器插头T3r 3 针插头,黑色,右后中部驻车辅助传感器插头T3x 3 针插头,黑色,高压传感器插头T3s 3 针插头,黑色,右后驻车辅助传感器插头T2ay 2 针插头,黑色,左后转速传感器插头T2az 2 针插头,黑色,右前转速传感器插头T2ba 2 针插头,黑色,右后转速传感器插头T2ax 2 针插头,黑色,交流发电机插头T2av 2 针插头,黑色,车外温度传感器插头T2au 2 针插头,黑色,冷却液不足显示传感器插头T2bb 2 针插头,黑色,左前转速传感器插头T2bf2 针插头,黄色,驾驶员侧安全气囊引爆装置插头T2aa 2 针插头,黑色,左侧喷嘴加热电阻插头T2ab 2 针插头,黑色,右侧喷嘴加热电阻插头T2y2 1 针插头,黑色,在前座乘客座椅底部插头支架上号位T2z 2 针插头,黑色,信号喇叭控制插头T2ag 2 针插头,黑色,右牌照灯插头T2ah 2 针插头,黑色,左牌照灯插头T2ai 2 针插头,黑色,高位刹车灯灯泡插头T2aL 2 针插头,黑色,防盗锁止系统识读线圈插头T2am 2 针插头,黑色,左侧行李箱照明灯插头T2as 2 针插头,黑色,制动液液位报警开关插头T2at 2 针插头,黑色,手制动控制开关插头T6ad 6 针插头,黑色,节气门控制单元插头T6am 6 针插头,黑色,滑动天窗调节器插头T6n6 3 针插头,黑色,在前座乘客座椅底部插头支架上号位T6w 6 针插头,黑色,滑动天窗调节控制单元插头T88 针插头,黑色,点火起动开关插头 T8b 8 针插头,黄色,在方向盘内8Tiptronic 针插头,黑色,开关插头T8a T8e 8 针插头,黑色,在驾驶员车门内T6L 6 针插头,黑色,油门踏板位置传感器插头T6m 6 3 针插头,黑色,在驾驶员座椅底部插头支架上号位T5a 5 针插头,红色,可加热驾驶员座椅调节器插头T5b 5 针插头,黑色,可加热前座乘客座椅调节器插头T5f 5 针插头,黑色,新鲜空气鼓风机开关插头T5k 5 针插头,黑色,燃油泵插头T6a6 2 针插头,红色,在驾驶员座椅底部插头支架上号位T6b 6 针插头,黑色,左尾灯插头T6c 6 针插头,黑色,右尾灯插头T6d 6 针插头,红色,闪烁报警灯开关插头T6g 6 针插头,黑色,冷却液风扇控制单元插头T6h 6 针插头,蓝色,温度风门伺服马达插头T6j 6 针插头,黑色,可加热后窗玻璃开关插头T6k 6 / 针插头,蓝色,新鲜空气空气内循环风门伺服马达插头T4an4 针插头,黑色,前座乘客侧车窗升降器开关插头T4ao 4 针插头,黑色,制动踏板开关插头T4ap 4 针插头,黑色,音频输入接口插头T4aq4 / 针插头,黑色,进气压力温度传感器插头T4u4 2 针插头,黑色,带功率输出级的点火线圈插头T4v4 3 针插头,黑色,带功率输出级的点火线圈插头T4x 4 针插头,黑色,左后车窗升降器开关插头T4y 4 针插头,黑色,右后车窗升降器开关插头T4w4 4 针插头,黑色,带功率输出级的点火线圈插头T4ac 4 针插头,棕色,在变速箱前部插头支架上T4am 4 / 针插头,蓝黑色,车内联锁按钮插头T3ac 3 针插头,黑色,后部中间阅读灯插头T4a 4 针插头,黑色,车窗玻璃刮水器马达插头T4c 4 针插头,黑色,行李箱照明开关插头T4e 4 针插头,黑色,冷却液风扇插头T4g 4 针插头,黑色,左前低音喇叭插头T4h 4 针插头,黑色,右前低音喇叭插头T4j 4 针插头,黑色,左后低音喇叭插头T4k 4 针插头,黑色,右后低音喇叭插头T4L4 针插头,黑色,带过热保险丝的新鲜空气鼓风机串联电阻插头T4d 4 针插头,黑色,后窗玻璃刮水器马达插头T4p 4 针插头,黑色,冷却液风扇控制单元插头T4r 4 针插头,黑色,在变速箱前部插头支架上T4t4 1 针插头,黑色,带功率输出级的点火线圈插头T6e 6 4 针插头,红色,在座椅底部插头支架上号位前座乘客T6f 6 2 针插头,棕色,在座椅底部插头支架上号位前座乘客V 车窗玻璃刮水器马达,在排水槽左侧T1717 针插头,黑色,车灯开关插头T16q16( 1-89-16 ) 针插头,针棕色,针黑色,收音机插头T1818 针插头,黑色,空调器控制单元插头T3232 针插头,蓝色,组合仪表中带显示单元的控制单元插头T2323 / 针插头,黑色,舒适便利功能系统中央控制单元插头T28a 28 A 针插头,黑色,在右柱中部T2828 A 针插头,黑色,在左柱中部T3838ABS 针插头,黑色,控制单元插头T4141 针插头,灰色,组合开关插头T50a 50 针插头,黄色,安全气囊控制单元插头T52b 52 针插头,黑色,自动变速箱控制单元插头T73a 73 BCM A 针插头,黑色,在车身控制器上号位T73b73 BCM B 针插头,白色,在车身控制器上号位T8080Motronic 针插头,黑色,发动机控制单元插头U 插座,在换档杆后部中央通道上U1点烟器,在换档杆后部中央通道上V1滑动天窗马达V2新鲜空气鼓风机,在仪表板右侧V7冷却液风扇,在散热器左侧V25前座乘客后视镜调节马达,在右后视镜内侧V12后窗玻璃刮水器马达,在后行李箱盖内V5车窗玻璃清洗泵,在前保险杠内左侧V17驾驶员侧后视镜调节马达,在左后视镜内左后车窗升降器马达,在左后车门内V26V27 右后车窗升降器马达,在右后车门内T12a 12 针插头,绿色,收音机插头T12p 12 针插头,黑色,驻车辅助控制单元插头T12v 12 针插头,蓝色,收音机插头T14a 14 针插头,黑色,在发动机舱内左前悬挂前T14c 14 针插头,黑色,电磁阀插头T1616 针插头,黑色,空调器控制单元插头T16b16 针插头,黑色,自诊断接口,在仪表板左侧下方T16g16 针插头,棕色,驻车辅助控制单元插头T 10c 10 针插头,黑色,左大灯插头T 10e 10 针插头,黑色,在仪表板右侧空调器上T10b 10 / C 针插头,蓝黑色,在左柱中部T10a 10 针插头,黑色,后视镜调节开关插头 T 10d 10 针插头,黑色,右大灯插头T10f10 针插头,黑色,驾驶员侧中央门锁闭锁单元插头T10g10 针插头,黑色,前座乘客中央门锁闭锁单元插头侧T10h 10 针插头,黑色,车窗升降器开关插头T10s 10 针插头,黑色,多功能开关插头T10y 10 针插头,黑色,选档杆位置显示屏插头T11b 11 B 针插头,黑色,在右柱中部T11a 11 B 针插头,黑色,在左柱中部T1111 针插头,黑色,收音机插头T11c 11USB 针插头,黑色,接口插头T1212 / 针插头,黑色,舒适便利功能系统中央控制单元插头T8u 8 针插头,黑色,自动变速箱传感器插头8 针插头,黑色,右后中央门锁闭锁单元插头T8L T8f 8 针插头,黑色,在前座乘客车门内T8k 8 针插头,黑色,左后中央门锁闭锁单元插头。