U2043B U243B U643B 汽车闪光器专用集成电路
- 格式:pdf
- 大小:142.68 KB
- 文档页数:7
1. 继电器位置分配和保险丝位置分配1.1 仪表板左下方继电器支架上的继电器位置分配1 - 未占用2 - 未占用1.2 保险丝位置分配1.2.1 拧紧力矩=>电气装置,维修分组号12330303030编号功能部件/ 端子电路图名称中4567---SA1 - 1蓄电池上面保险丝架上的保险丝SA2 - 2蓄电池上面保险丝架上的保险丝SA3 - 3蓄电池上面保险丝架上的保险丝30C - 三相交流发电机未占用D - 点火起动开关E1 - 车灯开关E4 - 手动变光开关J17 - 燃油泵继电器J317 - 30 总线端供电继电器仪表板左侧保险丝架上的保险丝:、、、、、、、、、、、、、、、SC12SC13SC14SC15SC16SC17SC29SC30SC31SC32SC33SC34SC35SC36SC37SC39-----SA4 - 4蓄电池上面保险丝架上的保险丝SA5 - 5蓄电池上面保险丝架上的保险丝SA6 - 6蓄电池上面保险丝架上的保险丝SA7 - 7蓄电池上面保险丝架上的保险丝J59 - X 触点卸载继电器J682 - 50 )接线端供电继电器2J104 - ABS 控制单元J293 - 散热器风扇控制单元J299 - )二次空气泵继电器130额定值--175 A-110 A-40 A 40 A 40 A 40 A----1) - 1.6L 仅限装备发动机的汽车2) - 仅限装备自动变速箱的汽车1.3 保险丝位置分配1.3.1 保险丝颜色30 A - 绿色25 A - 白色1 2 3 45 63030 ------SB1 - 1蓄电池上面右侧保险丝架上的保险丝SB2 - 2蓄电池上面右侧保险丝架上的保险丝SB3 - 3蓄电池上面右侧保险丝架上的保险丝SB4 - 4蓄电池上面右侧保险丝架上的保险丝SB5 - 5蓄电池上面右侧保险丝架上的保险丝SB6 - 6蓄电池上面右侧保险丝架上的保险丝--30J220 - Motronic )控制单元1未占用未占用J519 - 车身控制模块H8 - 防盗报警装置信号喇叭--未占用5 A----5 A10 A编号功能部件/ 端子电路图名称中额定值1) - 2.0L仅限装备发动机的汽车1.4 保险丝位置分配1.4.1 保险丝颜色30 A - 绿色25 A - 白色12--SC1 - 1保险丝架上的保险丝SC2 - 2保险丝架上的保险丝--15E45 - GRA 开关F - 刹车灯开关F36 - )离合器踏板开关1F189 - Tiptronic )开关2J... - 发动机控制单元J17 - 燃油泵继电器J104 - ABS 控制单元J285 - 仪表板中控制单元J317 - 30 总线端供电继电器10 A N79 - ( )加热电阻曲轴箱的排气孔T16 - 诊断接口1510 A34--SC3 - 3保险丝架上的保险丝SC4 - 4保险丝架上的保险丝 5 A 10 AJ234 - 安全气囊控制单元F4 - 倒车灯开关 1)J255 - Climatronic 控制单元 J301 - )空调器控制单元41515J519 - 车身控制模块1) - 仅限装备手动变速箱的汽车2) - 仅限装备自动变速箱的汽车3) - 仅限装备自动空调的汽车4) - 编号功能部件/ 端子电路图名称中额定值仅限装备手动空调的汽车3)5 6 7 8 9 10 11-------SC5 - 5保险丝架上的保险丝SC6 - 6保险丝架上的保险丝SC7 - 7保险丝架上的保险丝SC8 - 8保险丝架上的保险丝SC9 - 9保险丝架上的保险丝SC10 - 10保险丝架上的保险丝SC11 - 11保险丝架上的保险丝-------E22 - 间歇式车窗刮水器开关5 A10 AJ412 - 移动电话电子操作装置控制单元J446 - 驻车辅助控制单元1515-----未占用未占用未占用未占用未占用-----编号功能部件/ 端子电路图名称中额定值121314151617------SC12 - 12保险丝架上的保险丝SC13 - 13保险丝架上的保险丝SC14 - 14保险丝架上的保险丝SC15 - 15保险丝架上的保险丝SC16 - 16保险丝架上的保险丝SC17 - 17保险丝架上的保险丝------15 A 5 A10 A 10 A 5 A 15 A J519 - 车身控制模块J519 - 车身控制模块J519 - )车身控制模块130303030303018-SC18 - 18保险丝架上的保险丝-15 AJ285 - 仪表板中控制单元M30 - 左侧远光灯灯泡M32 - 右侧远光灯灯泡1) - 仅限装备自动变速箱的汽车2) - 仅限装备自动空调的汽车3) - 选装装备56a编号功能部件/ 端子电路图名称中额定值J519 - 车身控制模块J412 - 移动电话电子操作装置控制单元T16 - 诊断接口J217 - )自动变速箱控制单元1J255 - Climatronic )控制单元2J285 - 仪表板中控制单元303)19-SC19 - 19保险丝架上的保险丝-5 A E1 - 车灯开关E43 - 后视镜调节开关E52 - 左后车门内车窗升降器开关E54 - 右后车门内车窗升降器开关E107 - 副驾驶员侧车门中的车窗升降器开关E188 - 后行李箱盖遥控开锁开关F189 - Tiptronic 开关 1)J301 - 空调器控制单元 2)J519 - 车身控制模块R - 收音机 U1 - 点烟器X - 牌照灯L76 - 按钮照明58a1) - 仅限装备自动变速箱的汽车3) - 仅限装备无导航系统的汽车2) - 仅限装备手动空调的汽车编号功能部件/ 端子电路图名称中额定值3)20 21 22 23 24 25------SC20 - 20保险丝架上的保险丝SC21 - 21保险丝架上的保险丝SC22 - 22保险丝架上的保险丝SC23 - 23保险丝架上的保险丝SC24 - 24保险丝架上的保险丝SC25 - 25保险丝架上的保险丝--15 A5 A10 A15 A25 A20 AE18 - 后雾灯开关G65 - 高压传感器J32 - 空调器继电器J293 - 散热器风扇控制单元75871) - 2.0L仅限装备发动机的汽车2) - 仅限装备自动变速箱的汽车N30 - 1 )气缸喷油阀1N31 - 2 )气缸喷油阀1N32 - 3 )气缸喷油阀1N33 - 4 )气缸喷油阀1----87 G39 - λ传感器G130 - 尾气催化净化器后的λ传感器J... - 发动机控制单元N152 - 点火变压器8787 V192 - )制动真空泵287编号功能部件/ 端子电路图名称中额定值26-SC26 - 26保险丝架上的保险丝-10 A J299 - )二次空气泵继电器1N80 - 活性碳容器装置电磁阀N156 - )进气歧管转换阀1872) - 仅限装备自动变速箱的汽车1) - 1.6L 仅限装备发动机的汽车272829303132------SC27 - 27保险丝架上的保险丝SC28 - 28保险丝架上的保险丝SC29 - 29保险丝架上的保险丝SC30 - 30保险丝架上的保险丝SC31 - 31保险丝架上的保险丝SC32 - 32保险丝架上的保险丝------10 A 20 A 30 A 20 A 20 A 30 AJ32 - 空调器继电器F125 - )多功能开关2J217 - )自动变速箱控制单元28715J388 - 左后车门控制单元J389 - 右后车门控制单元30303030J386 - 驾驶员侧车门控制单元J387 - 副驾驶员侧车门控制单元J519 - 车身控制模块编号功能部件/ 端子电路图名称中额定值33 34--SC33 - 33保险丝架上的保险丝SC34 - 34保险丝架上的保险丝--30 A20 AJ519 - 车身控制模块J519 - 车身控制模块J519 - 车身控制模块J361 - Simos )控制单元2J774 - 可加热前座椅控制单元J245 - 滑动天窗控制单元303035 36 37 38 39-----SC35 - 35保险丝架上的保险丝SC36 - 36保险丝架上的保险丝SC37 - 37保险丝架上的保险丝SC38 - 38保险丝架上的保险丝SC39 - 39保险丝架上的保险丝-----7.5 A30 A15 A5 A30 A3030305030编号功能部件/ 端子电路图名称中额定值R - )收音机3J503 - 收音机和导航系统的带显示单元的控制单元)1J519 - 车身控制模块2) - 1.6L仅限装备发动机的汽车3) - 仅限装备无导航系统的汽车1) - 仅限装备带导航系统的汽车40 41 42 43 44-----SC40 - 40保险丝架上的保险丝SC41 - 41保险丝架上的保险丝SC42 - 42保险丝架上的保险丝SC43 - 43保险丝架上的保险丝SC44 - 44保险丝架上的保险丝-----30 A5 A15 A5 A5 AJ255 - Climatronic )控制单元1J301 - )空调器控制单元2V2 - )新鲜空气鼓风机175757586s751) - 仅限装备自动空调的汽车2) - 仅限装备手动空调的汽车3) - 仅限装备无导航系统的汽车E43 - 后视镜调节开关J519 - 车身控制模块R - )收音机3J519 - 车身控制模块编号功能部件/ 端子电路图名称中额定值U1 - 点烟器4546 47 48 49-----SC45 - 45保险丝架上的保险丝SC46 - 46保险丝架上的保险丝SC47 - 47保险丝架上的保险丝SC48 - 48保险丝架上的保险丝SC49 - 49保险丝架上的保险丝-----15 A10 A10 A5 A5 AG6 - 燃油泵N30 - 1 )气缸喷油阀1N31 - 2 )气缸喷油阀1N32 - 3 )气缸喷油阀1N33 - 4 )气缸喷油阀187565658L58R1) - 1.6L仅限装备发动机的汽车M29 - 左侧近光灯灯泡M31 - 右侧近光灯灯泡M1 - 左侧停车灯灯泡M4 - 左侧尾灯灯泡M21 - 左侧刹车灯和尾灯灯泡M2 - 右侧尾灯灯泡M3 - 右侧停车灯灯泡M22 - 右侧刹车灯和尾灯灯泡编号功能部件/ 端子电路图名称中额定值1. 接地点1.1 发动机舱内接地点一览1 640 655接地点,蓄电池接地点,在左前纵梁顶部中间接地点,在左前纵梁顶部左侧13接地点,在右前纵梁前部顶面1.2 车身内部接地点一览605接地点,在转向柱上部45接地点,在仪表板中部空调器右侧支架上1.3 行李箱内部接地点一览50接地点,在行李箱内左侧1. 控制单元1.1 控制单元一览1 - J... -从10 - J446 -从11 - J388 -从1.2 控制单元一览A - J220 - Motronic ( 用于配有1.3 SimosA - J361 - Simos ( 用于配有安装位置在排水槽中间1.4 自动变速箱控制单元A - 自动变速箱控制单元插头连接安装位置在排水槽内右侧1.5 安全气囊控制单元A - 安全气囊控制单元插头连接安装位置在中控台下面1.6收音机和导航系统的带显示单元的控制单元A - 收音机和导航系统的带显示单元的控制单元插头连接1.7空调器控制单元A - 空调器控制单元插头连接1.8 ClimatronicA - Climatronic插头连接安装位置在仪表板中部1.9副驾员侧车门控制单元A - 副驾驶员侧车门控制单元插头连接安装位置在右前车门内1.10滑动天窗控制单元A - 滑动天窗控制单元插头连接安装位置在滑动天窗前部中间1.11移动电话电子操作装置控制单元A - 移动电话电子操作装置控制单元插头连接安装位置在副仪表板下方手制动器旁。
Installation Guide:Universal LED Hide-A-Way(2 x 2 Switching)©2008 Whelen Engineering Company Inc.Form No.14199 (051508)For warranty information regarding this product, visit /warranty•Proper installation of this product requires the installer to have a good understanding of automotive electronics, systems and procedures.•Whelen Engineering requires the use of waterproof butt splices and/or connectors if that connector could be exposed to moisture.•Any holes, either created or utilized by this product, should be made both air- and watertight using a sealant recommended by your vehicle manufacturer.•Failure to use specified installation parts and/or hardware will void the product warranty.•If mounting this product requires drilling holes, the installer MUST be sure that no vehicle components or other vital parts could be damaged by the drilling process. Check both sides of the mounting surface before drilling begins. Also de-burr the holes and remove any metal shards or remnants. Install grommets into all wire passage holes.•If this manual states that this product may be mounted with suction cups, magnets, tape or Velcro®, clean the mounting surface with a 50/50 mix of isopropyl alcohol and water and dry thoroughly.•Do not install this product or route any wires in the deployment area of your air bag. Equipment mounted or located in the air bag deployment area will damage or reduce the effectiveness of the air bag, or become a projectile that could cause serious personal injury or death. Refer to your vehicle owner’s manual for the air bag deployment area. The User/Installer assumes full responsibility to determine proper mounting location, based on providing ultimate safety to all passengers inside the vehicle.•For this product to operate at optimum efficiency, a good electrical connection to chassis ground must be made. The recommendedprocedure requires the product ground wire to be connected directly to the NEGATIVE (-) battery post (this does not include products that use cigar power cords).•If this product uses a remote device for activation or control, make sure that this device is located in an area that allows both the vehicle and the device to be operated safely in any driving condition.•Do not attempt to activate or control this device in a hazardous driving situation.•This product contains either strobe light(s), halogen light(s), high-intensity LEDs or a combination of these lights. Do not stare directly into these lights. Momentary blindness and/or eye damage could result.•Use only soap and water to clean the outer lens. Use of other chemicals could result in premature lens cracking (crazing) and discoloration. Lenses in this condition have significantly reduced effectiveness and should be replaced immediately. Inspect and operate this product regularly to confirm its proper operation and mounting condition. Do not use a pressure washer to clean this product.•It is recommended that these instructions be stored in a safe place and referred to when performing maintenance and/or reinstallation of this product.•FAILURE TO FOLLOW THESE SAFETY PRECAUTIONS AND INSTRUCTIONS COULD RESULT IN DAMAGE TO THE PRODUCT OR VEHICLE AND/OR SERIOUS INJURY TO YOU AND YOUR PASSENGERS!A u t o m o t i v e : Warnings to InstallersWhelen’s emergency vehicle warning devices must be properly mounted and wired in order to be effective and safe. Read and follow all of Whelen’s written instructions when installing or using this device. Emergency vehicles are often operated under high speed stressful conditions which must be accounted for when installing all emergency warning devices. Controls should be placed within convenient reach of the operator so that they can operate the system without taking their eyes off the roadway. Emergency warning devices can require high electrical voltages and/or currents. Properly protect and use caution around live electrical connections.Grounding or shorting of electrical connections can cause high current arcing, which can cause personal injury and/or vehicle damage, including fire. Many electronic devices used in emergency vehicles can create or be affected by electromagnetic interference. Therefore, after installation of any electronic device it is necessary to test all electronic equipment simultaneously to insure that they operate free of interference from other components within the vehicle. Never power emergency warning equipment from the same circuit or share the same grounding circuit with radio communication equipment. All devices should be mounted in accordance with the manufacturer’s instructions and securely fastened to vehicle elements of sufficient strength to withstand the forces applied to the device. Driver and/or passenger air bags (SRS) will affect the way equipment should be mounted. This device should be mounted by permanent installation and within the zones specified by the vehicle manufacturer, if any. Any device mounted in the deployment area of an air bag will damage or reduce the effectiveness of the air bag and may damage or dislodge the device. Installer must be sure that this device, its mounting hardware and electrical supply wiring does not interfere with the air bag or the SRS wiring or sensors. Mounting the unit inside the vehicle by a method other than permanent installation is not recommended as unit may become dislodged during swerving; sudden braking or collision. Failure to follow instructions can result in personal injury. Whelen assumes no liability for any loss resulting from the use of this warning device. PROPER INSTALLATION COMBINED WITH OPERATOR TRAINING IN THE PROPER USE OF EMERGENCY WARNING DEVICES IS ESSENTIAL TO INSURE THE SAFETY OF EMERGENCY PERSONNEL AND THE PUBLIC.Warnings to UsersWhelen’s emergency vehicle warning devices are intended to alert other operators and pedestrians to the presence and operation of emergency vehicles and personnel. However, the use of this or any other Whelen emergency warning device does not guarantee that you will have the right-of-way or that other drivers and pedestrians will properly heed an emergency warning signal. Never assume you have the right-of-way. It is your responsibility to proceed safely before entering an intersection, driving against traffic, responding at a high rate of speed, or walking on or around traffic lanes. Emergency vehicle warning devices should be tested on a daily basis to ensure that they operate properly. When in actual use, the operator must ensure that both visual and audible warnings are not blocked by vehicle components (i.e.: open trunks or compartment doors), people, vehicles, or other obstructions. It is the user’s responsibility to understand and obey all laws regarding emergency warning devices. The user should be familiar with all applicable laws and regulations prior to the use of any emergency vehicle warning device. Whelen’s audible warning devices are designed to project sound in a forward direction away from the vehicle occupants. However, because sustained periodic exposure to loud sounds can cause hearing loss, all audible warning devices should be installed and operated in accordance with the standards established by the National Fire Protection Association.Safety FirstThis document provides all the necessary information to allow your Whelen product to be properly and safely installed. Before beginning the installation and/or operation of your new product, the installation technician and operator must read this manual completely. Important information is contained herein that could prevent serious injury or damage.WARNING: This product can expose you to chemicals including Methylene Chloride which is known to the State of California to cause cancer, and Bisphenol A, which is known to the State of California to cause birth defects or other reproductive harm. For more information go to .51 Winthrop RoadChester, Connecticut 06412-0684Phone: (860) 526-9504Internet: Salese-mail:*******************CustomerServicee-mail:*******************®ENGINEERING COMPANY INC.Installation:Installation of Universal LED Hide-A-Way into a composite automotive headlight or taillight assembly:1.Follow manufacturers instructions to remove the headlight (or taillight)reflector assembly from the vehicle.2.Select the mounting location for the LED Hide-A-Way, keeping in mind thefollowing:•The LED Hide-A-Way will share the same reflector as the headlight, brake light, or signal light. Make sure the Hide-A-Way does not interfere with the operation of these lights.•There must be a minimum of one inch of space between the LED Hide-A-Way and the lens.•The LED Hide-A-Way must not be installed above the horizontal centerline of the reflector.•The LED Hide-A-Way must not be installed above any OEM supplied light.3.Choose a surface in the rear or bottom of the housing which is as flat aspossible. Using a hole saw, cut a 3/4” hole in the housing as shown (Fig. 1 &2) and de-burr the hole.4.Insert the LED lamp assembly into the reflector housing. Mark the locationfor the two mounting holes (3/32” DIA.). Remove the lamp assembly and drill the holes.5.Install the lamp assembly and gasket using the two provided #6 sheet metalscrews and secure the lamp to the reflector assembly.6.Repeat steps 1 thru 6 for the other side of the vehicle.7.Remount both headlight assemblies to the vehicle and route the connectorcable from the Hide-A-Way to the LED driver module.8.The module should be mounted in the engine compartment near the vehicleheadlight circuit. Do not mount the module onto the engine or close to the exhaust system.IMPORTANT NOTE: If the LED Hide-A-Way is being used in an area previously occupied by an S30HA light assembly, it is important to seal the mounting holes used by the previous assembly with RTV or other suitable material.NOTE: Whelen® LED Hide-A-Way systems are designed to interface with the Whelen® LED driver module. Do not connect the Whelen LED Hide-A-Way lamp directly to a battery or to a standard flasher. LED damage will result and void warranty. Detailed wiring, switching and installation instructions are enclosed with this unit.WARNING!All customer supplied wires that connect to the positive terminal of the battery must be sized to supply at least 125% of the maximum operating current and FUSED at the battery to carry that load. DO NOT USE CIRCUIT BREAKERS WITH THIS PRODUCT!Wiring & Operation:The LED driver module is powered & controlled by the 6 wires coming from the Input Connector. Locate the input connector and plug it into the LED driver module.RED: Power - Extend the RED wire to a 12 volt DC power source(******** amps)BLACK: Ground - Extend the BLACK wire to the negative terminal of the battery.BLUE: Control 1 - Extend this wire to a fused +12VDC power source. Install a SP/ST switch (customer supplied) to allow control of Outlets 1 + 3.GREEN: Control 2 - Extend this wire to a fused +12VDC power source. Install a SP/ST switch (customer supplied) to allow control of Outlets 2 + 4.GRAY: SYNC - Connect the GREY wire to other SYNC capable power supplies to synchronize their output. Cap off the wire if not used.WHITE/VIOLET: Scan-Lock™- Extend the WHT/VIO wire to a customer supplied momentary switch (Fuse @ 1 amp). See Scan-Lock™ section for operation.IMPORTANT WARNING: DO NOT ATTEMPT TO USE THE LED LIGHT-HEAD(S) WITHOUT THE LED DRIVER MODULE CONNECTED.Scan-Lock™ (WHITE/VIOLET)In order to program flash patterns, the lighthead must be on. With the appropriate lighthead(s) activated:TO CHANGE PATTERNS: To cycle forward to the next available pattern apply +12 volts to the WHT/VIO wire for less than 1 second and release.To cycle back to the previous pattern apply +12 volts to the WHT/VIO wire for more than 1 second and release.TO CHANGE THE DEFAULT PATTERN: When the desired pattern is displayed, allow it to run for more than 5 seconds. The lighthead will now display this pattern when initially activated.TO RESTORE THE FACTORY DEFAULT PATTERN:This will reset all patterns back to there default settings.Disconnect main power and apply power to the WHT/VIO wire. With power applied to the WHT/VIO wire, turn main power back on. Allow the unit to run for 3 seconds then remove power from the WHT/VIO wire.A Normally Open momentary switch should be used to control Scan-Lock operation.Flash Patterns -The following is a list of all the available flash patterns and their respective stages:Pattern Stage(s)1.SignalAlert™ 75 *1>2>3>4etFlash® 75 *1>2>3>43.DoubleFlash 75 *1>2>3>44.SingleFlash 75 *1>2>3>4Alert™ 75 *1>2>3>46.LongBurst™ 75 *1>2>3>47.PingPong™ 75 *1>2>3>48.SingleFlash 601>2>3>49.SingleFlash 901>2>3>410.SingleFlash 1201>2>3>411.SingleFlash 3001>2>3>412.DoubleFlash 1501>2>3>4Alert™ 1501>2>3>414.ActionFlash™ 501>2>3>415.ActionFlash™ 1501>2>3>416.ModuFlash™1>2>3>417.ActionScan™1>2>3>4The first half of the patterns are available in Stages 1 thru 4, while the second half are available in Stage 5 only. To better understand how the Stage of a pattern effects its appearance, refer to the following diagram.18.SignalAlert™ 75 *5etFlash® 75 *520.DoubleFlash 75 *521.SingleFlash 75 *5Alert™ 75 *523.LongBurst™ 75 *524.PingPong™ 75 *525.SingleFlash 60526.SingleFlash 90527.SingleFlash 120528.SingleFlash 300529.DoubleFlash 1505Alert™ 150531.ActionFlash™ 50532.ActionFlash™ 150533.ModuFlash™534.ActionScan™5 * = SYNC Pattern IMPORTANT! Before returning this vehicle to active service, visually confirm the proper operation of this product, as well as all vehicle components and equipment.。
LT4761LT47611(4)LT4761 汽车闪光器专用集成电路一、概述LT4761 是为汽车转向及报警信号闪光器设计的专用集成电路。
若遇前后任一转向指 示灯发生故障时,闪光频率立刻自动提高一倍,向司机报警。
二、工作原理该电路由外接 RC 振荡信号直接耦合输入三角波,经受控振荡、电流放大,输出具有强驱动的方脉冲,当取样监控到负载减小一半时,相应的比较器动作,引起振荡频率增大 一倍的变化。
当电源电压产生瞬态脉冲(± 100V )时,保护电路自动导通分流或箝位限 幅达到保护的目的。
该电路输出信号可提供 120 - 200mA 的驱动电流。
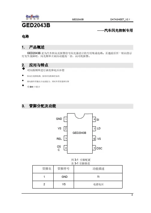
三、引出脚及其功能:LT4761 有标准 DIP8( 直插式 ) 和 SO8( 贴片式 ) 两种封装供你选择,引线排列及功能 如图所示。
引脚介绍: 引脚 符号pin symbol功能fuaction 1 2 GND 地Vs 电源电压IC ground Supply voltage3 4 OUT OSC 继电器控制输出 Relay control outputOscillator 振荡器 5 6 7 8OSC V s LD S I振荡器 电源电压灯故障检测 启动输入Oscillator Supply voltage Lamp failure detection Start inputDIP8SO8SIVsLDOSCGNDVs OUT OSC引脚图 Figure pinning参数 Parameters电源电流 Supply current Work voltage 引线 4=Vcc Value测试条件Test condition符号 Symbol 最小值 典型值 最大值 单位min typ max Unit电池工作电压 Battery work voltage9.5输出电流 Output currentVB I ccIOH 13 150 3012018 200 80200V mAmAIOL 10 100 µA闪光频率 Gleam frequency 70140 80160 90180次/分T/M 次/分T/M 取样电阻Take a sample resistance 正常工作 Normal workRs0.0150.0170.02Ω引线 7=Vcc工作电压 R = L*/L*R = L*工 作 电 压 Rj = 100ΩWork voltage引线 7=GND工 作 电 压 Rj = 100Ω Work voltage引线 4=GND工 作 电 压 R1=120K Work voltage C1=3.3µR=2L* 工 作 电 压 R1=120KWork voltage C1=3.3µR=1L*四、参数规范值LT4761注:1、L* 灯泡规格为 12V/21W 2、Rj 为继电器线圈电阻 100Ω 3、工作电压取 13V2(4)LT4761五、典型应用图Typical Utility Graph1、12V 闪光器R1 = 91K - 120K R2 = 3.0K R3 =330Ω Rs* =0.017Ω C1 =3.3µ/50υRj、Kj 为继电器,线圈电阻 Rj -100ΩL* 为 12v /21w 灯泡外接电路稍加改动可与境外型号的 U243B 和 U2043 互换使用。
OPA1013- 精密单电源双路运算放大器OPA1013CN8P 所有无铅库存$0.00OPA124- 低噪声的精密差动运算放大器OPA124U D 所有无铅库存$0.00OPA124UA D 所有无铅库存$0.00OPA129- 超低偏置电流差动运算放大器OPA129U D 所有无铅库存$0.00OPA129UB D 所有无铅库存$0.00OPA131- 通用 FET- 输入运算放大器OPA131UA D 所有无铅库存$0.00OPA1602- OPA1602、OPA1604 SoundPlus 高性能、双极输入音频运算放大器OPA1602AID D 暂时缺货$0.00OPA1642- Sound-Plus 高性能、JFET 输入音频运算放大器OPA1642AID D 暂时缺货$0.00OPA2130- 低功耗精密 FET 输入运算放大器OPA2130UA D 所有无铅库存$0.00OPA2137- 低成本 FET 输入运算放大器OPA2137P P 所有无铅库存$0.00OPA2141- 10MHz 单电源低噪声 JFET 精密放大器 ]]OPA2141AID D 所有无铅库存$0.00OPA2141AIDR D 所有无铅库存$0.00OPA2227- 高精度、低噪声运算放大器OPA2227P P 所有无铅库存$0.00OPA2227U D 所有无铅库存$0.00OPA2227UA D 所有无铅库存$0.00OPA2228- 高精度低噪声运算放大器OPA2228P P 所有无铅/绿色环保库存$0.00OPA2228PA P 所有无铅库存$0.00OPA2228U D 所有无铅库存$0.00OPA2228UA D 所有无铅库存$0.00OPA2333-HT- 1.8V 微功耗 CMOS 运算放大器OPA2333SJD JD 所有无铅无偏好** 库存$0.00OPA2334- 最大漂移0.05uV/℃ 的单电源 CMOS 运算放大器OPA2334AIDGST DGS 所有无铅/绿色环保库存$0.00 OPA2335- 最大漂移0.05uV/℃ 的单电源 CMOS 运算放大器OPA2335AIDGKT DGK 所有无铅库存$0.00 OPA2335AIDR D 所有无铅/绿色环保库存$0.00 OPA2338- MicroSIZE、单电源 CMOS 运算放大器微放大器系列OPA2338EA/250DCN 所有无铅/绿色环保库存$0.00OPA2354- 250MHz 轨至轨 I/O CMOS 双路运算放大器OPA2354AIDDA DDA 所有无铅库存$0.00 OPA2354AIDGKT DGK 所有无铅库存$0.00 OPA2376- 精密、低噪声、低静态电流运算放大器OPA2376AIDR D 所有无铅/绿色环保库存$0.00 OPA2376AIYZDT YZD 所有无铅/绿色环保库存$0.00 OPA2380- 高速精确互阻抗放大器OPA2380AIDGKT DGK 所有无铅/绿色环保库存$0.00 OPA2652- SpeedPlus(TM) 双路 700MHz 电压反馈运算放大器OPA2652U D 所有无铅/绿色环保库存$0.00 OPA2684- 双路低功耗电流反馈运算放大器OPA2684ID D 暂时缺$0.00货OPA2690- 具有禁用功能的双路宽带电压反馈运算放大器OPA2690ID D 所有无铅/绿色环保库存$0.00 OPA2703- 12V CMOS 轨至轨 I/O 运算放大器OPA2703UA D 所有无铅/绿色环保库存$0.00 OPA2703UAG4 D 所有无铅库存$0.00 OPA2704- 12V CMOS 轨至轨 I/O 运算放大器OPA2704EA/250DGK 所有无铅库存$0.00 OPA2704EA/250G4 DGK 所有无铅库存$0.00 OPA2704PA P 所有无铅/绿色环保库存$0.00 OPA2890- 具有禁用功能的双路低功耗宽带电压反馈运算放大器OPA2890ID D 所有无铅/绿色环保库存$0.00 OPA320- 20MHz、0.9pA Ib、RRIO、精密 CMOS 运算放大器OPA320AIDBVT DBV 所有无铅库存$0.00 OPA320SAIDBVT DBV 暂时缺$0.00货OPA3355- 具有关断状态的 2.5V 200MHz 的 GBW CMOS 三路运算放大器OPA3355EA/250PW 所有无铅/绿色环保库存$0.00 OPA3355UA D 所有无铅库存$0.00 OPA337- MicroAmplifier(TM) 系列微型单电源 CMOS 运算放大器OPA337NA/250DBV 所有无铅/绿色环保库存$0.00 OPA343- MicroAmplifier(TM) 系列单电源轨至轨运算放大器OPA343UA D 所有无铅/绿色环保库存$0.00 OPA347- 微功耗轨至轨运算放大器OPA347NA/250DBV 所有无铅/绿色环保库存$0.00 OPA347PA P 所有无铅/绿色环保暂时缺$0.00货OPA347SA/250DCK 所有无铅库存$0.00 OPA353- MicroAmplifier(TM) 系列高速单电源轨至轨运算放大器OPA353UA D 所有无铅/绿色环保库存$0.00 OPA364- 1.8V、高 CMR、RRIO 运算放大器OPA364AID D 所有无铅/绿色环保库存$0.00 OPA364AIDBVT DBV 所有无铅/绿色环保库存$0.00 OPA364IDBVT DBV 所有无铅/绿色环保库存$0.00 OPA3692- 具有禁用功能的三路宽带固定增益缓冲器OPA3692ID D 所有无铅/绿色环保库存$0.00 OPA3692IDBQT DBQ 所有无铅/绿色环保库存$0.00 OPA379- 1.8V、2.9µA、90kHz、轨至轨 I/O 运算放大器OPA379AIDCKT DCK 所有无铅/绿色环保库存$0.00 OPA380- 高速精密互阻抗放大器OPA380AIDGKT DGK 所有无铅库存$0.00 OPA4134- SoundPlus(TM) 高性能音频运算放大器OPA4134UA D 所有无铅库存$0.00 OPA4170- 36V、微功耗、轨至轨输出、四路、通用运算放大器OPA4170AID D 所有无铅库存$0.00 OPA4170AIPW PW 所有无铅库存$0.00 OPA4350- MicroAmplifier(TM) 系列高速单电源轨至轨运算放大器OPA4350EA/250DBQ 所有无铅/绿色环保库存$0.00 OPA4350UA D 所有无铅/绿色环保库存$0.00 OPA4353- MicroAmplifier(TM) 系列高速单电源轨至轨运算放大器OPA4353UA D 所有无铅/绿色环保库存$0.00 OPA4364- 1.8V、高 CMR、RRIO 运算放大器OPA4364AID D 所有无铅/绿色环保库存$0.00 OPA4704- 12V CMOS 轨至轨 I/O 运算放大器OPA4704UA D 所有无铅库存$0.00 OPA548- 高电压大电流运算放大器,出色的输出摆幅OPA548FKTWT KTW 所有无铅/绿色环保库存$0.00 OPA548T KVT 所有无铅/绿色环保库存$0.00 OPA561- 大电流运算放大器OPA561PWP PWP 所有无铅/绿色环保库存$0.00 OPA606- Wide-Bandwidth Difet(R) 运算放大器OPA606KP P 所有无铅/绿色环保库存$0.00 OPA656- 宽带单位增益稳定 FET 输入运算放大器OPA656N/250DBV 所有无铅库存$0.00 OPA656N/250G4DBV 所有无铅库存$0.00 OPA656NB/250DBV 所有无铅库存$0.00 OPA656U D 所有无铅库存$0.00 OPA656UB D 所有无铅库存$0.00 OPA694- 宽带、低功耗、电流反馈放大器OPA694ID D 所有无铅库存$0.00OPA1013- 精密单电源双路运算放大器OPA1013CN8P 所有无铅库存$0.00 OPA121- 低成本的精密差动运算放大器OPA121KU D 所有无铅库存$0.00 OPA124- 低噪声的精密差动运算放大器OPA124U D 所有无铅库存$0.00 OPA124UA D 所有无铅库存$0.00 OPA129- 超低偏置电流差动运算放大器OPA129U D 所有无铅库存$0.00 OPA129UB D 所有无铅库存$0.00 OPA130- 低功耗精密 FET 输入运算放大器OPA130UA D 所有无铅库存$0.00 OPA131- 通用 FET- 输入运算放大器OPA131UA D 所有无铅库存$0.00 OPA132- 高速 FET 输入运算放大器OPA132U D 所有无铅库存$0.00 OPA132UA D 所有无铅库存$0.00 OPA134- SoundPlus(TM) 高性能音频运算放大器OPA134PA P 所有无铅/绿色环保库存$0.00OPA134UA D 所有无铅无偏好** 库存$0.00OPA137- 低成本 FET 输入运算放大器OPA137P P 所有无铅无偏好** 库存$0.00OPA137PA P 库存$0.00 OPA140- 11MHz 单电源、低噪声、精密轨至轨输出 JFET 放大器OPA140AID D 所有无铅库存$0.00 OPA140AIDBVT DBV 所有无铅库存$0.00 OPA140AIDGKT DGK 所有无铅库存$0.00 OPA141- 10MHz 单电源低噪声 JFET 精密放大器OPA141AID D 所有无铅无偏好** 库存$0.00OPA141AIDGKT DGK 所有无铅库存$0.00OPA1602- OPA1602、OPA1604 SoundPlus 高性能、双极输入音频运算放大器OPA1602AID D 暂时缺货$0.00OPA1611- 1.1nV/√Hz 噪声、低功耗精密运算放大器OPA1611AID D 所有无铅库存$0.00OPA1612- 1.1nV/√Hz 噪声、低功耗精密运算放大器OPA1612AID D 所有无铅库存$0.00OPA1632- 全差动 I/O 音频放大器OPA1632D D 所有无铅/绿色环保库存$0.00OPA1632DR D 所有无铅库存$0.00OPA1641- Sound-Plus 高性能、JFET 输入音频运算放大器OPA1641AID D 所有无铅库存$0.00OPA1642- Sound-Plus 高性能、JFET 输入音频运算放大器OPA1642AID D 暂时缺货$0.00OPA1644- OPA1641/1642/1644 SoundPLUS™ 高性能 JFET 输入音频运算放大器OPA1644AID D 所有无铅无偏好** 库存$0.00OPA1654- Sound Plus 低噪声和低失真通用 FET 输入音频运算放大器OPA1654AID D 所有无铅库存$0.00OPA1654AIPW PW 所有无铅库存$0.00OPA1662-Q1- 汽车类 Sound Plus、低功耗、低噪声和低失真音频运算放大器OPA1662AIDGKRQ1 DGK 所有无铅库存$0.00OPA1662AIDRQ1 D 库存$0.00OPA1664- Sound Plus 低功耗、低噪声和低失真音频运算放大器OPA1664AID D 所有无铅库存$0.00OPA1664AIPW PW 所有无铅无偏好** 库存$0.00OPA170- 采用微型封装的 36V、微功耗、轨至轨输出、通用运算放大器OPA170AID D 所有无铅库存$0.00OPA170AIDBVT DBV 所有无铅库存$0.00OPA170AIDRLR DRL 所有无铅库存$0.00OPA170AIDRLT DRL 所有无铅库存$0.00OPA171- 采用微型封装的 36V 通用低功耗 RRO 运算放大器OPA171AID D 所有无铅库存$0.00OPA171AIDBVT DBV 所有无铅库存$0.00OPA171AIDRLT DRL 所有无铅库存$0.00OPA177- 精密运算放大器OPA177FP P 库存$0.00OPA177GP P 所有无铅库存$0.00OPA177GS D 所有无铅库存$0.00OPA177GS/2K5 D 所有无铅库存$0.00OPA188- 0.03μV/°C、6μV Vos、低噪声、轨至轨输出、36V 零漂移运算放大器OPA188AIDGKT DGK 所有无铅库存$0.00OPA1S2385- 具有集成开关和缓冲器的 200-MHz CMOS 跨阻放大器 (TIA)OPA1S2385IDRCT DRC 暂时缺货$0.00OPA211- 1.1nV/(sqrt)Hz Noise, Low Power, Precision Operational Amplifier in DFN-8 Pkg OPA211AIDR D 所有无铅/绿色环保库存$0.00OPA211ID D 所有无铅/绿色环保库存$0.00OPA211IDRGT DRG 所有无铅/绿色环保库存$0.00 OPA2130- 低功耗精密 FET 输入运算放大器OPA2130UA D 所有无铅库存$0.00 OPA2131- 通用 FET 输入运算放大器OPA2131UA D 所有无铅无偏好** 库存$0.00OPA2131UJ D 所有无铅库存$0.00 OPA2132- 高速 FET 输入运算放大器OPA2132P P 库存$0.00OPA2132PA P 所有无铅无偏好** 库存$0.00OPA2132U D 所有无铅无偏好** 库存$0.00OPA2132UA D 所有无铅库存$0.00OPA2134- SoundPlus(TM) 高性能音频运算放大器OPA2134PA P 所有无铅库存$0.00OPA2134UA D 所有无铅库存$0.00OPA2137- 低成本 FET 输入运算放大器OPA2137P P 所有无铅库存$0.00OPA2141- 10MHz 单电源低噪声 JFET 精密放大器 ]]OPA2141AID D 所有无铅库存$0.00OPA2141AIDR D 所有无铅库存$0.00OPA2170- 采用微型封装的 36V、微功耗、轨至轨输出、双路通用运算放大器OPA2170AID D 暂时缺货$0.00OPA2170AIDGK DGK 所有无铅库存$0.00OPA2171- 采用微型封装的 36V 通用低功耗 RRO 运算放大器OPA2171AID D 所有无铅库存$0.00OPA2171AIDCUT DCU 所有无铅库存$0.00OPA2227- 高精度、低噪声运算放大器OPA2227P P 所有无铅库存$0.00OPA2227U D 所有无铅库存$0.00OPA2227UA D 所有无铅库存$0.00OPA2228- 高精度低噪声运算放大器OPA2228P P 所有无铅/绿色环保库存$0.00OPA2228PA P 所有无铅库存$0.00OPA2228U D 所有无铅库存$0.00OPA2228UA D 所有无铅库存$0.00OPA2244- MicroAmplifier(TM) 系列微功耗单电源运算放大器OPA2244EA/250DGK 所有无铅/绿色环保库存$0.00OPA2244PA P 所有无铅库存$0.00OPA2244UA D 所有无铅库存$0.00 OPA2277- 高精度运算放大器OPA2277P P 所有无铅/绿色环保库存$0.00 OPA2277PA P 库存$0.00 OPA2277U D 所有无铅库存$0.00OPA2277UA D 所有无铅无偏好** 库存$0.00OPA2314-EP- 低功耗、低噪声 RRI/O 1.8V CMOS 运算放大器OPA2314ASDRBTEP DRB 库存$0.00 OPA2333- 1.8V、17µA、微功耗、精密、零漂移 CMOS 运算放大器OPA2333AID D 所有无铅/绿色环保库存$0.00 OPA2333AIDGKT DGK 所有无铅库存$0.00 OPA2333AIDRBT DRB 所有无铅/绿色环保库存$0.00 OPA2333-HT- 1.8V 微功耗 CMOS 运算放大器OPA2333SJD JD 所有无铅无偏好** 库存$0.00OPA2334- 最大漂移0.05uV/℃ 的单电源 CMOS 运算放大器OPA2334AIDGST DGS 所有无铅/绿色环保库存$0.00 OPA2335- 最大漂移0.05uV/℃ 的单电源 CMOS 运算放大器OPA2335AIDGKT DGK 所有无铅库存$0.00 OPA2335AIDR D 所有无铅/绿色环保库存$0.00 OPA2336- MicroAmplifier 系列单电源微功耗 CMOS 运算放大器OPA2336E/250DGK 所有无铅库存$0.00 OPA2336PA P 所有无铅库存$0.00 OPA2336U D 所有无铅库存$0.00 OPA2336UA D 所有无铅/绿色环保库存$0.00 OPA2337- MicroSIZE、单电源 CMOS 运算放大器微放大器系列OPA2337UA D 所有无铅/绿色环保库存$0.00 OPA2338- MicroSIZE、单电源 CMOS 运算放大器微放大器系列OPA2338EA/250DCN 所有无铅/绿色环保库存$0.00 OPA2338UA D 所有无铅库存$0.00 OPA2345- MicroAmplifier(TM) 系列低功耗单电源轨至轨运算放大器OPA2345EA/250DGK 所有无铅库存$0.00 OPA2345UA D 所有无铅库存$0.00 OPA2347- 采用 WCSP-8 封装的微功耗轨至轨运算放大器OPA2347EA/250DCN 所有无铅/绿色环保库存$0.00 OPA2347UA D 所有无铅/绿色环保库存$0.00 OPA2347UAG4 D 所有无铅库存$0.00 OPA2354- 250MHz 轨至轨 I/O CMOS 双路运算放大器OPA2354AIDDA DDA 所有无铅库存$0.00 OPA2354AIDGKT DGK 所有无铅库存$0.00 OPA2355- 具有关断状态的 2.5V 200MHz 的 GBW CMOS 双路运算放大器OPA2355DGSA/250 DGS 所有无铅/绿色环保库存$0.00 OPA2356- 2.5V 200MHz 的 GBW CMOS 双路运算放大器OPA2356AID D 所有无铅库存$0.00 OPA2356AIDGKT DGK 所有无铅/绿色环保库存$0.00 OPA2356AIDR D 库存$0.00 OPA237- MicroAmplifier(TM) 系列单电源运算放大器OPA237NA/250DBV 库存$0.00 OPA237NA/3K DBV 暂时缺货$0.00 OPA237UA D 所有无铅库存$0.00 OPA2376- 精密、低噪声、低静态电流运算放大器OPA2376AIDR D 所有无铅/绿色环保库存$0.00 OPA2376AIYZDT YZD 所有无铅/绿色环保库存$0.00 OPA2380- 高速精确互阻抗放大器OPA2380AIDGKT DGK 所有无铅/绿色环保库存$0.00 OPA244- 微功耗单电源运算放大器 MicroAmplifier(TM) 系列OPA244NA/250DBV 所有无铅库存$0.00 OPA244UA D 所有无铅库存$0.00 OPA251- 单电源、微功耗运算放大器OPA251PA P 所有无铅无偏好** 库存$0.00OPA2544- 高电压(大电流)双路运算放大器OPA2544T KV 所有无铅/绿色环保库存$0.00OPA2613- 具有电流限制的双宽带高输出电流运算放大器OPA2613ID D 所有无铅/绿色环保库存$0.00OPA2652- SpeedPlus(TM) 双路 700MHz 电压反馈运算放大器OPA2652U D 所有无铅/绿色环保库存$0.00OPA2673- Dual Wideband High Output Current Operational Amplifier with Current Limit OPA2673IRGVT RGV 所有无铅/绿色环保库存$0.00OPA2684- 双路低功耗电流反馈运算放大器OPA2684ID D 暂时缺货$0.00OPA2690- 具有禁用功能的双路宽带电压反馈运算放大器OPA2690ID D 所有无铅/绿色环保库存$0.00OPA27- 超低噪声精度运算放大器OPA27GP P 所有无铅无偏好** 库存$0.00OPA27GU D 所有无铅库存$0.00 OPA2703- 12V CMOS 轨至轨 I/O 运算放大器OPA2703UA D 所有无铅/绿色环保库存$0.00 OPA2703UAG4 D 所有无铅库存$0.00 OPA2704- 12V CMOS 轨至轨 I/O 运算放大器OPA2704EA/250DGK 所有无铅库存$0.00 OPA2704EA/250G4 DGK 所有无铅库存$0.00 OPA2704PA P 所有无铅/绿色环保库存$0.00 OPA2743- 12V 7MHz 轨至轨 I/O 双路运算放大器OPA2743UA D 所有无铅库存$0.00 OPA2830- 二路、低功耗、单电源宽带运算放大器OPA2830ID D 所有无铅/绿色环保库存$0.00 OPA2830IDGKT DGK 所有无铅/绿色环保库存$0.00 OPA2832- 双通道低功耗高速固定增益运算放大器OPA2832ID D 所有无铅/绿色环保库存$0.00 OPA2832IDGKT DGK 所有无铅/绿色环保库存$0.00 OPA2890- 具有禁用功能的双路低功耗宽带电压反馈运算放大器OPA2890ID D 所有无铅/绿色环保库存$0.00 OPA314- 3MHz、低功耗、低噪声、RRI/O 1.8V CMOS 运算放大器OPA314AIDBVT DBV 库存$0.00OPA320- 20MHz、0.9pA Ib、RRIO、精密 CMOS 运算放大器OPA320AIDBVT DBV 所有无铅库存$0.00OPA320SAIDBVT DBV 暂时缺$0.00货OPA322- 具有关断状态的 20MHz、低噪声、1.8V RRIO、CMOS 运算放大器OPA322AIDBVT DBV 所有无铅库存$0.00OPA330- 1.8V、35µA、微功耗、精密、零漂移 CMOS 运算放大器OPA330AID D 所有无铅库存$0.00OPA330AIDBVT DBV 所有无铅库存$0.00OPA330AIDCKT DCK 所有无铅库存$0.00OPA333- 1.8V、17µA、微功耗、精密、零漂移 CMOS 运算放大器OPA333AIDBVT DBV 所有无铅/绿色环保库存$0.00OPA333AIDCKRG4 DCK 所有无铅库存$0.00OPA333AIDCKT DCK 所有无铅库存$0.00OPA333AIDR D 所有无铅库存$0.00OPA334- 最大漂移0.05uV/℃ 的单电源 CMOS 运算放大器OPA334AIDBVT DBV 所有无铅/绿色环保库存$0.00OPA335- 最大漂移0.05uV/℃ 的单电源 CMOS 运算放大器OPA335AID D 所有无铅库存$0.00OPA335AIDBVT DBV 所有无铅/绿色环保库存$0.00OPA3355- 具有关断状态的 2.5V 200MHz 的 GBW CMOS 三路运算放大器OPA3355EA/250PW 所有无铅/绿色环保库存$0.00OPA3355UA D 所有无铅库存$0.00OPA336- MicroAmplifier(TM) 系列单电源、微功耗 CMOS 运算放大器OPA336N/250DBV 所有无铅/绿色环保库存$0.00OPA336NA/250DBV 所有无铅/绿色环保库存$0.00OPA336NJ/3K DBV 所有无铅库存$0.00OPA336U D 所有无铅/绿色环保库存$0.00 OPA336UA D 所有无铅库存$0.00 OPA337- MicroAmplifier(TM) 系列微型单电源 CMOS 运算放大器OPA337NA/250DBV 所有无铅/绿色环保库存$0.00 OPA340- MicroAmplifier(TM) 系列单电源轨至轨运算放大器OPA340NA/250DBV 库存$0.00 OPA340UA D 所有无铅/绿色环保库存$0.00 OPA342- MicroAmplifier(TM) 系列低成本低功耗轨至轨运算放大器OPA342NA/250DBV 所有无铅/绿色环保库存$0.00 OPA343- MicroAmplifier(TM) 系列单电源轨至轨运算放大器OPA343UA D 所有无铅/绿色环保库存$0.00 OPA344- 低功耗单电源轨至轨运算放大器 MicroAmplifier(TM) 系列OPA344NA/250DBV 所有无铅/绿色环保库存$0.00 OPA344PA P 所有无铅/绿色环保库存$0.00 OPA344UA D 库存$0.00 OPA345- 低功耗单电源轨至轨运算放大器 MicroAmplifier(TM) 系列OPA345NA/250DBV 所有无铅/绿色环保库存$0.00 OPA345UA D 所有无铅/绿色环保库存$0.00 OPA347- 微功耗轨至轨运算放大器OPA347NA/250DBV 所有无铅/绿色环保库存$0.00 OPA347PA P 所有无铅/绿色环保暂时缺货$0.00 OPA347SA/250DCK 所有无铅库存$0.00 OPA348- 1MHz、45uA、RRIO、单路运算放大器OPA348AID D 所有无铅无偏好** 库存$0.00OPA348AIDBVT DBV 所有无铅/绿色环保库存$0.00 OPA348AIDCKT DCK 所有无铅/绿色环保库存$0.00 OPA350- MicroAmplifier(TM) 系列高速单电源轨至轨运算放大器OPA350EA/250DGK 库存$0.00 OPA350PA P 所有无铅库存$0.00 OPA350UA D 所有无铅/绿色环保库存$0.00 OPA353- MicroAmplifier(TM) 系列高速单电源轨至轨运算放大器OPA353NA/250DBV 所有无铅库存$0.00 OPA353UA D 所有无铅/绿色环保库存$0.00 OPA354- 250MHz 轨至轨 I/O CMOS 单路运算放大器OPA354AIDBVT DBV 所有无铅/绿色环保库存$0.00 OPA354AIDDA DDA 所有无铅/绿色环保暂时缺货$0.00 OPA355- 具有关断状态的 2.5V 200MHz 的 GBW CMOS 单路运算放大器OPA355NA/250DBV 所有无铅库存$0.00 OPA355UA D 所有无铅/绿色环保库存$0.00OPA357- 具有关断状态的 250MHz 轨至轨 I/O 单路 CMOS 运算放大器OPA357AIDBVT DBV 所有无铅/绿色环保库存$0.00OPA357AIDDA DDA 所有无铅/绿色环保库存$0.00OPA360- 采用 SC70 封装具有低通滤波器、内部 G=2 和 SAG 校正的 3V 视频放大器OPA360AIDCKT DCK 所有无铅/绿色环保库存$0.00OPA361- 具有内部增益和滤波器的 3V 视频放大器OPA361AIDCKT DCK 所有无铅/绿色环保库存$0.00OPA363- 具有关断状态的 1.8V、高 CMR、RRIO 运算放大器OPA363AID D 所有无铅库存$0.00OPA363AIDBVT DBV 所有无铅/绿色环保库存$0.00OPA363IDBVT DBV 所有无铅/绿色环保库存$0.00OPA364- 1.8V、高 CMR、RRIO 运算放大器OPA364AID D 所有无铅/绿色环保库存$0.00OPA364AIDBVT DBV 所有无铅/绿色环保库存$0.00OPA364IDBVT DBV 所有无铅/绿色环保库存$0.00OPA365- 2.2V、50MHz 低噪声单电源轨至轨运算放大器OPA365AID D 所有无铅/绿色环保库存$0.00OPA365AIDBVT DBV 所有无铅库存$0.00OPA365-EP- 增强型产品 2.2V、50MHz 低噪声单电源轨至轨运算放大器OPA365AMDBVTEP DBV 所有无铅库存$0.00OPA3684- 具有禁用功能的低功耗三路电流反馈运算放大器OPA3684ID D 所有无铅/绿色环保库存$0.00OPA3691- 具有禁用功能的三路宽带电流反馈运算放大器OPA3691ID D 所有无铅/绿色环保库存$0.00OPA3691IDBQT DBQ 所有无铅/绿色环保库存$0.00OPA3692- 具有禁用功能的三路宽带固定增益缓冲器OPA3692ID D 所有无铅/绿色环保库存$0.00OPA3692IDBQT DBQ 所有无铅/绿色环保库存$0.00OPA3693- 具有禁用功能的超宽带电流反馈运算放大器OPA3693IDBQ DBQ 所有无铅/绿色环保库存$0.00OPA3695- 具有禁用功能的超宽带电流反馈运算放大器OPA3695IDBQ DBQ 所有无铅/绿色环保库存$0.00OPA373- 6.5MHz 585uA 轨至轨 I/O CMOS 运算放大器OPA373AIDBVT DBV 所有无铅库存$0.00OPA374- 6.5MHz、585uA、轨至轨 I/O CMOS 运算放大器$0.00OPA374AID D 暂时缺货OPA374AIDBVT DBV 所有无铅/绿色环保库存$0.00OPA376- 低噪声、低 IQ 精密运算放大器OPA376AID D 所有无铅/绿色环保库存$0.00OPA376AIDBVT DBV 所有无铅/绿色环保库存$0.00OPA376AIDCKT DCK 所有无铅/绿色环保库存$0.00OPA378- 低噪声、900kHz、RRIO 零漂移系列的精密运算放大器OPA378AIDBVT DBV 所有无铅库存$0.00 OPA379- 1.8V、2.9µA、90kHz、轨至轨 I/O 运算放大器OPA379AIDCKT DCK 所有无铅/绿色环保库存$0.00 OPA380- 高速精密互阻抗放大器OPA380AIDGKT DGK 所有无铅库存$0.00 OPA381- 精确低功耗高速互阻抗放大器OPA381AIDGKT DGK 所有无铅库存$0.00 OPA3875- OPA3875: Triple 2-to-1 High-Speed Video Multiplexer OPA3875IDBQ DBQ 所有无铅/绿色环保库存$0.00 OPA404- 四路高速精密 Difet(R) 运算放大器OPA404KP N 所有无铅/绿色环保库存$0.00OPA404KU DW 所有无铅无偏好** 库存$0.00OPA4130- 低功耗精密 FET 输入运算放大器OPA4130UA D 所有无铅库存$0.00OPA4131- 通用 FET 输入运算放大器OPA4131NA D 所有无铅库存$0.00OPA4131PA N 所有无铅/绿色环保库存$0.00OPA4131UA DW 所有无铅库存$0.00OPA4132- 高速 FET 输入运算放大器OPA4132UA D 所有无铅库存$0.00OPA4134- SoundPlus(TM) 高性能音频运算放大器OPA4134UA D 所有无铅库存$0.00OPA4137- 低成本 FET 输入运算放大器OPA4137P N 库存$0.00OPA4137U D 所有无铅库存$0.00OPA4137UA D 所有无铅库存$0.00OPA4170- 36V、微功耗、轨至轨输出、四路、通用运算放大器OPA4170AID D 所有无铅库存$0.00OPA4170AIPW PW 所有无铅库存$0.00OPA4171- 36V 通用低功耗 RRO 运算放大器OPA4171AID D 所有无铅库存$0.00OPA4171AIPW PW 所有无铅库存$0.00OPA4180- 0.1 uV/C 漂移、四通道、低噪声、轨到轨、36V 零漂移运算放大器OPA4180ID D 暂时缺货$0.00OPA4180IPW PW 暂时缺货$0.00OPA4209- 2.2nV/rtHz、18MHz、36V RRO 精密运算放大器OPA4209AIPW PW 所有无铅库存$0.00OPA4227- 高精度低噪声运算放大器OPA4227PA N 所有无铅/绿色环保库存$0.00 OPA4227UA D 所有无铅库存$0.00 OPA4228- 高精度低噪声运算放大器OPA4228PA N 所有无铅无偏好** 库存$0.00OPA4228UA D 所有无铅库存$0.00 OPA4234- 低功耗、精密单电源运算放大器OPA4234U D 所有无铅库存$0.00 OPA4241- 单电源、微功耗运算放大器OPA4241UA D 所有无铅库存$0.00 OPA4243- 四路运算放大器,微功耗、单电源OPA4243EA/250PW 所有无铅库存$0.00 OPA4244- MicroAmplifier(TM) 系列微功耗单电源运算放大器OPA4244EA/250PW 所有无铅库存$0.00 OPA4251- 单电源、微功耗运算放大器OPA4251PA N 所有无铅/绿色环保库存$0.00 OPA4251UA D 所有无铅库存$0.00 OPA4277- 高精度运算放大器OPA4277PA N 所有无铅无偏好** 库存$0.00OPA4277UA D 所有无铅库存$0.00OPA4314- 四路、3MHz、低功耗、低噪声、RRI/O、1.8V CMOS 运算放大器OPA4314AIPW PW 所有无铅库存$0.00OPA4317- 四路、低偏移、轨到轨 I/O 运算放大器OPA4317ID D 暂时缺货$0.00OPA4317IPW PW 所有无铅库存$0.00OPA4322- 20MHz、低噪声、1.8V、RRIO、CMOS 运算放大器OPA4322AIPW PW 所有无铅库存$0.00OPA4322SAIPW PW 所有无铅库存$0.00OPA4340- MicroAmplifier(TM) 系列单电源轨至轨运算放大器OPA4340EA/250DBQ 所有无铅/绿色环保库存$0.00OPA4340UA D 所有无铅库存$0.00OPA4343- MicroAmplifier™ 系列单电源轨至轨运算放大器OPA4343NA/250PW 所有无铅/绿色环保库存$0.00OPA4343UA D 所有无铅库存$0.00OPA4344- 低功耗单电源轨至轨运算放大器 MicroAmplifier(TM) 系列OPA4344EA/250PW 所有无铅/绿色环保库存$0.00OPA4344UA D 所有无铅/绿色环保库存$0.00OPA4347- 微功耗轨至轨运算放大器OPA4347UA D 库存$0.00OPA4347UAG4 D 所有无铅暂时缺$0.00货OPA4348- 1MHz、45uA、RRIO、四路运算放大器OPA4348AID D 所有无铅库存$0.00 OPA4348AIPWT PW 所有无铅/绿色环保库存$0.00 OPA4348AIPWTG4 PW 所有无铅库存$0.00 OPA4350- MicroAmplifier(TM) 系列高速单电源轨至轨运算放大器OPA4350EA/250DBQ 所有无铅/绿色环保库存$0.00 OPA4350UA D 所有无铅/绿色环保库存$0.00 OPA4353- MicroAmplifier(TM) 系列高速单电源轨至轨运算放大器OPA4353UA D 所有无铅/绿色环保库存$0.00 OPA4354- 250MHz 轨至轨 I/O CMOS 四路运算放大器OPA4354AIPWT PW 所有无铅库存$0.00 OPA4364- 1.8V、高 CMR、RRIO 运算放大器OPA4364AID D 所有无铅/绿色环保库存$0.00 OPA4376- 精密、低噪声、低静态电流运算放大器OPA4376AIPW PW 所有无铅无偏好** 库存$0.00OPA4377- 低成本、低噪声、5.5MHz CMOS 运算放大器OPA4377AIPW PW 所有无铅库存$0.00 OPA4379- 1.8V、2.5µA、90kHz、轨至轨 I/O 运算放大器OPA4379AIPWR PW 所有无铅/绿色环保库存$0.00 OPA445- 高电压 FET 输入运算放大器OPA445AP P 所有无铅库存$0.00 OPA445AU D 所有无铅库存$0.00 OPA452- 80V 50mA 运算放大器OPA452TA KC 所有无铅库存$0.00 OPA453- 80V 50mA 运算放大器OPA453TA KC 所有无铅库存$0.00 OPA454- 高电压 (100V) 和高电流 (50mA) 运算放大器,G = 1 稳定OPA454AIDDA DDA 所有无铅/绿色环保库存$0.00 OPA4704- 12V CMOS 轨至轨 I/O 运算放大器OPA4704UA D 所有无铅库存$0.00 OPA4743- 12V 7MHz CMOS 轨至轨 I/O 四路运算放大器OPA4743EA/250PW 所有无铅库存$0.00 OPA4820- 四路、单位增益、低噪声、电压反馈运算放大器OPA4820IPWT PW 所有无铅/绿色环保库存$0.00 OPA4830- 低功耗单电源宽带运算放大器OPA4830IPW PW 库存$0.00 OPA4872- 4:1 高速多路复用器OPA4872ID D 所有无铅/绿色环保库存$0.00 OPA541- 高功率单片运算放大器OPA541AP KV 所有无铅/绿色环保库存$0.00OPA544- 高电压、大电流运算放大器OPA544FKTTT KTT 所有无铅/绿色环保库存$0.00 OPA544T KC 所有无铅库存$0.00 OPA547- 高电压、大电流运算放大器、优异的输出摆幅OPA547FKTWT KTW 所有无铅/绿色环保库存$0.00 OPA547T KVT 所有无铅/绿色环保库存$0.00 OPA548- 高电压大电流运算放大器,出色的输出摆幅OPA548FKTWT KTW 所有无铅/绿色环保库存$0.00 OPA548T KVT 所有无铅/绿色环保库存$0.00 OPA549- 高电压大电流运算放大器,出色的输出摆幅OPA549S KVC 所有无铅/绿色环保库存$0.00 OPA549T KV 所有无铅/绿色环保暂时缺货$0.00 OPA551- 高电压、大电流运算放大器OPA551FA/500 KTW 所有无铅库存$0.00 OPA551FAKTWT KTW 所有无铅/绿色环保库存$0.00 OPA551PA P 所有无铅/绿色环保库存$0.00 OPA551UA D 所有无铅库存$0.00 OPA552- 高电压、大电流运算放大器OPA552FAKTWT KTW 所有无铅/绿色环保库存$0.00OPA552PA P 所有无铅无偏好** 库存$0.00OPA552UA D 所有无铅库存$0.00OPA561- 大电流运算放大器OPA561PWP PWP 所有无铅/绿色环保库存$0.00OPA567- 轨至轨 I/O 2A 功率放大器OPA567AIRHGT RHG 所有无铅/绿色环保库存$0.00OPA569- 2A 输出电流时输出信号摆幅在 200mV 轨之内的功率运算放大器OPA569AIDWP DWP 所有无铅/绿色环保库存$0.00OPA602- 高速精密 Difet(R) 运算放大器OPA602AP P 所有无铅/绿色环保库存$0.00OPA602AU D 所有无铅库存$0.00OPA602BP P 所有无铅/绿色环保库存$0.00OPA604- FET 输入音频运算放大器OPA604AP P 所有无铅/绿色环保库存$0.00OPA604APG4P 所有无铅库存$0.00OPA604AU D 所有无铅无偏好** 库存$0.00OPA606- Wide-Bandwidth Difet(R) 运算放大器OPA606KP P 所有无铅/绿色环保库存$0.00 OPA627- 精密高速 Difet(R) 运算放大器OPA627AU D 所有无铅/绿色环保库存$0.00OPA627BP P 所有无铅/绿色环保库存$0.00 OPA637- 精密高速 Difet(R) 运算放大器OPA637AP P 所有无铅无偏好** 库存$0.00OPA637AU D 所有无铅库存$0.00OPA637BP P 所有无铅无偏好** 库存$0.00OPA656- 宽带单位增益稳定 FET 输入运算放大器OPA656N/250DBV 所有无铅库存$0.00 OPA656N/250G4 DBV 所有无铅库存$0.00 OPA656NB/250DBV 所有无铅库存$0.00 OPA656U D 所有无铅库存$0.00 OPA656UB D 所有无铅库存$0.00 OPA657- 1.6GHz 低噪声 FET 输入运算放大器OPA657N/250DBV 所有无铅库存$0.00 OPA657NB/250DBV 所有无铅库存$0.00 OPA657U D 暂时缺货$0.00 OPA657UB D 所有无铅库存$0.00 OPA683- 具有禁用功能的极低功耗电流反馈放大器OPA683IDBVT DBV 所有无铅/绿色环保库存$0.00 OPA684- 具有禁用功能的低功耗电流反馈运算放大器OPA684ID D 所有无铅/绿色环保库存$0.00 OPA690- 具有禁用功能的宽带电压反馈运算放大器OPA690ID D 所有无铅/绿色环保库存$0.00 OPA690IDBVT DBV 所有无铅/绿色环保暂时缺货$0.00 OPA691- 具有禁用功能的宽带电流反馈运算放大器OPA691ID D 所有无铅/绿色环保暂时缺货$0.00 OPA692- 具有禁用功能的宽带固定增益缓冲放大器OPA692ID D 所有无铅/绿色环保库存$0.00 OPA692IDBVT DBV 所有无铅/绿色环保库存$0.00 OPA694- 宽带、低功耗、电流反馈放大器OPA694ID D 所有无铅库存$0.00 OPA695- 具有禁用功能的超宽带电流反馈运算放大器OPA695ID D 所有无铅/绿色环保库存$0.00 OPA695IDBVT DBV 所有无铅/绿色环保库存$0.00 OPA698- 单位增益稳定宽带限压放大器OPA698ID D 所有无铅/绿色环保库存$0.00 OPA699- OPA699:宽带高增益限压放大器OPA699ID D 所有无铅/绿色环保库存$0.00OPA703- 12V CMOS 轨至轨 I/O 运算放大器OPA703UA D 所有无铅/绿色环保库存$0.00 OPA703UAG4 D 所有无铅库存$0.00 OPA704- 12V CMOS 轨至轨 I/O 运算放大器OPA704PA P 所有无铅无偏好** 库存$0.00OPA704PAG4P 所有无铅库存$0.00OPA705- 12V 低成本 CMOS 轨至轨 I/O 运算放大器OPA705UA D 所有无铅库存$0.00OPA725- OPA725 和 OPA726 系列:极低噪声、高速、12V CMOS 运算放大器OPA725AID D 所有无铅/绿色环保库存$0.00OPA725AIDG4 D 所有无铅库存$0.00OPA726- OPA725 和 OPA726 系列:极低噪声、高速、12V CMOS 运算放大器OPA726AIDGKT DGK 所有无铅/绿色环保库存$0.00OPA726AIDGKTG4 DGK 所有无铅库存$0.00OPA727- 电子微调 20MHz、高精度 CMOS 运算放大器OPA727AIDGKT DGK 所有无铅/绿色环保库存$0.00OPA727AIDRBT DRB 所有无铅/绿色环保暂时缺货$0.00OPA728- 电子微调 20MHz、高精度 CMOS 运算放大器OPA728AIDGKT DGK 所有无铅/绿色环保库存$0.00OPA734- 最大漂移0.05uV/℃ 单电源 CMOS 零漂移运算放大器OPA734AID D 所有无铅库存$0.00OPA735- 最大漂移0.05uV/℃ 单电源 CMOS 零漂移系列运算放大器OPA735AID D 所有无铅库存$0.00OPA820- 单位增益稳定低噪声电压反馈运算放大器OPA820ID D 所有无铅/绿色环保暂时缺货$0.00OPA827- 低噪声、高精度、JFET 输入运算放大器OPA827AID D 所有无铅/绿色环保库存$0.00OPA832- 低功耗单电源固定增益视频缓冲放大器OPA832ID D 所有无铅库存$0.00OPA832IDBVT DBV 所有无铅/绿色环保库存$0.00OPA835- 超低功耗、轨至轨输出、负轨输入、VFB 放大器OPA835IDBVT DBV 所有无铅库存$0.00OPA842- 宽带低失真单位增益稳定的电压反馈运算放大器OPA842IDBVT DBV 所有无铅/绿色环保库存$0.00OPA842IDR D 所有无铅无偏好** 库存$0.00OPA843- 宽带低失真中等增益的电压反馈运算放大器OPA843ID D 所有无铅/绿色环保库存$0.00 OPA843IDBVT DBV 所有无铅/绿色环保库存$0.00OPA846- OPA846:宽带低噪声电压反馈运算放大器OPA846IDBVT DBV 所有无铅/绿色环保库存$0.00 OPA847- 具有关断状态的宽带超低噪声电压反馈运算放大器OPA847ID D 所有无铅/绿色环保库存$0.00 OPA847IDBVT DBV 所有无铅/绿色环保库存$0.00 OPA860- 宽带运算跨导放大器和缓冲器OPA860ID D 所有无铅/绿色环保库存$0.00 OPA875- Single 2:1 High-Speed Video MultiplexerOPA875ID D 所有无铅/绿色环保库存$0.00。
汽车上闪光继电器的原理全解2023-10-27•闪光继电器概述•闪光继电器的工作原理•闪光继电器的类型与规格•闪光继电器的选用与安装•闪光继电器的故障诊断与排除目•未来发展趋势与新技术应用录01闪光继电器概述定义闪光继电器是一种控制开关,用于控制汽车的转向信号灯或其他外部灯具。
作用通过接收来自汽车控制系统的信号,控制闪光继电器触点的开关状态,从而实现转向信号灯或其他外部灯具的闪烁或常亮。
定义与作用工作电压闪光继电器的工作电压通常为12V或24V,根据车型和系统需求而定。
线圈与触点闪光继电器通常由一个线圈和一对或多个触点组成。
当线圈通电时,磁场产生,触点闭合;当线圈断电时,磁场消失,触点断开。
闪烁与常亮通过控制闪光继电器的线圈的开关状态,可以实现转向信号灯或其他外部灯具的闪烁或常亮。
当线圈持续通电时,触点持续闭合,灯具持续亮起;当线圈断电时,触点断开,灯具熄灭。
通过交替通电断电,实现灯具的闪烁效果。
汽车转弯01当汽车转弯时,控制系统会检测到转向信号,并向闪光继电器发送信号。
闪光继电器根据信号控制触点的开关状态,从而实现转向信号灯的闪烁。
危险报警02在一些特殊情况下,如汽车被盗或遇到危险时,驾驶员可以手动触发危险报警系统。
此时,闪光继电器控制转向信号灯和其他外部灯具以高频闪烁,以引起周围人的注意。
其他应用03除了控制转向信号灯外,闪光继电器还可以用于控制其他外部灯具,如制动灯、倒车灯等。
02闪光继电器的工作原理当有电流通过时,会产生磁场,使铁芯吸合。
线圈触点弹簧由铁芯和触点组成,当铁芯吸合时,触点闭合,电路接通。
当铁芯吸合后,弹簧会拉回铁芯,使触点断开。
03闪光继电器的组成0201电源通过两个触点控制转向灯的闪烁。
闪光继电器连接到闪光继电器的输出端。
转向灯闪光继电器的电路图解析通过点火开关连接到蓄电池。
闪光继电器的动作过程当点火开关打开时,电流通过点火开关和闪光继电器的线圈,产生磁场并吸合铁芯。
铁芯吸合后,触点闭合,电流通过转向灯并使其亮起。
2001款奥迪A4主保险装置、接线板、继电器座、保险丝夹位置图A4 1/1奥迪安装位置编号主保险装置、接线板、继电器座、保险丝夹1 2 3 45 613 12 11 10 9 8 7A97--10003安装位置一览1- 4- 3主保险装置继电器座( 芯) 1 1/3 7 1/9图 , 页图 , 页2-A 5- 9柱接线板带车载电网控制单元的芯继电器座 2 1/4 8 1/10图 , 页图 , 页3- 6- 4接线板,座椅电缆敷设带螺栓连接的继电器座( 芯) 3 1/5 9 1/11图 , 页图 , 页版本 2003 年 12 月A00.5902.14.741/2 A4编号安装位置奥迪1 2 3 45 613 12 11 10 9 8 7A97--100037- 11-接线板,座椅电缆敷设专用汽车的保险丝架 4 1/6 14 1/22图 , 页图 , 页8- 12-专用汽车的继电器座带螺栓连接的接线板 13 1/21 6 1/8图 , 页图 , 页9- 13- 4保险丝夹继电器座( 芯),汽油发动机 12 1/16 1/20 10 1/12 1/13 图 , 页页图 , 页页10-A 13- 4柱接线板继电器座( 芯),柴油发动机 5 1/7 11 1/14 1/15图 , 页图 , 页页版本 2003 年 12 月A00.5902.14.74A4 1/3奥迪安装位置编号主保险装置1图主保险装置在蓄电池上S88 - - 150A片状保险丝A97--0220版本 2003 年 12 月A00.5902.14.741/4 A4 编号安装位置奥迪接线板2A图柱接线板2 1 3饰板后面右下方4 5 6 7CE保险丝颜色A 8 9 10 B10 A -红色11 12 13 1430 A -绿色F D15 16 17A97--0400说明:接线板中其余的位置未占用插头连接:编号名称供电标志1310 T10q芯紫色插头连接( ) 警车(强音喇叭)136 T6p TV芯紫色插头连接( ) 数字式调谐器(美国) 1410 T10r芯棕色插头连接( ) 警车(信号装置)146 T6q TV芯棕色插头连接( ) 数字式调谐器(美国) 15 17 T17c芯红色插头连接( ) 大灯17? 10 T10s芯黑色插头连接( ) 泄漏诊断泵保险丝:编号插座颜色名称保险丝额定电流E S46 30A黑色座椅调整装置的保险丝( )E S46 10A黑色座椅调整装置的保险丝(腰部支撑调整)( ) 说明:2002直到年款 -装备依赖版本 2003 年 12 月A00.5902.14.74A4 1/5奥迪安装位置编号3图座椅电缆敷设接线板副驾驶员座椅下方1 2 3 4A97--0249插头连接:编号名称供电标志1 3 3 T3d芯黄色芯插头连接( ) 侧面安全气囊2 10 T10p芯红色插头连接( ) 供电3 6 T6e芯绿色插头连接( ) 座椅加热4 8 T8c芯黑色插头连接( ) 安全带锁版本 2002 年 8 月A00.5902.10.741/6 A4编号安装位置奥迪4图座椅电缆敷设接线板驾驶员座椅下方1 2 3 4A97--0249插头连接:编号名称供电标志1 3 T3c芯黄色插头连接( ) 侧面安全气囊2 10 T10o芯红色插头连接( ) 供电3 6 T6d芯绿色插头连接( ) 座椅加热4 8 T8b芯黑色插头连接( ) 安全带锁版本 2002 年 8 月A00.5902.10.74A4 1/7奥迪安装位置编号5A2 13 图柱接线板侧饰板后面左下方456 7说明:A 8 9 10 B接线板中的其余位置未占用11 12 13 1415 16 17A97--0247插头连接:编号名称供电标志5 6 T6f芯浅粉红色插头连接( ) 警车7? 6 T6b芯黑色插头连接( ) 电控转向助力系统8 10 T10i芯蓝色插头连接( ) 驻车辅助9 17 T17g 1芯深棕色插头连接( ) 等喷(插头 ) 10 17 T17f 2芯桔黄色插头连接( ) 顶蓬(插头 ) 116 T6b Servotronic芯黑色插头连接( ) (电控转向助力系统)11 6 T6r Servotronic芯棕色插头连接( ) (电控转向助力系统)12 10 T10k芯白色插头连接( ) 驻车暖风13 10 T10c芯紫色插头连接( ) 刮水器马达14 10 T10d /芯灰色插头连接( ) 风扇压缩机15 17 T17b 3芯绿色插头连接( ) 左大灯(插头 )16 17 T17a 2芯红色插头连接( ) 左侧大灯(插头 ) 17 17 T17 1芯黑色插头连接( ) 左侧大灯(插头 )1 T1a SRAB 芯黑色插头连接( ) 大灯清洗装置( ) 说明:2001直到年款 2002从年款起? 2003从年款起版本 2003 年 12 月A00.5902.14.741/8 A4编号安装位置奥迪6图带螺栓连接的接线板在排水槽电控箱中1 2 3 4说明接线板中其余的位置未占用5 6 7A97--0248插头连接:编号名称供电标志1 10 T10 / 2芯插头连接,黑色( ) 发动机变速箱(插头 ) 2 10 T10a / 3芯棕色插头连接( ) 发动机变速箱(插头 ) 3 17 T17d / 1芯红色插头连接( ) 发动机变速箱(插头 ) 4? 6 T6c芯桔黄色插头连接( ) 驾驶学校用车5? 10 T10n / 5芯灰色插头连接( ) 发动机变速箱(插头 ) 517 T17e / 4芯白色插头连接( ) 发动机变速箱(插头 )6? 17 T17e / 4芯白色插头连接( ) 发动机变速箱(插头 ) 说明:2001直到年款 2002从年款起版本 2003 年 12 月A00.5902.14.74A4 1/9奥迪安装位置编号继电器座7 3图继电器座( 芯)驾驶员侧仪表板保险丝颜色2 330 A -绿色140 A -桔黄色C B60 A -浅蓝色A说明:A97--02441继电器座中的位置未占用。
汽车闪光器工作电路一、可以满足的教学功能本电路模拟汽车转向灯系统电路,重点在于脉冲信号的产生过程,通过该电路板的学习,可以:1、掌握汽车闪光器工作电路的组成和工作原理;2、掌握电路构成主要部件的作用和工作原理;3、学会电路板工作性能的检测方法;4、学会电路板常见故障的诊断和维修方法;5、掌握示波器和万用表的使用方法。
二、电路板工作原理该电路主要是利用RC振荡电路驱动一只继电器,来实现汽车闪光灯的原理。
RC是由电阻、电容来确定振荡频率的。
特点是产生的振荡频率低,元器件体积小,价格便宜,调节方便。
电路为RC振荡电路,R1、C1组成正反馈电路,改变R1、C1可改变振荡频率,C2起负反馈作用,R5和转向灯组成检测电路,当转向灯断路时Q1处于饱和状态,Q2处于截止状态,这时继电器不工作,当T2导通时继电器触通电,闭合触点,转向灯点亮。
当T2截止时继电器触断电转向灯熄灭。
电路原理图如下:元器件参数表:元件编号元件名称参数R1 直插电阻 5.6KR2 直插电阻 4.7kR3 直插电阻15kR4 直插电阻 2.2kR5 直插电阻 1.5kCT1,CT3 电解电容22μFCT2 电解电容 4.7μFC1 瓷片电容104D3,D4 二极管IN4007Q1,Q2 三极管9013K1 继电器HK-3FFD1,D2 小灯泡S1 开关单刀双掷三、主要组成元件的作用和工作原理1、小灯泡灯泡是根据电流的热效应原理制成的。
灯泡接上额定电压后,电流通过灯丝而被加热到白炽状态,因而发热发光,这就是说在工作时,将电能转化为热能和光能。
2、电阻电阻(通常用“R”表示),在物理学中表示导体对电流阻碍作用的大小。
导体的电阻越大,表示导体对电流的阻碍作用越大。
不同的导体,电阻一般不同,电阻是导体本身的一种特性。
电阻将会导致电子流通量的变化,电阻越小,电子流通量越大,反之亦然。
电阻元件的电阻值大小一般与温度、材料、长度、还有横截面积有关,衡量电阻受温度影响大小的物理量是温度系数,其定义为温度每升高1℃时电阻值发生变化的百分数。