独柱盖梁抱箍计算书
- 格式:doc
- 大小:263.00 KB
- 文档页数:6
盖梁抱箍法施工计算书 Company number:【0089WT-8898YT-W8CCB-BUUT-202108】目录抱箍法施工计算书1、计算依据《路桥施工计算手册》《辽宁省标准化施工指南》《辽宁中部环线高速公路铁岭至本溪段第四合同段设计图》及相关文件2、专项工程概况盖梁施工采用抱箍法,抱箍采用2块半圆弧形钢板制作,使用M24的高强螺栓连接,底模厚度10cm,每块长度;充分利用现场已有材料,下部采用I14工字钢作为横梁,横梁长度为,根据模板拼缝位置按照间距布置,共需27根;横梁底部采用2根I45C工字钢作为纵梁,纵梁长度为15m;抱箍与墩柱接触部位夹垫2~3mm橡胶垫,防止夹伤墩柱砼;纵横梁梁两端绑扎钢管,安装防落网。
下面以体积最大的浑河大桥8#右幅盖梁为例进行抱箍相关受力计算。
浑河大桥8#墩柱直径为2m,柱中心间距,盖梁尺寸为××, C40砼,盖梁两端挡块长度为×(上口,下口)×,C40砼。
图1 抱箍法施工示意图3、横梁计算荷载计算盖梁钢筋砼自重:G1=×26KN/m3=挡块钢筋砼自重:G2=×26KN/m3=模板自重:G3=98KN施工人员:G4=2KN/m2××=施工动荷载:G5=2KN/m××=,倾倒砼时产生的冲击荷载和振捣砼时产生的荷载均按2KN/㎡考虑。
横梁自重G6=××27=横梁上跨中部分荷载:G7=G1+G2+G3+G4+G5+G6=++98+×2+=每根横梁上所受荷载:q1= G7/15=27=作用在每根横梁上的均布荷载:q2= q1/==m两端悬臂部分只承受施工人员荷载,可以忽略不计。
力学模型图2 力学模型分配梁抗弯与挠度计算由分析可知,横梁跨中弯矩最大,计算如下:Mmax=q2l2/8- q2l12/2=××2=·m图3 分配梁弯矩示意图Q235 I14工字钢参数:弹性模量E=×105Mpa,截面惯性矩I=712cm4,截面抵抗矩W=①抗弯计算σ= Mmax/W= ×103=<[σ]=170Mpa结论:强度满足施工要求。
盖梁钢抱箍计算计算书盖梁钢抱箍计算书计算依据:1、《建筑施工模板安全技术规范》JGJ162-20082、《混凝土结构设计规范》GB50010-20103、《建筑结构荷载规范》GB 50009-20124、《钢结构设计标准》GB 50017-2017一、荷载组合S1=1.2(G 1k + G 2k + G 3k )+1.4(Q 1k + Q 2k )=1.2×(1200+50+18.4)+1.4×(20+16)=1572.48kN S2=1.35(G 1k +G 2k +G3k )+0.7×1.4(Q 1k +Q 2k )=1.35×(1200+50+18.4)+0.7×1.4×(20+16)=1747.62kN 取较大值,即荷载设计值S =Max[S1,S2]=Max[1572.48,1747.62]=1747.62kN二、墩柱参数示意图三、钢带验算钢抱箍形式单抱箍钢带宽度B(mm) 800 钢带厚度t(mm)12 两半抱箍接头间隙d(mm)30钢带和墩柱间的摩擦系数μ 0.3 钢带抗拉、压、弯强度设计值f (N/mm 2) 215 钢带弹性模量E(N/mm 2) 206000 螺栓个数n20 螺栓强度等级高8.8级螺栓抗拉强度设计值f t b(N/mm 2) 170 螺栓直径(mm)M22螺栓有效截面积Ae(mm 2)303.41、钢带对墩柱的压应力σ1=S/(μπBD)=1747620/(0.3×3.14×800×1500)=1.546N/mm 2≤[σ]=14N/mm 2 满足要求。
2、钢带内应力σ2=σ1D/(2t)=1.546×1500/(2×12)=96.625 N/mm 2≤f=215N/mm 2 满足要求。
3、钢带下料长度L(半个)ΔL=πD σ2/(2E)=3.14×1500×96.625/(2×206000)=1.105mm 钢带下料长度L(半个)=πD/2-ΔL-d=3.14×1500/2-1.105-30=2323.895mm4、螺栓强度验算钢带所受拉力P=Btσ2=800×12×96.625=927600N=927.6kN螺栓设计拉力N t=nA e f t b=20×303.4×170=1031560N=1031.56kNN t≥P满足要求。
盖梁施工抱箍受力计算书一、抱箍结构设计抱箍具体尺寸见抱箍设计图,主要包括钢带与外伸牛腿的焊接设计两方面的内容,其中牛腿为小型构件,一般不作变形计算,只作应力计算。
二、受力计算1、 施工荷载 1)、盖梁混凝土和钢筋笼(35.2方,平均密度2.5吨/3m )自重为:2.5×35.2=88(吨)2)、钢模(每平方米100kg )自重为:0.1×[2×15.84×0.81+2×(15.84+10.6)×0.69÷2+2×0.81×1.6+2×2.75×0.81+10.6×1.6]=6.791(吨)3)、侧模加劲型槽钢(采用10型槽钢,理论线密度为10kg/m ,共20根,每根长2m )自重为:2×20×0.01=0.4(吨)4)、脚手架钢管(采用50钢管,线密度为37kg/m ,模板底部10根,每根长4m ;模板两侧护栏20根,每根长1.5m ;模板两侧扶手4根,每根长18m )自重为: (10×4+20×1.5+4×18)×0.037=5.254(吨)5)、支垫槽钢(采用10型槽钢,理论线密度10kg/m ,共24根,每根长2m )自重为: 0.01×2×24=0.48(吨)6)、工字钢(采用36B 型工字钢,理论线密度为65.6kg/m ,共4根,每根长18m )自重为: 4×18×0.0656=4.723(吨)7)、工字钢拉杆(每根直径18mm ,共5根,每根长1.5m )自重为:5×1.5×0.00617×231810-⨯=0.015(吨)8)、连接工字钢的钢板(共8块,每块重79kg)自重为:8×0.079=0.632(吨)9)、钢模两翼护衬(单侧护衬重150kg)自重为:2×0.15=0.3(吨)10)、施工活荷载:10人+混凝土动载+振捣力=10×0.1+0.5×1.2+0.3=1.9(吨)11)、总的施工荷载为:88+6.791+0.4+5.254+0.48+4.723+0.015+0.632+0.3+1.9=108.495(吨)12)、考虑安全系数为1.2,则施工总荷载为:108.495×1.2=130.194(吨)13)、单个牛腿受力:130.194÷4=33(吨)2、计算钢带对砼的压应力σ可由下式计算求得:钢带对立柱的压应力1μσBπD=KG1其中:μ—摩阻系数,取0.35B—钢带宽度,B=600mmD—立柱直径,D=1800mmK—荷载安全系数,取1.2G—作用在单个抱箍上的荷载,G=660kNσ=KG/(μBπD)=1.2×660×1000/(0.35×300×3.14×1200)=2.002Mpa<[]cσ则:1=16.8Mpa,满足要求。
盖梁抱箍计算书惠大疏港高速公路A09合同段抱箍计算书1、盖梁支撑体系设计计算及施工方法1.1、计算依据⑴惠大高速A09合同段施工图设计⑵公路桥涵施工技术规范⑶实用新编五金手册⑷装配式公路钢桥使用手册1.2、计算内容圆柱墩盖梁施工的抱箍计算2、施工方法简介圆柱墩盖梁:采用抱箍法施工,每根柱子使用两个抱箍,两抱箍之间用铁楔子固定做拆模使用。
抱箍为A3钢制作,厚度为0.02米,高度0.3米,每个抱箍由两个半环组成,每个连接处使用4根M22高强螺栓。
抱箍两侧耳上横桥向设各设1排贝雷片,贝雷片上每隔60cm 设一根长4m的18#工字钢作钢模板支承小棱。
3、设计计算原则(1)在满足结构受力情况下考虑挠度变形控制。
(2)综合考虑结构的安全性。
(3)采取比较符合实际的力学模型。
(4)尽量采用已有的构件和已经使用过的支撑方法。
4、本计算结果适用于D1.3m立柱上的盖梁施工。
5、本计算未扣除墩柱承担的盖梁砼重量。
以做安全储备。
6、抱箍加工完成实施前,必须先进行现场预压,变形满足要求后方可使用。
横梁计算采用间距0.6m的18型工字钢作横梁,横梁长4m,共布设横梁30个。
1、荷载计算=36.75m3×25kN/m3=920kN(1)盖梁砼自重:G1=100kN (根据厂家供货重量)(2)模板自重:G2=20kN(5)施工荷载与其它荷载:G3横梁上的总荷载:G H =G 1+G 2+G 3=920+100+20=1040kN q H =1040/17.27=60.22kN/m横梁采用0.6m 的18型工钢,则作用在单根横梁上的荷载:G H ’=60.22×0.6=36.13kN作用在横梁上的均布荷载为:q H ’= G H ’/l H =36.13/1.6=22.6kN/m(式中:l H 为横梁受荷段长度,为1.6m)2、力学模型如图1所示。
R A R B横梁,工16,EIq H =22.6 K N /m图1 横梁计算模型3、横梁抗弯与挠度验算横梁的弹性模量E=2.1×105MPa;惯性矩I=1669cm 4;抗弯模量Wx=185.4cm 3最大弯矩:M max = q H ’l H 2/8=22.6×1.62/8=7.232 kN ·m σ= M max /W x =7.232/(185.4×10-6)≈39MPa<[σw ]=140MPa (可)最大挠度: f max = 5 q H ’l H4/384×EI=5×22.6×1.64/(384×1.6×108×1669×10-8)=0.0007 m<[f]=l 0/400=2.1/400=0.00525 m (满足要求) 抱箍计算(一)抱箍承载力计算1、荷载计算每个盖梁按墩柱设2个抱箍体支承上部荷载,贝雷梁自重:G4=0.3×7×2=42kN (采用2排3m×1.5m贝雷片)抱箍上的总荷载:GB =G1+G2+G3+G4=920+100+20+42=1082kN支座反力RA =RB= RC=ql/3=361 kN以最大值为抱箍体需承受的竖向压力N进行计算,该值即为抱箍体需产生的摩擦力。
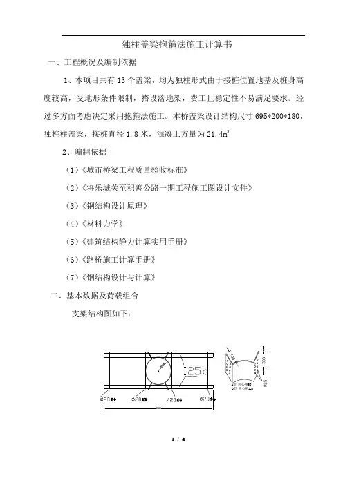
独柱盖梁抱箍法施工计算书一、工程概况及编制依据1、本项目共有13个盖梁,均为独柱形式由于接桩位置地基及桩身高度较高,受地形条件限制,搭设落地架,费工且稳定性不易满足要求。
经过多方面考虑决定采用抱箍法施工。
本桥盖梁设计结构尺寸695*200*180,独桩柱盖梁,接桩直径1.8米,混凝土方量为21.4m32、编制依据(1)《城市桥梁工程质量验收标准》(2)《将乐城关至积善公路一期工程施工图设计文件》(3)《钢结构设计原理》(4)《材料力学》(5)《建筑结构静力计算实用手册》(6)《路桥施工计算手册》(7)《钢结构设计与计算》二、基本数据及荷载组合支架结构图如下:A型 圆心角60°B型 圆心角120°(一)基本参数1、I25b工字钢,长L=700cm,Wx=423cm3、Ix=5280cm4每延米42kg。
b=11.8cm,d=10mm,回弹模量E=2.0*105Mpa。
2、[10槽钢:Wx=39.7cm3、Ix=198cm4、Sx=246.3cm2、E=2.0*105Mpa、ix=39.7cm3、iy=1.41cm A=12.7cm2 d=4.5mm(二)荷载组成,砼自重按26KN/m3计算①砼自重q1=2.0m*1.8*26=93.6KN/m②I25工字钢自重q2=42*2=0.84KN/m③分配梁[10 @ 25cm 每根2.2m,共29根则q3=29*2.2*10kg/7=0.91KN/m④钢模板及托架荷载按q4=2KN/m⑤人群荷载及机械堆放q5=2.5KN/m2*2m=5KN/m⑥振捣砼荷载按q6=2KN/m2*2m=4KN/m靠近墩柱处荷载最大q总=q1+q2+q3+q4+q5+q6=106.35KN/m,其中除砼自重外的其他荷载为106.35-93.6=12.75KN/m三、横梁验算1、两片型钢托架共同承受荷载,则每片型钢承受 1/2,验算1排托架横梁,考虑总体偏压及砼冲击力等偶然因素,取1.2倍安全系数,则荷载集中度:q=q总*1.2/2=106.35*1.2/2=63.81KN/m因盖梁为不规则结构,荷载分布如图其中:D(E)q=[1.0*1.8*2.6+12.75]/2*1.2=35.73KN/mA(B)点盖梁砼厚度为:1.0+(1.8-1.0)*1.5/(1.5+1.1)=1.46m,则荷载为(1.46*1.8*26+12.75)/2*1.2=48.64KN/mC点为12.75*1.2/2=7.65KN/m2、横梁I25b应力验算其中跨中为弯矩和剪力为最大外,在计算时取最不利的情况,即上层抱箍没有紧密接触,同时为简化计算,即取q=63.81KN/m均布荷载,力学模型如下(即单跨简支悬臂梁):按《结构静力计算实用手册》:λ=1.5/4=0.375由Mmax=ql2/8(1-4λ 2 )=(63.81*103*42)/8(1-4*0.3752)=55.83KN·m 则σ =Mmax/Wx=55.83*103/(423*10-6)=131.98Mpa<[σ]=215Mpa 符合要求3、剪应力计算(剪应力在跨中为支度反力外)QA=[(63.81+7.65)/2*1.8/2+(63.81+48.64)/2*1.1]*2=188KNτ=QSX/Ixd=188*103*246.3*10-6/(5280*10-8*11.8*10-3) =74.32Mpa<[τ]=125Mpa 符合要求4、挠度计算挠度最大点在D、E位置,容许挠度1500/400=3.75mm,跨中容许挠度4000/400=10mm则:fC=fD=ql3/24EI(-1+6λ2+3λ3)=63.81*103*1.5*43*(-1+6*0.3752+3*0.3753 )/(24*2.0*105*106*5280*10-8=0.47mm<3.75mm 符合要求fmax=ql4/384EI(5-24λ2 )=63.81*103*44*(5-24*0.3752)/(384*2.0*105*106*5280*10-8) =6.54mm<10mm符合要求四、斜杆验算按最不利的情况,即上抱箍与工字钢横没有紧密接触,在斜杆验算时不考虑上抱箍对横梁的作用)按《钢结构设计与计算》规定,斜杆截面属于压杆b类截面点,截面受力模型如下图NA=NB={ (63.81+35.73}/2+(1.5+1.1)+(63.81+7.65)/2*0.9}/sin45°=228.47KN由iy=2.4cm ix=9.94cm 斜杆长l=2.828m[10槽钢为双排,则最大长细比λ=2.828/1.41*2*10-2 =100 查表ψ=0.521,压杆σ=N/ψA=228.47*103/(0.521*2*12.7*10-4)=172.65Mpa<[σ]=215Mpa五、抱箍计算:每个M24高强螺栓设计拉应力[F]=180KN,取150KN计算。
目录1、计算依据 (1)2、专项工程概况 (1)3、横梁计算 (2)3.1荷载计算 (2)3.2力学模型 (2)3.3横梁抗弯与挠度计算 (2)4、纵梁计算 (3)4.1荷载计算 (3)4.2力学计算模型 (4)5、抱箍计算 (4)5.1荷载计算 (4)5.2抱箍所受正压分布力Q计算 (5)5.3两抱箍片连接力P计算 (6)5.4抱箍螺栓数目的确定 (8)5.5紧螺栓的扳手力P B计算 (8)5.6抱箍钢板的厚度 (9)抱箍法施工计算书1、计算依据《路桥施工计算手册》《辽宁省标准化施工指南》《辽宁中部环线高速公路铁岭至本溪段第四合同段设计图》及相关文件2、专项工程概况盖梁施工采用抱箍法,抱箍采用2块半圆弧形钢板制作,使用M24的高强螺栓连接,底模厚度10cm,每块长度2.5m;充分利用现场已有材料,下部采用I14工字钢作为横梁,横梁长度为4.5m,根据模板拼缝位置按照间距0.25m 布置,共需27根;横梁底部采用2根I45C工字钢作为纵梁,纵梁长度为15m;抱箍与墩柱接触部位夹垫2~3mm橡胶垫,防止夹伤墩柱砼;纵横梁梁两端绑扎钢管,安装防落网。
下面以体积最大的浑河大桥8#右幅盖梁为例进行抱箍相关受力计算。
浑河大桥8#墩柱直径为2m,柱中心间距6.7m,盖梁尺寸为12.298×2.2×2.1m,C40砼54.58m³,盖梁两端挡块长度为2.2×(上口0.3m,下口0.4m)×0.6m,C40砼1.06m³。
I14工字钢横梁10cm厚底模间距0.5mI45C工字钢纵梁千斤顶抱箍图1 抱箍法施工示意图3、横梁计算3.1荷载计算盖梁钢筋砼自重:G1=54.48×26KN/m³=1416.5KN挡块钢筋砼自重:G2=1.06×26KN/m³=27.6KN模板自重:G3=98KN施工人员:G4=2KN/m2×12.298m×2.2m=54.1KN施工动荷载:G5=2KN/m×12.298m×2.2m=54.1KN,倾倒砼时产生的冲击荷载和振捣砼时产生的荷载均按2KN/㎡考虑。
盖梁抱箍法计算书一、工程概况本项目共有墩台帽201座,其中台帽40座,桥墩盖梁161座,有墩间系梁10座(全部在2号桥)。
盖梁为单立柱、双立柱、三立柱和四立柱非预应力形式,采用抱箍法施工。
二、盖梁无支架施工的受力验算拟采用321型贝雷片,在贝雷片I25a工钢,其上铺15cm×20cm 的方木做盖梁底模的底支撑。
1、纵向方木受力验算①盖梁混凝土自重:53.5m3×26KN/m3 = 1391KN②钢模板自重:(面板6mm厚的钢模取70Kg/m2)18.75×1.9+18.75×1.6×2= 95.63 m295.63×70Kg/m2 = 6694 Kg 即:66.94 KN③纵向方木自重:0.15×0.20×2.3×6KN/m3 = 0.414 KN荷载总重:1391+66.94+0.414 =1458.35 KN取安全系数为1.2则:方木所受线性荷载:1458.35×1.2/(18.75×1.9)×0.4= 19.65KN/m图2:方木计算模型按连续梁受均布荷载作用计算:图3:方木弯矩图经计算得:M max =3.9 KN〃m取方木(松木)抗弯强度f m = 8.0 MPa则:方木截面抵抗矩:W= M/[f]=3.9/[8]=48750 mm3方木的截面抵抗矩[W]=1/6bh2 = 150×200×200/6=1000000 mm3 W<[W],方木截面满足要求。
2、横向贝雷受力验算①强度验算纵向贝雷所承受的力为方木所传递下来的集中荷载,方木的间距为40cm,按连续梁受均布荷载作用计算:图2:贝雷梁计算模型图3:贝雷梁弯矩图经计算得:M max =90.1 KN〃m<788.2KN〃m②刚度验算按连续梁受均布荷载作用计算:图4:位移图f max=1.8mm≤L/400=7100/400=17.75mm最大的支撑反力在中间支点处P= 375.98 KN,在抱箍与墩柱接触面垫一层摩擦力较大的材料,取摩擦系数μ=0.3,则抱箍钢板对立柱的压力N=P/μ=375.98/0.3=1253.3 KN。
盖梁抱箍计算书1.1抱箍材料采用两块半圆弧型钢板(板厚t=10mm)制成,M24的高强螺栓连接,抱箍高50cm,采用16个高强螺栓连接。
抱箍紧箍在墩柱上产生摩擦力提供上部结构的支承反力,是主要的支承受力结构。
为了提高墩柱与抱箍间的摩擦力,同时对墩柱砼面保护,在墩柱与抱箍之间设一层0.5cm厚的橡胶皮。
1.2荷载计算每个盖梁按墩柱设三个抱箍体支承上部荷载,取28#右幅最大方量(64.5m3)的盖梁验算。
盖梁砼自重:G1=64.5×26=1677kN盖梁模板自重:G2=72KN钢管外撑自重:G3=2.77×4.65*12=0.154kN横梁工字钢:双40b,长度26米,G4=21kN施工荷载与其它荷载:G5=20kN横梁上的总荷载:GH=G1+G2+G3+G4+G5=1790.15kN支座反力R A=R B=1790.15/3=596.71kN以最大值为抱箍体需承受的竖向压力N进行计算,该值即为抱箍体需产生的摩擦力。
1.3抱箍受力计算1.3.1螺栓数目计算抱箍体需承受的竖向压力N=596.71kN抱箍所受的竖向压力由M24的高强螺栓的抗剪力产生,查《路桥施工计算手册》第426页:M24螺栓的允许承载力:[NL]=Pμn/K式中:P---高强螺栓的预拉力,取200kN;μ---摩擦系数,取0.35;n---传力接触面数目,取1;K---安全系数,取1.7。
则:[NL]= 200×0.35×1/1.7=41.18kN螺栓数目m计算:m=N’/[NL]=596.71/41.18=14.5≈15个,取计算截面上的螺栓数目m=16个。
则每条高强螺栓提供的抗剪力:P′=N/8=596.71/16=37.3KN<[NL]=41.18kN故能承担所要求的荷载。
1.3.2螺栓轴向受拉计算砼与钢之间设一层橡胶皮,查摩擦系数表:按橡胶皮与砼之间的摩擦系数取μ=0.6,橡胶皮与钢的的摩擦系数取μ=0.6,综合摩阻系数按0.45计算。
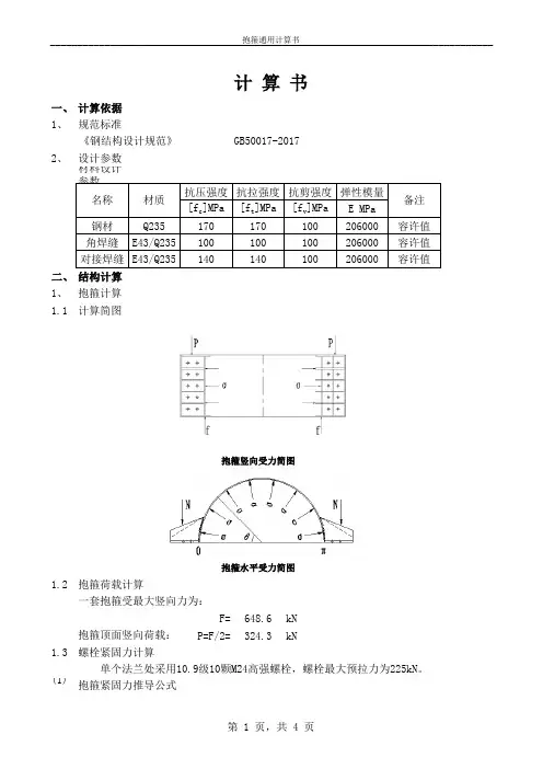
一、计算依据1、规范标准2、设计参数材料设计参数抗压强度抗拉强度抗剪强度弹性模量[f c ]MPa [f t ]MPa [f v ]MPa E MPa 钢材Q235170170100206000容许值角焊缝E43/Q235100100100206000容许值对接焊缝E43/Q235140140100206000容许值二、结构计算1、抱箍计算1.1计算简图1.2F=648.6kN P=F/2=324.3kN1.3(1)、名称材质备注计 算 书抱箍荷载计算一套抱箍受最大竖向力为:抱箍顶面竖向荷载:螺栓紧固力计算单个法兰处采用10.9级10颗M24高强螺栓,螺栓最大预拉力为225kN。
抱箍紧固力推导公式《钢结构设计规范》GB50017-2017抱箍竖向受力简图抱箍水平受力简图2N=①2KP=f②f=③式中:N--σ--R--H--K--P--f--μ--N=(2)、344.09kN式中:μ=0.30(3)、F 1=N/n=34.4kN式中:n=10(4)、安全系数:K=F/F 1=4.65>2式中:F=1601.4σ=nF /Hδ=100.0式中:δ=20mm H=0.8m1.5法兰1焊缝计算抱箍法兰板处均采用坡口熔透焊接。
在抱箍受力情况下,需对焊缝进行计算。
法兰结构图和法兰处焊缝受力简图如下:kN < [P]=225kN,满足要求抱箍面板计算面板抗拉强度:MPa < σ=170MPa,满足要求。
面板厚度抱箍高度单个法兰处紧固力:N=P/(μπ)=钢板与混凝土摩擦系数单个螺栓紧固力:单个法兰处螺栓数量满足要求安全系数抱箍单边承受竖向荷载墩柱对抱箍的摩擦力墩柱与抱箍之间的最小摩擦系数由公式①~③可推导出抱箍单边紧固力公式为:P/(μπ)∫0πσsinθRHdθ2πRHσμ抱箍单边紧固力墩柱对抱箍的单位面积的张力抱箍内径(即墩柱半径)抱箍高度(1)、I X (cm 4)I Y (cm 4)W X (cm 3)W Y (cm 3)S X (cm 3)S Y (cm 3)t X (cm)t Y (cm)352006526398800.22112.35890.82178.68.84.0(2)、M y =F y L y =248.00kN.mF y =N=1600.00kN L y =0.155m M x =F x L x =32.43kN.m F x =P/2=162.15kN L x =0.2m(3)、117.4175.253.696.78121.0975.561.6法兰2焊缝计算抱箍法兰板处均采用坡口熔透焊接。
盖梁抱箍及贝雷片桁架验算书一、工程概述:本工程盖梁的混凝土浇筑,拟采用在墩柱上安装摩擦抱箍,用贝雷片作底模承重梁的托架法进行施工。
盖梁尺寸为:长×宽×高=14.46×2.4×2.2m,混凝土量为72.8m3,钢筋重量约为10T,模板及贝雷片和分配梁自重约为7T;墩柱直经为1.8m,墩柱中心之间距离为9.0m。
二、承重体系构件组成:1、在墩柱上安装摩擦抱箍作贝雷片托架的下支承点,摩擦抱箍采用厚度为18mm的钢板分两片卷制而成,两片抱箍用16棵直径24mm的10.8级高强螺栓连接;并在墩柱上横穿直径为100mm的圆钢棒(材料为30GrMnTi),作为支撑贝雷桁架上弦杆的悬挑扁担梁,辅助摩擦抱箍承担部分荷载,以策安全保险用。
2、承重梁:采用单层双排加强型贝雷桁架布设于墩柱两侧作承重梁,贝雷桁架片之间采用宽度为0.45m的支撑架拼接。
3、分配梁:在贝雷桁架上布设2[16a槽钢作底模分配梁,分配梁间距为0.5m,分配梁与贝雷桁架的连接采用螺栓固定。
三、荷载计算:混凝土按25.0KN/m3,按均布荷载简支梁计算1、钢筋自重和模板及支撑系统荷载:折算为均布荷载:q1=(100KN+70KN)/14.46m=11.8KN/m 2、混凝土荷载:(不考虑墩柱顶部的盖梁混凝土的重量)(72.8m3-0.9m*0.9m*2.2m*3.14*2)*25KN/m3=1540KN折算为均布荷载:q2=1540KN/14.46m=106.5KN/m 3、活载计算:查有关资料,得:施工人员及料具和堆放荷载取1.0Kpa,倾倒混凝土冲击荷载取6.0Kpa,振捣混凝土荷载取2.0Kpa;则:(0.001Mpa+0.006Mpa+0.002Mpa)*2400mm*14460mm=312336N=312.3KN折算为均布荷载:q3=312.3KN/14.46m=21.6KN/m4、荷载组合:(按提高系数1.2考虑)q=(q1+q2+q3)*1.2=(11.8+106.5+21.6)*1.2=167.9KN/m每根贝雷桁架梁承受的计算荷载;167.9KN/m/2=83.95KN/m四、承重体系验算:1、贝雷桁架梁验算:查有关资料,单层双排加强型贝雷桁架容许弯矩[M]=3375KN.m;容许剪力[τ]=490.5KN,则:贝雷桁架梁在跨中处承受的最大弯矩:(偏安全,按简支梁计算)M=83.95KN/m*9m*9m/8=850KN.m<[M]=3375KN.m(满足要求)墩柱间的贝雷桁架梁承受的最大剪力:τ=83.95KN/m*9m/2=377.8KN<[τ]=490.5KN (满足要求)2、支点处贝雷桁架梁承受的反力为:F =83.95KN/m*14.46m/2=607KN3、抱箍验算:查有关资料,直径24mm的高强螺栓施加的预拉力为250KN,钢与混凝土的摩擦系数按0.39考虑,则:抱箍抗滑力:P=16*250*0.39=1560KN>F=607*2=1214KN(满足要求)4、圆钢棒扁担梁计算:扁担梁承受紧贴墩柱两侧的支点处贝雷桁架梁承受的反力,故仅考虑其抗弯的验算:(偏安全,按悬臂梁在集中荷载作用下进行计算)直径100mm的圆钢棒(材料为30GrMnTi),其容许应力[σ]=1105Mpa截面抵抗矩:W=98.1cm3悬臂梁根部的弯矩:M=607KN*0.45m/2=136.6KN.mσ=M/W=136.6/98.1=1392Mpa>[σ]=1105Mpa (不满足要求)五、结论:通过上述计算表明,本工程盖梁的混凝土浇筑,拟采用的在墩柱上安装摩擦抱箍,及用贝雷片作底模承重梁的托架法进行施工,其各承重受力构件均满足要求。
盖梁抱箍受力计算书1、抱箍概况盖梁长度为15.55m,宽度为1.8m,高度为1.5m,盖梁下接直径为1.4m圆形墩柱。
抱箍箍身高度为30cm,钢板厚度为16mm,连接处钢板厚度为25mm,连接螺栓为M30高强螺栓,连接面板处设加劲板,加劲板厚度为25mm。
抱箍示意图抱箍上横梁为双I40a工字钢,横梁上纵桥向铺[14的槽钢,60cm一道。
盖梁抱箍示意图2、荷载分析根据相关规范,设计模板、支架时,应考虑下列荷载。
①盖梁钢筋混凝土荷载:P1 =1.5m×25 KN/m3= 37.5kN /㎡②设备及人工荷载: P2=1.0KN/ m2③模板自重:P3=1kN/㎡④砼浇筑冲击及振捣荷载:P4 =2.0 kN/m2⑤其他可能产生的荷载,取P5=0.3 kN/m23、横梁及分配梁验算由于盖梁模板与常规承台模板相似,不再验算,以下验算[14分配梁和2I40a 的横梁。
强度取值:工字钢抗压强度为145Mpa,抗剪强度为85Mpa。
(1)模型建立系统受力采用midas Civil 2015有限元程序进行计算分析。
有限元模型横梁及分配梁模型(2)约束体系抱箍支撑点横梁与分配梁(3)荷载分布盖梁自重为面荷载,转换为分配梁线性荷载。
(4)运行分析①应力验算由分析结果可知,结构所受最大应力为118.7MPa,满足要求。
②刚度验算由分析结果可知,结构最大变形为0.8cm<L/400满足要求。
③整体稳定性验算结构稳定性系数为:212>1.3。
满足规范要求。
4、抱箍验算(1)螺栓承载力计算由运行分析可知,每个抱箍受力为64t,单边为32t即320KN,钢抱箍所受的竖向压力由M30的高强螺栓的预拉力克服,查《路桥施工计算手册》第426页:M30螺栓的允许承载力:[N L]=Pμn/k式中:P---高强螺栓的预拉力,取355KN;μ---摩擦系数,取0.3;n---传力接触面数目,取2;K---安全系数,取1.7。
则:[NL]= 355×0.3×2/1.7=125.29kN螺栓数目m计算:m=P/[NL]=640/125.29≈6,取实际截面上的螺栓数目m=32个,满足要求。
盖梁抱箍法施工设计及计算第一部分盖梁抱箍法施工设计一、施工设计说明1、工程概况本工程主要分部分项工程包括桩基础、承台(系梁)、立柱、墩盖梁(台帽)、预制小箱梁安装、整体化层及附属工程等。
桥墩采用双柱式及三柱式墩。
本次计算只选择下安立交PY6桥墩盖梁,其为本桥跨度最大的盖梁,墩柱中心距离为8.1595m,盖梁长度22.219m,宽1.8m,高1.6m ,悬臂长度2.95m,墩柱直径1.3m,砼浇筑方量为62.9m3。
2、设计依据(1)交通部行业标准,公路桥涵钢结构及木结构设计规范(JTJ025-86)(2)汪国荣、朱国梁编著施工计算手册(3)公路施工手册,桥涵(上、下册)(4)路桥施工计算手册人民交通出版社(5)盖梁模板提供厂家提供的模板有关数据。
(6)施工图设计文件。
(7)我单位的桥梁施工经验。
二、盖梁抱箍法结构设计1、侧模与端模支撑侧模为特制大钢模,面模厚度为δ6mm,肋板高为8cm,在肋板外设[14背带。
在侧模外侧采用间距0.75m的[14作竖带,竖带高2m;在竖带上下各设一条φ18的栓杆作拉杆,上下拉杆间间距1.8m。
2、底模支撑底模为特制大钢模,面模厚度为δ6mm,肋板高为8cm。
在底模下部采用间距0.3m[8型钢作横梁,横梁长1.8m。
盖梁悬出端底模下设三角支架支撑,三角架放在横梁上。
横梁底下设纵梁。
横梁上设钢垫块以调整盖梁底的横向坡度与安装误差。
与墩柱相交部位采用特制型钢支架作支撑。
3、纵梁在横梁底部采用两根贝雷片连接形成纵梁,长24m,纵梁在墩柱外侧采用[10型槽钢使纵梁形成整体,增加稳定性。
贝雷片之间采用销连接。
纵、横梁以及纵梁与联接梁之间采用U型螺栓连接;纵梁下为抱箍和千斤顶。
4、千斤顶和抱箍为方便施工,抱箍与纵梁之间采用6个50T的螺旋千斤顶。
采用两块半圆弧型钢板(板厚t=16mm)制成, M24的高强螺栓连接,抱箍高60cm,采用20根高强螺栓连接。
抱箍紧箍在墩柱上产生摩擦力提供上部结构的支承反力,是主要的支承受力结构。
目录1、计算依据 (1)2、专项工程概况 (1)3、横梁计算 (1)3.1荷载计算 (1)3.2力学模型 (2)3.3横梁抗弯与挠度计算 (2)4、纵梁计算 (3)4.1荷载计算 (3)4.2力学计算模型 (3)5、抱箍计算 (4)5.1荷载计算 (4)5.2抱箍所受正压分布力Q计算 (4)5.3两抱箍片连接力P计算 (5)5.4抱箍螺栓数目的确定 (6)5.5紧螺栓的扳手力P B计算 (6)5.6抱箍钢板的厚度 (7)抱箍法施工计算书1、计算依据《路桥施工计算手册》《省标准化施工指南》《中部环线高速公路至段第四合同段设计图》及相关文件2、专项工程概况盖梁施工采用抱箍法,抱箍采用2块半圆弧形钢板制作,使用M24的高强螺栓连接,底模厚度10cm,每块长度2.5m;充分利用现场已有材料,下部采用I14工字钢作为横梁,横梁长度为4.5m,根据模板拼缝位置按照间距0.25m布置,共需27根;横梁底部采用2根I45C工字钢作为纵梁,纵梁长度为15m;抱箍与墩柱接触部位夹垫2~3mm橡胶垫,防止夹伤墩柱砼;纵横梁梁两端绑扎钢管,安装防落网。
下面以体积最大的浑河大桥8#右幅盖梁为例进行抱箍相关受力计算。
浑河大桥8#墩柱直径为2m,柱中心间距6.7m,盖梁尺寸为12.298×2.2×2.1m, C40砼54.58m³,盖梁两端挡块长度为2.2×(上口0.3m,下口0.4m)×0.6m,C40砼1.06m³。
I14工字钢横梁10cm厚底模间距0.5mI45C工字钢纵梁千斤顶抱箍图1 抱箍法施工示意图3、横梁计算3.1荷载计算盖梁钢筋砼自重:G1=54.48×26KN/m³=1416.5KN挡块钢筋砼自重:G2=1.06×26KN/m³=27.6KN模板自重:G3=98KN施工人员:G4=2KN/m2×12.298m×2.2m=54.1KN施工动荷载:G5=2KN/m×12.298m×2.2m=54.1KN,倾倒砼时产生的冲击荷载和振捣砼时产生的荷载均按2KN/㎡考虑。
目录1、计算依据 (1)2、专项工程概况 (1)3、横梁计算 (1)3。
1荷载计算 (1)3.2力学模型 (2)3。
3横梁抗弯与挠度计算 (2)4、纵梁计算 (3)4。
1荷载计算 (3)4.2力学计算模型 (3)5、抱箍计算 (4)5.1荷载计算 (4)5。
2抱箍所受正压分布力Q计算 (4)5。
3两抱箍片连接力P计算 (5)5.4抱箍螺栓数目的确定 (6)5.5紧螺栓的扳手力P B计算 (6)5.6抱箍钢板的厚度 (7)抱箍法施工计算书1、计算依据《路桥施工计算手册》《辽宁省标准化施工指南》《辽宁中部环线高速公路铁岭至本溪段第四合同段设计图》及相关文件2、专项工程概况盖梁施工采用抱箍法,抱箍采用2块半圆弧形钢板制作,使用M24的高强螺栓连接,底模厚度10cm,每块长度2。
5m;充分利用现场已有材料,下部采用I14工字钢作为横梁,横梁长度为4。
5m,根据模板拼缝位置按照间距0.25m布置,共需27根;横梁底部采用2根I45C工字钢作为纵梁,纵梁长度为15m;抱箍与墩柱接触部位夹垫2~3mm橡胶垫,防止夹伤墩柱砼;纵横梁梁两端绑扎钢管,安装防落网.下面以体积最大的浑河大桥8#右幅盖梁为例进行抱箍相关受力计算。
浑河大桥8#墩柱直径为2m,柱中心间距6.7m,盖梁尺寸为12。
298×2。
2×2。
1m, C40砼54。
58m³,盖梁两端挡块长度为2。
2×(上口0.3m,下口0.4m)×0。
6m,C40砼1。
06m³.I14工字钢横梁10cm厚底模间距0.5mI45C工字钢纵梁千斤顶抱箍图1 抱箍法施工示意图3、横梁计算3。
1荷载计算盖梁钢筋砼自重:G1=54。
48×26KN/m³=1416.5KN挡块钢筋砼自重:G2=1。
06×26KN/m³=27.6KN模板自重:G3=98KN施工人员:G4=2KN/m2×12.298m×2。
独柱盖梁抱箍法施工计算书
一、工程概况及编制依据
1、本项目共有13个盖梁,均为独柱形式由于接桩位置地基及桩身高度较高,受地形条件限制,搭设落地架,费工且稳定性不易满足要求。
经过多方面考虑决定采用抱箍法施工。
本桥盖梁设计结构尺寸695*200*180,独桩柱盖梁,接桩直径1.8米,混凝土方量为21.4m3
2、编制依据
(1)《城市桥梁工程质量验收标准》
(2)《将乐城关至积善公路一期工程施工图设计文件》
(3)《钢结构设计原理》
(4)《材料力学》
(5)《建筑结构静力计算实用手册》
(6)《路桥施工计算手册》
(7)《钢结构设计与计算》
二、基本数据及荷载组合
支架结构图如下:
A型 圆心角60°
B型 圆心角120°
(一)基本参数
1、I25b工字钢,长L=700cm,Wx=423cm3、Ix=5280cm4每延米42kg。
b=11.8cm,d=10mm,回弹模量E=2.0*105Mpa。
2、[10槽钢:Wx=39.7cm
3、Ix=198cm
4、Sx=246.3cm2、E=2.0*105Mpa、
ix=39.7cm3、iy=1.41cm A=12.7cm2 d=4.5mm
(二)荷载组成,砼自重按26KN/m3计算
①砼自重q1=2.0m*1.8*26=93.6KN/m
②I25工字钢自重q2=42*2=0.84KN/m
③分配梁[10 @ 25cm 每根2.2m,共29根
则q3=29*2.2*10kg/7=0.91KN/m
④钢模板及托架荷载按q4=2KN/m
⑤人群荷载及机械堆放q5=2.5KN/m2*2m=5KN/m
⑥振捣砼荷载按q6=2KN/m2*2m=4KN/m
靠近墩柱处荷载最大q总=q1+q2+q3+q4+q5+q6=106.35KN/m,
其中除砼自重外的其他荷载为106.35-93.6=12.75KN/m
三、横梁验算
1、两片型钢托架共同承受荷载,则每片型钢承受 1/2,验算1排托架横梁,考虑总体偏压及砼冲击力等偶然因素,取1.2倍安全系数,则荷载集中度:q=q总*1.2/2=106.35*1.2/2=63.81KN/m
因盖梁为不规则结构,荷载分布如图
其中:D(E)q=[1.0*1.8*2.6+12.75]/2*1.2=35.73KN/m
A(B)点盖梁砼厚度为:1.0+(1.8-1.0)*1.5/(1.5+1.1)=1.46m,则荷载为(1.46*1.8*26+12.75)/2*1.2=48.64KN/m
C点为12.75*1.2/2=7.65KN/m
2、横梁I25b应力验算
其中跨中为弯矩和剪力为最大外,在计算时取最不利的情况,即上层抱箍没有紧密接触,同时为简化计算,即取q=63.81KN/m均布荷载,力学模型如下(即单跨简支悬臂梁):
按《结构静力计算实用手册》:λ=1.5/4=0.375
由Mmax=ql2/8(1-4λ 2 )=(63.81*103*42)/8(1-4*0.3752)=55.83KN·m 则σ =Mmax/Wx=55.83*103/(423*10-6)=131.98Mpa<[σ]=215Mpa 符合要求
3、剪应力计算(剪应力在跨中为支度反力外)
QA=[(63.81+7.65)/2*1.8/2+(63.81+48.64)/2*1.1]*2=188KN
τ=QSX/Ixd=188*103*246.3*10-6/(5280*10-8*11.8*10-3) =74.32Mpa<[τ]=125Mpa 符合要求
4、挠度计算
挠度最大点在D、E位置,容许挠度1500/400=3.75mm,跨中容许挠度4000/400=10mm
则:fC=fD=ql3/24EI(-1+6λ2+3λ3)
=63.81*103*1.5*43*(-1+6*0.3752+3*0.3753 )
/(24*2.0*105*106*5280*10-8=0.47mm<3.75mm 符合要求
fmax=ql4/384EI(5-24λ2 )
=63.81*103*44*(5-24*0.3752)/(384*2.0*105*106*5280*10-8) =6.54mm<10mm符合要求
四、斜杆验算
按最不利的情况,即上抱箍与工字钢横没有紧密接触,在斜杆验算时不考虑上抱箍对横梁的作用)
按《钢结构设计与计算》规定,斜杆截面属于压杆b类截面点,截面受
力模型如下图
NA=NB={ (63.81+35.73}/2+(1.5+1.1)+(63.81+7.65)/2*0.9}/sin45°=228.47KN
由iy=2.4cm ix=9.94cm 斜杆长l=2.828m
[10槽钢为双排,则最大长细比λ=2.828/1.41*2*10-2 =100 查表ψ=0.521,
压杆σ=N/ψA=228.47*103/(0.521*2*12.7*10-4)=172.65Mpa<[σ]=215Mpa
五、抱箍计算:
每个M24高强螺栓设计拉应力[F]=180KN,取150KN计算。
一侧抱箍螺栓数为10个,总数为20个,则每个抱箍螺栓的总正压力N=20*150=3000KN。
钢材与砼间的摩擦力为0.3~0.4,取f=0.35。
则抱箍与墩柱间的最大静摩擦力为F静=3000*0.35=1050KN
按托架简化受力情况NA=NB=228.47KN则下层抱箍承受的竖向荷载R下=228.47*4=913.88<1050KN,符合要求。
上层抱箍主要为C点的支座反力RC=188KN*2=376KN<1260KN,符合要求。
六、高强螺栓计算
按《钢结构设计与计算规范》M24高强螺栓A=452.39mm2
则:剪应力:4×N/(20×A)=4*228.47/(20*452.39)=101 MPa≤τ=125 MPa 符合要求
七、分布梁[10槽钢计算(即2米长简支梁受均布荷载)
[10槽钢计算长度按2.0米,间距为25cm,按最大的分布荷载计算106.35KN/m,q=106.35/1.8*0.25=14.77KN/m.
由Mmax=ql2/8=(14.77*22)/8=7.39KN·m
则弯应力σ =Mmax/Wx=7.39*103/(39.7*10-6)=186.2Mpa<[σ]=215Mpa 符合要求
剪应力: QB=ql/2=14.77*2÷2=14.77KN
[τ]=QSx÷Ixd=14.77×103×49×10-6÷(198×10-8×4.5×10-3) =81.23Mpa<[τ]=125Mpa 符合要求
挠度fmax=ql4/384EI=14.77*103*24/(384*2.0*105*106*198*10-8)
=1.55mm<2000/400=5mm符合要求。