盖梁抱箍法施工及计算-4(工字钢
- 格式:doc
- 大小:396.50 KB
- 文档页数:17
盖梁抱箍法施工及计算第一部分盖梁抱箍法施工设计图一、施工设计说明1、概况桥长1012.98米,各墩为三柱式结构(墩柱为直径2.0m的钢筋砼结构),墩柱上方为盖梁。
盖梁为长26.4m,宽2.4m,高2.6m的钢筋砼结构,引桥盖梁砼浇筑量大,约156.1m3。
图1-1 盖梁正面图(单位:m)二、盖梁抱箍法结构设计1、侧模与端模支撑侧模为特制大钢模,面模厚度为δ6mm,肋板高为10cm,在肋板外设2[14背带。
在侧模外侧采用间距1.2m的2[14b作竖带,竖带高2.9m;在竖带上下各设一条φ20的栓杆作拉杆,上下拉杆间间距2.7m,在竖带外设φ48的钢管斜撑,支撑在横梁上。
端模为特制大钢模,面模厚度为δ6mm,肋板高为10cm。
在端模外侧采用间距1.2m的2[14b作竖带,竖带高2.9m;在竖带外设φ48的钢管斜撑,支撑在横梁上。
2、底模支撑底模为特制大钢模,面模厚度为δ8mm,肋板高为10cm。
在底模下部采用间距0.4m工16型钢作横梁,横梁长4.6m。
盖梁悬出端底模下设三角支架支撑,三角架放在横梁上。
横梁底下设纵梁。
横梁上设钢垫块以调整盖梁底2%的横向坡度与安装误差。
与墩柱相交部位采用特制型钢支架作支撑。
3、纵梁在横梁底部采用单层四排上下加强型贝雷片(标准贝雷片规格:3000cm×1500cm,加强弦杆高度10cm)连接形成纵梁,长30m,每两排一组,每组中的两排贝雷片并在一起,两组贝雷梁位于墩柱两侧,中心间距253.6cm,贝雷梁底部采用3m长的工16型钢作为贝雷梁横向底部联接梁。
贝雷片之间采用销连接。
纵、横梁以及纵梁与联接梁之间采用U 型螺栓连接;纵梁下为抱箍。
4、抱箍采用两块半圆弧型钢板(板厚t=16mm)制成,M24的高强螺栓连接,抱箍高1734cm,采用66根高强螺栓连接。
抱箍紧箍在墩柱上产生摩擦力提供上部结构的支承反力,是主要的支承受力结构。
为了提高墩柱与抱箍间的摩擦力,同时对墩柱砼面保护,在墩柱与抱箍之间设一层2~3mm厚的橡胶垫,纵梁与抱箍之间采用U型螺栓连接。
盖梁抱箍法施工计算书 Company number:【0089WT-8898YT-W8CCB-BUUT-202108】目录抱箍法施工计算书1、计算依据《路桥施工计算手册》《辽宁省标准化施工指南》《辽宁中部环线高速公路铁岭至本溪段第四合同段设计图》及相关文件2、专项工程概况盖梁施工采用抱箍法,抱箍采用2块半圆弧形钢板制作,使用M24的高强螺栓连接,底模厚度10cm,每块长度;充分利用现场已有材料,下部采用I14工字钢作为横梁,横梁长度为,根据模板拼缝位置按照间距布置,共需27根;横梁底部采用2根I45C工字钢作为纵梁,纵梁长度为15m;抱箍与墩柱接触部位夹垫2~3mm橡胶垫,防止夹伤墩柱砼;纵横梁梁两端绑扎钢管,安装防落网。
下面以体积最大的浑河大桥8#右幅盖梁为例进行抱箍相关受力计算。
浑河大桥8#墩柱直径为2m,柱中心间距,盖梁尺寸为××, C40砼,盖梁两端挡块长度为×(上口,下口)×,C40砼。
图1 抱箍法施工示意图3、横梁计算荷载计算盖梁钢筋砼自重:G1=×26KN/m3=挡块钢筋砼自重:G2=×26KN/m3=模板自重:G3=98KN施工人员:G4=2KN/m2××=施工动荷载:G5=2KN/m××=,倾倒砼时产生的冲击荷载和振捣砼时产生的荷载均按2KN/㎡考虑。
横梁自重G6=××27=横梁上跨中部分荷载:G7=G1+G2+G3+G4+G5+G6=++98+×2+=每根横梁上所受荷载:q1= G7/15=27=作用在每根横梁上的均布荷载:q2= q1/==m两端悬臂部分只承受施工人员荷载,可以忽略不计。
力学模型图2 力学模型分配梁抗弯与挠度计算由分析可知,横梁跨中弯矩最大,计算如下:Mmax=q2l2/8- q2l12/2=××2=·m图3 分配梁弯矩示意图Q235 I14工字钢参数:弹性模量E=×105Mpa,截面惯性矩I=712cm4,截面抵抗矩W=①抗弯计算σ= Mmax/W= ×103=<[σ]=170Mpa结论:强度满足施工要求。
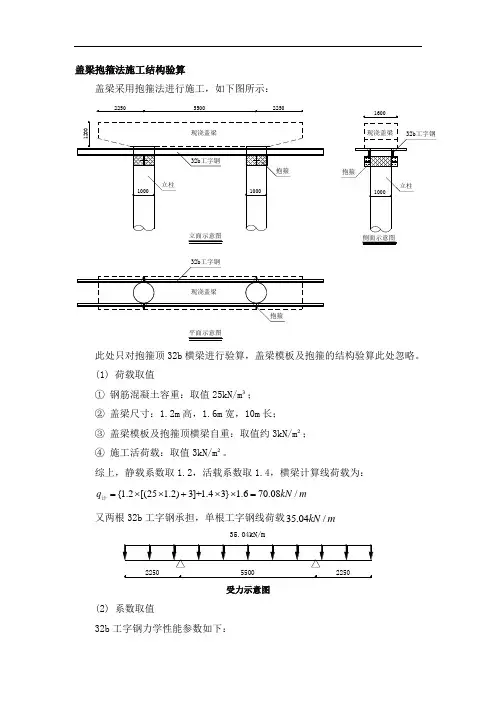
盖梁抱箍法施工结构验算
盖梁采用抱箍法进行施工,如下图所示:
32b工字钢
抱箍
现浇盖梁
1600
550022502250
此处只对抱箍顶32b 横梁进行验算,盖梁模板及抱箍的结构验算此处忽略。
(1) 荷载取值
① 钢筋混凝土容重:取值25kN/m ³;
② 盖梁尺寸:1.2m 高,1.6m 宽,10m 长;
③ 盖梁模板及抱箍顶横梁自重:取值约3kN/m ²;
④ 施工活荷载:取值3kN/m ²。
综上,静载系数取1.2,活载系数取1.4,横梁计算线荷载为:
{1.2[(25 1.2)3]+1.43} 1.670.08/q kN m =⨯⨯+⨯⨯=计
又两根32b 工字钢承担,单根工字钢线荷载35.04/kN m
35.04kN/m
225055002250
受力示意图
(2) 系数取值
32b 工字钢力学性能参数如下:
3726W cm =,411620I cm =,522.0610/E N mm =⨯,2205/c f N mm =,
(3) 强度验算
弯矩示意图
由上图可知,可能出现最大弯矩max 88.695M kN m =⋅,则 22max max 88695000122.17/[]205/726000
M f N mm f N mm W ===<=,满足。
(4) 挠度验算
扰度示意图
自由端扰度 跨中扰度 由上图可知,自由端可能出现最大扰度max 4.8[]400l w mm =<,满足。
江门市滨江新区规划四路K0+516.157大桥盖梁抱箍施工方案编制:审核:日期:盖梁抱箍法施工及计算目录第一部分盖梁抱箍法施工设计一、施工设计说明 (1)二、盖梁抱箍法结构设计 (3)三、主要工程材料数量汇总表 (5)第二部分盖梁抱箍法施工设计计算一、设计检算说明 (6)二、侧模支撑计算 (7)三、底模计算 (10)四、抱箍计算 (13)第一部分盖梁抱箍法施工设计图一、施工设计说明1、概况江门市滨江新区规划四路K0+516.157大桥长120米(6×20米),全桥共有5个桥墩,共20条墩柱,墩柱上方为盖梁,共5个盖梁。
每个盖梁长25.5572m,宽1.6m,高1.20m的钢筋砼结构,盖梁正面图见图一。
图一、盖梁正面图(单位:cm)2、设计依据(1)《钢结构设计规范》(GB50017-2003)(2)《建筑施工模板安全技术规范》(JGJ162-2008)(3)《危险性较大的分项分部工程安全管理办法》(国家性住建部建质[2009]87号)(4)滨江新区规划四路施工设计图纸二、盖梁抱箍法结构设计盖梁模板采用抱箍法施工,抱箍法施工总体设计图见图二。
图二、抱箍法施工总体设计图1、侧模与端模支撑侧模为18mm厚的胶合板,竖肋条为10×10cm方木,高1.3m,水平间距40cm,在竖肋外设2Φ48×3钢管背带,间距40cm。
在背带上按间距80cm设φ14的栓杆作对拉杆,在侧模与底模连接处设6×6角钢,角钢与背带平行。
2、底模支撑底模为钢模,模板厚度为δ2.5mm,设纵向肋条(肋条:3×3cm),肋条间距20cm。
在底模下部采用间距30cm的2[8#槽钢,2根槽钢焊接牢固。
横梁长2.7m(超出部分作支模、挂网、操作平台用)。
盖梁悬出端底模下设三角支架支撑,三角架放在横梁上。
横梁底下设纵梁。
3、纵梁纵梁采用2根I45b工字钢。
两根工字钢位于墩柱两侧,中心间距120cm,工字钢间用φ20钢筋对拉连接,间距为3m。
盖梁抱箍法施工及计算盖梁抱箍法是常用的梁的施工方法之一,它可以很好地解决钢筋混凝土梁中裂缝的问题。
本文将介绍盖梁抱箍法的基本原理、施工步骤、计算方法等内容。
一、基本原理盖梁抱箍法是一种保护钢筋混凝土梁的施工方法。
在梁的顶面铺设一层钢筋网,通过箍筋与混凝土搭接,可以有效地避免梁的裂缝产生。
盖梁抱箍法的原理是,在混凝土表面预先设置一定的箍筋,可以有效地控制混凝土的开裂和脱落,从而提高梁的承载能力和耐久性。
由于盖梁抱箍法不但可以提高梁的抗震性能,而且可以增加施工速度和节省用钢,因此在工程中得到了广泛用途。
二、施工步骤盖梁抱箍法的施工步骤如下:1.梁顶平整在梁的顶面上填平钢筋混凝土,并将其抹平。
2.铺设钢筋网在梁的顶面铺设一层钢筋网,使其完全覆盖梁的顶面。
3.设置箍筋在钢筋网上设置箍筋,箍筋应布设在梁的顶底两面和中央位置,边距应不小于100mm。
箍筋的截面尺寸、层数和间距应按照设计要求进行设置。
4.施工混凝土在设置好箍筋之后,再铺设一层混凝土,将其塑性混凝土顶面升高到设计标高。
5.振捣、养护在施工混凝土之后,进行振捣、养护等工作,待混凝土养护、硬化后即可使用。
三、计算方法对于盖梁抱箍法的计算,需要分别进行箍筋和钢筋的计算。
1.箍筋计算箍筋的计算需要考虑取箍间距、箍筋间距以及箍筋层数等多种因素。
根据设计要求和国家有关标准,对箍筋进行单独计算,并参考梁的现场实际情况,确定箍筋的具体设置方案。
2.钢筋计算钢筋计算需要考虑梁的自重和荷载等多种因素。
按照国家有关标准和设计要求进行钢筋计算,并参考现场实际情况确定钢筋的具体设置方案。
四、盖梁抱箍法是一种常用的钢筋混凝土梁施工方法,其原理是通过铺设钢筋网和设置箍筋,控制混凝土的开裂和脱落,提高梁的承载能力和耐久性。
盖梁抱箍法施工步骤包括梁顶平整、钢筋网铺设、箍筋设置、混凝土施工和振捣养护等。
在盖梁抱箍法的计算中需要考虑箍筋和钢筋等多种因素,在实际施工和计算中要结合梁的实际情况进行综合性的考虑。
桥梁盖梁抱箍法的施工及计算桥梁是交通基础设施中重要的构造物之一,其结构设计和施工方法对于道路安全和保障交通流畅具有重要的作用。
在桥梁施工中,盖梁抱箍法是一种广泛应用的梁体合拢方法。
本文将介绍盖梁抱箍法的施工原理及计算方法。
盖梁抱箍法的施工原理盖梁抱箍法是将两个混凝土梁体(上梁体和下梁体)采用抱箍拉合,形成一个整体的构造法。
在施工过程中,首先将混凝土下梁体放在桥墩上,然后将上梁体或预制梁放置在下梁体之上,再使用抱箍拉合将两个梁体合拢成一个整体。
具体施工方法如下:1.安装抱箍:在下梁体上设置抱箍,抱箍位置应符合桥梁设计要求,通常是分布在桥梁梁端、拱顶和支座处等。
2.安装支撑:在拱桥和大跨度桥梁中,由于梁体自重和施工荷载很大,因此需要在拱腰和拱脚处设置支撑,以支撑梁体的自重和施工荷载。
3.安装上梁体或预制梁:将上梁体或预制梁放置在下梁体之上,两者的尺寸和重量应符合设计要求,并避免发生滑动和倾斜等现象。
4.抱箍拉合:通过手动或机械方式拉动抱箍,使其与上梁体与下梁体之间形成紧密的连接。
5.脱模:当混凝土凝固后,即可拆除抱箍、支撑和模板,完成梁体的合拢和下放。
盖梁抱箍法的计算方法盖梁抱箍法的计算包括了拉力的计算和抱箍的设计。
以下是具体的计算步骤:拉力的计算1.计算梁体的自重和施工荷载,确定抱箍的数量和位置。
2.计算梁体的拉伸应力,以确定抱箍的拉力。
3.根据抱箍的位置和数量确定抱箍的拉力分配。
4.选择抱箍张力设备,如电动液压拉紧器和手动液压拉紧器等。
抱箍的设计1.确定抱箍的数量和位置,一般应符合桥梁设计规范的要求。
2.确定抱箍的直径,一般为50-70毫米。
3.设计抱箍的拉伸强度和切断强度,以确定抱箍的材质和尺寸。
4.确定抱箍的受力状态,包括抱箍的轴力、剪力和弯矩等。
5.根据抱箍的材料和受力状态,确定抱箍的整体稳定性和局部稳定性。
总结盖梁抱箍法是一种常用的桥梁梁体合拢方法,在混凝土预制梁和梁体施工中广泛应用。
本文介绍了盖梁抱箍法的施工原理和计算方法,知道如何设计和施工合适的抱箍对于桥梁的安全和稳定性至关重要,因此在实践中要认真执行计算和设计规范,确保桥梁的质量和安全性。
盖梁抱箍法施工方案一、主要施工方法(1)施工准备:桥墩在立柱施工完成后,根据盖梁设计标高返算出抱箍钢带下缘在墩柱的确切位置,并做好标记,以便抱箍准确就位。
为方便盖梁底模的安装,在浇注混凝土时,墩柱顶混凝土标高按比设计标高高5cm控制。
(2)墩柱顶凿毛待墩柱混凝土达到设计强度的75%以上后,对墩柱顶进行凿毛处理,凿除顶部的水泥砂浆和松弱层,凿毛至新鲜混凝土,并用空压机吹干净。
标高控制在比设计标高高3cm左右,以便于安装盖梁底模。
(3)测量放样在盖梁施工前,对墩柱进行施工测量,作为安装盖梁底模的依据。
墩柱施工测量与控制的内容包括:墩柱中心位置测量、立柱顶高程测量。
墩柱中心测量采用全站仪进行测量;高程测量是根据施工中设立的临时水准点,用水准仪直接进行,也可以三维坐标控制测量。
(4)模板支架、底模的制作与安装盖梁模板支架采用40B工字钢纵梁,每侧1根工字钢,横向用20cm×20cm 枕木间距0.4m铺设作横梁,在横梁上方纵向铺设10×10方木,在贴近立柱处安放第一根和最后一根,脚手架铺脚手板作操作平台。
盖梁中预留15mm拱度。
盖梁模板采用钢模。
在立柱顶凿毛处理、测量验收合格后,开始安装模板支架。
在模板支架安装时,严格按由下而上的顺序进行,即先安放抱箍,再吊装纵梁,为纵梁侧倾,用拉杆在间距1.5m将2根工字钢固定在一起,待纵梁稳定后方可布置横梁枕木。
(5)钢筋的制作、运输与安装在盖梁底模安装、底模高程验收合格后,开始安装盖梁钢筋。
钢筋在钢筋板加工制作,钢筋的制作与安装严格按照施工图纸和施工规范来进行;为方便施工,加快进度,确保施工安全,盖梁钢筋尽可能在地面拼装,然后用吊机进行吊装;在吊车施工不便处,可直接在底模上拼装钢筋。
注意支座垫石与挡块钢筋的预埋。
(6)安装侧模在盖梁钢筋安装验收合格后,严格按施工要求安装盖梁侧模。
(7)混凝土的浇筑及养护1、混凝土的浇筑模板安装完毕以后,请监理现场检验模板的平面位置、顶部标高、节点联系及稳定性。
盖梁抱箍法施工技术方案一、工程简介本项目为达万高速DW08合同段,起点里程为K136+400,止点里程为K144+440,路线总长8.040公里。
主要工程量:挖方117万立方米,填方118万立方米,碎石桩9万米,塑料插板40万米;桥梁工8座,涵洞(通用)32道;分离式隧道一座(单洞长1083米),其中包括开奖服务区、开江互通及开江连接线(1.528公里)。
合同总价为2.148亿元,合同工期24个月。
柴古排分离立交中心桩号为K11+417,全长53.0米,宽度26米,交角120°。
上部构造为16米预应力空心板,先简支后连续。
下部构造为:直径1.2柱式墩配,直径1.4米钻孔灌注桩基础,桥台采用肋式台配1.4米钻孔桩基础。
本桥盖梁每排墩2座,共2排,共计4座;左幅盖梁全长13.93m,右幅盖梁全长13.93m,盖梁宽1.5m,高1.3m;桥台处台帽、耳背墙分左右幅共4座,盖梁、台帽和耳背墙砼标号采用C40。
本桥盖梁采用抱箍法施工。
二、编制依据中华人民共和国行业标准《公路桥涵施工技术规范》(JTJ 041-2000)。
中华人民共和国行业标准《公路工程质量实验评定标准》(土建工程)(JTGF80/1-2004)中华人民共和国行业标准《铁路钢桥高强螺栓连接施工方案》(TBJ 214-92)。
中华人民共和国行业标准《环境空气质量标准》(GB 3095-1996)。
中华人民共和国行业标准《公路工程施工安全技术规程》(JTJ 076-95)。
三、施工准备情况(一)、人员组织根据本标段的具体特点,组建“石吉高速A2合同段路桥集团国际建设股份有限公司项目经理部”,项目经理部设项目经理1人,总工程师1人,副经理2人。
下设“六部二室一队”共九个职能部门,分别为:工程部、质检部、经营部、材料部、财务部、安保部,综合办公室、试验室、测量队;组建琴江大桥下部构造专业工区并设修理班,形成一个有机整体,共同完成盖梁、台帽耳背墙的施工任务。
浅谈盖梁抱箍法施工工法摘要在工程建设领域中,抱箍法施工因其不受地形限制,无需搭设承重支架,节省大量钢管材料,加快施工进度等优点越来越被广泛应用,因而总结出一套成熟的施工工法显得尤为必要。
关键词抱箍;施工;工法中图分类号tu7 文献标识码a 文章编号 1674-6708(2011)42-0170-021 抱箍的结构形式抱箍的结构形式涉及箍身的结构形式和连接板上螺栓的排列。
1.1 箍身的结构形式抱箍安装在墩柱上时必须与墩柱密贴。
由于墩柱截面不可能绝对圆,各墩柱的不圆度是不同的,即使同一墩柱的不同截面其不圆度也千差万别。
因此,为适应各种不圆度的墩身,抱箍的箍身宜采用不设环向加劲的柔性箍身,即用不设加劲板的钢板作箍身。
这样,在施加预拉力时,由于箍身是柔性的,容易与墩柱密贴。
在施工当中,为保证密贴的效果更加明显,一般在抱箍与柱子之间垫以土工布。
抱箍用高强螺栓在紧固时必须保证每个螺栓受力均匀且达到设计拉力强度,确保抱箍与墩柱之间有充分的摩擦力以承受上部荷载。
在施工时,现场施工管理人员必须对每个螺栓的紧固进行认真的监督、检查。
1.2 连接板上螺栓的排列抱箍上的连接螺栓,其预拉力必须能够保证抱箍与墩柱间的摩擦力能可靠地传递荷载。
因此,要有足够数量的螺栓来保证预拉力。
如果单从连接板和箍身的受力来考虑,连接板上的螺栓在竖向上最好布置成一排。
但这样一来,箍身高度势必较大。
尤其是盖梁荷载很大时,需要的螺栓较多,抱箍的高度会很大,将加大抱箍的投入,且过高的抱箍也会给施工带来不便。
因此,只要采用厚度足够的连接板并为其设置必要的加劲板,一般均将连接板上的螺栓在竖向上布置成两排。
这样做在技术上是可行的,实践也证明是成功的。
1.3现场布置针对施工现场的具体特点,制定了相应的安全防护措施。
在施工范围以外,设置警示牌,严禁非工作人员进入施工现场;场区内设置夜间照明灯,保证连续施工及安全出入的需要;墩柱周边用钢管进行围挡,高1.2m,上下两道钢管,并用安全网围护,周边设置警示牌,警示灯,确保安全。
盖梁抱箍法施工及计算摘要:详细介绍了抱箍法盖梁施工的支撑体系结构设计.盖梁结构的内力计算和抱箍支撑体系的内力验算.以及本工艺的施工方法。
关键词:盖梁抱箍结构计算施工1.工程概况广州西二环高速公路徐边高架桥为左、右幅分离式高架桥.全桥长1280m.全桥共有盖梁84片.下部结构为三立柱接盖梁.上部结构为先简支后连续20m空心板和30m T梁.另有15跨现浇预应力混凝土连续箱梁。
全桥施工区鱼塘密布.河涌里常年流水.墩柱高度较高,给盖梁施工带来难度。
为加快施工,减少地基处理,本桥盖梁拟采用抱箍法施工。
2.抱箍支撑体系结构设计2.1盖梁结构以20m空心板结构的支撑盖梁为例.盖梁全长20m.宽1.6 m.高1.4m.砼体积为42.6 m3.墩柱Φ1.2m.柱中心间距7m。
2.2抱箍法支撑体系设计盖梁模板为特制大钢模.侧模面板厚度t=5mm.侧模外侧横肋采用单根[8槽钢.间距0.3m.竖向用间距0.8m的2[8槽钢作背带.背带高1.55m.在背带上设两条Φ18的栓杆作对拉杆.上、下拉杆间距1.0m.底模板面模厚6mm.纵、横肋用[8槽钢.间距为0.4m×0.4m.模板之间用螺栓连接。
盖梁底模下部采用宽×高为0.1m×0.15m的方木作横梁.间距0.25m。
盖梁底模两悬出端下设三角支架支撑.三角架放在横梁上。
在横梁底部采用贝雷片连接形成纵梁.纵梁位于墩柱两侧.中心间距1.4m.单侧长度21m。
纵梁底部用四根钢管作连接梁。
横梁直接耽在纵梁上.纵梁之间用销子连接.连接梁与纵梁之间用旋转扣件连接。
抱箍采用两块半圆弧型钢板制成. 钢板厚t=16mm.高0.6m.抱箍牛腿钢板厚20mm.宽0.27m.采用10根M24高强螺栓连接。
为了提高墩柱与抱箍间的摩擦力.同时对墩柱砼面保护.在墩柱与抱箍之间设一层3mm厚的橡胶垫.纵梁与抱箍之间采用U型螺栓连接。
抱箍构件形象示意图如图1所示。
2.3防护栏杆栏杆采用φ48的钢管搭设.在侧模上每隔5m焊接一道1.2m高的钢管立柱.横杆钢管与立柱采用扣件连接.竖向间隔0.5m.栏杆周围挂安全网。
盖梁抱箍法施工及检算中铁十六局集团有限公司第一工程有限公司田巍内容提要:在桥梁施工中,因地形、地质等原因,盖梁施工常采用抱箍施工,但抱箍施工的安全性、可靠性最重要,具体体现在抱箍施工的设计、检算和加固。
现结合河卡山1#大桥盖梁施工,谈一下抱箍法施工的设计、检算及加固。
关键词:抱箍法施工受力验算加固1.工程概况河卡山1#大桥为跨越山谷而设置,地处青藏高原腹地,属高海拔地区。
上部结构采用30m装配式部分预应力砼连续箱梁,下部构造采用柱式墩,柱式台,桩基础。
盖梁长9.79m,高1.5m,宽1.9m。
由于现场地形、地质情况的限制,其盖梁施工采用抱箍法施工最为合理。
2.计检算说明盖梁抱箍施工图如2-1。
图2-1盖梁抱箍施工图2.1设计计算原则⑴在满足结构受力情况下考虑挠度变形控制。
⑵综合考虑结构的安全性。
⑶采取比较符合实际的力学模型。
⑷尽量采用已有的构件和已经使用过的支撑方法。
⑸本计算未扣除墩柱承担的盖梁砼重量。
以做安全储备。
2.2施工前检验抱箍加工完成实施前,必须先进行压力试验,变形满足要求后方可使用。
3.横梁计算采用间距0.3m的15cm×15cm的方木作横梁,横梁长2.0m,共布设横梁16个。
盖梁悬出端底模下设特制三角支架,每个重约10kN。
3.1荷载计算⑴盖梁钢筋砼自重:G1=26.3m3×26kN/m3=683.8kN⑵模板钢摸自重:G2=50kN (根据模板设计资料)⑶侧模支撑自重:G3=15kN⑷三角支架自重:G4=10kN⑸施工荷载与其它荷载:G5=25kN横梁上的总荷载:G H=G1+G2+G3+G4+G5=683.8+50+15+10+25=783.8kNq H=783.8/9.79=80.06kN/m横梁采用间距0.3m的方木,则作用在单根横梁上的荷载:G H’=80.06×0.3=24.02kN作用在横梁上的均布荷载为:q H’= G H’/l H=24.02/1.6=15.01kN/m(式中:l H为横梁受荷段长度,为1.6m) 3.2力学模型如图3-1所示。
盖梁抱箍法施工及计算新Coca-cola standardization office【ZZ5AB-ZZSYT-ZZ2C-ZZ682T-ZZT18】盖梁抱箍法施工及计算摘要:详细介绍了抱箍法盖梁施工的支撑体系结构设计,盖梁结构的内力计算和抱箍支撑体系的内力验算,以及本工艺的施工方法。
关键词:盖梁抱箍结构计算施工1.工程概况广州西二环高速公路徐边高架桥为左、右幅分离式高架桥,全桥长1280m,全桥共有盖梁84片,下部结构为三立柱接盖梁,上部结构为先简支后连续20m空心板和30m T梁,另有15跨现浇预应力混凝土连续箱梁。
全桥施工区鱼塘密布,河涌里常年流水,墩柱高度较高,给盖梁施工带来难度。
为加快施工,减少地基处理,本桥盖梁拟采用抱箍法施工。
2.抱箍支撑体系结构设计盖梁结构以20m空心板结构的支撑盖梁为例,盖梁全长20m,宽 m,高,砼体积为 m3,墩柱Φ,柱中心间距7m。
抱箍法支撑体系设计盖梁模板为特制大钢模,侧模面板厚度t=5mm,侧模外侧横肋采用单根[8槽钢,间距,竖向用间距的2[8槽钢作背带,背带高,在背带上设两条Φ18的栓杆作对拉杆,上、下拉杆间距,底模板面模厚6mm,纵、横肋用[8槽钢,间距为×,模板之间用螺栓连接。
盖梁底模下部采用宽×高为×的方木作横梁,间距。
盖梁底模两悬出端下设三角支架支撑,三角架放在横梁上。
在横梁底部采用贝雷片连接形成纵梁,纵梁位于墩柱两侧,中心间距,单侧长度21m。
纵梁底部用四根钢管作连接梁。
横梁直接耽在纵梁上,纵梁之间用销子连接,连接梁与纵梁之间用旋转扣件连接。
抱箍采用两块半圆弧型钢板制成,钢板厚t=16mm,高,抱箍牛腿钢板厚20mm,宽,采用10根M24高强螺栓连接。
为了提高墩柱与抱箍间的摩擦力,同时对墩柱砼面保护,在墩柱与抱箍之间设一层3mm厚的橡胶垫,纵梁与抱箍之间采用U型螺栓连接。
抱箍构件形象示意图如图1所示。
防护栏杆栏杆采用φ48的钢管搭设,在侧模上每隔5m焊接一道高的钢管立柱,横杆钢管与立柱采用扣件连接,竖向间隔,栏杆周围挂安全网。
盖梁荷载验算(45a工字钢)盖梁采用抱箍法施工,墩柱完成后,在墩柱上安装抱箍,然后在抱箍上安装横向的I45a工字钢,工字钢上满铺4m长12cm×15cm的方木,然后方木上铺设竹胶板底模。
盖梁侧模(前后面)采用定型钢模,左右两侧面采用竹胶板。
以爬坡车道侧的盖梁进行验算(此幅盖梁宽度最大),盖梁立面图如下:12.451.3257.6 1.1 1.3251.1盖梁立面图一、工字钢验算45a工字钢计算参数如下:E=2.1×105MPa,W=1432.9cm3,I=32241cm4,单位重为80.38Kg/m1、受力分析盖梁工字钢长度为15m,盖梁长12.45m。
工字钢受力示意图如下:q2.57.6 2.5工字钢受力示意图2、荷载计算作用于工字钢的荷载有:(1)、施工时钢筋混凝土重量38.5m ³×26KN/m ³=1001KN ;(2)、模板及方木、钢管重量;①侧模钢模重量:面积为38.5㎡,重量为57.8KN ;②底模及侧模1.5cm 厚竹胶板重量:面积为20.3㎡,重量为2.1KN ;③铺设5cm 厚脚手板重量:面积为35.1㎡,重量为12.3KN ; ④模板Φ48钢管背楞重量:长度48m ,重量1.92KN ;⑤防护Φ48钢管重量:长度79m ,重量3.16KN ;⑥模板10×10方木背楞重量:长度49m ,重量3.43KN ;⑦10×10方木托架重量:长度14m ,重量0.98KN ;⑧工字钢上满铺12×15方木重量:长度458m ,重量57.71KN ; 合计为139.4KN ;(3)、施工时人员、设备重量10KN ;(4)、振捣砼时产生荷载2KN/㎡×12.45m ×2m=49.8KN ;荷载总共为1.2×1001+1.2×139.4+1.4×10+1.4×49.8=1452.2KN 。
桥梁盖梁抱箍法的施工及计算【桥梁盖梁抱箍法的施工及计算】1.引言桥梁盖梁抱箍法是一种常用的桥梁施工方法,它通过借助抱箍的力量来实现梁体的安装和固定。
本文将详细介绍桥梁盖梁抱箍法的施工步骤和计算方法,希翼对相关从业人员提供参考。
2.盖梁抱箍法的基本原理桥梁盖梁抱箍法基于力学原理,通过将抱箍套在梁体上并施加力量,实现对梁体的暂时固定,以便进行后续的安装和施工工作。
抱箍的选择和施加力量的计算是关键的。
3.盖梁抱箍法的施工步骤(1)梁体准备:根据设计要求,制作好梁体并进行检验,确保梁体的质量和尺寸符合要求。
(2)抱箍的安装:根据梁体的尺寸和数量,选择合适大小和数量的抱箍,并将其套在梁体上。
确保抱箍的位置正确,并通过螺栓或者其他固定装置固定住抱箍。
(3)抱箍的调整:根据梁体的要求和实际情况,调整抱箍的位置和紧固力,使其能够密切贴合梁体,并施加适当的压力。
(4)施加力量:通过使用液压设备、螺栓等方式,施加力量在抱箍上,使其能够有效地固定住梁体。
根据梁体的要求和设计要求,施加合适的力量,并进行实时监测。
(5)安全检查:在施工过程中,要进行定期的安全检查,确保抱箍的安装和施工过程中没有浮现问题。
如发现有异常情况,及时采取措施进行处理。
4.盖梁抱箍法的计算方法(1)梁体荷载的计算:根据桥梁设计规范,计算出梁体所承受的荷载,并将其转化为对应的压力值。
(2)抱箍的选择:根据梁体的尺寸和荷载要求,选择合适的抱箍。
(3)抱箍上施加的力量的计算:根据抱箍的材料和尺寸,计算出每一个抱箍上需要施加的力量,并将其转化为对应的压力值。
(4)施加力量的设备选择:根据施加力量的要求,选择合适的液压设备或者其他螺栓等工具。
(5)力量的监测和调整:在施工过程中,要对施加的力量进行实时监测,并根据实际情况进行调整。
【扩展内容】1、本所涉及的附件如下:(1)桥梁设计规范(2)抱箍选择表格(3)梁体荷载计算表格(4)施加力量设备选择表格(5)实时监测记录表格2、本所涉及的法律名词及注释:(1)桥梁设计规范:指规定桥梁设计要求的法规和规范文件,例如《公路桥梁设计规范》等。
大桥墩柱盖梁抱箍施工方案1 盖梁结构特点盖梁施工采用在墩柱上设置2cm厚钢抱箍,一个墩柱两个抱箍,高度为50cm,墩柱每侧采用2根Ⅰ36a工字钢作横梁,横梁上面铺设Ⅰ16工字钢作分配梁,分配梁上安放定型钢模板。
本图按φ2.0m柱径计算,φ1.8m柱径盖梁尺寸比φ2.0m柱径盖梁小,不作计算,其它受力相同,故只计算φ2.0m柱径盖梁即可。
盖梁混凝土:41.4m3。
盖梁特点及模板和支架布置图2 结构计算:Ⅰ36a工字钢,总长L=12m,悬臂L1=2.4m,墩柱净距L2=4.6m2.1盖梁砼重量:q1=41.4×26=1076.4 kN2.2模板、支架自重1、盖梁两侧各设置一根Ⅰ36a工字钢作为施工主梁,长12mq2=59.9×10×12×2÷1000=14.376kN2、主梁上铺设Ⅰ16工字钢作为施工横梁,每根长3.5m,墩柱外侧各设3根,两墩柱之间设置8根,间距为0.72m,共14根。
q3=20.5×10×4.8×14÷1000=13.776 kN3、Ⅰ16工字钢上铺设盖梁定型钢模板,荷载按0.75kN/m2计算, 定型钢模板为70m2q4=70×0.75=52.5 kN2.3、施工人员、机具重量,查《路桥施工计算手册》荷载按2.5kN/m2q5=(10.98×4.8)×2.5=131.76 kN2.4 查《路桥施工计算手册》振捣砼产生的荷载为2kN/m2,砼浇筑产生的冲击荷载为2kN/m2q6=(10.98×4.8)×(2+2)=210.816kN荷载分顶系数:静荷载取1.2,动荷载取1.4。
合计:(1076.4+14.376+13.776) ×1.2+(52.5+131.76+210.816)×1.4=1878.99 kN 3 横梁、主梁及抱箍验算3.1 横梁验算(单位:kN、m、mPa)44431.0044431.0044431.004横梁受力简图3.1.1 Ⅰ16工字钢截面特性:截面矩W=141cm 3, 惯性矩I=1130cm 4, 弹性模量E=2.06×105N/mm 2。
盖梁抱箍法施工及计算
1.准备工作:首先要对施工现场进行勘测和测量,确定梁的尺寸和位置,并准备好所需的钢筋和箍筋。
2.铺设坡框:根据梁的实际尺寸,在梁底部的模板上铺设坡框,并使
用支撑物将其固定。
3.安装立柱:根据梁的位置,安装立柱并用水平仪进行调整,确保立
柱平整垂直。
4.固定钢筋:根据设计要求,在模板内安装纵向钢筋,并用托臂支撑
起来,以防止下垂。
5.安装箍筋:根据设计要求,在纵向钢筋上安装箍筋,并用箍筋钩住
纵向钢筋,以形成一个框架。
6.浇筑混凝土:将预先配好的混凝土倒入模板内,用振动棒进行振捣,以确保混凝土的密实度。
7.拆除模板:混凝土凝固后,根据混凝土强度的要求,拆除模板,并
进行喷水养护。
在进行盖梁抱箍法施工时,需要进行一些计算来确定所需的钢筋和箍
筋数量。
1.确定纵向钢筋数量:根据梁的尺寸和设计要求计算出纵向钢筋的截
面积,然后根据混凝土的强度等级和梁的受力情况确定纵向钢筋的间距。
2.确定箍筋数量:根据梁的尺寸和设计要求计算出箍筋的长度,然后
根据箍筋的直径和间距确定箍筋的数量。
3.确定箍筋长度:根据设计要求确定梁的受力区段和箍筋的截面积,然后通过计算得到所需的箍筋长度。
在进行计算时,需要根据相关的设计规范和标准进行,以确保计算结果的准确性和可靠性。
总结起来,盖梁抱箍法施工及计算是一种重要的建筑施工方法,能够提高梁的承载能力和抗弯抗剪能力。
在进行施工时,需要严格按照施工步骤进行,并进行相关的计算来确定所需的钢筋和箍筋数量。
这样可以确保梁在使用过程中的安全性和稳定性。
江门市滨江新区规划四路K0+516.157大桥盖梁抱箍施工方案编制:审核:日期:盖梁抱箍法施工及计算目录第一部分盖梁抱箍法施工设计一、施工设计说明二、盖梁抱箍法结构设计三、主要工程材料数量汇总表第二部分盖梁抱箍法施工设计计算一、设计检算说明二、侧模支撑计算三、横梁计算四、纵梁计算五、抱箍计算第一部分盖梁抱箍法施工设计图一、施工设计说明1、概况江门市滨江新区规划四路K0+516.157大桥长120米(6×20米),全桥共有5个桥墩,共20条墩柱,墩柱上方为盖梁,共5个盖梁。
每个盖梁长25.5572m,宽1.6m,高1.20m的钢筋砼结构,墩柱盖梁施工拟采用抱箍法施工。
图1-1 盖梁正面图(单位:cm)2、设计依据(1)交通部行业标准,公路桥涵钢结构及木结构设计规范(JTJ025-86)(2)《公路桥涵钢结构及木结构设计规范(JTJ025-86)》(3)《机械设计手册》(4)《建筑施工手册》(第四版)(5)桥梁施工经验。
二、盖梁抱箍法结构设计1、侧模与端模支撑侧模为为15mm厚的胶合板,背带肋条为10×10cm方木,间距30cm,在竖肋外设2[4槽钢背带。
背肋高1.3m;在背带上按间距40cm设φ14的栓杆作拉杆(共3排),在侧模与底模连接处设6×6角钢,角钢与背带平行。
2、底模支撑底模为钢模,模板厚度为δ2.5mm,设纵向肋条(肋条:3×3cm),肋条间距20cm。
在底模下部采用间距30cm的2[8#槽钢,2根槽钢焊接牢固。
横梁长2.7m(超出部分作支模、挂网、操作平台用)。
盖梁悬出端底模下设三角支架支撑,三角架放在横梁上。
横梁底下设纵梁。
3、纵梁纵梁采用2根I45b工字钢。
两根工字钢位于墩柱两侧,中心间距100cm,工字钢间用φ20钢筋对拉连接,间距为3m。
工字钢连接处采用高强螺栓与焊接相结合。
(1)、力学性能指标。
查《简明施工计算手册》、《钢结构设计规范》GB50017-2003得I45b工字钢的截面特性(I截面惯性矩;W截面抵抗矩):E=2.6×105MPa;W x=1500.4cm4;I X=33759cm4;A=111.4cm2;S X=887.1cm;[σ]=215MPa;[τ]=125MPa;d=13.5mm,每延米重887.1Kg(2)、梁长27m,位于墩柱两侧。
4、抱箍采用两块半圆弧型钢板(板厚t=14mm)制成,M22的高强螺栓连接,抱箍高60cm,采用28根高强螺栓连接。
抱箍紧箍在墩柱上产生摩擦力提供上部结构的支承反力,是主要的支承受力结构。
为了提高墩柱与抱箍间的摩擦力,同时对墩柱砼面保护,在墩柱与抱箍之间设一层2~3mm厚的橡胶垫,纵梁与抱箍之间采用32吨千斤顶相连;千斤顶与抱箍相连处采用槽钢定位(槽钢焊接于抱箍上用于固定千斤顶)。
5、防护栏杆与与工作平台(1)栏杆采用φ50的钢管搭设,在横梁上每隔2米设一道1.2m高的钢管立柱,立柱与横梁的连接采用焊接。
(2)工作平台设在横梁悬出端,在横梁上铺设2cm厚的木板,木板与横梁之间采用铁丝绑扎牢靠。
三、主要工程材料数量汇总表见表一。
需要说明的是:主要工程材料数量是以单个盖梁需用量考虑。
抱箍施工总体设计图第二部分盖梁抱箍法施工设计计算一、设计检算说明1、设计计算原则(1)在满足结构受力情况下考虑挠度变形控制。
(2)综合考虑结构的安全性。
(3)采取比较符合实际的力学模型。
(4)尽量采用已有的构件和已经使用过的支撑方法。
2、对部分结构的不均布,不对称性采用较大的均布荷载。
3、本计算结果不适合于除规划四路K0+516.157大桥桥墩外的盖梁施工。
4、本计算未扣除墩柱承担的盖梁砼重量,以做安全储备。
5、抱箍加工完成实施前,必须先进行压力试验,变形满足要求后方可使用。
二、侧模支撑计算1、力学模型假定砼浇筑时的侧压力由拉杆和竖带承受,P m为砼浇筑时的侧压力,T1、T2为拉杆承受的拉力,计算图式如图2-1所示。
2、荷载计算砼浇筑时的侧压力:P m =0.22γt0β1β2V1/2=hγ式中:β1---外加剂影响系数,不加外加剂取1.0;β2---混凝土坍落度影响修正系数,50~90mm时,取1.0;t0=混凝土的初凝时间,取4hT---混凝土温度;V---混凝土的浇灌速度;γ---砼容重,取25kN/m3;h---有效压头高度。
砼浇筑速度v按0.3m/h。
则:v/T=0.3/25=0.012<0.035P m =0.22×25×4×1.0×1.0×0.31/2=12.05 kN/mh=12.05/25=0.48m图2-1 侧模支撑计算图式砼振捣对模板产生的侧压力按4kPa 考虑。
荷载组合:则:P m =1.2×12.05+1.4×4=20.06kPa盖梁长度每延米上产生的侧压力按最不利情况考虑(即砼浇筑至盖梁顶时): P=P m ×(H-h )+P m ×h/2=20.06×(1.3-0.48)+20.06×0.48/2=21.26kN3、拉杆拉力验算拉杆(φ14圆钢)间距0.5m ,由上到下由3根拉杆和一根角铁承担。
则有: σ=(T 1+T 2+ T 3+ T 4)/A=0.5P/2πr 2=0.5×21.26/(2π×0.0072)=34.53MPa<[σ]=215MPa(可) 4、侧模计算(1)侧板采用10×10cm 方木,木材材料为TC13-B 类,查《简明施工计算手册》得其容许应力及弹性模量:[σw ]=13MPa ,E=9×103 MPa; 10×10cm 方木截面特性:W=10×102/6=166.67 cm 3 I=10×103/12=833.33cm 4竖肋 10×10cm 方木计算,竖肋 10×10cm 方木可视为间距50cm 的三等跨连续梁,方木间距为30cm :则P=P m ×0.3=6.02KN/m最大弯矩:M max= KPl02查《简明施工计算手册》得:M max= 0.1×6.02×0.52=-0.15KN.m=-0.15×106 N.mmσ= M max/W x=0.15×106 /166.67=0.9 MPa<[σw]=13 MPa(可) 挠度:f max= KPl04/100×2×EIx=0.677×6.02×103×5004/(100×9×103×833.33×103×104)=0.34m< [f]=l0/400=50/400=1.25m(满足要求)侧模验算:面板规格:1830×1220×15mm强度验算:胶合板静曲强度:[σ]=23MPa(纵向),[σ]=15MPa(横向)跨度/厚度=500/15=33.3<100属于小扰度连续板。
M max= KPl02=0.1×10.03×0.52=-0.251 KN.m面板截面抵抗矩:W=bh2/6=500×152/6=18750mm3σ= M max/W=0.251×106/18750=13.39<[σ]=15MPa(满足要求)竖带的实际挠度能满足要求。
扰度验算:胶合板的弹性模量:[E]=7.5×103MPa(纵向),[E]= 5×103MPa(横向)弹性模量折减系数0.9:ω=KP l04/(100EI)=0.677×10.03×5004/(100×5×103×0.9×100×153÷12)=6.79×108/1265.625=0.3mm<500/400=1.25(满足要求)三、底模验算:底模采用Q235钢,δ=2.5mm钢板加间距20cm肋条,[σ]=215N/mm2 ;截面特性:I XJ=26.97×104 ;W xj=5.94由于槽钢按间距30cm布置,且底模按宽度100cm拼接,每个格子内都有荷载,可近视3等跨连续梁。
底模荷载组合:P=[1.2(q2+q3)+1.4×(q4+ q5 +q6)]×0.3=15.82KN/m M max= KPl02=0.1×15.82×3002=-142.4×103 N.mmσ= M max/W=142.4×103/5.94×103=24.0<[σ]=215N/mm(满足要求)ω=KP l04/(100EI)=0.677×15.82×3004/(100×2.06×105×26.97×104)=0.016<[ω]=1.5(满足要求)四、横梁计算采用间距0.3m的2×[8#槽钢,横梁长2.7m。
共布设横梁64个,盖梁悬出端底模下设特制三角支架。
p=16.22KN/m横梁受力简图1、荷载计算(1)工字钢自重荷载:q0 =887.1×2/1.60=1.11 kN/㎡(2)8#槽钢荷载:q1=0.64 kN/㎡(3)木模板、钢模板自重::q2=1.5(木模)+1.91=3.41 kN/㎡(4)钢筋砼自重q3=1.2×26=31.2kN/㎡(5)施工人员、施工料具运输及堆放荷载q4=1kN/㎡(6)振捣产生的荷载:q5=2kN/㎡(7)吊运砼冲击荷载:q6=4kN/㎡总荷载:Q=43.36 kN/㎡荷载组合:作用在槽钢上的荷载:P=[1.2×(q1 +q2 +q3)+1.4×(q4 +q5 +q6)]×0.3=16.22 kN/㎡2、横梁抗弯与挠度验算最大弯矩:M max= q H’l H 2/8=16.22×1.602/8=5.19kN·mσ= M max/W x=5.19×103/(25.3×10-6×2)=102.6MPa<[σw]=215MPa (可)最大挠度:f max= 5 q H’l H 4/384×EI=5×16.22×1.604/(384×2.06×105×101.3×104×2)= 3.66mm<[f]=l0/400=1.65/400=4.13mm (可)四、纵梁计算纵梁受力、弯矩简图M max=0.1ql2/2=0.1×1、荷载计算荷载组合:P= [1.2×(q0 + q1+q2 +q3)+1.4×(q4 +q5 +q6)]×1.6=[1.2×(1.07+43.5)+1.4×7]×1.6=85.49 kN/m作用在每一条纵梁上的荷载:P/2 = 85.49/2=42.75 kN/m2、强度验算根据建筑施工手册(中国建筑工业出版社)连续梁的最大弯矩、剪力与扰度(P516)当悬臂端(a=2.24m)小于0.4倍跨径(l=7.03×0.4=2.81m)时,可采用表8-74中公式按三等跨连续梁计算,悬臂端弯矩、扰度较小可以不用验算。