盖梁抱箍法施工计算书
- 格式:docx
- 大小:316.19 KB
- 文档页数:9
小雁河中桥盖梁抱箍法施工设计计算书一、设计检算说明1、计算原则(1)在满足结构受力情况下考虑挠度变形控制。
(2)综合考虑结构的安全性。
(3)采取比较符合实际的力学模型。
(4)尽量采用已有的构件和已经使用过的支撑方法。
2、对部分结构的不均布,不对称性采用较大的均布荷载。
3、本计算未扣除墩柱承担的盖梁砼重量,以做安全储备。
4、抱箍采用两块半圆弧型钢板(板厚t=16mm)制成, M24的高强螺栓连接,抱箍高50㎝。
5、抱箍安装完成施工前,必须先进行预压试验,变形满足要求后方可使用。
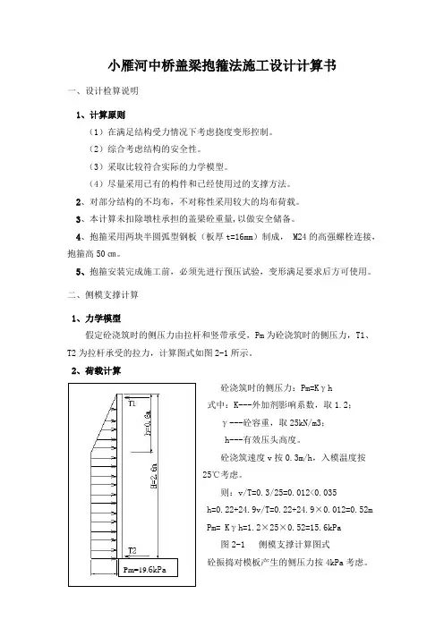
二、侧模支撑计算1、力学模型假定砼浇筑时的侧压力由拉杆和竖带承受,Pm为砼浇筑时的侧压力,T1、T2为拉杆承受的拉力,计算图式如图2-1所示。
2、荷载计算砼浇筑时的侧压力:Pm=Kγh式中:K---外加剂影响系数,取1.2;γ---砼容重,取25kN/m3;h---有效压头高度。
砼浇筑速度v按0.3m/h,入模温度按25℃考虑。
则:v/T=0.3/25=0.012<0.035h=0.22+24.9v/T=0.22+24.9×0.012=0.52mPm= Kγh=1.2×25×0.52=15.6kPa图2-1 侧模支撑计算图式砼振捣对模板产生的侧压力按4kPa考虑。
Pm=19.6kPa则:Pm=15.6+4=19.6kPa盖梁长度每延米上产生的侧压力按最不利情况考虑(即砼浇筑至盖梁顶时): P=Pm×(H-h)+Pm×h/2=19.6×0.64+19.6×0.56/2=18kN3、拉杆拉力验算拉杆(υ16圆钢)间距0.75m,0.75m范围砼浇筑时的侧压力由上、下两根拉杆承受。
则有:σ=(T1+T2)/A=1.2P/2πr2=1.2×16/2π×0.0082=53714.8kPa=53.7MPa<[σ]=160MPa(满足要求)4、竖带抗弯与挠度计算设竖带两端的拉杆为竖带支点,竖带为简支梁,梁长l0=0.6m,砼侧压力按均布荷载q0考虑。
目录1、计算依据 (1)2、专项工程概况 (1)3、横梁计算 (2)3.1荷载计算 (2)3.2力学模型 (2)3.3横梁抗弯与挠度计算 (2)4、纵梁计算 (3)4.1荷载计算 (3)4.2力学计算模型 (4)5、抱箍计算 (4)5.1荷载计算 (4)5.2抱箍所受正压分布力Q计算 (5)5.3两抱箍片连接力P计算 (6)5.4抱箍螺栓数目的确定 (8)5.5紧螺栓的扳手力P B计算 (8)5.6抱箍钢板的厚度 (9)抱箍法施工计算书1、计算依据《路桥施工计算手册》《辽宁省标准化施工指南》《辽宁中部环线高速公路铁岭至本溪段第四合同段设计图》及相关文件2、专项工程概况盖梁施工采用抱箍法,抱箍采用2块半圆弧形钢板制作,使用M24的高强螺栓连接,底模厚度10cm,每块长度2.5m;充分利用现场已有材料,下部采用I14工字钢作为横梁,横梁长度为4.5m,根据模板拼缝位置按照间距0.25m 布置,共需27根;横梁底部采用2根I45C工字钢作为纵梁,纵梁长度为15m;抱箍与墩柱接触部位夹垫2~3mm橡胶垫,防止夹伤墩柱砼;纵横梁梁两端绑扎钢管,安装防落网。
下面以体积最大的浑河大桥8#右幅盖梁为例进行抱箍相关受力计算。
浑河大桥8#墩柱直径为2m,柱中心间距6.7m,盖梁尺寸为12.298×2.2×2.1m,C40砼54.58m³,盖梁两端挡块长度为2.2×(上口0.3m,下口0.4m)×0.6m,C40砼1.06m³。
I14工字钢横梁10cm厚底模间距0.5mI45C工字钢纵梁千斤顶抱箍图1 抱箍法施工示意图3、横梁计算3.1荷载计算盖梁钢筋砼自重:G1=54.48×26KN/m³=1416.5KN挡块钢筋砼自重:G2=1.06×26KN/m³=27.6KN模板自重:G3=98KN施工人员:G4=2KN/m2×12.298m×2.2m=54.1KN施工动荷载:G5=2KN/m×12.298m×2.2m=54.1KN,倾倒砼时产生的冲击荷载和振捣砼时产生的荷载均按2KN/㎡考虑。
盖梁抱箍法计算书一、工程概况本项目共有墩台帽201座,其中台帽40座,桥墩盖梁161座,有墩间系梁10座(全部在2号桥)。
盖梁为单立柱、双立柱、三立柱和四立柱非预应力形式,采用抱箍法施工。
二、盖梁无支架施工的受力验算拟采用321型贝雷片,在贝雷片I25a工钢,其上铺15cm×20cm 的方木做盖梁底模的底支撑。
1、纵向方木受力验算①盖梁混凝土自重:53.5m3×26KN/m3 = 1391KN②钢模板自重:(面板6mm厚的钢模取70Kg/m2)18.75×1.9+18.75×1.6×2= 95.63 m295.63×70Kg/m2 = 6694 Kg 即:66.94 KN③纵向方木自重:0.15×0.20×2.3×6KN/m3 = 0.414 KN荷载总重:1391+66.94+0.414 =1458.35 KN取安全系数为1.2则:方木所受线性荷载:1458.35×1.2/(18.75×1.9)×0.4= 19.65KN/m图2:方木计算模型按连续梁受均布荷载作用计算:图3:方木弯矩图经计算得:M max =3.9 KN〃m取方木(松木)抗弯强度f m = 8.0 MPa则:方木截面抵抗矩:W= M/[f]=3.9/[8]=48750 mm3方木的截面抵抗矩[W]=1/6bh2 = 150×200×200/6=1000000 mm3 W<[W],方木截面满足要求。
2、横向贝雷受力验算①强度验算纵向贝雷所承受的力为方木所传递下来的集中荷载,方木的间距为40cm,按连续梁受均布荷载作用计算:图2:贝雷梁计算模型图3:贝雷梁弯矩图经计算得:M max =90.1 KN〃m<788.2KN〃m②刚度验算按连续梁受均布荷载作用计算:图4:位移图f max=1.8mm≤L/400=7100/400=17.75mm最大的支撑反力在中间支点处P= 375.98 KN,在抱箍与墩柱接触面垫一层摩擦力较大的材料,取摩擦系数μ=0.3,则抱箍钢板对立柱的压力N=P/μ=375.98/0.3=1253.3 KN。
盖梁抱箍计算书1.1抱箍材料采用两块半圆弧型钢板(板厚t=10mm)制成,M24的高强螺栓连接,抱箍高50cm,采用16个高强螺栓连接。
抱箍紧箍在墩柱上产生摩擦力提供上部结构的支承反力,是主要的支承受力结构。
为了提高墩柱与抱箍间的摩擦力,同时对墩柱砼面保护,在墩柱与抱箍之间设一层0.5cm厚的橡胶皮。
1.2荷载计算每个盖梁按墩柱设三个抱箍体支承上部荷载,取28#右幅最大方量(64.5m3)的盖梁验算。
盖梁砼自重:G1=64.5×26=1677kN盖梁模板自重:G2=72KN钢管外撑自重:G3=2.77×4.65*12=0.154kN横梁工字钢:双40b,长度26米,G4=21kN施工荷载与其它荷载:G5=20kN横梁上的总荷载:GH=G1+G2+G3+G4+G5=1790.15kN支座反力R A=R B=1790.15/3=596.71kN以最大值为抱箍体需承受的竖向压力N进行计算,该值即为抱箍体需产生的摩擦力。
1.3抱箍受力计算1.3.1螺栓数目计算抱箍体需承受的竖向压力N=596.71kN抱箍所受的竖向压力由M24的高强螺栓的抗剪力产生,查《路桥施工计算手册》第426页:M24螺栓的允许承载力:[NL]=Pμn/K式中:P---高强螺栓的预拉力,取200kN;μ---摩擦系数,取0.35;n---传力接触面数目,取1;K---安全系数,取1.7。
则:[NL]= 200×0.35×1/1.7=41.18kN螺栓数目m计算:m=N’/[NL]=596.71/41.18=14.5≈15个,取计算截面上的螺栓数目m=16个。
则每条高强螺栓提供的抗剪力:P′=N/8=596.71/16=37.3KN<[NL]=41.18kN故能承担所要求的荷载。
1.3.2螺栓轴向受拉计算砼与钢之间设一层橡胶皮,查摩擦系数表:按橡胶皮与砼之间的摩擦系数取μ=0.6,橡胶皮与钢的的摩擦系数取μ=0.6,综合摩阻系数按0.45计算。
梁箍法施工设计计算一、设计校核和计算说明1.计算原理(1)在满足结构受力的条件下考虑挠度和变形控制。
(2)综合考虑结构的安全性。
(3)采用更符合实际的力学模型。
(4)尽量采用现有的组件和已经使用过的支持方法。
2.没有贝雷架的相关数据。
根据计算,没有数据可以附上。
3.对于部分结构的不均匀分布,不对称采用较大的均布荷载。
4.本次计算不扣除墩柱承担的盖梁混凝土重量。
作为安全储备。
5.抱箍加工完成实施前,必须先进行压力试验,变形符合要求后方可使用。
二、侧模支撑计算1.荷载计算(按最大盖梁)混凝土浇筑时的侧压力:Pm=Kγh式中:K——外加剂的影响系数,取1.2;γ-混凝土容重,26kN/m3;;H -有效压头高度。
混凝土浇筑速度V为0.3m/h,浇筑温度为20℃。
则:v/T=0.3/20=0.015<0.035h = 0.22+24.9v/T = 0.22+24.9×0.015 = 0.6mpm = kγh = 1.2×26×0.6 = 19千帕模板上混凝土振捣的侧压力按4kPa考虑。
那么:Pm=19+4=23kPa盖梁长度每延米侧压力按最坏情况考虑(即混凝土浇至盖梁顶部时):P = pm×(h-h)+pm×h/2 = 23×2+23×0.6/2 = 53.9 kN。
2、拉杆张力计算拉杆(φ20圆钢)间距1.2m,1.2m范围内混凝土浇筑时的侧压力由上、下拉杆承担。
有:σ=(T1+T2)/A=1.2P/2πr2= 1.2×53.9/(2π×0.012)= 102993 kpa = 103 MPa <[σ]= 160 MPa(OK)3、垂直皮带弯曲和挠度计算竖带两端设拉杆作为竖带支点,竖带为简支梁,长度l0=2.2m,混凝土侧压力按均布荷载q0考虑。
垂直带的弹性模量e[14b = 2.1×105 MPa;惯性矩Ix = 609.4cm4弯曲模量Wx = 87.1cm3立方厘米Q0 = 23×1.2 = 27.6千牛/米最大弯矩:mmax = q0l 02/8 = 27.6×2.72/8 = 25kn·m。
目录1、计算依据 ..................................................................2、专项工程概况...............................................................3、横梁计算 ..................................................................3.1荷载计算............................................................3.2力学模型............................................................3.3横梁抗弯与挠度计算..................................................4、纵梁计算 ..................................................................4.1荷载计算............................................................4.2力学计算模型........................................................5、抱箍计算 ..................................................................5.1荷载计算............................................................5.2抱箍所受正压分布力Q计算 ............................................5.3两抱箍片连接力P计算................................................5.4抱箍螺栓数目的确定..................................................5.5紧螺栓的扳手力P B计算 ...............................................5.6抱箍钢板的厚度......................................................抱箍法施工计算书1、计算依据《路桥施工计算手册》《辽宁省标准化施工指南》《辽宁中部环线高速公路铁岭至本溪段第四合同段设计图》及相关文件2、专项工程概况盖梁施工采用抱箍法,抱箍采用2块半圆弧形钢板制作,使用M24的高强螺栓连接,底模厚度10cm,每块长度2.5m;充分利用现场已有材料,下部采用I14工字钢作为横梁,横梁长度为4.5m,根据模板拼缝位置按照间距0.25m布置,共需27根;横梁底部采用2根I45C工字钢作为纵梁,纵梁长度为15m;抱箍与墩柱接触部位夹垫2~3mm橡胶垫,防止夹伤墩柱砼;纵横梁梁两端绑扎钢管,安装防落网。
11.2.1抱箍法盖梁施工计算书1、计算依据(1)《路桥施工计算手册》(2)《云南省标准化施工指南》(3)宾南高速土建3标两阶段施工图设计;(4)公路桥涵施工技术规范(JTJ 041-2000);(5)公路桥涵钢结构及木结构设计规范(JTJ025-86);(6)路桥施工计算手册. 人民交通出版社. 2002;(7)公路桥涵施工技术规范实施手册. 人民交通出版社. 2002及相关文件2、专项工程概况(1)盖梁施工采用抱箍法,抱箍采用2块半圆弧形钢板制作,使用M24的高强螺栓连接,底模厚度10cm,每块长度2.5m;充分利用现场已有材料,下部采用I14工字钢作为横梁,横梁底部采用2根I40b工字钢作为纵梁,抱箍与墩柱接触部位夹垫2~3mm橡胶垫,防止夹伤墩柱砼;纵横梁梁两端绑扎钢管,安装防落网。
下面以K55+213右幅1号墩盖梁例进行抱箍相关受力计算。
(2)盖梁尺寸:2.1m×1.7m×11.7m(宽×高×长);不规则尺寸:2.1m×0.7m×1。
63m(宽×高×长);下部采用圆形双柱墩,柱直径2m,柱间中心距离6.4m,盖梁周围预留1m以上作为操作平台;(3)计算假定:工字钢放在抱箍上按外伸梁计算,荷载按均布荷载垂直作用在两片工字钢上,柱顶承受的荷载忽略不计(偏安全),工字钢受弯、剪作用,抱箍受剪力作用。
抱箍法施工示意图如下:I14工字钢横梁10cm厚底模间距0.5mI45C工字钢纵梁千斤顶抱箍抱箍法施工示意图3、横梁计算冬季雪荷载及养护设施荷载根据现场情况考虑增加,(1)荷载计算1)根据《路桥施工计算手册》表8-1,得C30砼容重取25KN/m³盖梁钢筋砼荷载:G1=39.4×25KN/m³=985KN;挡块钢筋砼荷载:G2=3.6×25KN/m³=90KN;2)根据《路桥施工计算手册》表8-1得模板采用组合钢膜、连接件及钢楞时荷载均按0.75KN/㎡考虑,得:模板面积:经计算,盖梁模板面积为59.88㎡;模板荷载:G3=59.88×0.75=44.91KN3)根据《路桥施工计算手册》表8-1得施工人员、施工料具运输、堆放产生的荷载均按按2.5KN/㎡考虑,得:施工人员荷载:G4=2.5KN/m2×11.7m×2.1m=61.425KN4)根据《路桥施工计算手册》表8-1得倾倒砼时产生的冲击荷载采用溜槽或串通产生的荷载和振捣砼时产生的荷载均按2KN/㎡考虑,不叠加计算,得:施工动荷载:G5=2KN/m×11.7m×2.1m=49.14KN5)横梁盖梁长度为11.7m,两侧布置横梁时各延长1m作为操作平台;由于盖梁宽2.1m,各延长1m后为4.1m,根据钢材长度规范一般取4.5m,施工时可根据现场情况调整横梁间距及数量;两墩柱中心距离为6.4m,墩径为2m,则两墩柱间净间距为4.4m,考虑到中间位置受力较为集中,横梁布置间距采用0.25m;则横梁数量为:中间位置(两墩柱之间):4.4÷0.25=17.6根,取整为18根;两侧位置(两墩柱外侧):(2+3.3)÷0.25=21.2根,取整后为22根,即两侧各布置11根横梁;即:横梁总数为40根;根据《路桥施工计算手册》得,I14工字钢每米重量为16.88m;横梁总荷载G6=mg=16.88×4.5×40×9.8=29776.32N≈30KN;计算中:g取9.8N/Kg;7)横梁上跨中部分荷载:G7=G1+G2+G3+G4+G5+G6=985+90+44.91+61.429+49.14+30=1260.475KN 每根横梁上所受荷载:q1= G7/15=1265.475/40≈31.5KN作用在每根横梁上的均布荷载:q2= q1/2.1=31.5/2.1≈15KN/m两端悬臂部分只承受施工人员荷载,可以忽略不计。
目录1、计算依据 (1)2、专项工程概况 (1)3、横梁计算 (1)3.1荷载计算 (1)3.2力学模型 (2)3.3横梁抗弯与挠度计算 (2)4、纵梁计算 (3)4.1荷载计算 (3)4.2力学计算模型 (3)5、抱箍计算 (4)5.1荷载计算 (4)5.2抱箍所受正压分布力Q计算 (4)5.3两抱箍片连接力P计算 (5)5.4抱箍螺栓数目的确定 (6)5.5紧螺栓的扳手力P B计算 (7)5.6抱箍钢板的厚度 (7)抱箍法施工计算书1、计算依据《路桥施工计算手册》《省标准化施工指南》《中部环线高速公路至段第四合同段设计图》及相关文件2、专项工程概况盖梁施工采用抱箍法,抱箍采用2块半圆弧形钢板制作,使用M24的高强螺栓连接,底模厚度10cm,每块长度2.5m;充分利用现场已有材料,下部采用I14工字钢作为横梁,横梁长度为4.5m,根据模板拼缝位置按照间距0.25m布置,共需27根;横梁底部采用2根I45C工字钢作为纵梁,纵梁长度为15m;抱箍与墩柱接触部位夹垫2~3mm橡胶垫,防止夹伤墩柱砼;纵横梁梁两端绑扎钢管,安装防落网。
下面以体积最大的浑河大桥8#右幅盖梁为例进行抱箍相关受力计算。
浑河大桥8#墩柱直径为2m,柱中心间距6.7m,盖梁尺寸为12.298×2.2×2.1m,C40砼54.58m³,盖梁两端挡块长度为2.2×(上口0.3m,下口0.4m)×0.6m,C40砼1.06m³。
I14工字钢横梁10cm厚底模间距0.5mI45C工字钢纵梁千斤顶抱箍图1 抱箍法施工示意图3、横梁计算3.1荷载计算盖梁钢筋砼自重:G1=54.48×26KN/m³=1416.5KN挡块钢筋砼自重:G2=1.06×26KN/m³=27.6KN模板自重:G3=98KN施工人员:G4=2KN/m2×12.298m×2.2m=54.1KN施工动荷载:G5=2KN/m×12.298m×2.2m=54.1KN,倾倒砼时产生的冲击荷载和振捣砼时产生的荷载均按2KN/㎡考虑。
盖梁抱箍法施工受力计算1、工程概况本桥包括桩基础、承台(系梁)、立柱、墩盖梁(台帽)、预制小箱梁安装、铺装层及附属工程等。
桥墩采用双柱式及三柱式墩。
本次计算选择左幅15号墩盖梁,其为本桥跨度最大的盖梁之一,墩柱中心距离为7.354m,盖梁长度20.438m,宽1.8m,高1.6m ,悬臂长度2.864m,墩柱直径1.6m,砼浇筑方量为56.9m3。
2、设计依据(1)交通部行业标准,公路桥涵钢结构及木结构设计规范(JTJ025-86)(2)汪国荣、朱国梁编著施工计算手册(3)公路施工手册,桥涵(上、下册)(4)路桥施工计算手册人民交通出版社(5)盖梁模板提供厂家提供的模板有关数据。
(6)施工图设计文件。
(7)我单位的桥梁施工经验。
3、盖梁抱箍法结构设计3.1、结构图3.2、模板盖梁模板采用钢模板,面板厚度为5mm,肋采用[8cm槽钢及1cm钢板做为横肋及竖肋。
侧模之间采用Φ20mm上下对拉杆对拉,横向间距1m。
悬臂端斜底模采用钢筋进行加固。
3.3、纵梁纵梁采用I18工字钢,间距60cm,长度为3m,中间2m为盖梁模板及混凝土,两端各留0.5m作为工作平台搭设区。
3.4、横梁横梁采用I45a工字钢,总长度22m。
在墩柱外侧采用[10槽钢使横梁形成整体,增加稳定性。
纵、横梁采用U型螺栓连接;纵梁下为千斤顶和抱箍。
3.5、千斤顶和抱箍为方便施工,抱箍与横梁之间采用6个50T的螺旋千斤顶。
采用两块半圆弧型钢板(板厚δ=16mm)制成,M24的高强螺栓连接,抱箍高60cm,采用20根高强螺栓连接。
抱箍紧箍在墩柱上产生摩擦力提供上部结构的支承反力,是主要的支承受力结构。
为了提高墩柱与抱箍间的摩擦力,同时对墩柱砼面保护,在墩柱与抱箍之间设一层2~3mm厚的土工布,横梁与抱箍之间采用U型螺栓连接。
3.6、防护栏杆与与工作平台3.6.1、栏杆采用φ48的钢管搭设,在横梁上每隔1.2米设一道1.2m高的钢管立柱,竖向间隔0.5m设一道Φ12mm横向钢筋,钢管之间采用扣件连接。
附件6 抱箍法计算书二道窝铺大桥最大的盖梁为C30钢筋砼,总方量为36.03m³,砼容重取25KN/m³。
采用两根50a工字钢作为纵梁,间距1.6~2m,纵梁长12m,纵梁上布置14工字钢作为横梁,横梁长4m,间距为40cm,共31根。
抱箍采用两块半圆形钢板制作,钢板厚12mm,高66cm,抱箍牛腿钢板厚20mm,宽35cm,采用30根M24的高强螺栓连接,为提高墩柱与抱箍之间的摩擦力,保护墩柱混凝土面,墩柱与抱箍之间设置3mm厚的橡胶垫。
布置结构如图所示:1、荷载大小⑴施工人员、机具、材料荷载取值:P1=2.5KN/㎡⑵混凝土冲击及振捣混凝土时产生的荷载取值:P2=2.5KN/㎡⑶盖梁钢筋混凝土自重荷载:①变截面处:P31=30.625KN/㎡②均截面处:P32=40KN/㎡⑷模板支架自重荷载取值:P4=1.5KN/㎡2、I14工字钢受力检算14工字钢的弹性模量E=2.1×105MPa,惯性矩I=712cm4,截面系数W=102 cm3,理论重量m=16.89kg/m,Q235钢的抗剪强度f v取85 MPa,抗弯强度f m取145MPa,则以单根横梁为例进行验算。
⑴荷载计算①施工人员、机具、材料荷载:q1=P1l=2.5×0.4=1KN/m②混凝土冲击及振捣混凝土时产生的荷载:q2=P2l=2.5×0.4=1KN/m③盖梁钢筋混凝土自重荷载:q31=P31l=30.626×0.4=12.25KN/m;q32=P32l=40×0.4=16KN/m④模板、支架及横梁自重荷载q4=P4l+ g k=1.5×0.4+0.17=0.77KN/m考虑分项系数,其中①②项为1.4,③④项为1.2,则均截面处的荷载为:(1+1)×1.4+(16+0.77)×1.2=22.924 KN/m变截面处的荷载为:(1+1)×1.4+(12.25+0.77)×1.2=18.424KN/m横梁的受力模型为简支结构,则根据弯矩计算公式:M max= ql2/8=22.924×2²/8=11.462KN.m,抗弯强度验算:应力σ= M max /W=11.462 KN.m /(102cm3)=114 MPa<f m=145 MPa,符合要求。
目录1、计算依据............................. 错误!2、专项工程概况............................ 错误!3、横梁计算............................. 错误!3.1 荷载计算......................... 错误!3.2 力学模型......................... 错误!3.3 横梁抗弯与挠度计算...................... 错误!4、纵梁计算............................. 错误!4.1 荷载计算......................... 错误!4.2 力学计算模型........................ 错误!5 、抱箍计算............................ 错误!5.1 荷载计算.......................... 错误!5.2 抱箍所受正压分布力Q 计算................. 错误!5.3 两抱箍片连接力P 计算................... 错误!5.4 抱箍螺栓数目的确定...................... 错误!5.5 紧螺栓的扳手力P B 计算.................. 错误!5.6 抱箍钢板的厚度...................... 错误!未定义书签。
未定义书签。
未定义书签。
未定义书签。
未定义书签。
未定义书签。
未定义书签。
未定义书签。
未定义书签。
未定义书签。
未定义书签。
未定义书签。
未定义书签。
未定义书签。
未定义书签。
未定义书签。
抱箍法施工计算书1、计算依据《路桥施工计算手册》《辽宁省标准化施工指南》《辽宁中部环线高速公路铁岭至本溪段第四合同段设计图》及相关文件2、专项工程概况盖梁施工采用抱箍法,抱箍采用2块半圆弧形钢板制作,使用M24的高强螺栓连接,底模厚度10cm每块长度2.5m;充分利用现场已有材料,下部采用114 工字钢作为横梁,横梁长度为4.5m,根据模板拼缝位置按照间距0.25m布置,共需27根;横梁底部采用2根I45C工字钢作为纵梁,纵梁长度为15m抱箍与墩柱接触部位夹垫2〜3mn橡胶垫,防止夹伤墩柱砼;纵横梁梁两端绑扎钢管,安装防落网。
盖梁抱箍法施工计算书 Company number:【0089WT-8898YT-W8CCB-BUUT-202108】目录抱箍法施工计算书1、计算依据《路桥施工计算手册》《辽宁省标准化施工指南》《辽宁中部环线高速公路铁岭至本溪段第四合同段设计图》及相关文件2、专项工程概况盖梁施工采用抱箍法,抱箍采用2块半圆弧形钢板制作,使用M24的高强螺栓连接,底模厚度10cm,每块长度;充分利用现场已有材料,下部采用I14工字钢作为横梁,横梁长度为,根据模板拼缝位置按照间距布置,共需27根;横梁底部采用2根I45C工字钢作为纵梁,纵梁长度为15m;抱箍与墩柱接触部位夹垫2~3mm橡胶垫,防止夹伤墩柱砼;纵横梁梁两端绑扎钢管,安装防落网。
下面以体积最大的浑河大桥8#右幅盖梁为例进行抱箍相关受力计算。
浑河大桥8#墩柱直径为2m,柱中心间距,盖梁尺寸为××, C40砼,盖梁两端挡块长度为×(上口,下口)×,C40砼。
图1 抱箍法施工示意图3、横梁计算荷载计算盖梁钢筋砼自重:G1=×26KN/m3=挡块钢筋砼自重:G2=×26KN/m3=模板自重:G3=98KN施工人员:G4=2KN/m2××=施工动荷载:G5=2KN/m××=,倾倒砼时产生的冲击荷载和振捣砼时产生的荷载均按2KN/㎡考虑。
横梁自重G6=××27=横梁上跨中部分荷载:G7=G1+G2+G3+G4+G5+G6=++98+×2+=每根横梁上所受荷载:q1= G7/15=27=作用在每根横梁上的均布荷载:q2= q1/==m两端悬臂部分只承受施工人员荷载,可以忽略不计。
力学模型图2 力学模型分配梁抗弯与挠度计算由分析可知,横梁跨中弯矩最大,计算如下:Mmax=q2l2/8- q2l12/2=××2=·m图3 分配梁弯矩示意图Q235 I14工字钢参数:弹性模量E=×105Mpa,截面惯性矩I=712cm4,截面抵抗矩W=①抗弯计算σ= Mmax/W= ×103=<[σ]=170Mpa结论:强度满足施工要求。
②挠度计算fmax= f=ql4(5-24λ2)/384EI =×(5-24×22)/(384××105×712×10-5)=<l/400=结论:挠度变形满足施工要求。
4、纵梁计算Q235 I45C工字钢参数:弹性模量E=×105Mpa,截面惯性矩I=35278cm4,截面抵抗矩W=荷载计算每根纵梁上所承受的荷载为:横梁自重G8=××27=纵梁自重G9=×15=纵梁上总荷载:G9=G7/2+G8/2+G9=2+2+=纵梁所承受的荷载假设为均布荷载:q3=G9/==m同样,两端悬臂部分所受施工人员荷载安全防护装置荷载可忽略不计。
力学计算模型图4 纵梁计算力学模型(1)中间段在均布荷载作用下的弯矩经分析,最大弯矩产生在纵梁跨中处,为:Mmax= q3l2/8-q3l端2/2=××2=114KN·m图5 纵梁弯矩示意图抗弯计算:σ= Mmax/W=(114/×103=<[σ]=170Mpa结论:强度满足施工要求。
(2)挠度计算纵梁的挠度计算:f=ql4(5-24λ2)/384EI=×(5-24×)/(384××105×35278×10-8)=<l/400=结论:挠度变形满足施工要求。
5、抱箍计算荷载计算抱箍所承受的荷载为:G10=G1+G2+G3+G4+G5+G6+G9×2=+=抱箍所受正压分布力q计算抱箍所提供的支撑力是由抱箍与墩柱之间产生的摩擦力产生,根据抱箍所受压力可计算出抱箍与墩柱之间正压力的大小。
在对两抱箍片之间的螺栓施加拉力后抱箍各个部位的受力如图6所示(由于两片抱箍对称布置,其受力状态相同,图中仅示半边,图中未示由于正压力作用儿产生的摩擦力)。
图6 抱箍受力图示图中各参数:q:表示抱箍接头位置处的分布力(单位:kN/m);P1、P2:表示两抱箍片之间的连接力(单位:kN);m:表示由于摩擦作用引起的正压力减小系数。
由于正压力减小系数的影响,抱箍中间点的分布力为(1-m)q kN/m,因此抱箍中间段正压由于摩擦影响的线形损失量为2mq/(Πr) kN/m 。
由此可计算与墩柱轴线成α夹角位置处的分布力为:q(1-2mα/Π)kN/m。
抱箍在承受外部荷载后,在正压力的作用下,所提供的最大静荷载力为:F=4ξq[1+(1-m)]/2Πr/2μ=q(2-m)Πrμξ式中:r:表示墩柱半径(单位:m)ξ:表示抱箍与墩柱之间的接触系数,取值范围为~;μ:表示抱箍与墩柱之间的摩擦系数。
抱箍所能提供的摩擦力必须大于或等于抱箍所承受的压力,即: F≥Q总/2,为便于计算,取F= Q总 /2。
根据上式推算可得:q= Q总/2[(2-m)Πrμξ] (1)两抱箍片连接力P计算由图示可看出在施加外力后,影响P1值主要有两个力,即正压力P值以及在正压力作用下得摩擦力F,现首先对两个力进行分解,如图7、图8所示。
图7 α夹角位置抱箍所受正压力分解图8 α夹角位置抱箍所受摩擦力分解图中各参数:Px: α夹角位置处rdα弧长上抱箍所受正压力P在x轴方向分解(单位:kN);Py: α夹角位置处rdα弧长上抱箍所受正压力P在Y轴方向分解(单位:kN);Fx: α夹角位置处rdα弧长上抱箍所受摩擦力F在x轴方向分解(单位:kN);Fy: α夹角位置处rdα弧长上抱箍所受摩擦力F在Y轴方向分解(单位:kN);有以上受力图分析:Px=q(1-2mα/Π)rΔαcosαPy=q(1-2mα/Π)rΔαsinαFx=q(1-2mα/Π)rΔαμsinαFy=q(1-2mα/Π)rΔαμcosα由于同一抱箍片在y轴方向受力对称,Px及Fx分力相互抵消,对抱箍所施加得螺栓拉力P1以及P2不产生影响。
因此螺栓上所施加拉力P1及P2之和等于正压力P及摩擦力F在y轴方向的分力之和。
在安装抱箍时,两侧螺栓同时旋紧,近似认为P1及P2两值相同。
因此P1等于正压力及摩擦力在抱箍1/4圆周内、在y轴方向分力之和。
为计算两分力在y轴方向的合力,现对两力在[0, Π/2]区间内积分,积分值等于拉力P1:P1=⎰︒/20q(1-2mα/Π)rsinαdα+⎰︒/20q(1-2mα/Π)rμcosαdαP1=qr(1+μ-2m/Π-mf+2mf/Π)将q值代入上式可计算抱箍螺栓处施加的外力P1为:P1= Q总 (1+μ-2m/Π-mμ+2mμ/Π)/2[(2-m)Πrμξ] (2)由此可以看出,为计算抱箍螺栓的拉力,主要取决于抱箍荷载组合Q总、砼和钢板的摩擦系数μ、抱箍与墩柱之间的接触系数ξ以及正压力损失系数m。
钢板与砼之间的摩擦系数取,正压力损失系数为~之间,取。
根据我标段下部结构施工质量状况,墩柱表面的平整度及光滑程度均较好。
因此:取μ=, m=,ξ=,Q总=G10。
将以上各数值代入(2)式中,计算P值为:P=P1=×(1+抱箍螺栓数目的确定根据所选用的螺栓为级M24粗牙螺栓,螺纹间距h为3mm,螺栓的公称应力面积为353mm2,查看《公路施工材料手册》保证应力为600MPa。
故该类型螺栓的保证应力荷载为:[P]=公称应力面积×保证应力=353×600=应满足[P]n≥ P ,则螺栓个数为:n≥P/[P]= 为保证安全取n=16每根螺栓的受力Ps=16=<[P]=结论:螺栓的强度满足要求。
紧螺栓的扳手力Pb计算螺栓旋转一周,螺母前进或后退一螺纹间距。
螺母的移动距离与扳手端的移动距离遵循如下关系:ΔL=2ΔhΠL/h式中:L:表示扳手力臂长度ΔL:表示扳手端的移动距离h : 螺栓的螺纹间距Δh:对应扳手端的移动距离ΔL的螺母的轴向移动距离则扳手力所做的功为:PbΔL=2PbΔhΠL/h由于在旋紧螺母的过程中,螺母与钢板之间的摩擦以及螺母与螺栓之间的摩擦相当大,扳手力所做的功在加力过程中损失较大,以k表示扳手力所做功的损失系数,取值范围在~之间,则:PsΔh=k ×Pb ×2ΔhΠL/hPb = Psh/(2kΠL)=×3/(2×××300)=308N根据计算结果可以看出,一个人的力量或采取加长力臂可以将抱箍所需的螺栓拉力施加到设计要求。
抱箍钢板的厚度螺栓中心间距的容许范围为3d~12d,螺栓中心至构件边缘距离的容许范围为~4d。
d为螺栓孔直径,取28mm。
则高度H取值为50cm较合适。
由于抱箍体与砼之间的摩擦力与接触面积无关,影响抱箍钢板高度的因素主要为抱箍螺栓的排列。
理论上来说,抱箍螺栓在竖向方向排列成1排为最有利情况,但必定使抱箍体高度增加。
实际施工按竖向2~3排列。
本抱箍每侧8个螺栓,按竖向2排排列。
在抱箍高度H确定的情况下,可根据抱箍体钢板的极限破坏应力来确定抱箍钢板的厚度t。
考虑到抱箍和砼的摩擦,抱箍体面板承受螺栓的拉力: P=抱箍体钢板的纵向截面积: S1=Ht当抱箍体拉应力σ=P/S1<[σ]=140Mpa时, 满足抗拉要求。
则 t >PH[] =×103/×140×106)=当抱箍体剪应力τ=(N /2)/2S1<[τ]=85Mpa, 方能满足抗剪要求,则:t >][4 H N=×103/4××85×106)=,取t=。