内镜室医院感染管理考核标准
- 格式:doc
- 大小:53.00 KB
- 文档页数:3
内镜室院感标准引言概述:内镜室院感标准是指为了确保内镜室环境的卫生和安全,减少院内感染的发生,制定的一系列标准和措施。
本文将从内镜室院感标准的意义、内镜室环境要求、内镜器械处理和医护人员操作规范四个方面进行详细阐述。
一、内镜室院感标准的意义1.1 院感标准的重要性:院感(医院感染)是医疗机构中常见的问题,内镜室作为一个特殊的工作区域,更容易引发院感。
1.2 院感标准的目的:内镜室院感标准的制定旨在规范内镜室环境、内镜器械处理和医护人员操作,减少院内感染的发生,保障患者和医务人员的安全。
1.3 院感标准的重要组成部分:内镜室院感标准主要包括内镜室环境要求、内镜器械处理和医护人员操作规范。
二、内镜室环境要求2.1 内镜室的清洁度要求:内镜室应保持干净整洁,定期进行清洁消毒,避免灰尘和杂物积聚。
2.2 内镜室的通风要求:内镜室应保持良好的通风,确保空气流通,减少污染物的积聚。
2.3 内镜室的温湿度要求:内镜室的温湿度应适宜,避免过高或过低的温度和湿度对内镜器械和操作人员的影响。
三、内镜器械处理3.1 内镜器械的清洗消毒:内镜器械在使用后应立即进行清洗消毒,确保器械表面干净无菌。
3.2 内镜器械的维护保养:内镜器械应定期进行维护保养,包括更换易损件、检查和校准仪器等。
3.3 内镜器械的存储管理:内镜器械应分类存储,避免交叉污染,同时要保持器械的干燥和通风。
四、医护人员操作规范4.1 医护人员的个人卫生:医护人员在进入内镜室前应进行手卫生,并佩戴合适的防护装备,如手套、口罩等。
4.2 医护人员的操作技术:医护人员应熟练掌握内镜操作技术,避免操作不当导致的院内感染风险。
4.3 医护人员的培训和考核:医护人员应接受相关培训,了解内镜室院感标准,并定期进行考核,确保操作规范和技术熟练度。
总结:内镜室院感标准的制定和执行对于保障内镜室环境的卫生和安全至关重要。
通过遵守内镜室院感标准,可以减少院内感染的发生,提高患者的安全保障和医务人员的工作效率。
内镜室院感制度一、引言内镜室是医疗机构中进行内窥镜检查和治疗的重要场所,其院感制度的建立和执行对于保障患者和医务人员的安全至关重要。
本文将详细介绍内镜室院感制度的相关要求和标准。
二、内镜室环境要求1. 内镜室应位于医院感染管理部门的监管之下,并有专门的院感管理人员负责。
2. 内镜室应具备良好的通风设备,确保室内空气流通,并符合相关的空气洁净度要求。
3. 内镜室应定期进行消毒和清洁,保持室内环境干净整洁。
4. 内镜室应设置专门的洗手间和更衣室,医务人员在进入内镜室前必须进行洗手和更换专用工作服。
三、内镜室器械消毒和灭菌要求1. 内镜室应建立完善的器械消毒和灭菌制度,确保内镜和相关器械的安全使用。
2. 内镜和相关器械在使用前必须进行严格的清洗和消毒,消毒方法应符合国家相关标准。
3. 内镜室应配备专门的消毒设备和消毒剂,确保器械消毒的有效性。
4. 内镜室应定期对消毒设备和消毒剂进行检测和验证,确保其消毒效果符合要求。
四、内镜室操作规范1. 内镜室医务人员必须接受相关的培训和考核,熟悉内镜室操作规范和院感制度。
2. 内镜室医务人员在操作前必须进行手卫生,佩戴口罩、帽子、手套等个人防护装备。
3. 内镜室医务人员应按照规定的程序和流程进行内镜检查和治疗,确保操作的安全和准确性。
4. 内镜室医务人员应定期接受健康检查,确保身体健康,避免院感传播。
五、内镜室废弃物处理1. 内镜室废弃物应按照医院的废弃物管理制度进行分类和处理。
2. 内镜室废弃物应放置在专用的容器中,确保不会对环境和人员造成污染和伤害。
3. 内镜室废弃物的处理应符合相关的法律法规和医院的要求,确保安全和环保。
六、内镜室感染监测和报告1. 内镜室应建立感染监测系统,定期对内镜室进行感染监测和评估。
2. 内镜室发生院感事件时,应及时进行调查和报告,并采取相应的措施进行处理和预防。
3. 内镜室应与医院感染管理部门保持良好的沟通和合作,共同推进院感防控工作。
2024年医院感染管理质量控制与考评制度依据____部门颁布的《医院感染管理办法》及安徽省《医院感染管理实施细则》规定,为确保我院医院感染管理工作的有效执行,院感办参照《安徽省中医医院二级医院医院感染管理评审标准》,结合我院实际状况,制定了内科、外科、手术室、输液室、供应室、妇产科、产房、感染性疾病门诊、内镜室、耳鼻喉科等科室的医院感染质量考核评分标准。
一、考核方式:1. 医院感染管理考核包括日常、月度和季度考核。
医院感染管理办公室进行日常考核,每月进行一次综合考核。
季度考核由院长、护理部、医务科共同参与,所有考核应及时记录,经科室负责人签字确认。
2. 考核采用____分制,每个科室满分为____分,实际得分将从满分中减去扣分。
二、考核内容:1. 严格执行医院感染管理相关法律法规。
2. 完善科室医院感染管理规章制度及执行情况。
3. 制定并实施科室医院感染管理流程。
4. 监测临床科室医院感染发病率、上报与登记情况,以及住院病人监控和医院感染调查表填写质量。
5. 定期或不定期检查无菌技术规范和消毒隔离制度在高危科室(如手术室、产科、内镜室等)的执行情况。
6. 每月检查一次性无菌医疗用品和消毒药械的管理。
7. 定期或不定期评估监控小组活动,包括消毒灭菌效果、环境卫生学监测等。
8. 每月参与药事委员会检查临床科室抗菌药物的合理使用情况并进行分析反馈。
9. 每月检查医疗废物分类收集、运送、贮存工作。
10. 定期或不定期检查医务人员手卫生依从性。
11. 定期检查医务人员职业防护措施的执行情况及职业暴露后的报告和登记。
12. 定期检查耐药菌监测及常见耐药菌隔离措施的执行情况。
13. 定期提问医院感染相关知识,每半年评估一次科室内部培训制度的执行情况。
三、反馈与整改:1. 对检查中发现的问题,采取口头和书面两种方式反馈。
2. 提出整改建议,设定整改期限,科室需书面提交整改措施。
3. 根据科室整改措施和时限,定期复查,如未整改或整改不达标,报告给分管院长。
各科室医院感染管理质量控制标准和评价表汇总
医院感染管理质量综合检查每季度由医院感染控制中心组织一次,医院感染管理质量控制标准和评价结果采用A、B、C、D四档评定方式,对应相应分值范围,遵循PDCA循环原理,P即p1an,D即do,C即check,A即act,通过质量管理计划的制订及组织实现的过程,实现医疗质量和安全的持续改进。
判定原则是要达到“B-良好”档者,必须先符合“C-合格”档的要求,要到“A-优秀”,必须先符合“B-良好”档的要求。
评分说明的制定由于标准条款的性质不同,结果及对应分值见下表。
20项评分标准中每项分值为5分,发现该项中问题根据情况轻重逐条扣0.5・5分,总分折算成100分,例:病房最终得分=Io0*实际得分/病房总分。
临床各科室每月常规医院感染管理检查细则见下列附表,科室日常自查可参照执行:
普通病房(病房)检查评分细则
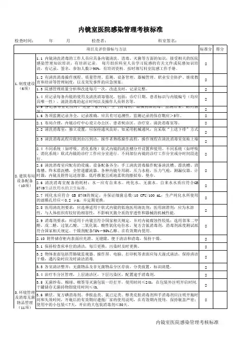
内镜室检查评分细则
(一)基本要求项目及要求分值考评要点扣分
检验科及实验室检查评分细则
说明:
1、检查只记扣分,评分以各科总分Ioo分记,实得分=IOO分-扣分。
根据实得分情况评价各科室医院感染管理质量。
2、检查中发现的较严重的单项问题,将参照医院考评条例进行考评。
3、新生儿科病房评分参照普通病房扣分条目,按新生儿科特殊要求对应扣分。