框架桥顶进记录
- 格式:xls
- 大小:39.50 KB
- 文档页数:2
浅谈框架桥顶进施工出现的偏差问题1.顶进施工适用范围及特点顶进施工适用于铁路与公路、城市道路平交道口改造为下穿立交工程以及因新建公路穿越铁路修建下穿式立交桥工程。
与大开挖施工相比,顶进施工有以下特点:施工方便,工程质量高,安全可靠;顶进施工无基础施工,工序简单,工期短;顶进施工时对既有铁路采取特殊加固后无需中断行车,对铁路运输干扰小;框架底板受力面积大,这就使得顶进施工适用于绝大多数地质环境;与地上立交相比较,主体工程量小,可大大节约投资。
2.框架桥顶进施工方法及工艺顶进法施工时先在设计桥位一侧开挖工作坑,然后框架桥箱体预制、背分配梁浇筑及工作坑滑板的现浇,这些均是在工作坑内进行的,同时进行加固铁路,最后顶镐借后背的反力将箱体顶入路基。
顶进施工期间要车辆要注意慢行,需设专门线路防护组随时检测加固铁路,坚决杜绝行车事故。
顶进施工的顺利进行与否与施工准备工作的好坏直接相关,所以必须做好以下准备工作:调查公路和铁路的运行情况,如列车穿越股道数目、通过间隔时间、公路交通量以及复测道路中线、高程;调查及丈量需要拆迁、征地面积,铁路所属地下管线、公路或农用涵渠;确定施工时道路的临时过渡方案和框架预制场地;同铁路有关部门、当地政府和公路管理部门签订有关协议以取得支持。
(1)施工工艺顶桥施工流程为:施工准备→工作坑开挖→施工后背墙→滑板及后背梁→预制箱体→箱体顶进→两侧补墙→桥面护轮轨两侧栏杆→竣工验收。
(2)工作坑开挖工作坑是进行预制和顶进工序的临时性工作场地。
工作坑内设有面上铺设润滑隔离层的滑板。
箱体在工作坑内预制,工作坑的布局关系到箱体顶进工作能否顺利进行。
(3)排除地表积水及降低地下水位防止地表水流入工作坑内应在工作坑四周设置排水沟。
并根据地质条件及地下水情况在顶进范围内布置井点,采用人工降低地下水位,做法是:在开挖工作坑前,预先在四周埋设一定数量的滤水管,用抽水设备抽水,使地下水位降到设计坑底以下0.5—1.0m,并同时在开挖工作坑和使用过程中不断抽水。
国道京沈线道路改造工程锦承线K232+413.84 5-14-5m框构桥线路加固及桥体顶进施工方案编制单位:中铁九局六公司国道京沈线道路改造工程项目部审核单位:北京通达监理有限公司技术负责人:审核负责人:编制人:审批人:编制日期:审批日期:目录一、编制依据 (1)二、工程概况 (1)三、施工方案 (2)四、施工安全保证措施 (13)五、抢险应急预案 (15)一、编制依据(一)西南交通大学建筑勘察设计研究院提供的施工图纸及设计文件。
(二)、现行铁路桥涵施工规范(TB10203-2002)、铁路桥涵工程施工质量检验验收标准(TB10415-2003)及城镇地道桥顶进施工及验收规程(CJJ74-99);(三)铁道部下发的《铁路营业线施工及安全管理办法》(铁办[2007]186号),北京铁路局下发的《营业线施工及安全管理实施细则》(京铁师[2008]435号)。
二、工程概况(一).工程简介框构桥位于锦承线铁路K232+413.84处,钢筋混凝土轨枕,无缝线路,60kg/m 轨。
框构桥轴线与铁路交角65度。
本框构桥为3孔连续式,净宽为5-14-5m。
机动车道:净宽14m,净高5.414m。
设计结构尺寸为:本框构桥主体采用C35钢筋混凝土框架结构,防水等级不低于P8,框架顶板厚0.9m,底板及边墙厚1.0m,全宽28.0m,全高8.0m,框构桥全长26.39m,前后端框构主体距线路中心分别为5m(公路小里程侧)、4m(公路大里程侧,牵出线位置),顶进前段设3.31m悬臂及刃角,待顶进就位后补齐,顶进后端设3.31m平衡墙,底板采用钢板加强,引道最大坡度控制在4.5%左右。
(二)工程地质及水文地质1、底层上部为第四系冲洪积层,各层岩土特征分述如下:粉质粘土:可塑状态,切面稍有光滑,干强度中等,韧性中等高压缩性,层顶埋深6.3-7.8m,层厚4-4.1m,地基承载力为160Kpa,层顶埋深10.3-11.9m,层厚11.2m,地基承载力为180Kpa。
下穿河道框架桥顶进施工方案一、前置作业1.1. 模板制作制作按设计尺寸大小的木模板,模板表面要平整光滑,四边要铺设橡皮布,以防膏沙漏泄,模板表面四周要用角铁加固。
1.2. 索具架设根据设计要求,设置好索具架,在架设过程中应该注意索具的张力,锚井的设置必须牢固,避免索具倾斜、跳跃等现象。
1.3. 材料准备将机制钢筋、模板、填充料、切割模板用的工具等材料准备好,并分类放置,以便在施工过程中使用。
二、施工方法2.1. 热熔填充料按照设计要求将热熔填充料加热至一定温度,然后涂抹在木模板表面,一次性涂抹好之后,要及时进行下一步作业,不能太长时间放置。
2.2. 钢筋制作及模板安装在预制钢筋的基础上,根据设计图纸的要求绑扎好钢筋,然后将制作好的模板放在钢筋上,用索具将钢筋和模板牢固地固定在空中。
2.3. 填充混凝土在钢筋和模板固定好之后,将混凝土从顶部开始向模板内倾倒,边倒边用长棍将混凝土压实,直至混凝土的高度达到设计的要求,接着压实下层,直至填充完毕。
2.4. 拆除模板混凝土浇筑完成后,要等混凝土达到一定强度之后,方可拆除模板。
在拆除模板时,一定要先拆除模板下部,然后一层一层地往上拆,拆完后将模板材料进行专门的回收处理。
三、注意事项3.1. 安全第一在使用索具、机器等设备时,一定要注意安全,做到人员和设备符合安全要求。
3.2. 施工环境施工环境要求平整,整洁,坚固,便于作业和材料堆放,工地要做好防尘、防雨、防晒等措施。
3.3. 施工质量施工过程中,要对各项指标进行检测,保证施工质量符合国家和设计要求。
3.4. 资料方面施工过程中,要做好记录工作,同时对施工图纸、质量验收报告等资料归档处理。
框架桥顶进施工方案论文摘要:在站场改造施工中,线路不停止运行旳状况下,进行桥旳顶进施工,不仅风险大并且顶桥旳精确度不轻易控制,导致工程中旳难题,通过长时间旳探索,我们总结了一定旳经验。
在框架桥预制时,必须做好如下几方面控制:基坑开挖完毕后,制作后背梁,后背梁与顶进段一侧面层表面平整,保证顶进过程中旳直线。
滑板对顶进施工重关重要,滑板位于垫层与主体桥底板之间,在滑板旳底部纵横向设置地锚梁,与滑板连成整体防止滑板在顶进过程中随主体桥移动。
同步船头坡刃角相称规模于框架主体旳悬挑部位,其斜度控制是难点。
同步导向墩旳布置、隔离层旳平整润滑、测量放线旳精确度也同样是工程旳质量要点。
在框架桥顶进旳期间,注意顶进方向,保证桥体旳直线运行。
关键词:顶桥后背梁滑板隔离层顶镐船头坡目录第一章后背梁 (3)1.1 后背梁制作 (3)1.2后背梁控制点 (3)第二章滑板 (3)2.1滑板制作 (3)2.2滑板施工控制点 (4)第三章导向墩 (4)3.1 导向墩选材 (4)3.2导向墩布置 (5)第四章隔离层 (6)4.1隔离层旳制作 (6)4.2隔离层控制点 (6)第五章船头坡 (6)5.1船头坡旳制作 (6)5.2船头坡控制点 (7)第六章刃角 (8)6.1刃角制作 (8)6.2刃角控制点 (9)第七章测量放线 (9)7.1轴线测量 (9)7.2高程测量 (10)第八章框架桥顶进 (10)第九章总结 (10)塘沽站旅客地道改建工程位于天津市塘沽区火车站内,由铁路第三勘察设计院设计,该工程既有正线下为顶进施工,新建线下为现浇施工,地道中心里程K178+992.0,净宽8.2m,净高3.7m,主体轴线长为61.9m;。
顶进段钢筋混凝土体积为325.6m3,重量为1222.0吨。
该工程工期紧,任务重,工作量、风险性大,项目部组员压力大,为了保证塘沽站改建工程在保证质量旳前提下期到必成,保证顶桥旳精度,从如下几点进行控制:一、后背梁(一)后背梁制作:1、基坑开挖完毕后,制作后背梁,后背梁施采用钢筋混凝土浇筑,根据主体桥旳重量与详细尺寸,设计后背梁。
框架桥(涵)顶进后背加固设计摘要:某市315省道某段(南外环路)下穿某高铁立交桥工程,桥梁主体为(8.0+16.0+8.0)m三孔连体下穿框架桥,采用顶进法施工。
其高铁行车密度大,按照铁道部有关要求,施工顶进期间行车速度不低于45 km/h,且通行I级超重、超限重载列车。
本桥线路加固纵向长度达60m,线路加固纵向长度大,加固困难。
线路加固设计中采用了钻孔桩基础,H型钢横抬(施工)钢便梁的加固线路方法,解决了线路纵向大跨度加固长度的难题.满足了施工需要。
介绍该桥的设计要点。
关键词:框架桥;顶进;加固;设计Abstract: on a provincial highway 315 (south waihuan) under a high bridge engineering in iron, bridge subject for (8.0 + 16.0 + 8.0) m three hole under the frame bridge joined in, the top straight fighting construction. Its high iron traffic density, according to mor relevant requirements, in jacking construction speed during not less than 45 km/h, and traffic level I overweight, overrun overloaded train. This bridge line longitudinal reinforcement length up to 60 m, the line longitudinal reinforcement with large length, strengthening difficult. Circuit is adopted in the reinforcement design drilling pile foundation, h-beam horizontal carried (construction) and the reinforcement of the steel beam line method, solve the large span length line longitudinal reinforcement of problem. Meet the construction need. Introduces the design of the bridge are the main points.Keywords: frame bridge; Top into; Reinforcement; design1.工程概况某市为了进一步改善交通环境,完善其的路网结构,促进其与周围城市交流和地方经济的发展,其政府拟在315省道某段南外环建设一座穿越某高铁的公铁立交桥。
长双烟线K13+600地道桥顶进施工方案及安全措施长春铁道建设工程(集团)有限责任公司2010年4月18日目录一、编制依据 (3)二、工程概况 (3)三、线路加固方案 (4)四、顶进施工方案4.1设备安装与调试 (4)4.2顶进 (4)4.3偏差校正 (4)五、线路恢复 (5)六、安全保证措施6.1慢行期间线路养护 (6)6.2保障既有线行车安全的措施 (7)6.3施工安全保证措施 (8)七、应急处理预案7.1 防滑坡塌方预案 (13)7.2 防止顶进时发生抬头、扎头的应急预案 (13)附表一顶进施工主要机具设备进场记录表 (14)长双烟线K13+600地道桥顶进施工方案及安全措施一、编制依据1.1中铁第五勘察设计院集团有限公司东北分院提供的施工图纸及相关资料;1.2现行部颁〈铁路桥涵施工规范〉、〈铁路桥涵设计规范〉、〈铁路桥涵工程质量检验评定标准〉、〈铁路桥涵施工手册〉;〈铁路施工技术安全规则〉和〈铁路工务安全规则〉;1.3施工队伍的技术水平和装备情况;1.4从现场搜集的第一手资料和其它相关资料。
二、本标段工程概况本工程为长春市长双烟线K13地道桥工程,新建一座1-8.5m钢筋混凝土框构桥,轴长13米,净高4.5米;相应线路加固,通信、信号、电力、牵引供电排迁及恢复工程。
主体结构采用箱形框架,主体优点有:结构成整体,刚度大,基底应力小,抗震性能好。
主体采用1-8.5m钢筋混凝土框构。
垂直断面顶板厚0.7m,边墙及中墙厚0.7m,底板厚0.8m。
框构桥轴线与长双烟线正交。
三、线路加固在既有线路两侧设置桩径0.5m,桩长16.5m,间距1m 采用梅花形布置的旋喷桩对线路进行防护和加固,同时还对地基进行了处理,形成复合地基,以达到满足承载力的要求。
对既有线路采用D24m施工便梁加固,架空期间列车行驶速度不大于45Km/h。
四、顶进施工方案1、设备安装与调试顶进设备由液压系统和传力设备俩大部分构成,由控制台操纵指挥顶进。
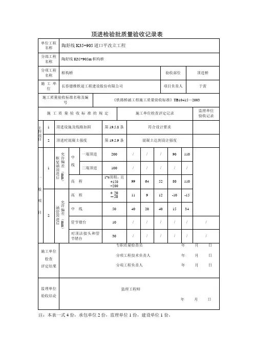
顶进检验批质量验收记录表
单位工程
名称
陶舒线K35+905道口平改立工程
分部工程
名称
陶舒线K35+905m框构桥
分项工程
名称
框构桥验收部位顶进桥
施工单
位
长春德维铁道工程建设股份有限公司项目负责人于雷
施工质量验收标准名称及编
号
《铁路桥涵工程施工质量验收标准》TB10415—2003
施工质量验收标准的规定施工单位检查评定记录监理单位验收记录
主控项目1 顶进设施及线路加固第19.5.8条符合设计要求
2 顶进时混凝土强度第19.5.9条混凝土达到设计强度
一般项目1
允
许
偏
差
(
mm
)
框
架
涵
顶
进
后
中
线
一端顶进200 / / / 90 110
二端顶进100 / / / / /
高程
1%顶程,且
150
200
+
-
99 64 52 80 110
2
允
许
偏
差
(
mm
)
涵
管
顶
进
后
高程50
-
20
+
11 9 12 -10 -15
中线50 40 20 40 15 34
管节错台10 / / / / / /
对顶法接头和管
节错台
30 / / / / / /
施工单位检查评定结果专职质量检查员年月日分项工程技术负责人年月日分项工程负责人年月日
监理单位验收结论监理工程师
年月日
注:本表一式4份,承包单位2份,监理单位1份,建设单位1份。
浅谈框构桥顶进施工技术摘要:现社会发展比较快,城市基础建设道路等级、规模比较高,市政道路穿行铁路/公路的宽度比较大,大型顶推框构随之越来越多,为解决城市的发展,同时不影响正常通行,采取预制框构顶推的施工方法。
本人结合工实例介绍框构桥顶推的施工技术和措施,希望同行借鉴。
关键词:框构桥;顶推为保证铁路的正常运输秩序,在市政道路与铁路、交叉口增设的下穿式框构桥大多采用顶进法施工。
框构桥顶进过程中严格进行测量监测,保证高程在规范范围内,存在最多的质量问题是“扎头”和“抬头”病害的防治,下面以工程为例,介绍顶进施工中采取的关键性技术措施。
一、总体施工方案下穿框构桥长度19.316m,采用顶进施工,顶程36.9m。
首先在既有线路基的一侧设置工作坑、修筑滑板,在滑板顶面上铺设隔离层,预制钢筋混凝土框构涵身,安装顶进设备,封锁时间架设既有线路,行车限速 45km/h,方可进行箱涵顶进施工作业,当顶进前方挖土完成一个顶程后,开动高压油泵,使顶镐产生顶力,通过传力设备,借助后背墙的反作用力把框构涵向前推进,待推进一个顶程后,在空挡处安放顶铁,框构前端挖土清运出一个顶程距离,为下次推进预先准备,按照此循环反复进行,直到整个框构涵体顶进就位。
线路架设施工在桥涵顶进作业中,是保障行车安全的核心环节。
合理的架设方案是确保行车安全的重要保障。
本桥顶进方案分为铁路线路架设、铁路路基加固两部分,轨道架设采用纵横抬梁架设,4组纵梁与横抬梁结合,3-5-3 扣轨,配合素混凝土支点带和枕木垛组合支撑的施工方案。
铁路路基采用高压旋喷桩注浆加固。
框构桥四角设防护桩,保持顶进过程中及架设系统拆除后路基稳定。
二、框构桥预制按照施工图设计,本工程的框构桥在西侧设计U形槽内预制后,顶推就位至铁路轨道下方,然后再进行U形槽的施工。
2.1工作坑布置2.1.1 后顶背顶进时原后背基础采用M10浆砌片石砌筑而成,在整个顶进过程中,后背基础作为主要受力构筑物,由于现场土质承载力差,地下水丰富,为了保证后顶背的质量,防止后顶背土体偏移,后顶背处更换为10根钻孔灌注桩,桩长16m,桩径1.5m,间距1.85m,灌注桩上侧做1.7m宽,1.0m高冠梁连接。
顶进大跨度框架桥施工技术探讨内容提要以xx 线K432+285.3(2-12.0m)框架桥顶进施工为例,综合第Ⅶ标段大跨度框架桥顶进施工的经验,讲述顶进施工的关键环节,重点阐述加固线路的吊轨纵横梁法。
1概述xx 线第Ⅶ标段汇集了 1-11m、1-16m、2-12m 顶进大跨度框架桥的施工,顶进施工安全和技术的可控度较难。
施工中,均采用了吊轨纵横梁法对行车线路进行加固,采用简支检算确定支架梁、横梁、纵梁、吊轨束的材料和结构布置,从箱体预制到线路加固到顶进到端翼墙砌筑都较为成功。
现以 2-12m 框架桥为例,着重谈论顶进大跨度框架桥中最关键的线路加固施工。
2施工方案以 2011 年 1 月完工的 K432+285.3(2-12.0m)顶进框架桥的线路加固方案为例,概述加固线路的吊轨纵横梁法施工。
2.1工程概况K432+285.3 (2-12.0m)框架桥为下跨立交,净高 5.3m,边墙厚0.8m,中墙厚 0.7m,整个箱体沿线路方向总宽 27m。
桥顶至轨底0.78m。
开挖深度 7.38m,道床下粘土厚 5.2m,粘土下为风化石灰岩。
桥上线路为 60Kg/m 轨,线路坡度为0.2‰。
2.2线路加固在两线间距下穿线路中心 7.0m 处,设置间距为 4.5m 的一排挖孔桩,孔径 1.0m ,共 10 根。
挖孔桩上架设由 2 根 450mm 工字钢组成的工字钢束,作为支架梁,用来支承横梁的一端。
线路采用吊轨纵横梁法进行加固。
吊轨采用 43Kg/m 钢轨,组合方式 3-7-3,吊轨束总长 50m。
用 U 型螺栓、扣板把吊轨束与木枕固定。
安装吊轨前,把 50m 吊轨范围内的砼枕全部抽换成木枕,共 89根木枕。
横梁采用由 2 根长 12.0m 的 320mm 工字钢组成的工字钢束,横梁间距为 0.75m,在 27m 箱体范围内均布 37 根横梁,箱体外两侧再各设 3 根横梁。
横梁一端担于挖孔桩上的支架梁上,另一端担于框架桥顶上。
顶进铁路框架桥涵施工方式阐述顶进铁路框架桥涵施工中,需要既有线一侧排除地下电缆,并开挖工作坑、现浇混凝土滑板,在滑板上面制作澆筑框架涵,修筑后背顶板,在进行线路加固,装顶进设备,当顶进前方挖土完成一个顶程后,即开动高压油泵,借助于后背的反作用力,通过传力设备把框架向前推动顶进,顶推进一个顶程后,然后在空挡处放放顶铁,挖运出土一个顶程距离,以备下次开顶,如此循环进行,直到整个铁路框架涵顶进到位。
然后拆除D型便梁,养护恢复线路,下面详细介绍施工方法及需注意事项。
1、现场排干进入施工现场后首先进行施工范围内探沟开挖,横向每10m一道,纵向挖两道,并用电缆探测仪进行双探,能排除的请有关单位进行排除,不能排除的用槽钢或将PVC管纵向割开后对电缆进行套管防护,并设置安全警示标志。
2、工作基坑的开挖工作坑开挖尺寸根据工人作业空间、预制箱形涵平面几何尺寸、后背墙尺寸进行确定。
坑底面适当做成面向顶进方向前高后低的仰坡。
开挖工作基坑前,先预挖设两个观察井观测地下水位,如桥涵体底标高低于水位线,则需要采取降水措施,需要在工作坑两侧设Ф35cm降水井,并采用潜水泵排水,使地下水位降至基坑底1.6m以下,坑底四周设集水井和排水沟。
3、挖孔桩支墩施工围护桩、支撑桩挖孔时采用人工挖孔的方法成孔。
挖孔以人工为主,挖孔过程中护壁采用钢护筒,边挖钢护筒边往下沉,挖孔过程中始终保持钢护筒高出原地面20cm左右,防止塌孔现象的发生,且挖孔前对孔周围(大于挖孔直径1.5m 以上)先挖深1m,然后浇注混凝土,并在桩位置防止钢护筒,防止应空口吊土人员来回走动踩松周围土而发生塌孔现象,在围护桩挖孔期间列车通过施工地点时应进行限速。
4、滑板及后背施工基底开挖至设计标高后,现场技术人员进行滑板及后背桩及后背浆砌片石的位置的测量放线。
滑板施工过程中,技术人员要精确控制滑板顶面标高。
施工人员要对滑板表面平整度精确控制(用大杠或横纵斜挂线)在混凝土终凝后达到一定达到一定强度后进行充分压光。
DOI:10.19392/ki.1671-7341.201827140下穿高速公路斜交框架桥顶进法施工过程监控及数据分析孙媛媛1㊀方㊀磊21.湖南城建职业技术学院㊀湖南湘潭㊀411101;2.湖南聚创建筑科技有限公司㊀湖南长沙㊀410205摘㊀要:湘潭市昭山示范区昭云大道下穿京港澳高速公路工程K2+819.505顶进框架桥为2ˑ17.0m分孔独立式顶进框架桥,采用斜交斜做㊂框架桥施工技术难度大,安全隐患多,必须实施全程监控㊂通过对监控技术的调整和监控数据分析,为以后相关桥梁的施工提供了安全方面的参考㊂关键词:框架桥;顶进;监控;安全1工程概况昭云大道下穿京港澳高速公路,交叉点处里程为公K2+ 819.505,交叉角为80.0ʎ,设置2ˑ17.0m分孔独立式顶进框架桥,框架桥斜交斜做㊂昭云大道为城市主干道,双向六车道布置㊂下穿京港澳高速公路道路半幅横断面布置为:5.0m(非机动车道及人行道)+ 12.0m(机动车道),单幅框架路幅宽度为17.0m,道路分两幅独立式框架桥下穿京港澳高速公路㊂机动车道的设计车速为50km/h,设计荷载为城-A级,人群3.5kN/m2㊂顶进框架桥为2ˑ17.0m孔独立式顶进框架,框架内机动车道净高不小于5.2m,非机动车道净高不小于3.5m,人行道净高不小于2.5m,框架桥顶板至公路路肩处覆土厚度不小于1.8m㊂顶进框架桥上的公路荷载为公路-I级㊂2ˑ17.0m分孔独立式顶进框架桥,单幅框架桥路幅宽17.0m,框架顶板厚1.2m,侧壁厚1.2m,底板壁厚1.25m,机动车道净高不小于5.2m㊂左右幅框架桥结构高分别为8.05m 和6.25m㊂2主要施工方案框架顶进时在高速公路路肩的反侧设计临时抗推墙,以防止高速公路路面因框架顶板移动所产生的摩阻力导致高速公路路面变形㊂高速公路路基和路面防护采用管棚打入和门式盾构相结合的方式㊂框架出入口附近设置路基防护桩,桩径1.5m,桩长12-15m,嵌岩深度不小于3m,防止框架顶进时带动路基土体松动和出入口翼墙施工时路基垮塌㊂在框架的顶部及外侧面非岩石位置预先打入管棚,以防止顶进过程中路基局部坍塌影响上部高速公路行车安全,框架顶上的长管棚打入后,两段预先支撑在两侧设置的门式支撑上㊂框架出入口处设置4根桩径1.5m㊁桩长13m的管棚支撑桩及2根钢管桩支架及管棚支撑梁,框架侧面钢花管支撑在双层门式支架上㊂框架内侧墙之间间距为80cm,在框架内侧墙预留Φ10cm@250cm注浆孔,待框架顶进就位后注浆密实中间土体,框架顶上及外侧墙土体利用Φ245mm@40cm钢花管注浆密实㊂3施工监控顶进框架桥由于施工过程非常复杂,一般要经过线路加固㊁传力后背墙修筑㊁滑板修筑㊁框构桥预制㊁盾构开挖㊁框架桥顶进㊁线路恢复等施工环节,才能建造完成㊂由于顶进框架桥施工复杂㊁技术难度大㊁精度要求高,因此为了确保顶进框架桥施工安全㊁线性平顺,对其整个施工过程进行施工监控,就显得非常有必要㊂根据相关规范和昭云大道下穿京港澳高速公路顶进框架桥设计文件,本项目施工监控的目标与精度如下:1)每节框架桥轴线偏差ɤ200mm;2)每节框架桥高程偏差ɤ1%顶程并偏高ɤ150mm㊁偏低ɤ200mm;3)相邻两节框架桥高差ɤ50mm;4)高速公路路面沉降量ɤ20mm㊂根据本项目的施工监控要求,对昭云大道下穿京港澳高速公路工程K2+819.505顶进框架桥的施工监控主要包括盾构系统轴向偏位及竖向位移监测㊁框架桥轴向偏位及竖向位移监测以及高速公路路面的水平推移及竖向位移监测㊂对盾构施工和框架桥的整个顶进施工过程进行监控的目的,就是对结构和周围环境的状况做出适时判断和预警,在此基础上对施工过程进行调整,从而最终保证整个施工过程中结构安全和框架桥施工顺利完成㊂针对昭云大道下穿京港澳高速公路顶进框架桥的实际情况,根据相关规范和设计文件,对昭云大道下穿京港澳高速公路顶进框架桥进行监控的预警指标及相应的预警值如下表所示㊂框架桥施工监控预警表序号监测项目及范围每两顶程预警值(mm)累计预警值(mm) 1盾构系统轴向偏位及竖向位移10502高速公路路面沉降及水平推移5103框架桥轴向偏位10504框架桥高程1050㊀㊀在施工监控的过程中,若监测结果显示某一个监测项目已经达到监测预警值,监控单位通知施工单位立即停止顶进,由项目业主㊁监理单位㊁监控单位和施工单位共同协商,立即采取措施进行纠偏㊂4监控结论及数据分析通过对湘潭市昭山示范区昭云大道下穿京港澳高速公路工程K2+819.505顶进框架桥开展施工监控,基于现场实测和理论分析,监控结论如下:1)昭云大道下穿京港澳高速公路工程K2+819.505顶进框架桥顶进到位后,框架桥Ⅰ累计向左偏位最大值达320mm,不满足规范和设计要求,后经专家研究决定将原设计方案变更,即框架桥Ⅱ整体向左移40cm,以保证框架桥Ⅰ和框架桥Ⅱ有足够的安全间距;框架桥Ⅱ累计向左偏位最大值为144mm,符合规范和设计要求㊂2)框架桥Ⅰ顶进到位后,累计竖向位移最大值为-64mm,符合规范及设计要求;框架桥Ⅱ顶进到位后,累计竖向位移最大值为27mm,符合规范及设计要求㊂3)框架桥Ⅰ顶进过程中及顶进到位后,路面累计沉降最大值为-59mm,不符合规范及设计要求,后经专家研究决定对框架桥Ⅰ南北两侧土体及高速公路中央分隔带处土体进行注浆并对高速公路路面沉降过大处进行罩面处理,对高速公路路面沉降进行24小时跟踪监测,监测结果显示:高速公路路面沉降已处于稳定状态;框架桥Ⅱ顶进过程中及顶进到位后,路面累计沉降最大值为-19mm,符合规范及设计要求,后续监测结果显示:框架桥顶进到位后,高速公路路面无继续下沉,沉降处于稳定状态㊂4)全桥顶进过程中及顶进完成后,路面各测点水平推移量小,在规范及设计限值之内㊂项目:本文为湖南省教育厅资助科研项目湖南省教育厅科学研究项目‘下穿高速公路斜交框架桥顶进法施工控制研究“(课题编号:16C0283)的研究成果651机械化工科技风2018年9月。
某大型铁路框架桥顶进施工1 工程概况某框架桥为4孔连续框架桥,框架结构跨度构成为17.5m+20m+20m+17.5m,桥总高7.9m,顶板厚度为1.2m,底板厚度为1.3m,边、中墙厚度分别为1.3m、1.2m,结构净高5.4m。
框架垂直于桥体中线宽度81.2m,顺线路中心线方向长度为82.384m,桥体全长为33.273m。
框架顶板面积2701.8m3,混凝土7385m3。
2 混凝土施工方案主体混凝土方量7200m3。
混凝土分两阶段进行浇筑,分别为主体底板及顶进三角块(方量3200m3)、墙身顶板及悬臂板尾墙等(方量4000m3)。
本桥横向跨度大,达到81.2m,纵向长度为26.987~33.273m,为大体积混凝土施工。
2.1 底板混凝土浇筑采用4台泵车,每孔配备1台泵车,桥体底板厚度为1.3m,混凝土浇筑时采用斜向分层的方式进行施工。
斜向分层时保证混凝土的流动面不超过5m ,厚度不超过300mm 一层。
混凝土浇筑方向如图1所示。
2.2 墙身、顶板混凝土浇筑首先采用3台泵车浇筑边墙及正中墙3道墙体,浇筑完成后增加1台泵车,即每2台泵车负责2孔桥体,分别自两侧墙体及中间墙体向两侧中墙处浇筑。
在混凝土浇筑之前进行计算两侧混凝土浇筑到什么位置、什么时间开始进行两侧中墙的混凝土浇筑?当两侧中墙混凝土浇筑完成后,桥体顶板混凝土恰好浇筑到此位置,混凝土在两侧中墙处合龙。
图1 底板混凝土浇筑示意(单位:mm) 2.3 混凝土质量控制(1)混凝土配合比为保证混凝土的外观质量,在施工准备阶段,与搅拌站共同根据不同的水泥以及不同的配合比制作试验墙,根据试验情况确定配合比。
(2)混凝土坍落度混凝土坍落度严格控制在140~160mm 之内。
3 预力分析及顶进设备布置本桥为斜交桥,斜交角度为80°16′26″,桥体自重大。
另外本桥横向跨度大,横向跨度与纵向长度的比值约为3∶1,桥体宽长比大,顶进纠偏困难较大。
例谈框架桥顶进施工技术1 工程概况东莞市塘厦镇龙林辅道工程框架桥下穿运输繁忙的广深城际铁路Ⅰ、Ⅱ线,框架中心里程K108+570.215,线间距仅4.03m。
框架设计采用2- 15×7m的分离式框架桥。
两孔框架分别为A、B框架,均与线路斜交,其中第一孔(B线)与线路斜交10.9824°,第二孔(A线)与线路斜交6.2559°。
框架桥与线路关系见图1。
2 总体施工方案依据本工程实际情况,结合框架处既有城际铁路的运行条件,总体上在线路两侧及线间设置线路加固支撑桩,利用天窗时间封锁线路施工,线路加固采用D24钢便梁,对既有城际铁路进行架空线路加固,以提供框架的预制、顶进工作坑开挖,然后框架在慢行条件下分别顶进就位,后封锁要点拆除钢便梁恢复线路,完成框架施工。
对既有城际线路采用D24、D16钢便梁进行架空线路加固。
在线路右侧设工作坑,进行基底处理、后背、滑板施工、预制框架,后采用中继间法进行顶进作业,同时对既有线行车限速,顶进过程中加强观测防护,确保顶进过程中行车安全。
3 框架顶进的线路加固3.1 钢便梁设计实测两线间线间距仅为4.03m,而按《D型钢便梁使用说明书》D24便梁复线线间须采用两片纵梁,且线间距不得小于4.51m;Ⅰ线轨面标高为25.779m、Ⅱ线为25.840m,依据《铁路技术管理规程》在1725mm~1875mm限高范围内建筑限界高出轨面不得大于350mm,因此,钢便梁在两线间只能采用单片,方能满足限界要求。
并在跨中加设Φ150cm钢筋混凝土支撑桩以策安全。
钢便梁长度采用(D16+ D24+ D16)的结构形式,为满足限界要求,两股道中的便梁D24、D16便梁均采用最低位安装;两线路外侧的D24便梁采用中位安装、D16便梁采用低位安装。
钢便梁加固横断面图见图2。
3.2 支承桩的设计、检算框架桥顶进线路加固主跨采用D24施工便梁;下设钢筋混凝土支撑桩:主跨为φ150cm的支承桩,桩端部100cm的深度内做成250×250cm扩大头,附跨两端支墩为Φ150cm钢筋砼支墩,便梁跨中的临时支墩采用φ100cm的钢筋混凝土桩,桩底平框架底,C20混凝土。