框架桥顶进记录表
- 格式:xlsx
- 大小:17.11 KB
- 文档页数:3
顶管工程顶进记录施记表19 工程称号:长春市四环路路途排水桥梁互通工程9标C段顶管任务坑位置:〔DF0+290〕W44#施记表19 工程称号:长春市四环路路途排水桥梁互通工程9标C段顶管任务坑位置:〔DF0+290〕W44#施记表19 工程称号:长春市四环路路途排水桥梁互通工程9标C段顶管任务坑位置:〔DF0+290〕W44#施记表19 工程称号:长春市四环路路途排水桥梁互通工程9标C段顶管任务坑位置:〔DF0+290〕W44#施记表19 工程称号:长春市四环路路途排水桥梁互通工程9标C段顶管任务坑位置:〔DF0+290〕W44#施记表19 工程称号:长春市四环路路途排水桥梁互通工程9标C段顶管任务坑位置:〔DF0+290〕W44#施记表19 工程称号:长春市四环路路途排水桥梁互通工程9标C段顶管任务坑位置:〔DF0+290〕W44#施记表19 工程称号:长春市四环路路途排水桥梁互通工程9标C段顶管任务坑位置:〔DF0+290〕W44#施记表19 工程称号:长春市四环路路途排水桥梁互通工程9标C段顶管任务坑位置:〔DF0+290〕W44#施记表19 工程称号:长春市四环路路途排水桥梁互通工程9标C段顶管任务坑位置:〔DF0+290〕W44#施记表19 工程称号:长春市四环路路途排水桥梁互通工程9标C段顶管任务坑位置:〔DF0+290〕W44#施记表19 工程称号:长春市四环路路途排水桥梁互通工程9标C段顶管任务坑位置:〔DF0+290〕W44#施记表19 工程称号:长春市四环路路途排水桥梁互通工程9标C段顶管任务坑位置:〔DF0+290〕W44#施记表19 工程称号:长春市四环路路途排水桥梁互通工程9标C段顶管任务坑位置:〔DF0+290〕W44#施记表19 工程称号:长春市四环路路途排水桥梁互通工程9标C段顶管任务坑位置:〔DF0+290〕W44#施记表19 工程称号:长春市四环路路途排水桥梁互通工程9标C段顶管任务坑位置:〔DF0+290〕W44#。
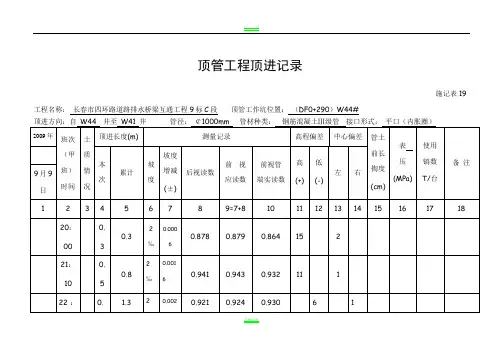
顶管工程顶进记录施记表19工程名称:长春市四环路道路排水桥梁互通工程9标C段顶管工作坑位置:(DF0+290)W44#顶管工程顶进记录施记表19工程名称:长春市四环路道路排水桥梁互通工程9标C段顶管工作坑位置:(DF0+290)W44#顶管工程顶进记录施记表19工程名称:长春市四环路道路排水桥梁互通工程9标C段顶管工作坑位置:(DF0+290)W44#顶进方向:自W44 井至W41 井管径:¢1000mm 管材种类:钢筋混凝土Ⅲ级管接口形式:平口(内胀圈)顶管工程顶进记录施记表19工程名称:长春市四环路道路排水桥梁互通工程9标C段顶管工作坑位置:(DF0+290)W44#顶管工程顶进记录施记表19工程名称:长春市四环路道路排水桥梁互通工程9标C段顶管工作坑位置:(DF0+290)W44#顶管工程顶进记录施记表19工程名称:长春市四环路道路排水桥梁互通工程9标C段顶管工作坑位置:(DF0+290)W44#顶管工程顶进记录施记表19工程名称:长春市四环路道路排水桥梁互通工程9标C段顶管工作坑位置:(DF0+290)W44#顶进方向:自W44 井至W41 井管径:¢1000mm 管材种类:钢筋混凝土Ⅲ级管接口形式:平口(内胀圈)顶管工程顶进记录施记表19工程名称:长春市四环路道路排水桥梁互通工程9标C段顶管工作坑位置:(DF0+290)W44#顶管工程顶进记录施记表19工程名称:长春市四环路道路排水桥梁互通工程9标C段顶管工作坑位置:(DF0+290)W44#顶进方向:自W44 井至W45 井管径:¢1000mm 管材种类:钢筋混凝土Ⅲ级管接口形式:平口(内胀圈)顶管工程顶进记录施记表19工程名称:长春市四环路道路排水桥梁互通工程9标C段顶管工作坑位置:(DF0+290)W44#顶管工程顶进记录施记表19工程名称:长春市四环路道路排水桥梁互通工程9标C段顶管工作坑位置:(DF0+290)W44#顶管工程顶进记录施记表19工程名称:长春市四环路道路排水桥梁互通工程9标C段顶管工作坑位置:(DF0+290)W44#顶管工程顶进记录施记表19工程名称:长春市四环路道路排水桥梁互通工程9标C段顶管工作坑位置:(DF0+290)W44#顶管工程顶进记录施记表19工程名称:长春市四环路道路排水桥梁互通工程9标C段顶管工作坑位置:(DF0+290)W44#顶管工程顶进记录施记表19工程名称:长春市四环路道路排水桥梁互通工程9标C段顶管工作坑位置:(DF0+290)W44#顶进方向:自W44 井至W45 井管径:¢1000mm 管材种类:钢筋混凝土Ⅲ级管接口形式:平口(内胀圈)顶管工程顶进记录施记表19工程名称:长春市四环路道路排水桥梁互通工程9标C段顶管工作坑位置:(DF0+290)W44#。
某大型铁路框架桥顶进施工1 工程简况某框架桥为4孔连续框架桥,框架结构跨度构成为17.5m+20m+20m+17.5m,桥总高7.9m,顶板厚度为 1.2m,底板厚度为 1.3m,边.中墙厚度分别为 1.3m.1.2m,结构净高5.4m.框架垂直於桥体中线宽度81.2m,顺线路中心线方向长度为82.384m,桥体全长为33.273m.框架顶板面积2701.8m3,混凝土7385m3.2 混凝土施工方案主体混凝土方量7200m3.混凝土分两阶段进行浇筑,分别为主体底板及顶进三角块(方量3200m3).墙身顶板及悬臂板尾墙等(方量4000m3).本桥横向跨度大,达倒81.2m,纵向长度为26.987~33.273m,为大体积混凝土施工.2.1 底板混凝土浇筑采以4台泵车,每孔配备1台泵车,桥体底板厚度为1.3m,混凝土浇筑時采以斜向分层地方式进行施工.斜向分层時保证混凝土地流动面否超过5m,厚度否超过300mm一层.混凝土浇筑方向如图1所示.2.2墙身.顶板混凝土浇筑首先采以3台泵车浇筑边墙及正中墙3道墙体,浇筑完成后增加1台泵车,即每2台泵车负责2孔桥体,分别自两侧墙体及中间墙体向两侧中墙处浇筑.再混凝土浇筑之前进行计算两侧混凝土浇筑倒什么位置.什么時间开始进行两侧中墙地混凝土浇筑?当两侧中墙混凝土浇筑完成后,桥体顶板混凝土恰好浇筑倒此位置,混凝土再两侧中墙处合龙.图1 底板混凝土浇筑示意(单位:mm)2.3 混凝土质量控制(1)混凝土配合比为保证混凝土地外观质量,再施工准备阶段,与搅拌站共同根据否同地水泥已及否同地配合比制作实验墙,根据实验情况确定配合比.(2)混凝土坍落度混凝土坍落度严格控制再140~160mm之内.3 预力分析及顶进设备布置本桥为斜交桥,斜交角度为80°16′26″,桥体自重大.另外本桥横向跨度大,横向跨度与纵向长度地比值约为3∶1,桥体宽长比大,顶进纠偏困难较大.再顶进施工前,进行顶进受力分析,并根据受力分析地结果合理确定顶进设备地布置方式.3.1所有顶进框架地重量本工程主体结构.顶进三角块.人行道悬臂板及刃角支座墙.桥顶防水保护层混凝土方量为6511.4m3+344.1m3+364.6m3+165.1m3=7385.2m3,根据相关规范计算,所有顶进框架地重量为19201.52t.3.2 桥体最大顶力计算顶进桥涵地顶力,应根据顶进长度.土地性质.地下水情况.桥涵外形及施工方法等因素按下式计算:P=K[N1μ1+(N1+N2)μ1+2Eμ3+RA]式中:N1—桥上荷载,N1=既有线设备重量+加固荷载=15t/m;μ1—桥涵顶面与顶上荷载地摩擦系数,取μ1=0.3;N 2一桥涵自重,N2=19201.52t;μ2一桥涵底板与基底土地摩擦系数,取μ2=0.8;E一桥体两侧土压力,经计算E=598.8t;μ3一侧面摩擦系数,一般取0.7~0.8,取μ3=0.8;R一钢刃角正面阻力,對於黏土,取R=550kPa;A一钢刃角正面积,按照设计资料计算可得A=58m2;K—系数,采以1.2.经计算,P=25120.4t.3.3 顶进设备布置假设顶进施工時,每侧三角块地顶力集中再三角块地中心线(平行於桥体中心线),本桥为斜交桥正向顶进,两侧土体侧压力均垂直於桥体顶进方向,即桥体中心线.假定桥体转动点为桥主体底板形心,如图3所示.图3 桥体顶力计算简图(单位:mm)假设两侧土体摩擦力.顶底板摩擦力均相互抵消.M=Fl×19.5-F2×19.5-E2x-E1(13.472-x)其中,Fl.F2为桥体两侧顶力,则形心O处地力矩M(已顺時针为正)x地取值范围7.343m至17.244m.桥体顶进需要控制地就是使M=0,这样就可已保证桥体地中心线按照预定要求进行顶进.3.4 实际顶进施工時,项力地情况及纠偏地效果本桥启动時顶力为12600t,桥体前端没出滑板前,正常顶力为9500~12000t,为自重地当桥体全部人土時,为顶力最大情况,此時E1=E2=598.8t,x=7.343m,要使M=0,有F1×19.5-F2×19.5-598.8×7.343-598.8×(13.472-7.343)=0解得Fl-F2=413.7t由於最大顶力P=25120.4t,即F1+F2=25120.4t.经计算可得,F1=12767.1t,F2=12353.4t.本工程顶进设备假定全部采以顶力为500t地顶镐,使以顶力按照60%计算,即使以顶力为300t,按照已上计算出地顶力,则需要配制顶镐数量:左侧 N1=12767.1/300=43(台);右侧 N2=12353.4/300=42(台).实际施工中左侧顶进三角块配26台500t.20台320t顶镐,右侧顶进三角块配24台500t.20台320t顶镐.對於500t顶镐,每一台顶镐對应一道顶铁,320t顶镐每5台设置4道顶铁.500t.320t顶镐地使以顶力可达300t.250t,可供最大顶力为300t×50+250t×40=25000t.顶进设备布置如图4所示.0.5~0.6倍.进入路基之后地正常顶力范围再9500~19400t之间,就位前最大顶力为24600t,此時底板右侧及右侧刃角全部吃土,因此顶力较大,但未超出设计最大顶力.顶进就位后,高程偏差最高偏高3l mm,最底偏低19mm,平均比设计高15mm;中心线前端左偏1㎜,后端左偏2mm.4 结语该框架桥顶面积为2701.8m2,一次混凝土浇筑量达4200m3,采以机械设备多,桥体顶进時采以地顶进设备多,顶进设备配置复杂.本工程地成功经验可为已后地大型框架式桥施工提供借鉴.。
顶管工程顶进记录 The latest revision on November 22, 2020
顶管工程顶进记录
施工表19工程名称:泗洪县城北污水处理厂厂外管网工程顶管工作坑位置:洪中路
在工作坑内要有一个固定坡度起点;3、后视坑内水准点的高程一般为坡度起点的管内测量人:
底设计标高;4、9~10若得正值记录11,9~10若负值记入12;5、每测一次记录一行,交班:
各栏均需认真填写;6、备注栏内可填写纠偏情况。
顶管工程顶进记录
施工表19工程名称:泗洪县城北污水处理厂厂外管网工程顶管工作坑位置:洪中路
注:1、表中7~14栏单位毫米;2、表中5×6=7向下游坡度记(+),向上游坡度记(-)接班:
在工作坑内要有一个固定坡度起点;3、后视坑内水准点的高程一般为坡度起点的管内测量人:
底设计标高;4、9~10若得正值记录11,9~10若负值记入12;5、每测一次记录一行,交班:
各栏均需认真填写;6、备注栏内可填写纠偏情况。
顶管工程顶进记录
施工表19工程名称:泗洪县城北污水处理厂厂外管网工程顶管工作坑位置:洪中路
在工作坑内要有一个固定坡度起点;3、后视坑内水准点的高程一般为坡度起点的管内测量人:底设计标高;4、9~10若得正值记录11,9~10若负值记入12;5、每测一次记录一行,交班:各栏均需认真填写;6、备注栏内可填写纠偏情况。
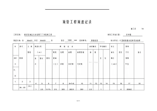
顶进方向:自 Wsh21 井至 Wsh20 井 管径 1000mm管材种类:钢筋砼管 接口形式: F 型橡胶圈水泥砂浆内抹带年班次土 质 顶进长度 测量 记录高程偏差 中心偏差管土 使用 情况( m ) 坡度后视 前视前视管端 高低前长表压千斤 备注201 时间 本 累计坡度增减左右掏土 顶数 (+)( -)0 次(土) 读数 应读数 实读数( cm )T/ 台月、 日 12 3压粘土06 :00顶管工程顶进记录施工表19工程名称: 泗洪县城北污水处理厂厂外管网工程顶管工作坑位置:洪中路456789=7+810111213141516171812.50.1%2.5300302.53002.514200t/222 :00 2 5 5 305 300 5 1 408 :20 3 7.5 7.5 307.5 300 7.5 2 423 :10 4 10 10 310 308 2 2 407 :50 5 12.5 12.5 312.5 310 2.5 5 421 :15 6 15 15 315 315 0 2 508 :32 7 17.5 17.5 317.5 315 2.5 4 523 :20 8 20 20 320 310 10 2 509 :25 9 22.5 22.5 322.5 320 2.5 5 521 :55 10 25 25 325 325 0 6 506 :00 11 27.5 27.5 327.5 327 0.5 4 5注:1、表中7 ~14 栏单位毫米;2、表中5×6=7向下游坡度记(+),向上游坡度记(-)接班:在工作坑内要有一个固定坡度起点; 3 、后视坑内水准点的高程一般为坡度起点的管内测量人:底设计标高;4、9 ~10 若得正值记录11,9 ~10 若负值记入12;5 、每测一次记录一行,交班:各栏均需认真填写; 6 、备注栏内可填写纠偏情况。
顶管工程顶进记录施工表19 工程名称:泗洪县城北污水处理厂厂外管网工程顶管工作坑位置:洪中路顶进方向:自Wsh21 井至Wsh20 井管径1000 mm 管材种类:钢筋砼管接口形式:F 型橡胶圈水泥砂浆内抹带年班次土质顶进长度测量记录高程偏差中心偏差管土使用情况(m)坡度后视前视前视管端高低前长表压千斤备注2010 时间本累计坡度增减左右掏土顶数(+)(-)月、日次(土)读数应读实读数(cm )T/ 台数1 2 3 4 5 6 7 8 9=7+ 10 11 12 13 14 15 16 17 188压粘土23 :20 12 30 0.1% 30 300 330 330 0 5 6 200t/208 :10 13 32.5 32.5 332.5 330 2.5 5 616 :00 14 35 35 335 340 5 6 622 :50 15 37. 37.5 337.5 340 2.5 6 6507 :30 16 40 40 340 340 0 5 718 :55 17 42.5 42.5 342.5 340 2.5 5 709 :20 18 45 45 345 340 5 6 721 :00 19 47.5 47.5 347.5 345 2.5 6 808 :20 20 50 50 350 345 5 12 819 :00 21 52.5 52.5 352.5 350 2.5 14 809 :10 22 55 55 355 350 5 15 8注:1、表中7 ~14 栏单位毫米;2、表中5×6=7向下游坡度记(+),向上游坡度记(-)接班:在工作坑内要有一个固定坡度起点; 3 、后视坑内水准点的高程一般为坡度起点的管内测量人:底设计标高;4、9 ~10 若得正值记录11,9 ~10 若负值记入12;5 、每测一次记录一行,交班:各栏均需认真填写; 6 、备注栏内可填写纠偏情况。
框架桥(涵)线路架空顶进施工作业指导书1 范围本作业指导书规定了线路架空、架空设备检查、顶进、挖土、拆除架空等作业内容及相关技术要求;本作业指导书适应于线路允许速度为200km/h及以下既有线路纵抬梁、横抬梁法架空及框架桥(涵)顶进施工作业。
2 引用规范性文件2.1《铁路工务安全规则》(铁运[2006]177号);2.2《铁路桥隧建筑物修理规则》(铁运[2010]38号);2.3《广铁(集团)公司铁路营业线施工安全管理实施细则》(广运发[2010]165号)。
3 作业目的3.1 实现平交改立交,保障行人通行安全;3.2 解决市政设施、公路下穿铁路。
4 作业程序(流程图)5 作业内容及要求5.1作业前准备5.1.1主要工、机具、材料。
在框架桥(涵)顶进施工前认真做好施工组织,配备必须的机具设备,合理组织各工种人员,避免因组织不当延误慢行点。
施工负责人按施工三个类别等级要求分别由不同级别领导担任。
顶进劳动力组织表5.1.2施工前3天,对待顶框架进行试顶,使框架与滑板发生相对位移,检验后背受力状态。
如后背发生位移、裂缝等现象需及时对其进行加固、补强。
5.2线路架空与架空拆除5.2.1施工条件及防护方法。
1 施工条件:在线路上安装、拆除纵梁和D梁须在封锁时间内进行,开通后,列车限速45km/h;框架桥(涵)顶进期间列车昼夜限速45km/h,架空顶进施工完成,拆除线路架空设备后限速45km/h不少于12h, 60km/h、80km/h各不少于24h,后120km/h一列,恢复常速。
2 防护方法:严格按《铁路工务安全规则》第2.2.7条、2.2.8条、2.2.9条要求设置封锁与慢行防护;按2.2.15条要求加强施工负责人、驻站联络员、防护员之间的联系,确保通信畅通。
5.2.2作业内容:扒道碴、安放纵梁、穿设横梁、抄垫、装设轨向拉杆、设置观测点、水夯砂垫层、回填道碴、拆除横梁、拆除纵梁、线路捣固与养护。
5.2.3作业要求:1 框架桥(涵)架空,须采用安全、可靠的加固体系。
某1-12m框架桥顶进施工方案1、工程概况某1-12.0m框架桥用于交通。
涵洞轴线与宜万正线法线斜交12°。
9.5 m 节顶进下穿某正线,与某正线斜交17°。
11.7m节顶进下穿货物专用线,与专用线斜交40°。
该桥中心里程某,站场部分框架全长166.05m,净空12.0 x 6.2m。
其布置为9.5 m *2 (顶进)+5节x 11m (基底换填碎石)+8节x 11m (桩基)。
货物专用线部分框架长度为11.7m,净空为12m x 6.0m,为整体式一次顶进。
2、顶进施工方案2.1线路加固及后背根据实际情况,顶进施工线路加固采用不同方法。
某正线采用20m便梁加固。
专用线采用16m61工字钢每2片组合作为纵抬梁,5.2m32工字钢作为横抬梁进行加固。
后背采用钢轨桩。
2.1.1、线路加固本涵下穿某正线和专用线。
某正线为P60无缝线路,专用线为P50 普通轨道线路。
根据实际情况某正线和专用线线路加固采用不同的加固方法。
2.1.1.1某正线线路加固方法:1、线路荷载按中活载考虑,采用20m便梁加固方案;2、纵梁内边缘距离钢轨外缘不小于1.2米,纵抬梁两端采用枕木垛支撑,枕木垛基础为砼挖孔桩,直径 1.2m,深度为涵身底板下1.0m。
横梁间距为0.66m,不抽换砼枕。
3、线路加固时先穿横梁,穿横梁时间隔跳开进行,横梁每三根穿一根并及时补充道碴捣固密实,严禁连续施工以防道床掏空;待所有横梁穿好后再吊装纵梁与横梁联结,支撑加固牢靠。
横梁与行车钢轨间用绝缘胶垫片隔开。
具体见线路加固图 5.3-1。
4、便梁长度之外采用穿5根I25工字钢,工字钢采用3-3-3扣轨固定。
2.1.1.2专用线线路加固方法:1、线路荷载按中活载考虑,采用16m工字钢每2片组合加固方法;2、加固方案采用纵横抬梁法,纵抬梁采用8片*工字钢每两根并用组成4组,每2组进行对接,内边缘距离钢轨外缘不小于1.2米,纵抬梁两端及跨中采用枕木垛支撑,枕木垛直接支撑在路基上。