CATIA工程图标准配置说明
- 格式:doc
- 大小:693.50 KB
- 文档页数:3
catia⼯程图环境设置第⼀步:以管理员⾝份登录然后新建C:\Documents and Settings\All Users\Application Data\DassaultSystemes\ ReferenceSettingPath 新建C:\Documents and Settings\All Users\Application Data\DassaultSystemes\ CollectionStandard ⽅法:在Environment Editor V5R17图标上右键---属性,在最后⾯加-admin,注意:在 -admin的前⾯有个空格。
然后启动:Environment Editor V5R17编辑CATReferenceSettingPath = C:\Documents and Settings\All Users\Application Data\DassaultSystemes\ReferenceSettingPath 编辑CATCollectionStandard = C:\Documents and Settings\All Users\Application Data\DassaultSystemes\CollectionStandard第⼆步:更改快捷键以管理员⽅式启动将"F:\Program Files\Dassault Systemes\B17\intel_a\code\bin\CATSTART.exe" -run "CNEXT.EXE" -env CATIA_P3.V5R17.B17 -direnv "C:\Documents and Settings\All Users\Application Data\DassaultSystemes\CATEnv" –nowindow更改为:"F:\Program Files\Dassault Systemes\B17\intel_a\code\bin\CATSTART.exe" -run "CNEXT.EXE -admin" -env CATIA_P3.V5R17.B17 -direnv "C:\Documents and Settings\All Users\Application Data\DassaultSystemes\CATEnv" –nowindow⽅法:在启动⽂件上右键--属性,注意:在 -admin的前⾯有个空格。
关于如何在catia工程图中定义新的制图标准。
在catia v5R14工程图中默认的标注标准有JIS、ISO、ANSI等,但是没有国标GB。
其实可以通过自定义来得到自己想要的标注标准。
看好了,下面就是定义的步骤。
1.在window开始中的catia./Tools下找到Environment Editor,双击运行。
2.更改其中的两个参数。
CATReferenceSettingPath 和CATCollectionStandard。
这两个参数原本都是空值,可以按上图的路径设定,当然也可以是其他的路径。
其中CATReferenceSettingPath参数控制是否允许或是不允许修改Catia中的
options中的参数。
而CATCollectionStandard参数的设定可以使用户获得修改和定制工程图中“标准”(Standard)的权限。
3.现在可以以管理员模式启动catia了。
在windows运行中输入:CNEXT –admin
4.现在进入catia可以发现options中以前灰色的小锁是不是都变成了绿色的小锁?现在就可以自由的设定所有参数的修改权限了。
5.退出options,再进入工具菜单栏下的标准(standard)设置,现在就可以定制GB了。
可以按国标定制标注的形式,线条的粗细,箭头的大小,字体等等。
大家可以试一试,定制出自己需要的标准了。
CATIA(V5R22)工程制图应用规范编制:校对:审核:标准化:批准:2019-06-20发布2019-06-20实施前言ICATIA(V5R22)工程制图应用规范1范围本标准规定了XXX有限公司的CATIA工程制图相关要求。
本标准适用于XXX有限公司的CATIA工程制图(合作单位提供的工程图纸需满足本标准要求)。
2规范性引用文件下列文件中的部分条款通过本标准的引用而成为本标准的条款。
凡是注日期的引用文件,仅注日期的版本适用于本文件。
凡是不注日期的引用文件,其最新版本(包括所有的修改单)适用于本文件。
GB/T 324 焊缝符号表示法GB/T 1182产品几何技术规范(GPS)几何公差形状、方向、位置和跳动公差标注GB/T 1800.1 产品几何技术规范(GPS)极限与配合第1部分:公差、偏差和配合的基础GB/T 4457.4 机械制图图样画法图线GB/T 5185 焊接及相关工艺方法代号GB/T 10609.1 技术制图标题栏GB/T 10609.2 技术制图明细栏GB/T 13361技术制图通用术语GB/T 14689 技术制图图纸幅面和格式GB/T 14690 技术制图比例GB/T 14691 技术制图字体GB/T 15751 技术产品文件计算机辅助设计与制图词汇GB/T 16672 焊缝—工作位置—倾角和转角的定义GB/T 17450 技术制图图线GB/T 18229CAD工程制图规则GB/T 19418 钢的弧焊接头缺陷质量分级指南3术语和定义本文件适用于GB/T 13361界定的术语和定义。
4图幅图幅只允许采用GB/T 14689中规定的部分带有装订边的图纸幅面,见图1及表1。
图1 带有装订边的图纸幅面表1 幅面规格单位为:mm5属性(参数)设置图纸检入PLM系统,需对图纸的属性(参数)进行完善,详细内容参见表2。
表2 属性的定义及填写要求表2 属性的定义及填写要求(续)6工程图标题栏及表格在工程制图中,需要用表格形式来表达的内容(如标题栏、明细栏等),每个框的内容需要做到上下左右居中。
CATIA制图GB设置安装CATIA后,在制图时能够符合国标需进行的相关设置我公司CATIA制图标准参照Q/SQR.04.333—2006一、计算机设置设置方法如下:1.我的电脑-工具-文件夹选项-查看-勾选在地址栏中显示全部路径2.CATIA。
做一下更改:红字部分如:"E:\Dassault Systemes\B15\intel_a\code\bin\CATSTART.exe" -run "CNEXT.exe "-env ldh -direnv "C:\Documents and Settings\Administrator\Application Data\DassaultSystemes\CATEnv" -nowindow改为:"E:\Dassault Systemes\B15\intel_a\code\bin\CATSTART.exe" -run"CNEXT.exe -admin"-env ldh -dir env "C:\Documents and Settings\Administrator\Application Data\DassaultSystemes\CATEnv" -nowindo w启动CATIA V5 Administrator 模式,设定共享的设定环境的步骤1.于C:\Documents and Settings\All Users\Application Data\DassaultSystemes 目录下建立ReferenceSettingPath数据夹于C:\Documents and Settings\All Users\Application Data\DassaultSystemes 路径下建立CollectionStandard数据夹2.于C:\Documents and Settings\All Users\Application Data\DassaultSystemes\ReferenceSettingPath目录下建立B14的数据夹,此数据夹是用来储存CATIA V5 管理者的共享设定,一般User 无法更改这些设定值3.开启C:\Documents and Settings\All Users\Application Data\DassaultSystemes\CATEnv\CATIA_P3.V5R1 0.B14.txt4.修改CATUserSettingPath=CSIDL_APPDATA\DassaultSystemes\CATSettings为CATUserSettingPath= CSIDL_APPDATA\DassaultSystemes\CATSettings\B14,如果同时安装多个版本的CATIA 这个动作是必要的,避免设定混乱,确时的路径为C:\Documents and Settings\登入名称\App lication Data\DassaultSystemes\CATSettings\B145.增加CATReferenceSettingPath=的路径C:\Documents and Settings\All Users\Application Data\Das saultSystemes\ReferenceSettingPath\B14,此设定即指定管理者模式时CATIA V5的设定文件储存的路径,CATIA V5 会先读取此处的设定才会读取CATUserSettingPath 路径中的设定6.加入CATCollectionStandard= 的路径为C:\Documents and Settings\All Users\Application Data\Dassaul tSystemes\CollectionStandard7. 存档二、CATIA标准设置进入CATIA管理模式后修改CATIA制图标准为国标工具-标准更改类别为drafting 直接修改文件ISO.xml需要修改的有:样式、常规、修饰和维,其他可以默认ISO1. 样式其中(1)修改A4 ISO为常用的纵向(2) 修改长度/距离、角度、半径、直径等Symbols中Symbol1和Symbol2箭头Type为FilledArrow,Font中Size为4(3)修改文字(3.1)更改字大小为常用4号字(3.2)更改字间间隙,否则字间隙较小。
CATIA工程图标准配置说明
CATIA 工程图标准配置说明
1、“JACdrafting ”文件(.xml 格式)是CA TIA 工程图环境配置文件;“JAC 标题栏”(.CA TScript 格式)是标题栏生成程序
2、将“CA TIA 工程图标准”复制到本机
3、工程图环境配置
(1)将“JACdrafting ”文件(.xml 格式)复制到CA TIA 程序安装目录
“\Dassault
Systemes\B16\intel_a\resources\standard\drafting ”文件夹下;
(2)在新建工程图时注意在“标准”中选择“JACdrafting ”,然后再页样式中选取适当
的页面格式
(3)在制作工程图时, 从“工具”菜单→“标准”命令,此时弹出“标准定义”对话框;先在“类别”中选择“drafting ”,然后在“JACdrafting.xml ”;最后单击“确定”按钮,完成环境配置。
选取“JACdrafting
”标准选取合适的页面格式
在类别中选择“drafting ”
在文件中选择“drafting.xml ”
4、调用标题栏宏程序(1)调入宏程序
1
4
5
6
①“工具”→“宏”→“宏”
②单击“宏库”
③单击“添加现有库”
④选择“CA TIA 工程图标准”文件夹
⑤单击“关闭”
⑥“JAC 标题栏”已经成功掉入,单击“关闭”(2)使用“JAC 标题栏”宏程序
4
2
1
3
5
②“工具”→“宏”→“宏”
①“编辑”→“页背景”
③选中“JAC 标题栏.CA TScript ”,
⑤最终生成图框。
C A T I A工程图的设置标准 Revised by Liu Jing on January 12, 2021C A T I A制图按G B设置:安装CATIA后,在制图时能够符合国标需进行的相关设置计算机设置设置方法如下:1.我的电脑-工具-文件夹选项-查看-勾选在地址栏中显示全部路径2.设置CATIA图标属性,以进入Administrator状态,但先不启动CATI A。
方法如下:桌面上CATIA图标右键-属性-快捷方式-目标做一下更改:红字部分如:"E:\Dassault Systemes\B15\intel_a\code\bin\CATSTART.exe"-ru n "CNEXT.exe " -env ldh -direnv "C:\Documents and Settings\Admi nistrator\Application Data\DassaultSystemes\CATEnv" -nowindow改为:"E:\Dassault Systemes\B15\intel_a\code\bin\CATSTART.exe"-run "C NEXT.exe-admin" -env ldh -direnv "C:\Documents and Settings\Adm inistrator\Application Data\DassaultSystemes\CATEnv" -nowindow启动 CATIA V5 Administrator 模式,设定共享的设定环境的步骤于 C:\Documents and Settings\All Users\Application Data\Dassaul tSystemes 目录下建立 ReferenceSettingPath 数据夹于 C:\Documents and Settings\All Users\Application Data\Dassaul tSystemes 路径下建立 CollectionStandard数据夹2.于 C:\Documents and Settings\All Users\Application Data\Dassa ultSystemes\ReferenceSettingPath 目录下建立 B14 的数据夹,此数据夹是用来储存 CATIA V5 管理者的共享设定,一般 User 无法更改这些设定值4.修改 CATUserSettingPath=CSIDL_APPDATA\DassaultSystemes\CATSet tings为 CATUserSettingPath=CSIDL_APPDATA\DassaultSystemes\CATSe ttings\B14,如果同时安装多个版本的 CATIA 这个动作是必要的,避免设定混乱,确时的路径为 C:\Documents and Settings\登入名称\Appli cation Data\DassaultSystemes\CATSettings\B145.增加 CATReferenceSettingPath= 的路径 C:\Documents and Setting s\All Users\Application Data\DassaultSystemes\ReferenceSettingP ath\B14,此设定即指定管理者模式时CATIA V5的设定文件储存的路径,CATIA V5 会先读取此处的设定才会读取 CATUserSettingPath路径中的设定6. 加入 CATCollectionStandard= 的路径为 C:\Documents and Settin gs\All Users\Application Data\DassaultSystemes\CollectionStanda rd7. 存档二、CATIA标准设置进入CATIA管理模式后修改CATIA制图标准为国标工具-标准更改类别为drafting 直接修改文件ISO.xml需要修改的有:样式、常规、修饰和维,其他可以默认ISO1. 样式其中(1)修改A4 ISO为常用的纵向(2) 修改长度/距离、角度、半径、直径等Symbols中Symbol1和Symb ol2箭头Type为FilledArrow,Font中Size为4(3)修改文字(3.1)更改字大(3.2)更改字间间隙,否则字间隙较小。
CATIA软件绘标准规范CATIA软件绘制标准规范CATIA是一种广泛应用于机械设计和制造行业的三维建模软件。
为了保证设计图纸的准确性和一致性,制定绘制标准规范至关重要。
本文将介绍CATIA软件下的标准规范,以帮助设计师和工程师们在使用CATIA软件时达到统一的绘图标准。
一、图纸设置在开始绘图之前,首先要进行图纸设置。
打开CATIA软件后,选择“纸张设置”选项。
在纸张设置窗口中,可以选择图纸的大小、方向和比例。
根据实际需要,选择合适的纸张尺寸和横竖方向,并设置正确的比例,通常选用1:1的比例以保持图纸的准确性。
二、图层管理良好的图层管理可以帮助我们更好地组织和控制图纸上的不同元素。
在CATIA软件中,可以通过图层管理功能进行图层的创建、编辑和设置。
设计师可以根据需要创建不同类型的图层,并对每个图层进行相应的设置。
例如,可以为投影、尺寸、注释等元素分别创建不同的图层,并根据需要进行隐藏或显示。
三、线型和线宽在绘图过程中,正确选择线型和线宽是保证图纸美观和易读性的关键。
CATIA软件提供了丰富的线型和线宽选项。
在绘图时,设计师可以根据实际需要选择合适的线型,例如实线、虚线、点线等,并通过设置线宽来控制线的粗细。
通常,主要的物体轮廓线选择实线,辅助线选择虚线,尺寸标注线选择细线,以便在视觉上能够清晰地区分各种线条。
四、尺寸标注尺寸标注是绘制图纸时必不可少的一环。
在CATIA软件中,可以通过选择合适的标注工具进行尺寸标注。
在标注时,需要注意以下几点:1. 尺寸标注应该清晰、准确地表示设计要求,标注文字应与实际尺寸一致。
2. 标注线应清晰可辨,与标注文字关联紧密,避免遮挡其他图形。
3. 标注文字应位于标注线的中间或末端,与标注线成水平或垂直排列。
五、视图投影在CATIA软件中,通过选择不同的视图投影方式可以呈现出不同的视图效果。
常用的视图投影方式包括:正交投影、轴测投影等。
在选择视图投影方式时,需要根据所绘物体的特点和设计要求来确定最合适的视图投影方式。
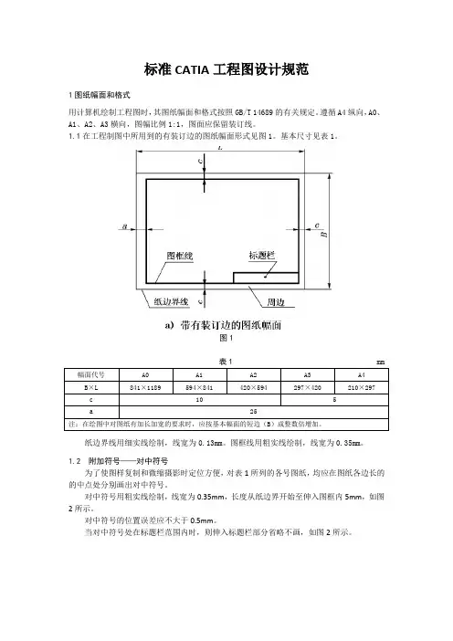
标准CATIA工程图设计规范1图纸幅面和格式用计算机绘制工程图时,其图纸幅面和格式按照GB/T 14689的有关规定。
遵循A4纵向,A0、A1、A2、A3横向,图幅比例1:1,图面应保留装订线。
1.1在工程制图中所用到的有装订边的图纸幅面形式见图1。
基本尺寸见表1。
图1纸边界线用细实线绘制,线宽为0.13mm。
图框线用粗实线绘制,线宽为0.35mm。
1.2 附加符号——对中符号为了使图样复制和微缩摄影时定位方便,对表1所列的各号图纸,均应在图纸各边长的的中点处分别画出对中符号。
对中符号用粗实线绘制,线宽为0.35mm,长度从纸边界开始至伸入图框内5mm,如图2所示。
对中符号的位置误差应不大于0.5mm。
当对中符号处在标题栏范围内时,则伸入标题栏部分省略不画,如图2所示。
图22 比例用计算机绘制工程图样时的比例大小应按照GB/T 14690中规定。
2.1在工程图中需要按比例绘制图形时,按表2中规定的系列选用适当的比例。
表22.2必要时,也允许选取表3中的比例。
表32.3 标注方法1)比例符号应以“:”表示。
比例的表示方法如1:1、1:500、20:1等。
2)比例一般应标注在标题栏中的比例栏内。
必要时可在视图名称的下方或右侧标注比例,如:平面图1:1003 字体工程图中所用的字体应按GB/T 14691要求,并应做到字体端正、笔画清楚、排列整齐、间隔均匀。
3.1工程图的字体与图纸幅面之间的大小关系参见表4。
3.2工程图中字体的最小字(词)距、行距以及间隔线或基准线与书写字体之间的最小距离见表5表5 mm3.3工程图中的字体选用范围见表6。
表64 图线4.1 图线的颜色4.2 线宽表95 剖面符号工程图中剖切面的剖面区域的表示见表10。
6 标题栏工程图中的标题栏,应遵守GB/T 10609.1中的有关规定。
6.1 基本要求6.1.1 每张工程图均应配置标题栏并应配置在图框的右下角。
6.1.2 标题栏中的字体,签字除外应符合1.3中的要求。
如何建立CATIA工程图的新标准问题:如何将已有的标准如ISO、ANSI等转换为GB?解决这个问题需要在CATIA中建立满足用户需要的新标准。
新标准一旦建好,用户绘制二维图时,就可以直接选择自己建立的标准而不用选择系统提供的标准(因为系统提供的标准有时不能满足用户的需要)。
下面以ISO标准(在这个标准中,默认字体为“SICH”,Size为“3.5”)为模板来讲述建立GB的过程,在建立GB的过程中,你可以更改相关的选项以符合GB。
1.在C盘(任何一个盘都可以)内创建一个文件夹,命名为NewStandard,在这个文件夹的内部再创建两个文件夹,分别命名为Setting 和 Standard,在Standard内部再创建一个文件夹,命名为Drafting(必须命名为Drafting)。
注释:这一步必须做,如果不做这一步,一旦以管理方式进入CATIA,那样就等于直接修改系统提供的标准,就会把系统提供的标准改得面目全非,以后一旦需要用系统提供的标准,就会出现预想不到的问题。
而做了上面这一步,就是以系统提供的标准为模板,建立自己的标准,而不会影响吸系统提供的默认标准。
2.在资源管理器中,打开工具菜单中的文件夹选项,选择查看,在高级设置中选择“在地址栏中显示全路径”选项。
(如果资源管理器中“在地址栏中显示全路径”选项已经选中,可以跳过这一步)。
3.进入c:\New Standard\Setting文件夹,在地址栏中把路径复制下来。
4.打开CATIA V5R17的环境编辑器(依次点击程序—CATIA—Tools—Environment Editor V5R17),找到CATReferenceSettingPath 变量,用鼠标右键点击这个变量,在弹出菜单中选择编辑变量,打开变量编辑器,在“值:”区域,粘贴刚才复制的路径。
图1、打开CATIA环境路径图2、点击右键赋值图3、粘贴路径5.把c:\New Standard\Standard路径作为值赋给CATCollectionStandard变量。
CATIA-常用配置及介绍CATIA 常用配置及介绍产品领域产品名称描述机械设计 HD2 混合设计包MD2 机械设计包SL3 航空钣金设计包工程分析 SA2 工程分析包知识产品 KD3 知识工程包电子样机 DMN 电子样机浏览SPA 空间干涉分析FIT 拆装分析KIN 机构运动分析基础架构 UDL UG 接口基础架构 ST1 Step 接口CATIA 混合设计配置2 (HD2)该配置提供一整套工具,可进行全数字化样机零件、装配件和特别复杂外形的3D设计,并可生成工程图纸。
作为CATIA P2应用平台的配置,它提供了高级的面向3D的产品特征。
例如漫游导航器和高级的图形显示和处理。
由于可与其它CATIA V5产品兼容,并提供有与CATIA V4兼容的集成工具,以及常见的工业标准数据接口,用户可从此高效解决方案中获益;该配置的这些优点使得它成了V4用户的当然选择。
1).CATIA创成式工程绘图2(Generative Drafting 2)CATIA创成式工程绘图产品2是新一代的CATIA产品,可以从3D 零件或装配件生成相关联的2D图纸。
结合交互绘图功能,创成式工程绘图产品2集成了2D交互式绘图功能和高效的工程图修饰和标注两方面的优点。
创成式工程绘图产品2是一个灵活可扩展的解决方案,能创建与CATIA V4或V5生成的3D机械设计、曲面、混合造型的零件或装配件相关联的2D 工程图纸。
3D尺寸可以通过控制其位置来自动生成。
用户可以利用标准的修饰特征添加后生成的标注。
2D图纸与3D主模型之间的关联性使用户可以进行设计和标注的并行工作。
(5691-GDR)2).CATIA交互式工程绘图1(Interative Drafting 1)交互式工程绘图产品1是新一代的CATIA产品,可以满足二维设计和工程绘图的需求。
本产品提供了高效、直观和交互的工程绘图系统。
通过集成2D交互式绘图功能和高效的工程图修饰和标注环境,交互式工程绘图产品1也丰富了创成式工程绘图产品。
CATIA V5创成式工程绘图及交互式工程绘图目录1产品介绍 (5)2图标功能介绍(基本概念、基本界面介绍) (5)2.1视图(Views)图标 (5)2.2绘图(Drawing)图标 (6)2.3尺寸(Dimensioning)图标 (6)2.4生成(Generation)图标 (7)2.5注释(Annotations)图标 (8)2.6装饰(Dress up)图标 (8)2.7几何元素创立(Geometry creation)图标 (9)2.8几何元素修改(Geometry modification)图标 (10)3软件环境设定(Customizing Settings) (12)3.1一般环境参数设定(General) (12)3.2布置(Layout)设置 (13)3.3生成(Generation)设置 (14)3.4几何元素(Geometry)设置 (15)3.5尺寸(Dimension)设置 (16)3.6操纵器(Manipulators)设置 (17)3.7注释(Annotation)设置 (18)4功能详解 (18)4.1投影视图创建功能(Project) (18)4.1.1前视图(Front View)创建详解 (18)4.1.2展开视图(Unfolded View)创建详解 (19)4.1.3从三维模型生成视图(View From 3D)详解 (19)4.1.4投影视图(Projection View)创建详解 (19)4.1.5辅助视图(Auxiliary View)创建详解 (20)4.1.6轴侧图(Isometric View)创建详解 (20)4.2剖面及剖视图创建功能(Section) (20)4.2.1阶梯剖视图(Offset Section View)创建详解 (21)4.2.2转折剖视图(Aligned Section View)创建详解 (21)4.2.3阶梯剖面图(Offset Section Cut)创建详解 (22)4.2.4转折剖面图(Aligned Section Cut)创建详解 (22)4.3局部放大视图功能(Details) (22)4.3.1局部放大视图(Detail View)创建详解 (22)4.3.2多边形局部放大视图(Detail View Profile)创建详解 (24)4.3.3快速生成局部放大视图(Quick Detail View)创建详解 (24)4.3.4快速生成多边形局部放大视图(Quick Detail View Profile)创建详解 (24)4.4局部视图创建功能(Clippings) (25)4.4.1局部视图(Clipping View)创建详解 (25)4.4.2多边形局部视图(Clipping View Profile)创建详解 (25)4.5断开视图(Break view) (25)4.5.1断开视图(Broken View)创建详解 (25)4.5.2局部剖视图(Breakout View)创建详解 (26)4.6视图创建模板(Wizard)的使用 (27)4.6.1视图创建模板(View Creation Wizard)详解 (27)4.6.2前视图、顶视图和左视图(Front, Top and Left)模板详解 (28)4.6.3所有的视图(All Views)模板详解 (29)4.7绘图(Drawing) (29)4.7.1生成新图纸(New Sheet) 功能详解 (29)4.7.2生成新的细节图纸(New Detail Sheet)功能详解 (29)4.7.3新的视图(New View)功能详解 (29)4.7.4二维元素示例(Instantiate 2D Component)功能详解 (29)4.8尺寸(Dimensioning)标注 (30)4.8.1标注尺寸(Dimensions )详解 (30)4.8.2坐标尺寸标注(Cumulated Dimensions)详解 (30)4.8.3阶梯尺寸标注(Stacked Dimensions)详解 (30)4.8.4长度、距离尺寸标注(Length/Distance Dimensions)详解 (31)4.8.5角度尺寸标注(Angle Dimensions)详解 (31)4.8.6半径尺寸标注(Radius Dimensions)详解 (31)4.8.7直径尺寸标注(Diameter Dimensions)详解 (31)4.8.8倒角尺寸标注(Chamfer Dimensions)详解 (31)4.8.9螺纹尺寸标注(Thread Dimensions)详解 (32)4.8.10坐标标注(Coordinate Dimensions)详解 (32)4.8.11孔尺寸列表(Hole Dimensions Table)详解 (32)4.8.12引出线断开(Create Interruption)详解 (33)4.8.13取消引出线断开(Remove Interruption)详解 (33)4.8.14取消所有的引出线断开(Remove All Interruptions)详解 (33)4.8.15基准建立(Datum Feature)详解 (33)4.8.16形状及位置公差(Geometric Tolerance)详解 (33)4.9生成(Generation)功能 (34)4.9.1自动标注尺寸(Generating Dimensions)详解 (34)4.9.2一步一步地自动标注尺寸(Generating Dimensions Step by Step)详解 (34)4.9.3在装配图中自动标注零件(Generating Balloons)详解 (35)4.10注释(Annotations)功能 (36)4.10.1文字标注(Text)详解 (36)4.10.2带引出线的文字标注(Text With Leader)详解 (36)4.10.3文字复制(Text Replicate)详解 (36)4.10.4在装配图中标注零件(Balloon)详解 (37)4.10.5基准目标建立(Datum Target)详解 (37)4.10.6粗糙度符号标注(Roughness Symbol)详解 (37)4.10.7焊接符号(Welding Symbol)详解 (38)4.10.8焊接位置标注(Weld)详解 (38)4.11装饰(Dress up)功能 (39)4.11.1生成中心线(Center Line)详解 (39)4.11.2参考其它元素生成中心线(Center Line with Reference)详解 (39)4.11.3生成螺纹线(Thread)详解 (39)4.11.4参考其它元素生成螺纹线(Thread with Reference)详解 (39)4.11.5生成轴线(Axis Line)详解 (40)4.11.6生成轴线和中心线(Axis Line and Center Line)详解 (40)4.11.7生成剖面线(Area Fill)详解 (40)4.12装配图中生成零件表(BOM)功能 (40)4.13标题栏及图框的生成功能 (41)4.14制图标准选择 (41)1 产品介绍CATIA V5 CATIA V5的工程绘图模块(Drafting)由创成式工程绘图(GDR)和交互式工程绘图(ID1)组成。
CATIA制图按GB设置:安装CATIA后,在制图时能够符合国标需进行的相关设置我公司CATIA制图标准参照Q/SQR.04.333—2006计算机设置设置方法如下:1.我的电脑-工具-文件夹选项-查看-勾选在地址栏中显示全部路径2.设置CATIA图标属性,以进入Administrator状态,但先不启动CATIA。
方法如下:桌面上CATIA图标右键-属性-快捷方式-目标做一下更改:红字部分如:"E:\Dassault Systemes\B15\intel_a\code\bin\CATSTART.exe"-run "CNEXT.exe " -env ld h -direnv "C:\Documents and Settings\Administrator\Application Data\DassaultSystemes\CA TEnv" -nowindow改为:"E:\Dassault Systemes\B15\intel_a\code\bin\CATSTART.exe"-run "CNEXT.exe-admin" -en v ldh -direnv "C:\Documents and Settings\Administrator\Application Data\DassaultSysteme s\CATEnv" -nowindow启动 CATIA V5 Administrator 模式,设定共享的设定环境的步骤于 C:\Documents and Settings\All Users\Application Data\DassaultSystemes 目录下建立 Ref erenceSettingPath 数据夹于 C:\Documents and Settings\All Users\Application Data\DassaultSystemes 路径下建立 Col lectionStandard数据夹2.于 C:\Documents and Settings\All Users\Application Data\DassaultSystemes\ReferenceSet tingPath 目录下建立 B14 的数据夹,此数据夹是用来储存 CATIA V5 管理者的共享设定,一般 Us er 无法更改这些设定值3.开启C:\Documents and Settings\All Users\Application Data\DassaultSystemes\CATEnv\CATI A_P3.V5R10.B14.txt4.修改 CATUserSettingPath=CSIDL_APPDATA\DassaultSystemes\CATSettings为 CATUserSettingPa th=CSIDL_APPDATA\DassaultSystemes\CATSettings\B14,如果同时安装多个版本的 CATIA 这个动作是必要的,避免设定混乱,确时的路径为 C:\Documents and Settings\登入名称\Application Dat a\DassaultSystemes\CATSettings\B145.增加 CATReferenceSettingPath= 的路径 C:\Documents and Settings\All Users\Application Data\DassaultSystemes\ReferenceSettingPath\B14,此设定即指定管理者模式时CATIA V5的设定文件储存的路径,CATIA V5 会先读取此处的设定才会读取 CATUserSettingPath路径中的设定6. 加入 CATCollectionStandard= 的路径为 C:\Documents and Settings\All Users\Application Data\DassaultSystemes\CollectionStandard7. 存档二、CATIA标准设置进入CATIA管理模式后修改CATIA制图标准为国标工具-标准更改类别为drafting直接修改文件ISO.xml需要修改的有:样式、常规、修饰和维,其他可以默认ISO1. 样式其中(1)修改A4 ISO为常用的纵向(2) 修改长度/距离、角度、半径、直径等Symbols中Symbol1和Symbol2箭头Type为FilledArr ow,Font中Size为4(3)修改文字(3.1)更改字大(3.2)更改字间间隙,否则字间隙较小。
前些天看到有的人在群里问怎么设置才能免去每次标注之后都要重新设置标注的字体、箭头等等一些标注格式,具体方法详解如下(仅作参考,由于使用的版本不同,设置的方法有些小不同,但是大体思路一样):1.在电脑的任意一个盘下新建一个文件夹:Catia_env2.打开catia的环境编辑器:environment editor v5R20(注意是以管理员的身份运行):3.打开之后会弹出两个提醒,点击确定:4.单击修改CATReffilesPath的值为刚才新建的文件夹的路径(如我新建的文件夹的路径为:D:\catia\cat_env):单击修改CATReferenceSettingPath的值为刚才新建文件夹得路径:QQ空间新浪微博腾讯微博人人网更多0点击修改CATCollectionStandard的值为刚才新建文件夹的路径:关闭环境编辑器,当提示是否保存修改时,点击确定5.复制桌面catiaV5R20图标6.双击运行修改后的图标,打开之后提示:正在运行管理模式,点击确定:7.点击界面中“工具——标准”弹出对话框:在对话框的选择类型——drafting ,文件——ISO.xml下载没有积分3步获得!回复使用道具举报•6683637 ? ? ?1主题听众55积分技术员积分55 G币0 威望0 金钱15 板凳发表于 2012-3-31 22:31:00 |只看该作者8.展开iso下的选项,此时就可以随意按照国家的标准修改下面的各种标准了(提示:一般只修改样式下的选项,不过只是一般,大家也可以试着修改,看一下修改后的效果),下图为修改字体的“长度/距离尺寸方法,其他字体的修改类同:•收听TA•发消息点击上图中的名称,对话框右侧的空白中填入FangSong (TrueType)注意此处的字体名称以个人版本中的字体名称为准,查看方法为:点开工程图随便画条直线,然后标注一下,然后看一下字体中以FangSong开头的字体的名称,如果把握不准,例如:不知道字体的名称中是否有空格呀什么的,可以再标注上右击选择属性——字体(也可以使用快捷键,大家都懂的),在字体中找到以FangSong开头的,然后在字体下的选项框中右击——复制。
CATIA工程图标准配置说明1、“JACdrafting ”文件(.xml格式),是CATIA工程图环境配置文件。
“JAC标题栏”(.CATScript格式),是标题栏生成程序。
2、将“CATIA工程图标准”复制到本机。
3、工程图环境配置(1)将“JACdrafting”文件(.xml格式)复制到CATIA程序安装目录“\Dassault Systemes\B16\intel_a\resources\standard\drafting”文件夹下。
(2)在新建工程图时,注意在“标准”中选择“JACdrafting”,然后在“页样式”中选取适当的页面格式。
选取“JACdrafting”标准选取合适的页面格式(3)在制作工程图时,选择“工具”菜单→“标准”命令,此时弹出“标准定义”对话框;先在“类别”中选择“drafting”,然后在“文件”中选择“JACdrafting.xml”;最后单击“确定”按钮,完成环境配置。
“工具”→“标准”在“文件”中选择“drafting.xml”在“类别”中选择“drafting”4、调用标题栏宏程序 (1)调入宏程序123456①“工具”→“宏”→“宏”②单击“宏库”单击③单击“添加现有库”④选择“CATIA 工程图标准”文件夹⑤单击“关闭”⑥“JAC 标题栏”已经成功掉入,单击“关闭”(2)使用“JAC 标题栏”宏程序42135②“工具”→“宏”→“宏”①“编辑”→“页背景”④如需要加入明细栏,在文本框中输入其行数 如不加入明细栏,则直接单击“取消”按钮③选中“JAC 标题栏.CATScript ”,单击“运行”按钮⑤最终生成图框。
非常详细的CATIA工程图教程CATIA V5创成式工程绘图及交互式工程绘图目录1产品介绍 (7)2图标功能介绍(基本概念、基本界面介绍) (7)2.1 视图(Views)图标 (7)2.2绘图(Drawing)图标 (8)2.3 尺寸(Dimensioning)图标 (9)2.4 生成(General ion)图标 (10)2.5 注程(Annotations) 图标 (10)2.6 装饰(Dress up)图标 (10)2.7 几何元素色立(GeometTy creQtion) 图标 (11) 2.8 几何元素修改(Geometry modification) 图标 (12) 3软件环境设定(Customizing Settings) (14)3.1 一般环境参数设定(Genemil) (14)3,2 布置(Layout)设置 (16)3.3 生成(General ion)设置 (16)3.4 几何元素(GeomEti、y)设置 (17)3.5 尺寸(Dimension)设置 (18)3.6 操纵器(Manipul日tors) 设置 (19)3.7 注释(Annotation)设置 (20)4功能详解 (21)4.1 投影视图创建功能(Pzject) (21)4.1. 1 前视图(Front View) 创建详解 (21)4.1.2 展开视图(Unfolded View〉创建详解 (21)4.1.3 从三维模型生成视图(View Fmm 3D)详解 (21) 4.1.4 投影视图 (Projection View)创建详解 (22) 「1. 1.5 辅助视图(Auxiliary View) 创建详解 (22)4?1.6 轴侧图(Isometric View) 创建详解 (23)4.2剖面及剖视图创建功能(Section) (23)4.2. 1 阶梯剖视图(OfFset Section View)创建详解 (23)丄2. 2转折剖视图(Aliened Section View)创建详解 (24)4.2.3阶梯剖面图(Offset Section Cut)创建详解 (24)4.2. 4 转折咅]面图 (Aliened Section Cui) 创建详解 (24)4.3局部放大视图功能(Details) (25)1. 3.1 局部放大视图(Detail ¥iew)创建详解 (25)4. 3?2 多边形局部放大视图(Detail Tie* Profile)创建详解 (26)4.3.3快速生成局部放大视图(Quick Detail View)创建详解 (27)4. 3. 4 快速生成多边形局部放大视图(Quick Detail Yiew Profile)创建详解 (27)4. 4 局部视图创建功能(Clippings) (27)4. 4?1 局部视图(Clipping Yie\v) 创建详解 (27)4. 4?2 多边形局部视图(Clipping Tie* Profile)仓[建详解 (28)4. 5 断开视图(Break view) (28)4. 5?1 断开视图(Broken View)色建详解 (28)4?5?2 局部剖视图(Breakout View)创建详解 (29)4.6视图创建模板(Wizard)的使用 (30)4. 6. 1 视图创建模板(View Creation Wizard)详解 (30)4. 6. 2 前视图.顶视图和左视图(Front. Top and Left)模板详解 (31)4.6?3 所有的视图(八11 Views)模板详解 (31)4.7绘图(Drawing) (31)4. 7. 1 生成新图纸(New Sheet)功能详解 (32)4. 7?2 生成新的细节图纸(New Detail Sheet〉功能详解 (32)4. 7.3 新的视图(New View)功能详解 (32)4. 7. 4 二维元素示例(Instantiate 2D Component) 功能详解 (32)4. 8 尺寸(Dimensioning)标注 (32)4. 8. 1 标注尺寸(Dimensions )详解 (32)4. & 2 坐标尺寸标注(Cumulated Dimensions〉详解 (33)4. 8. 3 阶梯尺寸标注(Stacked Dimensions)详解 (33)4. 8. 4 长度. 距离尺寸标注(Length/Distance Dimensions〉详解(33)4. 8. 5 角度尺寸标注(Ayle Dimensions)详解 (33)4. & 6 半径尺寸标注(Radius Dimensions)详解 (34)4. 8. 7 直径尺寸标注(Diameter Dimensions) 详解 (34)4. 8. 8 倒角尺寸标注(Chamfer Dimensions)详解 (34)4. 8. 9 螺纹尺寸标注(Thread Dimensions)详解 (34)4. 8? 10 坐标标注(Coord in ate Dimensions) 详解 (34)4? 8. 11 孔尺寸列表(Hole Dimensions Table) 详解 (35)4. 8. 12 弓丨出线断开(Create Interruption) 详解 (35)4. 8. 13 取消弓丨出线断开(REinove Interruption) 详解 (35)4. 8. 14 取消所有的引出纟殳断开(Remove All Interruptions〉详解 (36)4. 8. 15 基准建立(Datum F(?atu】、Q)详解 (36)4. 8. 16 形状及位置公差(Geometric Toleranee) 详解 (36)4. 9 生成(General ion)功能 (37)4. 9. 1 自动标注尺寸(Generating Dimensions)详解 (37)4. 9? 2 一步一步地自动标注尺寸(Generating Dimensions Step by Step〉详解 (37)4. 9. 3 在装配图中自动标注零件(Generating Bal loons)详解 (38)4. 10 注释(Annotations) 功能 (39)4. 10. 1 文字标注(Text)详解 (39)4. 10.2 带引出线的文字标注(Text With Leader)详解 (39)4. 10.3 文字复制(Text Replicate)详解 (39)4. 10.4 在装配图中标注零件(Balloon)详解 (40)4. 10. 5 基准目标建立(Datum Target)详解 (40)4. 10. 6 粗糙度符号标注(Roughness Symbol)详解 (40)4. 10.7 焊接符号(Welding Symbol)详解 (41)4. 10.8 焊接位置标注(Weld)详解 (41)4. 11 装饰(Dress up)功能 (42)4. 11. 1 生成中心线,(Center Line〉详解 (42)4. 11. 2 参考其它元索生成中心线(Center Lino with Reference) 详解 (42)4. 11.3 生成螺纹线(Thread)详解 (42)4. 11. 4 参考其它元索生成螺纹线(Thread with Reference)详解(42)4. 11?5 生成轴线(Axis Line) 详解 (43)4. 11. 6 生成轴线和中心线(Axis Line and Center、Line) 详解 (43)4. 11.7 生成剖面线(Area Fill)详解 (43)4. 12 芸配图中生成零件麦(BOH)功能 (43)4. 13 标题栏及图框的生成功能 (44)4. 14 制图标准选择 (44)1产品介绍CATIA V5 CATIA V5的工程绘图模块(Drafting)由创成式工程绘图(GDR)和交互式工程绘图(ID1)组成。
CATIA 工程图标准配置说明
1、“JACdrafting ”文件(.xml 格式)是CA TIA 工程图环境配置文件; “JAC 标题栏”(.CA TScript 格式)是标题栏生成程序
2、将“CA TIA 工程图标准”复制到本机
3、工程图环境配置
(1)将“JACdrafting ”文件(.xml 格式)复制到CA TIA 程序安装目录
“\Dassault Systemes\B16\intel_a\resources\standard\drafting ”文件夹下;
(2)在新建工程图时注意在“标准”中选择“JACdrafting ”,然后再页样式中选取适当
的页面格式
(3)在制作工程图时, 从“工具”菜单→“标准”命令,此时弹出“标准定义”对话框; 先在“类别”中选择“drafting ”,然后在“JACdrafting.xml ”; 最后单击“确定”按钮,完成环境配置。
选取“JACdrafting
”标准 选取合适的页面格式
在类别中选择“drafting ”
在文件中选择“drafting.xml ”
4、调用标题栏宏程序 (1)调入宏程序
1
4
5
6
①“工具”→“宏”→“宏”
②单击“宏库”
③单击“添加现有库”
④选择“CA TIA 工程图标准”文件夹
⑤单击“关闭”
⑥“JAC 标题栏”已经成功掉入,单击“关闭”
(2)使用“JAC 标题栏”宏程序
4
2
1
3
5
②“工具”→“宏”→“宏”
①“编辑”→“页背景”
③选中“JAC 标题栏.CA TScript ”,
⑤最终生成图框。