104,105非平衡直流电桥的原理和应用
- 格式:doc
- 大小:1.36 MB
- 文档页数:9
非平衡电桥的应用实验目的:1.学习非平衡电桥的工作原理;2.学习和掌握非平衡电桥的应用;3.学习一些传感器的工作原理和不同的测量电路.实验原理:1.非平衡电桥的工作原理如图1所示,在惠斯顿电桥中:为稳压电源,和为固定电阻,为可变电阻,为电阻型传感器,为电桥输出电压.当时,电桥处于平衡状态,此时有(1)当时,电桥处于不平衡状态,则有在一定条件下,调整电桥达到平衡状态.由(1)式可见,此时电桥的平衡状态与电源无关;当外界条件改变时,传感器的阻值会有相应的变化,这时电桥平衡被破坏,桥路两端的电压也随之而变,由于桥路的输出电压能反映出桥臂电阻的微小变化,因此通过测量输出电压即可以检测外界条件的变化.这种在非平衡条件下工作的电桥称为非平衡电桥,这样的测量方法为非电量电测法.2.测量电路介绍如采用电阻式传感器作为被测对象,传感元件的引出线有以下几种方式:二线制、三线制和四线制.采用二线制接法(图1),虽然导线电阻会给测量带来影响,但在测量精度要求不高、测量仪器与被测传感元件距离较近时,常采用二线制.但如果金属电阻本身的阻值很小,那末引线的电阻及其变化也就不能忽视,例如对于Pt100铂电阻,若导线电阻为1 Ω,将会产生2.5 ℃的测量误差.为了消除或减少引线电阻的影响,通常的办法是采用三线联接法加以处理,如图2所示.工业热电阻目前大多采用的都是三线制接法.在三线制接线电路中,传感元件的一端与一根导线相接,另一端同时接两根导线.传感元件在与电桥配合时,与传感元件相接的三根导线粗细要相同,长度要相等,阻值要一致(图中r1,r2,r3即为引线电阻).其中一根引线与测量仪表连接,由于测量仪表的内阻很大,可认为流过r2的电流接近于零.另两根引线分别与电桥的两个相邻臂相连,这样引线电阻对测量就不会造成影响.数据处理原始数据:铂电阻热敏电阻21.8 10.49 106.985 24.3 49.12 2580.827 7.85627.7 14.34 109.930 32.5 61.36 1921.812 7.56132.2 16.55 111.625 38.4 67.11 1638.860 7.40237.1 19.09 113.575 43.3 73.45 1344.381 7.20441.6 21.32 115.290 48.1 77.41 1169.083 7.06446.3 23.71 117.131 52.8 80.93 1018.490 6.92650.9 26.07 118.952 57.6 84.71 861.982 6.75955.4 28.30 120.676 61.9 87.29 758.122 6.63160.3 30.74 122.565 66.4 89.56 668.655 6.50565.2 33.15 124.434 70.4 91.33 600.102 6.39769.3 35.29 126.096 74.3 92.95 538.264 6.28873.9 37.54 127.846 79.7 94.87 466.070 6.14479.6 40.32 130.012 84.2 96.22 416.005 6.03184.0 42.42 131.652 88.7 97.46 370.517 5.91588.9 44.80 133.512 94.7 98.82 321.166 5.77293.4 47.10 135.313 100.0 100.00 278.796 5.63098.2 49.65 137.314100.0 50.00 137.588铂电阻Y = A + B * XParameter Value Error------------------------------------------------------------A 0.37861 0.17259B 0.50103 0.00257------------------------------------------------------------R SD N P------------------------------------------------------------ 0.99979 0.26477 18 <0.0001------------------------------------------------------------0.00260.00270.00280.00290.00300.00310.00320.00330.00345.56.06.57.07.58.0L n (R )1/T1/T-Ln(R)图像 1/T-Ln(R)拟合姓名:马学喆班级:F0603028学号:5060309041Linear Regression: Y = A + B * XParameter Value Error------------------------------------------------------------ A 99.06951 0.11606 B 0.38839 0.00173------------------------------------------------------------R SD N P------------------------------------------------------------ 0.99984 0.17804 18 <0.0001------------------------------------------------------------与上面计算结果相同热敏电阻20304050607080901001104550556065707580859095100105U /m VT/℃5.56.06.57.07.58.0L n (R )1/TLinear Regressio:Y = A + B * XParameter Value Error------------------------------------------------------------A -3.11306 0.04377B 3265.33378 14.6359------------------------------------------------------------R SD N P------------------------------------------------------------0.99986 0.01153 16 <0.0001------------------------------------------------------------对于热敏电阻,有两边取对数,得则由热敏电阻lnR~1/T图像可知思考与讨论误差分析数据记录与处理上:1.由于公式里面有个电压不在测量数据内,因此,作的泰勒展开,发现展开到第三项时误差在要求范围内,故消去,在展开得到的系数,与标准吻合比较精确。
非平衡电桥的应用原理1. 前言非平衡电桥是一种常用的电子测量仪器,用于测量电阻或其他物理量。
它能够通过无法理论预计或计算的方式,测量电阻值的变化或测量其他物理量的相对变化。
本文将介绍非平衡电桥的应用原理。
2. 电桥的基本原理非平衡电桥是基于电桥原理设计的一种测量仪器。
电桥是由四个电阻组成的电路,其中两个电阻相等,称为匹配电阻,另外两个电阻则是需要测量的电阻。
3. 非平衡电桥的工作原理非平衡电桥的工作原理基于电桥平衡和非平衡状态之间电流的变化。
在平衡状态下,电桥中的电流为零。
当测量电阻发生变化时,电流将不再为零,产生非平衡状态。
非平衡电桥会通过测量非平衡电流的大小来反映出电阻的变化。
4. 非平衡电桥的应用非平衡电桥在实际应用中有着广泛的用途。
4.1 温度传感器非平衡电桥可用于测量温度传感器的变化。
传感器的电阻会随着温度的变化而变化,通过非平衡电桥的测量,可以准确地反映出温度的变化情况。
4.2 气体传感器非平衡电桥也可用于测量气体传感器的变化。
气体传感器中的电阻会随着气体浓度的变化而变化,利用非平衡电桥的原理,可以实时监测气体的浓度。
4.3 压力传感器非平衡电桥还可以用于测量压力传感器的变化。
压力传感器的电阻随着压力的变化而变化,利用非平衡电桥的测量方式,可以实时监测压力的变化情况。
4.4 液位传感器非平衡电桥还可用于测量液位传感器的变化。
液位传感器中的电阻会随着液位的变化而变化,通过非平衡电桥的测量,可以准确地反映出液位的变化情况。
5. 总结非平衡电桥是一种常用的电子测量仪器,通过测量非平衡电流的大小来反映电阻或其他物理量的变化。
其应用广泛,包括温度传感器、气体传感器、压力传感器和液位传感器等。
通过应用非平衡电桥的原理,我们可以实时监测和测量各种物理量的变化情况,为科研和工程应用提供了便利。
非平衡电桥的原理和应用非平衡电桥也称不平横电桥或微差电桥。
通过它可以测量一些变化的非电量。
这就把电桥的应用范围扩展到很多领域。
一、目的要求:(1)掌握非平衡电桥的工作原理以及平衡电桥的异同。
(2)用非平衡电桥测量热敏电阻的温度特性。
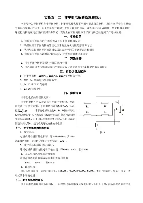
二、仪器装置非平横电桥,毫伏表,热敏电阻三实验原理非平衡电桥的原理如右图,其形式与平衡电桥相似,但测量方法差别很大。
平衡电桥是调节R3使I0=0,从而得到:R=(R1/R2)R3非平衡电桥则市使R1,R2,R3不变,RX变化则U0变化。
在根据U0与Rx的函数关系,通过检测的U0变化从而测得Rx,由于可以检测连续变化的U0(平路电压),所以可以检测连续变化的Rx,进而可以检测连续变化的非电量。
非平衡电桥的桥路形式:(2)非平衡电桥的输出非平衡电桥的输出端开路后接高内阻数字电压表,这时称为电压输出下面分析一下输出电压与被册电阻的变化关系根据戴维南定理,上图所示的桥路可等效为下图的二端口网络非平衡电桥U0=(Rx/(R1+R2)-R3/(R2+R3)Rl/(R1+R2))E (1)其中电压输出的情况RL→∞,所以有U0=(Rx/(R1+R2)-R3/(R2+R1))令Rx=Rx0+△R,Rx为被测电阻,Rx0其初始值,△R为电阻变化量,整理后(2)式变为U0=(1/(R1+RX0)^2)E(三)利用热敏电阻测温度热敏电阻是具有负的电阻温度系数,电阻值随温度升高而迅速下降,这是因为热敏电阻由一些金属氧化物如PeO4 ,MgCrO5等半导体制成,在这些半导体内部,自由电子数目随温度的升高增加的很快,导电能力很快增强,虽然原子振动也会加剧并阻碍电子的运动。
但这样作用对导电性能的影响远小于电子被释放而改变导电性能的作用,所以温度上升会使电阻下降。
热敏电阻的电阻温度特性可以用下述指数函数来描述。
RT=Ae^(B/T)式中:A为常数,B为材料有关的常数,T为绝对温度为了求得准确的,可将上式两边取对数地:LnRT=LnA+B/T选取不同的温度T,得到相应的RT,并绘制Ln-1/T曲线,即可求得A与B,常用半导体热敏电阻的B值约为1500-5000K之间不同的温度RT有不同的值,电桥的U0也会有相应的变化,可以根据U0与T的函数关系,显示和使用不是很方便,需要对热敏电阻进行线化非电桥的线形方法:在图(1)中,R1,R1,R3为桥臂电阻,具有很小的温度系数,R x为热民电阻,由于只检测电桥电压,故RL开路,这时U0=(R2/(R1+R2)-R3/(R2+R3))E其中Rx=AE^(B/T)可见U0是温度的函数,将U0在需要测量的温区中点T1处按泰勒级数展开U0=0.5U0”(T-T1)^2+∑1/n!u0(n)(t-t1)6^n式中U01为常数项,不随温度变化,u01(T-T1)为线形项,Un代表所有的先行项,他的值越大越好。
非平衡直流电桥的原理和应用
非平衡直流电桥的原理是基于基尔霍夫第二定律,即在一个闭合回路内,电流的代数和为零。
电桥由四个电阻和一个未知元件构成,其中两个
电阻称为已知电阻,另两个电阻称为未知电阻。
电桥中通入一个已知电流,通过调节未知电阻或改变已知电阻的值,使电流从未知电阻的两个端点中
分流,使得电桥中的电流为零。
根据基尔霍夫第二定律,在电桥中的电流
为零时,可以通过测量电桥两侧的电压差来计算未知元件的参数。
1.电阻测量:通过非平衡电桥可以测量未知电阻的值。
在电桥平衡时,可以通过已知电阻与未知电阻的比例关系计算出未知电阻的值。
2.电容测量:非平衡电桥可以用于测量未知电容的值。
在电桥平衡时,通过改变电容器电极间的距离或改变电容量,可以测量未知电容的值。
3.电感测量:非平衡电桥可以用于测量未知电感的值。
在电桥平衡时,通过改变电感器中的铁心长度或改变电感器中的线圈匝数,可以测量未知
电感的值。
4.温度测量:非平衡电桥可以用于测量温度。
通过将温度传感器作为
未知元件接入电桥中,当电桥平衡时,可以测得温度的值。
5.湿度测量:非平衡电桥可以用于测量湿度。
通过将湿度传感器作为
未知元件接入电桥中,当电桥平衡时,可以测得湿度的值。
6.线性变换器:非平衡电桥还可以用于进行线性变换。
通过在电桥中
引入变压器并调节其参数,可以实现信号的线性放大或压缩。
总之,非平衡直流电桥是一种常用的测量电阻、电容、电感等参数的仪器。
它具有精度高、灵敏度好、稳定性强等优点,适用于各种工程领域的测量和控制应用。
非平衡电桥的原理和应用摘要本文主要介绍非平衡电桥的原理和特性,并利用非平衡电桥设计和组装热敏电阻-电子数字温度计。
分析(一)非平衡电桥的工作原理图1 非平衡电桥非平衡电桥的原理图如图1 所示,当调节21R R 、和3R ,使桥的B 、D 两端电势相等,这时电桥达到平衡。
如果将平衡电桥中的待测电阻换成电阻型传感器,当外界条件(如温度、压力、形变等)改变时,传感器阻值会有相应变化,B 、D 两端电势不再相等,这时电桥处于非平衡状态。
假设B 、D 之间有一负载电阻g R ,其输出电压g U 。
如果使21R R 、和3R 保持不变,那么x R 变化时g U 也会发生变化。
根据x R 与g U 的函数关系,通过检测桥路的非平衡电压g U ,能反映出桥臂电阻x R 的微小变化,测量外界物理量的变化,这就是非平衡电桥工作的基本原理。
当桥臂电阻取不同的值时,电桥可以分为三类: (1) 等臂电桥:R R R R R x ====321(2) 输出对称电桥,也称卧式电桥:R R R x ==1,'32R R R ==,且'R R ≠。
(3) 电源对称电桥,也称立式电桥:R R R x ==3,'21R R R ==且'R R ≠。
当负载电阻∞→g R ,即电桥输出处于开路状态时,0=g I ,仅有电压输出并用0U 表示,若后面接数字电压或高输入阻抗放大器时即属于此种情况。
根据分压原理,设ABC 半桥的电压降为s U ,输出电压为0U :s x x s s x x DC BC U R R R R R R R R U R R R U R R R U U U ))((32131232310++-=+-+=-= (1)当满足条件x R R R R 231=,电桥输出00=U ,即电桥处于平衡状态,这称为电桥平衡条件。
为了测量的准确性,在测量的起始点,电桥必须调到平衡,这称为预调平衡。
这样调节可以使电桥的输出只与某一臂的电阻变化有关。
非平衡直流电桥的原理和应用【背景知识】直流电桥是一种精密的电阻测量仪器,具有重要的应用价值。
按电桥的测量方式可分为平衡电桥和非平衡电桥。
平衡电桥是把待测电阻与标准电阻进行比较,通过调节电桥平衡,从而测得待测电阻值,如单臂直流电桥(惠斯登电桥)、双臂直流电桥(开尔文电桥);非平衡电桥则是通过测量电桥输出(电压、电流、功率等)并进行运算处理,得到待测电阻值。
直流电桥还可用于测量引起电阻变化的其它物理量,如温度、压力、形变等,在检测技术、传感器技术中的应用非常广泛。
平衡电桥只能用于测量具有相对稳定状态的物理量,而在实际工程和科学实验中,很多物理量是连续变化的,只能采用非平衡电桥才能测量。
【实验目的】本实验采用FQJ 型教学用非平衡直流电桥,该仪器集单臂、非平衡电桥于一体,通过本实验能掌握以下内容:(1) 直流单臂电桥(惠斯通电桥)测量电阻的基本原理和操作方法;(2) 非平衡直流电桥电压输出方法测量电阻的基本原理和操作方法;(3) 根据不同待测电阻选择不同桥式和桥臂电阻的初步方法。
【实验原理】1.平衡电桥单臂直流电桥是平衡电桥,又称惠斯通电桥,其电路见图4.4.1。
其中、、、 构成一电桥,、两端加一恒定桥压,、之间有一检流计PA ,当电桥平衡时,、两点为等电位,PA 中无电流流过,此时有AB AD U U =,41I I =,32I I =,于是有 3421R R R R = (4.4.1)如果R 4为待测电阻R X ,R 3为标准比较电阻,则有1332X R R R K R R =⋅=⋅ (4.4.2)图4.4.1 惠斯通电桥其中21/R R K =,称其为比率(一般惠斯登电桥的有001.0、01.0、、、、100、1000等。
本电桥的比率可以任选)。
根据待测电阻大小,选择后,只要调节,使电桥平衡,检流计为,就可以根据(4.4.2)式得到待测电阻之值。
2.非平衡电桥非平衡电桥原理如图4.4.2所示:、 之间为一负载电阻,只要测量电桥输出 、,就可得到值。
非平衡电桥的原理和应用非平衡电桥的原理和应用一、实验目的1、掌握非平衡电桥的工作原理以及与平衡电桥的异同2、掌握利用非平衡电桥的输出电压来测量变化电阻的原理和方法3、学习与掌握根据不同被测对象灵活选择不同的桥路形式进行测量4、掌握非平衡电桥测量温度的方法,并类推至测其它非电量二、实验原理(一)非平衡电桥的原理图见图1I 0+ RRx2RLU0 R3R1-E图一非平衡电桥在构成形式上与平衡电桥相似,但测量方法上有很大差别。
平衡电桥是调R2节R使I=0,从而得到,非平衡电桥则是使R、R、R保持不变,R变化时RX,,R330123XR1则U变化。
再根据U与R的函数关系,通过检测U的变化从而测得R,由于可以检测00X0X连续变化的U,所以可以检测连续变化的R,进而检测连续变化的非电量。
0X(二)用非平衡电桥测温度方法热敏电阻具有负的电阻温度系数,电阻值随温度升高而迅速下降,这是因为热敏电阻由一些金属氧化物如FeO、MgCrO等半导体制成,在这些半导体内部,自由电子数目随3424温度的升高增加得很快,导电能力很快增强;虽然原子振动也会加剧并阻碍电子的运动,但这种作用对导电性能的影响远小于电子被释放而改变导电性能的作用,所以温度上升会使电阻值迅速下降。
热敏电阻的电阻温度特性可以用下述指数函数来描述:B (11) TR,AeT式中A为常数。
B为与材料有关的常数,T为绝对温度。
为了求得准确的A和B,可将式(11)两边取对数B lnRlnAT,,T (12)用非平衡电桥进行线性化设计的方法如下:在图一中,R、R、R为桥臂测量电阻,具有很小的温度系数,Rx为热敏电阻,由于123只检测电桥的输出电压,故R开路,这时 L(13) 21RR,,0U,,,E,,213R,RxR,R,,BT其中 R,AeX可见U是温度T的函数,将U在需要测量的温区中点T处按泰勒级数展开 001(14) ,U0,U01,U01(T,T1),Un ,112n(n),,,Un,U(T,T)U(T,T)011011,其中(15) ,n32n!,U01(T,T1)式中U为常数项,不随温度变化。
非平衡电桥的原理和设计应用1. 引言非平衡电桥是一种经典的电路设计,它在测量和检测电阻、电容和电感等物理量中起到重要的作用。
本文将介绍非平衡电桥的基本原理、常见的设计应用,并使用Markdown格式进行编写。
2. 非平衡电桥的基本原理非平衡电桥是一种基于电路均衡原理的测量电路,它由四个电阻或电容或电感的分支组成,分别为R1、R2、R3和R4。
电桥的两个对角线通过一个反馈测量仪器连接。
当电桥平衡时,对角线间的电势差为零,反馈测量仪器不产生输出信号。
当电桥不平衡时,对角线间的电势差不为零,反馈测量仪器产生输出信号。
3. 非平衡电桥的设计应用3.1. 温度传感器非平衡电桥可以用作温度传感器,其中一个电阻是感温元件,如热敏电阻或热电偶。
通过测量电桥的不平衡情况,可以推算出温度的变化。
这种设计应用在工业自动化、家电等领域广泛应用。
3.2. 液位测量非平衡电桥可以用于液位测量,其中一个电阻是测量液位的传感器。
通过测量电桥的不平衡情况,可以推算出液位的高度变化。
这种设计应用在化工、仓储等领域中。
3.3. 压力传感器非平衡电桥可以用作压力传感器,其中一个电阻是压力传感器。
通过测量电桥的不平衡情况,可以推算出压力的变化。
这种设计应用在航空航天、汽车制造等领域广泛应用。
3.4. 振动传感器非平衡电桥可以用作振动传感器,其中一个电阻是振动传感器。
通过测量电桥的不平衡情况,可以推算出振动的变化。
这种设计应用在结构工程、船舶制造等领域广泛应用。
4. 非平衡电桥的优缺点4.1. 优点•精度高:非平衡电桥在测量精度上有较高的准确性,可以满足许多实际应用的要求。
•灵敏度高:非平衡电桥对被测量物理量的变化较为敏感,能够检测到微小的变化。
•易于设计和调整:非平衡电桥的设计和调整相对简单,可以根据具体的应用需求进行灵活设计。
4.2. 缺点•受环境干扰影响较大:非平衡电桥对环境中的电磁干扰、温度变化等较为敏感,需要在设计和使用过程中注意减少干扰。
非平衡直流电桥的原理和应用【背景知识】直流电桥是一种精密的电阻测量仪器,具有重要的应用价值。
按电桥的测量方式可分为平衡电桥和非平衡电桥。
平衡电桥是把待测电阻与标准电阻进行比较,通过调节电桥平衡,从而测得待测电阻值,如单臂直流电桥(惠斯登电桥)、双臂直流电桥(开尔文电桥);非平衡电桥则是通过测量电桥输出(电压、电流、功率等)并进行运算处理,得到待测电阻值。
直流电桥还可用于测量引起电阻变化的其它物理量,如温度、压力、形变等,在检测技术、传感器技术中的应用非常广泛。
平衡电桥只能用于测量具有相对稳定状态的物理量,而在实际工程中和科学实验中,很多物理量是连续变化的,只能采用非平衡电桥才能测量。
【实验目的】本实验采用FQJ 型教学用非平衡直流电桥,该仪器集单臂、非平衡电桥于一体,通过本实验能掌握以下内容:(1) 直流单臂电桥(惠斯通电桥)测量电阻的基本原理和操作方法;(2) 非平衡直流电桥电压输出方法测量电阻的基本原理和操作方法;(3) 根据不同待测电阻选择不同桥式和桥臂电阻的初步方法。
【实验原理】1.平衡电桥单臂直流电桥是平衡电桥,又称惠斯通电桥,其电路见图4.4.1。
其中1R 、2R 、3R 、4R 构成一电桥,A 、C 两端加一恒定桥压S U ,B 、D 之间有一检流计PA ,当电桥平衡时,B 、D 两点为等电位,PA 中无电流流过,此时有AB AD U U =,41I I =,32I I =,于是有3421R R R R = (4.4.1)如果R 4为待测电阻R X ,R 3为标准比较电阻,则有1332X R R R K R R =⋅=⋅ (4.4.2) 其中21/R R K =,称其为比率(一般惠斯登电桥的K 有001.0、01.0、1.0、1、10、100、1000等。
本电桥的比率K 可以任选)。
根据待测电阻大小,选择K 后,只要调节3R ,使电桥平衡,检流计为0,就可以根据(4.4.2)式得到待测电阻X R 之值。
非平衡直流电桥的原理和应用(FQJ型非平衡直流电桥)实验讲义杭州精科仪器有限公司非平衡直流电桥的原理和应用直流电桥是一种精密的电阻测量仪器,具有重要的应用价值。
按电桥的测量方式可分为平衡电桥和非平衡电桥。
平衡电桥是把待测电阻与标准电阻进行比较,通过调节电桥平衡,从而测得待测电阻值,如单臂直流电桥(惠斯登电桥)、双臂直流电桥(开尔文电桥)。
它们只能用于测量具有相对稳定状态的物理量,而在实际工程中和科学实验中,很多物理量是连续变化的,只能采用非平衡电桥才能测量;非平衡电桥的基本原理是通过桥式电路来测量电阻,根据电桥输出的不平衡电压,再进行运算处理,从而得到引起电阻变化的其它物理量,如温度、压力、形变等。
【实验目的】本实验采用FQJ型教学用非平衡直流电桥,该仪器集单臂、非平衡电桥于一体,通过本实验能掌握以下内容:1.直流单臂电桥(惠斯登电桥)测量电阻的基本原理和操作方法;2.非平衡直流电桥电压输出方法测量电阻的基本原理和操作方法;3.根据不同待测电阻选择不同桥式和桥臂电阻的初步方法及非平衡电桥功率输出法测电阻;4.单臂电桥采用“三端”法测量电阻的意义。
【实验原理】FQJ型教学用非平衡直流电桥包括单臂直流电桥,非平衡直流电桥,下面对它们的工作原理分别进行介绍。
(一)单臂电桥(惠斯登电桥)单臂电桥是平衡电桥,其原理见图1,图2为FQJ型的单臂电桥部分的接线示意图。
图1中:4321R ,R ,R ,R 构成一电桥,C ,A 两端供一恒定桥压S U ,D ,B 之间有一检流计G ,当电桥平衡时,G 无电流流过,D ,B 两点为等电位,则:DC BC U U =41I I = , 32I I = , 2211R I R I ∙=∙ , 4433R I R I ∙=∙于是有3421R R R R = 如果4R 为待测电阻3X R ,R 为标准比较电阻,21R /R K =,称其为比率(一般惠斯登电桥的K 有001.0、01.0、1.0、1、10、100、1000等。
直流非平衡电桥的原理和应用1. 引言直流非平衡电桥是一种常见的电子测量仪器,它通过比较两个电阻或电压的差异来检测电流或电压的变化。
本文将介绍直流非平衡电桥的基本原理和常见的应用。
2. 原理直流非平衡电桥是基于电桥原理设计的。
电桥是由多个电阻和电压源组成的电路,普通的电桥是基于交流电的测量原理,而直流非平衡电桥则用于直流电的测量。
直流非平衡电桥通常由以下几个主要元件组成: - 电桥电路:包括电源和电阻组成的电桥电路,其中包括两个待测电阻和两个已知电阻。
- 微电流表:用于测量电桥两侧的电压差异。
- 可调电阻:用于调整电桥平衡状态。
当电桥平衡时,微电流表指针不会偏移,即电桥两边的电压差异为零。
如果待测电阻发生变化,电桥将不再平衡,微电流表将显示电压差异大小,通过测量电桥电路的非平衡度,可以得出待测电阻的值。
3. 应用直流非平衡电桥在实际应用中有多种用途,下面介绍其中几个常见的应用场景。
3.1 温度传感器直流非平衡电桥可以作为温度传感器的测量原理之一。
通过将热敏电阻作为待测电阻接入电桥电路中,当温度发生变化时,热敏电阻的电阻值会发生变化,导致电桥不平衡。
通过测量电桥的非平衡度,可以得到温度的变化情况。
3.2 压力传感器直流非平衡电桥也可以用作压力传感器的测量原理之一。
通过将压阻作为待测电阻接入电桥电路中,压阻的电阻值会随压力的变化而变化,导致电桥不平衡。
通过测量电桥的非平衡度,可以得到压力的变化情况。
3.3 流量传感器直流非平衡电桥还可以应用于流量传感器中。
通过将热敏电阻或压阻与流量传感器结合,当流体流过传感器时,流速的变化会导致热敏电阻或压阻的电阻值变化,从而引起电桥不平衡。
通过测量电桥的非平衡度,可以获得流速的变化情况。
3.4 拉力传感器直流非平衡电桥还可用于测量材料或装置的拉力。
通过将拉力传感器连接到电桥电路中,拉力的变化会导致电桥不平衡。
通过测量电桥的非平衡度,可以获得拉力的变化情况。
4. 总结直流非平衡电桥是一种常见的电子测量仪器,基于电桥原理设计。
非平衡直流电桥的原理和应用直流电桥是一种精密的电阻测量仪器,具有重要的应用价值.按电桥的测量方式可分为平衡电桥和非平衡电桥.平衡电桥是把待测电阻与标准电阻进行比较,通过调节电桥平衡,从而测得待测电阻值,如单臂直流电桥惠斯登电桥、双臂直流电桥开尔文电桥.它们只能用于测量具有相对稳定状态的物理量,而在实际工程中和科学实验中,很多物理量是连续变化的,只能采用非平衡电桥才能测量;非平衡电桥的基本原理是通过桥式电路来测量电阻,根据电桥输出的不平衡电压,再进行运算处理,从而得到引起电阻变化的其它物理量,如温度、压力、形变等.实验目的本实验采用FQJ型教学用非平衡直流电桥,该仪器集单臂、非平衡电桥于一体,通过本实验能掌握以下内容:1.直流单臂电桥惠斯登电桥测量电阻的基本原理和操作方法;2.非平衡直流电桥电压输出方法测量电阻的基本原理和操作方法;3.根据不同待测电阻选择不同桥式和桥臂电阻的初步方法及非平衡电桥功率输出法测电阻;4.单臂电桥采用“三端”法测量电阻的意义.实验仪器1. FQJ型教学用非平衡直流电桥;2. FQJ非平衡电桥加热实验装置.实验原理FQJ型教学用非平衡直流电桥包括单臂直流电桥,非平衡直流电桥,上节我们已经对单臂电桥有所了解,下面对非平衡电桥的工作原理进行介绍.图1 非平衡电桥原理图1.非平衡电桥桥路输出电压非平衡电桥原理如图1所示,当负载电阻g R →∞ ,即电桥输出处于开路状态时,g 0I = ,仅有电压输出,并用0U 表示,根据分压原理,ABC 半桥的电压降为S U ,通过14, R R 两臂的电流为:S 1414U I I R R ==+ 1则4R 上之电压降为:4BC S 14R U U R R =•+ 2同理3R 上的电压降为:3DC S23R U U R R =•+3输出电压0U 为BC U 与DC U 之差()()340BC DC S S14232413S1423()R R U U U U U R R R R R R R R U R R R R =-=-++-=++ 4当满足条件1324R R R R = 时,电桥输出00U = ,即电桥处于平衡状态.5式就称为电桥的平衡条件.为了测量的准确性,在测量的起始点,电桥必须调至平衡,称为预调平衡.这样可使输出只与某一臂电阻变化有关.若123, , R R R 固定,4R 为待测电阻4x R R =,则当44R R R →+∆ 时,因电桥不平衡而产生的电压输出为:()242130S 142323()()R R R R R R U U R R R R R R R +∆-=+++∆+ 5当12R R R '==,34R R R ==,且R R '≠电阻增量R ∆较小时,即满足r R R ∆<< 时,公式的分母中含R ∆项可略去,公式可得以简化,各种电桥的输出电压公式为: 02()RR RU R R R'∆='+6注意:上式中的R 和其R '均为预调平衡后的电阻.十分清楚,当满足r R R ∆<<时,测量得到电压输出与/R R ∆成线性比例关系,通过上述公式运算得/R R ∆或R ∆ ,从而求得44R R R =±∆或X X R R R =±∆.2.用非平衡电桥测热敏电阻本实验采用51MF k 7.2Ω型半导体热敏电阻进行测量.该电阻是由一些过渡金属氧化物主要用Fe ,Ni ,Co ,Mn 等氧化物在一定的烧结条件下形成的半导体金属氧化物作为基本材料制成,具有P 型半导体的特性,对于一般半导体材料,电阻率随温度变化主要依赖于载流子浓度,而迁移率随温度的变化相对来说可以忽略.但上述过渡金属氧化物则有所不同,在室温范围内基本上已全部电离,即载流子浓度基本上与温度无关,此时主要考虑迁移率与温度的关系.随着温度升高,迁移率增加,电阻率下降,故这类金属氧化物半导体是一种具有负温度系数的热敏电阻元件,其电阻-温度特性见表 6.根据理论分析,其电阻-温度特性的数学表达式通常可表示为t 25n 11exp[()]298R R B T =-式中,25t R R , 分别为C 25︒和°C t 时热敏电阻的电阻值;273T t =+;n B 为材料常数,制作时不同的处理方法其值不同.对于确定的热敏电阻,可以由实验测得的电阻-温度曲线求得.我们也可以把上式写成比较简单的表达式t 00E BU KTTR R eR e==因此,热敏电阻之阻值t R 与t 为指数关系,是一种典型的非线性电阻.式中298t 25BU R R e -= .k 为玻尔兹曼常数231.380610k -=⨯焦耳/开尔文.实验内容及方法1. 非平衡直流电桥实验内容及方法:FQJ 型非平衡直流电桥之三个桥臂a b , R R 及c R ,其中a b R R =由同轴双层同步变化的电阻盘Ω++++⨯)1.01101001000(10电阻箱组成,c R 则由10(100010010⨯+++10.10.01)++Ω电阻箱组成,调节范围在Ωk 1110.11~0内,负载电阻gR '由1个Ωk 10的多圈电位器粗调和1个Ω100多圈电位器细调串联而成,可在Ωk 1.10范围内调节.数字电压表量程mV 200.功率1为mA 20,采样电阻S 10R =Ω,用于测量Ω<k 1的较小电阻.功率2为A 200μ ,采样电阻S 1k ΩR =,用于测量Ω>k 1电阻.电压输出时,允许X R 变化率向上变化达到%100,向下变化为%70.2. 非平衡电桥电压输出形式测电阻 1C 2a 3b R R R R R R ===、、,测量范围:111.111k ΩΩ~.① 确定各桥臂电阻.使a c 1k ΩR R R ===,b 2k ΩR R '==左右供参考,可自己另行设计② 预调平衡,将待测电阻4R 接至X R ,功能、电压转换开关转至“电压”输出,按下, G B 微调C R 使电压输出00U = .③ 改变4R ,记录R ∆理论值,并记下相应的电压变化值g U ∆ .根据6计算出R ∆的实验值,其中S 1.3V U = .④ 计算出实验值和理论值的相对误差E . 3. 测量铜电阻配用FQJ 非平衡电桥加热装置 1非平衡电桥电压输出形式测量铜电阻① 确定各桥臂电阻值.设定室温时之铜电阻值为0R 查表使340R R R R ===选择1250R R R '===Ω供参考,可自行设计② 预调平衡,将待测电阻接至X R ,123050, R R R R ==Ω=,功能转换开关转至电压输出,, G B 按钮按下,微调1R 使电压00U =③ 开始升温,每C 5︒测量1个点,同时读取温度t 和输出0()U t ,连续升温,分别将温度及电压值记录入表1.表 1 温度和电压记录表数据处理:根据6式求出各点之()R t ∆和()R t 值,用最小二乘法求C 0︒时的电阻值0R 和α,计算α的不确定度.4. 热敏电阻的测量1采用非平衡电桥的电压输出测量热敏电阻51MF k 7.2Ω之()R t ,温度范围从室温加热至C 65︒ .① 根据51MF k 7.2Ω之电阻-温度特性研究桥式电路,并设计各桥臂电阻,, R R ',以确保电压输出不会溢出预习时设计计算好.实验时可以先用电阻箱模拟,若不满足要求,立即调整R ' 阻值.② 预调平衡a 根据桥式,预调, R R '.室温时之电阻值为0R .b 将功能转换开关旋至“电压”输出,按下, G B 开关,微调3R 使数字电压表为0.③ 升温,每隔C 5︒测1个点,、利用测量数据按公式6计算得电阻值填入表2.表2 温度和电阻记录表思考题1.测量电阻的原理是什么2.与二端法测试电阻相比,三端法测试电阻有何优点 3.使用双桥测量小电阻时为什么要使12R R = ,如果不相等有何影响4.非平衡电桥在工程中有哪些应用试举一、二例. 5.非平衡电桥之立式桥为什么比卧式桥测量范围大 6.当采用立式桥测量某电阻变化时,如产生电压表溢出现象,应采取什么措施表 5 铜电阻50Cu 的电阻—温度特性C /004280.0︒=α附录二表 6 51MF k 7.2Ω 型热敏电阻的电阻-温度特性供参考其它说明:1. 仪器面板中间桥路图中的“X R ”已在仪器内部与面板右上角的“X R ”、“X1R ”接线柱接通,参见附录四的图2.2. “功能、电压选择”开关中的“平衡”区块有三档电压,供单臂电桥测量时选用.“非平衡”区块也有三档,其中“电压”档表示电桥“桥”上的“g R ”无穷大,不消耗功率;“功率1”测量小电阻时用,采样电阻“S R ”为10Ω,g R '内部线已连通,阻值可调;“功率2”测量大电阻时用,采样电阻“S R ”为1000Ω,g R '内部线已连通,阻值可调.3.功率输出时负载电阻g S g R R R '=+. 4. “电压”、“功率1”、“功率2”三档的工作电压均为.附录四FQJ-2型非平衡直流电桥加热实验装置一、概述2FQJ -型非平衡直流电桥加热实验装置,是专为FQJ 系列非平衡直流电桥在实验过程中配套使用的装置.该装置具有下列特点:1.加热温度可自由设定不超过上限值2.XMT 系列智能双数显调节仪,控温精度高3.装置内配装有铜电阻,热敏电阻,增加了实验内容 4.加热装置电源输入为低电压,并通过变压器隔离,安全可靠5.装置内装有风扇,根据实验的需要,可强制加速降温 6.装置结构新颖,紧凑合理 二.结构和连接:该装置由加热炉及温度控制仪二大部分组成.其结构及连接见下图3.三.使用说明:1、使用前,将温控仪机箱底部的撑架竖起,以便在测试时方便观察及操作.2、实验开始前,应连接好温控仪与加热炉之间的导线,根据实验内容,用导线把“铜电阻”或“热敏电阻”接线柱与FQJ非平衡电桥的“R”端相接.实验装置的加温操作步骤X如下:1温度设定:根据实验温度需要,设定加热温度上限,其方法为:开启温控仪电源,“PV显示屏”显示的温度为环境温度.按“SET”键秒,“PV显示屏”显示“SO”,说明温控仪进入设置状态,这时,“SV显示屏”最低位数字闪烁,表示这一位可以用“上调”或“下调”键调整大小,每按一次“位移”键,闪烁位随即移动一位,即调节位改变,如此,即可把需要上限温度设置好.设置完毕,再按一下“SET”键,设置程序结束.这时“PV显示屏”显示加热炉实时温度,“SV显示屏”显示设置上限温度.温控仪进入“测量”状态.在温度设定时,仪器上“加热选择”开关置于“断”处图3 非平衡直流电桥结构图2加热:根据环境温度和所需升温的上限及升温速度来确定温控仪面板上“加热选择”开关的位置.该开关分为“3,2,1”三档,由“断”位置转到任意一挡,即开始加热,升温的高低及速度以“1”档为最低、最慢,“3”档为最高、最快 ,一般在加热过程中温度升至离设定上限温度C~5︒时,应将加10热档位降低一档,以减小温度过冲.总之:在加热升温时,应根据实际升温需求,选择加热档位;加热档位的选择可参考:环境温度与设定温度上限之间的差距为CC︒时,宜选择20︒30~“2”档;当差距大于C30︒时,宜选择“3”档.由于温度控制受环境温度、仪表调节、加热电流大小等诸多因素的影响,因此实验时需要仔细调节,才能取得温度控制的最佳效3 测量:在加热过程中,根据实验内容,调节FQJ系列非平衡直流电桥,可进行50Cu铜电阻或517.2Ω热敏电阻特性的MFk测量.测量时连接导线的直流电阻估计值为Ω5.0左右4降温:实验过程中或实验完毕,可能需要对加热铜块或加热炉体降温.降温时操作方法如下:将加热铜块及传感器组件升至一定高度并固定,开启温控仪面板中的“风扇开关”使炉体底部的风扇转动,达到使炉体加快降温目的.如要加快加热铜块的降温速度,可断电后将加热铜块提升至加热炉外,并浸入冷水中.注意:放回炉体内时,要先把水擦干四.注意事项:1.实验开始前,所有导线,特别是加热炉与温控仪之间的信号输入线应连接可靠.2.传热铜块与传感器组件,出厂时已由厂家调节好,不得随意拆卸.3.装置在加热时,应注意关闭风扇电源.4.“备用测试口”为一根一端封闭,并插入加热铜块中的空心铜管,供实验时加入介质后测试用.如在空心管中加入变压器油及铜电阻,用44QJ双臂电桥测试铜电阻随着温度变化时的电阻值.5.温控仪机箱后部的电源插座中的熔丝管应选用~1 .5.1A6.实验完毕后,应切断仪器工作电源.由于热敏电阻、铜电阻耐高温的局限,在设定加温的上限值时不允许超过C120︒.。
非平衡直流电桥的原理和应用实践报告下载提示:该文档是本店铺精心编制而成的,希望大家下载后,能够帮助大家解决实际问题。
文档下载后可定制修改,请根据实际需要进行调整和使用,谢谢!本店铺为大家提供各种类型的实用资料,如教育随笔、日记赏析、句子摘抄、古诗大全、经典美文、话题作文、工作总结、词语解析、文案摘录、其他资料等等,想了解不同资料格式和写法,敬请关注!Download tips: This document is carefully compiled by this editor. I hope that after you download it, it can help you solve practical problems. The document can be customized and modified after downloading, please adjust and use it according to actual needs, thank you! In addition, this shop provides you with various types of practical materials, such as educational essays, diary appreciation, sentence excerpts, ancient poems, classic articles, topic composition, work summary, word parsing, copy excerpts, other materials and so on, want to know different data formats and writing methods, please pay attention!一、引言非平衡直流电桥是一种通过测量电流差异来检测电阻、电容、电感等电路元件的仪器。
非平衡直流电桥的原理和应用【背景知识】直流电桥是一种精密的电阻测量仪器,具有重要的应用价值。
按电桥的测量方式可分为平衡电桥和非平衡电桥。
平衡电桥是把待测电阻与标准电阻进行比较,通过调节电桥平衡,从而测得待测电阻值,如单臂直流电桥(惠斯登电桥)、双臂直流电桥(开尔文电桥);非平衡电桥则是通过测量电桥输出(电压、电流、功率等)并进行运算处理,得到待测电阻值。
直流电桥还可用于测量引起电阻变化的其它物理量,如温度、压力、形变等,在检测技术、传感器技术中的应用非常广泛。
平衡电桥只能用于测量具有相对稳定状态的物理量,而在实际工程中和科学实验中,很多物理量是连续变化的,只能采用非平衡电桥才能测量。
【实验目的】本实验采用FQJ 型教学用非平衡直流电桥,该仪器集单臂、非平衡电桥于一体,通过本实验能掌握以下内容:(1) 直流单臂电桥(惠斯通电桥)测量电阻的基本原理和操作方法; (2) 非平衡直流电桥电压输出方法测量电阻的基本原理和操作方法; (3) 根据不同待测电阻选择不同桥式和桥臂电阻的初步方法。
【实验原理】1.平衡电桥单臂直流电桥是平衡电桥,又称惠斯通电桥,其电路见图4.4.1。
其中1R 、2R 、3R 、4R 构成一电桥,A 、C 两端加一恒定桥压S U ,B 、D 之间有一检流计PA ,当电桥平衡时,B 、D 两点为等电位,PA 中无电流流过,此时有AB AD U U =,41I I =,32I I =,于是有3421R R R R =(4.4.1)图4.4.1 惠斯通电桥如果R 4为待测电阻R X ,R 3为标准比较电阻,则有1332X R R R K R R =⋅=⋅ (4.4.2)其中21/R R K =,称其为比率(一般惠斯登电桥的K 有001.0、01.0、1.0、1、10、100、1000等。
本电桥的比率K 可以任选)。
根据待测电阻大小,选择K 后,只要调节3R ,使电桥平衡,检流计为0,就可以根据(4.4.2)式得到待测电阻X R 之值。
2.非平衡电桥非平衡电桥原理如图4.4.2所示:B 、D 之间为一负载电阻g R ,只要测量电桥输出g U 、g I ,就可得到x R 值。
根据电桥各臂电阻关系可将非平衡电桥分为三类: (1)等臂电桥:4321R R R R ===;(2)输出对称电桥(卧式电桥):R R R ==41,R R R '==32,且R R '≠;(3)电源对称电桥(立式电桥):R R R '==21,R R R ==43,且R R '≠。
当负载电阻∞→g R ,即电桥输出处于开路状态时,0=g I ,仅有电压输出,在此用0U 表示,根据分压原理,ABC 半桥的电压降为S U ,通过1R 、4R 两臂及2R 、3R 两臂的电流为:14231423,S SU U I I I I R R R R ====++,(4.4.3)则输出电压0U 为()()324134014231423()BC DC S S SR R R R R R U U U U U U R R R R R R R R ⋅-⋅=-=⋅-⋅=⋅+++⋅+ (4.4.4)当满足条件1324R R R R ⋅=⋅ (4.4.5)时,电桥输出00=U ,即电桥处于平衡状态。
(4.4.5)式称为电桥的平衡条件。
为了测量的准确性,在测量的起始点,电桥必须调至平衡,称为预调平衡。
这样可使输出只与某一臂电阻变化有关。
图4.4.2 非平衡电桥若1R 、2R 、3R 固定,4R 为待测电阻,并且其阻值随某非电量x (如温度、压力等)变化而变化,即4()R R x =。
若预调平衡后x 发生变化,导致4R 随之变为4()R R x +∆,此时因电桥不平衡而产生的电压输出为:()2421301423()()()S R R R R x R R U U R R R x R R ⋅⋅⋅+∆-=⋅++∆⋅+ (4.4.6)考虑到测量开始时已预调平衡,应该有2413R R R R ⋅⋅=上式化为:()201423()()()SR R x U U R R R x R R ⋅∆=⋅++∆⋅+ (4.4.7)为简便起见,可根据电阻变化率()R x ∆大小不同,导出不同情况下的电桥电压输出表达式。
先分别讨论如下:(1)若电阻变化较小时,即满足14()R R R ∆<<+时,公式(4.4.7)分母中的R ∆项可略去,此时各种电桥的输出电压公式为:等臂电桥 0()4S U R x U R ∆=⋅ (4.4.8) 卧式电桥 0()4S U R x U R∆=⋅ (4.4.9) 立式电桥 02()()s R R R x U U R R R'⋅∆=⋅⋅'+ (4.4.10)注意:上式中的R 和其R '均为预调平衡后的电阻。
当()R x ∆较小时,测量得到电压输出与()/R x R ∆成线性比例关系。
测得输出电压后,可通过上述公式运算得()/R x R ∆或()R x ∆,从而求得()()R x R R x =+∆。
同时由(4.4.8)~(4.4.10)式可知,在R 、()R x ∆相同的情况下,等臂电桥、卧式电桥输出电压比立式电桥高,因此灵敏度也高,但立式电桥测量范围大,可以通过选择R 、R '来扩大测量范围,R 、R '差距愈大,测量范围也愈大。
(2)若电阻变化很大,即12()R R R ∆<<+条件不成立时,上面的近似公式不再适用。
此时利用精确公式(4.4.7)可得各种桥式电桥的输出电压公式:等臂电桥 0()1()1()412s U R x U x R x R R∆=⋅⋅∆+ (4.4.11)卧式电桥 0()1()1()412s U R x U x R x R R∆=⋅⋅∆+ (4.4.12)立式电桥 02()1()()()1s RR R x U x U R x R R R R R '∆=⋅⋅⋅∆'++'+ (4.4.13) 【实验仪器】1.FQJ 型教学用非平衡电桥FQJ 型非平衡电桥是专门为教学实验而设计的,该仪器集单臂、非平衡电桥于一体,其面板如图4.4.3。
整个仪器的核心部分为面板中部的桥式电路,其中1R 、2R 和3R 可选用本仪器配备的可调电阻箱(a R 、b R 、c R ),1R 也可以选用内部装有的标准电阻,有1000Ω、100Ω、10Ω三个阻值可供选择,而X R 处接待测电阻,它的两个接线柱与仪器右上角的X R 接线柱连通,因此也可以将待测电阻接在右上角的接线柱上(如图4.4.4)。
a R 、b R 、c R 为可调电阻箱,可根据不同的桥式选择使用。
其中a R 、b R 为两组同轴电阻箱,共用五个十进位旋钮调节,保证a b R R =,调节范围0~11.1110k Ω;c R 包含六个十进位旋钮,调节范围0~11.11110k Ω。
电桥工作状态可由“功率、电压选择”旋钮调节。
该旋钮中“平衡”区有三档电压供单图4.4.3 FQJ 型非平衡电桥面板图4.4.4待测电阻接法臂电桥测量时选用。
“非平衡”区也有三档,其中“电压”档表示电桥“桥”上的“g R ”可认为是无穷大,不消耗功率;“功率1”测量小电阻时用,采样电阻“s R ”为10Ω,g R '内部线已联通,阻值可调;“功率2”测量大电阻时用,采样电阻“s R ”为1000Ω,gR '内部线已联通,阻值可调。
“电压”、“功率1”、“功率2”三档的工作电压均为1.3V 。
该仪器还设有G 、B 两个按钮,G 按钮是数字电表控制开关,B 按钮是电桥电源开关。
2.FQJ 非平衡电桥加热实验装置该装置由加热炉及温度控制仪两大部分组成。
其结构及连接见下图。
加热:“加热选择”开关分为“1、2、3”三档,由“断”位置转到任意一档,即开始加热,升温的高低及速度以“1”档为最低,“3”档为最高、最快。
加热升温时,应根据实际升温需求,选择加热档位。
降温:实验过程中或实验完毕,可能需要对加热铜块或加热炉体降温,此时可以开启控温仪面板上的“风扇开关”使炉体底部的风扇转动,达到使炉体加快降温的目的。
3.待测电阻(1) Cu50型铜电阻这是一种线性电阻,具有正的温度系数0(1)t R R t α=+,0R 为0C t =︒时的阻值,α为温度系数,其理论值0.004280C α=︒。
图4.4.5 加热炉、温度控制仪实物照片及连接方法(2) 热敏电阻本实验采用517.2MF K Ω型半导体热敏电阻。
该电阻是由一些过渡金属氧化物(主要用Fe Ni Co Mn ,,,等氧化物)在一定的烧结条件下形成的半导体金属氧化物作为基本材料制成,具有P 型半导体的特性,对于一般半导体材料,电阻率随温度变化主要依赖于载流子浓度,而迁移率随温度的变化相对来说可以忽略。
但上述过渡金属氧化物则有所不同,在室温范围内基本上已全部电离,即载流子浓度基本上与温度无关,此时主要考虑迁移率与温度的关系。
随着温度升高,迁移率增加,电阻率下降,故这类金属氧化物半导体是一种具有负温度系数的热敏电阻元件,其电阻-温度特性见表4.4.1。
根据理论分析,其电阻-温度特性的数学表达式通常可表示为25exp[(11298)]t n R R B =- (4.4.14)式中,25 ,t R R 分别为25C ︒和C t ︒时热敏电阻的电阻值;t T +=273;n B 为材料常数,制作时不同的处理方法其值不同。
对于确定的热敏电阻,可以由实验测得的电阻-温度曲线求得。
我们也可以把上式写成比较简单的表达式00n B E k TTt R R eR e ⋅=⋅=⋅ (4.4.15)式中29825nB t R R e-=∙,k 为玻尔兹曼常数(开尔文焦耳/103806.123-⨯=k )。
热敏电阻之阻值t R 与t 为指数关系,是一种典型的非线性电阻。
表4.4.1 517.2MF K Ω 型热敏电阻的电阻-温度特性(供参考)【实验内容】1.用惠斯登电桥测量铜电阻(1) 连接线路(如图4.4.6);(2) 选择适当的1R ,同时调节b R (2R )使120.1R R =,将转化开关置于“平衡”,电压选择5V ;(3) 按下G 、B 开关,调节3R (c R ),使电桥平衡(电流表为零),记录室温和室温下电阻值,然后开始升温,每隔3C 测一个点,记录电阻值和相应温度,共测10个点,自行设计数据表格。
图4.4.6 惠斯通电桥电路连接图2.用卧式电桥测量铜电阻图4.4.7 卧式电桥电路连接图(1) 按图4.4.7连接线路;(2) 调节桥臂电阻值使2350R R R '===Ω(供参考,可自行设计);(3) 预调平衡,将待测电阻接至X R ,功能转换开关转至电压输出, G 、B 开关按下,调节1R ()c R 使电压00U =,记下此时的温度和1R 值;(4) 开始升温,每隔3C ︒测一个点,记录电压值和相应的温度,共测十个点。