柱模板(设置对拉螺栓)计算书
- 格式:doc
- 大小:154.50 KB
- 文档页数:10
500×500柱模板计算书柱模板的背部支撑由两层组成,第一层为直接支撑模板的竖楞,用以支撑混凝土对模板的侧压力;第二层为支撑竖楞的柱箍,用以支撑竖楞所受的压力;柱箍之间用对拉螺栓相互拉接,形成一个完整的柱模板支撑体系。
柱模板设计示意图柱截面宽度B(mm):500.00;柱截面高度H(mm):500.00;柱模板的总计算高度:H = 7.83m;计算简图一、参数信息1.基本参数柱截面宽度B方向对拉螺栓数目:0;柱截面宽度B方向竖楞数目:4;柱截面高度H方向对拉螺栓数目:0;柱截面高度H方向竖楞数目:4;2.柱箍信息柱箍材料:圆钢管;直径(mm):48.00;壁厚(mm):3.00;柱箍的间距(mm):450;柱箍合并根数:2;3.竖楞信息竖楞材料:木方;竖楞合并根数:1;宽度(mm):50.00;高度(mm):100.00;4.面板参数面板类型:胶合面板;面板厚度(mm):18.00;面板弹性模量(N/mm2):9500.00;面板抗弯强度设计值f c(N/mm2):13.00;面板抗剪强度设计值(N/mm2):1.50;5.木方和钢楞方木抗弯强度设计值f c(N/mm2):13.00;方木弹性模量E(N/mm2):9000.00;方木抗剪强度设计值f t(N/mm2):1.50;钢楞弹性模量E(N/mm2):210000.00;钢楞抗弯强度设计值fc(N/mm2):205.00;二、柱模板荷载标准值计算按《施工手册》,新浇混凝土作用于模板的最大侧压力,按下列公式计算,并取其中的较小值:F=0.22γtβ1β2V1/2F=γH其中γ -- 混凝土的重力密度,取24.000kN/m3;t -- 新浇混凝土的初凝时间,取3.000h;T -- 混凝土的入模温度,取20.000℃;V -- 混凝土的浇筑速度,取2.500m/h;H -- 模板计算高度,取7.825m;β1-- 外加剂影响修正系数,取1.200;β2-- 混凝土坍落度影响修正系数,取1.150。
柱模板(设置对拉螺栓)计算书计算依据:1、《建筑施工模板安全技术规范》JGJ162-20082、《混凝土结构设计规范》GB50010-20103、《建筑结构荷载规范》GB 50009-20124、《钢结构设计规范》GB 50017-2003一、工程属性4k c 承载能力极限状态设计值S 承=0.9max[1.2G 4k +1.4Q 3k ,1.35G 4k +1.4×0.7Q 3k ]=0.9max[1.2×57.6+1.4×2,1.35×57.6+1.4×0.7×2]=0.9max[71.92,79.72]=0.9×79.72=71.75kN/m 2正常使用极限状态设计值S 正=G 4k =57.6 kN/m 2三、面板验算面板类型复合木纤维板 面板厚度(mm)15 面板抗弯强度设计值[f](N/mm 2) 14.74 面板弹性模量E(N/mm 2) 8925 柱长边小梁根数 6 柱短边小梁根数6柱箍间距l 1(mm)500模板设计平面图1、强度验算最不利受力状态如下图,按四等跨连续梁验算静载线荷载q1=0.9×1.35bG4k=0.9×1.35×0.5×57.6=34.99kN/m 活载线荷载q2=0.9×1.4×0.7bQ3k=0.9×1.4×0.7×0.5×2=0.88kN/mM max =-0.107q 1l 2-0.121q 2l 2=-0.107×34.99×0.112-0.121×0.88×0.112=-0.05kN·m σ=M max /W =0.05×106/(1/6×500×152)=2.49N/mm 2≤[f]=14.74N/mm 2 满足要求! 2、挠度验算作用线荷载q =bS 正=0.5×57.6=28.8kN/mν=0.632ql 4/(100EI)=0.63×28.8×1104/(100×8925×(1/12×500×153))=0.02mm≤[ν]=l/400=110/400=0.28mm 满足要求!四、小梁验算小梁类型矩形木楞 小梁材质规格(mm) 40×80 小梁截面惯性矩I(cm 4)170.67 小梁截面抵抗矩W(cm 3) 42.67 小梁抗弯强度设计值[f](N/mm 2) 15.44 小梁弹性模量E(N/mm 2)9350最低处柱箍离楼面距离(mm)1801、强度验算小梁上作用线荷载q =bS 承=0.11×71.75=7.89 kN/m小梁弯矩图(kN·m)M max=0.4kN·mσ=M max/W=0.4×106/42.67×103=9.47N/mm2≤[f]=15.44N/mm2 满足要求!2、挠度验算小梁上作用线荷载q=bS正=0.11×57.6=6.34 kN/m面板变形图(mm)ν=1.08mm≤[ν]=1.5mm满足要求!五、柱箍验算(规范中缺少相关计算说明,仅供参考)模板设计立面图1、柱箍强度验算长边柱箍计算简图长边柱箍弯矩图(kN·m)长边柱箍剪力图(kN) M1=0.13kN·m,N1=5.68kN短边柱箍计算简图短边柱箍弯矩图(kN·m)短边柱箍剪力图(kN)M2=0.13kN·m,N2=5.68kNM/W n=0.13×106/(4.49×103)=28.59N/mm2≤[f]=205N/mm2 满足要求!2、柱箍挠度验算长边柱箍计算简图长边柱箍变形图(mm)短边柱箍计算简图短边柱箍变形图(mm) ν1=0.01mm≤[ν]=l/400=0.62mmν2=0.01mm≤[ν]=l/400=0.62mm满足要求!六、对拉螺栓验算t满足要求!N=5.68×2=11.36kN≤12kN满足要求!。
500×500柱模板计算书柱模板的背部支撑由两层组成,第一层为直接支撑模板的竖楞,用以支撑混凝土对模板的侧压力;第二层为支撑竖楞的柱箍,用以支撑竖楞所受的压力;柱箍之间用对拉螺栓相互拉接,形成一个完整的柱模板支撑体系。
柱模板设计示意图柱截面宽度B(mm):500.00;柱截面高度H(mm):500.00;柱模板的总计算高度:H = 3.00m;计算简图一、参数信息1.基本参数柱截面宽度B方向对拉螺栓数目:0;柱截面宽度B方向竖楞数目:3;柱截面高度H方向对拉螺栓数目:0;柱截面高度H方向竖楞数目:3;2.柱箍信息柱箍材料:木方;宽度(mm):60.00;高度(mm):80.00;柱箍的间距(mm):450;柱箍合并根数:1;3.竖楞信息竖楞材料:木方;竖楞合并根数:1;宽度(mm):60.00;高度(mm):80.00;4.面板参数面板类型:胶合面板;面板厚度(mm):18.00;面板弹性模量(N/mm2):6000.00;面板抗弯强度设计值f c(N/mm2):13.00;面板抗剪强度设计值(N/mm2):1.50;5.木方参数方木抗弯强度设计值f c(N/mm2):13.00;方木弹性模量E(N/mm2):9000.00;方木抗剪强度设计值f t(N/mm2):1.50;二、柱模板荷载标准值计算按《施工手册》,新浇混凝土作用于模板的最大侧压力,按下列公式计算,并取其中的较小值:F=0.22γtβ1β2V1/2F=γH其中γ-- 混凝土的重力密度,取24.000kN/m3;t -- 新浇混凝土的初凝时间,取2.000h;T -- 混凝土的入模温度,取20.000℃;V -- 混凝土的浇筑速度,取2.500m/h;H -- 模板计算高度,取3.000m;β1-- 外加剂影响修正系数,取1.200;β2-- 混凝土坍落度影响修正系数,取1.000。
分别计算得20.036 kN/m2、72.000 kN/m2,取较小值20.036 kN/m2作为本工程计算荷载。
柱模板计算书本计算书依据《建筑施工模板安全技术规范》(JGJ162-2008)、《建筑施工计算手册》江正荣著、《建筑结构荷载规范》(GB 50009-2001)、《混凝土结构设计规范》(GB50010-2010)、《钢结构设计规范》(GB 50017-2003)等规范编制。
柱段:Z1。
模板剖面示意图面板采用克隆(平行方向)12mm厚覆面木胶合板;厚度:12mm;抗弯设计值fm:31N/mm2;弹性模量E:11500N/mm2;3.柱箍柱箍间距(mm):500*9,;材料:2根Ф48×3.5钢管;钢材品种:钢材Q235钢(>16-40);弹性模量E:206000N/mm2;屈服强度fy:235N/mm2;抗拉/抗压/抗弯强度设计值f:205N/mm2;抗剪强度设计值fv:120N/mm2;端面承压强度设计值fce:325N/mm2;4.竖楞材料:2根50×100矩形木楞;木材品种:太平洋海岸黄柏;弹性模量E:10000N/mm2;抗压强度设计值fc:13N/mm2;抗弯强度设计值fm:15N/mm2;抗剪强度设计值fv:1.6N/mm2;B边最外两根竖楞间距:750mm;B边竖楞根数:4;B边竖楞间距调整(mm):250*3;H边最外两根竖楞间距:750mm;H边竖楞根数:4;H边竖楞间距调整(mm):250*3;5.对拉螺栓参数B边最外两根对拉螺栓间距:400mm;B边对拉螺栓根数:2;B边对拉螺栓直径:M16;B边对拉螺栓间距调整(mm):400*1;H边最外两根对拉螺栓间距:400mm;H边对拉螺栓根数:2;H边对拉螺栓直径:M16;H边对拉螺栓间距调整(mm):400*1;6.荷载参数:36.952kN/m2;砼对模板侧压力标准值G4k:2kN/m2;倾倒砼产生的荷载标准值Q3k二、柱模板面板的计算面板为受弯结构,需要验算其抗弯强度和刚度。
这里取面板的计算宽度为1.000m。
柱模板KZZ2(设置对拉螺栓)计算书柱模板(设置对拉螺栓)计算书计算依据:1、《建筑施工模板安全技术规范》jgj162-20212、《混凝土结构设计规范》gb50010-20213、《建筑结构荷载规范》gb50009-20214、《钢结构设计规范》gb50017-2021一、工程属性崭新淋混凝土柱名称崭新淋混凝土柱的排序高度(mm)14楼负一层kzz1崭新淋混凝土柱长边边长(mm)4200崭新淋混凝土柱短边边长(mm)900900二、荷载女团《建筑施工模板恩侧压力排序依据规范全系列技术规范》混凝土重力密度γc(kn/m)jgj162-2021崭新淋混凝土初稀时间t0(h)混凝土坍落度影响修正系数β241外加剂影响修正系数β1混凝土铺设速度v(m/h)4.2min{0.22γct0β1β2v1/232512混凝土侧压力排序边线处至新淋混凝土顶面总高度h(m)2崭新淋混凝土对模板的侧压力标准值g4k(kn/m)2,γch}=min{0.22×25×4×1×1×221/2,25×4.2}=min{31.113,105}=31.113kn/m2飞溅混凝土时对垂直面模板荷载标准值q3k(kn/m)崭新淋混凝土对模板的侧压力标准值g4k=min[0.22γct0β1β2v1/2,γch]=min[0.22×25×4×1×1×21/2,25×4.2]=min[31.11,105]=31.11kn/m2承载能力音速状态设计值s承=0.9max[1.2g4k+1.4q3k,1.35g4k+1.4×0.7q3k]=0.9max[1.2×31.11+1.4×2,1.35×31.11+1.4×0.7×2]=0.9max[40.132,43.959]=0.9×43.959=39.563kn/m2正常采用音速状态设计值s正=g4k=31.11kn/m2三、面板验算面板类型面板抗弯强度设计值[f](n/mm)柱长边小梁根数柱箍间距l1(mm)2覆面竹胶合板14.744700面板厚度(mm)面板弹性模量e(n/mm)柱短边小梁根数21589254模板设计平面图1、强度求函数最不利受力状态如下图,按三等跨连续梁验算静载线荷载q1=0.9×1.35bg4k=0.9×1.35×0.7×31.11=26.459kn/m活载线荷载q2=0.9×1.4×0.7bq3k=0.9×1.4×0.7×0.7×2=1.235kn/mmmax=-0.1q1l2-0.117q2l2=-0.1×26.459×0.32-0.117×1.235×0.32=-0.251knmσ=mmax/w=0.251×106/(1/6×700×152)=9.567n/mm2≤[f]=14.74n/mm2满足要求!2、挠度求函数作用线荷载q=bs正=0.7×31.11=21.777kn/mν=0.677ql4/(100ei)=0.677×21.777×3004/(100×8925×(1/12×700×153))=0.68mm≤[ν]=l/400=300/400=0.75mm满足要求!四、小梁验算小梁类型小梁横截面惯性矩i(cm)4矩形木楞256小梁横截面类型(mm)小梁横截面抵抗矩w(cm)360×8064小梁抗弯强度设计值[f](n/mm)小梁抗剪强度设计值[τ](n/mm)2213.51.35小梁弹性模量e(n/mm)最高处柱缝距楼面距离(mm)290001801、强度求函数小梁上促进作用线荷载q=bs顺=0.3×39.563=11.869kn/m小梁弯矩图(knm)mmax=1.605knmσ=mmax/w=1.605×106/64×103=25.073n/mm2>[f]=13.5n/mm2不满足要求!请优化柱箍间距,或增大相应柱边小梁根数!2、抗剪验算小梁抠力图(knm)vmax=6.185knτmax=3vmax/(2bh0)=3×6.185×1000/(2×60×80)=1.933n/mm2>[τ]=1.35n/mm2不满足要求!恳请增大梁底提振小梁间距或挑选最合适材料类型,或减少梁底提振小梁,或优化小梁边线!3、挠度求函数小梁上作用线荷载q=bs正=0.3×31.11=9.333kn/m小梁变形图(mm)ν=7.716mm>[ν]=1.75mm不满足要求!恳请优化柱箍边线,或减小适当柱边小梁根数!4、支座反力排序承载能力音速状态rmax=12.357正常采用音速状态。
最新资料推荐500 X 500柱模板计算书柱模板的背部支撑山两层组成,第一层为直接支撑模板的竖楞,用以支撑 混凝土对模板的侧压力;笫二层为支撑竖楞的柱箍,用以支撑竖楞所受的压 力;柱箍之间用对拉螺栓相互拉接,形成一个完整的柱模板支撑体系。
单位:(mm)柱立面图 柱模板设计示意图柱截面宽度B(mm):500.00:柱截面高度H(mm):500.00:柱模板的总讣算高 度:H = 3.00m ;拄箍〔方木)竖愣〔方木)面板 对拉螺栓柱剖面图址新资料推荐叩022Q , 22。
计算简图一、参数信息1 •基本参数柱截面宽度B方向对拉螺栓数U:0;柱截面宽度B方向竖楞数U:3;柱截面高度H方向对拉螺栓数I」:0:柱截面高度H方向竖楞数U:3;2 •柱箍信息柱箍材料:木方;宽度(mm):60.00;高度(mm):80.00;柱箍的间距(mm):450;柱箍合并根数:1;3 •竖楞信息竖楞材料:木方;竖楞合并根数:1;宽度(mm):60.00;高度(mm):80.00;4 •面板参数面板类型:胶合面板;面板厚度(mm):l&00;面板弹性模量(N/mnr):6000.00;面板抗弯强度设讣值fc(N/mnr): 13.00:最新资料推荐面板抗剪强度设计ffl(N/mm2):l .50;5 •木方参数方木抗弯强度设讣值fc(N/mm2): 13.00:方木弹性模量E(N/mnr):9000.00:方木抗剪强度设计值ft(N/mm2): 1.50:二、柱模板荷载标准值计算按《施工手册》,新浇混凝土作用于模板的最大侧压力,按下列公式计算,并取其中的较小值:F二0. 22ytpip2V1/2F 二YH其中丫-混凝土的重力密度,取24. 000kN/m3;t —新浇混凝土的初凝时间,取2. OOOh;T 一混凝土的入模温度,取20.000C;V —混凝土的浇筑速度,取2. 500m/h:H —模板计算高度,取3. 000m;pi-外加剂影响修正系数,取1. 200;畑-混凝土坍落度影响修正系数,取l.OOOo分别计算得20. 036 kN/m\ 72. 000 kN/m2,取较小值20. 036 kN/m‘作为本工程计算荷载。
柱模板(设置对拉螺栓)计算书计算依据:1、《建筑施工模板安全技术规范》JGJ162-20082、《混凝土结构设计规范》GB50010-20103、《建筑结构荷载规范》GB 50009-20124、《钢结构设计规范》GB 50017-2003一、工程属性二、荷载组合新浇混凝土对模板的侧压力标准值G4k=min[0.22γc t0β1β2v1/2,γc H]=min[0.22×24×4×1×1×21/2,24×4]=min[29.87,96]=29.87kN/m2承载能力极限状态设计值S承=0.9max[1.2G4k+1.4Q3k,1.35G4k+1.4×0.7Q3k]=0.9max[1.2×29.87+1.4×2,1.35×29.87+1.4×0.7×2]=0.9max[38.644,42.284]=0.9×42.284=38.056kN/m2正常使用极限状态设计值S正=G4k=29.87 kN/m2三、面板验算面板类型覆面竹胶合板面板厚度(mm) 15 面板抗弯强度设计值[f](N/mm2) 14.74 面板弹性模量E(N/mm2) 8925 柱长边小梁根数 4 柱短边小梁根数 4柱箍间距l1(mm) 500模板设计平面图1、强度验算最不利受力状态如下图,按三等跨连续梁验算静载线荷载q1=0.9×1.35bG4k=0.9×1.35×0.5×29.87=18.146kN/m活载线荷载q2=0.9×1.4×0.7bQ3k=0.9×1.4×0.7×0.5×2=0.882kN/mM max=-0.1q1l2-0.117q2l2=-0.1×18.146×0.22-0.117×0.882×0.22=-0.077kN·mσ=M max/W=0.077×106/(1/6×500×152)=4.091N/mm2≤[f]=14.74N/mm2满足要求!2、挠度验算作用线荷载q=bS正=0.5×29.87=14.935kN/mν=0.677ql4/(100EI)=0.677×14.935×2004/(100×8925×(1/12×500×153))=0.129mm≤[ν]=l/400=200/400=0.5mm满足要求!四、小梁验算小梁类型矩形木楞小梁材质规格(mm) 50×70小梁截面惯性矩I(cm4) 142.917 小梁截面抵抗矩W(cm3) 40.833小梁抗弯强度设计值[f](N/mm2) 15.444 小梁弹性模量E(N/mm2) 9350最低处柱箍离楼面距离(mm) 2001、强度验算小梁上作用线荷载q=bS承=0.2×38.056=7.611 kN/m小梁弯矩图(kN·m)M max=0.342kN·mσ=M max/W=0.342×106/40.833×103=8.388N/mm2≤[f]=15.444N/mm2 满足要求!2、挠度验算小梁上作用线荷载q=bS正=0.2×29.87=5.974 kN/m面板变形图(mm)ν=0.92mm≤[ν]=1.5mm满足要求!五、柱箍验算柱箍类型钢管柱箍合并根数 2柱箍材质规格(mm) Ф48×3柱箍截面惯性矩I(cm4) 10.78 柱箍截面抵抗矩W(cm3) 4.49 柱箍抗弯强度设计值[f](N/mm2) 205 柱箍弹性模量E(N/mm2) 206000模板设计立面图1、柱箍强度验算长边柱箍计算简图长边柱箍弯矩图(kN·m)长边柱箍剪力图(kN) M1=0.761kN·m,N1=3.489kN短边柱箍计算简图短边柱箍弯矩图(kN·m)短边柱箍剪力图(kN)M2=0.761kN·m,N2=3.489kNM/W n=0.761×106/(4.49×103)=169.529N/mm2≤[f]=205N/mm2 满足要求!2、柱箍挠度验算长边柱箍计算简图长边柱箍变形图(mm)短边柱箍计算简图短边柱箍变形图(mm) ν1=1.673mm≤[ν]=l/400=1.925mmν2=1.673mm≤[ν]=l/400=1.925mm满足要求!六、对拉螺栓验算N=3.489×2=6.978kN≤N t b=12.9kN满足要求!N=3.489×2=6.978kN≤26kN满足要求!。
5.11.1框架柱支撑计算书柱模板支撑计算书一、柱模板基本参数柱模板的截面宽度 B=800mm,B方向对拉螺栓3道,柱模板的截面高度 H=800mm,H方向对拉螺栓3道,柱模板的计算高度 L = 3200mm,柱箍间距计算跨度 d = 500mm。
柱模板竖楞截面宽度100mm,高度100mm,间距250mm。
柱箍采用圆钢管48×3.5,每道柱箍4根钢箍,间距500mm。
柱箍是柱模板的横向支撑构件,其受力状态为受弯杆件,应按受弯杆件进行计算。
柱模板计算简图二、柱模板荷载标准值计算强度验算要考虑新浇混凝土侧压力和倾倒混凝土时产生的荷载;挠度验算只考虑新浇混凝土侧压力。
新浇混凝土侧压力计算公式为下式中的较小值:其中——混凝土的重力密度,取22.000kN/m3;t ——新浇混凝土的初凝时间,为0时(表示无资料)取200/(T+15),取4.000h;T ——混凝土的入模温度,取14.000℃;V ——混凝土的浇筑速度,取2.000m/h;H ——混凝土侧压力计算位置处至新浇混凝土顶面总高度,取3.200m;1——外加剂影响修正系数,取1.000;2——混凝土坍落度影响修正系数,取0.850。
根据公式计算的新浇混凝土侧压力标准值 F1=23.270kN/m2实际计算中采用新浇混凝土侧压力标准值 F1=23.270kN/m2倒混凝土时产生的荷载标准值 F2= 3.000kN/m2。
三、柱模板面板的计算面板直接承受模板传递的荷载,应该按照均布荷载下的三跨连续梁计算,计算如下q面板计算简图支座最大弯矩计算公式跨中最大弯矩计算公式其中 q ——强度设计荷载(kN/m);q = (1.2×23.27+1.4×3.00)×0.50 = 16.06kN/md ——竖楞的距离,d = 250mm;经过计算得到最大弯矩 M = 0.10×16.062×0.25×0.25=0.100kN.M面板截面抵抗矩 W = 500.0×18.0×18.0/6=27000.0mm3经过计算得到 = M/W = 0.100×106/27000.0 = 3.718N/mm2面板的计算强度小于15.0N/mm2,满足要求!2.抗剪计算最大剪力的计算公式如下:Q = 0.6qd截面抗剪强度必须满足:T = 3Q/2bh < [T]其中最大剪力 Q=0.6×0.250×16.062=2.409kN截面抗剪强度计算值 T=3×2409/(2×500×18)=0.402N/mm2截面抗剪强度设计值 [T]=1.40N/mm2面板的抗剪强度计算满足要求!最大挠度计算公式其中q ——混凝土侧压力的标准值,q = 23.270×0.500=11.635kN/m;E ——面板的弹性模量,取6000.0N/mm2;I ——面板截面惯性矩 I = 500.0×18.0×18.0×18.0/12=243000.0mm4;经过计算得到 v =0.677×(23.270×0.50)×250.04/(100×6000.0×243000.0) = 0.211mm[v] 面板最大允许挠度,[v] = 250.000/250 = 1.00mm;面板的最大挠度满足要求!四、竖楞方木的计算竖楞方木直接承受模板传递的荷载,该按照均布荷载下的三跨连续梁计算,计算如下q竖楞方木计算简图1.竖楞方木强度计算支座最大弯矩计算公式跨中最大弯矩计算公式其中 q ——强度设计荷载(kN/m);q = (1.2×23.27+1.4×3.00)×0.25 = 8.03kN/md为柱箍的距离,d = 500mm;经过计算得到最大弯矩 M = 0.10×8.031×0.50×0.50=0.201kN.M竖楞方木截面抵抗矩 W = 100.0×100.0×100.0/6=166666.7mm3 经过计算得到 = M/W = 0.201×106/166666.7 = 1.205N/mm2竖楞方木的计算强度小于13.0N/mm2,满足要求!2.竖楞方木抗剪计算最大剪力的计算公式如下:Q = 0.6qd截面抗剪强度必须满足:T = 3Q/2bh < [T]其中最大剪力 Q=0.6×0.500×8.031=2.409kN截面抗剪强度计算值 T=3×2409/(2×100×100)=0.361N/mm2截面抗剪强度设计值 [T]=1.30N/mm2竖楞方木抗剪强度计算满足要求!3.竖楞方木挠度计算最大挠度计算公式其中 q —— 混凝土侧压力的标准值,q = 23.270×0.250=5.818kN/m ;E —— 竖楞方木的弹性模量,取9500.0N/mm2;I —— 竖楞方木截面惯性矩 I = 100.0×100.0×100.0×100.0/12=8333334.0mm4;经过计算得到 v =0.677×(23.270×0.25)×500.04/(100×9500.0×8333334.0) = 0.031mm[v] 竖楞方木最大允许挠度,[v] = 500.000/250 = 2.00mm ; 竖楞方木的最大挠度满足要求!五、B 方向柱箍的计算柱箍采用钢楞,截面惯性矩I 和截面抵抗矩W 分别为:钢柱箍的规格: 圆钢管48×3.5mm ;钢柱箍截面抵抗矩 W = 5.08cm3;钢柱箍截面惯性矩 I = 12.19cm4;4.02kN 4.02kN4.02kN 4.02kN 4.02kN AB 方向柱箍计算简图其中 P —— 竖楞方木传递到柱箍的集中荷载(kN);P = (1.2×23.27+1.4×3.00)×0.25 × 0.50 = 4.02kN 经过连续梁的计算得到6.456.45B方向柱箍剪力图(kN)0.283B方向柱箍弯矩图(kN.m)0.004B方向柱箍变形图(kN.m)最大弯矩 M = 0.284kN.m最大支座力 N = 8.575kN最大变形 v = 0.023mm1.柱箍强度计算柱箍截面强度计算公式其中 Mx ——柱箍杆件的最大弯矩设计值, Mx = 0.28kN.m;x ——截面塑性发展系数, 为1.05;W ——弯矩作用平面内柱箍截面抵抗矩, W = 20.32cm3;柱箍的强度设计值(N/mm2): [f] = 205.000B 边柱箍的强度计算值 f = 13.97N/mm2;B 边柱箍的强度验算满足要求!2.柱箍挠度计算经过计算得到 v =0.023mm[v] 柱箍最大允许挠度,[v] = 200.000/400 = 0.50mm ; 柱箍的最大挠度满足要求!六、B 方向对拉螺栓的计算计算公式:N < [N] = fA其中 N —— 对拉螺栓所受的拉力;A —— 对拉螺栓有效面积 (mm2);f —— 对拉螺栓的抗拉强度设计值,取170N/mm2; 对拉螺拴的强度要大于最大支座力8.58kN 。
800*800柱模板(设置对拉螺栓)计算书一、计算依据1、《建筑施工模板安全技术规范》JGJ162-20082、《混凝土结构设计规范》GB50010-20103、《建筑结构荷载规范》GB50009-20124、《钢结构设计规范》GB50017-20035、《建筑施工临时支撑结构技术规范》JGJ300-20136、《施工手册》(第五版)二、计算参数基本参数(图1)模板设计平面图(图2)模板设计立面图三、荷载统计新浇混凝土对模板的侧压力F1=0.22γct0β1β2V0.5=0.22×24×4×1.2×1.15×20.5=41.218kN/m2F2=γcH=24×4200/1000=100.8kN/m2标准值G4k=min[F1,F2]=41.218kN/m2承载能力极限状态设计值根据墙厚的大小确定组合类型:由于柱长边大于300mm,则:S=0.9max[1.2G4k+1.4Q3k,1.35G4k+1.4×0.7Q3k] =0.9×max(1.2×41.218+1.4×2,1.35×41.218+1.4×0.7×2)=51.844kN/m2正常使用极限状态设计值Sk=G4k=41.218kN/m2四、面板验算根据规范规定面板可按简支跨计算,故可按简支跨一种情况进行计算,取b=1m单位面板宽度为计算单元。
W=bh2/6=1000×182/6=54000mm3,I=bh3/12=1000×183/12=486000mm4其中的h为面板厚度。
(图3)承载能力极限状态受力简图1、强度验算q=bS=1×51.844=51.844kN/m(图4)面板弯矩图(kN·m)Mmax=0.166kN·mσ=Mmax/W=0.166×106/54000=3.072N/mm2≤[f]=25N/mm2满足要求2、挠度验算(图5)正常使用极限状态受力简图qk=bSk=1×41.218=41.218kN/m(图6)面板变形图(mm)νmax=0.09mm≤[ν]=450/400=1.125mm满足要求五、小梁验算柱箍的道数:e=[e≤(H-a)/b,e∈Z]=8次梁上部悬挑长度a1=H-a-eb=4200-250-8×450=350mm根据实际情况次梁的计算简图应为两端带悬挑的多跨连续梁,次梁按四跨连续梁计算偏安全且比较符合实际情况,计算简图如下:(图7)承载能力极限状态受力简图次梁上作用线荷载q=Max(L/m,B/n)S=133.333/1000×51.844=6.913kN/mqk=Max(L/m,B/n)Sk=133.333/1000×41.218=5.496kN/m1、强度验算(图8)次梁弯矩图Mmax=0.423kN·mσ=Mmax/W=0.423×106/(83.333×1000)=5.081N/mm2≤[f]=13N/mm2满足要求2、抗剪验算(图9)次梁剪力图Vmax=2.419kNτ=VmaxS0/(Ib) = 2.419×103×62.5×103/(416.667×104×5×10)=0.726N/mm2≤[fv]=1.4N/mm2满足要求3、挠度验算(图10)正常使用极限状态受力简图(图11)次梁变形图ν=0.57mm≤[ν]=450/400=1.125mm满足要求4、支座反力计算Rmax=4.843kNRmaxk=3.85kN六、柱箍验算取s=Max[L/(X+1),B/(Y+1)]=max((800+(100+48)×2)/(2+1),(800+(100+48)×2)/(2+1))=365.333mm为计算跨度。
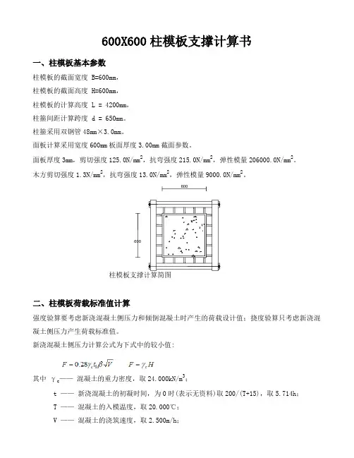
600X600柱模板支撑计算书一、柱模板基本参数柱模板的截面宽度 B=600mm,柱模板的截面高度 H=600mm,柱模板的计算高度 L = 4200mm,柱箍间距计算跨度 d = 650mm。
柱箍采用双钢管48mm×3.0mm。
面板计算采用宽度600mm板面厚度3.00mm截面参数。
面板厚度3mm,剪切强度125.0N/mm2,抗弯强度215.0N/mm2,弹性模量206000.0N/mm2。
木方剪切强度1.3N/mm2,抗弯强度13.0N/mm2,弹性模量9000.0N/mm2。
600600柱模板支撑计算简图二、柱模板荷载标准值计算强度验算要考虑新浇混凝土侧压力和倾倒混凝土时产生的荷载设计值;挠度验算只考虑新浇混凝土侧压力产生荷载标准值。
新浇混凝土侧压力计算公式为下式中的较小值:其中γc——混凝土的重力密度,取24.000kN/m3;t ——新浇混凝土的初凝时间,为0时(表示无资料)取200/(T+15),取5.714h;T ——混凝土的入模温度,取20.000℃;V ——混凝土的浇筑速度,取2.500m/h;H —— 混凝土侧压力计算位置处至新浇混凝土顶面总高度,取3.000m ; β—— 混凝土坍落度影响修正系数,取0.850。
根据公式计算的新浇混凝土侧压力标准值 F1=40.540kN/m 2考虑结构的重要性系数0.9,实际计算中采用新浇混凝土侧压力标准值: F1=0.9×27.000=24.300kN/m 2考虑结构的重要性系数0.9,倒混凝土时产生的荷载标准值: F2=0.9×3.000=2.700kN/m 2。
三、柱模板面板的计算面板直接承受模板传递的荷载,应该按照均布荷载下的简支梁计算,计算如下19.76kN/mA面板计算简图 面板的计算宽度取小钢模宽度0.60m 。
荷载计算值 q = 1.2×24.300×0.600+1.40×2.700×0.600=19.764kN/m 面板的截面惯性矩I 和截面抵抗矩W 分别为: W=13.020cm 3 I=58.870cm 4(1)抗弯强度计算f = M / W < [f]其中 f —— 面板的抗弯强度计算值(N/mm 2); M —— 面板的最大弯距(N.mm); W —— 面板的净截面抵抗矩;[f] —— 面板的抗弯强度设计值,取215.00N/mm 2; M = 0.125ql 2 其中 q —— 荷载设计值(kN/m);经计算得到 M = 0.125×(1.20×14.580+1.40×1.620)×0.650×0.650=1.044kN.m 经计算得到面板抗弯强度计算值 f = 1.044×1000×1000/13020=80.168N/mm 2面板的抗弯强度验算 f < [f],满足要求!(2)挠度计算v = 5ql 4 / 384EI < [v] = l / 400面板最大挠度计算值 v = 5×14.580×6504/(384×206000×588700)=0.279mm 面板的最大挠度小于650.0/250,满足要求!四、竖楞木方的计算无竖楞木方!五、B 方向柱箍的计算面板木方传递到柱箍的均布荷载 Q :Q = (1.2×24.30+1.40×2.70)×0.65=21.41kN/m 柱箍按照均布荷载作用下的连续梁计算。
柱模板(设置对拉螺栓)计算书一、工程属性新浇混凝土柱名称A 楼3层KL11 新浇混凝土柱长边边长(mm) 500 新浇混凝土柱的计算高度(mm)13200新浇混凝土柱短边边长(mm)500二、荷载组合新浇混凝土对模板的侧压力标准值G 4k =min[0.22γc t 0β1β2v 1/2,γc H]=min[0.22×24×4×1×1.15×2.51/2,24×13.2]=min[38.4,316.8]=38.4kN/m 2承载能力极限状态设计值S 承=0.9max[1.2G 4k +1.4Q 3k ,1.35G 4k +1.4×0.7Q 3k ]=0.9max[1.2×38.4+1.4×2,1.35×38.4+1.4×0.7×2]=0.9max[48.88,53.8]=0.9×53.8=48.42kN/m 2正常使用极限状态设计值S 正=G 4k =38.4 kN/m 2三、面板验算模板设计平面图1、强度验算最不利受力状态如下图,按三等跨连续梁验算静载线荷载q1=0.9×1.35bG4k=0.9×1.35×0.5×38.4=23.33kN/m活载线荷载q2=0.9×1.4×0.7bQ3k=0.9×1.4×0.7×0.5×2=0.88kN/mM max=-0.1q1l2-0.117q2l2=-0.1×23.33×0.172-0.117×0.88×0.172=-0.07kN·mσ=M max/W=0.07×106/(1/6×500×152)=3.61N/mm2≤[f]=15N/mm2满足要求!2、挠度验算作用线荷载q=bS正=0.5×38.4=19.2kN/mν=0.677ql4/(100EI)=0.68×19.2×166.674/(100×10000×(1/12×500×153))=0.07mm≤[ν]=l/400=166.67/400=0.42mm满足要求!四、小梁验算1、强度验算小梁上作用线荷载q=bS承=0.17×48.42=8.07 kN/m小梁弯矩图(kN·m)M max=0.21kN·mσ=M max/W=0.21×106/54×103=3.95N/mm2≤[f]=15.44N/mm2 满足要求!2、挠度验算小梁上作用线荷载q=bS正=0.17×38.4=6.4 kN/m面板变形图(mm)ν=0.12mm≤[ν]=1.5mm满足要求!五、柱箍验算(规范中缺少相关计算说明,仅供参考)模板设计立面图1、柱箍强度验算长边柱箍计算简图长边柱箍弯矩图(kN·m)长边柱箍剪力图(kN) M1=0.74kN·m,N1=3.43kN短边柱箍计算简图短边柱箍弯矩图(kN·m)短边柱箍剪力图(kN)M2=0.74kN·m,N2=3.43kNM/W n=0.74×106/(4.73×103)=156.29N/mm2≤[f]=205N/mm2 满足要求!2、柱箍挠度验算长边柱箍计算简图长边柱箍变形图(mm)短边柱箍计算简图短边柱箍变形图(mm)ν1=1.31mm≤[ν]=l/400=1.78mmν2=1.31mm≤[ν]=l/400=1.78mm满足要求!六、对拉螺栓验算对拉螺栓型号M14 轴向拉力设计值N t b(kN) 17.8 扣件类型3形26型扣件容许荷载(kN) 26N=3.43×2=6.86kN≤N t b=17.8kN 满足要求!N=3.43×2=6.86kN≤26kN满足要求!。
柱模板(设置对拉螺栓)计算书计算依据:1、《建筑施工模板安全技术规范》JGJ162-20082、《混凝土结构设计规范》GB50010-20103、《建筑结构荷载规范》GB 50009-20124、《钢结构设计规范》GB 50017-2003一、工程属性二、荷载组合新浇混凝土对模板的侧压力标准值G4k=min[0.22γc t0β1β2v1/2,γc H]=min[0.22×24×4×1×1×21/2,24×3]=min[29.87,72]=29.87kN/m2承载能力极限状态设计值S承=0.9max[1.2G4k+1.4Q3k,1.35G4k+1.4×0.7Q3k]=0.9max[1.2×29.87+1.4×2,1.35×29.87+1.4×0.7×2]=0.9max[38.64,42.28]=0.9×42.28=38.06kN/m2正常使用极限状态设计值S正=G4k=29.87 kN/m2三、面板验算模板设计平面图1、强度验算最不利受力状态如下图,按三等跨连续梁验算静载线荷载q1=0.9×1.35bG4k=0.9×1.35×0.5×29.87=18.15kN/m活载线荷载q2=0.9×1.4×0.7bQ3k=0.9×1.4×0.7×0.5×2=0.88kN/mM max=-0.1q1l2-0.117q2l2=-0.1×18.15×0.22-0.117×0.88×0.22=-0.08kN·mσ=M max/W=0.08×106/(1/6×500×152)=4.09N/mm2≤[f]=14.74N/mm2满足要求!2、挠度验算作用线荷载q=bS正=0.5×29.87=14.94kN/mν=0.677ql4/(100EI)=0.68×14.94×2004/(100×8925×(1/12×500×153))=0.13mm≤[ν]=l/400=200/400=0.5mm满足要求!四、小梁验算1、强度验算小梁上作用线荷载q=bS承=0.2×38.06=7.61 kN/m小梁弯矩图(kN·m)M max=0.2kN·mσ=M max/W=0.2×106/42.67×103=4.71N/mm2≤[f]=15.44N/mm2 满足要求!2、挠度验算小梁上作用线荷载q=bS正=0.2×29.87=5.97 kN/m面板变形图(mm) ν=0.15mm≤[ν]=1.5mm满足要求!五、柱箍验算(规范中缺少相关计算说明,仅供参考)模板设计立面图1、柱箍强度验算长边柱箍计算简图长边柱箍弯矩图(kN·m)长边柱箍剪力图(kN) M1=0.73kN·m,N1=3.24kN短边柱箍计算简图短边柱箍弯矩图(kN·m)短边柱箍剪力图(kN)M2=0.73kN·m,N2=3.24kNM/W n=0.73×106/(4.12×103)=178.1N/mm2≤[f]=205N/mm2 满足要求!2、柱箍挠度验算长边柱箍计算简图长边柱箍变形图(mm)短边柱箍计算简图短边柱箍变形图(mm) ν1=1.85mm≤[ν]=l/400=1.98mmν2=1.85mm≤[ν]=l/400=1.98mm满足要求!六、对拉螺栓验算N=3.24×2=6.48kN≤N t b=17.8kN满足要求!N=3.24×2=6.48kN≤26kN满足要求!。
500×500柱模板(设置对拉螺栓)计算书计算依据:1、《建筑施工模板安全技术规范》JGJ162-20082、《混凝土结构设计规范》GB50010-20103、《建筑结构荷载规范》GB 50009-20124、《钢结构设计规范》GB 50017-2003一、工程属性4k c012cmin[0.22×24×4×1×1×21/2,24×4.07]=min[29.87,97.68]=29.87kN/m2 承载能力极限状态设计值S承=0.9max[1.2G4k+1.4Q3k,1.35G4k+1.4×0.7Q3k]=0.9max[1.2×29.868+1.4×2,1.35×29.868+1.4×0.7×2]=0.9max[38.642,42.282]=0.9×42.282=38.054kN/m2正常使用极限状态设计值S正=G4k=29.868 kN/m2三、面板验算模板设计平面图1、强度验算最不利受力状态如下图,按四等跨连续梁验算静载线荷载q1=0.9×1.35bG4k=0.9×1.35×0.5×29.868=18.145kN/m活载线荷载q2=0.9×1.4×0.7bQ3k=0.9×1.4×0.7×0.5×2=0.882kN/mM max=-0.107q1l2-0.121q2l2=-0.107×18.145×0.12-0.121×0.882×0.12=-0.02kN·m σ=M max/W=0.02×106/(1/6×500×152)=1.092N/mm2≤[f]=14.742N/mm2满足要求!2、挠度验算作用线荷载q=bS正=0.5×29.868=14.934kN/mν=0.632ql4/(100EI)=0.632×14.934×1004/(100×8925×(1/12×500×153))=0.008mm≤[ν]=l/400=100/400=0.25mm满足要求!四、小梁验算小梁上作用线荷载q=bS承=0.1×38.054=3.805 kN/m小梁弯矩图(kN·m)M max=0.289kN·mσ=M max/W=0.289×106/42.667×103=6.782N/mm2≤[f]=13.5N/mm2满足要求!2、抗剪验算小梁剪力图(kN·m)V max=1.484kNτmax=3V max/(2bh0)=3×1.484×1000/(2×40×80)=0.696N/mm2≤[τ]=1.35N/mm2 满足要求!3、挠度验算小梁上作用线荷载q=bS正=0.1×29.868=2.987 kN/m小梁变形图(mm) ν=1.167mm≤[ν]=1.25mm满足要求!4、支座反力计算承载能力极限状态R max=2.968正常使用极限状态R max=2.33五、柱箍验算(规范中缺少相关计算说明,仅供参考)模板设计立面图1、柱箍强度验算连续梁中间集中力取小P值;两边集中力为小梁荷载取半后,取P/2值。
柱模板计算书一、基本参数:混凝土侧压力计算位置至新浇混凝土顶面的总高度 L=9 m柱截面宽度 B=1200 mm柱截面高度 H=1200 mm面板的厚度 h=18 mm竖楞方木截面宽度 b=50 mm竖楞方木截面高度 h=100 mmB方向竖楞间距 b1= mH方向竖楞间距 h1= m柱箍材料圆形钢管柱箍圆形钢管直径 r=48 mm柱箍圆形钢管壁厚 e= mm柱箍间距 b= m对拉螺栓型号 M18B方向螺栓间距 L1= mH方向螺栓间距 L2= m二、柱模板荷载标准值计算:新浇混凝土侧压力公式为下式中的较小值:其中:γc为混凝土重力密度;24 kN/m3t 新浇混凝土的初凝时间 t= 小时v 混凝土的浇筑速度 v=3 m/hβ1 外加剂影响系数β1=1β2 混凝土坍落度影响修正系数β2=H 混凝土侧压力计算位置处至新浇混凝土顶面的总高度 H=9 mF1 新浇混混凝土侧压力 F1= kN/m2F2 倾倒(振捣)混凝土时产生的荷载标准值 F2 = 4 kN/m2三、柱模板面板计算1、B方向柱模板面板的计算面板按照均布荷载下的三跨连续梁计算(1)、面板荷载计算面板荷载计算值 q=×+×4)×= kN/m(2)、面板抗弯强度计算面板最大弯矩设计值其中:l B方向竖楞方木间距 l= mq 面板荷载计算值 q= kN/m经计算得到:M=××^2=面板强度计算值其中: W 面板截面抵抗矩 W = mm3M 面板最大弯矩设计值 M =经计算得到:f=×1000000÷×1000)= N/mm2面板抗弯强度设计值 [f] =15 N/mm2面板强度计算值小于或等于面板抗弯强度设计值,故满足要求!(3)、面板抗剪强度计算面板最大剪力设计值其中: l B方向竖楞方木间距 l= mq 面板荷载计算值 q= kN/m经计算得到:Q=××= kN面板的抗剪强度设计值:其中: b 柱箍间距 b= mh 面板厚度 h=18 mmQ 面板最大剪力设计值 Q= kN经计算得到:T=3××1000÷(2××1000×18)= N/mm2抗剪强度设计值 [T] = N/mm2面板的抗剪强度小于或等于抗剪强度设计值,故满足要求! (4)、面板挠度计算面板荷载标准值q=×= kN/m面板的挠度设计值:其中: l B方向竖楞方木间距 l= mE 弹性模量 E=5200 N/mm2I 面板截面惯性矩 I= cm4经计算得到:V=×××1000)^4÷(100×5200××10000)= mm [v] 面板的最大允许挠度值 [v]=×1000÷250= mm面板的挠度设计值小于或等于最大允许挠度,故满足要求!2、H方向柱模板面板的计算面板按照均布荷载下的三跨连续梁计算(1)、面板荷载计算面板荷载计算值 q=×+×4)×= kN/m(2)、面板抗弯强度计算面板最大弯矩设计值其中: l H方向竖楞方木间距 l= mq 面板荷载计算值 q= kN/m经计算得到:M=××^2=面板强度计算值其中: W 面板截面抵抗矩 W = cm3M 面板最大弯矩设计值 M =经计算得到:f=×1000000÷×1000)= N/mm2面板抗弯强度设计值 [f] =15 N/mm2面板强度计算值小于或等于面板抗弯强度设计值,故满足要求!(3)、面板抗剪强度计算面板最大剪力设计值其中: l H方向竖楞方木间距 l= mq 面板荷载计算值 q= kN/m经计算得到:Q=××= kN面板的抗剪强度设计值其中 b 柱箍间距 b= mh 面板厚度 h=18 mmQ 面板最大剪力设计值 Q= kN经计算得到:T=3××1000÷(2××1000×18)= N/mm2抗剪强度设计值 [T] = N/mm2面板的抗剪强度小于或等于抗剪强度设计值,故满足要求!(4)、面板挠度计算面板荷载标准值q=×= kN/m面板的挠度设计值其中: l H方向竖楞方木间距 l= mE 面板的弹性模量 E=5200 N/mm2I 面板截面惯性矩 I= cm4经计算得到:V=×××1000)^4÷(100×5200××10000)= mm[v] 面板的最大允许挠度值 [v]=×1000÷250= mm面板的挠度设计值小于或等于最大允许挠度,故满足要求!四、竖楞方木的计算竖楞方木直接承受模板传递的荷载,应该按照均布荷载下的三跨连续梁计算,计算如下1、B方向竖楞方木的计算(1)、方木荷载计算方木荷载计算值:q=×+×4)×= kN/m(2)、方木抗弯强度计算最大弯矩计算公式:其中:l 柱箍的距离 l= mq 面板荷载计算值 q= kN/m经计算得到:M=××^2=竖楞方木强度其中: W 方木截面抵抗矩 W = cm3M 最大弯矩 M =经计算得到: f=×1000÷= N/mm2竖楞方木抗弯强度设计值 [f] = 17 N/mm2竖楞方木抗弯强度计算值小于竖楞方木抗弯强度设计值;故满足要求!(3)、方木抗剪强度计算最大剪力的计算公式如下其中: l 柱箍的间距 l= mq 方木荷载计算值 q= kN/m经计算得到: Q=××= kN截面抗剪强度计算值:其中: b 竖楞方木截面宽度 b=50 mmh 竖楞方木截面高度 h=100 mmQ 最大剪力 Q = kN经计算得到:T=3××1000÷(2×50×100)= N/mm2截面抗剪强度设计值;[T]= N/mm2截面抗剪强度计算值小于截面抗剪强度设计值;故满足要求! (4)、方木挠度计算竖楞荷载标准值:q=×= kN/m最大挠度计算公式如下:其中: l 柱箍的距离 l= mE 弹性模量 E=10000 N/mm2I 面板截面惯性矩 I= cm4经计算得到:v=×××1000)^4÷(100×10000××1000)= mm内楞的最大允许挠度值:[v]=×1000÷250= mm竖楞方木最大挠度计算值小于竖楞方木最大允许挠度;故满足要求!2、H方向竖楞方木的计算(1)、方木荷载计算方木荷载计算值:q=×+×4)×= kN/m(2)、方木抗弯强度计算最大弯矩计算公式:其中:l 柱箍的距离;取l= mq 面板荷载计算值 q = kN/m经计算得到:M=××^2=竖楞方木强度:其中: W 方木截面抵抗矩 W = cm3M 最大弯矩 M =经计算得到:f=×1000÷= N/mm2竖楞方木抗弯强度设计值 [f] = 17 N/mm2竖楞方木抗弯强度计算值小于竖楞方木抗弯强度设计值;故满足要求!(3)、方木抗剪强度计算最大剪力的计算公式如下其中:l 柱箍的间距 l= mq 方木荷载计算值 q= kN/m经计算得到: Q=××= kN截面抗剪强度计算值:其中: b 竖楞方木截面宽度 b=50 mmh 竖楞方木截面高度 h=100 mmQ 最大剪力 Q = kN经计算得到: T=3××1000÷(2×50×100)= N/mm2截面抗剪强度设计值;[T]=(N/mm2)截面抗剪强度计算值小于截面抗剪强度设计值;故满足要求!(4)、方木挠度计算竖楞荷载标准值q=×= kN/m最大挠度计算公式如下:其中: l 柱箍的距离 l= mE 弹性模量 E=10000 N/mm2I 面板截面惯性矩 I= cm4经计算得到:v=×××1000)^4÷(100×10000××1000)= mm竖楞的最大允许挠度值:[v]=×1000÷250= mm竖楞方木最大挠度计算值小于竖楞方木最大允许挠度;故满足要求! 五、柱箍的计算柱箍受竖楞方木传递的集中荷载作用,为受弯构件。
对拉螺栓及柱箍选用计算书一、浇筑砼对模板的侧压力P m=0.22×γc×t0×β1×β2×V1/2P m=25H其中:P m:砼对模板的侧压力,取上述最小值V:砼浇筑速度,取2.5m/hγc:砼的重力密度(kN/m3),取25 kN/m3t0:砼初凝时间(h),t0=200/(T+15),砼入模温度为23℃β1:砼外加剂修正系数,取1.2β2:砼的坍落度修正系数,取1.15H:砼的浇筑高度,取7.37m则:P m=63.2 kN/m2二、对拉螺栓选用计算:在柱子两侧设1~2根对拉螺栓,知:1根φ16的对拉螺栓可承受拉力F=34.2kN,1根φ25的对拉螺栓可承受拉力F=83.4kN,1根φ20的对拉螺栓可承受拉力F=51.9kN,F= P m A= P m ab其中:F:对拉螺栓受到的拉力a:对拉螺栓的横向间距b:对拉螺栓的纵向间距,取0.5mA:对拉螺栓分担的受荷面积1.柱宽为1.266m时:F=63.2×0.5×1.45/2=29.9 kN2.柱宽为1.62m时:F=63.2×0.5×1.844/2=29.1kN通过计算可知: 选用φ16对拉螺栓能满足要求。
因此应在柱两侧各设1根φ16对拉螺栓。
3. 柱宽为2.1m时:在柱两侧各设2根φ20对拉螺栓,则:F=63.2×0.5×2.34/2=37.1kN<f =51.9kN,满足要求。
4. 柱宽为2.25m时:在柱两侧各设1根φ20对拉螺栓,则:F=63.2×0.5×2.49/2=39.4kN<f =51.9kN,满足要求。
5.柱宽为2.6m时:在柱两侧各设1根φ20对拉螺栓,则:F=63.2×0.5×2.84/2=44.9kN<f =51.9kN,满足要求。
6.柱宽为3.0m时:在柱两侧各设1根φ20对拉螺栓,则:F=63.2×0.5×3.24/2=51.2kN<f =51.9kN,能满足要求7.柱宽为3.3m时:在柱两侧各设1根φ20对拉螺栓,则:F=63.2×0.5×3.54/2=55.9kN >f =51.9kN,不能满足要求在柱两侧各设1根φ20对拉螺栓外,再在柱中均匀布置2根φ20对拉螺栓则:F=63.2×0.5×3.54/4=28kN <f =51.9kN,不能满足要求8.基础梁上对拉螺栓选用验算:(梁高2000mm)基础梁的对拉螺栓选用φ16对拉螺栓,对拉螺栓的水平和垂直方向间距均为600mm。
柱模板(设置对拉螺栓)计算书计算依据:1、《建筑施工模板安全技术规范》JGJ162-20082、《混凝土结构设计规范》GB50010-20103、《建筑结构荷载规范》GB 50009-20124、《钢结构设计规范》GB 50017-2003一、工程属性4k c012cmin[0.22×24×4×1×1×21/2,24×4.8]=min[29.87,115.2]=29.87kN/m2 承载能力极限状态设计值S承=0.9max[1.2G4k+1.4Q3k,1.35G4k+1.4×0.7Q3k]=0.9max[1.2×29.87+1.4×2,1.35×29.87+1.4×0.7×2]=0.9max[38.644,42.285]=0.9×42.285=38.056kN/m2正常使用极限状态设计值S正=G4k=29.87 kN/m2三、面板验算面板类型覆面竹胶合板面板厚度(mm) 15 面板抗弯强度设计值[f](N/mm2) 14.74 面板弹性模量E(N/mm2) 8925 柱长边小梁根数 5 柱短边小梁根数 5柱箍间距l1(mm) 500模板设计平面图1、强度验算最不利受力状态如下图,按四等跨连续梁验算静载线荷载q1=0.9×1.35bG4k=0.9×1.35×0.5×29.87=18.146kN/m活载线荷载q2=0.9×1.4×0.7bQ3k=0.9×1.4×0.7×0.5×2=0.882kN/mM max=-0.107q1l2-0.121q2l2=-0.107×18.146×0.22-0.121×0.882×0.22=-0.082kN·m σ=M max/W=0.082×106/(1/6×500×152)=4.37N/mm2≤[f]=14.74N/mm2满足要求!2、挠度验算作用线荷载q=bS正=0.5×29.87=14.935kN/mν=0.632ql4/(100EI)=0.632×14.935×2004/(100×8925×(1/12×500×153))=0.12mm≤[ν]=l/400=200/400=0.5mm满足要求!四、小梁验算小梁类型矩形木楞小梁材质规格(mm) 50×100小梁截面惯性矩I(cm4) 416.667 小梁截面抵抗矩W(cm3) 83.333小梁抗弯强度设计值[f](N/mm2) 15.444 小梁弹性模量E(N/mm2) 9350最低处柱箍离楼面距离(mm) 300小梁上作用线荷载q=bS承=0.2×38.056=7.611 kN/m小梁弯矩图(kN·m)M max=0.342kN·mσ=M max/W=0.342×106/83.333×103=4.11N/mm2≤[f]=15.444N/mm2 满足要求!2、挠度验算小梁上作用线荷载q=bS正=0.2×29.87=5.974 kN/m小梁变形图(mm)ν=0.316mm≤[ν]=1.5mm满足要求!五、柱箍验算(规范中缺少相关计算说明,仅供参考)柱箍类型钢管柱箍合并根数 2柱箍材质规格(mm) Φ48.3×3.6 柱箍截面惯性矩I(cm4) 12.71 柱箍截面抵抗矩W(cm3) 5.26 柱箍抗弯强度设计值[f](N/mm2) 205 柱箍弹性模量E(N/mm2) 206000模板设计立面图1、柱箍强度验算长边柱箍计算简图长边柱箍弯矩图(kN·m)长边柱箍剪力图(kN) M1=0.272kN·m,N1=6.335kN短边柱箍计算简图短边柱箍弯矩图(kN·m)短边柱箍剪力图(kN)M2=0.272kN·m,N2=6.335kNM/W n=0.272×106/(5.26×103)=51.634N/mm2≤[f]=205N/mm2 满足要求!2、柱箍挠度验算长边柱箍计算简图长边柱箍变形图(mm)短边柱箍计算简图短边柱箍变形图(mm) ν1=0.096mm≤[ν]=l/400=1.288mmν2=0.096mm≤[ν]=l/400=1.288mm满足要求!六、对拉螺栓验算t满足要求!N=6.335×2=12.671kN≤26kN 满足要求!。
柱模板(设置对拉螺栓)计算书计算依据:
1、《建筑施工模板安全技术规范》JGJ162-2008
2、《混凝土结构设计规范》GB50010-2010
3、《建筑结构荷载规范》GB 50009-2012
4、《钢结构设计规范》GB 50017-2003
一、工程属性
4k c012c
min[0.22×24×4×1×1×21/2,24×5.5]=min[29.87,132]=29.87kN/m2
承载能力极限状态设计值S承=0.9max[1.2G4k+1.4Q3k,1.35G4k+1.4×0.7Q3k]=0.9max[1.2×29.868+1.4×2,1.35×29.868+1.4×0.7×2]=0.9max[38.642,42.282]=0.9×42.282=38.054kN/m2
正常使用极限状态设计值S正=G4k=29.868 kN/m2
三、面板验算
模板设计平面图1、强度验算
最不利受力状态如下图,按四等跨连续梁验算
静载线荷载q1=0.9×1.35bG4k=0.9×1.35×0.5×29.868=18.145kN/m
活载线荷载q2=0.9×1.4×0.7bQ3k=0.9×1.4×0.7×0.5×2=0.882kN/m
M max=-0.107q1l2-0.121q2l2=-0.107×18.145×0.1222-0.121×0.882×0.1222=-0.031kN·m
σ=M max/W=0.031×106/(1/6×500×152)=1.632N/mm2≤[f]=14.742N/mm2
满足要求!
2、挠度验算
作用线荷载q=bS正=0.5×29.868=14.934kN/m
ν=0.632ql4/(100EI)=0.632×14.934×122.2224/(100×8925×(1/12×500×153))=0.017mm≤[ν]=l/400=122.222/400=0.306mm
满足要求!
四、小梁验算
小梁上作用线荷载q=bS承=0.122×38.054=4.651 kN/m
小梁弯矩图(kN·m)
M max=0.336kN·m
σ=M max/W=0.336×106/64×103=5.247N/mm2≤[f]=13.5N/mm2 满足要求!
2、抗剪验算
小梁剪力图(kN·m)
V max=1.769kN
τmax=3V max/(2bh0)=3×1.769×1000/(2×60×80)=0.553N/mm2≤[τ]=1.35N/mm2 满足要求!
3、挠度验算
小梁上作用线荷载q=bS正=0.122×29.868=3.651 kN/m
小梁变形图(mm)
ν=0.859mm≤[ν]=1.25mm
满足要求!
4、支座反力计算
承载能力极限状态
R max=3.536
正常使用极限状态
R max=2.776
五、柱箍验算
(规范中缺少相关计算说明,仅供参考)
模板设计立面图
1、柱箍强度验算
连续梁中间集中力取小P值;两边集中力为小梁荷载取半后,取P/2值。
长边柱箍:
取小梁计算中b=1100/(10-1)=122.222mm=0.122m代入小梁计算中得到:承载能力极限状态
R max=3.536kN
P=R max/2=1.768kN
正常使用极限状态:
R’max=2.776kN
P’=R’max/2=1.388kN
长边柱箍计算简图
长边柱箍弯矩图(kN·m)
长边柱箍剪力图(kN)
M1=0.271kN·m,N1=6.942kN
短边柱箍:
取小梁计算中b=800/(8-1)=114.286mm=0.114m代入小梁计算中得到:承载能力极限状态
R max=3.306kN
P=R max/2=1.653kN
正常使用极限状态:
R’max=2.595kN
P’=R’max/2=1.297kN
短边柱箍计算简图
短边柱箍弯矩图(kN·m)
短边柱箍剪力图(kN)
M2=0.162kN·m,N2=5.308kN
M/W n=0.271×106/(5.08×103)=53.333N/mm2≤[f]=205N/mm2 满足要求!
2、柱箍挠度验算
长边柱箍计算简图
长边柱箍变形图(mm)
短边柱箍计算简图
短边柱箍变形图(mm) ν1=0.096mm≤[ν]=l/400=1.115mm
ν2=0.029mm≤[ν]=l/400=0.865mm
满足要求!
六、对拉螺栓验算
t
满足要求!
N=6.942×2=13.884kN≤26kN
满足要求!。