模板计算书范本
- 格式:doc
- 大小:508.00 KB
- 文档页数:33
板模板(扣件钢管架)计算书品茗软件大厦工程;工程建设地点:杭州市文二路教工路口;属于结构;地上0层;地下0层;建筑高度:0m;标准层层高:0m ;总建筑面积:0平方米;总工期:0天。
本工程由某某房开公司投资建设,某某设计院设计,某某勘察单位地质勘察,某某监理公司监理,某某施工单位组织施工;由章某某担任项目经理,李某某担任技术负责人。
模板支架的计算依据《建筑施工扣件式钢管脚手架安全技术规范》(JGJ130-2001)、《混凝土结构设计规范》GB50010-2002、《建筑结构荷载规范》(GB50009-2001)、《钢结构设计规范》(GB 50017-2003)等规范编制。
一、参数信息1.模板支架参数横向间距或排距(m):0.50;纵距(m):1.00;步距(m):1.50;立杆上端伸出至模板支撑点长度(m):0.10;模板支架搭设高度(m):4.00;采用的钢管(mm):Φ48?.0 ;板底支撑连接方式:方木支撑;立杆承重连接方式:单扣件,取扣件抗滑承载力系数:0.90;2.荷载参数模板与木板自重(kN/m2):0.350;混凝土与钢筋自重(kN/m3):25.000;施工均布荷载标准值(kN/m2):1.000;3.材料参数面板采用胶合面板,厚度为10mm;板底支撑采用方木;面板弹性模量E(N/mm2):9500;面板抗弯强度设计值(N/mm2):13;木方弹性模量E(N/mm2):9000.000;木方抗弯强度设计值(N/mm2):13.000;木方抗剪强度设计值(N/mm2):1.400;木方的间隔距离(mm):300.000;木方的截面宽度(mm):50.00;木方的截面高度(mm):70.00;图2 楼板支撑架荷载计算单元二、模板面板计算模板面板为受弯构件,按三跨连续梁对面板进行验算其抗弯强度和刚度模板面板的截面惯性矩I和截面抵抗矩W分别为:W = 100?2/6 = 16.667 cm3;I = 100?3/12 = 8.333 cm4;模板面板的按照三跨连续梁计算。
板模板计算书工程名称:施工单位:编制人:目录编制依据 (3)参数信息 (3)模板面板计算 (4)次楞方木验算 (6)主楞验算 (8)扣件式钢管立柱计算 (10)立柱底地基承载力验算 (13)编制依据1、工程施工图纸及现场概况2、《建筑施工模板安全技术规范JGJ162-2008》3、《建筑施工高处作业安全技术规范》(JGJ80-91)4、《建筑施工安全检查标准》(JGJ59-99)5、《建筑施工手册》6、《建筑结构荷载规范》(GB50009-2001)2006年版7、《混凝土结构施工质量验收规范》(GB50204-2002)8、《混凝土模板用胶合板GB/T17656-2008》9、《木结构设计规范》(GB50005-2003)10、《钢结构设计规范》(GB50017-2003)11、《混凝土结构设计规范》(GB50010-2002)。
12、《冷弯薄壁型钢结构技术规范》(GB 50018-2002)参数信息模板与支架搭设参数模板支架搭设高度H:4.69m;立杆纵距l a:1m;立杆横距l b:1m;水平杆最大步距h:1.5m;面板采用:木胶合板厚度:12mm;支撑面板的次楞梁采用:方木支撑;间距:0.25m;主楞梁采用:单钢管υ48×3.0;钢管均按υ48×3.0计算。
荷载参数永久荷载标准值:楼板厚度:0.11m;新浇筑砼自重(G2k):24kN/m3;钢筋自重(G3k):1.1kN/m3;模板与小楞自重(G1k):0.35kN/m2;每米立杆承受架体自重: 0.182kN/m可变荷载标准值:施工人员及设备荷载(Q1k),当计算面板和直接支承面板的次楞梁时,均布荷载取:2.5kN/m2,再用集中荷载2.5kN进行验算,比较两者所得的弯矩取其大值。
当计算直接支承次楞梁的主楞梁时,均布荷载标准值取1.5kN/m2,当计算支架立柱时,均布荷载标准值取1kN/m2 。
振捣砼时荷载标准值(Q2k):2kN/m2。
表冷器计算书(一)前表冷器a.已知:①风量:14000CMH空气质量流量 q mg=(14000×1.2)/3600≈4。
667kg/s空气体积流量 q vg=14000/3600≈3.889m3/s②空气进、出口温度:干球:35/17℃湿球:30。
9/16。
5℃③空气进、出口焓值:105。
26/46。
52KJ/㎏④进水温度:6℃,流量:110CMH(前、后冷却器)⑤阻力:水阻<70KPa,风阻700Pa(前后冷却器)b.计算:①接触系数ε2:ε2= 1-(t g2-t s2)/(t g1—t s1)=1-(17-16。
5)/(35—30.9)≈0.878②查《部分空气冷却器的接触系数ε2》表:当Vy=2.3~2.5m/s时:GLⅡ六排的ε2=0.887~0。
875从这我们可以看出:六排管即可满足要求。
(可得出如下结论:在表冷器外型尺寸受到限制的情况下,我们从增大换热面积来提高换热总量总是不大理想,即使强行增加排数仍旧帮助不大。
我近30遍的手工计算也证明了这一点。
提高水流速和降低水温对提高换热总量有更为积极的贡献。
通过计算我们可以发现钢管的水阻实在太大,稍微增加一点,水阻就大的吓人。
于是我设计采用了两组双排供、双排回的表冷器,在两组总排数仅8排的表冷器里同时供回水达四排之多,水程就一个来回.这样就出现了大流量小温差的情况,水流速ω可以提高。
在冷冻水里添加乙二醇,使冷冻水的冰点下降。
很容易我们发现对数平均温差提高了很多。
从而达到了提高换热总量的目的.)③选型分析:⊙冷负荷 Q= q mg×(h1—h2)4.667×(105。
26-46.52)≈274。
14Kw(235760Kcal/h)⊙由六排管的水阻△Pw=64.68ω1.854≤70Kpa得:管内水流速ω≤1。
04356m/s[水阻的大小和水程的长短也有密切的关系,经验公式没有对此给个说法.推论:八排管(即实际上的二排管)在流速一定时的水阻必为六排管的1/3.理论上可以使△Pw=21。
剪力墙计算书:一、参数信息1.基本参数次楞 ( 内龙骨 ) 间距 (mm):200;穿墙螺栓水平间距 (mm):600;主楞 ( 外龙骨 ) 间距 (mm):500;穿墙螺栓竖向间距 (mm):500;对拉螺栓直径 (mm):M14;2.主楞信息龙骨资料 : 钢楞;截面种类 : 圆钢管 48×;43钢楞截面惯性矩 I(cm ): ;钢楞截面抵挡矩 W(cm): ;主楞肢数 :2 ;3. 次楞信息龙骨资料 : 木楞;宽度 (mm):;高度 (mm): ;次楞肢数 :2 ;4. 面板参数面板种类 : 木胶合板;面板厚度 (mm):;2面板弹性模量 (N/mm): ;2面板抗弯强度设计值 f c(N/mm): ;2面板抗剪强度设计值 (N/mm): ;5. 木方和钢楞22方木抗弯强度设计值 f c(N/mm): ;方木弹性模量 E(N/mm): ;2方木抗剪强度设计值 f t (N/mm): ;2钢楞弹性模量 E(N/mm): ;2钢楞抗弯强度设计值 f c(N/mm): ;墙模板设计简图二、墙模板荷载标准值计算按《施工手册》,新浇混凝土作用于模板的最大侧压力,按以下公式计算,并取此中的较小值 :3此中γ --混凝土的重力密度,取m;t-- 新浇混凝土的初凝时间,可按现场实质值取,输入 0时系统按 200/(T+15) 计算,得;T --V --H --β1--β2--混凝土的入模温度,取℃;混凝土的浇筑速度,取 h;模板计算高度,取;外加剂影响修正系数,取;混凝土坍落度影响修正系数,取。
依据以上两个公式计算的新浇筑混凝土对模板的最大侧压力F;分别为kN/m 2、 kN/m2,取较小值 kN/m2作为本工程计算荷载。
计算中采纳新浇混凝土侧压力标准值F1=m2;倾倒混凝土时产生的荷载标准值 F 2= 2 kN/m 2。
三、墙模板面板的计算面板为受弯构造 , 需要验算其抗弯强度和刚度。
按规范规定,强度验算要考虑新浇混凝土侧压力和倾倒混凝土时产生的荷载;挠度验算只考虑新浇混凝土侧压力。
模板支撑体系计算
书
1
2020年4月19日
模板支撑体系计算书
计算依据:
1、《建筑施工模板安全技术规范》JGJ162-
2、《建筑施工扣件式钢管脚手架安全技术规范》JGJ 130-
3、《混凝土结构设计规范》GB 50010-
4、《建筑结构荷载规范》GB 50009-
5、《钢结构设计规范》GB 50017-
一、工程属性
二、荷载设计
2
2020年4月19日
三、模板体系设计
设计简图如下:
3
2020年4月19日
平面图
4 2020年4月19日
立面图
四、面板验算
面板类型覆面木胶合板面板厚度t(mm) 14
面板抗弯强度设计值[f](N/mm2) 15 面板抗剪强度设计值[τ](N/mm2) 1.5
面板弹性模量E(N/mm2) 5400
取单位宽度b=1000mm,按三等跨连续梁计算:
W=bh2/6=1000×14×14/6=32666.667mm3,I=bh3/12=1000×14×14×14/12=228666.667mm4
q1=0.9×max[1.2(G1k+(G2k+G3k)×h)+1.4Q2k,1.35(G1k+(G2k+G3k)×
5
2020年4月19日。
(完整版)钢模板计算书主墩⼤块钢模验算书⼀、薄壁墩概况1、两河⼝下游永久交通⼤桥主线2#、3#桥墩均采⽤双薄壁墩,薄壁墩宽8.0m ,厚2.0m ,双壁中⼼间距6.0m ,双壁净距为4.0m ; 2#墩⾝⾼度50m ,3#墩⾝⾼度54m 。
2、每次浇筑节段⾼度:4.5m (3.0m+1.5m )。
⼆、薄壁墩模板设计1、按⾼度分为1.5m 、3.0m 两种模板,1.5m ⾼度的设8套,3.0m ⾼度的设4套。
2、块件组合:⼀套1.5m ⾼模板包括800×150cm ⼤板两块、200×150cm ⼤板两块;⼀套3.0m ⾼模板包括800×300cm ⼤板两块、200×300cm ⼤板两块。
模板构造:⾯板采⽤6mm 钢板,背⾯设置竖向⼩肋(100×5mm 扁钢/间距0.25m ),每隔0.5m ⾼度设置⼀层⼯10#⼯字钢⽔平肋,模板最外侧采⽤2[10#槽钢作竖向背杠,平向间距1.2m 。
详见构造设计图。
三、模板验算依据1、计算依据:⑴、《公路桥涵施⼯规范》对模板的相关要求;⑵、《路桥施⼯计算⼿册》对模板计算的相关说明。
2、荷载组合:⑴、强度校核:新浇砼对侧模板的压⼒+振捣砼产⽣的荷载⑵、挠度验算:新浇砼对侧模板的压⼒⑶、采⽤Q235钢材:轴向应⼒:140 1.25()175MPa ?=提⾼系数弯曲应⼒:145 1.25()181MPa ?=提⾼系数剪应⼒: 85 1.25()106MPa ?=提⾼系数弹性模量:52.110E MPa =?3、变形量控制值:结构外露模板,其挠度值为≤L/400钢模⾯板变形≤1.5mm钢模板的钢棱、柱箍变形≤L/500四、模板验算1、荷载⑴混凝⼟浇筑速度:两岸主墩的浇筑⾯混凝⼟供应速度为15~243/m h ,因两薄壁墩的断⾯为322m ,故浇筑速度为:0.469~0.75/m h ,从偏于安全考虑,下述计算中浇筑速度取值为0.75/m h 。
大模板设计校验计算书1、大模板所用材料:面板采用6厚钢板,大、小肋采用8号槽钢,围檩用8号槽钢,面板间采用Φ30锥形对拉螺栓,肋间满焊,面板与大肋间双面焊,面板与小肋间点焊,模板设计时,根据设计图纸尺寸配模,标准模板详“标准大钢模示意图”。
2、计算目的:确定模板所用材料、规格、尺寸,在新浇砼和施工操作等荷载的作用下,具有足够的强度、刚度。
3、验算大模板的强度与挠度:取大模板的最大侧压力为F=50kN/m23.1面板验算3.1.1强度验算取面板区格中三面固结、一面简支的最不利受力情况进行计算。
l x/l y=400/500=0.8,K Mx 0=-0.0722 KMy0=-0.0570 KMxK My =0.0124 Kw=0.00208取1mmq=0.05×1=0.05N/mm 求支座弯矩:M x 0=KMx0×q×l x2=-=-577.6N•mmM x 0=KMx0×q×l y2=-0.0570×0.05×=-712.5N•mm面板的截面系数:W=bh2/6=1×62/6=6mm3应力为:σmax=M max/W=712.5/6=118.75N/mm2<215 N/mm2满足要求。
求跨中弯矩:M x =KMx×q×l x2=0.031×0.05×4002=248N•mmM x =KMx×q×l y2=0.0124×0.05×5002=155N•mm钢板的泊松比v=0.3,故需换算。
M x (v)= Mx+0.3 My=248+0.3×155=294.5N•mmM y (v)= My+0.3 Mx=155+0.3×248=229.4N•mm应力为:σmax=M max/W=294.5/6=49.1N/mm2<215 N/mm2满足要求。
模板计算书一、剪力墙模板计算1、墙体模板初步设计墙体模板内竖楞50×100㎜,方木间距为200㎜,外横楞用2×φ48×3.5架子管,间距600㎜。
外墙拟采用φ12对拉止水螺栓,布置间距@400*600㎜;内墙采用φ14对拉穿墙螺栓,布置间距为@400㎜。
2、荷载计算a 、新浇砼对模板产生的侧压力为○1,标准层的层高3.15m ,侧压力为:2121122.0Vt r F o c ββ=F 2=Hr c取两者较小值。
式中:F 1、F 2——新浇砼对模板产生的最大侧压力; r c ——砼重力密度,取24KN/m ;t 0——新浇砼的初凝时间,按商品砼为4~6h ,本工程取t 0=5h ; v ——砼浇筑速度,取v=3m/h ;H ——砼侧压力计算位置处至新浇筑顶面的总高度取H=3.15m ; β1——外加剂影响修正系数,取β1=1.0;β2——砼坍落度修正系数,按坍度170㎜,取β2=1.15; 因此得:F 1=0.22×24×5×1.0×1.15×31/2=52.58KN/㎡ F 2=24×3.15=75.6KN/㎡>F1 取F=F 1=52.58KN/㎡b 、倾倒砼时对模板产生的水平荷载○2 砼采用布料杆浇筑,取倾倒砼对模板产生的水平荷载为4KN/㎡。
由○1、○2两项荷载组合,得模板承受的水平荷载值为: q 1=1.2×○1+1.4×○2=1.2×52.58+1.4×4=68.69KN/㎡(此项用于验算模板及其支撑的强度)q 2=○1=52.58KN/㎡(此项用于验算模板及其支撑的刚度)3、次龙骨的设计及验算次龙骨选用50×100㎜的杉木,间距200㎜,按受力方向垂直于木纹方向其截面性能为:E=10000N/㎜2, σ=87N/㎜2,I=416㎝2,W=83㎝2 主龙骨间距取600㎜,次龙骨按三跨连续梁计算。
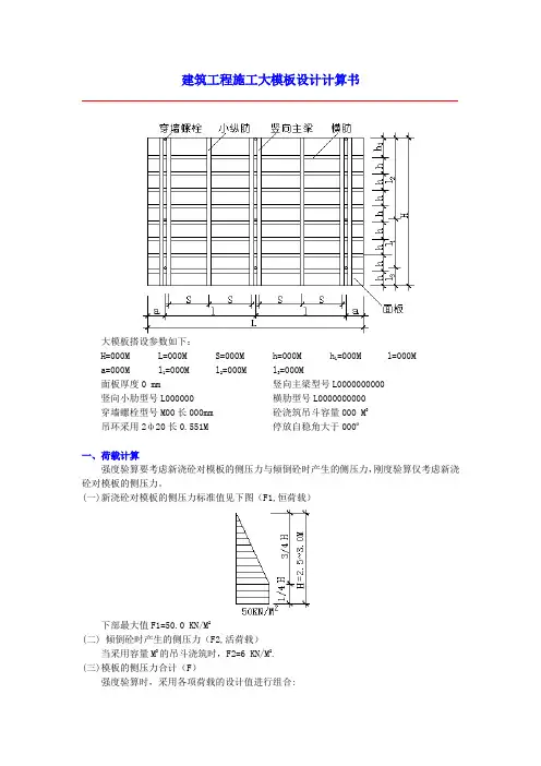
建筑工程施工大模板设计计算书大模板搭设参数如下:H=000M L=000M S=000M h=000M h1=000M l=000Ma=000M l1=000M l2=000M l3=000M面板厚度0 mm 竖向主梁型号L0000000000竖向小肋型号L000000 横肋型号L0000000000穿墙螺栓型号M00 长000mm 砼浇筑吊斗容量000 M3吊环采用2ф20长0.551M 停放自稳角大于000º一、荷载计算强度验算要考虑新浇砼对模板的侧压力与倾倒砼时产生的侧压力,刚度验算仅考虑新浇砼对模板的侧压力。
(一)新浇砼对模板的侧压力标准值见下图(F1,恒荷载)下部最大值F1=50.0 KN/M2(二) 倾倒砼时产生的侧压力(F2,活荷载)当采用容量M3的吊斗浇筑时,F2=6 KN/M2.(三)模板的侧压力合计(F)强度验算时,采用各项荷载的设计值进行组合:F=××F2=(KN/M2)挠度验算时,采用荷载的标准值: F1 =50.0 KN/M2二、钢面板的计算选取面板小方格中最不利情况计算,即三面固定,一面简支。
面板厚δ=00mm.(一)计算简图与荷载系数由于L y/L x=h/S=0000,查表得最大弯矩系数:K M=-00000,最大挠度系数:K f=-00000。
(二)强度验算取单位长度1为计算单元。
对一般的模板结构,其荷载设计值可乘以0.85的调整系数。
q=0.85×F×1=(KN/M)M max=K M×q×l2=000000000(KNM) (l为L y与L x之较小者)W x=1×δ2/6=00000000000(M3)σ=M max/W x=(KN/M2)<f=2.15E5KN/M2强度满足要求。
(三)挠度验算q=F1=50.0 KN/M2B0=Eδ3/12(1-γ2)=00000000(KNM)+08 KN/M2,γV max=K f×q×l4/B0 =0.00000(M) (l为L y与L x之较小者)<M其容许挠度为1.5mm,故挠度满足要求。
木模板计算书XXXX楼工程;工程建设地点:XXXX开发区;属于砖混结构;地上6层;建筑高度:19.8m;标准层层高:2.8m ;总建筑面积:2262平方米.2653平方米;总工期:天。
本工程建设单位XXX地产开发公司,沈阳XXX研究院设计,地质勘察,沈阳市XX建监理公司,XX建筑公司组织施工;由XX担任项目经理,XX担任技术负责人。
模板支架采用木顶支撑,计算根据《木结构设计规范》(GB50005-2003)、《混凝土结构设计规范》(GB50010-2002)、《建筑结构荷载规范》(GB 50009-2001)、《建筑施工计算手册》江正荣著、《建筑施工手册》(第四版)等编制。
一、参数信息1、模板支架参数横向间距或排距(m): 1.000;纵距(m): 1.000;模板支架计算高度(m): 2.700;立柱采用圆木:圆木小头直径(mm): 80.000;圆木大头直径(mm): 100.000;斜撑截面宽度(mm):30.000;斜撑截面高度(mm):40.000;帽木截面宽度(mm):60.000;帽木截面高度(mm):90.000;斜撑与立柱连接处到帽木的距离(mm): 600.000;板底支撑形式:方木支撑;方木的间隔距离(mm):300.000;方木的截面宽度(mm):40.000;方木的截面高度(mm):60.000;2、荷载参数模板与木板自重(kN/m2):0.350;混凝土与钢筋自重(kN/m3):25.000;施工均布荷载标准值(kN/m2):2.000;3、楼板参数钢筋级别:三级钢HRB 400;楼板混凝土强度等级:C20;每层标准施工天数:7;每平米楼板截面的钢筋面积(mm2):523.600;楼板的计算跨度(m):5.400;楼板的计算宽度(m):3.300;楼板的计算厚度(mm):100.000;施工期平均气温(℃):20.000;4、板底方木参数板底方木选用木材:落叶松;方木弹性模量E(N/mm2):10000.000;方木抗弯强度设计值f m(N/mm2):17.000;方木抗剪强度设计值f v(N/mm2):1.600;5、帽木方木参数帽木方木选用木材:落叶松;方木弹性模量E(N/mm2):10000.000;方木抗弯强度设计值f m(N/mm2):17.000;方木抗剪强度设计值f v(N/mm2):1.600;6、斜撑方木参数斜撑方木选用木材:落叶松;方木弹性模量E(N/mm2):10000.000;方木抗压强度设计值f v(N/mm2):15.000;7、立柱圆木参数立柱圆木选用木材:落叶松;圆木弹性模量E(N/mm2):10000.000;圆木抗压强度设计值f v(N/mm2):15.000;二、模板面板计算:模板面板为受弯构件,按三跨连续梁对面板进行验算其抗弯强度和刚度模板面板的截面惯性矩I和截面抵抗矩W分别为:W = 100.00×1.802/6 = 54.000cm3;I = 100.00×1.803/12 = 48.600cm3;面板计算简图1、荷载计算:(1)静荷载为钢筋混凝土楼板和模板面板的自重(kN/m):q1 = 25.000×0.100×1.000+3.500×1.000 = 6.000 kN/m;(2)活荷载为施工人员及设备荷载(kN/m):q2 = 2.000×1.000 = 2.000 kN/m;2、强度计算计算公式如下:M = 0.1ql2其中:q=1.2 q1+1.4 q2=1.2×6.000+1.4×2.000= 10.000kN/m最大弯矩M =0.1×10.000×300.002= 90000.000 N·mm;面板最大应力计算值σ =M/W= 90000.000/54000.000 = 1.667 N/mm2;面板的抗弯强度设计值[f]=17.00 N/mm2;面板的最大应力计算值为1.667N/mm2,小于面板的抗弯强度设计值17N/mm2,满足要求!3、挠度计算挠度计算公式为:ν=0.677ql4/(100EI)≤[ν]=l/250其中q =q1=6.000kN/m面板最大挠度计算值ν= 0.677×6.000×300.0004/(100×6000.00×48.600×104)=0.11 mm;面板最大允许挠度[ν]=300.00/250=1.20mm;面板的最大挠度计算值0.11mm,小于面板的最大允许挠度1.2mm,满足要求!三、模板底支撑方木的验算:本工程模板板底采用方木作为支撑,方木按照三跨连续梁计算;方木截面惯性矩I和截面抵抗矩W分别为:W = b×h2/6 = 4.000×6.0002/6 = 24.000 cm3;I = b×h3/12 = 4.000×6.0003/12 = 72.000 cm4;木楞计算简图1、荷载的计算:(1)钢筋混凝土板自重线荷载(kN/m):q1 = 25.000×0.100×0.300 = 0.750 kN/m;(2)模板的自重线荷载(kN/m):q2 = 0.350×0.300 = 0.105kN/m;(3)活荷载为施工荷载标准值(kN/m):p1 = 2.000×0.300=0.600 kN/m;2、抗弯强度验算:M=0.1ql2均布荷载q = 1.2×(q1+q2 )+1.4×p1 = 1.2×(0.750+0.105)+1.4×0.600= 1.866kN/m;最大弯矩M =0.1×q×l2 = 0.1×1.866×1.0002= 0.187 kN·m;最大支座力N = 1.1×q×l = 1.1×1.866×1.000 = 2.053 kN ;截面应力σ = M/W = 0.187×106/24.000×103 = 7.775 N/mm2;方木的最大应力计算值为7.775N/mm2,小于方木抗弯强度设计值17.000N/mm2,满足要求!3、抗剪强度验算:截面抗剪强度必须满足下式:τ = 3V/(2bh n)≤f v其中最大剪力:V = 0.6×1.866×1.000 = 1.120 kN;截面受剪应力计算值:τ = 3×1.120×103/(2×40.000×60.000) = 0.700 N/mm2;截面抗剪强度设计值:[f v] = 1.600 N/mm2;方木的最大受剪应力计算值为0.700N/mm2,小于方木抗剪强度设计值1.6N/mm2,满足要求!4、挠度验算:ν=0.677ql4/(100EI)≤[ν]=l/250均布荷载q = q1+q2 = 0.750+0.105 = 0.855 kN/m;最大变形ν= 0.677×0.855×(1.000×103)4/(100×10000.000×72.000×104)= 0.804 mm;方木的最大挠度为0.804mm,小于最大容许挠度4.000mm,满足要求!四、帽木验算:支撑帽木按照集中以及均布荷载作用下的两跨连续梁计算;集中荷载P取纵向板底支撑传递力:P = 1.866×1.000 = 1.866 kN;均布荷载q取帽木自重:q = 1.000×0.060×0.090×3.870 = 0.021 kN/m;截面抵抗矩:W = b×h2/6 = 6.000×9.0002/6 = 81.000 cm3;截面惯性矩:I = b×h3/12= 6.000×9.0003/12 = 364.500 cm4;帽木受力计算简图帽木剪力图(kN)帽木弯矩图(kN·m)帽木变形图(mm)各支座对支撑梁的支撑反力由左至右分别为:R[1] = 2.213 kN;R[2] = 3.805 kN;R[3] = 1.467 kN;最大弯矩M max = 0.202 kN·m;最大变形νmax = 0.068 mm;最大剪力V max = 2.276 kN;截面应力σ = 202.181/81 = 2.496 N/mm2。
污水厂设计计算书一、粗格栅1.设计流量a.日平均流量Q d =30000m 3/d ≈1250m 3/h=0.347m 3/s=347L/s K z 取1.40b 。
最大日流量Q max =K z ·Q d =1。
40×30000m 3/d=42000 m 3/d =1750m 3/h=0.486m 3/s 2。
栅条的间隙数(n )设:栅前水深h=0。
8m,过栅流速v=0.9m/s,格栅条间隙宽度b=0.02m,格栅倾角α=60° 则:栅条间隙数4.319.08.002.060sin 486.0sin 21=⨯⨯︒==bhv Q n α(取n=32)3.栅槽宽度(B) 设:栅条宽度s=0。
015m则:B=s (n-1)+en=0.015×(32-1)+0。
02×32=1。
11m 4.进水渠道渐宽部分长度设:进水渠宽B 1=0.9m ,渐宽部分展开角α1=20°m B B L 3.020tan 29.011.1tan 2111=︒-=-=α5。
栅槽与出水渠道连接处的渐窄部分长度(L 2)m B B L 3.020tan 29.011.1tan 2221=︒-=-=α6.过格栅的水头损失(h 1)设:栅条断面为矩形断面,所以k 取3则:m g v k kh h 18.060sin 81.929.0)02.0015.0(42.23sin 2234201=︒⨯⨯⨯⨯===αε其中ε=β(s/b )4/3k —格栅受污物堵塞时水头损失增大倍数,一般为3h 0——计算水头损失,mε—-阻力系数,与栅条断面形状有关,当为矩形断面时形状系数β=2。
4将β值代入β与ε关系式即可得到阻力系数ε的值7。
栅后槽总高度(H)设:栅前渠道超高h 2=0。
4m则:栅前槽总高度H 1=h+h 2=0.8+0。
4=1.2m栅后槽总高度H=h+h 1+h 2=0。
8+0。
模板工程施工计算书1、模板及支撑计算本工程主体结构柱、梁、墙模板全部采用18mm厚胶合板,楼板模板12mm厚胶合板,支撑系统采用φ48×3.5mm钢管支撑。
为保证该层施工时的安全及荷载的顺利传递,转换层主梁下一层、负一层的对应位置和受力范围均应进行支撑加强处理(加强处理部位的支撑设置利用原施工脚手架不拆)。
1。
1梁模板及支撑计算取转换层典型断面950×2000mm梁进行模板及支撑计算。
模板采用18mm厚胶合板,支撑采用φ48×3。
5mm钢管满堂架搭设,钢管架立杆纵向间距600,横向水平杆步距1400mm,梁横断面下每排为3根立杆.950×2000mm梁模板及支撑横断面图如下:1.1.1、梁底模荷载设计值计算1.1.1.1、梁自重:取25。
5KN/m3(包括钢筋自重).荷载分项系数取1。
2得:2.0×25。
5×1。
2=61。
2KN/m21。
1.1。
2、模板自重:取0。
75KN/m2,荷载分项系数取1.2得:0。
75×1。
2=0。
9KN/m21.1。
1。
3、振捣砼时产生的荷载:取2。
0KN/m2,荷载分项系数取1.4得:2.0×1.4=2.8KN/m21.1。
1。
4、荷载组合:荷载折减系数取0.85=(61.2+0.9+2。
8)×0.85=55。
16KN/m2(用于承载力验算。
)荷载设计值:q1荷载设计值:q=(61.2+0。
9)×0.85=52。
78KN/m2(用于挠度验算。
)11.1。
2、梁侧模荷载设计值计算1.1。
2.1、砼侧压力(1)、砼侧压力标准值:F1=0。
22γc t0β1β2V1/2=0。
22×24×4.4×1.0×1。
15×1.21/2 =29.27KN/m2F2=γc H=24×2.0=48KN/m2式中:F-新浇砼的侧压力(KN/m2)V—砼的浇筑速度,泵送砼取V=1。
福建工程学院土木工程系课程设计(《建筑施工技术》——模板设计)专业:学号:班级:姓名:指导老师:日期:目录1.工程简介 (3)2.模板选型 (3)3.施工方法 (3)4.模板安装 (4)5.保证安全生产和要求………………………………………………………6.模板设计 (6)7.模板拆除 (6)8.柱模板计算书 (9)9.墙模板计算书 (18)10.梁模板计算书 (26)11.板模板计算书 (39)模板设计一,工程简介本工程,地下1层,地面28层。
冲(钻)孔灌注桩基础,主体设计为:一~四层为裙楼,五层为转换层,A塔楼二十六层,B、C塔楼为二十八层。
裙楼为钢筋混凝土框架结构,塔楼为框肢剪力墙结构。
其中底层层高最大为4.8m,最大柱截面为0.8X1.2m,最大截面梁为0.6X0.8m楼板最大厚度为0.14m,最大柱矩为8.0x7.8m。
标准层剪力墙高2.9m 墙厚0.4m。
一~五层柱混凝土强度为C40,塔楼柱混凝土强度为C35,梁混凝土强度为C35.墙和板混凝土强度为C30。
本工程采用泵送混凝土,掺有粉煤灰,坍落度为10-12cm。
不掺缓凝剂。
二、模板选型1、柱模板18厚覆面木胶和板模板,75×100松枋作木楞,用Φ48×3.5mm钢管柱箍。
按柱截面和净高制成定型模板2、墙体模板18厚覆面木胶和板模板,75×100松枋作内楞,Φ48×3.5mm钢管做外楞,M14对拉螺栓固定。
3、梁模板梁模板采用18厚覆面木胶和板作面板,75×100松枋作内外楞,用M12螺体穿梁对拉两道。
支撑系统采用φ48×3.5钢管脚手架。
4、顶板模板18厚覆面木胶和板模板,75×100松枋作木楞,支撑系统采用φ48×3.5扣件式钢管脚手架。
三、施工方法(一)施工准备1、模板安装前基本工作:(1)放线:首先引测建筑的边柱、墙轴线,并以该轴线为起点,引出各条轴线。
编制模板计算书范例及相关公式及规定步骤木模板墙模板计算书一、墙模板基本参数墙模板的背部支撑由两层龙骨(木楞或钢楞)组成,直接支撑模板的龙骨为次龙骨,即内龙骨;用以支撑内层龙骨为外龙骨,即外龙骨组装成墙体模板时,通过穿墙螺栓将墙体两片模板拉结,每个穿墙螺栓成为外龙骨的支点。
墙模板面板厚度h=h mm,弹性模量E=E N/mm2,抗弯强度[f]=f N/mm2。
内楞采用方木,截面b×h mm,每道内楞1根方木,间距l mm。
外楞采用方木,截面b×h mm,每道外楞1根方木,间距l mm。
穿墙螺栓水平距离l mm,穿墙螺栓竖向距离l mm,直径R mm。
墙模板组装示意图二、墙模板荷载标准值计算强度验算要考虑新浇混凝土侧压力和倾倒混凝土时产生的荷载;挠度验算只考虑新浇混凝土侧压力。
1、新浇混凝土侧压力计算公式为下式中的较小值:F1 =0.22γc t0β1β2V1/2F2 =γ c HF--------新浇筑混凝土对模板的最大侧压力(KN/m2)γc -----混凝土的重力密度(KN/m3)t0-------新浇筑混凝土的初凝时间(h),可按实测确定。
当缺乏试验资料时,可采用t=200/(T+15)T-------混凝土的温度(℃)V-------混凝土的浇灌速度(m/h)H-------混凝土侧压力计算位置处至新浇筑混凝土顶面的总高度(m)β1-----外加剂影响修正系数,不掺外加剂时取1.0;掺具有缓凝作用的外加剂时取1.2β2-----混凝土坍落度影响修正系数,当坍落度小于30mm时,取0.85;50~90mm时,取1.0;110~150mm时,取1.152、混凝土侧压力设计值:F3 = F min ×分项系数(一般取1.2)×折减系数(0.9)3、倾倒混凝土时产生的水平荷载F4= F标准值×分项系数(一般取1.4)×折减系数(0.9)倾倒混凝土时产生的水平荷载标准值(KN/m2)4、荷载组合F ’= F 3 + F 4(KN/m 2)三、墙模板面板的计算面板为受弯结构,需要验算其抗弯强度和刚度。
剪力墙计算书:一、参数信息1.基本参数次楞(内龙骨)间距(mm):200;穿墙螺栓水平间距(mm):600;主楞(外龙骨)间距(mm):500;穿墙螺栓竖向间距(mm):500;对拉螺栓直径(mm):M14;2.主楞信息龙骨材料:钢楞;截面类型:圆钢管48×3.5;钢楞截面惯性矩I(cm4):12.19;钢楞截面抵抗矩W(cm3):5.08;主楞肢数:2;3.次楞信息龙骨材料:木楞;宽度(mm):60.00;高度(mm):80.00;次楞肢数:2;4.面板参数面板类型:木胶合板;面板厚度(mm):17.00;面板弹性模量(N/mm2):9500.00;面板抗弯强度设计值f c(N/mm2):13.00;面板抗剪强度设计值(N/mm2):1.50;5.木方和钢楞方木抗弯强度设计值f c(N/mm2):13.00;方木弹性模量E(N/mm2):9500.00;方木抗剪强度设计值f t(N/mm2):1.50;钢楞弹性模量E(N/mm2):210000.00;钢楞抗弯强度设计值f c(N/mm2):205.00;墙模板设计简图二、墙模板荷载标准值计算按《施工手册》,新浇混凝土作用于模板的最大侧压力,按下列公式计算,并取其中的较小值:其中γ -- 混凝土的重力密度,取24.000kN/m3;t -- 新浇混凝土的初凝时间,可按现场实际值取,输入0时系统按200/(T+15)计算,得5.714h;T -- 混凝土的入模温度,取20.000℃;V -- 混凝土的浇筑速度,取2.500m/h;H -- 模板计算高度,取3.000m;β1-- 外加剂影响修正系数,取1.000;β2-- 混凝土坍落度影响修正系数,取1.000。
根据以上两个公式计算的新浇筑混凝土对模板的最大侧压力F;分别为47.705 kN/m2、72.000 kN/m2,取较小值47.705 kN/m2作为本工程计算荷载。
计算中采用新浇混凝土侧压力标准值F1=47.705kN/m2;倾倒混凝土时产生的荷载标准值F2= 2 kN/m2。
模板设计计算书一、墙体模板受力验算(本工程墙最高高度为3.67m ,厚度为300mm )墙模板计算书一、墙模板基本参数计算断面宽度300mm ,高度3670mm ,两侧楼板厚度180mm 。
模板面板采用普通胶合板。
内龙骨间距450mm ,内龙骨采用50×75mm 木方,外龙骨采用双钢管48mm ×3.5mm 。
对拉螺栓布置7道,在断面内水平间距300+500+500+500+500+500+500mm ,断面跨度方向间距450mm ,直径16mm 。
3005005005005005005003600m m300m m模板组装示意图二、墙模板荷载标准值计算强度验算要考虑新浇混凝土侧压力和倾倒混凝土时产生的荷载设计值;挠度验算只考虑新浇混凝土侧压力产生荷载标准值。
新浇混凝土侧压力计算公式为下式中的较小值:其中 c —— 混凝土的重力密度,取24.000kN/m 3;t —— 新浇混凝土的初凝时间,为0时(表示无资料)取200/(T+15),取5.714h ;T —— 混凝土的入模温度,取20.000℃; V —— 混凝土的浇筑速度,取2.500m/h ;H —— 混凝土侧压力计算位置处至新浇混凝土顶面总高度,取1.200m ; 1—— 外加剂影响修正系数,取1.000;2—— 混凝土坍落度影响修正系数,取0.850。
根据公式计算的新浇混凝土侧压力标准值 F1=28.800kN/m 2 实际计算中采用新浇混凝土侧压力标准值 F1=50.000kN/m 2 倒混凝土时产生的荷载标准值 F2= 6.000kN/m 2。
三、墙模板面板的计算面板为受弯结构,需要验算其抗弯强度和刚度。
模板面板的按照三跨连续梁计算。
面板的计算宽度取3.36m 。
荷载计算值 q = 1.2×50.000×3.360+1.4×6.000×3.360=229.824kN/m 面板的截面惯性矩I 和截面抵抗矩W 分别为: 本算例中,截面惯性矩I 和截面抵抗矩W 分别为: W = 336.00×1.80×1.80/6 = 181.44cm 3; I = 336.00×1.80×1.80×1.80/12 = 163.30cm 4;150150150229.82kN/mAB计算简图0.4140.517弯矩图(kN.m)13.7920.6817.2417.2420.6813.79剪力图(kN)0.0800.006变形图(mm)经过计算得到从左到右各支座力分别为 N 1=13.789kN N 2=37.921kN N 3=37.921kN N 4=13.789kN 最大弯矩 M = 0.517kN.m 最大变形 V = 0.1mm (1)抗弯强度计算经计算得到面板抗弯强度计算值 f = 0.517×1000×1000/181440=2.849N/mm 2 面板的抗弯强度设计值 [f],取15.00N/mm 2; 面板的抗弯强度验算 f < [f],满足要求! (2)抗剪计算 [可以不计算]截面抗剪强度计算值 T=3×20684.0/(2×3360.000×18.000)=0.513N/mm 2 截面抗剪强度设计值 [T]=1.40N/mm 2 抗剪强度验算 T < [T],满足要求! (3)挠度计算面板最大挠度计算值 v = 0.080mm 面板的最大挠度小于150.0/250,满足要求!四、墙模板内龙骨的计算内龙骨直接承受模板传递的荷载,通常按照均布荷载连续梁计算。
板模板(碗扣式支撑)计算书新建厂房及附属用房项目(板模板)工程;工程建设地点:天津市学府工业园;属于框架结构;地上2层;地下0层;建筑高度:14.4m;标准层层高:7.2m ;总建筑面积:24356.68平方米;总工期:939天。
本工程由天津市众贺科技发展有限公司投资建设,天津市丰和建筑工程设计有限公司设计,天津市地质勘察院地质勘察,天津市诚达工程监理有限公司监理,天津瑞东建筑工程有限公司组织施工;由担任项目经理,担任技术负责人。
工程说明:工程概况;本工程位于天津市西青区学府工业园慧深道与学府西街交叉口东南侧。
本工程主体为钢筋混凝土框架结构,地上二层,建筑高度;二层为14.850m,一、综合说明由于其中模板支撑架高7.3米,为确保施工安全,编制本专项施工方案。
设计范围包括:楼板,长?宽=2.9m?.2m,厚0.11m。
特别说明:碗扣式模板支架目前尚无规范,本计算书参考扣件式规范的相关规定进行计算。
据研究,碗扣式模板支架在有上碗扣的情况下,其承载力可比扣件式提高15%左右,在计算中暂不做调整,但在搭设过程中要注意检查,支模架的上碗扣不能缺失。
(一)模板支架选型根据本工程实际情况,结合施工单位现有施工条件,经过综合技术经济比较,选择碗扣式钢管脚手架作为模板支架的搭设材料,进行相应的设计计算。
(二)编制依据1、中华人民共和国行业标准,《建筑施工扣件式钢管脚手架安全技术规范》(JGJ130-2001)。
2、《建筑施工安全手册》(杜荣军主编)。
3、建设部《建筑施工安全检查标准》(JGJ59-99)。
4、本工程相关图纸,设计文件。
5、国家有关模板支撑架设计、施工的其它规范、规程和文件,此外,在计算中还参考了浙江省地方标准《建筑施工扣件式钢管模板支架技术规程》(J10905-20 06)的部分内容。
二、搭设方案(一)基本搭设参数模板支架高H为7.3m,立杆步距h(上下水平杆轴线间的距离)取1.2m,立杆纵距l a取1.2m,横距l b取0.9m。
剪力墙计算书:一、参数信息1.基本参数次楞(内龙骨)间距(mm):200;穿墙螺栓水平间距(mm):600;主楞(外龙骨)间距(mm):500;穿墙螺栓竖向间距(mm):500;对拉螺栓直径(mm):M14;2.主楞信息龙骨材料:钢楞;截面类型:圆钢管48×;钢楞截面惯性矩I(cm4):;钢楞截面抵抗矩W(cm3):;主楞肢数:2;3.次楞信息/龙骨材料:木楞;宽度(mm):;高度(mm):;次楞肢数:2;4.面板参数面板类型:木胶合板;面板厚度(mm):;面板弹性模量(N/mm2):;面板抗弯强度设计值f(N/mm2):;c面板抗剪强度设计值(N/mm2):;5.木方和钢楞(N/mm2):;方木弹性模量E(N/mm2):;方木抗弯强度设计值fc(N/mm2):;方木抗剪强度设计值ft】钢楞弹性模量E(N/mm2):;钢楞抗弯强度设计值f(N/mm2):;c墙模板设计简图二、墙模板荷载标准值计算按《施工手册》,新浇混凝土作用于模板的最大侧压力,按下列公式计算,并取其中的较小值:其中γ -- 混凝土的重力密度,取m3;t -- 新浇混凝土的初凝时间,可按现场实际值取,输入0时系统按200/(T+15)计算,得;T -- 混凝土的入模温度,取℃;V -- 混凝土的浇筑速度,取h;&H -- 模板计算高度,取;β-- 外加剂影响修正系数,取;1-- 混凝土坍落度影响修正系数,取。
β2根据以上两个公式计算的新浇筑混凝土对模板的最大侧压力F;分别为 kN/m2、 kN/m2,取较小值 kN/m2作为本工程计算荷载。
计算中采用新浇混凝土侧压力标准值 F1=m2;倾倒混凝土时产生的荷载标准值 F2= 2 kN/m2。
三、墙模板面板的计算面板为受弯结构,需要验算其抗弯强度和刚度。
按规范规定,强度验算要考虑新浇混凝土侧压力和倾倒混凝土时产生的荷载;挠度验算只考虑新浇混凝土侧压力。
计算的原则是按照龙骨的间距和模板面的大小,按支撑在内楞上的三跨连续梁计算。
面板计算简图]1.抗弯强度验算跨中弯矩计算公式如下:其中, M--面板计算最大弯距;l--计算跨度(内楞间距): l =;q--作用在模板上的侧压力线荷载,它包括:新浇混凝土侧压力设计值q1: ×××=m,其中为按《施工手册》取的临时结构折减系数。
倾倒混凝土侧压力设计值q2: ×××=m;q = q1 + q2=+= kN/m;面板的最大弯距:M =×××= ×;按以下公式进行面板抗弯强度验算:《其中,σ --面板承受的应力(N/mm2); M --面板计算最大弯距;W --面板的截面抵抗矩 :b:面板截面宽度,h:面板截面厚度;W= 500××6=×104 mm3;f --面板截面的抗弯强度设计值(N/mm2); f=mm2;面板截面的最大应力计算值:σ = M/W = ×105/ ×104 = mm2;面板截面的最大应力计算值σ =mm2小于面板截面的抗弯强度设计值[f]=13N/mm2,满足要求!2.剪强度验算^计算公式如下:其中,∨--面板计算最大剪力(N);l--计算跨度(竖楞间距): l =;q--作用在模板上的侧压力线荷载,它包括:新浇混凝土侧压力设计值q1: ×××=m;倾倒混凝土侧压力设计值q2: ×××=m;q = q1 + q2=+= kN/m;面板的最大剪力:∨ = ×× = ;截面抗剪强度必须满足:《其中,Τ--面板截面的最大受剪应力(N/mm2);∨--面板计算最大剪力(N):∨ = ;b--构件的截面宽度(mm):b = 500mm ;hn --面板厚度(mm):hn= ;fv --面板抗剪强度设计值(N/mm2):fv= N/mm2;面板截面的最大受剪应力计算值: T =3×(2×500×=mm2;面板截面抗剪强度设计值: [f]=mm2;v面板截面的最大受剪应力计算值 T=mm2小于面板截面抗剪强度设计值 [T]=mm2,满足要求!3.挠度验算根据规范,刚度验算采用标准荷载,同时不考虑振动荷载作用。
挠度计算公式如下::其中,q--作用在模板上的侧压力线荷载: q = × = mm;l--计算跨度(内楞间距): l = 200mm;E--面板的弹性模量: E = 9500N/mm2;I--面板的截面惯性矩: I = 50×××12=;面板的最大允许挠度值:[ω] = ;面板的最大挠度计算值: ω = ××2004/(100×9500××105) = mm;面板的最大挠度计算值: ω = 小于等于面板的最大允许挠度值[ω]=,满足要求!四、墙模板内外楞的计算(一).内楞(木或钢)直接承受模板传递的荷载,按照均布荷载作用下的三跨连续梁计算。
*本工程中,内龙骨采用木楞,宽度60mm,高度80mm,截面惯性矩I和截面抵抗矩W 分别为:W = 60×80×80/6 = 64cm3;I = 60×80×80×80/12 = 256cm4;内楞计算简图1.内楞的抗弯强度验算内楞跨中最大弯矩按下式计算:其中, M--内楞跨中计算最大弯距;l--计算跨度(外楞间距): l =;q--作用在内楞上的线荷载,它包括:—: ×××=m;新浇混凝土侧压力设计值q1: ×××=m,其中,为折减系数。
倾倒混凝土侧压力设计值q2q =+/2= kN/m;内楞的最大弯距:M =×××= ×;内楞的抗弯强度应满足下式:其中,σ --内楞承受的应力(N/mm2);M --内楞计算最大弯距;W --内楞的截面抵抗矩(mm3),W=×104;f --内楞的抗弯强度设计值(N/mm2); f=mm2;内楞的最大应力计算值:σ = ×105/×104 = N/mm2;。
内楞的抗弯强度设计值: [f] = 13N/mm2;内楞的最大应力计算值σ = N/mm2小于内楞的抗弯强度设计值 [f]=13N/mm2,满足要求!2.内楞的抗剪强度验算最大剪力按均布荷载作用下的三跨连续梁计算,公式如下:其中, V-内楞承受的最大剪力;l--计算跨度(外楞间距): l =;q--作用在内楞上的线荷载,它包括:新浇混凝土侧压力设计值q1: ×××=m;倾倒混凝土侧压力设计值q2: ×××=m,其中,为折减系数。
q = (q1 + q2)/2 =+/2= kN/m;>内楞的最大剪力:∨ = ×× = ;截面抗剪强度必须满足下式:其中,τ--内楞的截面的最大受剪应力(N/mm2);∨--内楞计算最大剪力(N):∨ = ;b--内楞的截面宽度(mm):b = ;hn --内楞的截面高度(mm):hn= ;fv--内楞的抗剪强度设计值(N/mm2):τ = N/mm2;内楞截面的受剪应力计算值: fv=3×(2××=mm2;内楞截面的抗剪强度设计值: [fv]=mm2;内楞截面的受剪应力计算值τ =mm2小于内楞截面的抗剪强度设计值 [fv]=mm2,满足要求!¥3.内楞的挠度验算根据《建筑施工计算手册》,刚度验算采用荷载标准值,同时不考虑振动荷载作用。
挠度验算公式如下:其中,ω--内楞的最大挠度(mm);q--作用在内楞上的线荷载(kN/m): q = ×2= kN/m;l--计算跨度(外楞间距): l = ;E--内楞弹性模量(N/mm2):E = N/mm2;I--内楞截面惯性矩(mm4),I=×106;内楞的最大挠度计算值: ω = ×2×5004/(100×9500××106) = mm;内楞的最大容许挠度值: [ω] = 2mm;~内楞的最大挠度计算值ω= 小于内楞的最大容许挠度值[ω]=2mm,满足要求!(二).外楞(木或钢)承受内楞传递的荷载,按照集中荷载作用下的三跨连续梁计算。
本工程中,外龙骨采用钢楞,截面惯性矩I和截面抵抗矩W分别为:截面类型为圆钢管48×;外钢楞截面抵抗矩 W = ;外钢楞截面惯性矩 I = ;外楞计算简图4.外楞抗弯强度验算外楞跨中弯矩计算公式:《其中,作用在外楞的荷载: P = ×+×2)××2=;外楞计算跨度(对拉螺栓水平间距): l = 600mm;外楞最大弯矩:M = ××= ×105 N/mm;强度验算公式:其中,σ-- 外楞的最大应力计算值(N/mm2)M -- 外楞的最大弯距;M = ×105 N/mmW -- 外楞的净截面抵抗矩; W = ×103 mm3;[f] --外楞的强度设计值(N/mm2),[f] =mm2;外楞的最大应力计算值: σ = ×105/×103 = N/mm2;外楞的抗弯强度设计值: [f] = 205N/mm2;…外楞的最大应力计算值σ =mm2小于外楞的抗弯强度设计值 [f]=205N/mm2,满足要求!5.外楞的抗剪强度验算公式如下:其中,∨--外楞计算最大剪力(N);l--计算跨度(水平螺栓间距间距): l =;P--作用在外楞的荷载: P = ×+×2)××2=;外楞的最大剪力:∨ = × = ×103N;外楞截面抗剪强度必须满足:其中,τ--外楞截面的受剪应力计算值(N/mm2);。
∨--外楞计算最大剪力(N):∨ = ×103N;b--外楞的截面宽度(mm):b = ;hn --外楞的截面高度(mm):hn= ;fv --外楞的抗剪强度设计值(N/mm2):fv=N/mm2;外楞截面的受剪应力计算值: τ =3××103/(2××=mm2;外楞的截面抗剪强度设计值: [fv]=mm2;外楞截面的抗剪强度设计值: [fv]=mm2;外楞截面的受剪应力计算值τ =mm2小于外楞截面的抗剪强度设计值 [fv]=mm2,满足要求!6.外楞的挠度验算根据《建筑施工计算手册》,刚度验算采用荷载标准值,同时不考虑振动荷载作用。