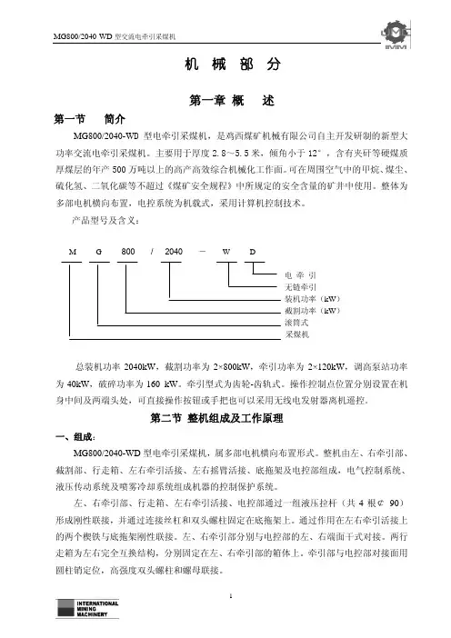
交流电牵引采煤机简介(终))
- 格式:doc
- 大小:118.00 KB
- 文档页数:22
第11章 7LS6电牵引采煤机LS系列采煤机是美国JOY(久益)公司制造的大功率交流电牵引采煤机,JOY公司自1976年研制成1LS电牵引采煤机以来,逐步开发了LS系列采煤机,先后有3LS、4LS、6LS和7LS等采煤机在世界上许多国家使用。
本章介绍我国引进的7LS6型电牵引采煤机电气系统,该采煤机是目前LS系列采煤机中,性能最完善、装机功率和采高范围最大的电牵引采煤机。
7LS6型号的含意,7代表机型序号,L是长臂工作面,S是采煤机,6为产品序列编号。
11.1 概述1.7LS6交流电牵引采煤机主要技术特征最大采高 4882 mm最小采高 2200 mm工作面倾角 8º截深 865 mm生产能力 2800 t/h适应煤层硬度可截割F10的岩层摇臂长度 2916 mm摇臂摆动角度 +50.53º -14.77º摇臂升降液压油缸缸径Ф320 mm,活塞杆直径Ф150 mm滚筒直径 2200 mm(4头)宽度 4010 mm转速 26 r/min重量 51 t截齿类型 Conical 柄长35 mm U92KHD型数量每个滚筒56个布置 4叶片,2齿/线牵引部牵引方式交流变频电牵引牵引速度 0~15~20 m/min牵引力最大87t(0~15 m/min);最小62t(20 m/min)牵引特性 0~15m/min恒转矩特性;15~20m/min恒功率特性牵引部类型带有减速比167.9:1减速器的正齿轮牵引破碎机滚筒直径 908mm滚筒额定转速 180r/min截齿布置 4叶片,2齿/线型式带有行星减速器的内置电动机最小间隙 400mm(距刮板挡板)重量 4.9t液压泵型式双联齿轮泵流量>38 L/min安全阀调定压力 14.5Mpa(2100pis)油箱容量 132L(35gal)辅助油箱容量 95L(28gal)切截电动机 2台额定电压 AC3300V额定功率 2×750kW额定电流 2×161A绝缘等级 H允许温升 140℃冷却方式水冷外形尺寸 680×1045mm重量 1867kg破碎机电动机 1台额定电压 AC3300V额定功率 110kW额定电流 26A绝缘等级 H允许温升 140℃冷却方式水冷外形尺寸Ф606×948mm重量 1112kg牵引电动机 2台额定电压 AC575V额定功率 2×110kW电流 315A绝缘等级 B允许温升 110℃外形尺寸 584×523×10260mm重量 823kg油泵电动机 1台额定电压 AC575V额定功率 30kW额定电流 47A允许温升 110℃冷却方式水冷外形尺寸Ф406×516mm重量 823kg电气系统采煤机供电电压 AC3300V采煤机额定电流 398A采煤机总装机功率 1860kW油泵/牵引变压器功率 325kV·A采煤机控制电压 120V/28V保护设定范围满载电流的125%,瞬时值为满载电流的300%高压换向隔离开关的额定电流 600A断路器额定电流 600A断路器跳闸电流整定范围 1125A~2250A真空接触器额定电流 320A变频器功率 140kW采煤机控制方式本机控制与无线电摇控采煤机供电电缆 7型、7M型和7S型一根电缆芯数 3×120+1×50+3×6电缆长度 250m冷却喷雾系统进水压力 14~35bar水流量子 380L/min喷嘴数量子 108个,J型喷雾块,8个/块配套输送机输送机类型 1000mm宽滑道,Φ38mm中双链溜槽尺寸 1750mm×1000mm(内槽宽)×331mm输送机高度 331mm过煤高度 866mm采煤机外形尺寸摇臂水平时两滚筒中心距 13.873m机架宽度 1.500m机体高度 1.794m采煤机总重量约92t2. 7LS6型采煤机的总体布置7LS6采煤机的总体布置如图11-1所示。
电牵引采煤机讲义一、MGTY400/930-3.3D电牵引采煤机(一)作用及组成MGTY400/930—3.3D电牵引采煤机适用于缓倾斜、中硬煤层长壁式综采工作面,采高范围为2~3.5米。
可在有瓦斯、煤尘或其他爆炸性混合气体的煤矿中使用,它与工作面刮板输送机、液压支架及胶带输送机等配套使用,在长壁式采煤工作面可实现采、装、运的机械化。
该采煤机具有良好的工作性能和高可靠性,为目前能够满足高产高效工作面要求的一种新机型。
采煤机由左、右摇臂,左、右滚筒,牵引传动箱,外牵引,泵站,高压控制箱,牵引控制箱,调高油缸,主机架,辅助部件等部件组成。
见图1-1电牵引采煤机。
1-左滚筒;2-左摇臂;3-左端头站;4-外牵引;5-牵引传动箱;6-泵站;7-水阀组件;8-高压控制箱;9-牵引控制箱;10-主机架;11-调高油缸;图1-1 电牵引采煤机采煤机端面与工作面运输机配套尺寸见图1—2采煤机端面配套图。
(二)采煤机的特点采煤机总体结构为多电机横向布置,牵引方式为机载式交流变频无级调速销轨式无链牵引,电源电压为3300 v,单电缆供电,以计算机操作、控制,能中文显示运行状态,并具有故障检测功能。
下面是该机型的主要特点:(1)主机架为整体式焊接件,其强度大、刚性好,各部件的安装均可单独进行,部件间没有动力传递和连接,该机上所有切割反力、牵引力、采煤机的限位、导向作用力均由主机架承受。
图1-2 电牵引采煤机端面配套图(2)摇臂通过悬挂铰接与主机架相联接,无回转轴承及齿轮啮合环节,摇臂传动功率大、输出轴转速低。
(3)牵引采用销排式无链牵引系统,牵引力大,工作平稳可靠,能适应底板起伏较大的工作面。
(4)采用镐型齿强力滚筒,减少了截齿消耗,提高了滚筒的使用寿命,并且提高了块煤率。
(5)采煤机电源电压等级为3300v,单电缆供电,使采煤机拖移电缆方便自如,减少了工作面电缆故障。
(6)采用机载式交流变频无级调速系统,提高了牵引速度和牵引力。
MG1000/2550-GWD系列交流电牵引采煤机ELECTRIC HAULAGE SHEARERMG1000/2550-GWDMG1000/2500-GWD产品用途及适用条件此系列交流电牵引采煤机是一种多电机驱动,电机横向布置,交流变频调速无链双驱动重型超大功率电牵引采煤机。
并配有破碎装置,机面高度3150mm,适用于采高3.5~7.1m,煤层倾角≤10°,年产1000万吨左右的高产高效工作面使用。
该机可以截割坚硬煤层并且具有较强的过矸石断层能力。
装机功率为2550kW和2500kW。
Application and Suitable ConditionsThe series are ultra-powered AC frequency converse speed-adjusting and chainless electric haulage shearers with multi-motor drive,the motors are laterally installed and with crusher.The machine height is 3150mm.The shearers can be used in the high production coal seam where cutting height is 3.5~7.1m.Dip angle is no more than 10°and the annually output is about eight million tons. The shearers also can be used to cut the hard coal seam and can pass through the dirt faults powerfully.The maximum power is 2550kW and 2500kW主要技术特征项目单位数据1. 生产能力t/h 60002. 采高m3.5~7.13. 装机总功率kW 2500 /25504. 供电电压V 33005. 滚筒直径mm Ф35006. 截深mm 800~10007. 牵引力kN 1330~6658. 牵引速度m/min 0~11.5~239. 灭尘方式内外喷雾10. 拖电缆方式自动拖揽11. 主机外形尺寸mm 18150×3165×315012. 主机重量t 16013. 最大不可拆卸尺寸mm 3140×2255×164014. 最大不可拆卸重量t ≤2015. 配套运输机槽宽mm ≥1250Technical ParametersItem Unit Data1.Capacity t/h 50002.Cutting Height m3.5~7.13.Installed Power kW 2550/2000 See the list for detail4. V oltage of Power Supply V 33005. Drum Diameter m Ф35006. Cutting Depth mm 800~10007. Haulage Force kN 1330~6658. Haulage Speed m/min 0~11.5~239. Mode of Dust Suppression Internal and External water-Spraying System10. Mode of Cable Handling Automatic11. Outlne Dimension mm 18150×3165×315012. Weight t 16013. Dimension of the Largest Subassembly mm 3140×2255×164014. Weight of the Largest Subassembly t ≤2015.Groove Width of Matched Conveyor mm ≥1250MG900/2290-GWD系列交流电牵引采煤机ELECTRIC HAULAGE SHEARERMG900/2290-GWDMG900/2210-GWDMG750/1990-GWDMG750/1910-GWD产品用途及适用条件此系列交流电牵引采煤机是一种多电机驱动,电机横向布置,交流变频调速无链双驱动重型超大功率电牵引采煤机。
艾柯夫SL-500电牵引采煤机第一节概述电牵引采煤机是目前世界上最先进的采煤机,它直接采用电动机完成采煤机的牵引,具有很高的传动效率,同时又省去了复杂的液压传动系统,并具有良好的调速性能,是国内外都致力发展的新一代采煤机。
电牵引采煤机的出现标志着采煤机技术发展的一个新阶段。
目前生产电牵引采煤机的主要有美国、德国、英国、日本、中国和波兰等国家。
电牵引采煤机以其优良的性能和广泛的适用性,现在已成为采煤机的主潮流。
SL系列电牵引采煤机是德国艾柯夫公司研制生产的系列采煤机(SL-300和SL-500),该系列采煤机在德国鲁尔矿区、萨尔矿区已使用成功,性能超过以往的系列采煤机,深受用户欢迎。
采煤机的技术性能见表1。
机型SL-500 SL-300截割电机牵引电机泵电机总装机功率2×750kw, 3300V, 50Hz2×90kw(Ac)35kw, 1kv1715kw2×300kw,1-3.3-4.16kv, 50Hz2×40kw(Ac)2×35-45kw(Dc)25kw(534) 695kw采高机身高度机身长度(两滚筒水平中心距)2700mm-5200mm2200mm13100mm1400mm-3300mm1200mm, 1640mm10600mm摇臂长滚筒转速滚筒直径滚筒截深卧底量牵引速度最大牵引力最大牵引力时速度机重(不含滚筒)2800mm23r/min2700mm930mm625mm0-13.25-32m/min734kN0-13.25m/min约88t1970mm23r/min1200mm-2200mm650-1000mm0-11.9-21.6m/min508-208kN约38t表1 SL系列电牵引采煤机技术参数SL系列采煤机为多电机横向布置,牵引电机交直流可任选的采煤机,它具有足够的装机功率,能与不同类型的输送机配套和适应不同无链牵引方式,其结构坚固可靠,易于维修,采用微机控制及故障诊断等特点。
MG900/2210-WD型交流电牵引采煤机
a.控制系统采用可编程控制器PLC和嵌入式计算机控制,10英寸大屏幕彩显;牵引拖动系统采用“一拖一”方式。
b.变频器消化吸收ABB的DTC直接转矩控制技术,该型变频器采用直接转矩控制技术,能够在没有脉冲编码器和测速电机反馈的情况下,完成对交流牵引电机速度和转矩的精确控制,根据外部负载大小,响应时间在5ms内。
MG900/2210-WD型交流电牵引采煤机电气控制系统图
c.主从应用宏保持左、右牵引电机转矩平衡,左、右变频器可以完全互换。
d.检测功能齐全,如左、右截割(左、右牵引)电机电流、温度;各关键部位(行星头、截割电机高速轴)的温度;冷却水流量,系统电压及环境瓦斯含量监测等等。
e.保护功能完善。
如截割(牵引)电机超载、超温保护,截割电机恒功率自动控制,变频器故障保护,瓦斯超限保护,牵引变压器超温保护等。
f.网络化(CAN、PROFIBUS等)采煤机工况监测和在线故障诊断技术。
采煤机工作参数实时能传送到地面工作站。
MG160/390-WD型交流电牵引采煤机说明书一、主要技术参数适应煤层采高范围 mm 1300——2920;(综采1500——2920)适应倾角°≤35煤质硬度 f≤41.总体总装机功率 KW 391机面高度 mm 1100机面宽度 mm 979摇臂回转中心距 mm 5813滚筒水平中心距 mm 9213过煤高度 mm 410最小卧底量 mm (滚筒¢1250) 167装机重量 t 25外形尺寸(机身) mm 6053×979×8782、牵引牵引形式交流变频调速无链牵引啮合方式白线轮销轨式牵引绳速度 m/min 0-7牵引力 kN 4083、截割摇臂形式整体弯摇臂摇臂摆角: +42,-19.7截深mm: 600滚筒直径mm:¢1250,¢1400;¢1600 滚筒转速 r/min 46;524、电动机截割电动机(2台)型号: YBCS4-160(B)功率Kw 160额定转速r/min; 1470 电压V 1140额定频率Hz 50冷却水压MPa <3.0牵引电动机(2台)型号: YBQYS3-30(B)功率Kw 30额定转速r/min; 1472 电压V 1140 额定频率Hz 50泵站电机(1台)型号: YBRB-11功率Kw 11额定转速r/min; 1440 电压V 1140 额定电流A 7.8 额定频率Hz 50二、主要配套设备1、配套输送机WD型配套:SGZ630/220,WD1型配套:SGZ730/3202.配套喷雾泵站:供水泵型号: PB-200/6.3额定流量L/Min 200最高压力MPa 6.3配套电缆主电缆 MCP3×95+1×25+4×10(200米)4、配套电缆夹: U-100/145、H-100/180(80米)5、配套开关: QJZ-400/1140(或QJZ-300/1140)真空磁力起动器6、配套水管型号:RC3-25/150(200米)三、传动参数:截割部机械传动见图F1。
MG250/600-AWD型交流电牵引采煤机产品简介西安煤矿机械厂MG250/600-AWD型电牵引采煤机简介一. 概述MG250/600-AWD型交流电牵引采煤机是一种多电机驱动,电机横向布置,交流变频调速无链双驱动电牵引采煤机。
总装机功率2×250+2×40+20KW, 机面高度1200mm,适用于采高1.8~3.2m,煤层倾角≤40°的较薄煤层综采工作面,要求煤层顶板中等稳定,底板起伏不大,不过于松软,煤质硬或中硬,也能截割一定的矸石夹层。
工作面长度以150~200m为宜。
该采煤机的电气设备符合矿用防爆规程的要求,可在有瓦斯或煤尘爆炸危险的矿井中使用, 并可在海拔不超过2000m、周围介质温度不超过40℃、空气湿度不大于95%(在+25℃时)的情况下可靠地工作。
该采煤机适用于与相应的液压支架, 各种型号工作面运输机配套,实现综合机械化采煤或放顶煤综采;亦可以与相应的工作面运输机、单体液压支柱、长钢梁或金属铰接梁配套实现新高档普采。
二.主要性能参数(1)适用煤层采高范围 1.8~3.2m煤层倾角≤40°煤质硬度硬或中硬(2)整机主要参数机面高度 1200mm滚筒直径Φ1400mm Φ1600mm最大采高 3200mm卧底量 349mm装机功率 2×250+2×40+20kW摇臂摆动中心距 6200mm过煤高度 505mm3. 电动机截割电机牵引电机调高电机型号 YBC-250A YBRS-40B YBC-720功率 250Kw 40kW 20KW电压 1140V 380V 1140V 转速 1470r/min 0~2470r/min 1472r/min冷却水量 30L/min 20L/min 71/min冷却水压 1.5MPa 1.5MPa 1.5MPa4. 牵引型式交流变频调速、电机驱动齿轮销轨式无链牵引牵引力 480~285kN牵引速度 0 ~ 7.7 ~ 12.8m/min牵引部总减速比 191.765. 截摇臂长度 1950mm滚筒直径Φ1600mm滚筒线速度 3.01m/s滚筒转速 32r/min6. 调高泵箱调高泵型号 CBK26005工作压力 20MPa(最高压力23MPa)控制油压力 2MPa理论排量 13.8ml/r工作转速 1470r/min7. 操纵方式中部手控(开、停机;停运输机;调速)两端电控(停机;调速;调高)无线遥控(停机;调速;调高)8. 主电缆拖缆方式自动拖缆主电缆规格一根MCPT 3×95+1×25+4×109. 冷却和喷雾冷却各电机、变压器箱、变频器箱、制动单元箱、摇臂分别冷却喷雾内外喷雾供水压力 3.0MPa供水流量 250 l/min供水管直径Φ32mm10.机器重量 41t三、主要组成部分及工作原理MG200(250)/500(600)-AWD型交流电牵引采煤机主要由以下部件组成:(1)左牵引部 (2)右牵引部 (3)摇臂 (4)调高泵箱 (5)联接框架 (6)高压开关箱(7)变频器箱 (8)变压器箱 (9)机身联接件(10)冷却喷雾系统 (11)电气外部连接件 (12)拖缆装置(13)左、右滚筒(14)行走箱。
MG180/420-WDK交流电牵引采煤机
特点:用于煤层厚度1.4-3.2m的薄煤层开采
开关磁阻调速,齿轮销轨行走
启动扭矩大,过载能力强,效率高,能频繁启动和换向
机身各部件间采用高强度液压螺栓连接
截割部电机装有离合装置和弹性扭矩轴,提高了安全性
采用无线遥控,大屏幕中文显示,功率、温度、故障等信息一目了然
电控采用模块结构,快速式接插方式,耐潮、耐震,更换快捷
主要部件可以从老塘侧抽出,更换容易,维修方便
主机能方便的配套不同槽宽的输送机,满足不同用户需要
使用范围:该产品使用于采高1.4-3.2m。
倾角≤35°,煤质中硬或中硬以上,含有少量夹矸的长壁式工作面。
MG180/435-W型滚筒采煤机
特点:用于煤层厚度1.4-3.0m的薄煤层开采
液压无级调速,齿轮销轨行走
机身各部件间采用高强度液压螺栓连接
截割部电机装有离合装置和弹性扭矩轴,提高了安全性
设备运行状态及电控故障的中文显示
多点操作,使用方便
主机能方便的配套不同槽宽的输送机,满足不同用户需要
使用范围:该产品使用于采高1.4-3.0m。
倾角≤35°,煤质中硬或中硬以上,含有少量夹矸的长壁式工作面。
MG200/456 -AWD型交流电牵引采煤机产品简介西安煤矿机械有限公司MG200/456-AWD型交流变频电牵引采煤机简介1.概述MG200/456-AWD(1.14kV)型电牵引采煤机如图2-1、图2-2所示,是一种多电机驱动,电机横向布置,交流变频调速无链双驱动电牵引采煤机。
总装机功率455.5kW,机面高度853mm,煤层倾角≤40°的薄煤层工作面,要求煤层顶板中等稳定,底板起伏不大,不过于松软,煤质硬或中硬,能截割一定的矸石夹层。
该采煤机的电气设备符合矿用防爆规程的要求,可在有瓦斯或煤尘爆炸危险的矿井中使用,并可在海拔不超过2000m、周围介质温度不超过40℃,空气湿度不大于95%(在+25℃时)的情况下可靠地工作。
该采煤机适用于与相应的液压支架,各种型号工作面运输机配套,实现综合机械化采煤或放顶煤综采;亦可与相应的工作面运输机、单体液压支柱、长钢梁或金属铰接梁配套实现新高档普采。
2.主要技术特征(1)适用煤层最大采高 1.1~2.30m煤层倾角≤40°(超过25°需特殊注明)煤质硬度硬或中硬(2)整机主要参数机面高度 853mm滚筒直径Φ1100mm Φ1250mm最大采高 2225mm 2300mm下切量 205mm 280mm过煤高度 310mm装机功率 2×200+2×25+5.5 kW摇臂摆动中心距 6400mm截深 630mm(3)电动机: 截割电机牵引电机调高泵电机型号 YBC-200S YBQYS3-25A(外花键) YBTS-5.5功率 200kW 25kW 5.5kW电压 1140V 380V 1140V转速 1470r/min 0-2432r/min 1470r/min冷却水量 25L/min 20L/min 10L/min冷却水压 1.5Mpa 1.5Mpa 1.5Mpa(4)牵引:型式交流变频调速、电机驱动齿轮销轨式无链牵引牵引力 330~200kN牵引速度 0~7.6~12.6m/min(5)截割:摇臂长度 1780mm摇臂摆角 -12.57°~+32.27°滚筒直径Φ1100mm Φ1250mm滚筒线速度 2.56m/s 2.91m/s滚筒转速 44.45r/min(6)调高泵箱:工作压力 18Mpa控制油压力 2Mpa泵理论排量 10ml/r工作转速 1470r/min滚筒全行程升起时间 30.7s(按系统容积效率90%计)滚筒全行程下降时间 21s (按系统容积效率90%计) (7)操纵方式:中部手控(开停机、停运输机、调速换向)两端电控(停机、调速换向、调高)无线摇控(停机、调速换向、调高)(8)主电缆:拖缆方式自动拖缆主电缆规格一根MCP-1.14 3×95+1×25+4×10(9)冷却和喷雾:冷却各电机、电控箱、摇臂、调高油箱分别冷却。
】产品技术性能说明1、产品概述MG1100/2760-GWD型交流电牵引采煤机,是为适应厚煤层一次采全高而推出的一种新型大功率、大采高、智能化交流电牵引采煤机,采用多电机驱动、横向布置,总装机功率:2760kW,供电电压:3300V,截割功率: 2×1100kW,牵引功率: 2×150kW;采用机载、“一拖一”交流变频调速,强力销轨式无链牵引(节距147mm);适用于煤层厚度3.3~6.1m,煤层倾角≤10°, 含有夹矸等硬煤质、大采高煤层,年产450万吨以上的高产高效综合机械化工作面。
1.1、整机技术性能指标:生产能力:≥4000t/h采高范围: 3.3~6.1 m供电电压:3300 V供电频率:50 HZ总装机功率:2760 kW截割功率:2×1100 kW牵引功率:2×150 kW破碎功率:200 kW菜单语言:中文操作方式:中部手控、两端电控、离机无线电遥控、应急拉线开关急停急停方式:中部电控箱、端头、遥控、应急拉线开关有无启动预警信号:有1.2、适应条件:适应的工作面倾角:≤10°适应煤的单向抗压强度:≥40MPa适应可截割夹矸的单向抗压强度:<80MPa大修周期:≥5Mt过煤量整机寿命:≥20Mt过煤量采煤机的重量~176t采煤机尺寸16.3m×3.3m×2.6m(不包括滚筒)1.3、采煤机的重量和尺寸当摇臂处于水平位置时,两滚筒中心线的距离:16294mm宽度:3338 mm高度:2617 mm总重量:~176t1.4、工作面运输机与采煤机的配合尺寸工作面运输机的型号:SGZ-1000/2×700 SGZ-1250溜槽的尺寸(长×高×宽):1750×1000×356mm 1750×1250×356mm工作面运输机的高度:356mm 356mm过煤高度:1000mm 1000mm卧底量:706mm(φ2800滚筒) 706mm(φ2800滚筒)806mm(φ3000滚筒) 806mm(φ3000滚筒)铲煤板与滚筒之间的间隙:351mm 251mm1.5、截割部摇臂生产厂家:上海创力矿山设备有限公司结构:分体直摇臂减速级数:2级直齿,2级行星减速齿轮精度:6级齿的表面硬度:58~62HRC长度:3417.88mm摆角:-20~50°调高范围:3300~6080mm润滑方式:强迫润滑大修周期:≥5Mt过煤量寿命:≥20Mt过煤量重量:23.6t滚筒形式:镐型强力滚筒生产厂家:凯南麦特转速:25.5r/min直径:φ2700 φ2800 φ3000 φ3200有效截深:865 1000大修周期: 1.5Mt寿命:3Mt重量:8t(φ2800)灭尘系统类型:内外喷雾,文丘里喷嘴强化喷雾水量:516 l/min,水压:内喷雾≤4MPa 外喷雾:≤2MPa1.6、牵引部生产厂家:上海创力最大牵引力:1250 kN最大牵引速度:0~12.5~25 m/min牵引部的尺寸:3405×1775×1816mm 牵引部重量26850kg大修周期:5Mt寿命:20Mt牵引力和牵引速度的关系曲线图:1.7、电机截割电机制造厂商:西北骏马电机制造股份有限公司型号:YBC-1100G额定功率:1100kW供电电压:3300V额定电流:217A额定转速:1488r/min额定频率:50HZ绝缘等级:H 级工作方式:S1冷却方式:水套冷却牵引电机制造厂家:西北骏马电机制造股份有限公司型号:YBVF-150C额定功率:150kW额定电压:460V额定电流:227A额定转速:1470rpm额定频率:50HZ工作方式:S1防护等级:IP54冷却方式:水冷破碎电机制造厂家:西北骏马电机制造股份有限公司型号:YBC-200G3额定功率:200kW额定电压:3300V极数:8额定转速:741r.p.m频率:50HZ工作方式:S1冷却方式:水冷泵电机制造厂家:西北骏马电机制造股份有限公司型号:YBRB-60额定功率:60kW额定电压:460V额定电流:94.4A额定转速:1460r.p.m频率:50HZ工作方式:S1冷却方式:水冷2、技术性能指标2.1整机技术性能指标3.组成及工作原理3.1主要组成采煤机的外形见图1所示。
MG1000/2550-GWD系列交流电牵引采煤机ELECTRIC HAULAGE SHEARERMG1000/2550-GWDMG1000/2500-GWD产品用途及适用条件此系列交流电牵引采煤机是一种多电机驱动,电机横向布置,交流变频调速无链双驱动重型超大功率电牵引采煤机。
并配有破碎装置,机面高度3150mm,适用于采高3.5~7.1m,煤层倾角≤10°,年产1000万吨左右的高产高效工作面使用。
该机可以截割坚硬煤层并且具有较强的过矸石断层能力。
装机功率为2550kW和2500kW。
Application and Suitable ConditionsThe series are ultra-powered AC frequency converse speed-adjusting and chainless electric haulage shearers with multi-motor drive,the motors are laterally installed and with crusher.The machine height is 3150mm.The shearers can be used in the high production coal seam where cutting height is 3.5~7.1m.Dip angle is no more than 10°and the annually output is about eight million tons. The shearers also can be used to cut the hard coal seam and can pass through the dirt faults powerfully.The maximum power is 2550kW and 2500kW主要技术特征项目单位数据1. 生产能力t/h 60002. 采高m3.5~7.13. 装机总功率kW 2500 /25504. 供电电压V 33005. 滚筒直径mm Ф35006. 截深mm 800~10007. 牵引力kN 1330~6658. 牵引速度m/min 0~11.5~239. 灭尘方式内外喷雾10. 拖电缆方式自动拖揽11. 主机外形尺寸mm 18150×3165×315012. 主机重量t 16013. 最大不可拆卸尺寸mm 3140×2255×164014. 最大不可拆卸重量t ≤2015. 配套运输机槽宽mm ≥1250Technical ParametersItem Unit Data1.Capacity t/h 50002.Cutting Height m3.5~7.13.Installed Power kW 2550/2000 See the list for detail4. V oltage of Power Supply V 33005. Drum Diameter m Ф35006. Cutting Depth mm 800~10007. Haulage Force kN 1330~6658. Haulage Speed m/min 0~11.5~239. Mode of Dust Suppression Internal and External water-Spraying System10. Mode of Cable Handling Automatic11. Outlne Dimension mm 18150×3165×315012. Weight t 16013. Dimension of the Largest Subassembly mm 3140×2255×164014. Weight of the Largest Subassembly t ≤2015.Groove Width of Matched Conveyor mm ≥1250MG900/2290-GWD系列交流电牵引采煤机ELECTRIC HAULAGE SHEARERMG900/2290-GWDMG900/2210-GWDMG750/1990-GWDMG750/1910-GWD产品用途及适用条件此系列交流电牵引采煤机是一种多电机驱动,电机横向布置,交流变频调速无链双驱动重型超大功率电牵引采煤机。
配有破碎装置,机面高度2710mm,适用于采高3.2~6.5m,煤层倾角≤15°,年产800万吨左右的高产高效工作面使用。
该机可以截割坚硬煤层并且具有较强的过矸石断层能力。
最大装机功率2290kW,更换不同功率电机可派生出装机功率为2210kW、1990kW 和1910kW的采煤机。
Application and Suitable ConditionsThe series are ultra-powered AC frequency converse speed-adjusting and chainless electric haulage shearers with multi-motor drive,the motors are laterally installed and with crusher.The machine height is 2710mm.The shearers can be used in the high production coal seam where cutting height is 3.2~6.5m,dip angle is no more than 15°and the annually output is about eight million tons. The shearers also can be used to cut the hard coal seam and it can pass through the dirt faults powerfully.The maximum power is 2290kW and can be derived to 2210kW、1990kW、1910kW by using different motors. 主要技术特征项目单位数据1. 生产能力t/h 55002. 采高m3.2~6.53. 装机总功率kW 2290 /2210/ 1990/ 19104. 供电电压V 33005. 滚筒直径mm Ф2750,Ф3000,Ф32006. 截深mm 800~10007. 牵引力kN 1330~665,1000~5008. 牵引速度m/min 0~11.5~239. 灭尘方式内外喷雾10. 拖电缆方式自动拖揽11. 主机外形尺寸mm 18150×3165×271012. 主机重量t 15013. 最大不可拆卸尺寸mm 3140×2255×164014. 最大不可拆卸重量t ≤2015. 配套运输机槽宽mm ≥1000Technical ParametersItem Unit Data1.Capacity t/h 55002.Cutting Height m3.2~6.53.Installed Power kW 2290/2210/1990/1910 See the list for detail4. V oltage of Power Supply V 33005. Drum Diameter mm Ф2750,Ф3000,Ф32006. Cutting Depth mm 800~10007. Haulage Force kN 1330~665,1000~5008. Haulage Speed m/min 0~11.5~239. Mode of Dust Suppression Internal and External water-Spraying System10. Mode of Cable Handling Automatic11. Outlne Dimension mm 18150×2950×271012. Weight t 15013. Dimension of the Largest Subassembly mm 3140×2255×164014. Weight of the Largest Subassembly t ≤2015.Groove Width of Matched Conveyor mm ≥1000MG900/2290-WD系列交流电牵引采煤机ELECTRIC HAULAGE SHEARERMG900/2290-WDMG900/2210-WDMG750/1990-WDMG750/1910-WDMG650/1710-WD产品用途及适用条件此系列交流电牵引采煤机是一种多电机驱动,电机横向布置,交流变频调速无链双驱动重型超大功率电牵引采煤机。
并配有破碎装置,机面高度2340(1670)mm,适用于采高2.7~5.5m,煤层倾角≤25°,年产600万吨左右的高产高效工作面使用。
该机可以截割坚硬煤层并且具有较强的过矸石断层能力。
最大装机功率2290kW,更换不同功率电机可派生出装机功率为2210kW、1990kW、1910kW和1710kW 的采煤机。
Application and Suitable ConditionsThe series are ultra-powered AC frequency converse speed-adjusting and chainless electric haulage shearers with multi-motor drive,the motors are laterally installed with crusher.The machine height is 2340(1670)mm.The shearers can be used in the highproduction coal seam where cutting height is 2.7~5.5m,dip angle is no more than 25°and the annually output is about six million tons. The shearers also can be used to cut the hard coal seam and can pass through the dirt faults powerfully.The maximum power is 2290kW and can be derived to 2290kW,2210kW,1910kW or 1710kW by using different motors. 主要技术特征项目单位数据1. 生产能力t/h 45002. 采高m 2.7~5.53. 装机总功率kW 2290/ 2210/ 1990/ 1910/ 1710功率分配详见机型一览表4. 供电电压V 33005. 滚筒直径mm Ф2500,Ф2750,Ф30006. 截深mm 800~10007. 牵引力kN 1330~665,1000~5008. 牵引速度m/min 0~11.5~239. 灭尘方式内外喷雾10. 拖电缆方式自动拖揽11. 主机外形尺寸mm 17450×2950×2340(17200×2950×1695)12. 主机重量t 13113. 最大不可拆卸尺寸mm 3140×2255×1800(3140×2255×1285)14. 最大不可拆卸重量t ≤1815. 配套运输机槽宽mm ≥1000Technical ParametersItem Unit Data1.Capacity t/h 45002.Cutting Height m 2.7~5.53.Installed Power kW 2290/ 2210/ 1990/1910/17104. V oltage of Power Supply V 33005. Drum Diameter mm Ф2500,Ф2750,Ф30006. Cutting Depth mm 800~10007. Haulage Force kN 1330~665,1000~5008. Haulage Speed m/min 0~11.5~239. Mode of Dust Suppression Internal and External water-Spraying System10. Mode of Cable Handling Automatic11. Outlne Dimension mm 17450×2950×2340(17200×2950×1695)12. Weight t 13113. Dimension of the Largest Subassembly mm 3140×2255×1800(3140×2255×1285)14. Weight of the Largest Subassembly t ≤1815.Groove Width of Matched Conveyor mm ≥1000MG750/1860-GWD系列交流电牵引采煤机ELECTTRIC HAULAGE SHEARERMG750/1860-GWDMG750/1660-GWDMG650/1330-GWD产品用途及适用条件此系列交流电牵引采煤机是一种多电机驱动,电机横向布置,交流变频调速无链双驱动电牵引采煤机。