药物超微粉碎机技术参数
- 格式:doc
- 大小:14.00 KB
- 文档页数:1
中药材超微粉碎一.实验目的1.了解超微粉碎技术,学习并掌握中药材超微粉碎过程及其意义。
2.了解超微粉碎机的结构和工作原理,学习YSC-701超微粉碎机的使用方法。
3.学习使用YSC-701超微粉碎机对中药材进行超微粉碎的具体操作过程。
4.复习使用显微镜测微尺测量颗粒粒径的方法。
二.实验原理在药品生产过程中固形物料经过超微粉碎,使其处于微米甚至纳米的尺寸时,该物质的物理、化学特性都将发生极大的变化,从而显著提高药品的溶出度,并能减轻药物的毒副作用。
无论内服或外用,都能明显提高疗效。
特别是在中医药领域,超微粉碎技术能够改变传统的中医手段,中药材经超微粉碎细化后,可直接用于口服,从而免除了饮片、煎煮等繁琐的工艺,大大方便了病人用药;不仅如此,经研究表明,超微细化后的中药用量,只相当于原方剂用药量的十分之一,从而大大节省了宝贵的中药材资源,也有效保护了中药材种植环境。
另外,通过超微粉碎技术,使难溶或微溶于水的有效成分,经细胞破壁,可明显提高药品的生物利用度。
这为中医药走向世界开创了全新的途径。
超微粉碎技术是粉体工程中的一项重要内容,包括对粉体原料的超微粉碎,高精度的分级和表面活性改变等内容。
根据原料和成品颗粒的大小或粒度,粉碎可分为粗粉碎,细粉碎,微粉碎和超微粉碎。
超微粉碎是近20年迅速发展起来的一项高新技术,能把原材料加工成微米甚至纳米级的微粉,已经在各行各业得到了广泛的应用。
鉴于粉碎是中药生产及应用中的基本加工技术,超微粉碎已愈来愈引起人们的关注,虽然起步较晚,开发研制的品种相对较少,但已显露出特有的优势和广阔的应用前景。
超微粉碎机一般为无筛式粉碎机,粉碎物料粒度由气流速度控制,粉碎粒度要求95%通过0.15mm(100目),超微粉碎通常由超微粉碎机、气力输送、分级机配套来完成。
本实验使用的是YSC-701超微粉碎机,纤维性物料经过超微粉碎后细度可以达到300—2000目,大比重脆性物料超微粉碎后细度可以达到1000—13000目。
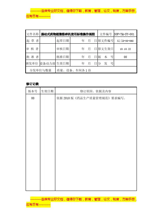
修订记载目的:建立振动式药物超微粉碎机使用标准操作规程,规范该设备的使用操作,指导安全生产并满足产品工艺的需求。
范围:适合于振动式药物超微粉碎机的操作。
职责:设备动力部技术人员编写;设备动力部主管、质量管理部审核;设备部经理批准;车间操作工、维修工、设备人员执行。
内容:1 操作前检查1.1 查看设备日志,了解上次设备运行情况。
1.2 检查冷却水管线是否符合规定,检查设备状态标志。
1.3 检查粉碎机固定卡槽状态,应位于最高点,使固定紧固。
2 操作过程2.1 打开进料口卡箍,将0.5kg的物料装进料盒中,将料盒与磨筒进料口对接,用卡箍固定。
2.2 合上电源开关,打开冷却水,转换“手动/自动转换开关”至自动位置,设定好粉碎时间,按下启动按钮,物料进入磨筒粉碎。
2.3 到设定时间自动停机,逆时针旋转销轴使定位钩头离开定位槽,把料盒翻转至磨筒下方,打开料桶,取出粉碎后的物料,粉碎结束。
3安全注意事项3.1 粉碎机应有防护装置,操作前应将防护门关好,运行时操作者应站在防护门处进行观察,切忌随意打开防护门。
衣服衣袖等应扎紧,戴上口罩和工作帽。
3.2 待粉碎的物料应仔细净选,严禁混有金属物及较大的石块等杂质。
3.3 粉碎毒剧性和刺激性物料时,应注意环境控制以及增强劳动保护措施。
3.4 机器运转时,操作工不得擅自离岗。
3.5 不得随意拆卸、查看机器内部的任何部分,不得将工具放物料或机器上。
3.6 运行声音异常应立刻停车,待设备停稳后再进行检修。
4 认真填写“设备使用日志(SMP·SB-GL-007-01)”。
5 附件(1)试题培训:培训部门:设备动力部培训对象:设备操作人员、维修人员、设备管理员培训时间:1小时。
40BC高效万能粉碎机组
配置说明
一、结构原理及作用:
本机适用于医药、化工、农药、食品及粮食等行业,用途极为广泛。
本机的工作原理是物料进入粉碎室,在高速旋转的活动齿盘与固定齿盘间受齿的冲击、剪切、磨擦及物料间的相互撞击的作用下被粉碎。
经筛网筛选后即成为所需的粉料。
同时也解决物料在粉碎过程中的粉尘飞扬。
本粉碎机组全部采用不锈钢材料制作,具有良好的耐腐蚀性,机架四周全部封闭,便于清洗。
符合药品生产的“GMP”的要求。
二、技术参数:
型号:40B粉碎机
生产能力(kg/h):160~800
粉碎细度(目):80~120
进料粒度(mm):<12
电机功率(kw):11
风机功率(kw):0.75
外形尺寸(mm):
粉碎机;680X600X1602
吸尘器:720X600X2300
整机净重(kg):550
三、设备配置与报价:
四、典型用户:
上海太平洋制药厂贵州益佰制药有限公司云南发隆药业有限公司湖南亚大制药有限公司武汉红桃K药业有限公司湖南泰尔制药有限公司苏州第二制药厂
五、工艺布置图:
(见附图)。
WFJ-15型超微粉碎机说明书江阴市中凯制药机械制造有限公司地址:江苏省江阴市祝塘开发区邮编:214415电话:05 传真:05一.网址:概况WF-15型超微粉碎机组,是本厂引进吸收消化日本细川公司先进产品的优点,更具我国国情设计研制的,该机具有技术性能稳定,噪音低,耗电省,效率高,外观美,使用灵活,占地面积小,适用范围广等特点。
本机对于粉碎干燥非纤维性物料及矿物质,具有较理想效果。
于国内机型相比,制品适度低粒度均匀,特别适用于食糖,塑料粉末,中药材等热敏性材料的粉碎。
本机组有主机,辅机,集管道,电控装置为一组。
辅机内有旋风除尘器与滤袋除尘器合二为一,也可按用户的要求分开制造使用,主机内装有离心分级装置,除可完成粉碎外,还具有分级功能风选式离心剪切,无筛无网,粉状颗粒可任意调节,物料粉碎后,采用负压输送至排料阀出口,达到制品要求,该机组是制药,食品,化工工业粉碎物料的好机械。
一.外型尺寸图:见图一所示。
主要性能及技术参数:二.性能指标:进料颗粒:小于6 毫米制品湿度:小于65 摄氏度制品粒度:80-500 目(可调)生产能力:5-200kg/h (按不同物料及不同程度)技术参数:主要功率:分级功率:分级转速:130-2140转/分(可调)风机功率:主机转速:5200 转/分出料功率:外形尺寸见图一所示进料功率:总重量:1300kg四.主机主要结构及工作原理1.成套设备的工艺流程见图三所示2.粉碎主机的主要结构与工作原理:有机架无级调速电机,主电机进料斗,粉碎室组成。
粉碎室内装有分级装置,衬圈,粉碎刀等主要工作部件,轴承密封为迷宫式,其结构如图三所示。
3. 工作原理:物料由进料斗堆放,螺旋输送器把物料推进粉碎室因负压的作用,进入粉碎室的物料受到粉碎刀的高速冲击和剪切,被高速运转的刀具在100 米/ 秒的线速度下瞬间就达到粉碎效果,同时也受到气流产生的高频振动,经粉碎的分体,受到向上气流的作用,进入分级轮,由于分级轮的旋转,产生了分体A,同时受到空气动力E的离心力F的作用,如图所示它们的大小分别为:E=3n .F=n /6d3-- 粉体密度克/ 立方厘米U 式中的-- 气流经向速度厘米/秒VQ --- 气流切向速度厘米/秒P 气流密度克/立方厘米N -- 气流粘度泊F -- 粉体至向转中心半径厘米D -- 粉体粒径厘米EF -- 力达因当E<F 时,分体大于分级粒径,被甩到锥套,返回粉碎室,继续粉碎,合格的物料受气动作用送入集料管至辅机后排出。
超微粉碎机设计说明书一、项目概述超微粉碎机是一种高效的粉碎设备,能够将各种材料粉碎成微米级别甚至更小的颗粒。
本设计说明书旨在介绍超微粉碎机的设计原理、结构特点和使用方法等方面的内容。
二、设计原理超微粉碎机采用高速旋转的刀片和定子之间的剪切力来实现材料的粉碎。
材料经过进料口进入设备内部,被刀片和定子夹持并剪切,最终形成微米级别甚至更小的颗粒。
三、结构特点1. 设备外观:超微粉碎机采用不锈钢外壳,具有美观、耐腐蚀等特点。
2. 进料系统:设备配有自动进料系统,可根据需要控制进料量。
3. 粉碎系统:设备采用高速旋转的刀片和定子进行剪切,具有高效、均匀等特点。
4. 出料系统:设备出口配有筛网,可根据需要选择不同规格筛网来控制颗粒大小。
四、主要部件介绍1. 刀片:由优质合金钢制成,具有高硬度、耐磨损等特点。
2. 定子:采用不锈钢制成,具有耐腐蚀、抗氧化等特点。
3. 电机:采用高性能电机,具有低噪音、高效率等特点。
4. 控制系统:设备配有智能控制系统,可实现自动化控制和远程监控等功能。
五、使用方法1. 设备安装:将超微粉碎机放置在平稳的地面上,并连接好电源和进料管道等部件。
2. 设备操作:启动设备后,根据需要调节进料量和筛网规格等参数,并保持设备运转平稳。
3. 设备维护:定期对设备进行清洁和维护,保持设备的正常运转状态。
六、注意事项1. 在使用设备前,请先阅读本说明书并按照要求正确操作;2. 禁止将易燃、易爆物质等材料投入设备内部;3. 在清洁和维护设备时,请先切断电源并按照要求正确操作。
七、总结超微粉碎机是一种高效的粉碎设备,具有高效、均匀等特点。
本设计说明书介绍了超微粉碎机的设计原理、结构特点和使用方法等方面的内容,希望能够对用户使用设备时提供一定的参考。
超微粉碎机微粉机使用说明一、产品介绍:超微粉碎机,又称为微粉机,是一种粉碎分级设备,主要用于对各种脆性材料进行超细粉碎。
该设备采用优质合金刀具,具有高效、精细的粉碎效果,广泛应用于化工、冶金、食品、医药等行业。
本使用说明将详细介绍超微粉碎机的使用方法和注意事项,以保证设备的正常使用。
二、使用方法:1.将超微粉碎机放置在坚固的平台上,接通电源。
2.根据粉碎物料的特性,选择相应的刀具进行装配,并将刀具安装到转子上。
3.打开送料斗,并将待粉碎物料均匀地加入到斗口中。
5.通过调节转速控制器,选择合适的转速,以达到所需的粉碎效果。
通常来说,转速越高,粉碎效果越细。
6.在设备运行过程中,可以适时地加入润滑液,以降低设备摩擦和磨损。
7.物料粉碎完成后,关闭设备,并等待设备停止运转后,再打开安全门进行取样。
三、注意事项:1.在使用超微粉碎机前,务必仔细阅读并理解本使用说明。
4.在给料过程中,应将待粉碎物料均匀地分布于转子刀具周围,以免过大或过小的物料导致粉碎不均匀。
5.在加料的过程中,应保持盘中液压的稳定性,避免因流速过小或过大导致设备堵塞或物料飞溅。
6.在启动设备前,应先检查设备周围是否有杂物或障碍物,并确保设备不受干扰。
7.在设备运行时,应定期检查刀具的磨损情况,如有磨损应及时更换。
8.在操作过程中,应保持设备清洁,并随时清理设备内部和外部的粉尘和杂质。
9.在使用润滑液时,应选择合适的润滑剂,并按照规定的用量和方法添加。
10.在清洁设备时,应先切断电源,并使用干净的抹布或刷子清理设备,切勿使用水直接清洗设备。
TC系列流化床超音速气流粉碎分级机使用说明书北京国药龙立科技有限公司中国●北京地址:北京市大兴区生物工程与医药产基地天荣街11号邮编:102600总机:86-10 61253338销售专线;86-10 51922208销售服务专线;86-25 83708025传真:86-10-51922735 86-25-83325302E-mail: gylongli@ tianmu56@安装、使用产品前,请仔细阅读使用说明书 标识说明:有此标记处请特别注意! 需要注意的在说明书中有特别提示有触电危险标志,机器中有此标识处不要随意拆碰!!目录1. 概述————————————————————————————————— 4 1.1 产品特点及执行标准——————————————————————————— 4 1.2 主要用途及适用范围——————————————————————————— 4 1.3 型号规格及代表意义——————————————————————————— 41.4 使用环境条件—————————————————————————————— 42. 技术特性—————————————————————————————-——5 2.1 主要功能———————————————————————————————— 5 2.2 选用功能———————————————————————————————— 5 2.3 主要技术参数—————————————————————————————— 62.4 系统配置图——————————————————————————————— 63. 结构特征和工作原理——————————————————————————7 3.1 结构特征————————————————————————————————73.2 工作原理————————————————————————————————74. 包装、贮运及安装———————————————————————————8 4.1 包装防护及警示说明———————————————————————————8 4.2 开箱及检查———————————————————————————————8 4.3 机器的运输———————————————————————————————84.4 安装及接线———————————————————————————————95. 使用和操作——————————————————————————————10 5.1 空载调试————————————————————————————————10 5.2 投料运行————————————————————————————————11 5.3 清洗——————————————————————————————————13 5.4 操作安全注意事项————————————————————————————135.5 电气保护电路介绍————————————————————————————146. 常见故障分析和排除—————————————————————————157. 维护保养———————————————————————————————168. 控制系统接线图————————————————————————————179. TM-10脉冲控制仪使用说明———————————————————————19今后如有变动,恕不告之1 概述1.1 产品特点及执行标准TC系列流化床超音速气流粉碎分级机是我公司在克服目前超微粉碎设备的不足、充分吸收国外先进技术的基础上,自主开发的新一代超微粉碎分级设备。
符合GMP标准的中药粉碎机标准
中药粉碎主要是借机械力将大块的固体药材粉碎成适宜程度的碎块或细粉的操作过程。
也可借助其它方法将固体药材碎成微粉的程度,如低温粉碎,就是借助待粉碎物料在低温状态下的境性,而进行粉碎的一种方法。
如锤击式粉碎,锤击式粉碎机它利用T形锤高速旋转产生离心力,使物料受到冲击、剪切、磨擦等综合作用得以粉碎。
其粒径可达80-200目,将粉碎后的粉末在孔径上自上而下逐渐减小分级筛上进行分离,在振功作用下。
粉末不断通过筛孔进入到下一级直到被筛孔截留,停留在相应筛上最后不同粒径的混合粉末被截留在不同目数的筛上,得以分离,将粒径与筛径上物料重量差进行绘图,得到物料粒度特性曲线图。
粒度特性曲线可以反映粉碎效果。
衡量粉末的均匀性。
采用风轮式高速旋转刀,定刀进行冲击、剪切研磨\不但粉碎效果好,而且粉碎时机腔内产生了强力的气流,把粉碎室的热量和成品一起从筛网流出,粉碎细度可更换筛网来决定。
连续投料粉碎机利用活动齿盘与固定齿盘间的相对运动,使物料经齿盘冲击、磨擦及物料彼此间冲击而获得粉碎。
粉碎好的物料经旋转离心力的作用,自动进入捕集袋,粉尘由吸尘箱经布袋过滤回收。
中药粉碎机按“GMP”标准设计,全部用不锈钢材料制造,生产过程中无粉尘飞扬。
且能提高物料的利用率,降低企业成本,目前已达到国际先进水平。
超微粉碎机的工作原理超微粉碎机以冲击、碰撞、剪切为其粉碎机理,粉碎效率高,分级粒度范围窄。
物料的粉碎分级在同一系统内完成,具有结构紧凑、占地面积小、产品细度可调、维修方便等特点。
超微粉碎机一般为无筛式粉碎机,粉碎物料粒度由气流速度控制,粉碎粒度要求95%通过0.15mm(100目)。
超微粉碎机可广泛用于中药、西药、农药、生物、化妆品、食品、饲料、化工、陶瓷等多行业。
下面饲料天地小编为大家介绍超微粉碎机原理、操作规程、使用方法、特点、保养维修等知识。
超微粉碎机设计原理超声波发生器和换能器产生高频超声波。
超声波在待处理的物料中引起超声空化效应,由于超声波传播时产生疏密区,而负压可在介质中产生许多空腔,这些空腔随振动的高频压力变化而膨胀、爆炸,真空腔爆炸时产生瞬间压力可达几千乃至上万个大气压。
因此真空腔爆炸时能将物料震碎。
另一方面由于超声波在液体中传播时产生剧烈的扰动作用,使颗粒产生很大的速度,从而相互碰撞或与容器碰撞而击碎液体中的固体颗粒或生物组织。
超声粉碎后颗粒粒度在4um以下,而且粒度分布均匀,但生产能力较低。
超微粉碎机工作原理超微粉碎机是通过粉碎盘的高速旋转,在离心力的作用下,物料经装在粉碎盘上锤头的撞击而粉碎,又被以极高的速度旋飞到周围的齿圈上,锤头与齿圈间的气流因齿面的变化中断而发生瞬时交变。
物料在此间隙中受到交变应力,在此反复作用下被进一步彻底粉碎。
经粉碎了的物料进入粉碎分级室,通过旋转的分级轮,由受到的空气动力和离心力作用平衡进行分级,被分离出的粗料从导流罩的内腔底部再回到粉碎室反复粉碎,从而达到细度的物料(成品)被吸入分级叶轮内,进入粉碎出料室。
粉碎与分离是粉碎机的主要功能,也是影响粉碎效率和能耗的关键因素。
根据国内外对粉碎原理的研究可知,锤头的外形尺寸、锤头与齿圈齿间的间隙、分级效果的好坏等都会对粉碎效率与能耗有显著影响。
超微粉碎机结构原理超微粉碎机由机座,转鼓,粉碎切刀,细粉捕集器,传动系统等部件组成。
球磨机——磨碎、冲击为作用力——粉碎后粒度:20~200微米——适合:可研磨性物料。
滚压机——压缩、剪切为作用力——粉碎后粒度:20~200微米——适合:软性粉体。
冲击式粉碎机——冲击为作用力——粉碎后粒度:4~325微米——适合:大部分医药品。
胶体磨——磨碎为作用力——粉碎后粒度:20~200微米——适合:软性纤维状。
气流粉碎机——撞击、研磨为作用力——粉碎后粒度:1~30微米——适合:中硬度物质。
超微粉碎,是指利用机械或流体动力的方法克服固体内部凝聚力使之破碎,从而将3毫米以上的物料颗粒粉碎至10-25微米的操作技术。
超微细粉末是超微粉碎的最终产品,具有一般颗粒所没有的特殊理化性质,如良好的溶解性、分散性、吸附性、化学反应活性等。
技术特点速度快可低温粉碎超微粉碎技术是采用超音速气流粉碎、冷浆粉碎等方法,与以往的纯机械粉碎方法完全不同。
在粉碎过程中不会产生局部过热现象,甚至可在低温状态下进行粉碎,速度快,瞬间即可完成,因而最大限度地保留粉体的生物活性成分,以利于制成所需的高质量产品。
粒径细且分布均匀由于采用超音速气流粉碎,其在原料上力的分布相当均匀。
分级系统的设置,既严格限制了大颗粒,有避免出现过碎,得到粒径分布均匀的超细粉,同时很大程度上增加了微粉的比表面积,使吸附性、溶解性等亦相应增大。
节省原料提高利用率物体经超微粉碎后,近纳米细粒径的超细粉一般可直接用于制剂生产,而常规粉碎的产物仍需要一些中间环节,才能达到直接用语生产的要求这样很可能造成原料浪费。
因此,该技术尤其适合珍贵稀少原料的粉碎。
粉碎方法磨介式粉碎磨介式粉碎是借助与运动的研磨介质(磨介)所产生的;中击,以及非;中击式的弯折、挤压和剪切等作用力,达到物料颗粒粉碎的过程。
磨介式粉碎过程主要为研磨和摩擦,即挤压和剪切。
其效果取决于磨介的大小、形状、配比、运动方式、物料的填充率、物料的粉碎力学特性等。
磨介式粉碎的典型设备有球磨机、搅拌磨和振动磨3种。
超微粉碎技术分类
超微粉碎技术主要根据原料粒度和成品颗粒的大小、粉碎方法以及粉碎过程中的物料状态进行分类,具体如下:
1. 按粉碎后粒径分类:
- 粗粉碎:原料粒径范围在40~1500mm之间,通常将原料粉碎至5~50mm。
- 中粉碎:原料粒径为10~100mm,目标粒径降至5~10mm。
- 微粉碎(细粉碎):原料粒径为5~10mm,经过处理后粒径小于100μm。
- 超微粉碎(超细粉碎):原料粒径同样可能在5~10mm范围内,但最终产品粒径要达到10μm以下,甚至可以到纳米级别。
2. 按粉碎方式分类:
- 物理法:
- 机械式粉碎:包括但不限于气流式粉碎、高频振动式粉碎、旋转球(棒)磨式粉碎、锤击式粉碎、自磨式粉碎等。
- 流体动力学粉碎:如超音速气流粉碎、冷浆粉碎等,利用高速流动的气体或液体作为动能介质对物料进行撞击破碎。
- 化学法:虽然化学合成法制备超微粉体产量低且成本较高,但在某些特殊场合也会采用,通过化学反应使物料分解成微小颗粒。
3. 按粉碎过程中的物料状态分类:
- 干法粉碎:物料在无水分或其他溶剂存在的情况下进行粉碎。
- 湿法粉碎:物料在含有适量溶剂(通常是水或其他合适的液体)中进行粉碎,例如胶体磨和均质机等设备进行的操作。
综上所述,超微粉碎技术按照不同的标准具有多种分类方式,并且随着科技的进步与发展,新的技术和设备不断涌现,分类会更加细致和完善。
中药超微粉碎机参数
1.粉碎室容量:根据不同的设备型号和应用场景,粉碎室的容量会有所不同。
一般来说,中药超微粉碎机的粉碎室容量在0.5升到5升之间。
2.转速:中药超微粉碎机的转速通常在20,000-60,000转/分钟之间,高转速有助于提高粉碎效率和效果。
3.功率:中药超微粉碎机的功率范围较广,一般在0.5千瓦到10千瓦之间,具体取决于设备的尺寸和性能。
4.材质:中药超微粉碎机的粉碎部件通常采用不锈钢材料制造,以确保设备的卫生性能和耐用性。
5.隔音性能:中药超微粉碎机采用复合(透明)隔声罩,以降低噪音,改善工作环境。
6.安全性:中药超微粉碎机的设计应符合GMP(良好生产规范)标准,确保设备的安全性能。
7.清洗方便性:中药超微粉碎机的粉碎室装拆和清洗应方便快捷,以减少工作负担。
8.粉碎效果:中药超微粉碎机应能够实现细胞破壁和超细粉碎,提高物料的生物利用度和微粉碎效果。
以上参数仅为一般性介绍,具体设备参数可能因不同品牌和型号而有所差异。
在选购中药超微粉碎机时,请根据实际应用需求和性能要求进行选择。
面对技术发展快速的今天,为了快速成为可以走在前面的技术,气流式超细粉碎机技术是20世纪末发展起来的一项高新的加工技术,气流式超细粉碎机打破了粉碎行业的瓶颈,使粉碎行业上升了一个新的台阶。
所谓气流式超细粉碎机,是指通过机械力量或者流体动力的方法将大的颗粒物料粉碎到300目以上的技术,也叫细胞破壁技术。
(气流式超细粉碎机—图例)【QLMB系列气流式超细粉碎机原理】气流式超细粉碎机是利用粉碎刀片高速旋转撞击并由空气气流旋风分离的形式来实现干性物料超细粉碎的设备。
它由投料口、集料罐、粉碎室、高速电机等组成。
物料由投料口进入粉碎室,被高速旋转的刀片(23000r/min)撞击粉碎,刀片的高速旋转也引起了空气气流的流动,从而把粉碎后的物料带到粉碎罐中,气流经滤袋排出,完成粉碎。
(气流式超细粉碎机—图例)【QLMB系列气流粉碎机特点】1.适于干性、脆性物料的超细粉碎,很容易获得数微米的料子2.由于主要靠粉体间自磨粉碎,产品不易污染,纯度高3.没有运转部件,除内衬正常磨损外,其他零部件一般不会损坏4.密闭无粉尘飞扬,环保5.噪声低,无振动,拆洗方便6.能实现大处理量连续生产,自动化程度高7.可以根据不同性质的物料,选择相应的内衬材料(主要在粉碎室四周及进、出料管部分),从而解决硬物料(莫氏硬度不大于9)和粘壁性物料在粉碎中所带来的问题气流式超细粉碎机是一种利用高速气流来实现干式物料超细粉碎的设备,它由气流粉碎机、旋风收集器、除尘器、引风机、电控柜等组成。
其特点是回收率高,并由于用压缩空气一吹,机内就干净,特别适用于频繁更换粉体品种的实验室,用于粉粹高硬度。
【QLMB系列气流粉碎机参数】型号QLMB—1.7QLMB—3QLMB—6QLMB—10QLMB—15QLMB—20QLMB—30QLMB—40空气压力(Kgf/cm2)6.5—12用气量(m3/min) 1.7 3.0 6.010.015.020.03041.4需要动力(KW/hr)1137457990132210270处理量(Kg/hr)0.5—202.0—5010—10020—20050—300100—500300—800600—1200(气流式超细粉碎机—参数图例,仅供参考)【QLMB系列气流粉碎机应用范围】气流式超微机可广泛用于中药、西药、农药、生物、化妆品、食品、饲料、化工、陶瓷等多行业干性物料的超细粉碎求。