M1卡使用说明书
- 格式:doc
- 大小:85.50 KB
- 文档页数:5
●LT-5000-PW密码锁
韩式风格设计,外观精致大方,时尚典雅,采用先进的微波检查技术,即时卡片放在黑色钱包里也能读取,并杜绝红外检测易受外界光线影响的问题,读写卡距离远可达20~50mm。
●功能操作
密码、M1卡设置
1 / 3
●密码权限
●开门方式
●常开设置与取消
常开设置:密码或刷卡开门成功,不压把手,直接按斜舌6秒后,蜂鸣器“嘀~”长鸣,蓝指示灯亮,设置成功。
常开取消:输入密码或刷卡开门成功,就会取消常开设置。
●注意事项
2 / 3
①提示音/指示灯说明:每次操作成功时,蜂鸣器“嘀~”长鸣,蓝色指示灯闪烁一次;操作失败时,蜂
鸣器短鸣“嘀嘀”,红色指示灯闪烁一次后退出。
②用户编号:管理密码编号为00,用户密码编号01-99,M1卡编号00-99,编号具有独立性,不可
重复。
③密码构成:由6-12位数字组成,用户可以任意设置。
④常见设置:一般是按*键启动键盘,也可按*键快速退出,按#键确认,操作过程中~10s
内未作出任何动作,系统自动退出,返回休眠状态。
⑤误操作:连续输入三次密码错误,系统自动锁住15分钟内不可操作,
⑥初始说明:
⑴管理员密码初始为:123456。
⑵软件初始:删除所有开门密码和M1卡信息,管理员密码保留
⑶硬件初始:清空锁内所有信息后按“*”字键输入6—12位数字再按井字键即可为管理密码。
技术参数
3 / 3。
Mifare卡门禁读卡器产品介绍修订历史目录1.产品概述 (1)1.1性能指标 (1)1.2实物照片 (2)1.3选型指南 (3)2.使用方法 (4)2.1读卡器端口说明 (4)2.2使用方法 (4)2.3安装注意事项 (5)2.4常见故障分析 (5)3.定制开发 (7)4.技术支持 (8)5.联系方式 (9)5.1联系方式 (9)1.产品概述1.1性能指标●【产品型号】:R5-M1/R6- M1/R6K- M1●【支持卡片】:Mifare S50/S70卡的扇区加密数据读取;●【处理芯片】:专业读卡芯片,速度更快更稳定;●【输出格式】:韦根(Wiegand)输出;●【韦根位数】:标准韦根18~130可配置;●【读卡距离】:0~7cm;●【通信距离】:读卡器到控制器通信距离大可达100米(RVVP 8*0.3);●【读卡时间】:<200ms;●【LED指示】:红、绿双色条形状态指示灯;●【外壳顔色】:黑色;●【外壳体积】:86×45×15mm /86×86×15mm●【工作电源】:9~18V●【工作电流】:<100mA(普通)●【工作温度】:-20~85℃1.2实物照片1.3选型指南2.使用方法2.1读卡器端口说明R5-M1 /R6- M1 /R6K- M1门禁读卡器端口说明如1所示:表1门禁读卡器接口说明2.2使用方法1.读卡器上电读卡器上电时蜂鸣器会短鸣一声,表示门禁读卡器系统可正常启用运行。
2.工作模式有效用户CPU卡刷卡时,门禁读卡器蜂鸣器会短鸣一声,绿色LED灯会闪烁一下(可设置开门状态),同时通过韦根方式上传所读的数据。
无效CPU卡刷卡时(未经初始化或密钥不正确),读卡器可自动识别为非法卡,蜂鸣器和LED 灯均不会做出任何反应。
3.蜂鸣器、指示灯受控指示蜂鸣器和指示灯受门禁控制器控制,当对以上信号线输入低电平时蜂鸣器会鸣叫及指示灯会亮绿色。
M1卡分析设备安装使用说明软件安装:1、将光盘放入光驱内,打开光盘的“系统补丁”文件夹,安装其中的所有文件。
2、打开“读卡器驱动”文件夹,对于使用64位Windows用户,请运行“64位驱动”文件夹下面的setup.exe,对于使用32位Windows用户,请运行“32位驱动”文件夹下面的setup.exe。
注:请仔细核对您的操作系统类型,安装与您操作系统类型不相符的软件将严重导致您的电脑损坏!3、运行“M1卡软件.exe”将软件安装到D盘。
注:因某些杀毒软件误杀情况严重,如显示发现木马安全问题,请自己添加信任!软件操作说明:分析软件操作流程:1、把原卡放在读卡器上,插好加密狗和读卡器2、运行D:\M1\M1密钥分析器.exe3、选择保存路径——点读取全部信息4、点击——读卡,等待分析过程结束一般处理:1、读卡器红灯常亮,放卡没反应。
——重新拔插读卡器。
2、软件提示未检测到加密狗。
——将加密狗插入本机USB口内。
3、注:如果是重复使用同一张卡在测试的情况下,必须去删除安装目录下的keys 文件夹内的所有文件。
复制克隆工具操作流程:1、把目标卡放在读卡器上,插好加密狗和读卡器2、运行D:\M1\M1复制克隆工具.exe3、点击——初始化——连接设备4、点击——导入数据,选择需要复制的原卡数据5、点击——数据复制或克隆卡片名词解释:原卡——指需要复制的卡,也就是客户拿来的卡目标卡——指用于复制的空白卡,可以是普通卡(用于数据复制),也可以是UID卡(用于卡片克隆)卡片还原操作流程:1、把目标卡放在读卡器上,插好加密狗和读卡器2、点击——初始化——连接设备3、点击——导入数据,选择需要卡片还原的原卡数据(如果没有保存的数据可以利用需要还原的卡去分析出来以后操作)4、点击——卡片还原功能。
注:卡片还原:此功能仅对普通IC卡有效,请勿对可改写UID的特种卡使用本功能!此功能用于将已经写入数据的卡中数据清空,并将所有扇区密码改成12个F。
通用M 1读写器 H &P -M 1-802(803)(一)概述H &P 系列通用M 1读写器是专为电脑配套使用的M 1卡读写设备。
采用P h i l i p s 公司的M i f a r e 系列模块和高效微处理器设计而成,可读写M i f a r e 标准的13.56M H z 射频I C 卡。
提供标准P S 2和R S 232输出接口。
具有读写安全,键盘口电源供电,工作电流小,低价位高性能等特点。
适用于俱乐部,网吧,图书馆,会员等各种射频应用领域。
(二)外观(三)性能特点①完全支持M i f a r e 标准的13.56M H z 射频I C 卡。
②有效距离2.5c m 以上。
③两个L E D 指示灯:电源灯和读卡灯。
④一个固定蜂鸣器。
⑤键盘取电(5V D C ),无须外置电源,工作电流小于80m A 。
⑥P S 2和R S 232标准格式输出。
⑦提供D I P 开关,用于设置卡号输出协议和格式。
⑧通讯波特率:19200b p s 。
⑨外形尺寸140m m X 100m m X 30m m 。
⑩工作温度0~70℃。
(四)接口描述将键盘接到读写器的P S 2插座上,将读写器的P S 2插头接到P C 的键盘插座上,并且用串行电缆线将P C 的标准串口与读写器的R J 11口联接起来。
打开读写器机壳,在主板上有个D I P 开关用于设置卡号输出协议和格式。
O N 表示1,O F F 表示0。
(五)使用说明(1)P S2/R S232读写器上电复位后,输出协议为P S2,即每次刷卡都从键盘口输出卡号,就如同在键盘上按下相应卡号一样。
当R S232接口上有通讯产生时,此时P S2协议停止,而转为R S232方式,支持H&P发卡机协议(一种在H&P系列产品中广泛使用的内部协议,R S232被动方式)。
如果用于第三方开发,必须通过函数调用形式实现对M1卡片的读写。
科技成就梦想 火眼科技S50非接触式IC卡性能简介(M1)一、 主要指标容量为8K位EEPROM分为16个扇区,每个扇区为4块,每块16个字节,以块为存取单位每个扇区有独立的一组密码及访问控制每张卡有唯一序列号,为32位具有防冲突机制,支持多卡操作无电源,自带天线,内含加密控制逻辑和通讯逻辑电路数据保存期为10年,可改写10万次,读无限次工作温度:-20℃~50℃(湿度为90%)工作频率:13.56MHZ通信速率:106 KBPS读写距离:10 cm以内(与读写器有关)二、 存储结构1、M1卡分为16个扇区,每个扇区由4块(块0、块1、块2、块3)组成,(我们也将16个扇区的64个块按绝对地址编号为0~63,存贮结构如下图所示:块0 数据块0扇区0 块1 数据块 1块2 数据块 2块3 密码A 存取控制密码B 控制块 3块0 数据块 4扇区1 块1 数据块 5块2 数据块 6块3 密码A 存取控制密码B 控制块7∶∶∶0 数据块60扇区15 1 数据块612 数据块623 密码A 存取控制密码B控制块632、第0扇区的块0(即绝对地址0块),它用于存放厂商代码,已经固化,不可更改。
3、每个扇区的块0、块1、块2为数据块,可用于存贮数据。
数据块可作两种应用:★ 用作一般的数据保存,可以进行读、写操作。
★ 用作数据值,可以进行初始化值、加值、减值、读值操作。
4、每个扇区的块3为控制块,包括了密码A、存取控制、密码B。
具体结构如下:密码A(6字节)存取控制(4字节)密码B(6字节)5、每个扇区的密码和存取控制都是独立的,可以根据实际需要设定各自的密码及存取控制。
存取控制为4个字节,共32位,扇区中的每个块(包括数据块和控制块)的存取条件是由密码和存取控制共同决定的,在存取控制中每个块都有相应的三个控制位,定义如下:块0: C10 C20 C30块1: C11 C21 C31块2: C12 C22 C32块3: C13 C23 C33三个控制位以正和反两种形式存在于存取控制字节中,决定了该块的访问权限(如进行减值操作必须验证KEY A,进行加值操作必须验证KEY B,等等)。
17WA系列产品说明书一.功能17WA系列读写卡器是一种使用WIFI与计算机进行通讯的读写卡器,计算机可以通17WA读写MIFARE卡。
应用层的协议是使用TCP或UDP进行通信。
读卡器检测到刷卡后可以主动向计算机发送卡号,计算机无需轮询检测,计算机在接收到卡号后可以对卡片进行读、写、加减值等操作。
读卡器也可以不主动上传卡号而由计算机发送寻卡命令后再上传是否有卡的返回命令。
注意:1.如果读卡器在主动工作方式,当计算机发送寻卡命令后,读卡器就自动转入被动上传卡号状态,不再主动上传卡号,读卡器重新上电或接收恢复主动命令后,会自动恢复到刷卡主动上传卡号状态2.读卡器出厂设置中的300毫秒自动关卡功能:刷卡后读卡器主动上传卡号命令到计算机,计算机接收到上传的卡号命令后,需要在300毫秒内向读卡器发送一条命令,也就是说,读卡器在主动读到卡,直到关卡前,如果有300毫秒没有接收到计算机发来的命令,读卡器会主动关闭卡片,这时计算机再发命令来,也操作不了卡片了,这点必须注意。
3计算机向读卡器发送寻卡命令后,读卡器就会工作在被动上传卡号的状态,不主动读卡,不再主动上传卡号,且不会自动关卡,计算机发寻卡命令时寻到卡后,在对这张卡读写操作完成后,计算机需要发送关卡命令关闭这张卡,才能对其它卡的读写。
4.读卡器处在主动上传卡号的状态,要慎用把读卡器设置为300毫秒不自动关卡,因为设置成这样时,每次上传卡号后,在计算机操作读写完成后,都需要计算机发送一条关卡命令,如果刷卡上传的卡号后计算机读写完成没有发送关卡命令,读卡器不会主动读取其它靠近的卡片,这样会导致后边的人无法刷卡。
如果一定要用主动上传卡号模式且300毫秒不主动关卡,建议计算机定时发送关卡命令,防止卡号丢失的情况导致后边的人无法刷卡。
二.技术参数●工作电源:+5V DC●额定电流:<250mA●输出:LED发光管、蜂鸣器、汉字液晶屏●读卡器接口:WIFI接口●工作环境:温度-20℃~55℃,湿度0~90% 。
M1卡说明及使用proxmark3破解方法(转)看了网上写的一些关于M1卡的文章,多数有些误导之嫌。
首先谈谈M1卡的规格,M1卡的容量为1KB,好多网上写8KB,这里其实是有个误区,应该是8K位。
1Byte=1B=8位。
其实也就是说8k位想到于1KB的容量,也就是说一个4GB的U盘的存储空间约等于四百万张m1卡的空间。
虽然空间比较小,但是里面其实学问很大,我们来看一下M1卡的内部结构。
M1卡分为16个数据存储区,通常我们称为“扇区”,编号是“0”到“15”。
每个扇区又分为4个存储单元,我们称为“块”,在M1卡中数据存储的最小单位就是“块”。
每一块有16字节(16B),用来存放数据。
就像下图所示:其中每个data为一个“块”。
这样我们可以计算一下:16b* 4(块)*16(扇区)=1024B 就是1K。
第0扇区的块0(即绝对地址0块),它用于存放厂商代码,已经固化,不可更改。
在全扇区加密时,通常用前三个“块”(0,1,2号块)存放数据,用最后一个”块“(3号块)存放密码。
其中密码分为A密码和B密码:前6个字节存放A密码,中间4字节为控制字段,后6字节存放B密码。
例如:A0 A1 A2 A3 A4 A5 FF 07 80 69 B0 B1 B2 B3 B4 B5注意这里每个扇区的密码都是独立的,也就是说可以为16个扇区设置16个不同的密码,当然也可以使用相同的密码,但是这样会大大降低破解的难度。
例如上图中的该扇区A密码为空:000000000000,B密码为:FFFFFFFFFFFF。
对于控制位这里有点门路,我找了很多网上的文章,其中发现这篇讲解得最好:但是注意其中的字节7是C1Y,而不要把字节6、7、8一次当成了C1Y C2Y C2Y。
注意到这一点对于理解就没什么难度了。
每个M1卡都有一个唯一的序列号,我们称为“UID”,是32位的,也就是4个字节。
M1卡是典型的高频卡,工作频率为13.56MHz,一般调频(FM)收音机接收的广播频率在87MHz到108MHz之间。
Mifare 1非接触IC卡技术说明1 特性1.1 MIFARE RF 接口(ISO/IEC 14443 A)∙非接触数据传输并提供能源(不需电池)∙工作距离:可达100mm (取决于天线尺寸结构)∙工作频率:13.56 MHz∙ 快速数据传输:106 kbit/s∙高度数据完整性保护:16 Bit CRC,奇偶校验,位编码,位计数∙真正的防冲突∙典型票务交易:< 100 ms (包括备份管理)1.2 EEPROM∙ 1 Kbyte,分为16个区,每区4个块,每块16字节。
∙用户可定义内存块的读写条件∙数据耐久性10年∙写入耐久性100.000次1.3 安全性∙相互三轮认证(ISO/IEC DIS9798-2)∙带重现攻击保护的射频通道数据加密∙每区(每应用)两个密钥,支持密钥分级的多应用场合∙每卡一个唯一序列号∙在运输过程中以传输密钥保护对EEPROM的访问权2 概述MIFARE MF1是符合ISO/IEC 14443A的非接触智能卡。
其通讯层(MIFARE RF 接口)符合ISO/IEC 14443A标准的第2和第3部分。
其安全层支持域检验的CRYPTO1数据流加密。
2.1 非接触能源和数据传递在MIFARE卡中,芯片连接到一个几匝的天线线圈上,并嵌入塑料中,形成了一个无源的非接触卡。
不需要电池。
当卡接近读写器天线时,高速的RF通讯接口将以106 kBit/s 的速率传输数据。
卡4匝线圈读卡器嵌入的芯片模块天线能量数据2.2 防冲突智能的防冲突功能可以同时操作读写范围内的多张卡。
防冲突算法逐一选定每张卡,保证与选定的卡执行交易,不会导致与读写范围内其他卡的数据冲突。
2.3 用户便捷性MIFARE 是针对用户便捷性优化的。
例如,高速数据传输使得完整的票务交易在不到100 ms 内处理完毕。
因此用户不必在读写器天线处停留,形成高的通过率,减少了公共汽车的登车时间。
在交易时,MIFARE 卡可以留在钱包里,甚至钱包里有硬币也不受影响。
ZKLOCK触摸密码+m1卡片门锁功能说明系统操作:(1.1) 按住RST键6秒,系统初始化,管理密码为“0000”,无管理卡,开锁模式恢复为模式0,各种门锁属性恢复到禁止状态。
(1.2) <读入管理卡>或<输入管理密码#>称为<输入管理键>,此时系统提示“嘀嗒”一声。
(1.3) 进入管理状态:按/“*0#”/“*7#”/“*8#”/“*9#”/<输入管理键>,听到“嘀嗒” 一声提示进入添加状态。
2. 管理密码与管理卡:(2.1) 修改管理密码:“*7#”<输入管理键>,新管理密码(4-8位),按“#”键;再次输入该新密码,按“#” 键。
将新管理密码替代旧管理密码。
(2.2) 添加/更换管理卡片:“*7#”<输入管理键>,靠卡即将替代旧管理卡。
修改结束后自动退出“管理密码与管理卡修改”功能。
3.增加开门卡片、密码:(3.1) 增加密码:“*8#”<输入管理密码>,按#号结束,听到“嘀嗒”声后,输入开门密码,按#号键结束,听到“嘀嗒”一声后,再次输入该密码,按#号键结束,听到“嘀嗒、嘀嗒” 2声,表示密码添加成功,可以连续添加多组密码(最大200组)(3.2) 增加卡片:“*8#”<输入管理键>,靠卡1,听到“嘀嗒、嘀嗒”2声,表示卡片添加成功可以连续添加多张卡片(最大700组)4.修改开门密码:(4.1) 修改开门密码:“*8#”输入<当前开门密码#>,输入新开门密码#;修改结束后自动退出“修改开门密码”功能。
注意:*修改开门密码后,新的开门密码成为当前开门密码,并继承原始开门密码的全部属性。
*删除开门密码时必须是删除原始开门密码,而不是修改后的开门密码。
5.删除开门卡片、密码。
(可以连续删除也可以删除不同类型钥匙) (5.1)删除密码:“*9#”<输入管理键>按#号键结束,<原始开门密码1> #,“嘀...”一声密码删除成功。
Mifare 1非接触IC卡技术说明1 特性1.1 MIFARE RF 接口 (ISO/IEC 14443 A)•非接触数据传输并提供能源(不需电池)•工作距离:可达100mm (取决于天线尺寸结构)•工作频率:13.56 MHz•快速数据传输:106 kbit/s•高度数据完整性保护:16 Bit CRC,奇偶校验,位编码,位计数•真正的防冲突•典型票务交易: < 100 ms (包括备份管理)1.2 EEPROM• 1 Kbyte,分为16个区,每区4个块,每块16字节。
•用户可定义内存块的读写条件•数据耐久性10年•写入耐久性100.000次1.3 安全性•相互三轮认证(ISO/IEC DIS9798-2)•带重现攻击保护的射频通道数据加密•每区(每应用)两个密钥,支持密钥分级的多应用场合•每卡一个唯一序列号•在运输过程中以传输密钥保护对EEPROM的访问权2 概述MIFARE MF1是符合ISO/IEC 14443A的非接触智能卡。
其通讯层(MIFARE RF 接口)符合ISO/IEC 14443A标准的第2和第3部分。
其安全层支持域检验的CRYPTO1数据流加密。
2.1 非接触能源和数据传递在MIFARE卡中,芯片连接到一个几匝的天线线圈上,并嵌入塑料中,形成了一个无源的非接触卡。
不需要电池。
当卡接近读写器天线时,高速的RF通讯接口将以106 kBit/s 的速率传输数据。
卡4匝线圈读卡器嵌入的芯片模块天线能量数据2.2 防冲突智能的防冲突功能可以同时操作读写范围内的多张卡。
防冲突算法逐一选定每张卡,保证与选定的卡执行交易,不会导致与读写范围内其他卡的数据冲突。
2.3 用户便捷性MIFARE 是针对用户便捷性优化的。
例如,高速数据传输使得完整的票务交易在不到100 ms 内处理完毕。
因此用户不必在读写器天线处停留,形成高的通过率,减少了公共汽车的登车时间。
在交易时,MIFARE 卡可以留在钱包里,甚至钱包里有硬币也不受影响。
M1卡应用总结前不久发了<<最近设计的M1读卡器(LPC11U14)>>/thread- 298692-1-1.html,一直没有时间对卡片操作进行说明。
通过一段时间的努力,对M1卡的操作有了一定的认识,下面总结一下M1卡操作及注意事项。
M1卡是一种非接触卡,应用非常广泛。
其主要特点如下:1.1 MIFARE RF 接口 (ISO/IEC 14443 A)? 非接触数据传输并提供能源(不需电池)? 工作距离:可达100mm (取决于天线尺寸结构)? 工作频率:13.56 MHz? ?快速数据传输:106 kbit/s? 高度数据完整性保护:16 Bit CRC,奇偶校验,位编码,位计数? 真正的防冲突? 典型票务交易: < 100 ms (包括备份管理)1.2 EEPROM? 1 Kbyte,分为16个区,每区4个块,每块16字节。
? 用户可定义内存块的读写条件? 数据耐久性10年? 写入耐久性100.000次?1.3 安全性? 相互三轮认证(ISO/IEC DIS9798-2)? 带重现攻击保护的射频通道数据加密? 每区(每应用)两个密钥,支持密钥分级的多应用场合? 每卡一个唯一序列号? 在运输过程中以传输密钥保护对EEPROM的访问权?卡片工作原理卡片内部框图卡片操作各种非接触卡对于M1卡的操作,支持的芯片有很多,如NXP公司的RC500,RC530,RC531,RC522以及复旦微电子的FM1702等等。
不过比较常用的应该是RC500,这款芯片资料比较多,应用广泛,但只支持并口操作。
RC530和RC500差不多,多了SPI 接口,而RC531又多了对B卡的支持,其他和RC530差不多。
这几款芯片的价格都比较贵,我们可以直接用复旦微电子的芯片替换,价格会便宜些。
如果不需要支持B卡,为了降低成本完全可以使用RC522,此款芯片是NXP为了降低开发和芯片成本而从新设计的一款非接触卡操作芯片。
科技成就梦想 火眼科技S50非接触式IC 卡性能简介(M1)一、 主要指标容量为8K 位EEPROM分为16个扇区,每个扇区为4块,每块16个字节,以块为存取单位 每个扇区有独立的一组密码及访问控制 每张卡有唯一序列号,为32位 具有防冲突机制,支持多卡操作无电源,自带天线,内含加密控制逻辑和通讯逻辑电路 数据保存期为10年,可改写10万次,读无限次 工作温度:-20℃~50℃(湿度为90%) 工作频率:13.56MHZ 通信速率:106 KBPS读写距离:10 cm 以内(与读写器有关)二、 存储结构1、M1卡分为16个扇区,每个扇区由4块(块0、块1、块2、块3)组成,(我们也将16个扇区的64个块按绝对地址编号为0~63,存贮结构如下图所示:块0 数据块 0 扇区0 块1数据块 1 块2数据块 2 块3 密码A 存取控制 密码B 控制块 3 块0 数据块 4 扇区1 块1 数据块 5 块2数据块 6 块3 密码A 存取控制 密码B 控制块 7∶ ∶ ∶0 数据块 60 扇区15 1数据块 61 2数据块 623密码A 存取控制 密码B控制块632、第0扇区的块0(即绝对地址0块),它用于存放厂商代码,已经固化,不可更改。
3、每个扇区的块0、块1、块2为数据块,可用于存贮数据。
Edited by Foxit ReaderCopyright(C) by Foxit Software Company,2005-2008For Evaluation Only.数据块可作两种应用:★ 用作一般的数据保存,可以进行读、写操作。
★ 用作数据值,可以进行初始化值、加值、减值、读值操作。
4、每个扇区的块3为控制块,包括了密码A、存取控制、密码B。
具体结构如下:密码A(6字节)存取控制(4字节)密码B(6字节)5、每个扇区的密码和存取控制都是独立的,可以根据实际需要设定各自的密码及存取控制。
存取控制为4个字节,共32位,扇区中的每个块(包括数据块和控制块)的存取条件是由密码和存取控制共同决定的,在存取控制中每个块都有相应的三个控制位,定义如下:块0: C10 C20 C30块1: C11 C21 C31块2: C12 C22 C32块3: C13 C23 C33三个控制位以正和反两种形式存在于存取控制字节中,决定了该块的访问权限(如进行减值操作必须验证KEY A,进行加值操作必须验证KEY B,等等)。
科技成就梦想 火眼科技S50非接触式IC卡性能简介(M1)一、 主要指标容量为8K位EEPROM分为16个扇区,每个扇区为4块,每块16个字节,以块为存取单位每个扇区有独立的一组密码及访问控制每张卡有唯一序列号,为32位具有防冲突机制,支持多卡操作无电源,自带天线,内含加密控制逻辑和通讯逻辑电路数据保存期为10年,可改写10万次,读无限次工作温度:-20℃~50℃(湿度为90%)工作频率:13.56MHZ通信速率:106 KBPS读写距离:10 cm以内(与读写器有关)二、 存储结构1、M1卡分为16个扇区,每个扇区由4块(块0、块1、块2、块3)组成,(我们也将16个扇区的64个块按绝对地址编号为0~63,存贮结构如下图所示:块0 数据块0扇区0 块1 数据块 1块2 数据块 2块3 密码A 存取控制密码B 控制块 3块0 数据块 4扇区1 块1 数据块 5块2 数据块 6块3 密码A 存取控制密码B 控制块7∶∶∶0 数据块60扇区15 1 数据块612 数据块623 密码A 存取控制密码B控制块632、第0扇区的块0(即绝对地址0块),它用于存放厂商代码,已经固化,不可更改。
3、每个扇区的块0、块1、块2为数据块,可用于存贮数据。
数据块可作两种应用:★ 用作一般的数据保存,可以进行读、写操作。
★ 用作数据值,可以进行初始化值、加值、减值、读值操作。
4、每个扇区的块3为控制块,包括了密码A、存取控制、密码B。
具体结构如下:密码A(6字节)存取控制(4字节)密码B(6字节)5、每个扇区的密码和存取控制都是独立的,可以根据实际需要设定各自的密码及存取控制。
存取控制为4个字节,共32位,扇区中的每个块(包括数据块和控制块)的存取条件是由密码和存取控制共同决定的,在存取控制中每个块都有相应的三个控制位,定义如下:块0: C10 C20 C30块1: C11 C21 C31块2: C12 C22 C32块3: C13 C23 C33三个控制位以正和反两种形式存在于存取控制字节中,决定了该块的访问权限(如进行减值操作必须验证KEY A,进行加值操作必须验证KEY B,等等)。
LT-5000-PW密码锁韩式风格设计,外观精致大方,时尚典雅,采用先进的微波检查技术,即时卡片放在黑色钱包里也能读取,并杜绝红外检测易受外界光线影响的问题,读写卡距离远可达20~50mm。
功能操作密码、M1卡设置目的步骤现象(操作成功时)设置管理密码⑴进入编程:按“*#”输入出厂初使管理员密码“123456”再按“#”键盘灯亮,数码管显示“00”⑵按键“8#”蜂鸣器“嘀~”⑶输入新管理密码(6~12位任意数字),再按“#”蜂鸣器“嘀~”⑷再输入新管理密码,按“#”蜂鸣器“嘀~”长鸣。
增加用户密码⑴进入编程:按“*#”输入管理员密码,按“#”键盘灯亮,数码管显示“00”⑵按键“7#”蜂鸣器“嘀~”⑶输入新的编号(一组密码对应一个编号,按顺序编排不可重复,01~99两位数字),再按“#”数码管显示“当前设置的编号”,蜂鸣器“嘀~”⑷输入新用户密码(6~12位数任意组合),按“#”键蜂鸣器“嘀~”⑸再次输入密码,“#”确认蓝灯亮,蜂鸣器“嘀~”长鸣。
(6)如需再添加密码按“7#”→输入新编号→输入新密码→再次输入密码→按“#”确认删除用户密码⑴进入编程:按“*#”输入管理员密码,按“#”键盘灯亮,数码管显示“00”⑵按键“5#”蜂鸣器“嘀~”⑶输入用户编号(要删除密码的对应编号),按“#”蜂鸣器“嘀~”⑷再输入用户编号,按“#”确认删除蓝灯亮,蜂鸣器“嘀~”长鸣。
⑸如需继续删除密码按“5#”→输入编号→再输编号→按“#”确认删除增加M1卡⑴进入编程:按“*#”输入管理员密码,按“#”键盘灯亮,数码管显示“00”⑵按键“6#”蜂鸣器“嘀~”⑶输入用户编号(一张卡对应一个编码,按顺序编排不可重复00~99两位数字),按“#”数码管显示“当前设置的编号”,蜂鸣器“嘀~”⑷M1卡放入感应区数码管显示“00”,蓝灯亮蜂鸣器“嘀~”长鸣删除M1卡⑴进入编程: 按“*#”输入管理员密码,按“#”键盘灯亮,数码管显示“00”⑵按键“4#”蜂鸣器“嘀~”⑶输入用户编号(要删除卡片的对应编号),按“#”蜂鸣器“嘀~”⑷再输入用户编号,按“#”确认删除蓝灯亮,蜂鸣器“嘀~”长鸣。
M1 芯片卡初始化设置注意:由于芯片卡具有写入内容,读取信息,加密等技术处理,需要系统开发对应的读写器,才能正常使用。
收到比较多的客户反馈时常读卡不正常,读写不成功,建议买大牌正品免驱动读写器,以免数据丢失或是使用不畅顺。
用户要自己购买的读写器,请与业务员沟通,产品质量与使用效果自负。
所有刚制作完成空白的新卡,必须进行一次加密初始化,保证写入的信息得到合法保护。
也是首次初始化设置即可,使用过种中不要随便进行二次设置。
如果是以前用过的卡,旧卡,在这里读写可能由于密码不对应,将会有读写不正常现象。
1.接上M1读写器,如果要安装驱动的,先将驱动安装上。
(我司配置的都是免驱动的USB接口,即插即用)。
2.在操作界面找到系统管理—系统设置—硬件设置,将M1卡标识项里面的更改密码打上勾。
输入自己店对自己派的卡进行加密处理。
留意后面设置密码的要求。
设置完成后点保存M1密码设置进行保存。
点保存M1密码设置,弹出窗口验证管理员密码,输入你登陆软件的管理密码。
按提示的窗口,默认点是保存,最后再点确定退出以上修改的密码是会对卡加密写入,务必记下另存,以备下次重装系统或修改所用。
一旦密码找不到,重新设置的软件将无法读取卡内容。
3.上面导航栏目找到系统管理—M1卡操作—初始化M1卡打开初始化窗口4. 点击设置读卡器到初始化发卡状态将读卡器调成初始化的状态,就可以对新卡进行初始加密写入。
然后将卡放于读卡器上面,点初始化M1卡听到嘀一声响,并在左边显示出来卡片的序列号,还有电脑右下角也会弹出显示实始化完成。
4.在读卡器为初始化状态下,可以连续多张操作,先将所有会员卡进行实始化,以备开卡时可以即时使用。
5.当批量初始化卡操作完成后,务必将读卡器设置回营业状态,才可以正常读卡。
6.点标签栏卡片管理再点一下设置读卡器到正常营业读卡状态按钮,点关闭退出7.新卡授权完成后,当有新会员需要加入,就可以拿授权过的卡进行开卡给会员。
所有新会员开卡必须通过售新卡来完成。
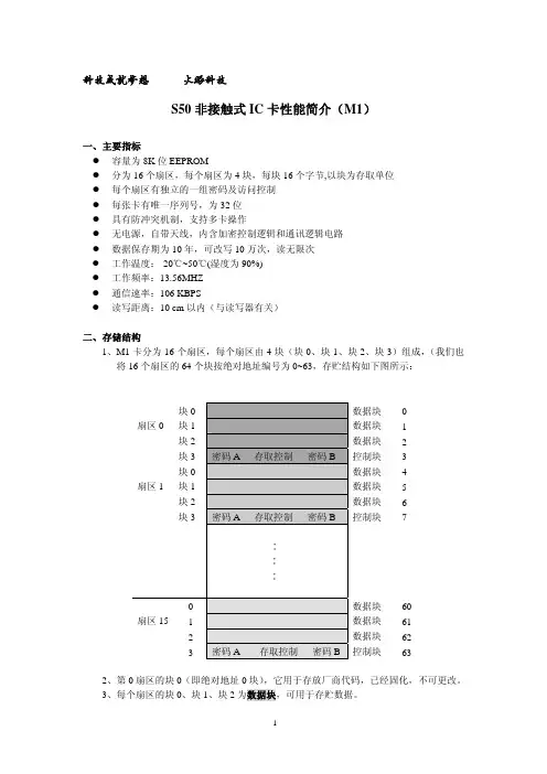
S50非接触式IC卡性能简介(M1)
一、主要指标
●容量为8K位EEPROM
●分为16个扇区,每个扇区为4块,每块16个字节,以块为存取单位
●每个扇区有独立的一组密码及访问控制
●每张卡有唯一序列号,为32位
●具有防冲突机制,支持多卡操作
●无电源,自带天线,内含加密控制逻辑和通讯逻辑电路
●数据保存期为10年,可改写10万次,读无限次
●工作温度:-20℃~50℃(湿度为90%)
●工作频率:13.56MHZ
●通信速率:106 KBPS
●读写距离:10 cm以内(与读写器有关)
二、存储结构
1、M1卡分为16个扇区,每个扇区由4块(块0、块1、块
2、块3)组成,(我们也
将16个扇区的64个块按绝对地址编号为0~63,存贮结构如下图所示:
数据块0
数据块 1
数据块 2
控制块 3
数据块 4
数据块 5
数据块 6
控制块7
数据块60
数据块61
数据块62
控制块63
2、第0扇区的块0(即绝对地址0块),它用于存放厂商代码,已经固化,不可更改。
3、每个扇区的块0、块1、块2为数据块,可用于存贮数据。
数据块可作两种应用:
★用作一般的数据保存,可以进行读、写操作。
★用作数据值,可以进行初始化值、加值、减值、读值操作。
4、每个扇区的块3为控制块,包括了密码A、存取控制、密码B。
具体结构如下:
密码A(6字节)存取控制(4字节)密码B(6字节)
5、每个扇区的密码和存取控制都是独立的,可以根据实际需要设定各自的密码及存取
控制。
存取控制为4个字节,共32位,扇区中的每个块(包括数据块和控制块)的存取条件是由密码和存取控制共同决定的,在存取控制中每个块都有相应的三个控制位,定义如下:
块0:C10 C20 C30
块1:C11 C21 C31
块2:C12 C22 C32
块3:C13 C23 C33
三个控制位以正和反两种形式存在于存取控制字节中,决定了该块的访问权限(如进行减值操作必须验证KEY A,进行加值操作必须验证KEY B,等等)。
三个控制位在存取控制字节中的位置,以块0为例:
对块0的控制:
字节7
字节8
字节9
( 注:C10_b表示C10取反)
存取控制(4字节,其中字节9为备用字节)结构如下所示:
字节6
字节7
字节8
字节9
( 注:_b表示取反)
6、数据块(块0、块1、块2)的存取控制如下:
例如:当块0的存取控制位C10 C20 C30=1 0 0时,验证密码A或密码B正确后可读;
验证密码B正确后可写;不能进行加值、减值操作。
7、控制块块3的存取控制与数据块(块0、1、2)不同,它的存取控制如下:
例如:当块3的存取控制位C13 C23 C33=1 0 0时,表示:
密码A:不可读,验证KEYA或KEYB正确后,可写(更改)。
存取控制:验证KEYA或KEYB正确后,可读、可写。
密码B:验证KEYA或KEYB正确后,可读、可写。
三、工作原理
卡片的电气部分只由一个天线和ASIC组成。
天线:卡片的天线是只有几组绕线的线圈,很适于封装到IS0卡片中。
ASIC:卡片的ASIC由一个高速(106KB波特率)的RF接口,一个控制单元和一个8K位EEPROM组成。
工作原理:读写器向M1卡发一组固定频率的电磁波,卡片内有一个LC串联谐振电路,其频率与读写器发射的频率相同,在电磁波的激励下,LC谐振电路产生共振,从而使电容内有了电荷,在这个电容的另一端,接有一个单向导通的电子泵,将电容内的电荷送到另一个电容内储存,当所积累的电荷达到2V时,此电容可做为电源为其它电路提供工作电压,将卡内数据发射出去或接取读写器的数据。
四、M1射频卡与读写器的通讯
复位应答(Answer to request)
M1射频卡的通讯协议和通讯波特率是定义好的,当有卡片进入读写器的操作范围时,读写器以特定的协议与它通讯,从而确定该卡是否为M1射频卡,即验证卡片的卡型。
防冲突机制(Anticollision Loop)
当有多张卡进入读写器操作范围时,防冲突机制会从其中选择一张进行操作,未选中的则处于空闲模式等待下一次选卡,该过程会返回被选卡的序列号。
选择卡片(Select Tag)
选择被选中的卡的序列号,并同时返回卡的容量代码。
三次互相确认(3 Pass Authentication)
选定要处理的卡片之后,读写器就确定要访问的扇区号,并对该扇区密码进行密码校验,在三次相互认证之后就可以通过加密流进行通讯。
(在选择另一扇区时,则必须进行另一扇区密码校验。
)
对数据块的操作
读(Read):读一个块;
写(Write):写一个块;
加(Increment):对数值块进行加值;
减(Decrement):对数值块进行减值;
存储(Restore):将块中的内容存到数据寄存器中;
传输(Transfer):将数据寄存器中的内容写入块中;
中止(Halt):将卡置于暂停工作状态;。