数据采集卡USB-DMP609使用手册
- 格式:doc
- 大小:254.00 KB
- 文档页数:38
数据采集卡采集工具使用说明1. 数据采集工具界面:2. 打开采集工具接入USB数据采集卡后,采集工具会自动查找系统接入USB设备,左图为连接数据采集卡成功。
右图为没有接入数据采集卡,没有接数据采集卡前采集工具的上的所有功能为不可以操作。
未接入采集卡,功能为不可以操作:3. 选择数据采集卡输出路径,点击如图下所示:勾选“采集数据结束后自动打开文件”复选项后结束采集后会自动的打开采集数据文件。
4. 采集参数设置:A.采集间隔时间(毫秒):采集每次数据点之间的等待时间设置,设置为0表示不等待连续采集数据。
B.采集数据量(个):最大采集数量值,采集到最大值后程序自动停止结束。
勾选“勿略采集最大量值,连续采集”复选框后此设置将无效。
采集结束在点击“停止采集”按键后结束。
C.数据存储深度(个):存储深度主要解决实时显示数据软件所占用的时间,存储深度值越大显示数据越慢,此显示速度慢不影响正常采集速度,只是影响显示速度。
如采集时频率比较慢时需要设置采集间隔时间,把存储深度设置为1表示实时值。
D.采集接入模式:采集模拟分为三种:模拟输入(单极性),差分输入,真双极输入。
模拟输入只能采集大于0V以上的电压值,不能采集负电压。
差分输入可以测试正负电压,测试正负电压需要按差分方式接线,差分方式接线与地线无关。
真双极输入可以测试正负电压,可以直接测试负电压。
采集工具会根据采集卡类型显示不同的输入模式,工具只会显示支持的模式选择项。
详细支持输入模式请参考产品说明书参数规格。
E.采集卡输入通道:输入通道表示采集卡指定的采集通道,不同型号采集有不同数量的采集通道。
采集卡支持:单通道采集和全通道采集功能。
全通道采集功能可以勾选“同时采集所有通道”复选框。
F.采集量程选择:不同类型采集卡支持不同的量程选择,详细参数可以参考用户说明。
5.清空列表数据点击“清空列表数据”按键后会清除列表数据,注意:清空后的数据不可恢复:6.数据采集:点击“开始采集”按键后采集工具自动开始采集数据,点击“停止采集”后程序自动停止并保存采集数据。
YC-609数据线综合测试仪使用说明书更新日期:2015.05.16史上最强大的测试仪来了,业界权威, 最准确的苹果数据线测试仪双面测试,单头测试,0-3A电流实测,D+D-漏电阻检测主机YG-609【简介】手机已成为最为流行的电子产品,各种外围产品也幸运而生,本公司立志为广大外设厂家服务,适时推出相应的检测设备,为您提高生产效率,为您的品质保驾护航。
本产品为一款多功能的手机充电器检测仪器,适用于研发和批量生产环节。
【功能特点】※采用32位ARM高速处理器设计。
※支持iPhone6,iPhone5,iPad4,iPad mini,iPod nano6数据线、充电线、单头测试。
※支持iOS6,iOS7,iOS8操作系统,支持MFI认证原装数据线和山寨高仿数据线、C10B、C48方案等。
※双面测试,插一次即可全部测完,提高效率。
※负载电流可以设定0-3A,可以设为2.4A实测iPad数据线,充分保证线材指标。
※准确测出D+、D-电阻,可以检测出D+、D-内置的匹配电阻大小并作出判断。
※可测出D+、D-漏电阻,并根据设定范围判定结果,漏电阻过小会影响数据通信和充电速度。
※由于USB座使用率很高,容易损坏,所以USB座采用分体设计,方便更换。
※可测试出具体故障点,以便技术人员对线进行检修。
※各种保护措施避免仪器使用过程中受到损坏,防静电保护,防短路保护,直接短路USB电源也不会损坏。
※插入被测产品自动开始测试。
※ LCD中文显示屏。
※同时有声音和LED指示测试结果。
※设置的测试参可掉电保存。
※可以连接电脑,有PC软件,实现更多功能,也可单独使用。
※通过PC软件对苹果协议数据抓取。
※可以在线升级,使仪器随时拥最新的功能,如果仪器有问题,可使用在线升级经松解决,不必返厂。
【检测项目】【主机图】按键测试结果指示灯测试文件名与电脑相连的USB接口。
【软件界面】实际值设定值实时读数数据测试结果数据线单头测试结果说明:空载电压:是指充电器、移动电源无负载时的输出电压,实际测试时有1K电阻负载。
dam模拟量采集器的使用方法
模拟量采集器的使用方法包括以下步骤:
1. 硬件连接:模拟量采集器需要通过数据采集卡或USB接口与计算机连接。
在连接前需要确认采集器的接口类型和计算机的接口类型是否匹配,并按照说明书将采集器正确连接到计算机。
2. 采集设置:在采集器与计算机连接后,需要在计算机上安装采集器驱动程序并进行采集设置,包括采样频率、采样点数、量程设置等。
3. 数据传输:在采集设置完成后,模拟量采集器开始进行数据采集,并将采集到的数据传输到计算机中。
可以通过数据采集软件实时查看、存储和处理采集到的数据。
4. 数据处理:采集到的数据需要进行处理和分析,包括数据滤波、标定、计算等操作。
可以使用数据采集软件提供的工具进行数据处理和分析。
5. 维护和保养:在使用过程中,需要定期对模拟量采集器进行维护和保养,包括清洁、紧固、更换配件等操作,以保证采集器的正常工作和延长使用寿命。
需要注意的是,具体的操作步骤和方法可能会因为不同的模拟量采集器而有所差异,建议参考采集器的使用说明书或与供应商联系以获取更详细的使用指导。
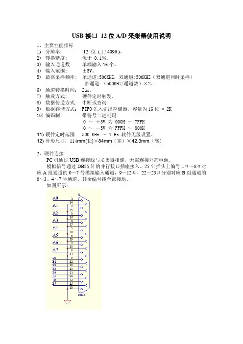
USB接口12位A/D采集器使用说明1、主要性能指标1)分辩率: 12 位( 1 / 4096 )。
2)转换精度: 优于 0.1%。
3)输入通道数: 单端输入16个。
4)输入范围: ±5V。
5)最高采样频率: 单通道:500KHZ;双通道:500KHZ(双通道同时采样)多通道:(500KHZ/通道数)×2。
6)通道转换时间: 2us。
7)触发方式: 硬件定时触发。
8)数据传送方式: 中断或查询9)数据存储方式: FIFO先入先出存储器,容量为16位 * 2K10)编码制: 带符号二进制码:0 ~+5V 为 000H ~ 7FFH0 ~-5V 为 FFFH ~ 800H11) 硬件定时范围: 500 KHz ~ 1 Hz 软件无级设置。
12) 外形尺寸:114mm(长)×84mm(宽)×42.3mm(高)2、硬件连接PC机通过USB连接线与采集器相连,无需连接外部电源。
模拟信号通过DB25针的并行接口插座接入。
25针插头上编号1#~8#对应A组通道的0~7号模拟输入通道,9~12#、22~25#分别对应B组通道的0~3、4~7号通道。
其余编号线全部接地。
如图所示:3、工作原理本数据采集器主要由A/D转换电路、FIFO存储器、逻辑控制器、单片机控制器、USB4、相关概念●采样模式:采集器支持三种采样工作模式,A组单通道采样;B组单通道采样;多通道采样。
多通道采样时,硬件采用2路A/D转换器同时并行采样,A、B两组同号通道的采样值无相位差,通道切换时两组通道同时切换。
●首通道号:单通道采样时,为当前采样通道号;多通道采样时,为起始采样通道号。
●采样通道数:单通道采样时,通道数应设置为0;多通道采样时,应设置的通道数按如下公式计算:通道数=实际采样总通道数/2-1●半满中断:当FIFO存储容量达到一半时,会发送一个半满中断信息通知上位机,此时用户可以读取FIFO存储器一半容量的数据。
NI USB-600914位, 48 kS/s低价位多功能数据采集卡•8路模拟输入通道(14位分辨率,48 kS/s)•2路模拟输出通道(12位分辨率, 150 S/s);12条数字I/O线,32分辨率计数器•方便而易于携带的总线供电型设计•获取用于OEM的仅含板卡的套件•可用于Windows、Mac OS X、Linux和Pocket PC的驱动软件•NI-DAQmx驱动软件和NI LabVIEW SignalExpress交互式数据记录软件概述NI USB-6009具有基本的数据采集功能,其应用范围包括简单的数据记录、便携式测量和学术机构的实验室试验。
该产品价位适于学生购买且其强大的功能足以用于更为复杂的测量应用。
Mac OS X和Linux 用户可下载NI-DAQmx Base驱动软件并使用LabVIEW或C为USB-6009编程。
NI开发了含有LabVIEW学生版副本的USB-6009学生套件,为仿真、测试和自动化的理论性课程补充了实践性实验。
上述套件仅供学生使用,是功能优、价格低、实践性强的学习工具。
若需更多信息,请访问NI教育产品网页:/academic/measurements.htm for more details。
要想取得更高的采样速度,更精确的测量质量,以及更多的测量通道,请参考高性能USB数据采集设备NI USB-6210和NI USB-6211。
每个NI USB数据采集设备均包含一份NI LabVIEW SignalExpress LE的副本,使您无需编程即可快速采集、分析并显示数据。
除了LabVIEW SignalExpress,USB数据采集模块还与下列NI应用软件版本(或更高版本)兼容——LabVIEW 7.x、LabWindows™/CVI 7.x、或Measurement Studio 7.x。
USB数据采集模块也与Visual Studio .NET、C/C++和Visual Basic 6兼容。
USB2821 数据采集卡硬件使用说明书阿尔泰科技发展有限公司产品研发部修订阿尔泰科技发展有限公司目录目录 (1)第一章功能概述 (3)第一节、产品应用 (3)第二节、AD 模拟量输入功能 (3)第三节、DI 数字量输入功能 (4)第四节、DO 数字量输出功能 (4)第五节、板卡尺寸 (4)第六节、产品安装核对表 (4)第七节、安装指导 (4)一、软件安装指导 (4)二、硬件安装指导 (4)第二章元件布局图 (5)第一节、主要元件布局图 (5)第二节、主要元件功能说明 (5)一、信号输入输出连接器 (5)二、电位器 (5)三、跳线器 (5)四、状态灯 (6)第三章信号输入输出连接器 (7)第一节、AD 模拟量信号输入连接器定义 (7)第二节、DI/DO 数字量信号输入输出连接器定义 (7)第四章跳线器设置 (9)第一节、AD 模拟量信号输入接地方式选择跳线器设置 (9)第二节、AD 模拟量信号输入量程选择跳线器设置 (9)第五章各种信号的连接方式 (10)第一节、AD 模拟量输入的信号连接方式 (10)一、AD 单端输入连接方式 (10)二、AD 双端输入连接方式 (10)第二节、DI 数字量输入的信号连接方法 (11)第三节、DO 数字量输出的信号连接方法 (11)第六章数据格式、排放顺序及换算关系 (12)第一节、AD 模拟量输入数据格式及码值换算 (12)一、AD 双极性模拟量输入的数据格式 (12)二、AD 单极性模拟量输入数据格式 (12)第二节、AD 单通道与多通道采集时的数据排放顺序 (12)一、单通道 (12)二、多通道 (12)第七章各种功能的使用方法 (14)第一节、AD 触发功能的使用方法 (14)一、AD 内触发功能 (14)二、AD 外触发功能 (14)第二节、AD 内时钟与外时钟功能的使用方法 (15)一、AD 内时钟功能 (15)USB2821 数据采集卡硬件使用说明书版本:6.2.18二、AD 外时钟功能 (16)第三节、AD 连续与分组采集功能的使用方法 (16)一、AD 连续采集功能 (16)二、AD 分组采集功能 (16)第八章产品的应用注意事项、校准、保修 (20)第一节、注意事项 (20)第二节、AD 模拟量输入的校准 (20)第三节、保修 (20)阿尔泰科技发展有限公司第一章功能概述信息社会的发展,在很大程度上取决于信息与信号处理技术的先进性。
MP-609手持记录仪产品说明书一、用途手持表记录仪是我公司根据市场需求推出的一款新型检测仪器,功能全,检测精度高,人机界面友好,一屏显示多路数据,交直流电共用等特点,可外接锐研智华公司开发的各种电流、电压、电阻、毫伏信号如辐射传感器、室外温度湿度传感器、风速风向传感器、大气压力传感器、土壤水份传感器、土壤温度传感器等产品。
USB信号IN保险管(mv)1脚红mv+充电插座 2脚黄mv-(手持表正面)(侧面)(上面)(机箱参考图片)二、系统特点首款4.3寸大屏、全触摸屏操作(支持鼠标操作)、存储数据15000条、蓄电池供电、USB数据导出。
●精度±0.2%F.S;●采用航空插头连接,安装和更换均方便。
●:软件界面友好,人机对话式操作。
2.1技术参数工作电压:AC220V±10% 或蓄电池电源液晶尺寸: 4.3 仪器重量:1.5KG仪表箱参考尺寸:W*H*L=270*210*120(mm)工作温度: -10℃~+50℃工作湿度:《90%RH手持表参考尺寸:W*H*L=238*134*43(mm)通道:1-8通道电池供电时间:待机20小时准确度:0.2%F.S 设备可采集:-50~+50mv信号 4-20mA 0-10v 0-5v 等数据导出报表功能◆显示界面采用全中文、可视化、面向窗口的界面,符合中国人的使用习惯和要求。
◆以窗口为单位,构造用户系统的图形界面,工作既简单直观,又灵活多变。
2.2软件参考图:主界面显示实时辐射强度及辐射总量值(辐射总量关机后自动归零)2.3设置参数:灵敏度设置输入框:输入灵敏度系数,DEL(删除)ESC(退出)ENTER(确认)设置系统时间用户登录系统默认密码1111,删除历史数据必须进行用户登录才能删除。
2.4历史数据:历史数据默认30秒存盘一次,如有特殊需求可要求供应商更改。
2.5导出数据:插入U盘、输入开始序号和结束序号,点发送到u盘,数据自动导入u盘、结束序号如输入值超过存盘序号则认为就是结束序号。
二数据采集卡的设置检测系统已下载可与数据采集卡通信的驱动程序,从开始菜单/ 所有程序/ Advantech Automation / Device Manager 打开研华的设备管理程序Advantech Device Manager,如图1-5所示。
在Installed Devices 列表中板卡信息PCI-1711的标识。
图1-5三板面与设备管理器的操作1 模拟量操作若要观察各模拟量输入通道的电压值的大小,可点击图1-5画面中“Test”按钮,进入图1-6的采集卡模拟输入量显示界面。
“Andlog input reading”选项夹中“Channel No 0 ~ 2”对应的“Analog input reading”栏中显示的内容分别是:压力传感器输出信号的电压值;液位传感器输出信号的电压值;温度传感器输出信号的电压值。
若将某一“切换开关”拨向“OFF”的位置,该模拟量输入通道的信号来源就是精密电位器。
图1-6的采集卡模拟输入量显示界面。
“Andlog input reading”选项夹中“Channel No 0 ~ 7”对应的“Analog input reading”栏中显示的内容分别是:1 ~ 8个精密电位器输出的直流电压值;当某一个电位器顺时针转动10周,则对应的电压值就会从0增加到5V。
2 数字量操作(1)数字输入量操作见图1-2,操作面板有16个“输入按钮”,即K0~K15。
所有“输入按钮”的接点为常开接点,按下某一按钮时,对应的数字输入端接地,低电平有效。
动作结果可在图1-7的“Digital input”选项夹中对应的指示灯变成绿颜色。
如将K2和K3的“输入按钮”同时按下时,则Digital input选项夹中对应的DI 2和DI 3输入指示灯变成绿颜色。
(2)数字输出量操作打开图1-8的“Digital output”选项夹,按下DO0 ~ DO15任意按钮,都会使对应操作面板上的L0~L15中对应的指示灯点亮;重复上述操作,就会使指示灯改变原来的状态。
数据采集卡软件使用说明:1.使用前应先进行DAC硬件校准。
打开“窗口”——“脚本编辑器”,打开文件“DAC校准.vbs”,单击“运行”,用电压表测量DAC0和DAC1是否输出+5V电压,若有误差,则调整电位器R16和R15进行校准,校准完成后单击“停止”后,测量DAC0和DAC1是否输出0V电压,若不准则调整R60和R59。
注意:这两组调整存在关联,只能折中调整。
若折中值有较大误差,则与我联系。
ADC输入的零点调整。
调整电位器R58和R57调零,脚本程序中通过ReadData(1)和ReadData(2)读入电压值进行校验。
2.双踪示波器打开“窗口”——“双踪示波器”,如图1所示:图1双踪示波器调节好CH1和CH2的Y轴方向的刻度单位及X轴方向的时间刻度后,单击“运行”,即可显示波形,此时“运行”按钮显示为“停止”,单击它即可停止。
也可通过分别勾选两个输入通道的“显示交流”,使波形基于各自的零线对称(即只保留交流成份)。
注:每次重新选取X轴方向的时间刻度后,自动进入停止状态,需手工重启“运行”。
通过鼠标左键按下后拖动左边沿的白色滑块可调节CH1零电压基线位置,同样,通过鼠标左键按下后拖动右边沿的白色滑块可调节CH2零电压基线位置。
在“停止”状态下,可以手工测量水平方向的时间或垂直方向的电压值。
先在窗体的左上边的“手工测量”选定一个测量项,用鼠标左键按下后拖动即可完成测量,左键释放后会显示测量结果,此时按鼠标右键或对“手工测量”重新选定一项均可清除前一次测量结果。
勾选“自动计算机电参数”即可显示输入通道的频率、振幅、初相、直流分量值,反之,则不显示。
勾选“李沙育图”,则显示切换为图2所示的李沙育图,也可调节两个通道的刻度单位观察李沙育图的变化,反之,则返回双踪示波图。
图2李沙育图3.DAC输出(信号发生器)采集卡接电后自动处于DAC双通道均输出50Hz,振幅10V 左右的交流信号,在设置好输出通道号,频率,强度(%)值后,单击“DAC输出”按钮即可实现DAC输出。
PC-6311D模入模出接口卡技术阐明书1.概述:PC-6311D 模入模出接口卡合用于具备ISA 总线PC系列微机,具备较好兼容性,CPU从当前广泛使用64位解决器直到初期16位解决器均可合用,操作系统可选用典型MS-DOS,当前流行Windows系列,高稳定性Unix等各种操作系统以及专业数据采集分析系统 LabVIEW 等软件环境。
在硬件安装上也非常简朴,使用时只需将接口卡插入机内任何一种ISA总线插槽中,信号电缆从机箱外部直接接入。
也可插入我所研制PC扩展箱内使用。
PC-6311D模入模出接口卡安装使用以便,程序编制简朴。
其模入模出及I/O信号均由卡上37芯D型插头及另配转换插头与外部信号源和设备连接。
对于模入某些,顾客可依照实际需要选取单端或双端输入方式。
对于模出某些,顾客可依照控制对象需要选取电压或电流输出方式以及不同量程。
2. 重要技术参数:2.1 模入某些2.1.1输入通道数:(标*为出厂原则状态,下同)单端32路;* / 双端16路2.1.2输入信号范畴:0V~10V*;/ ±5V2.1.3输入阻抗:≥10MΩ2.1.4A/D转换辨别率:12位2.1.5A/D转换速度:10μS2.1.6A/D启动方式:程序启动/外触发启动2.1.7A/D转换结束辨认:程序查询/中断方式2.1.8A/D转换非线性误差:±1LSB2.1.9A/D转换输出码制:单极性原码*/双极性偏移码2.2.10系统综合误差:≤0.2% FSR2.2 模出某些:2.2.1输出通道数:2路 (互相独立,可同步或分别输出,具备上电自动清零功能。
)2.2.2输出范畴:电压方式:0~5V;0~10V*;±5V;±2.5V电流方式:0~10mA;4~20mA2.2.3输出阻抗:≤2Ω (电压方式)2.2.4D/A转换器件:DAC12102.2.5D/A转换辨别率:12位2.2.6D/A转换输入码制:二进制原码(单极性输出方式时)*;二进制偏移码(双极性电压输出方式时)2.2.7D/A转换综合建立时间:≤2μS2.2.8D/A转换综合误差:电压方式:≤0.2% FSR电流方式:≤ 1% FSR2.2.9电流输出方式负载电阻范畴:使用机内+12V电源时:0~250Ω外加+24V电源时:0~750Ω2.3 数字量输入输出某些:2.3.1DI:8路;TTL原则电平2.3.2 DO:8路;TTL原则电平;有输出锁存功能2.4 电源功耗:+5V(±10%)≤400mA;+12V(±10%)≤100mA;-5V(±10%)≤10mA2.5 使用环境规定:工作温度:10℃~40℃;相对湿度:40%~80%;存贮温度:-55℃~+85℃2.6 外型尺寸:(不含档板)长×高=182.6mm×106.7 mm (7.2英寸×4.2英寸) 3. 工作原理:PC-6311D模入模出接口卡重要由模数转换电路、数模转换电路、数字量输入输出电路、接口控制逻辑电路构成。
数据采集器使用说明◆概述:本文档包含以下内容:1.如何使用数据采集器采集商品条形码编号。
2.如何将采集到的条形码信息上传到电脑上。
3.如何将生成的txt文本用excel打开。
4.汇总商品编码。
◆使用前准备工作:1.将压缩文件“CASIO lmwin610通讯软件.7z”解压到电脑上(建议放在桌面上)。
2.在路径“桌面\CASIO lmwin610通讯软件\Driver\USB”里面找到文件:IRXpressUSBIrDA.exe,双击安装卡西欧数据采集器的驱动。
所有选项都选默认的,一直下一步(Next)到完成(finish)。
(备注:这里会提示重启电脑,可以选择马上重启,也可以选择等安装好通讯软件以后再重启)。
3. 在路径“桌面\CASIO lmwin610通讯软件\Lmwin\English”找到“setup.exe”, 双击安装卡西欧数据采集器的通讯软件。
所有选项都选默认的,一直下一步(Next)到完成(finish)。
完成后重启电脑。
一. 采集商品条形码编号1.按屏幕下方第一排最右边的开关按键开机。
2.按数字键1进行条码采集:屏幕提示“请扫描…”以后,按住第二排按键“L”不要放手。
3.将采集器顶端最准条形码,听到一声嘟之后则扫描成功,放开“L”键,屏幕上将出现刚刚扫描的条形码编号,这时按倒数第三排右边按键“ENT”确认,则保存了刚刚扫描的条形码了。
二.上传到电脑1.将底座数据线接到电脑的USB接口,并将采集器放在底座上。
2.系统会弹出硬件安装提示,默认下一步自动安装。
3.打开:开始→所有程序→LMWIN32(应该排列列表的下面)4. configure菜单下选B.S/B.B选项.5.点击开始按钮,如下图所示:6.进command命令框:7.选中连接上的采集器,如果只有一个,应该默认是“001”,勾选上之后,点“OK”。
8.进入command界面:Command命令选择send,Options选项勾选overwrite,destination dir 输入框输入保存路径(目前路径命令无效,采集的数据都默认保存在C盘data文件夹下面),点击“OK”。
豆豆电子-迷你USB数据采集卡一、产品简介豆豆电子-USB数据采集卡是一款基于USB总线的多功能信号采集卡,具有12路单端模拟信号采集、2路模拟信号输出、8路数字信号输入/输出、1路PWM输入、1路计数器及2路PWM输出。
可用于传感器信号数据采集与分析、工业现场监测与控制、高等院校科研与教学等多种领域。
使用豆豆电子-USB可以将传感器和控制器与计算机结合在一起,利用计算机强大的数据处理能力和灵活的软件编程方式,对信号进行分析、处理、显示与记录,从而用低廉的成本取代多种价格昂贵的专用仪器,并且能通过编程来获得免费的功能升级。
先进的设计理念、丰富的硬件功能与简洁的编程方式使豆豆电子-USB成为企业和科研机构必备的强大设计工具。
豆豆电子-USB采用USB2.0高速总线接口,总线极具易用性,即插即用,是便携式系统用户的最佳选择,可以完全取代以往的PCI卡。
豆豆电子-USB可工作在Win9X/Me、Win2000/XP/WIN7等常用操作系统中,并提供可供VB, VC,C++Builder, Dephi,LabVIEW,Matlab等常用编程语言调用的动态链接库,编程函数接口简单易用,易于编写应用程序。
单位:mm二、性能指标2.1、USB总线性能●USB2.0高速总线传输●使用方便,能够实现自动配置,支持设备的热插拔即插即用2.2、模拟信号输入●模拟输入通道: 12路单端●输入端口耐压: 0—3.3V●输入信号量程: 0—3.3V●模拟输入阻抗: 10M●分辨率: 12Bit(4096)●最大总误差: < 0.2%●采样时钟: 100sps-100Ksps内部时钟(多通道50K)2.3、模拟信号输出●模拟输出通道: 2路单端(同步)●模拟输出范围: 0-3.3V●模拟输出电流: 1毫安●分辨率: 12Bit(4096)●非线性误差: ±2LSB●扫描时钟: 1sps-1000Ksps内部时钟2.4、数字信号输入/输出●输入/输出通道: 8路●输入/输出模式: 全输入/全输出●输入电平: 兼容TTL或CMOS●输出电平: CMOS2.5、PWM测量输入●个数: 1●输入电压: 0-3.3V●输入频率: 1—1MHz●输入占空比: 1%--99%●频率及占空比测量误差:1%2.6、计数器●计数器个数: 1●输入电平: TTL或CMOS●计数位: 32位(最大65535*65535)2.7、PWM输出●PWM输出通道: 2●PWM输出电平: CMOS●输入占空比:1%--99%●输出频率:1—1MHz2.8、工作温度●0℃ - 70℃三、应用领域便携式仪表和测试设备传感器信号采集与分析工业控制四、软件支持提供Windows95/98/NT/2000/XP/WINDOWS 7(32bit)下的驱动程序,提供通用DLL文件,并提供在LabVIEW和LabWindows图像化语言编写的应用软件范例程序。
基础型数据采集卡调试工具说明书ZL基础型数据采集卡调试工具说明书1.调试工具图标。
2.运行程序后出现如下界面:a.数据采集卡型号:选择型号后程序会自动的检测电脑是否已经接入USB采集卡。
b.数据采集卡状态:是说明选择型号后数据采集卡是否有效,红色表示没有找到采集卡,绿色表示正确找到相应的数据采集卡。
c.系统信息:包括数据采集卡的固件信息和主板ID信息设置。
点击“系统信息”按钮后进入系统信息面板如下所示:3.选择相应的数据采集卡后,系统正确的初始化数据采集卡并显示相应采集卡的所有功能在功能选择列表中显示,如图下所示:(注:选择功能模块后,点击“进入功能测试”或双击功能列表模块后可以直接进入功能测试界面)4.4路单极性模拟输入调试界面。
此功能只限于(USB1710,USB1710B)数据采集卡。
a.4通道数字电压值显示框:点击“开始采集”后4通道的数字电压值会显示采集卡采集回来的相应电压值,电压值的单位为(V)。
b.数据采集数据保存:把“是否记录数据”的复选框勾上后,数据列表会根据采集速度记录采集数据,停止采集数据后可以通过“保存数据”按钮来保存列表的数据。
c.清除列表数据:点击“清除列表数据”按钮后会自动的清除列表的数据,清除的数据不可以恢复,请慎用!B ID:此选择项目主要应用于多卡操作使用,当系统接入两张同类型以上的采集卡后可以通过此项目选择相应的数据采集卡进行调试,此项目的数值为USB ID值,如单卡使用可以忽略此项。
e.采集速度:此项为采集数据的间隔时间,此项的最小值为1MS。
注:此项由于根据不同的电脑配置会有不同的最小值的采集速度,一般采集速度最小值可在1~5MS之间。
f.采集倍数:此设置为电压值的倍数,由于部分用需要在输入端设置输入衰减,所以可以根据衰减的倍进行设置,如无可以忽略此项目。
以下为数据采集参考界面:5.4路差分模拟输入调试界面,此界面适合于(USB1252,USB1253)a.此操作界面如上面的功能类似。
USB-DMP609使用手册☐USB2.0总线AD数据采集控制模块☐32位ARM内核主控系统☐16路单端16位AD,内部时钟触发连续采样☐内置程控增益控制,三档在程可控变档☐板载FIFO存储系统,存储深度42K☐二路12位DA输出☐开关量:16路可程控输入、输出I/O☐一路16位计数器、频率计☐一路程控脉冲发生器☐模拟正弦波、三角波、锯齿波发生器☐二路基频可程控脉宽调制(PWM)发生器Sdjn3k济南三科2011/8 V1.0注意:请在开始使用模块前仔细阅读本使用手册检查打开包装请查验如下:✧USB-DMP609数据采集卡✧光盘。
✧USB电缆。
✧DB25插头, 26Pin排线插头。
安装关掉PC机电源,将采集卡USB电缆插入主机的任何一个USB插槽中并将外部的输入、输出线连好。
如果主机有多套USB采集卡,请每次只安装一个采集卡。
软件启动安装请参看第3章说明。
保修本产品自售出之日起一年内,用户遵守储存、运输和使用要求,而产品质量不合要求,免费维修。
因违反操作规定和要求而造成损坏的,需缴纳器件费和维修费及相应的运输费用,如果板卡有明显烧毁、烧糊情况原则上不予维修。
注意:1、如使用外接电源,请一定先检查确认电源极性及电压符合技术要求,并使用合格电源(如某些电源在开关时易产生强感应电压而击穿板卡)。
2、所有与板卡连接的输入、输出信号端都不能超过技术要求的电压幅度及包含有强感应脉冲电压,以免造成板卡损坏。
3、不可带电焊接板卡任何接线端及带电插拔接线接口器。
目录一、模块说明◆USB-DMP609采集卡简介◆主要特点及性能二、原理◆简介◆模拟输入及AD数据计算1、模块输入2、AD转换数据的计算◆DA部分原理及数据计算◆开关量输入/输出部分的原理◆计数器、频率计◆脉冲及模拟波形发生器◆PWM三、安装与连接◆安装◆信号连接注意事项◆连接器插座的定义1、J1的定义2、J2的定义3、电源插口4、USB插座◆常用信号的连接与处理四、软件◆软件的安装及说明◆操作函数说明1、设备操作函数2、AD操作函数3、DA操作函数4、开关量输入/输出操作函数5、计数器操作函数◆应用程序编程说明五、附录◆USB-DMP609模块示意图一、USB-DMP609说明DMP609采集卡简介DMP609是一款USB2.0总线16位AD数据采集卡,具有16路单端模拟输入,内置程控增益控制,板载FIFO存储系统,可进行设定点数或循环采集的内部时钟触发高速连续采样(最高采样时钟达250KHz),全部工作在软件设置模式、二路12位DA输出、开关量16路输入/输出全程控并可位设置及位读取、一路16位计数器及频率计、一路程控宽频率范围(550Hz-65KHz)的脉冲及各种模拟波形输出、二路程控可调基频脉宽调制(PWM)器。
采用USB总线,支持即插即用。
USB-DMP609的所有功能设置都是通过软件程序控制,无需任何硬件跳线。
主要特点、性能:⏹输入通道:16路单端输入⏹分辨率:16位(65535)⏹输入电压:0-2.5V,0-5.00V, -5V - +5V⏹AD转换速率:1000Ksps⏹通道输入阻抗:1兆欧姆。
⏹系统噪声:±2 LSB⏹系统误差:<±0.5% FS⏹连续采样时钟:200Hz-250KHz内部时钟⏹输入耐电压:-5V - 5V (输入电压不得高于所选档位工作电压,否则有烧毁模块的危险)⏹FIFO存储系统:存储深度42K⏹输入插座:DB25电缆插座(J1)⏹二路DA转换器输出⏹输出电压:0.0-5.0V⏹分辨率: 12位(4095)⏹输出驱动电流:>3mA⏹零位失调输出:0-0.006V⏹输出电压精度:±2 LSB⏹输出电压建立时间:小于50微秒⏹输出插座:DB25电缆插座(J1)⏹16路输入\输出通道⏹门限电压:TTL电平,高电平:大于2.8伏、低电平:小于0.8伏⏹输出负载能力:做DO输出时>3mA⏹每路通道即可设为输入也可设为输出,各通道可位操作,也可16位做为一个字输入\输出⏹插座:26脚扁平电缆插座⏹16位加法计数器,上升边沿有效⏹计数器计数值:0-65535⏹测频范围:100Hz-65KHz⏹测频误差: 0.2%±10LSB⏹输入电压:0-5V(最大电压5V)⏹最大输入频率:1MHz(计数)⏹门限电压:与开关量输入相同⏹一路程控脉冲及板载程序模拟正弦波、三角波、锯齿波波形发生器⏹脉冲频率范围:550Hz-65KHz⏹脉冲频率误差:<0.2%⏹模拟波频率范围: 10Hz-15KHz⏹模拟波频率误差:50Hz-10KHz内 <0.5%⏹输出幅度:>3V⏹输出负载能力:>3mA⏹二路脉宽调制器输出⏹分辨率:16位⏹调制范围:1%-98%⏹基础频率范围:550Hz-65KHz⏹频率误差:±0.1%FS⏹输出幅度:>3V⏹输出负载能力:>3mA1.操作系统支持winXP、win72.开发包:驱动程序、DLL库函数3.例程:MFC、VC、VB、LabVIEW、Delphi4.测试程序⏹总线:USB2.0协议标准。
⏹工作电流:<500mA。
⏹电源:USB供电,可以选择外部电源供电。
⏹外部电源输入电压:5伏,±5%。
⏹模块尺寸:9.8cm x 7.5cm x 2.6cm(含外壳10.8x 7.5 x 2.6 cm)二、原理说明AD模拟原理⏹AD模拟输入DMP609模拟输入为16路单端(通道1-16))输入。
输入范围:0-2.5V,0-5.00V, -5V - +5VAD转换速率:1Msps⏹AD模拟输入的采样模式及触发方式DMP609支持多种AD采样模式:单通道采样、多通道扫描采样,触发方式为:程控触发单次采样、时钟触发连续采样。
连续采样由程控内部时钟触发,时钟可设定周期为4uS-5000uS,即:200Hz-250KHz。
设定周期为硬件时钟周期。
连续的时钟触发采样,可完成对一定频率范围内的波形采集。
在单通道采样或多通道扫描采样模式并为程控触发方式时,每调用一次Dmp609_Ad()或Dmp609_Scan_Ad()函数,完成一次单通道采样或多通道扫描采样,单通道采样直接返回采样值,多通道采样数据直接返回至所定义的数组,其数组数据排列为:start、start+1、start+2 、、、、、end。
(start为设定的扫描起始通道,end为设定的扫描终止通道)。
数组中有效数据元素个数为所设定扫描通道的个数。
例如起始通道为1,终止通道为4,一次扫描的通道数为4个,则数组的有效数据元素即为0-3。
在单通道时钟触发连续采样方式时,调用Dmp609_Timer_Ad()函数后,系统将以该函数中的Fer参数所设定的时间周期进行连续采样,并将采样数据保存在FIFO中,板载FIFO系统的存储深度为42K,当选择定点数状态连续采样时,采满FIFO存储空间时,自动停止采样,数据保存在FIFO中,调用Dmp609_Read_Ad()函数读出数据。
当选择循环状态连续采样时,在采满FIFO存储空间后,仍将继续采样,并以先进先出的方式在FIFO中循环保存数据,以达到不间断、无休止的连续采样,至到调用Dmp609 _ Timer_End_Ad ()函数停止采样。
但必须与采样速度相配合调用Dmp609_Read_Ad()函数读出数据,否则将可能产生未读出数据被覆盖或尚未采集到数据即读取的情况(即溢出或读空)。
因电脑配置不同而数据传输速率不同,与采样速度相配合的读取时间间隔需经试验确定。
在多通道扫描时钟触发连续采样方式时,调用Dmp609_Timer_ Scan _Ad()函数后,由内部时钟触发,对所设定通道进行扫描采样,即从第start(起始)通道开始,以小于15微秒的转换速率(即相邻通道时差为<15uS),顺序采样到end(终止)通道结束,同时采样数据顺序写入FIFO 中,之后,等待下一个时钟触发信号,重复上述顺序扫描采样,以此类推,至到采满FIFO存储或调用Dmp609 _ Timer_End_Ad ()函数停止采样止。
例如起始通道为1、终止通道为4,即4个通道时钟触发连续扫描采样,其时序原理如下图:多通道扫描时钟触发连续采样方式,因需要对采样通道进行转换,采用了板载系统的中断服务程序,因此它会受到USB通讯所干扰,但他仍然可满足多通道近似同步(伪同步)采样的要求。
选择定点数状态连续采样或循环状态连续采样,数据的采集及保存与上述单通道时钟连续采样相同,数据排列与多通道程控触发时排列相同,不再重述。
在采用时钟触发连续采样时,设定的采样时钟周期必须小于周期性信号的周期,否则二次采样点将会分别出现在信号的二个周期的某一点上,据此描绘出的曲线显然是不正确的。
如要圆滑、不失真的绘制信号波形,一般必须在一个信号周期内采集二十个以上数据点。
AD转换数据格式与计算16位转换数据范围为0-65535,对应电压计算:设:data为16位采样转换结果。
G为系统增益0-2.5V、0-5V输入时AD转换数据计算公式为:电压[V]=data * G/65535-5V- +5V输入时AD转换数据计算公式为:电压[V]=(data- 32767)* G/32767例如:在选择0-2.5V输入时:电压[V]=data * 2.5/65535例如:在选择-5V- +5V输入时:电压[V]=(data- 32767)* 5/32767注:当转换数值大于32767时为正数值,小于32767时为负值。
DA部分的原理DMP609提供2路12位DA数字模拟电压输出,输出0-5.0伏,由软件控制。
DA输出上电输出状态为“0”。
设置数据有效范围:0-4095,对应输出电压与设置数据的计算:设:data为12位DA设置数据输出电压[V]=(data)*5/4095 (V)因DA输出进行了运放跟随放大以调整输出幅度及负载量力,所以有0-0.006V左右的零位失调输出。
DA1输出通道兼有板载模拟波形发生器的功能。
通过调用函数Dmp609__AnalogWave ( )可设置输出正弦波、三角波、锯齿波的波形。
注: DMP609模块的DA输出只适应控制静态或准静态对象,不适合使用上位机的应用程序控制输出波形。
因为在windows环境下应用程序是利用USB的数据传输控制DA输出,USB的数据传输是无法精确定时。
而板载模拟波形发生器是内置固件程序驱动硬件而产生的。
开关量部分的原理:DMP609开关量为16路输入\输出接口.每路通道即可程控设为输入也可设为输出,每通道可位读取或位设定,也可16位做为一个字输入\输出.例如:I/O 1即可通过函数Dmp609_Set_Do(m_hDevice,1,1)做为输出口设置为高电平或低电平.也可以通过函数Dmp609_Get_Di(m_hDevice,1)做为输入口读取端口的状态.1-16通道还可以做为一个字读写.例如:通过函数Dmp609_Get_Di(m_hDevice,18)(将第二个参数设为18),而实现16位整字的读取.同样也可通过调用函数Dmp609_Set_Do(m_hDevice,18,0xFF)整字输出.因此,DMP609采集卡的I/O接口即可做为普通的I/O口使用,也可做为采集卡的功能外扩接口使用,这将大大提高采集卡使用的灵活性及适应性.DMP609开关量为TTL电平,输入最高可以承受5伏电压。