管路阻力计算
- 格式:ppt
- 大小:380.00 KB
- 文档页数:45
瓦斯管道阻力损失计算公式推导(一)一、 管道摩擦阻力的基本方程1.一般方程H=λd L γgV 22(1)式中:H ――管道压力损失,mmH 2O ; λ――管道的摩阻系数,无因次; L――管道长度,m; d ――管道内径,m ; γ――瓦斯容重,kg/m 3; g ――重力加速度,m/s 2; V――管道内的瓦斯流速,m/s 。
以V=24d Qπ代入(1)式得:H=λd L γ422216dg Q π= 0.08263λ52d LQ γ (2) 式中:Q――管道内瓦斯流量,m 3/s 。
将流量Q 的单位换算成m 3/h ,管道内径d 的单位换算成cm ,则: H = 64λ52d LQ γ (3)(3)式即为《煤矿抽放瓦斯》209页给出的摩擦阻力计算公式,但该书中对流量Q和管径d 给出的单位是错的,应分别为m 3/h 和cm 。
2.低压管道摩擦阻力的基本方程因Q=Q 00PT TP ,γ=γ0TP PT 00,代入(3)式得: H= 64λ520d LQ γ0PT TP (4) 式中:H ――管道压力损失,mmH 2O ; λ――管道摩阻系数,无因次; L――管道长度,m;Q 0――标准状态下内的瓦斯流量,Nm 3/h ;d ――管道内径,cm ;γ0――标准状态下的瓦斯容重,kg/Nm 3; P 0――标准状态下的大气绝对压力,Pa ; P ――管道内的瓦斯绝对压力,Pa ;T――管道内的瓦斯绝对温度(T=273+t ),ºK; T0――标准状态下的瓦斯绝对温度(T0=273),ºK; t ――管道内瓦斯的温度,℃。
因低压管道(相对压力≤0.005MPa )的绝对压力P 与标准大气压力P 0的差值较小,为了简化计算,可以忽略压力的影响,将(4)式简化成下式:H= 64λγ52d LQ 0T T(5) 因瓦斯的相对比重S=空γγ,则γ0=Sγ空0,代入(5)式得:H= 83λS52d LQ 00PT TP (6) 式中:S――瓦斯的相对比重(空气=1);γ空0――空气的比重(γ空0=1.293),kg/Nm 3。
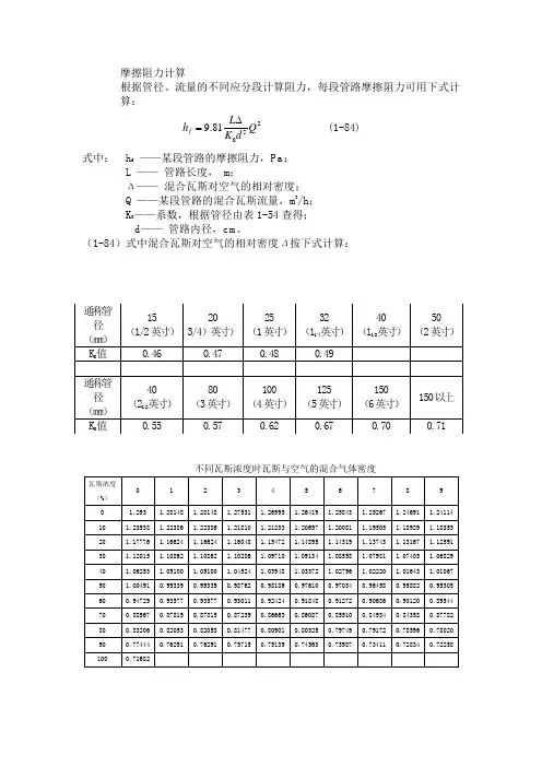
摩擦阻力计算根据管径、流量的不同应分段计算阻力,每段管路摩擦阻力可用下式计算:25081.9Q d K L h f ∆= (1-84) 式中: h f ——某段管路的摩擦阻力,Pa ;L —— 管路长度, m ;Δ—— 混合瓦斯对空气的相对密度;Q ——某段管路的混合瓦斯流量,m 3/h ;K 0——系数,根据管径由表1-54查得;d —— 管路内径,cm 。
(1-84)式中混合瓦斯对空气的相对密度Δ按下式计算:瓦斯抽放泵站至二采区中部石门已知:抽采浓度20%、混合流量15.7m ³/min ﹑K 0=0.71﹑管径为:20cm 管路长度:2782m ﹑混合瓦斯对空气的相对密度为:1.17776 25081.9Q dK L h f ∆= =(9.81*945*2782*1.17776)÷(0.71*205)=12.54 kpa二采区中部石门至+1550水平214瓦斯抽采巷已知:抽采浓度35.5%、混合流量1.41m ³/min ﹑K 0=0.71﹑管径为:20cm ﹑管路长度:461.5m ﹑混合瓦斯对空气的相对密度为:1.09134 25081.9Q d K L h f ∆= =(9.81*84.6*461.5*1.09134)÷(0.71*205) =0.0155 kpa+1550水平214瓦斯抽采巷至+1600水平212,211回风巷 已知:抽采浓度35.5%、混合流量0.86m ³/min ﹑K 0=0.62﹑管径为:10cm ﹑管路长度:493.5m ﹑混合瓦斯对空气的相对密度为:0.91848 25081.9Q d K L h f ∆= =(9.81*51.6*493.5*0.91848)÷(0.62*105) =0.19 kpa二采区中部石门至一采区+1600水平122,142回风巷已知:抽采浓度22%、混合流量6.4m ³/min ﹑K 0=0.7﹑管径为:15cm﹑管路长度:1241m ﹑混合瓦斯对空气的相对密度为:1.16624 25081.9Q dK L h f ∆= =(9.81*384*1241*1.16624)÷(0.7*155) =3.9 kpa二采区中部石门至一采区+1550水平113,124瓦斯抽采巷 已知:抽采浓度13.6%、混合流量4.96m ³/min ﹑K 0=0.7﹑管径为:15cm﹑管路长度:2022.7m ﹑混合瓦斯对空气的相对密度为:1.2181 25081.9Q dK L h f ∆= =(9.81*297.6*2022.7*1.2181)÷(0.7*155) =4 kpa一采区+1600水平122回风巷至一采区+1600水平121回风巷 已知:抽采浓度69%、混合流量0.112m ³/min ﹑K 0=0.62﹑管径为:10cm﹑管路长度:654m ﹑混合瓦斯对空气的相对密度为:0.89544 25081.9Q dK L h f ∆= =(9.81*6.72*654*0.89544)÷(0.62*105) =0.006kpa。
管道阻力计算:管道阻力计算公式:R=(λ/D)*(ν^2*γ/2g)。
ν-流速(m/s);λ-阻力系数;γ-密度(kg/m3);D-管道直径(m);P-压力(kgf/m2);R-沿程摩擦阻力(kgf/m2);L-管道长度(m);g-重力加速度=9.8。
压力可以换算成Pa,方法如下:1帕=1/9.81(kgf/m2)。
管路内的流体阻力流体在管路中流动时的阻力可分为摩擦阻力和局部阻力两种。
摩擦阻力是流体流经一定管径的直管时,由于流体的内摩擦产生的阻力,又称为沿程阻力,以hf表示。
局部阻力主要是由于流体流经管路中的管件、阀门以及管道截面的突然扩大或缩小等局部部位所引起的阻力,又称形体阻力,以hj表示。
流体在管道内流动时的总阻力为Σh=hf+hj。
流体阻力的类型如下:由于空气的粘性作用,物体表面会产生与物面相切的摩擦力,全部摩擦力的合力称为摩擦阻力。
与物面相垂直的气流压力合成的阻力称压差阻力。
在不考虑粘性和没有尾涡(见举力线理论)的条件下,亚声速流动中物体的压差阻力为零(见达朗伯佯谬)。
在实际流体中,粘性作用下不仅会产生摩擦阻力,而且会使物面压强分布与理想流体中的分布有别,并产生压差阻力。
对于具有良好流线形的物体,在未发生边界层分离的情形(见边界层),粘性引起的压差阻力比摩擦阻力小得多。
对于非流线形物体,边界层分离会造成很大的压差阻力,成为总阻力中的主要部分。
当机翼或其他物体产生举力时,在物体后面形成沿流动方向的尾涡,与这种尾涡有关的阻力称为诱导阻力,其数值大致与举力的平方成正比。
在跨声速(见跨声速流动)或超声速(见超声速流动)气流中会有激波产生,经过激波有机械能的损失,由此引起的阻力称为波阻,这是另一种形式的阻力。
作加速运动的物体会带动周围流体一起加速,产生一部分附加的阻力,通常用某个假想的附连质量与物体加速度的乘积表示。
船舶在水面上航行时会产生水波,与此有关的阻力称为兴波阻力。
水泵扬程估算方法水泵扬程的计算公式本来就是估算,所以还不如彻底估算冷冻水泵扬程计算方法空调闭式水系统的扬程计算公式为:H=1.2∑△h,其中1.2为附加安全系数。
而∑△h为管路总阻力损失。
那么,∑△h是怎么计算的?对闭式水系统:∑△h=Hf+Hd+Hm。
Hf、Hd——水系统沿程阻力和局部阻力损失Pa。
Hm——设备阻力损失Pa。
冷冻水泵扬程估算方法估算方法1:暖通水泵的选择:通常选用比转数ns在130~150的离心式清水泵,水泵的流量应为冷水机组额定流量的1.1~1.2倍(单台取1.1,两台并联取1.2。
按估算可大致取每100米管长的沿程损失为5mH2O,水泵扬程(mH2O):Hmax=△P1+△P2+0.05L (1+K)△P1为冷水机组蒸发器的水压降。
△P2为该环中并联的各占空调未端装置的水压损失最大的一台的水压降。
L为该最不利环路的管长K为最不利环路中局部阻力当量长度总和和与直管总长的比值,当最不利环路较长时K值取0.2~0.3,最不利环路较短时K值取0.4~0.6估算方法2:这里所谈的是闭式空调冷水系统的阻力组成,因为这种系统是量常用的系统。
1.冷水机组阻力:由机组制造厂提供,一般为60~100kPa。
2.管路阻力:包括磨擦阻力、局部阻力,其中单位长度的磨擦阻力即比摩组取决于技术经济比较。
若取值大则管径小,初投资省,但水泵运行能耗大;若取值小则反之。
目前设计中冷水管路的比摩组宜控制在150~200Pa/m范围内,管径较大时,取值可小些。
3.空调未端装置阻力:末端装置的类型有风机盘管机组,组合式空调器等。
它们的阻力是根据设计提出的空气进、出空调盘管的参数、冷量、水温差等由制造厂经过盘管配置计算后提供的,许多额定工况值在产品样本上能查到。
此项阻力一般在20~50kPa范围内。
4.调节阀的阻力:空调房间总是要求控制室温的,通过在空调末端装置的水路上设置电动二通调节阀是实现室温控制的一种手段。
二通阀的规格由阀门全开时的流通能力与允许压力降来选择的。
管道沿阻力计算公式管道是工业生产中常见的输送介质的设备,而管道沿阻力则是影响管道输送效率的重要因素之一。
在工程设计和运行中,准确计算管道沿阻力是非常重要的,可以帮助工程师合理选择管道尺寸和泵站参数,从而提高管道输送效率,降低能耗。
本文将介绍管道沿阻力的计算公式及其应用。
一、管道沿阻力的定义。
管道沿阻力是指流体在管道内流动时受到的摩擦阻力,是由于管壁与流体之间的相互作用而产生的。
管道沿阻力的大小与管道的长度、内径、流体性质以及流速等因素有关。
通常情况下,管道沿阻力可以通过计算公式来进行估算。
二、管道沿阻力的计算公式。
1. 管道沿阻力的一般计算公式。
在一般情况下,管道沿阻力可以通过以下公式进行计算:f = λ (L/D) (v^2/2g)。
其中,f为单位长度管道的摩擦阻力系数;λ为摩擦阻力系数,取决于管道壁面的光滑程度和流体的性质;L为管道长度;D为管道内径;v为流体流速;g为重力加速度。
2. 管道沿阻力的修正计算公式。
在实际工程中,由于管道的弯曲、分支、阀门等附件的存在,会对管道沿阻力产生影响。
因此,为了更精确地计算管道沿阻力,可以采用修正公式:ΔP = f (L/D) (v^2/2g) + ΣK (v^2/2g)。
其中,ΔP为管道总阻力;f、L、D、v、g同上;ΣK为附件产生的阻力系数之和。
三、管道沿阻力计算公式的应用。
1. 工程设计中的应用。
在管道工程设计中,通过计算管道沿阻力可以帮助工程师选择合适的管道尺寸和泵站参数,从而满足输送介质的流量和压力要求。
通过合理计算管道沿阻力,可以降低管道系统的能耗,提高输送效率。
2. 管道运行中的应用。
在管道运行过程中,通过定期计算管道沿阻力,可以监测管道系统的运行状态,及时发现管道内部的问题,并进行维护和修复。
同时,通过管道沿阻力的计算,还可以评估管道系统的运行性能,为管道系统的优化提供参考依据。
四、总结。
管道沿阻力是管道系统中的重要参数,对管道的输送效率和能耗有着重要影响。
以上的管路阻力和水泵扬程的计算皆可用估算及查表的方法快速求得,详细计算过程及结果如下:
冷冻水泵的扬程估算:
1. 冷水机组阻力:60—100kpa(取100kpa即10m水柱)
2. 管路阻力:制冷机房,除污器、集水器、分水器及管路等的阻力:
50kpa (5m 水柱);
取输配侧管路长度250m,其比摩阻200pa/m.
则摩擦阻力为:250X200=50000pa=50kpa (5m 水柱)考虑输配侧的局部阻力为摩擦阻力的50%,则局部阻力为=25kpa (2. 5m 水柱)
统计管路的总阻力为:50+50+25=125kpa (12.5m水柱)。
3. 空调末端装置阻力:20—50kpa (取20kpa即2m水柱)
4. 调节阀的阻力:40kpa (4m水柱)
冷冻水系统的各部分阻力之和为:80+110+50+40=280kpa(28m水柱)冷冻水泵扬程:取10%的安全系数,则扬程H=31m冷却水泵扬程估算:
1. 冷水机组阻力:60—100kpa (10)
2. 管路阻力:制冷机房,除污器及管路等的阻力:30kpa
取输配侧管路长度100m,其比摩阻200pa/m.
则摩擦阻力为:100200=20000pa=20kpa (2m 水柱)
考虑输配侧的局部阻力为摩擦阻力的50%,则局部阻力为=10kpa
统计管路的总阻力为:30+20+10=60kpa (6m水柱)
3. 调节阀的阻力:40kpa 冷却水系统的各部分阻力之和为:
80+60+40=180kpa (18m水柱)设冷却塔进出水高差为4m,则总阻力和为20m水柱。
水泵扬程:取10%的安全系数,则扬程H二二22m.。
管道阻力计算空气在风管内的流动阻力有两种形式:一是由于空气本身的黏滞性以及空气与管壁间的摩擦所产生的阻力称为摩擦阻力;另一是空气流经管道中的管件时(如三通、弯头等),流速的大小和方向发生变化,由此产生的局部涡流所引起的阻力,称为局部阻力。
一、摩擦阻力根据流体力学原理,空气在管道内流动时,单位长度管道的摩擦阻力按下式计算:ρλ242v R R s m ⨯= (5—3) 式中 Rm ——单位长度摩擦阻力,Pa /m ;υ——风管内空气的平均流速,m /s ;ρ——空气的密度,kg /m 3;λ——摩擦阻力系数;Rs ——风管的水力半径,m 。
对圆形风管:4D R s =(5—4)式中 D ——风管直径,m 。
对矩形风管 )(2b a abR s += (5—5)式中 a ,b ——矩形风管的边长,m 。
因此,圆形风管的单位长度摩擦阻力ρλ22v D R m ⨯= (5—6) 摩擦阻力系数λ与空气在风管内的流动状态和风管内壁的粗糙度有关。
计算摩擦阻力系数的公式很多,美国、日本、德国的一些暖通手册和我国通用通风管道计算表中所采用的公式如下:)Re 51.27.3lg(21λλ+-=D K (5—7)式中 K ——风管内壁粗糙度,mm ;Re ——雷诺数。
υvd=Re (5—8)式中 υ——风管内空气流速,m /s ;d ——风管内径,m ;ν——运动黏度,m 2/s 。
在实际应用中,为了避免烦琐的计算,可制成各种形式的计算表或线解图。
图5—2是计算圆形钢板风管的线解图。
它是在气体压力B =101.3kPa 、温度t=20℃、管壁粗糙度K =0.15mm 等条件下得出的。
经核算,按此图查得的Rm 值与《全国通用通风管道计算表》查得的λ/d 值算出的Rm 值基本一致,其误差已可满足工程设计的需要。
只要已知风量、管径、流速、单位摩擦阻力4个参数中的任意两个,即可利用该图求得其余两个参数,计算很方便。
图5—2 圆形钢板风管计算线解图[例] 有一个10m 长薄钢板风管,已知风量L =2400m 3/h ,流速υ=16m /s ,管壁粗糙度K =0.15mm ,求该风管直径d 及风管摩擦阻力R 。
管路阻⼒计算公式管道阻⼒计算(第1版)⽬录1 长管和短管 (2)2 沿程⽔头损失计算公式 (2)2.1 达西公式(适⽤于圆管满流)[2] (2)2.1.1 沿程阻⼒系数计算公式 (2)2.1.1.1 柯尔勃洛克‐齐恩公式[12] (2)2.1.1.2 海曾‐威廉(Hazen‐Wllliams)公式[3] (2)2.1.1.3 柯尔勃洛克‐怀特(Colebrook‐White)公式 (3)2.1.1.4 [14],[17] (3)2.1.1.5 管壁粗糙度 (4)2.1.1.6 流态和摩擦系数 (7)2.1.1.6.1 舍维列夫公式 (7)2.1.1.6.2 常⽤计算⽔⼒摩阻的经验公式[13] (8)2.1.1.6.3 [17] (8)2.1.1.6.3 流态名词说明 (8)2.2 Strickler method [11] (9)2.3 海曾‐威廉公式 (9)2.3.1 Hazen and Williams method [11] (9)2.3.2 (10)2.4 舍维列夫公式2 [12] (11)2.5 [15] (12)2.6 沿程⽔头损失计算公式的适⽤范围[2] (12)3. 参考资料(略) (13)1 长管和短管在管道系统中,局部⽔头损失只占沿程⽔头损失的10%以下,或管道长度⼤于1000倍管径时,在⽔⼒计算中可略去局部⽔头损失和出⼝流速⽔头,称为长管;否则称为短管。
在短管⽔⼒计算中应计算局部⽔头损失和管道流速⽔头[1]。
长沙三昌泵业有限公司主导产品为⾼扬程泵,其配套的管道系统主要为长管,所以本⽂主要说明长管的计算。
2 沿程⽔头损失计算公式2.1 达西公式(适⽤于圆管满流)[2]h f =λD l g v 22式中:λ—沿程阻⼒系数; l —管道长度,m ; D —管道内径,m ; v —平均流速,m/s ; g —重⼒加速度,m/s 22.1.1 沿程阻⼒系数计算公式 2.1.1.1 柯尔勃洛克‐齐恩公式[12]2.1.1.2 海曾‐威廉(Hazen ‐Wllliams)公式[3]海曾‐威廉(Hazen ‐Wllliams)粗糙系数[4]管道材料 C W 管道材料C W 塑料管 150 新铸铁管、涂沥青或⽔泥的铸铁管 130 ⽯棉⽔泥管120~140使⽤5年的铸铁管、焊接钢管 120 混凝⼟管、焊接钢管、⽊管120 使⽤10年的铸铁管、焊接钢管110 ⽔泥衬⾥管 120 使⽤20年的铸铁管 90~100陶⼟管110使⽤30年的铸铁管75~902.1.1.3 柯尔勃洛克‐怀特(Colebrook ‐White)公式柯尔勃洛克‐怀特公式适于各种紊流,是适⽤性和计算精度最⾼的公式之⼀。
管路阻力计算公式管路阻力是指液体在管道内流动时所受到的阻碍,其大小取决于流体的性质、管道的几何尺寸和流动的条件。
在实际工程中,准确计算管路阻力对于流体输送和工艺设计至关重要。
下面将介绍管路阻力的计算公式。
1.法氏公式法氏公式是计算管道流动阻力最常用的公式之一、它适用于圆形截面的水平、直立管道以及部分较短的水平、上升弯头。
其计算公式如下:ΔP=λ(L/D)(ρV^2/2)其中,ΔP为管道中的压力损失,单位为帕斯卡(Pa);λ为摩擦阻力系数,根据管道的材料及条件可以查表或参考标准值;L为管道的长度,单位为米(m);D为管道的内径,单位为米(m);ρ为流体的密度,单位为千克/立方米(kg/m^3);V为流体的流速,单位为米/秒(m/s)。
2.公因数法公因数法是另一种计算管道阻力的常用方法,适用于两端是同一直径的水平、上升和下降的圆管。
其计算公式如下:ΔP=KρV^2/2其中,ΔP为压力损失,单位为帕斯卡(Pa);K为公因数,其具体数值根据管道的条件可查表或参考标准值;ρ为流体的密度,单位为千克/立方米(kg/m^3);V为流体的流速,单位为米/秒(m/s)。
3.长度加速度法长度加速度法适用于水平直管或上升/下降弯头的计算中。
其计算公式如下:ΔP=1/2ρv^2(fL+g)其中,ΔP为压力损失,单位为帕斯卡(Pa);ρ为流体的密度,单位为千克/立方米(kg/m^3);v为流体的流速,单位为米/秒(m/s);f为管道长度与管径之比;L为管道长度,单位为米(m);g为液体的头压。
4.简化法式对于实际工程中的一些简化计算,可以采用以下常见的简化公式:-窄圆管公式:ΔP=32μLV/D^2,其中μ为动力黏度;-多种流状态公式:ΔP=αρV^2/2,其中α为系数;-工程系数法式:ΔP=βρV^2/2,其中β为系数。
需要注意的是,以上列出的公式都是针对一些特定条件下的近似计算公式,实际计算中需要结合具体的工程情况和流体参数,选择合适的公式进行计算。
5局部阻力的计算与管路计算局部阻力的计算是管路设计中非常重要的一个环节,它用于确定管道系统中各个局部部件的阻力大小。
这些局部阻力主要包括弯头、管节、节流装置、阀门和管口等。
下面我将详细介绍局部阻力的计算方法以及管路设计中的一些重要考虑因素。
一、弯头的计算弯头是管道系统中常见的一种局部阻力。
弯头的阻力主要取决于其曲率半径、角度和流体的流速。
一般情况下,弯头的阻力可以通过以下公式进行计算:ΔP=K×ρ×v²/2其中,ΔP表示弯头所产生的压力降,K表示弯头阻力系数,ρ表示流体密度,v表示流体流速。
具体的弯头阻力系数K可以通过查阅相关资料或利用实验数据进行确定。
二、管节的计算管节是管道系统中连接两个直管段的部件,其阻力受到管道内径、管长、流体流速以及管节的形状等因素的影响。
一般情况下,管节的阻力可以通过以下公式进行计算:ΔP=K×ρ×v²/2其中,ΔP表示管节所产生的压力降,K表示管节阻力系数,ρ表示流体密度,v表示流体流速。
具体的管节阻力系数K可以通过查阅相关资料或利用实验数据进行确定。
三、节流装置的计算节流装置是管道系统中一种特殊的局部阻力部件,它通过改变流体流速和管道截面积来产生阻力。
节流装置主要包括节流阀和孔板等。
一般情况下,节流装置的阻力可以通过以下公式进行计算:ΔP=K×ρ×v²/2其中,ΔP表示节流装置所产生的压力降,K表示节流装置阻力系数,ρ表示流体密度,v表示流体流速。
具体的节流装置阻力系数K可以通过查阅相关资料或利用实验数据进行确定。
四、阀门的计算阀门是管道系统中常见的一种局部阻力部件,其阻力取决于流体所通过的阀门类型、开度以及流体流速等因素。
ΔP=K×ρ×v²/2其中,ΔP表示阀门所产生的压力降,K表示阀门阻力系数,ρ表示流体密度,v表示流体流速。
具体的阀门阻力系数K可以通过查阅相关资料或利用实验数据进行确定。
2.1水系统管路阻力估算、管路及水泵选择a)确定管径一般情况下,按5℃温差来确定水流量(或按主机参数表中的额定水流量),主管道按主机最大能力的总和估算,分支管道按末端名义能力估算。
根据能力查下面《能力比摩阻速查估算表》,选定管型。
b)沿程阻力计算根据公式沿程阻力=比摩阻×管长,即H y=R×L,pa,计算时应选取最不利管路来计算:第一步:采用插值法计算具体的适用比摩阻,比如能力为7.5kW,范围属于“6<Q≤11”能力段,K r=39.4,进行插值计算。
R=104+(7.5-6)×39.4=163.1 pa/m第二步:根据所需管长计算沿程阻力,假设管长L=28m,则H y= R×L=163.1×28=4566.8 pa=4.57 kpac)局部阻力计算作为估算,一般地,把局部阻力估算为沿程阻力的30-50%,当阀门、弯头、三通等管件较多的时候,取大值。
实际计算采用如下公式:Hj=ξ*ρv2/2,ξ---局部阻力系数,ρv2/2---动压ρv2/2动压查表插值计算,ξ局部阻力系数参考下表取值:d)水路总阻力计算及水泵选型水路总阻力包括:所有管道的沿程阻力、阀门、弯头、三通等管件的局部阻力、室外主机的换热器阻力(损失)、室内末端阻力(损失),后面两项与不同的主机型号和末端相关。
计算式为:H q=H y+H j+H z+H m+H fH z——室外主机换热器阻力,一般取7m水柱H m——室内末端阻力H f——水系统余量,一般取5m水柱;总阻力计算完成后,就可以根据总阻力选取流量满足要求的情况下能提供不小于总阻力扬程的水泵来匹配水系统。
选取水泵时要根据“流量——扬程曲线”来确定,但扬程和流量不能超出所需太大(一般不超过20%),避免导致出现水力失调和运行耗能较高。
水系统的沿程阻力和局部阻力与系统水流量和所采用的管径相关,流量、管径及所使用各种配件的多少决定总阻力,流量取决于主机能力(负荷)及送回水温差,流量确定的情况下,管径越大,总阻力越小,水泵的耗能越小,但管路初投资会增大。
水泵扬程的计算公式本来就是估算,所以还不如彻底估算冷冻水泵扬程计算方法空调闭式水系统的扬程计算公式为:H=1.2∑△h,其中1.2为附加安全系数。
而∑△h为管路总阻力损失。
那么,∑△h是怎么计算的?对闭式水系统:∑△h=Hf+Hd+Hm。
Hf、Hd——水系统沿程阻力和局部阻力损失Pa。
Hm——设备阻力损失Pa。
冷冻水泵扬程估算方法估算方法1:暖通水泵的选择:通常选用比转数ns在130~150的离心式清水泵,水泵的流量应为冷水机组额定流量的1.1~1.2倍(单台取1.1,两台并联取1.2。
按估算可大致取每100米管长的沿程损失为5mH2O,水泵扬程(mH2O):Hmax=△P1+△P2+0.05L (1+K)△P1为冷水机组蒸发器的水压降。
△P2为该环中并联的各占空调未端装置的水压损失最大的一台的水压降。
L为该最不利环路的管长K为最不利环路中局部阻力当量长度总和和与直管总长的比值,当最不利环路较长时K 值取0.2~0.3,最不利环路较短时K值取0.4~0.6估算方法2:这里所谈的是闭式空调冷水系统的阻力组成,因为这种系统是量常用的系统。
1.冷水机组阻力:由机组制造厂提供,一般为60~100kPa。
2.管路阻力:包括磨擦阻力、局部阻力,其中单位长度的磨擦阻力即比摩组取决于技术经济比较。
若取值大则管径小,初投资省,但水泵运行能耗大;若取值小则反之。
目前设计中冷水管路的比摩组宜控制在150~200Pa/m范围内,管径较大时,取值可小些。
3.空调未端装置阻力:末端装置的类型有风机盘管机组,组合式空调器等。
它们的阻力是根据设计提出的空气进、出空调盘管的参数、冷量、水温差等由制造厂经过盘管配置计算后提供的,许多额定工况值在产品样本上能查到。
此项阻力一般在20~50kPa范围内。
4.调节阀的阻力:空调房间总是要求控制室温的,通过在空调末端装置的水路上设置电动二通调节阀是实现室温控制的一种手段。
二通阀的规格由阀门全开时的流通能力与允许压力降来选择的。