检查井盖安装检验批质量验收记录
- 格式:doc
- 大小:89.00 KB
- 文档页数:3
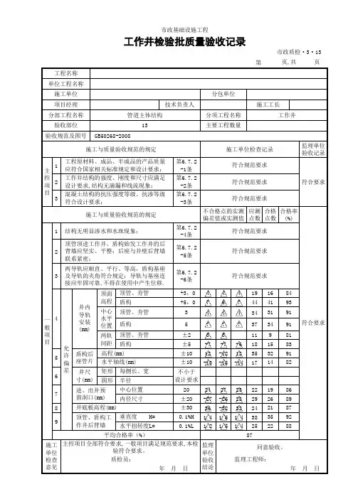
第页1/2/3/1/2/3/////////////8///施工单位检查结果监理单位验收结论井内 导轨 安装 (mm) 顶面 高程中心水平位置两轨 间距盾构后座管片井尺寸(mm)不小于 设计要求进、出井 预留洞口(mm) 顶管、盾构工作井后背墙主控项目一般项目45679允许偏差专业监理工程师:(签名)年 月 日注:H为后背墙的高度(mm);L为后背墙的长度(mm)。
专业工长:(签名)项目专业质量检查员:(签名)年 月 日垂直度0.1%H 水平扭转度0.1%L 内径尺寸±20井底板高程(mm)±30圆形半径中心位置20水平轴线(mm)±10矩形每侧长、宽盾构±5高 程(mm)±10盾构5顶管、夯管±2盾构+5, 0顶管、夯管3两导轨应顺直、平行、等高,盾构基座及导轨的夹角符合规定;导轨与基座连接应牢固可靠,不得在使用中产生位移第6.7.2-6条顶管、夯管+3, 0结构无明显渗水和水珠现象第6.7.2-4条顶管顶进工作井、盾构始发工作井的后背墙应坚实、平整;后座与井壁后背墙联系紧密第6.7.2-5条工作井结构的强度、刚度和尺寸应满足设计要求,结构无滴漏和线流现象第6.7.2-2条混凝土结构的抗压强度等级、抗渗等级符合设计要求第6.7.2-3条验收项目设计要求或 规范规定最小/实际 抽样数量检查记录检查 结果工程原材料、成品、半成品的产品质量应符合国家相关标准规定和设计要求第6.7.2-1条验收部位/区段检验批容量施工及验收依据《给水排水管道工程施工及验收规范》GB 50268项目负责人项目技术负责人分部(子分部)工程名称分项工程名称工程名称单位工程名称施工单位分包单位/市政基础设施工程工作井检验批质量验收记录市政验·管-13页,共。
检查井盖安装检验批质量验收记录表□□编号: 030005 01工程名称舟山市消防支队训练场地维修改造工程分部工程名称附属构筑物工程分项工程名称检查井盖安装施工单位舟山广华市政工程建设有限公司施工员孙权项目经理张启华分包单位/分包项目经理/施工班组长刘盛国工程数量8 只验收部分(桩号或井号)运动场 Y2-Y9项目技术负责人贺海祥交方班组接方班组检查日期2016年月日检验依据 / 允许偏差(规定值或±偏差值)检查数量检查结果 / 实测点偏差值或实测值检查序检查内容12345678910应测合格合格率项目号(㎜)范围点数点数点数( %)1原材料所用的原材料、预制构件的质量符合按进场批次合格证及检验报告编号:国家相关标准及设计要求。
主控2检查井位置位置正确,深度符合设计要求,安装逐个观察位置正确,深度符合设计要求,安装平整。
项目应平整。
3井座与井盖井座与井盖完好无损。
全数观察井座与井盖完好无损。
4井内抹灰面光滑无开裂,无线漏、滴漏现象全数观察抹灰面光滑无开裂,无线漏、滴漏现象1井座、井盖吻合≤8134275366981110一6般2井盖与路面高差-5 , 01-2-5-6-2-4-3-5-8-7-4119每座-3项目(方井)长、宽+20,03井内尺寸115(圆井)直径+20,015812121015161712111110013井深0, -201-10 -8 -12 -10 -15 -12 -8-9 -10-81111100-13合格施工单位检查评定结论项目专业质量检查员:(签字)监理(建设)单位意见监理工程师:(签字)(或建设单位项目专业技术负责人):(签字)年月日注:本表由施工项目专业质量检查员填写,监理工程师(建设单位项目技术负责人)组织项目专业质量检查员等进行验收,并应按上表进行记录。
表检查项目主控项目检查井盖安装检验批质量验收记录□□编号: 030005 0 2工程名称舟山市消防支队训练场地维修改造工程分部工程名称附属构筑物工程分项工程名称检查井盖安装施工单位舟山广华市政工程建设有限公司施工员孙权项目经理张启华分包单位/分包项目经理/施工班组长刘盛国工程数量 4 只验收部分(桩号或井号)W2~W7项目技术负责人贺海祥交方班组接方班组检查日期2016年月日检验依据 / 允许偏差(规定值或±偏差值)检查数量检查结果 / 实测点偏差值或实测值序检查内容12345678910应测合格合格率号(㎜)范围点数点数点数( %)1原材料所用的原材料、预制构件的质量符合按进场批次合格证及检验报告编号:国家相关标准及设计要求。
电力检查井检验批质量验收记录本文记录了电力电缆检查井的检验批质量验收记录。
其中,墙内外抹面、勾缝、座浆、末三角灰均用1:2防水水泥砂浆。
检查井基础采用C15砼,井身采用MU10机砖。
支管管道坡度可根据现场标高设置,但须大于1%。
主控项目全部合格,一般项目符合设计及规范要求。
具体检查项目包括砂浆强度、轴线偏位、圆井直径或方井长宽、井底高程等。
规定值或允许偏差值在合格标准内,实测数据符合验收标准的规定。
其中,砂浆强度、轴线偏位、圆井直径或方井长宽、井底高程等均符合验收标准的规定。
监理单位验收记录见砂浆试验报告。
经过施工单位检查评定,质量检查员和监理工程师均认为符合验收标准的规定。
最终验收结论为合格。
实测数据显示,该工程在施工单位检查评定记录中符合验收标准的规定。
砂浆强度、轴线偏位、圆井直径或方井长宽、井底高程等检查项目均符合规定值或允许偏差值在合格标准内。
墙内外抹面、勾缝、座浆、末三角灰均使用1:2防水水泥砂浆,检查井基础采用C15砼,井身采用MU10机砖,支管管道坡度可根据现场标高设置,但须大于1%。
在主控项目中,全部合格,一般项目符合设计及规范要求。
电力电缆检查井的分包单位施工工长、技术负责人和质量验收标准的规定均符合要求。
监理(建设)单位验收记录见砂浆试验报告。
对于一般项目,井盖与相邻路面高差、检查井的圆井直径或方井长宽等检查项目均符合规定值或允许偏差值在合格标准内。
主控项目全部合格,一般项目符合设计及规范要求。
施工单位检查评定结果符合验收标准的规定,实测数据显示砂浆强度、轴线偏位、圆井直径或方井长宽、井底高程等检查项目均符合规定值或允许偏差值在合格标准内。
监理(建设)单位验收记录见砂浆试验报告。
检查井检验批质量检验记录一、检验项目1.外观检验:对检查井的外观进行全面检查,包括井盖、井壁、井底等部位的表面是否平整,有无变形、破损以及裂缝等缺陷。
2.尺寸检验:对检查井的尺寸进行测量,包括井盖的直径、井筒的内径、井底的深度等指标,以确保符合设计要求。
3.标志检验:检查井应该有明显的标志,以便于识别和定位。
对检查井的标志进行检验,包括标定的字体、标志的位置是否正确。
4.材料检验:检查井的材料应符合相关的标准和要求,进行材料检验。
包括检查井井壁材料、井盖材料的材质、强度等指标。
5.密封性检验:对检查井的密封性进行检验,以确保防止地下水的渗入。
检查井的井壁、井盖之间的连接部位是否密封良好。
6.漏水试验:对已安装的检查井进行漏水试验,以验证其漏水情况。
在试验时需要加压至一定数值,并观察井底和井壁是否有明显的漏水现象。
7.电气性能检验:对设备井进行电气性能检验,包括检查接地电阻、电缆连接的可靠性、接线盒的保护性能等。
二、检验结果记录1.外观检验结果记录对检查井的外观进行检查后,记录其表面平整度、有无变形和破损的情况。
如有变形或破损,需进一步做出处理和修复。
2.尺寸检验结果记录对检查井的尺寸进行测量后,记录测量结果,包括井盖的直径、井筒的内径、井底的深度等指标。
如有超出设计要求的情况,需要采取措施进行调整。
3.标志检验结果记录对检查井的标志进行检验后,记录标志的位置是否正确、字体是否清晰可辨。
如有问题,需进行调整和修复。
4.材料检验结果记录对检查井的材料进行检验后,记录材料的材质和强度等指标是否符合要求。
如不符合要求,需要更换材料。
5.密封性检验结果记录对检查井的密封性进行检验后,记录连接部位是否密封良好。
如有漏水情况,需要重新进行密封处理。
6.漏水试验结果记录对已安装的检查井进行漏水试验后,记录试验的加压数值以及井底和井壁是否有明显的漏水现象。
如有漏水情况,需要重新进行处理和修复。
7.电气性能检验结果记录对设备井进行电气性能检验后,记录接地电阻、电缆连接的可靠性和接线盒的保护性能等指标。