检查井盖安装检验批质量验收记录审批稿
- 格式:docx
- 大小:56.80 KB
- 文档页数:4
检查井检验批质量检验记录一、引言检查井是城市下水道系统中的重要组成部分,它起着连接和检查管道的作用。
为了确保检查井的质量,需要进行定期的检验和质量检验。
本文档记录了一次检查井检验批的质量检验记录。
二、检查井基本信息1. 检验批号:JP20210012. 检查井位置:XX市XX区XX街道XX号3. 检查井材料:混凝土4. 检查井规格:直径1米,高度2米三、检查井检验内容1. 外观质量检验(1) 检查井表面光洁,无明显裂缝、麻面和凹凸不平等缺陷。
(2) 检查井底部排水孔设计合理,并无堵塞。
(3) 检查井四周周边无渗漏现象。
2. 尺寸和位置偏差检验(1) 使用测量工具,测量检查井直径,应符合设计尺寸要求,允许偏差小于等于±5mm。
(2) 使用水平仪,检测检查井是否垂直,并符合设计要求。
3. 强度和稳定性检验(1) 在检查井壁上进行敲击测试,声音应均匀清脆,无空洞松散现象。
(2) 在检查井顶部施加垂直负荷,观察是否有明显变形和裂缝。
4. 检查井材料检验(1) 送实验室进行混凝土抗压强度测试,达到设计要求。
(2) 观察混凝土搅拌过程,确认材料质量以及施工工艺合理性。
四、检验结果记录根据以上检验内容,本次检查井检验结果如下:1. 外观质量检验:合格2. 尺寸和位置偏差检验:合格3. 强度和稳定性检验:合格4. 检查井材料检验:合格五、存在的问题及处理建议经过本次检验,未发现任何问题。
六、检验人员签名检验人员1:__________ 检验日期:__________检验人员2:__________ 检验日期:__________七、结论本次检查井检验批质量检验符合设计和施工要求,所有检验项目均合格。
八、附件1. 检查井设计图纸2. 检查井施工方案3. 混凝土抗压强度测试报告以上是对检查井检验批质量检验的记录。
通过定期的检验和质量检验,可以确保检查井的质量达到设计和施工要求,提高城市下水道系统的运行效率和安全性。
第页1/2/3/1/2/3/////////////8///施工单位检查结果监理单位验收结论井内 导轨 安装 (mm) 顶面 高程中心水平位置两轨 间距盾构后座管片井尺寸(mm)不小于 设计要求进、出井 预留洞口(mm) 顶管、盾构工作井后背墙主控项目一般项目45679允许偏差专业监理工程师:(签名)年 月 日注:H为后背墙的高度(mm);L为后背墙的长度(mm)。
专业工长:(签名)项目专业质量检查员:(签名)年 月 日垂直度0.1%H 水平扭转度0.1%L 内径尺寸±20井底板高程(mm)±30圆形半径中心位置20水平轴线(mm)±10矩形每侧长、宽盾构±5高 程(mm)±10盾构5顶管、夯管±2盾构+5, 0顶管、夯管3两导轨应顺直、平行、等高,盾构基座及导轨的夹角符合规定;导轨与基座连接应牢固可靠,不得在使用中产生位移第6.7.2-6条顶管、夯管+3, 0结构无明显渗水和水珠现象第6.7.2-4条顶管顶进工作井、盾构始发工作井的后背墙应坚实、平整;后座与井壁后背墙联系紧密第6.7.2-5条工作井结构的强度、刚度和尺寸应满足设计要求,结构无滴漏和线流现象第6.7.2-2条混凝土结构的抗压强度等级、抗渗等级符合设计要求第6.7.2-3条验收项目设计要求或 规范规定最小/实际 抽样数量检查记录检查 结果工程原材料、成品、半成品的产品质量应符合国家相关标准规定和设计要求第6.7.2-1条验收部位/区段检验批容量施工及验收依据《给水排水管道工程施工及验收规范》GB 50268项目负责人项目技术负责人分部(子分部)工程名称分项工程名称工程名称单位工程名称施工单位分包单位/市政基础设施工程工作井检验批质量验收记录市政验·管-13页,共。
井圈、井盖及支架安装检验批质量验收记录编号:篇二:检查井盖安装检查井盖安装检验批质量检验记录表 a.0.1 编号:注:1、本表由施工项目专业质量检查员(制表人)填写,监理工程师(建设单位项目技术负责人)组织项目专业质量检查员等进行验收,并应按上表进行记录。
篇三:市政工程竣工验收证书莞质安监统编 2010建设-9p2-1市政工程竣工验收证书工程名称:30100912 建设-9 p2-2 篇四:井盖采购合同井盖采购合同合同编号:cz2012--3 甲方: 乙方:遵循平等、自愿、公平和诚实信用的原则,根据《中华人民共和国合同法》有关条款规定,经双方友好协商达成以下合同。
第一条: 标的、数量、价款1、2、标的名称:球墨铸铁井盖;规格、型号、数量: (单位:mm)3、4、5、生产厂家: 总金额: 273668元(支付以实际到货为准);以上价格含普通发票及运输费。
第二条: 质量要求与技术标准:1.乙方按甲方提供井盖图样生产,甲方需签字盖章生效;2.方形井盖800*800,合同签订前,乙方提供样品,经双方共同检验确认后封样存放于甲方,作为本合同约定标的物材料进场验收的依据;3.圆形重型井盖按图集97s501-1(41.43)生产,圆形轻型井盖按图集97s501-1(37.39)生产,并依次为验收的依据;4.雨水篦子450*750, 按图集05s518生产,并依次为验收的依据;5、图集由双方共同签章确认,作为本合同附件,与本合同具有相同法律效力。
第三条: 交货时间、地点及方式1、甲方通知乙方将货物送至指定地点宏润机电城院内;2、运输费用由乙方支付,甲方负责卸车费用。
第四条: 结算依据1、结算总额为:单价×供货数量。
第五条:货款支付1、货物运至现场甲方验收合格后一次性付清所运送货物的款项。
第六条:合同履行期间双方文书往来送达地址合同履行期间双方互相提供并确认自己准确的送达地址,包括送达地址的邮政编码、详细地址以及受送达人的联系电话等内容,作为双方商定履行合同事宜的联系放式。
检查井盖安装检验批质量验收记录表□□编号: 030005 01工程名称舟山市消防支队训练场地维修改造工程分部工程名称附属构筑物工程分项工程名称检查井盖安装施工单位舟山广华市政工程建设有限公司施工员孙权项目经理张启华分包单位/分包项目经理/施工班组长刘盛国工程数量8 只验收部分(桩号或井号)运动场 Y2-Y9项目技术负责人贺海祥交方班组接方班组检查日期2016年月日检验依据 / 允许偏差(规定值或±偏差值)检查数量检查结果 / 实测点偏差值或实测值检查序检查内容12345678910应测合格合格率项目号(㎜)范围点数点数点数( %)1原材料所用的原材料、预制构件的质量符合按进场批次合格证及检验报告编号:国家相关标准及设计要求。
主控2检查井位置位置正确,深度符合设计要求,安装逐个观察位置正确,深度符合设计要求,安装平整。
项目应平整。
3井座与井盖井座与井盖完好无损。
全数观察井座与井盖完好无损。
4井内抹灰面光滑无开裂,无线漏、滴漏现象全数观察抹灰面光滑无开裂,无线漏、滴漏现象1井座、井盖吻合≤8134275366981110一6般2井盖与路面高差-5 , 01-2-5-6-2-4-3-5-8-7-4119每座-3项目(方井)长、宽+20,03井内尺寸115(圆井)直径+20,015812121015161712111110013井深0, -201-10 -8 -12 -10 -15 -12 -8-9 -10-81111100-13合格施工单位检查评定结论项目专业质量检查员:(签字)监理(建设)单位意见监理工程师:(签字)(或建设单位项目专业技术负责人):(签字)年月日注:本表由施工项目专业质量检查员填写,监理工程师(建设单位项目技术负责人)组织项目专业质量检查员等进行验收,并应按上表进行记录。
表检查项目主控项目检查井盖安装检验批质量验收记录□□编号: 030005 0 2工程名称舟山市消防支队训练场地维修改造工程分部工程名称附属构筑物工程分项工程名称检查井盖安装施工单位舟山广华市政工程建设有限公司施工员孙权项目经理张启华分包单位/分包项目经理/施工班组长刘盛国工程数量 4 只验收部分(桩号或井号)W2~W7项目技术负责人贺海祥交方班组接方班组检查日期2016年月日检验依据 / 允许偏差(规定值或±偏差值)检查数量检查结果 / 实测点偏差值或实测值序检查内容12345678910应测合格合格率号(㎜)范围点数点数点数( %)1原材料所用的原材料、预制构件的质量符合按进场批次合格证及检验报告编号:国家相关标准及设计要求。
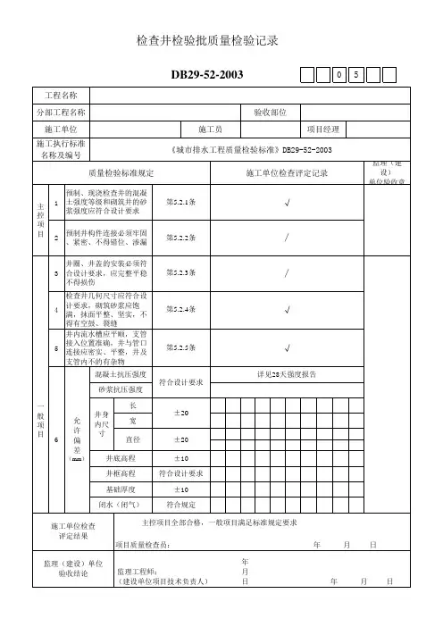
检查井检验批质量验收记录范文表检查井查验批质量查收记录表工程名称大叶公路周边公司纳管工程检查部位傲珈生物公司路段污水井施工单位上海庆吉建筑工程有限公司分包单位施工履行标准名称及编号《给排水管道工程及查收规范》GB50268-2008分包单位分包专业工长施工项目经理(施工员)班组长质量查收规程的规定施工单位检查评定记录监理(建设)单位查收建议水泥及外加剂的质量一定切合主1设计要乞降现行产品标准的规切合要求控定。
进场后一定复验后方可使用项2沙浆强度等级一定切合设计要求。
切合要求目3砌体水平灰缝的沙浆饱满度不切合要求得少于 80%4井壁一定相互垂直,不得有通缝切合要求1砌筑时砖应提早 1-2d浇水润湿切合要求灰缝平均齐整,缝宽切合要求,2竖向灰缝不得出现透明缝、瞎缝切合要求和假缝,勾缝不得有零落或漏勾3组砌方法应正确,上、下错缝,切合要求内外搭砌4井室基础应与管道基础同时浇筑————井室砌筑时,应同时安装踏步,地点应正确,踏步安装后,在砌5筑沙浆或砼未达到设计抗压强切合要求度前不得践踏。
砼井室的踏步在预制或现浇时安装6井框、井盖一定完好无损,安装切合要求安稳,地点正确一7检查井抹面压光、平坦、坚固,切合要求般不得有空鼓、裂痕等现象。
井内流槽应平顺圆滑,预留支管项目的管径、方向、高程应切合设计8要求,井与管口连策应密实、平切合要求整,井及只支管内不得有建筑垃圾等杂物。
9井身内尺寸直径± 201211569101415 10井底高程± 101353-1-8-4-9 11井盖高程± 532214521 12基础厚度± 10-15678379踏步安水平间距13垂直间距± 10装外露长度高14脚窝宽± 10深15流槽宽度± 10-1-5-6-71345施工单位检查评定表项目质量检查员:年代日监理(建设)单位查收结论专业监理工程师:月日年(建设单位项目技术负责人)。
沉井检验批质量验收记录一、项目概况沉井是指在建筑工程中用于排水、防涝或取水等目的而设立的地下储水设施。
本文档记录了对沉井工程的质量验收情况。
二、检验批信息1. 工程名称:沉井工程2. 工程地点:xxxxxx(具体地址)3. 检验批编号:CI-2021-XXXX4. 检验日期:2021年X月X日三、检验人员1. 主检人员:姓名(职务)2. 协检人员:姓名(职务)3. 参与人员:姓名(职务)四、检验内容1. 材料验收1.1 检查记录了沉井工程所使用的主要材料,包括沉井井筒、井盖、进水管道等,并对其品质进行了检查。
1.2 检查了材料的合格证、出厂合格检验报告等相关文件是否齐全,并与实际材料进行核对。
2. 施工质量验收2.1 检查了沉井井筒的尺寸和形状是否符合设计要求,并进行了测量和记录。
2.2 检查了沉井井筒内部的光滑度、平整度和垂直度,并进行了观察和评估。
2.3 检查了沉井井盖的尺寸和平整度,以及与井筒的协调性。
2.4 检查了沉井进水管道的连接是否牢固,是否存在渗漏等问题。
3. 安全验收3.1 检查了沉井工程施工期间采取的安全措施是否到位,并对其进行了评估和记录。
3.2 调查了工程施工过程中是否发生过安全事故,并核对了相应的事故记录。
五、存在问题及处理措施1. 问题描述:记录了沉井工程中存在的问题,例如井筒尺寸偏差较大、井盖有裂缝等情况。
2. 处理措施:详细描述了针对每个问题所采取的处理措施,例如重新调整井筒尺寸、更换井盖等。
六、验收结论根据对沉井工程的检验和评估,结合存在的问题及处理措施,得出对该批次工程的验收结论。
七、附录1. 沉井工程设计图纸2. 沉井工程施工合同及相关文件3. 沉井工程质量检验报告以上即为本次沉井检验批质量验收记录的全部内容。
根据该记录,可以对沉井工程的质量状况进行评估和验收,并针对存在的问题采取相应的处理措施,确保工程质量符合要求。