检查井盖安装检验批质量验收记录
- 格式:docx
- 大小:12.92 KB
- 文档页数:3
WORD 格式可以编辑
专业资料整理 检查井工程检验批质量验收记录表
市政验收-14
工程名称
分部分项 工程名称 验收部位 施工单位项目经理技术负责人
施工执行标准
名称及编号
质量验收规范的规定施工单位检查记录监理(建设)单位验收记录
主 控 1所用的原材料、预制构件符合国家标准和设计要求 2砌筑水泥砂浆强度、结构混凝土强度符合设计要求;项
目 砌筑结构应灰浆饱满、灰缝平直,不得有通缝、瞎缝;
混凝土结构无严重质量缺陷;井室无渗水、
水珠现象;
3
井壁抹面应密实,不得有空鼓,裂缝等现象;
混凝土无1 明显湿渍现象;
井内部构造符合设计和水力工艺要求,且部位位置及尺 2寸正确,无建筑垃圾等杂物;检查井流槽应平顺、圆滑、 光洁;
3井室内踏步位置正确、牢固
4井盖、座规格符合设计要求、安装稳固
检查项目允许偏差(mm )
1平面轴线位置(轴向、垂直轴向)15
2结构断面尺寸+10,0
一 般 3 井室 尺寸 长、宽 直径
±20 项 目 4 井口 高程 农田或绿地+20 路面与道路规定一致
5 井底 开槽法管道铺设
Di ≤1000±10 Di >1000±15 高程 6不开槽法管道铺设 Di <1500+10,-20 Di ≥1500+20,-15
7踏步安装水平及垂直间距、外露长度+10
8脚窝高、宽、深+10
9流槽宽度+10
施工单
位检查
结果 专业技术负责人:质检工程师:技术负责人:年月日
监理单
位审查
专业监理工程师: 结论
年月日
建设单
位验收 结论 现场负责人:
年月日。
检查井盖安装检验批质量验收记录表□□编号: 030005 01工程名称舟山市消防支队训练场地维修改造工程分部工程名称附属构筑物工程分项工程名称检查井盖安装施工单位舟山广华市政工程建设有限公司施工员孙权项目经理张启华分包单位/分包项目经理/施工班组长刘盛国工程数量8 只验收部分(桩号或井号)运动场 Y2-Y9项目技术负责人贺海祥交方班组接方班组检查日期2016年月日检验依据 / 允许偏差(规定值或±偏差值)检查数量检查结果 / 实测点偏差值或实测值检查序检查内容12345678910应测合格合格率项目号(㎜)范围点数点数点数( %)1原材料所用的原材料、预制构件的质量符合按进场批次合格证及检验报告编号:国家相关标准及设计要求。
主控2检查井位置位置正确,深度符合设计要求,安装逐个观察位置正确,深度符合设计要求,安装平整。
项目应平整。
3井座与井盖井座与井盖完好无损。
全数观察井座与井盖完好无损。
4井内抹灰面光滑无开裂,无线漏、滴漏现象全数观察抹灰面光滑无开裂,无线漏、滴漏现象1井座、井盖吻合≤8134275366981110一6般2井盖与路面高差-5 , 01-2-5-6-2-4-3-5-8-7-4119每座-3项目(方井)长、宽+20,03井内尺寸115(圆井)直径+20,015812121015161712111110013井深0, -201-10 -8 -12 -10 -15 -12 -8-9 -10-81111100-13合格施工单位检查评定结论项目专业质量检查员:(签字)监理(建设)单位意见监理工程师:(签字)(或建设单位项目专业技术负责人):(签字)年月日注:本表由施工项目专业质量检查员填写,监理工程师(建设单位项目技术负责人)组织项目专业质量检查员等进行验收,并应按上表进行记录。
表检查项目主控项目检查井盖安装检验批质量验收记录□□编号: 030005 0 2工程名称舟山市消防支队训练场地维修改造工程分部工程名称附属构筑物工程分项工程名称检查井盖安装施工单位舟山广华市政工程建设有限公司施工员孙权项目经理张启华分包单位/分包项目经理/施工班组长刘盛国工程数量 4 只验收部分(桩号或井号)W2~W7项目技术负责人贺海祥交方班组接方班组检查日期2016年月日检验依据 / 允许偏差(规定值或±偏差值)检查数量检查结果 / 实测点偏差值或实测值序检查内容12345678910应测合格合格率号(㎜)范围点数点数点数( %)1原材料所用的原材料、预制构件的质量符合按进场批次合格证及检验报告编号:国家相关标准及设计要求。
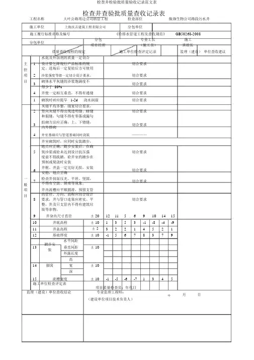
检查井检验批质量验收记录范文表检查井查验批质量查收记录表工程名称大叶公路周边公司纳管工程检查部位傲珈生物公司路段污水井施工单位上海庆吉建筑工程有限公司分包单位施工履行标准名称及编号《给排水管道工程及查收规范》GB50268-2008分包单位分包专业工长施工项目经理(施工员)班组长质量查收规程的规定施工单位检查评定记录监理(建设)单位查收建议水泥及外加剂的质量一定切合主1设计要乞降现行产品标准的规切合要求控定。
进场后一定复验后方可使用项2沙浆强度等级一定切合设计要求。
切合要求目3砌体水平灰缝的沙浆饱满度不切合要求得少于 80%4井壁一定相互垂直,不得有通缝切合要求1砌筑时砖应提早 1-2d浇水润湿切合要求灰缝平均齐整,缝宽切合要求,2竖向灰缝不得出现透明缝、瞎缝切合要求和假缝,勾缝不得有零落或漏勾3组砌方法应正确,上、下错缝,切合要求内外搭砌4井室基础应与管道基础同时浇筑————井室砌筑时,应同时安装踏步,地点应正确,踏步安装后,在砌5筑沙浆或砼未达到设计抗压强切合要求度前不得践踏。
砼井室的踏步在预制或现浇时安装6井框、井盖一定完好无损,安装切合要求安稳,地点正确一7检查井抹面压光、平坦、坚固,切合要求般不得有空鼓、裂痕等现象。
井内流槽应平顺圆滑,预留支管项目的管径、方向、高程应切合设计8要求,井与管口连策应密实、平切合要求整,井及只支管内不得有建筑垃圾等杂物。
9井身内尺寸直径± 201211569101415 10井底高程± 101353-1-8-4-9 11井盖高程± 532214521 12基础厚度± 10-15678379踏步安水平间距13垂直间距± 10装外露长度高14脚窝宽± 10深15流槽宽度± 10-1-5-6-71345施工单位检查评定表项目质量检查员:年代日监理(建设)单位查收结论专业监理工程师:月日年(建设单位项目技术负责人)。
井室检验批质量验收记录一、前言井室检验批质量验收记录是对井室施工过程中的质量进行检验和验收的重要文件。
井室是指地下的储水结构,一般用于蓄水、供水等用途。
井室施工质量直接关系到井室的使用寿命和安全性能,因此对井室施工质量进行严格把控是非常必要的。
二、检验批信息检验批编号:XXX施工单位:XXX公司检验批名称:井室施工施工地点:XXX地区施工日期:XX年XX月XX日至XX年XX月XX日三、质量验收标准根据相关的施工规范和标准,我们对井室施工的质量进行验收。
验收标准主要包括以下几个方面:1.安全性能:井室的结构稳定性和承载能力符合设计要求,能够抵抗自然灾害和地质灾害的冲击。
2.材料选用:井室使用的材料符合国家和地方的标准,无裂纹、渗漏等质量问题。
3.施工工艺:井室施工过程中的工艺符合规范要求,无过大或过小的施工误差。
4.排水系统:井室的排水系统设置合理,能够有效排水,避免积水和渗漏问题。
5.防渗漏措施:井室的防渗漏措施齐全,能够有效预防地下水渗透。
6.环境保护:井室施工过程中做好环境保护工作,无污染物外溢或影响周边环境的问题。
四、质量验收过程1.施工前验收:在施工开始前,对施工方案、材料选用、工艺措施等进行评审,确保符合验收标准。
2.施工过程检验:在施工过程中,定期对井室的施工情况进行检查和评估,及时发现和解决施工质量问题。
3.施工结束验收:施工完成后,对井室的结构、材料、工艺等进行全面检查和验收,确保符合验收标准。
4.质量验收记录:根据实际施工情况,编制质量验收记录,详细记录井室施工的各项质量指标,以备后续查阅和分析。
五、质量验收结果经过以上的质量验收过程,我们综合评估了井室施工的质量,并得出了以下结果:1.结构稳定性良好,符合设计要求。
2.材料选用符合标准,无明显质量问题。
3.施工工艺规范,无大的施工误差。
4.排水系统合理,能够有效排水。
5.防渗漏措施完善,能够有效预防地下水渗透。
6.施工过程中做好了环境保护工作,无污染物外溢或影响周边环境的问题。
检查井检验批质量验收记录表工程名称大叶公路周边企业纳管工程检查部位傲珈生物公司路段污水井施工单位上海庆吉建筑工程有限公司分包单位施工执行标准名称及编号《给排水管道工程及验收规范》GB50268-2008分包单位分包项目经理专业工长(施工员)施工班组长主控项目质量验收规程的规定施工单位检查评定记录监理(建设)单位验收意见1水泥及外加剂的质量必须符合设计要求和现行产品标准的规定。
进场后必须复验后方可使用符合要求2 砂浆强度等级必须符合设计要求。
符合要求3砌体水平灰缝的砂浆饱满度不得少于80%符合要求4 井壁必须互相垂直,不得有通缝符合要求一般项目1 砌筑时砖应提前1-2d浇水湿润符合要求2灰缝均匀整齐,缝宽符合要求,竖向灰缝不得出现透明缝、瞎缝和假缝,勾缝不得有脱落或漏勾符合要求3组砌方法应正确,上、下错缝,内外搭砌符合要求4 井室基础应与管道基础同时浇筑————5井室砌筑时,应同时安装踏步,位置应准确,踏步安装后,在砌筑砂浆或砼未达到设计抗压强度前不得踩踏。
砼井室的踏步在预制或现浇时安装符合要求6井框、井盖必须完整无损,安装平稳,位置准确符合要求7检查井抹面压光、平整、坚实,不得有空鼓、裂缝等现象。
符合要求8井内流槽应平顺圆滑,预留支管的管径、方向、高程应符合设计要求,井与管口连接应密实、平整,井及只支管内不得有建筑垃圾等杂物。
符合要求9 井身内尺寸直径±20 12 11 5 6 9 10 14 1510 井底高程±10 1 3 5 3 -1 -8 -4 -911 井盖高程±5 3 2 2 1 4 5 2 112 基础厚度±10 -1 5 6 7 8 3 7 913踏步安装水平间距±10垂直间距外露长度14 脚窝高±10宽深15 流槽宽度±10 -1 -5 -6 -7 1 3 4 5施工单位检查评定表项目质量检查员:年月日监理(建设)单位验收结论专业监理工程师:(建设单位项目技术负责人)年月日。