建筑制图与识图试卷及答案.doc
- 格式:doc
- 大小:60.00 KB
- 文档页数:4
建筑制图与识图专项考核试题一、选择题1工程常用的投影法分为两类:中心投影法和(1[单选题]*A、平行投影法VB、斜投影法C s正投影法D、点投影法2 .标题栏一般应位于图纸的()方位。
[单选题]*A s正上方B、右上方C、左下方D、右下方√3 .图样中,机件的可见轮廓线用()画出。
[单选题]*A、粗实线√B、虚线U细实线D、细点划线4 .图样中,机件的不可见轮廓线用()画出。
[单选题]*A、粗实线C、细实线D s细点划线5 .图样中,机件的尺寸线和尺寸界限用()画出。
[单选题]*A、粗实线B、虚线U细实线VD s细点划线6 .图样中,机件的对称中心线和轴线用()画出。
[单选题]*A、粗实线B、虚线C、细实线D s细点划线√7 .表面都是由若干个平面所围成的几何形体,称为()。
[单选题]*A、正方体B、多面体C、平面基本体√D、曲面体8 .与三个投影面都()的平面,称为一般位置平面。
[单选题]*A s垂直B、平行D、以上均可9 .平行于W面的直线称为(1[单选题]*A、水平线B、侧平线VC、正平线D、一般位置平面10 .垂直于W面的直线称为()。
[单选题]*A、侧垂线√B、中垂线C、正垂线D、铅垂线11 .垂直于一个投影面,()于另外两个投影面的直线.称为投影面垂直线。
[单选题]*A s垂直B、平行VU倾斜D、任意位置12 .在图纸上必须用()画出图框。
[单选题]*A、虚线B、实线U点画线D、粗实线√13 .正投影的基本性质()。
[单选题]*A、真实性B、积聚性U类似性D、以上均可√14 .平行于H面的直线称为()。
[单选题]*A、水平线√B、侧平线U正平线D、一般位置平面15 .平行于V面的直线称为(1[单选题]*A、水平线B、侧平线C、正平线√D、一般位置平面16 .角度的尺寸数字一律按()位置书写。
[单选题]*A s水平√B s垂直U水平向左D、水平向右17 .截交线的性质()。
[单选题]*A、共有性B、封闭性U公有性和封闭性VD、均不正确18 .一个完整的尺寸应该包括()三部分。
建筑制图及识图试题含答案一、单选题(共43题,每题1分,共43分)1.比例宜注写在图名的()。
A、右侧B、中间C、左侧D、下方正确答案:A2.填充不得穿越尺寸数字,不可避免时。
应该是()A、图线断开B、二者重合C、省略标注D、前述均可正确答案:A3.平行于正投影坐标轴(X轴)的直线是()。
A、侧平线B、正垂线C、侧垂线D、水平线正确答案:C4.平行于正投影坐标轴(y轴)的直线是()。
A、水平线B、侧垂线C、正垂线D、侧平线正确答案:C5.坡度大于等于1/2的屋面,易受雷击的部位是()A、屋角、屋脊、檐角、屋檐B、檐角、女儿墙、屋檐C、屋脊、屋角、女儿墙D、屋角、屋脊、檐角正确答案:D6.在施工中,L代表().A、墙B、板C、柱D、梁正确答案:D7.墙体是房屋的一个重要组成部分,按墙的平面位置不同分为().A、承重墙与非承重墙B、纵墙与横墙C、外墙和内墙D、砖墙与钢筋混凝土墙正确答案:C8.房屋建筑的各种视图主要是采用()绘制的。
A、正投影法B、斜投影法C、平行投影法D、标高投影法正确答案:A9.建筑平面图、剖面图应以()A、轴测投影法B、直接标高投影法C、投影法D、直接正投影法正确答案:D10.一般情况下,建筑工程图纸中的图标栏设置在图框内的()。
A、右下角B、左上角C、右上角D、左下角正确答案:A11.平面与圆球相交,截交线的空间形状是()。
A、圆B、椭网C、直线D、双曲线正确答案:A12.有一配件图其比例为1:2,从图上量得高度5mm,其实际高度是().A、50mmB、1mmC、10mmD、5mm正确答案:C13.房屋结构中空心板的代号为。
()A、CBB、WBC、KBD、ZB正确答案:C14.立面图不能按()方式命名。
A、轴线B、朝向C、主出入口D、色彩正确答案:D15.正投影中,位于水平面上的直线可能是()。
A、水平线B、侧平线C、正平线D、一般位置直线正确答案:A16.用于确定组合体中各基本形体之间相互位置的尺寸称为()A、定位尺寸B、总尺寸C、定型尺寸D、细部尺寸正确答案:A17.同张图纸中,图线中的粗线宽度为b,则细线的宽度为()b。
建筑工程制图与识图试卷(一)一、填空:(6小题×5分,共30分)1、建筑总平面图中标注的尺寸是以米为单位,一般标注到小数点后2 位;其它建筑图样(平、立、剖面)中所标注的尺寸则以毫米为单位;标高都以米为单位。
2、总平面图是用来表示整个建筑基地的总体布局,包括建筑红线:新建建筑物的位置朝向,新建建筑物与原有建筑物的关系以及新建筑区域的道路、绿化、地形、地貌、标高等情况。
《国家制图标准》规定:总平面图的常用比例应为1:500,1:1000, 1:2000。
3、总平面图中新建房屋的层数标注在右上角,一般低层、多层用__点数___表示,高层用__数字__表示。
4、建筑立面图是平行于建筑物各个立面(外墙面)的正投影图,主要用来表达房屋的长度,高度,层数等外貌和外墙装修构造。
5、立面图中用加粗实线表示_地平线_,用粗实线表示_最外轮廓线_。
6、建筑剖面图是建筑物的垂直剖面图,它是表示建筑物内部垂直方向的_________________________________等情况的图样。
剖面图的剖切位置一般选择在较复杂的部位,如通过___________________________________等部位。
表示剖面图剖切位置的剖切符号应表示在______层平面图中。
二、简答题:(2小题×10分,共20分)1、图样上标注直线尺寸时,尺寸的起止符号画法是如何规定的?2、何为全剖面图?一般适用于什么情况?三、、选择题(2小题×3分,共6分)已知立体的主、俯视图,判断( a)、(b)、(c)、(d)四个左视图,哪一个是正确的。
()()四、作图题(3小题共44分)1. 根据所给组合体的主视图,构想两种不同的组合体并画其俯、左视图。
(12分)2.已知组合形体的正立面图和左侧立面图,试作1-1断面图和2-2剖面图(12分)2-2 剖面图1-1断面图3.在由砖砌筑的基础墙和毛石砌筑的大放脚的基础详图中,完成:(20分)(1)画出砖及混凝土图例。
《建筑工程制图与识图》试卷一、单项选择题(每小题2分,共60分)1、柱子内部钢筋按受力方向分为()两类A.纵向钢筋、横向箍筋(正确答案)B.箍筋、拉筋C.基础插筋、中部钢筋D.主筋、次筋2、直线AB的W面投影反映实长,该直线为()。
A.水平线B.正平线C.侧平线(正确答案)D.侧垂线3我国以青岛附近的黄海平均海平面定为零点的标高称()标高。
A建筑B结构C绝对(正确答案)D相对4标题栏放在图纸的()。
A右下角(正确答案)B左下角C右上角D左上角5、找出与投影图相对应的立体图形(D )6、在建筑施工图中,出现详图索引符号其中分母的3 表示()A.图纸的图幅为3号B.详图所在图纸编号为3(正确答案)C.被索引的图纸编号为3D.详图(节点)的编号为37、在建筑施工图中,标高单位为()A.米(正确答案)B.分米C.厘米D.毫米8、在总平面图中用粗实线画出的图例其意为()A.围墙B.原有的建筑物C.要拆除的建筑物D.新建的建筑物(正确答案)9、点在直线上,点的投影仍在直线的投影上,这是正投影的()。
A.积聚性B.同素性C.从属性(正确答案)D.定比性10、A2图纸尺寸为()A.841594B.594420 (正确答案)C.420297D.21029711、图样上的尺寸包括尺寸界线、尺寸线、()。
A.尺寸起止数字和尺寸字母B.尺寸起止符号和尺寸数字(正确答案)C.尺寸起止字母和尺寸线段D.尺寸起止线段和尺寸符号12、尺寸线应用细实线绘制,应与被注()。
A.高度平行B.长度平行(正确答案)C.宽度平行D.角度平行13、圆柱的顶面和底面的正立面投影和左侧立面投影都积聚成()。
A.曲线B.直线(正确答案)C.平行线D.弧线14、梁平面注写包括集中标注与原位标注,施工时,以()取值优先。
A.集中标注B.原位标注(正确答案)C.平面标注D.截面标注15、梁平法中标注的KL1(2A)表示()。
A.1号框架梁,两跨一端带悬挑(正确答案)B.1号框架梁,两跨两端带悬挑C.1号非框架梁,两跨一端带悬挑D.1号非框架梁,两跨两端带悬挑16、当梁上部纵筋多余一排时,用什么符号将各排钢筋自上而下分开()A./(正确答案)B.;C.C.+17、抗震箍筋的弯钩构造要求采用135度弯钩,弯钩的平直段取值为:(B)A.10d 85mm中取大值(正确答案)d 85mm中取大值d 85mm中取大值B.10d 75mm中取大值C.12d 85mm中取大值D.12d 75mm中取大值18、架立钢筋同支座负筋的搭接长度为:(C)A.15d(正确答案)B.12dd B.12dd B.12d C.150 D.25019、柱的第一根箍筋距基础顶面的距离是()。
建筑制图与识图考试题与答案一、单选题(共50题,每题1分,共50分)1、建筑物的墙体根据其受力特征分为承重墙和()。
A、非承重墙B、高层C、墙面D、多层正确答案:A2、标高符号应该用()三角形表示。
A、任意B、不等边C、等腰直角D、等边正确答案:C3、在建筑平面图上不能看到()oA、门窗的高度B、内墙位置C^地坪标高D、门洞宽度正确答案:A4、绘制指北针的尾部宽度为()mm。
A、5B、3C、4D、6正确答案:B5、施工图文件内容编排顺序依次为:封面,图纸目录,(),图纸,工程预算书,材料样板及做法表等。
A、扉页B、设计及施工说明C>序言D、中缝正确答案:B6、长仿宋字的宽度为10毫米,那么字高为()mm oA、10B、7C>14D、20正确答案:C7、每个图样一般都是由()种宽度的图线组成。
A、2B、1C、3D、4正确答案:C8、图号应从()开始编制。
A、3B、1C、0D、2正确答案:B9、三面投影图的特点是()。
A、度量性差B、符合视觉习惯C、立体感强D、没有立体感,但是尺寸可以度量正确答案:D10、指北针符号,圆用细实线绘制,圆的直径正确的是()。
A、25mmBs20mmC>24mmD、22mm正确答案:C11、要查阅顶棚上的装饰图形,一般从()中查得。
A、装饰剖面图B、装饰平面图C、吊顶平面图D、装饰立面图正确答案:C12、用1:50比例绘图,实际尺寸10M,图纸尺寸是()oA^400mmB、200mmC^100mmD、300mm正确答案:B13、识读图纸时,通过()看各专业施工图纸有多少张,图纸是否齐全。
A、图纸目录B、平面图C、立面图D、设计说明正确答案:A14、完全对称的立面图,可只画一半,在对称轴处加绘()oA、对称符号B、直径符号C、省略符号D、连续编号正确答案:A15、立面图不能按()方式命名。
A、朝向B、色彩C、轴线D、主入口正确答案:B16、绘图用三角板有()种。
建筑制图与识图试题及答案一、单项选择题(每题2分,共20分)1. 建筑制图中,比例尺是用来表示图纸与实际物体大小之间的比例关系,以下哪个比例尺是正确的?A. 1:100B. 1:1000C. 1:500D. 1:10000答案:A2. 在建筑平面图中,以下哪个符号通常用来表示门?A. ◉B. ▢C. ▣D. ◊答案:B3. 建筑立面图中,以下哪个表示法是用来表示窗户的?A. 三线表示法B. 四线表示法C. 五线表示法D. 六线表示法答案:A4. 在建筑剖面图中,剖面线通常采用哪种线型?A. 实线B. 虚线C. 点画线D. 波浪线答案:B5. 以下哪个不是建筑详图中常用的表示方法?A. 索引符号B. 引出线C. 比例尺D. 标高答案:C6. 建筑制图中,尺寸标注的基本原则是什么?A. 清晰、准确、完整B. 简洁、美观、实用C. 随意、快速、方便D. 复杂、详细、全面答案:A7. 在建筑制图中,以下哪个单位不是长度单位?A. 米B. 厘米C. 毫米D. 平方米答案:D8. 建筑总平面图中,以下哪个符号通常用来表示绿化区域?A. ▢B. ▣C. ▧D. ▨答案:C9. 在建筑制图中,以下哪个不是结构平面图的内容?A. 墙体B. 楼板C. 楼梯D. 照明布局答案:D10. 建筑制图中,以下哪个符号通常用来表示柱子?A. ⊗B. ⊕C. ⊙D. ⊚答案:B二、填空题(每空2分,共20分)11. 建筑制图中,墙体的厚度通常用________表示。
答案:粗实线12. 在建筑平面图中,房间的面积可以通过________和________来确定。
答案:长度、宽度13. 建筑立面图中,________用来表示建筑物的垂直面。
答案:投影线14. 建筑剖面图中,________用来表示建筑物内部的结构和构造。
答案:剖面线15. 建筑详图中,________是用来详细表示建筑物某个部分的图。
答案:详图16. 建筑制图中,________是表示建筑物高度的一种标注方式。
期末考试试卷(一)一、填空题(下列各题的备选答案中只有一个选项是正确的,请把正确答案填写在括号中。
每小题2分,共10分)1.图样中的汉字应写成。
2.在结构施工图中,除标高外,其余尺寸单位以______计。
3.若两平面在某投影面的投影均积聚成直线,且互相平行,则两平面_____。
4、两正垂面的交线必为______线。
5、当采用1:1000的比例绘图时,比例尺上的1mm代表实际长度为______。
二、判断题(下列各题,请在你认为正确的题后的括号打√错误的打×。
每小题2分,共20分)1.点的水平投影和侧面投影的连线垂直OX轴。
( )2.水平投影反映实长的直线,一定是水平线。
()3.虚线与其它图线相交应交于线段处。
()4.投影面垂直线在所垂直的投影面上的投影必积聚成为一个点。
()5.垂直H面的平面,皆称为铅垂面。
()6.投影面平行面,其三投影必有一面反映平面实形,另两投影积聚为两直线。
()7.图纸的幅面是指图纸的大小,常用的有A0~A4五种基本规格。
()8.绕正垂线旋转,可将一条正平线变成铅垂线或侧垂线。
()9.尺寸线用来表示所标注尺寸的范围。
()10.在剖面图中,为了使图形清晰,不能画任何虚线表示不可见部分。
()三、单项选择题(下列各题的备选答案中只有一个选项是正确的,请把正确答案填写在括号中。
每小题2分,共10分)1、已知在H投影中反映两相交直线夹角的真实大小,则两直线()A.其中之一平等于H投影面B.其中之一平行于V投影面C.两条直线均平行于H投影面D.两条直线均平行于V投影面2、在正等测投影中,变形系数(即轴向伸缩系数)()相等。
A.p,q;B.p,r;C.p,q,r;D.q,r3、已知水平、正立面投影图,正确的侧立面投影图是()。
4、尺寸线用来表示()。
A、所注尺寸的范围B、尺寸的起止C、尺寸的方向D、尺寸大小5、粗实线一般用途为()。
A、可见轮廓线B、不可见轮廓线C、主要可见轮廓线D、图例线四、根据立体图,补全投影图中的图线。
《建筑制图与识图》
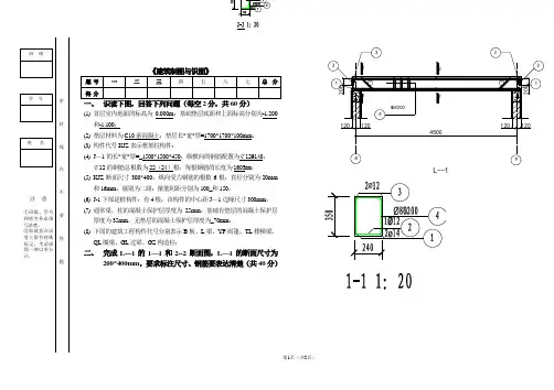
一、识读下图,回答下列问题(每空2分,共60分)
(1)首层室内地面的标高为0.000m;基础垫层底面和上面标高分别为-1.200
和-1.100;
(2)垫层材料为C10素混凝土;垫层长*宽*厚=1700*1700*100mm;
(3)构件代号KJZ表示框架柱构件;
(4)J—1的长*宽*厚=_1500*1500*450;纵横向的钢筋配置为¢12@140;
¢12的钢筋总根数为22(24)根;每根钢筋的长度为1605mm;
(5)KJZ断面尺寸300*400;纵向受力钢筋的根数6根;直径分别为20mm
和16mm;级别为二级;箍筋间距分别为100_和150;
(6)J-1下部是桩构件;有4根;该构件的中心距J—1边缘尺寸300mm;
(7)通常梁、柱的混凝土保护层厚度为25mm;基础有垫层的混凝土保护层
厚度为35mm,无垫层的混凝土保护层厚度为_70mm;
(8)下面的建筑工程构件代号分别表示B板、L梁、YP雨篷、TL楼梯梁、
QL圈梁、GL过梁、GZ构造柱;
二、完成L---1的1—1和2--2断面图,L—1的断面尺寸为
200*400mm,要求标注尺寸、钢筋要表达清楚(共40分)
L--1。
建筑制图与识图考试题及答案B卷一、单项选择题(每题2分,共20分)1. 建筑制图中,表示建筑物内部空间的图是:A. 平面图B. 立面图C. 剖面图D. 详图答案:C2. 建筑制图中,用于表示建筑物高度的图是:A. 平面图B. 立面图C. 剖面图D. 详图答案:B3. 建筑制图中,表示建筑物内部结构的图是:A. 平面图B. 立面图C. 剖面图D. 详图答案:D4. 建筑制图中,用于表示建筑物外观的图是:A. 平面图B. 立面图C. 剖面图D. 详图5. 在建筑制图中,尺寸标注的起点线通常用:A. 点划线B. 虚线C. 细实线D. 粗实线答案:A6. 建筑制图中,表示建筑物轴线的线是:A. 点划线B. 虚线C. 细实线D. 粗实线答案:D7. 在建筑制图中,表示建筑物内部墙体的线是:A. 点划线B. 虚线C. 细实线D. 粗实线答案:C8. 建筑制图中,表示建筑物内部门窗位置的线是:A. 点划线B. 虚线C. 细实线D. 粗实线答案:B9. 在建筑制图中,表示建筑物内部楼梯的线是:B. 虚线C. 细实线D. 粗实线答案:C10. 建筑制图中,表示建筑物内部管道的线是:A. 点划线B. 虚线C. 细实线D. 粗实线答案:B二、填空题(每题2分,共20分)1. 建筑制图中,表示建筑物内部空间的图是______。
答案:剖面图2. 在建筑制图中,尺寸标注的起点线通常用______。
答案:点划线3. 建筑制图中,表示建筑物轴线的线是______。
答案:粗实线4. 建筑制图中,表示建筑物内部墙体的线是______。
答案:细实线5. 在建筑制图中,表示建筑物内部门窗位置的线是______。
答案:虚线6. 建筑制图中,表示建筑物内部楼梯的线是______。
答案:细实线7. 建筑制图中,表示建筑物内部管道的线是______。
答案:虚线8. 在建筑制图中,用于表示建筑物外观的图是______。
答案:立面图9. 建筑制图中,用于表示建筑物高度的图是______。
《建筑识图》题库及答案一、单项选择题:(共100题,每题1分。
每题只有一个被选最符合题意,请将它选出并填入括号内)1.国标中规定施工图中水平方向定位轴线的编号应是()A大写拉丁字母B)英文字母C) 阿拉伯字母D) 罗马字母2附加定位轴线2/4是指()A 、4号轴线之前附加的第二根定位轴线B)4轴线之后附加的第二根定位轴线C) 2号轴线之后的第4根定位轴线D)2号轴线之前附加的第4根定位轴线2.索引符号图中的分子表示的是()A、详图所在图纸编号B) 被索引的详图所在图纸编号C) 详图编号D) 详图在第几页上3.有一图纸量得某线段长度为5.34cm,当图纸比例为1:30时,该线段实际长度是()米。
A)160.2 B)17.8 C)1.062 D)16.02 5.门窗图例中平面图上和剖面图上的开启方向是指()A朝下,朝左为外开B) 朝上,朝右为外开C)朝下,朝右为外开D) 朝上,朝左为外开6.房屋施工图中所注的尺寸单位都是以()为单位。
A)以米为单位B)以毫米为单位C) 除标高及总平面图上以米为单位外,其余一律以毫米为单位D) 除标高以米为单位外,其余一律以毫米为单位7. 图标中规定定位轴线的编号圆圈一般用()A)8mm B) 10mm C) 6mm D)14mm8. 总平面图中用的风玫瑰图中所画的实线表示()A)常年所剖主导风风向B) 夏季所剖主导风风向C) 一年所剖主导风风向D) 春季所剖主导风风向9. 建施中剖面图的剖切符号应标注在()A)底层平面图中B) 二层平面图中C) 顶层平面图中D)中间层平面图中10. 楼梯平面图中标明的“上”或“下”的长箭头是以哪为起点()A)都以室内首层地坪为起点B) 都以室外地坪为起点C) 都以该层楼地面为起点D) 都以该层休息平台为起点11. 楼梯平面图中上下楼的长箭头端部标注的数字是指()A)一个梯段的步级数B) 该层至上一层共有的步级数C) 该层至顶层的步级数D) 该层至休息平台的步级数12. 与建筑物长度方向一致的墙,叫()A)纵墙B) 横墙C) 山墙D) 内墙13. 施工图中标注的相对标高零点±0.000是指()A)青岛附近黄海平均海平面B) 建筑物室外地坪C) 该建筑物室内首层地面D) 建筑物室外平台14. 计算室内使用面积的依据是()A)轴线到轴线间尺寸B) 墙外皮到墙外皮C) 墙内皮到墙内皮D) 开间乘以进深15. 建筑物的层高是指()A)相邻上下两层楼面间高差B) 相邻两层楼面高差减去楼板厚C) 室内地坪减去室外地坪高差D) 室外地坪到屋顶的高度16. 定位轴线的位置是指()A)墙的中心线B) 墙的对称中心线C) 不一定在墙的中心线上D) 墙的偏心线17. 有一窗洞口,洞口的下标高为-0.800,上标高为2.700,则洞口高为()A)2.700 B) 1.900 C) 3.500 D)0.80018. 结施中常用的构件代号DL是表示()A)地梁B) 吊车梁C) 大梁D)吊梁19. 楼梯的踏步数与踏面数的关系是()A)踏步数= 踏面数B) 踏步数-1= 踏面数C) 踏步数+1= 踏面数D) 踏步数+2= 踏面数20. 房间的开间方向的尺寸是指()A)竖直方向定位轴线间尺寸B) 纵向定位轴线间尺寸C) 水平方向定位轴线间尺寸D) 房间宽度方向间尺寸21. 墙上有一预留槽,标注的尺寸是300×400×120底距地面1.5m,该槽宽度为()A)300 B) 400 C) 120 D)1.5m22. 楼梯梯段的水平投影长度是以11×250=2750形式表示的,其中11表示的是()A)踏步数B) 步级数C) 踏面数D)踏面宽23. 建筑平面图的形成是()A)水平剖面图B) 水平正投影图C) 垂直剖面图D)纵向剖面图24.建筑总平面图中新建房屋的定位依据中用坐标网格定位所表示的X,Y是指( )A)施工坐标B) 建筑坐标C) 测量坐标D)投影坐标25. 建筑平面图图示特点规定如在中间各层构造尺寸相同的情况下平面图可以省略只画()层A)一层B) 二层C) 三层D) 四层26. 施工图中总平面图常用的比例为()A)1:100 B) 1:200 C) 1:500 D) 1:5027. 若一栋建筑物水平方向定位轴线为①-⑾,竖直方向定位轴线为A -E,朝向是座北朝南,则立面图E-A轴应为()A)西立面图B) 东立面图C) 南立面图D) 北立面图28. 施工图中的比例表示是指()A)图线:线型B) 实物:图形C) 图形:D) 图形:线型29. 楼梯详图的图纸包括()A)平、剖面图、详图B) 平、剖面图C) 平、立面图、详图D) 详图30. 钢筋混凝土构件中的钢筋的保护层是指()A)钢筋的内皮至构件表面B) 钢筋的中心至构件表面C) 钢筋的外皮至构件表面D) 钢筋的内皮至构件内皮31. 基础埋置深度是指()的垂直距离A)室内地坪到基础底部B) 室外地坪到基础底部C) 室外地坪到垫层底面D) ±0.000到垫层表面32. 结施中@是钢筋的间距代号,其含义是()A)钢筋相等中心距离B) 钢筋的外皮至外皮C) 钢筋的内皮至内皮D) 钢筋的外皮至内皮33. 在结构平面图中板配置双层钢筋时,底层钢筋弯钩应是()A)向下或向右B) 向下或向右C) 向上或向左D) 向上或向右34. 在钢筋详图中,计算钢筋的设计长度是指()A)内皮尺寸B) 中-中C) 外皮尺寸D)构件尺寸135. 有一梁长为3840mm,保护层25 mm,它的箍筋用Φ6@200表示,该梁的箍筋根数为()A)18 B) 19 C) 20 D) 2136. 有一预应力钢筋混凝土空心板构件详图中,配筋有“12Φb4”, 其中的“b”表示()A)板的代号B) 钢筋级别代号C) 冷拔低碳钢丝D) 冷拉低碳钢丝37. 有一梁长3840mm,保护层为25mm,梁内受力筋为2Φ14的直筋,每根受力筋的下料长度应为()A)3790mm B) 3923mm C) 3965mm D) 3840mm38. 钢筋混凝土构件中钢筋的保护层厚度在正常环境下梁和拄应为()A)15 B) 20 C) 25 D) 1039. 在结构平面图中6YKB336—2中“33”表示的是()A)板宽B) 板高C) 板跨D) 荷载等级40. 局部剖切索引符号所表示的剖视方向为()A)剖切位置线一侧B) 引出线一C) 两侧都可以D) 粗短线一侧41. 墙上有一预留槽,标注的尺寸500×600×150底距地面1.5m,该槽高度为()A)500 B) 600 C) 150 D) 1.5m 42. 若某建筑物房间与卫生间的地面高差为0.020,标准层高为3.600,则该楼三层卫生间地面标高度应为()A)-0.020 B) 7.180 C) 3.580 D)3.60043. 图中符号“-4×40”中的“-”是指()A)负号B) 扁钢、钢板代号C) 减号D) 数量44. 钢筋在构件中按其作用不同可分为()种类A)4种B) 5种C) 6种D) 3种45. 在结构平面布置图中KB30—092表示板宽为()A)90mm B) 900mm C) 9m D) 900cm46. 在建筑立面图中,应用的线型宽度共有()种A)二种B) 三种C) 四种D) 五种47. 预应力钢筋混凝土是指()A)对钢筋预加压力B) 对混凝土预加压力C) 对混凝土预加拉力D) 对构件预加拉力48. 建筑平面图的常用比例为()A)1:500 B) 1:20 C) 1:1000 D) 1:10049. 在建筑识图中一般应遵守的识图原则是()A)由总体到局部B) 由局部到总体C) 由详图到总图D) 有设备到建筑50.图纸上尺寸线应采用()A)粗实线B) 细实线C) 点划线D) 波浪线51.根据《房屋建筑制图统一标准》的规定,工程图纸可优先选用的幅面规格有()种。
20XX年9月份考试建筑制图与识图第一次作业一、单项选择题(本大题共80分,共 20 小题,每小题 4 分)1. 直线()于投影面,其正投影积聚成一点。
A. 倾斜B. 平行C. 垂直2. 施工图中的标高数字以()为单位。
A. 毫米B. 厘米C. 米3. ()的W面投影反映实长及对另两投影面的真实倾角。
A. 水平线B. 正平线C. 侧平线4. 直线的正投影不可能为()。
A. 点B. 直线C. 平面5. 平面图形()于投影面,其投影反映实形。
A. 倾斜B. 平行C. 垂直6. 特殊位置平面不包括()于投影面的平面。
A. 平行B. 垂直C. 倾斜7. 形体的摆放应使其投影图中()虚线。
A. 尽量减少B. 完全没有C. 尽量多8. 点的V面投影和H面的投影连线必定与X轴()。
A. 平行B. 垂直C. 重合9. 相互平行的图线,其间距不宜小于其中()线宽度。
A. 粗B. 中粗C. 细10. 标注尺寸时,()应与被标注长度平行。
A. 尺寸界线B. 尺寸线C. 尺寸起止符号11. 判别两铅垂面是否平行,只需检查它们的()是否相互平行。
A. H投影B. V投影C. W投影12. 若直角有一条边平行于某一投影面,则该直角在该投影面上的投影反映为()。
A. 直角B. 锐角C. 钝角13. 已知空间点有至少一个投影属于直线的同面投影,则该点()属于该直线。
A. 必定B. 不一定C. 一定不14. 相交两直线的同面投影不会出现()的情况。
A. 相交B.重合C.平行15. 与正垂线垂直的线一定是()。
A. 正垂线B. 正平线C. 一般线16. 平行尺寸线的间距,宜为()mm。
A. 4~6B. 7~10C. 11~1417. 图纸中可以根据需要不设的项目是()。
A. 图框B. 图标C. 会签栏18. 在三面正投影体系中,投影面垂直线在()个投影面上的投影平行于投影轴。
A. 1B. 2C. 319. 在三面正投影体系中,一般位置直线在()个投影面上的投影平行于投影轴。
建筑制图与识图试题及答案试题一:1. 什么是建筑制图?2. 建筑制图的基本原则有哪些?3. 简述手绘建筑制图的步骤和注意事项。
4. 请列举几种常用的建筑制图软件,并简要介绍其功能。
答案一:1. 建筑制图是指通过图纸、图面、草图等视觉化手段来表达建筑设计方案和构造细节的过程。
它是建筑设计师与工程师之间沟通的重要方式,也是建筑项目从概念到实施的关键环节。
2. 建筑制图的基本原则包括:准确性、规范性、清晰性、易读性和美观性。
首先,制图必须准确无误,尺寸、比例和细节要精确表达;其次,制图要符合规范,遵循国家和行业的相关标准;第三,制图要清晰易懂,符号和注释要明确;第四,制图要具有良好的可读性,能够快速传达信息;最后,制图要追求美观,注重布局和图形效果。
3. 手绘建筑制图的步骤主要包括:确定比例尺和图纸大小,绘制框架和辅助线,绘制主要线条和轮廓,添加图形细节和注释,最后进行润色和修饰。
在手绘制图过程中,需要注意绘图工具的选择和使用,线条的粗细和清晰度,阴影的处理等。
4. 常用的建筑制图软件包括AutoCAD、SketchUp、Revit和Archicad。
其中,AutoCAD是一种通用的二维制图软件,可以用于绘制平面图、立面图和剖面图等;SketchUp是一款三维建模软件,适用于快速创建建筑立体模型和渲染;Revit和Archicad都是专业的BIM软件,能够绘制三维建筑模型并进行设计与施工协作。
试题二:1. 什么是建筑识图?2. 建筑识图的重要意义是什么?3. 简述建筑识图的基本方法和步骤。
4. 在进行建筑识图时,应注意哪些问题?答案二:1. 建筑识图是指通过观察和分析图纸、图面或实际建筑物,识别出建筑物的平面结构、立面特点、构造细节等内容的过程。
它是建筑工程师和技术人员进行实际操作和施工的前提和基础。
2. 建筑识图的重要意义体现在以下几个方面:首先,可以帮助工程师和技术人员理解和解读设计图纸,确保施工过程的准确性和规范性;其次,可以帮助判断建筑材料和构造的合理性和安全性,提前发现潜在的问题和隐患;最后,可以促进施工过程的高效进行,减少错误和修正的发生,提高工程质量和效益。
建筑制图与识图试题及答案一、选择题(每题2分,共20分)1. 建筑制图中,常用的比例尺有哪些?A. 1:1000, 1:500, 1:200B. 1:100, 1:50, 1:20C. 1:10, 1:5, 1:2D. 1:10000, 1:5000, 1:20002. 以下哪个不是建筑制图中常用的图线类型?A. 实线B. 虚线C. 点划线E. 波浪线3. 建筑平面图中,表示墙体的图线是什么?A. 粗实线B. 细实线C. 虚线D. 点划线4. 建筑立面图中,表示屋顶的图线通常是什么?A. 粗实线B. 细实线C. 虚线D. 点划线5. 在建筑制图中,尺寸标注的基本要求是什么?A. 清晰、准确、完整B. 随意、模糊、不完整C. 简单、明了、不完整D. 复杂、准确、不清晰6. 建筑剖面图中,剖面线通常使用什么类型的线?A. 实线B. 虚线C. 点划线D. 波浪线7. 建筑制图中,门窗的表示方法是什么?A. 用实线表示B. 用虚线表示C. 用点划线表示D. 用波浪线表示8. 建筑制图中,楼梯的表示方法通常是什么?A. 用实线表示B. 用虚线表示C. 用点划线表示D. 用波浪线表示9. 在建筑制图中,轴线的作用是什么?A. 确定建筑物的中心位置B. 确定建筑物的对称性C. 确定建筑物的尺寸和位置D. 确定建筑物的朝向10. 建筑制图中,标注材料的常用方法是什么?A. 文字说明B. 图例表示C. 颜色区分D. 符号标记二、填空题(每题2分,共20分)11. 建筑制图中,平面图通常表示建筑物的_________面。
12. 建筑立面图通常表示建筑物的_________面。
13. 建筑剖面图通常表示建筑物的_________面。
14. 建筑制图中,尺寸标注应包括_________、_________和_________。
15. 建筑制图中,图例是用来表示_________的。
16. 建筑制图中,比例尺的作用是_________。
建筑制图及识图模拟练习题(附参考答案)一、单选题(共43题,每题1分,共43分)1.( )应用细实线绘制,一般应与被注线段垂直。
A、尺寸界线B、尺寸起止符号C、图线D、尺寸线正确答案:A2.墙体是房屋的一个重要组成部分,按墙的平面位置不同分为( ).A、外墙和内墙B、砖墙与钢筋混凝土墙C、承重墙与非承重墙D、纵墙与横墙正确答案:A3.尺寸标注时图样轮廓线可用作( )。
A、尺寸线B、尺寸界线C、尺寸起止符号D、尺寸数字正确答案:B4.标注图样尺寸时,有多道尺寸时,应注意( )。
A、小尺寸在外、大尺寸在内B、只标注大尺寸C、大尺寸在外、小尺寸在内D、只标注小尺寸正确答案:C5.标高符号的三角形为等腰直角三角形,髙约( )mm。
A、8B、3C、5D、6正确答案:B6.确定各基本形体大小的尺寸称为( )。
A、定位尺寸B、构造尺寸C、定形尺寸D、标志尺寸正确答案:C7.在下列四组立体中,都属于平面体的是( )。
A、棱柱、棱锥B、棱锥、圆锥C、圆柱、圆锥D、棱柱、圆柱正确答案:A8.钢筋混凝土管、陶土管、耐酸陶瓷管、缸瓦管等管材,管径宜以( )表示.A、外径DX壁厚B、内径dC、公称直径DND、以上都是正确答案:A9.坡度大于等于1/2的屋面,易受雷击的部位是( )A、屋角、屋脊、檐角、屋檐B、檐角、女儿墙、屋檐C、屋角、屋脊、檐角D、屋脊、屋角、女儿墙正确答案:C10.在图纸右下角用以说明设计单位、图名、设计负责人等内容的表格为( )。
A、图标B、图框C、图纸目录D、会签栏正确答案:D11.以下属于建筑施工图的是( )。
A、构件详图B、建筑立面图C、总平面图D、建筑剖面图正确答案:C12.建筑物防雷装置的接地体采用圆钢时,直径不小于( ).A、10mmB、6mmC、8mmD、12mm二、多选题(每题3分)正确答案:A13.圆锥体置于三面投影体系中,使其轴线垂直于H面,其水平投影为( )。
A、矩形B、一段圆弧C、椭圆D、圆正确答案:D14.用于确定组合体中各基本形体之间相互位置的尺寸称为( )A、总尺寸B、定位尺寸C、细部尺寸D、定型尺寸正确答案:B15.某构件形体是对称的,画图时把形体的一半画成剖面图,这样组合而成的投影图叫做( )A、局部剖面图B、全剖面图C、半剖面图D、展开剖面图正确答案:C16.某直线的水平面投影反映实长,该直线为( )。
建筑制图与视图习题及答案
一、填空题
1、工程建设制图中的主要可见轮廓线应选用粗实线
2、图样上的尺寸包括尺寸界线、尺寸线、_尺寸起止符号、尺寸数字
3、标高有相对标高和绝对标高 ,相对标高的零点是青岛附近黄海海平面
4、房屋施工图由于专业分工的不同,分为建筑施工图、结构施工图和设备施工图
5、指北针圆的直径宜为24mm ,用细实线绘制。
6、在建筑平面图中,横行定位轴线应用阿拉伯数字从左至右依次编写;竖向定位轴线应用大写拉丁字母从下至上顺序编写。
7、工程制图图幅幅面主要有5种。
8、根据不同的剖切方式,剖面图有全剖面图、阶梯剖面图、展开剖面图、局部剖面图和分层剖
面图。
9、为保护钢筋、防蚀防火,并加强钢筋与混凝土的粘结力,钢筋至构件表面应有一定厚度的混凝土,这层混凝土称为__混凝土保护层__。
10、民用建筑一般由基础、___墙和柱____、楼板层和地坪层、___楼梯__、屋顶、门窗等六大部分组成。
11、混凝土是由__水泥、沙子、石子和水__按一定例配合,经搅拌、捣实、养护而成的一种人造石。
二、单选题
1、在建筑平面图中,位于2和3轴线之间的第一根分轴线的正确表达为(A)。
(A) (B) (C) (D)
2.建筑的耐火等级可分为( B )级。
A、3
B、4
C、5
D、6
3、填充不得穿越尺寸数字,不可避免时。
应该是(A)
A、图线断开
B、二者重合
C、省略标注
D、前述均可
4、7-9层的住宅属于(C)
A、低层
B、多层
C、中高层 D 、高层
5、建筑平面图中的中心线、对称一般应用。
(C)
A、细实线
B、细虚线
C、细单点长画线
D、吸双点画线
6、建筑施工图中定位轴线端部的圆用细实线绘制,直径为(A)。
A、8-10mm
B、11-12mm
C、5-7mm
D、12-14mm
7、建筑施工图中索引符号的圆的直径为(B)。
A、8mm
B、10mm
C、12mm
D、14mm
8、建筑施工图上一般注明的标高是( B )。
A、绝对标高
B、相对标高
C、绝对标高和相对标高
D、要看图纸上的说明
9、建筑物结构承重可分为( D )。
A、墙承重式、框架结构
B、墙承重式
C、半框架结构,框架结构
D、墙承重式、框架结构、空间结构、半框架结构
10、有一栋房屋在图上量得长度为50cm,用的是1:100比例,其实际长度是( B ).
A 、5m
B 、50m
C 、500m
D 、5000m
11、建筑工程图中尺寸单位,总平面图和标高单位用( C )为单位。
A 、mm
B 、cm
C 、m
D 、km
12、施工平面图中标注的尺寸只有数量没有单位,按国家标准规定单位应该是( A )。
A 、mm
B 、cm
C 、m
D 、km
13. 下列投影图中正确的1 1剖面图是( B )。
1-1A 11
1-1B 1-1C 1-1D
14、下列立面图的图名中错误的是( A )
A 、房屋立面图
B 、东立面图
C 、 ⑦-----①立面图
D 、○A -----○F 立面图
15. 关于标高,下列( C )的说法是错误的。
A. 负标高应注“-”
B. 正标高应注“+”
C. 正标高不注“+”
D. 零标高应注“±”
16. 立面图不能按( C )方式命名。
A .朝向 B.轴线 C.色彩 D .主出入口
17. “φ8@200”没能表达出这种钢筋的( A )。
A. 弯钩形状
B. 级别
C. 直径
D. 间距
18. 详图索引符号为 圆圈内的3表示( C )。
A.详图所在的定位轴线编号
B.详图的编号
C.详图所在的图纸编号
D.被索引的图纸的编号
19、主要用来确定新建房屋的位置、朝向以及周边环境关系的是( C )。
A 建筑平面图
B 建筑立面图
C 总平面图
D 功能分区图
20、墙体是房屋的一个重要组成部分,按墙的平面位置不同分为( B ).
A 、纵墙与横墙
B 、外墙和内墙
C 、承重墙与非承重墙
D 、砖墙与钢筋混凝土墙
21、下列叙述中不正确的是( C )
A 、3%表示长度为100.高度为3的坡度倾斜度
B 、指北针一般画在总平面图和底层平面图上
C 、总平面图中的尺寸单位为毫米,标高尺寸单位为米
D 、总平面图的所有尺寸单位均为米,标注至小数点后二位
22、钢筋工程施工中要看懂( C )。
A 、总平面图
B 、土建施工图
C 、结构施工图
D 、土建施工图与结构施工图
23、基础各部分形状、大小、材料、构造、埋置深度及标号都能通过( B )反映出来。
A 、基础平面图
B 、基础剖面图
C 、基础详图
D 、总平面图
24、房屋结构中框架代号为.( A )
A 、KJ
B 、GJ
C 、CJ
D 、ZJ
25、结构施工土中的圈梁表示( B ) .
A 、GL
B 、QL
C 、JL
D 、KL
26、结构施工图中的楼梯梁的代号为。
(D )
A 、GL
B 、DL
C 、JL
D 、TL
27、在施工图中,M 代表( D ).
A 、窗
B 、墙
C 、梁
D 、门
28、在施工中,L代表( C ).
A、板
B、柱
C、梁
D、墙
29、在施工图中,C代表(B ).
A、门
B、窗
C、梁
D、柱
30、在钢筋混凝土构件代号中, “ GL”是表示(B ).
A、圈梁
B、过梁
C、连系梁
D、基础梁
31、在钢筋混凝土构件代号中, “ JL”是表示(D ).
A、圈梁
B、过梁
C、连系梁
D、基础梁
32、φL表示(B)。
A Ⅰ级光圆钢筋
B 冷拉Ⅰ级钢筋
C Ⅰ级锰硅人字纹钢筋
D Ⅰ级螺纹钢筋
33、标高符号的三角形为等腰直角三角形,髙约(A)mm。
A 3
B 5
C 6
D 8
33、不属于建筑平面图的是(A)。
A、基础平面图
B、底层平面图
C、标准层平面图
D、屋顶平面图
34下列建筑中不属于大众建筑的是(D)。
A、学校
B、旅社
C、医院
D、宿舍
35、一级建筑的耐久年限为(D)年。
A、15-25
B、25-50
C、50-100
D、100以上
36、对于风向频率玫瑰图说法错误的是(A)。
A、它是根据某一地区全年平均统计的各个方向顺风次数的百分数值,按一定比例绘制
B、实线表示全年风向频率
C、虚线表示夏季风向频率
D、图上所表示的风的吹向是指从外面吹向该地区中心,且画在总平面上
37、下列拉丁字母中,可以用做定位轴线编号的是(A)。
A、L
B、I
C、O
D、Z
38、在楼板平面图中,如下图所示的钢筋表示(B)钢筋。
A、顶层
B、底层
C、顶层和底层
D、都不是
39、梁编号KL5(3A)表示(A)。
A、框架梁KL5共有3跨,其中一端有悬挑。
B、框架梁KL5共有5跨,其中两端有悬挑。
C、框架梁KL5共有4跨,其中一端有悬挑。
D、框架梁KL5共有4跨,其中两端有悬挑。
40、(A)的作用是把门窗洞口上方的荷载传递给两侧的墙体。
A、过梁
B、窗台
C、圈梁
D、勒脚
三、判断题
1、断面图是假想用一剖切形体,画出剖切面切到部分的图形和末剖切到面可见部分的图形。
(×)
2、平面图定位轴线的竖向编号应用大写拉丁字母,从下至上顺序编写,其中的I、Q、J不得用作轴线编号。
(×)
3、总平面图是画在有等交线或坐标方格网的地形图上。
(√)
4、建筑立面图是平行于建筑物各方向外表立面的正投影图。
(√)
5、常用构件的代号“GL”表示基础梁。
(×)
6、结构施工图中的构造柱的代号是“GJ”。
(×)
7、钢筋混凝土结构施工图中“2Φ16”表示2根HPB235 级钢筋直径为16mm( ×) 8、梁内箍Φ6@200表示为HPB235级钢筋直径为6mm,钢筋中心距为200mm.(√)9、梁内的钢筋是由主筋(即受力筋),架立筋和箍筋所组成。
(√) 10、标高是表示建筑物各部分或各个位置相对于±0.00的高度。
(√)
知识改变命运。