钢轨尺寸图(清晰)
- 格式:pdf
- 大小:1.66 MB
- 文档页数:5
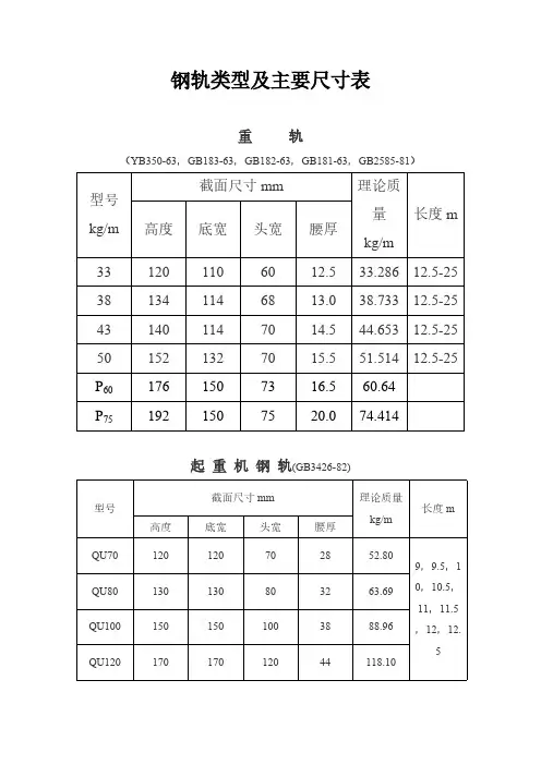
钢轨类型及主要尺寸表重轨(YB350-63,GB183-63,GB182-63,GB181-63,GB2585-81)截面尺寸mm型号kg/m高度底宽头宽腰厚理论质量kg/m长度m331201106012.533.28612.5-25 381341146813.038.73312.5-25 431401147014.544.65312.5-25 501521327015.551.51412.5-25 P601761507316.560.64P751921507520.074.414起重机钢轨(GB3426-82)截面尺寸mm型号高度底宽头宽腰厚理论质量kg/m长度mQU70120120702852.80 QU80130130803263.69 QU1001501501003888.96 QU12017017012044118.109,9.5,1 0,10.5,11,11.5,12,12.5轻轨(GB11264-89)轻轨截面尺寸及理论质量截面尺寸mm型号kg/m轨高底宽头宽头高腰高底高腰厚理论质量kg/m963.5063.5032.1017.4835.7210.30 5.908.94 1269.8569.8538.1019.8537.7012.307.5412.20 1579.3779.3742.8622.2243.6513.508.3315.20 2293.6693.6650.8026.9950.0016.6710.7222.30 30107.95107.9560.3330.9557.5519.4512.3030.10轻轨用接头夹板(GB11265-89)主要尺寸mm型号kg/m长度高度孔径孔数个理论质量kg/块938543.131440.81 1240946.50144 1.39 1540953.54184 2.20 2251061.73224 3.80 3056171.48224 5.54轻轨用垫板(GB11266-89)主要尺寸mm型号kg/m长度宽度理论质量kg/块15180100 1.522200120 2.230220130 2.7注:垫板按理论质量交货。
铁路钢轨知识:
(1)重型钢轨知识:每米公称重量大于30kg的钢轨。
火车钢轨和起重机轨都属
重轨。
火车钢轨:用于铺设铁路,要承受火车营运时的压力、冲击载荷和摩擦,要求有足够的强度和一定的韧性。
质量要求严格,除保证其化学成分外,还要求检验力学性能、落锤试验和酸浸低倍组织等。
生产厂有武钢、鞍钢、包钢和攀钢等。
起重机轨:即吊车轨,其高度较低,头宽及腰厚尺寸较大,只要求检验化学成分和抗拉强度。
用于铺设起重机大于及小车轨道。
生产厂有鞍钢和攀钢。
(2)轻型钢轨知识:是每米公称重量小于或等于30kg的钢轨。
轻轨的质量要求比重轨低,只要求检验其化学成分、抗拉强度、硬度和落锤试验等。
主要用途:轻轨主要用于
林区、矿区、工厂及施工现场等处铺设临时运输线路和轻型机车用线路。
铁路钢轨型号:。
(1)轻型钢轨型号,材质:Q235,55Q;规格:30kg/m,24kg/m,22kg/m,18kg/m,15kg/m,12kg/m,8kg/m。
(2)重型钢轨型号,材质:45MN,71MN;规格:50kg/m,43kg/m,38kg/m,33kg/m(2)起重钢轨型号,材质: U71MN;规格:QU70 kg /m,QU80 kg /m,QU100 kg /m,QU120 kg /m。
以上钢轨型号为常用钢轨型号。
七、轨道材料重量表钢轨的类型,以每1米大致质量kg数表示。
目前,我国铁路的钢轨类型主要有75kg/m、60kg/m、50kg/m及43kg/m。
世界上最重型的钢轨已达到77.5kg/m,我国也在重载线路上逐步铺设75kg/m钢轨。
钢轨标准长度为12.5m和25m两种。
铁路钢轨知识:(1)重型钢轨知识:每米公称重量大于30kg的钢轨。
火车钢轨和起重机轨都属重轨。
火车钢轨:用于铺设铁路,要承受火车营运时的压力、冲击载荷和摩擦,要求有足够的强度和一定的韧性。
质量要求严格,除保证其化学成分外,还要求检验力学性能、落锤试验和酸浸低倍组织等。
生产厂有武钢、鞍钢、包钢和攀钢等。
起重机轨:即吊车轨,其高度较低,头宽及腰厚尺寸较大,只要求检验化学成分和抗拉强度。
用于铺设起重机大于及小车轨道。
生产厂有鞍钢和攀钢。
(2)轻型钢轨知识:是每米公称重量小于或等于30kg的钢轨。
轻轨的质量要求比重轨低,只要求检验其化学成分、抗拉强度、硬度和落锤试验等。
主要用途:轻轨主要用于林区、矿区、工厂及施工现场等处铺设临时运输线路和轻型机车用线路。
铁路钢轨型号:(1)轻型钢轨型号,钢轨材质: Q235,55Q ;钢轨规格:30kg/m,24kg/m,22kg/m,18kg/m,15kg/m,12 kg/m,8kg/m。
(2)重型钢轨型号, 钢轨材质: 45MN,71MN;钢轨规格:50kg/m,43kg/m,38kg/m,33kg/m。
(3)起重钢轨型号,钢轨材质: U71MN;钢轨规格:QU70kg/m ,QU80kg/m,QU100kg/m,QU120kg/m。
以上钢轨型号为常用钢轨型号。
在中国全都是标准的是1435CM的,还有1000CM的俗称米轨,现在仅存于云南昆明。
轻轨的理论重量型号截面尺寸(mm)截面面积(cm 2 )理论重量(kg/m)轨高A 底宽B 头宽C 头高D 腰高E 底高F 腰厚t 9 63.5 63.5 32.1 17.48 35.72 10.3 5.9 11.3 8.94 12 69.85 69.85 38.1 19.85 37.7 12.3 7.54 15.54 12.2 15 79.37 79.37 42.86 22.22 43.65 13.5 8.33 19.33 15.2 22 93.66 93.66 50.8 26.99 50 16.67 10.72 28.39 22.3 24 - - - - - - - - 24.95 30 107.95 107.95 60.33 30.95 57.55 19.45 12.3 38.32 30.1 重轨的理论重量型号截面尺寸(mm)截面面积(cm 2 )钢轨长度(m)理论重量(kg/m)轨高底宽头宽腰厚 60 176 150 73 16.5 9--12.5、25 50 152 132 70 15.5 65.8 12.5--25 51.514 45 145 126 67 14.5 12.5--25 45.546 43 140 114 70 14.5 57 12.5--25 44.653 38 134 114 68 13 49.5 12.5--25 38.733 重轨的理论重量及金属分配:钢轨类型理论重量,kg 钢轨的金属分配每米重量 12.5米长的重量 25.0米长的重量每根钢轨(各部分占总面积的百分数)螺栓孔未扣除每端扣除三未扣除每端扣除三部分重量轨头轨腰轨底螺栓孔个螺栓孔螺栓孔个螺栓孔50kg/m 51.514 643.925 643.429 1287.85 1287.354 0.493 38.68 23.77 37.55 43kg/m 44.653 558.162 557.69 1116.325 1115.853 0.472 42.83 21.31 35.86 38kg/m 38.733 484.162 483.739 968.325 967.902 0.423 43.68 21.63 34.69 轻轨用垫板理论重量轻轨用接头夹板理论重量钢号 80(785MPa)型号理论重量,kg/块 9kg/m轻轨用接头夹板 0.81 型号理论重量,kg/块 12kg/m轻轨用接头夹板 1.39 15kg/m轻轨用垫板1.5 15kg/m轻轨用接头夹板2.2 22kg/m轻轨用垫板2.2 22kg/m轻轨用接头夹板 3.8 30kg/m轻轨用垫板 2.7 30kg/m轻轨用接头夹板 5.54 起重机钢轨规格重量型号截面尺寸(mm)钢号80(785MPa)截面积(cm 2 )理论重量(kg/m)轨高顶宽顶下宽底宽腰厚 QU70 120 70 76.5 120 28 67.3 52.8 QU80 130 80 87 130 32 81.13 63.69 QU100 150 100 108 150 38 113.32 88.96 QU120 170 120 129 170 44 150.44 118.1。
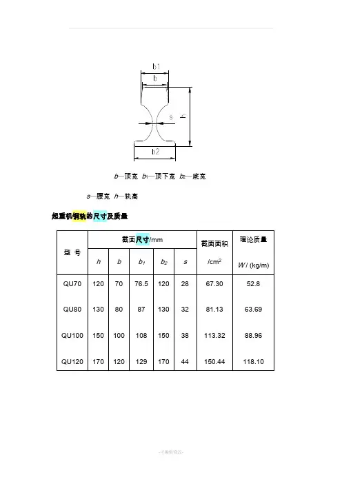
名称=重轨标准=GB/ 183-1963,GB/T 182-1963,GB/T 181-1963 -----------------------------------------------------------序号=2钢轨型号\kg/m=43A\mm=140B\mm=114C\mm=70D\mm=14.5截面面积\F\cm^2=57重心距离\至轨底Z1\cm=6.85重心距离\至轨顶Z2\cm=7.15惯性矩\Jx\cm^4=1480惯性矩\Jy\cm^4=260截面系数\W1=Jx\Z1\cm^3=217.3截面系数\W2=Jx\Z2\cm^3=208.3截面系数\W3=Jy\(B/2)/cm^3=45斜度\K=0.04375理论重量\kg/m=44.653通常长度\m=12.5,25标准号=GB182-63h1\mm=27h2\mm=42h3\mm=77.5a\mm=30.4b\mm=46g\mm=78f1\mm=11f2\mm=14f3\mm=r1\mm=13r2\mm=2r3\mm=4S1\mm=56S2\mm=110S3\mm=160φ=29R\mm=300R1\mm=5,10R2\mm=15名称=起重机钢轨标准=YB/T 5055-1993----------------------------------------------------------- 序号=2型号=QU80理论重量\kg/m=63.69b\mm=80b1\mm=87b2\mm=130s\mm=32h\mm=130h1\mm=35h2\mm=26R\mm=400R1\mm=26R2\mm=44r\mm=8r1\mm=6r2\mm=2截面面积\cm^2=81.13重心距离y1\cm=6.43重心距离y2\cm=6.57惯性矩Ix\cm^4=1547.4惯性矩Iy\cm^4=482.3截面系数\W1=Ix/y1\cm^3=240.65截面系数\W2=Ix/y2\cm^3=235.52截面系数\W3=Iy/(b2/2)\cm^3=74.21参考资料:《机械设计手册》第一节钢轨一、钢轨的功用及要求钢轨是铁路轨道的主要组成部件。
七、轨道材料重量表钢轨每米重量表钢轨的类型,以每1米大致质量kg数表示。
目前,我国铁路的钢轨类型主要有75kg/m、60kg/m、50kg/m及43kg/m。
世界上最重型的钢轨已达到77.5kg/m,我国也在重载线路上逐步铺设75kg/m钢轨。
钢轨标准长度为12.5m和25m两种。
铁路钢轨知识:(1)重型钢轨知识:每米公称重量大于30kg的钢轨。
火车钢轨和起重机轨都属重轨。
火车钢轨:用于铺设铁路,要承受火车营运时的压力、冲击载荷和摩擦,要求有足够的强度和一定的韧性。
质量要求严格,除保证其化学成分外,还要求检验力学性能、落锤试验和酸浸低倍组织等。
生产厂有武钢、鞍钢、包钢和攀钢等。
起重机轨:即吊车轨,其高度较低,头宽及腰厚尺寸较大,只要求检验化学成分和抗拉强度。
用于铺设起重机大于及小车轨道。
生产厂有鞍钢和攀钢。
(2)轻型钢轨知识:是每米公称重量小于或等于30kg的钢轨。
轻轨的质量要求比重轨低,只要求检验其化学成分、抗拉强度、硬度和落锤试验等。
主要用途:轻轨主要用于林区、矿区、工厂及施工现场等处铺设临时运输线路和轻型机车用线路。
铁路钢轨型号:(1)轻型钢轨型号,钢轨材质: Q235,55Q ;钢轨规格:30kg/m,24kg/m,22kg/m,18kg/m,15kg/m,12 kg/m,8 kg/m。
(2)重型钢轨型号, 钢轨材质: 45MN,71MN;钢轨规格:50kg/m,43kg/m,38kg/m,33kg/m。
(3)起重钢轨型号,钢轨材质: U71MN;钢轨规格:QU70kg/m ,QU80kg/m,QU100kg/m,QU120kg/m。
以上钢轨型号为常用钢轨型号。
在中国全都是标准的是1435CM的,还有1000CM的俗称米轨,现在仅存于云南昆明。
轻轨的理论重量型号截面尺寸(mm)截面面积(cm 2 )理论重量(kg/m)轨高A 底宽B 头宽C 头高D 腰高E 底高F 腰厚t 9 63.5 63.5 32.1 17.48 35.72 10.3 5.9 11.3 8.94 12 69.85 69.85 38.1 19.85 37.7 12.3 7.54 15.54 12.2 15 79.37 79.37 42.86 22.22 43.65 13.5 8.33 19.33 15.2 22 93.66 93.66 50.8 26.99 50 16.67 10.72 28.39 22.3 24 - - - - - - - - 24.95 30 107.95 107.95 60.33 30.95 57.55 19.45 12.3 38.32 30.1 重轨的理论重量型号截面尺寸(mm)截面面积(cm 2 )钢轨长度(m)理论重量(kg/m)轨高底宽头宽腰厚60 176 150 73 16.5 9--12.5、25 50 152 132 70 15.5 65.8 12.5--25 51.514 45 145 126 67 14.5 12.5--25 45.546 43 140 114 70 14.5 57 12.5--25 44.653 38 134 114 68 13 49.5 12.5--25 38.733 重轨的理论重量及金属分配:钢轨类型理论重量,kg 钢轨的金属分配每米重量12.5米长的重量25.0米长的重量每根钢轨(各部分占总面积的百分数)螺栓孔未扣除每端扣除三未扣除每端扣除三部分重量轨头轨腰轨底螺栓孔个螺栓孔螺栓孔个螺栓孔50kg/m 51.514 643.925 643.429 1287.85 1287.354 0.493 38.68 23.77 37.55 43kg/m 44.653 558.162 557.69 1116.325 1115.853 0.472 42.83 21.31 35.86 38kg/m 38.733 484.162 483.739 968.325 967.902 0.423 43.68 21.63 34.69 轻轨用垫板理论重量轻轨用接头夹板理论重量钢号80(785MPa)型号理论重量,kg/块9kg/m轻轨用接头夹板0.81 型号理论重量,kg/块12kg/m轻轨用接头夹板1.39 15kg/m轻轨用垫板 1.5 15kg/m轻轨用接头夹板 2.2 22kg/m轻轨用垫板 2.2 22kg/m 轻轨用接头夹板3.8 30kg/m轻轨用垫板2.7 30kg/m轻轨用接头夹板5.54 起重机钢轨规格重量型号截面尺寸(mm)钢号80(785MPa)截面积(cm 2 )理论重量(kg/m)轨高顶宽顶下宽底宽腰厚QU70 120 70 76.5 120 28 67.3 52.8 QU80 130 80 87 130 32 81.13 63.69 QU100 150 100 108 150 38 113.32 88.96 QU120 170 120 129 170 44 150.44 118.1。