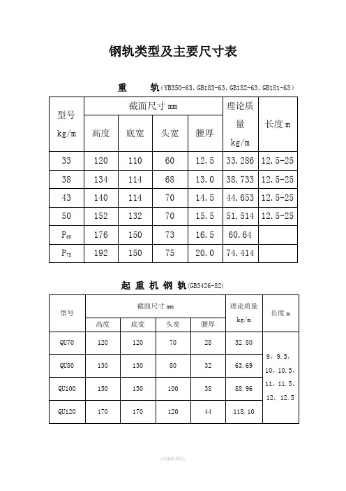
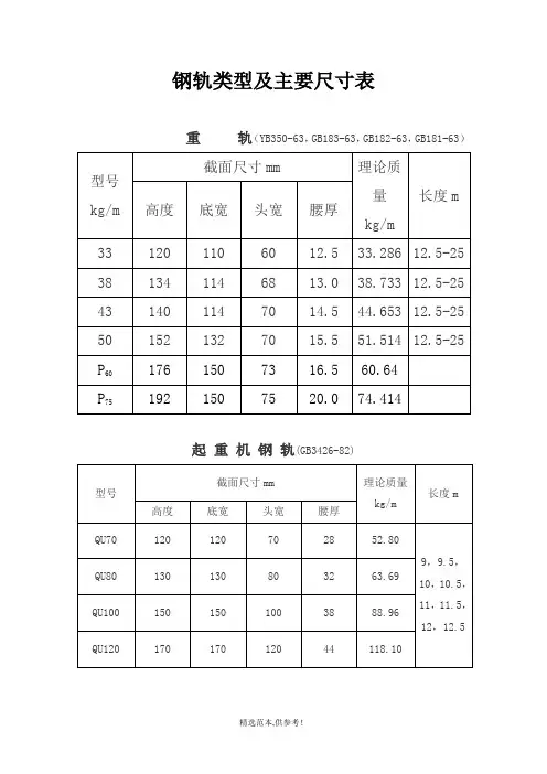
钢轨类型及主要尺寸表
- 格式:doc
- 大小:101.00 KB
- 文档页数:4
精选文档国标钢轨规格型号表国标轻轨重轨起重机轨规格尺寸表:8kg钢轨轨高:65mm 底宽:54mm 头宽:25mm 腰厚:7.0mm 理论重量:8.42kg/m9kg钢轨轨高:63.5mm 底宽:63.5mm 头宽:32.1mm 腰厚:5.9mm 理论重量:8.94kg/m12kg钢轨轨高:69.85mm 底宽:69.85mm 头宽:38.1mm 腰厚:7.54mm 理论重量:12.2kg/m 15kg钢轨轨高:79.37mm 底宽:79.37mm 头宽:42.86mm 腰厚:8.33mm 理论重量:15.2kg/m 18kg钢轨轨高:90mm 底宽:80mm 头宽:40mm 腰厚:10.0mm 理论重量:18.06kg/m 22kg钢轨轨高:93.66mm 底宽:93.66mm 头宽:50.8mm 腰厚:10.72mm 理论重量:22.3kg/m 24kg钢轨轨高:107mm 底宽:90mm 头宽:51mm 腰厚:10.9mm 理论重量:24.46kg/m 30kg钢轨轨高:107.95mm 底宽:107.95mm 头宽:60.33mm 腰厚:12.3mm 理论重量:30.1kg/m 以上为轻轨38kg钢轨轨高:134mm 底宽:114mm 头宽:68mm 腰厚:13mm 理论重量:38.733kg/m43kg钢轨轨高:140mm 底宽:114mm 头宽:70mm 腰厚:14.5mm 理论重量:44.653kg/m45kg钢轨轨高:145mm 底宽:126mm 头宽:67mm 腰厚:14.5mm 理论重量:45.546kg/m50kg钢轨轨高:152mm 底宽:132mm 头宽:70mm 腰厚:15.5mm 理论重量:51.514kg/m60kg钢轨轨高:176mm 底宽:150mm 头宽:73mm 腰厚:16.5mm 理论重量:60.64kg/m70kg钢轨轨高:120mm 底宽:120mm 头宽:70mm 腰厚:28mm 理论重量:52.8kg/m80kg钢轨轨高:130mm 底宽:130mm 头宽:80mm 腰厚:32mm 理论重量:63.69kg/m 100kg钢轨轨高:150mm 底宽:150mm 头宽:100mm 腰厚:38mm 理论重量:88.96kg/m120kg钢轨轨高:170mm 底宽:170mm 头宽:120mm 腰厚:44mm 理论重量:118.1kg/m.。
名称=重轨标准=GB/ 183-1963,GB/T 182-1963,GB/T 181-1963 -----------------------------------------------------------序号=2钢轨型号\kg/m=43A\mm=140B\mm=114C\mm=70D\mm=14.5截面面积\F\cm^2=57重心距离\至轨底Z1\cm=6.85重心距离\至轨顶Z2\cm=7.15惯性矩\Jx\cm^4=1480惯性矩\Jy\cm^4=260截面系数\W1=Jx\Z1\cm^3=217.3截面系数\W2=Jx\Z2\cm^3=208.3截面系数\W3=Jy\(B/2)/cm^3=45斜度\K=0.04375理论重量\kg/m=44.653通常长度\m=12.5,25标准号=GB182-63h1\mm=27h2\mm=42h3\mm=77.5a\mm=30.4g\mm=78f1\mm=11f2\mm=14f3\mm=r1\mm=13r2\mm=2r3\mm=4S1\mm=56S2\mm=110S3\mm=160φ=29R\mm=300R1\mm=5,10R2\mm=15名称=起重机钢轨标准=YB/T 5055-1993----------------------------------------------------------- 序号=2型号=QU80理论重量\kg/m=63.69b\mm=80b1\mm=87s\mm=32h\mm=130h1\mm=35h2\mm=26R\mm=400R1\mm=26R2\mm=44r\mm=8r1\mm=6r2\mm=2截面面积\cm^2=81.13重心距离y1\cm=6.43重心距离y2\cm=6.57惯性矩Ix\cm^4=1547.4惯性矩Iy\cm^4=482.3截面系数\W1=Ix/y1\cm^3=240.65截面系数\W2=Ix/y2\cm^3=235.52截面系数\W3=Iy/(b2/2)\cm^3=74.21参考资料:《机械设计手册》起重机钢轨(YB/T5055-1993)1、尺寸、外形、重量(1)尺寸1)钢轨的截面形状、部位名称如图1所示,其截面尺寸应符合表1的规定。
名称=重轨标准=GB/ 183-1963,GB/T 182-1963,GB/T 181-1963 -----------------------------------------------------------序号=2钢轨型号\kg/m=43A\mm=140B\mm=114C\mm=70D\mm=14.5截面面积\F\cm^2=57重心距离\至轨底Z1\cm=6.85重心距离\至轨顶Z2\cm=7.15惯性矩\Jx\cm^4=1480惯性矩\Jy\cm^4=260截面系数\W1=Jx\Z1\cm^3=217.3截面系数\W2=Jx\Z2\cm^3=208.3截面系数\W3=Jy\(B/2)/cm^3=45斜度\K=0.04375理论重量\kg/m=44.653通常长度\m=12.5,25标准号=GB182-63h1\mm=27h2\mm=42h3\mm=77.5a\mm=30.4g\mm=78f1\mm=11f2\mm=14f3\mm=r1\mm=13r2\mm=2r3\mm=4S1\mm=56S2\mm=110S3\mm=160φ=29R\mm=300R1\mm=5,10R2\mm=15名称=起重机钢轨标准=YB/T 5055-1993----------------------------------------------------------- 序号=2型号=QU80理论重量\kg/m=63.69b\mm=80b1\mm=87s\mm=32h\mm=130h1\mm=35h2\mm=26R\mm=400R1\mm=26R2\mm=44r\mm=8r1\mm=6r2\mm=2截面面积\cm^2=81.13重心距离y1\cm=6.43重心距离y2\cm=6.57惯性矩Ix\cm^4=1547.4惯性矩Iy\cm^4=482.3截面系数\W1=Ix/y1\cm^3=240.65截面系数\W2=Ix/y2\cm^3=235.52截面系数\W3=Iy/(b2/2)\cm^3=74.21参考资料:《机械设计手册》起重机钢轨(YB/T5055-1993)1、尺寸、外形、重量(1)尺寸1)钢轨的截面形状、部位名称如图1所示,其截面尺寸应符合表1的规定。
国标钢轨规格型号表国标轻轨重轨起重机轨规格尺寸表:8kg钢轨轨高:65mm 底宽:54mm 头宽:25mm 腰厚:7.0mm 理论重量:8.42kg/m 9kg钢轨轨高:63.5mm 底宽:63.5mm 头宽:32.1mm 腰厚:5.9mm 理论重量:8.94kg/m 12kg钢轨轨高:69.85mm 底宽:69.85mm 头宽:38.1mm 腰厚:7.54mm 理论重量:12.2kg/m15kg钢轨轨高:79.37mm 底宽:79.37mm 头宽:42.86mm 腰厚:8.33mm 理论重量:15.2kg/m18kg钢轨轨高:90mm 底宽:80mm 头宽:40mm 腰厚:10.0mm 理论重量:18.06kg/m 22kg钢轨轨高:93.66mm 底宽:93.66mm 头宽:50.8mm 腰厚:10.72mm 理论重量:22.3kg/m24kg钢轨轨高:107mm 底宽:90mm 头宽:51mm 腰厚:10.9mm 理论重量:24.46kg/m 30kg钢轨轨高:107.95mm 底宽:107.95mm 头宽:60.33mm 腰厚:12.3mm 理论重量:30.1kg/m以上为轻轨38kg钢轨轨高:134mm 底宽:114mm 头宽:68mm 腰厚:13mm 理论重量:38.733kg/m43kg钢轨轨高:140mm 底宽:114mm 头宽:70mm 腰厚:14.5mm 理论重量:44.653kg/m45kg钢轨轨高:145mm 底宽:126mm 头宽:67mm 腰厚:14.5mm 理论重量:45.546kg/m50kg钢轨轨高:152mm 底宽:132mm 头宽:70mm 腰厚:15.5mm 理论重量:51.514kg/m60kg钢轨轨高:176mm 底宽:150mm 头宽:73mm 腰厚:16.5mm 理论重量:60.64kg/m70kg钢轨轨高:120mm 底宽:120mm 头宽:70mm 腰厚:28mm 理论重量:52.8kg/m80kg钢轨轨高:130mm 底宽:130mm 头宽:80mm 腰厚:32mm 理论重量:63.69kg/m 100kg钢轨轨高:150mm 底宽:150mm 头宽:100mm 腰厚:38mm 理论重量:88.96kg/m120kg钢轨轨高:170mm 底宽:170mm 头宽:120mm 腰厚:44mm 理论重量:118.1kg/m。
钢轨理论重量表及尺寸钢轨在铁路交通中起到关键的作用,它承受着列车的重量,为稳定高速行驶提供支撑。
钢轨不仅需要具备足够的强度和稳定性,还需要符合一定的重量和尺寸要求。
在设计和选择合适的钢轨时,钢轨理论重量表及尺寸是不可或缺的参考工具。
本文将介绍钢轨理论重量表及尺寸,以助您更好地理解和应用。
一、钢轨的重量表钢轨的重量通常以单位长度的重量表示,单位为千克/米。
具体钢轨重量的计算与其型号和制造工艺有关。
以下是一份常见钢轨型号及其理论重量表,供参考:钢轨型号理论重量(kg/m)43KG 43.08550KG 51.51460KG 60.64975KG 74.39890/91LB 90.22860E1 60.249E1 49.8请注意,以上理论重量仅供参考,实际应用时还需要考虑钢轨的制造工艺、质量控制等因素。
同时,在特殊情况下,有可能根据具体的需求和要求实施定制化加工和制造,因此应根据实际情况选择合适的钢轨。
二、钢轨的尺寸要求除了重量,钢轨的尺寸也是选择合适型号的重要参考指标。
以下是一份常见的钢轨尺寸要求,供您参考:钢轨类型长度(mm) 高度(mm) 底宽(mm) 顶宽(mm)43KG 12,000 134 114 6950KG 12,000 152 132 7060KG 12,000 176 150 7375KG 12,000 192 170 7490/91LB 12,000 203 178 7860E1 12,000 172 150 7249E1 12,000 141 116 69请注意,以上钢轨尺寸仅供参考,实际应用时还需要根据具体情况,包括列车的类型、速度、行驶条件等综合因素来选择合适的尺寸。
此外,根据不同国家和地区的标准,钢轨的尺寸要求也有所不同。
三、钢轨理论重量表及尺寸的应用钢轨理论重量表及尺寸在实际应用中起着重要的参考作用。
对于铁路建设、维修和升级等项目,合理选择和应用钢轨的重量和尺寸,能够提高铁路的安全性、稳定性和运营效率。
钢轨1.概述铁道器材是铁路的重要器材,钢轨是铁路器材的主要标志。
其断面图形如图6-7-3所示。
A—轨高B—底宽 C—头宽D—腰厚图6—7—3钢轨截面图(1)分类。
钢轨以每米大致重量的公斤数,可分为重轨与轻轨两种:①重轨。
按所用钢材钢种分为:普通含锰钢轨、含铜普碳钢钢轨、高硅含铜钢钢轨、铜轨、锰轨、硅轨等,详见本节“8”中所提供的标准(1)、(2)。
主要有38、43、50kg 三种。
此外还有用于少数线路上的45kg轨,已计划在运量大和车速高的线路上用的60kg轨。
GB2585—81规定了我国38~50kg/m钢轨的技术条件,其尺寸和代号等如表6—7—10所示。
②轻轨。
品种在“8”的标准(5)中规定。
主要有9、12、15、22、30等不同轨型,其断面尺寸和轨型类别等如6-7-11所示。
技术条件详见“8”中标准(3)。
(2)制造及用途。
钢轨采用平炉、氧气转炉冶炼的碳素镇静钢轧制而成。
其用途是承受机车车辆的运行压力及冲击载荷。
(3)生产厂和进口国。
我国现用的钢轨,主要是国内一些钢厂生产,如鞍钢、武钢等。
此外,由于用量较大,尚需进口一些按我国技术标准要求的理化性能和按国外有关标准方法判定的钢轨及钢轨附件。
进口生产国有日本、德国、法国、英国、俄罗斯、澳大利亚等。
2.尺寸规格钢轨的长度和其他几何尺寸及公差等,由“8”中有关轻重轨相应标准规定。
3.外观质量(1)轧制后的钢轨应笔直,不得有显著弯曲与扭转。
对于轻重轨的局部弯曲和扭转及其矫正变形量,轨端面的倾斜等,不得超出标准规定。
(2)钢轨表面应洁净光滑,不得有裂纹、结疤、划痕等缺陷;其端面不得有缩孔痕迹和夹层等。
对于轻重轨整体表面所允许存在的缺陷及其几何量的程度,均不得超过标准的规定。
4.化学成分与物理性能(1)理化指标:国产钢轨的机械工艺性能和化学成分指标,国产重轨规格国产轻轨规格(2)检验方法:对于规定的钢轨化学成分及力学工艺性能的检验,按照一般钢铁分析实验方法有关标准规定进行。
钢轨型号引言钢轨是铁路运输中重要的组成部分,它承载着列车的重量并提供行驶的平稳性。
不同的铁路线路和列车类型需要不同的钢轨型号来适应不同的运输需求。
本文将介绍几种常见的钢轨型号,包括其规格、特点和适用范围。
1. U75V型钢轨1.1 规格•高度:152毫米•底宽:127毫米•螺纹直径:45毫米•基本重量:75千克/米1.2 特点•U75V型钢轨是一种冷弯型钢轨,具有较高的强度和耐久性。
•其内侧坡度较大,使得列车在转弯时具有较好的稳定性。
•螺纹接头设计,方便钢轨的连接和维修。
1.3 适用范围•U75V型钢轨适用于高速铁路和重载铁路线路。
•可用于长距离的铁路输送,具有较好的抗疲劳性能。
2. QU100型钢轨2.1 规格•高度:176毫米•底宽:150毫米•螺纹直径:60毫米•基本重量:100千克/米2.2 特点•QU100型钢轨是一种重载型钢轨,具有较高的承载能力和耐磨性。
•其底宽较大,提供了更稳定的支撑面积。
•利用热处理技术,使得钢轨具有较好的强度和韧性。
2.3 适用范围•QU100型钢轨适用于货运铁路、矿山铁路等需要承载重负荷的线路。
•在高温和恶劣环境下,QU100型钢轨也能保持良好的使用性能。
3. GB22kg型钢轨3.1 规格•高度:130毫米•底宽:70毫米•螺纹直径:26毫米•基本重量:22千克/米3.2 特点•GB22kg型钢轨是一种轻型钢轨,适用于轻载重种类的线路。
•其较小的底宽使得轨道更加灵活,并能适应更大的曲率。
•节约材料和成本,适合短距离的铁路运输。
3.3 适用范围•GB22kg型钢轨适用于城市轨道交通、工矿铁路等较小负载的线路。
•在弯道较多的线路上,GB22kg型钢轨能更好地满足曲线的需要。
结论不同的钢轨型号适用于不同的铁路运输需求。
选择合适的钢轨型号能够提高运输效率、降低成本并确保安全性。
在实际应用中,还需要考虑钢轨的正确安装和维护,以保证铁路线路的良好运行。
以上是对几种常见钢轨型号的介绍,希望能为读者提供一定的参考和了解。
名称=重轨标准=GB/ 183-1963,GB/T 182-1963,GB/T 181-1963 -----------------------------------------------------------序号=2钢轨型号\kg/m=43A\mm=140B\mm=114C\mm=70D\mm=14.5截面面积\F\cm^2=57重心距离\至轨底Z1\cm=6.85重心距离\至轨顶Z2\cm=7.15惯性矩\Jx\cm^4=1480惯性矩\Jy\cm^4=260截面系数\W1=Jx\Z1\cm^3=217.3截面系数\W2=Jx\Z2\cm^3=208.3截面系数\W3=Jy\(B/2)/cm^3=45斜度\K=0.04375理论重量\kg/m=44.653通常长度\m=12.5,25标准号=GB182-63h1\mm=27h2\mm=42h3\mm=77.5a\mm=30.4g\mm=78f1\mm=11f2\mm=14f3\mm=r1\mm=13r2\mm=2r3\mm=4S1\mm=56S2\mm=110S3\mm=160φ=29R\mm=300R1\mm=5,10R2\mm=15名称=起重机钢轨标准=YB/T 5055-1993----------------------------------------------------------- 序号=2型号=QU80理论重量\kg/m=63.69b\mm=80b1\mm=87s\mm=32h\mm=130h1\mm=35h2\mm=26R\mm=400R1\mm=26R2\mm=44r\mm=8r1\mm=6r2\mm=2截面面积\cm^2=81.13重心距离y1\cm=6.43重心距离y2\cm=6.57惯性矩Ix\cm^4=1547.4惯性矩Iy\cm^4=482.3截面系数\W1=Ix/y1\cm^3=240.65截面系数\W2=Ix/y2\cm^3=235.52截面系数\W3=Iy/(b2/2)\cm^3=74.21参考资料:《机械设计手册》起重机钢轨(YB/T5055-1993)1、尺寸、外形、重量(1)尺寸1)钢轨的截面形状、部位名称如图1所示,其截面尺寸应符合表1的规定。
国标钢轨规格型号表国标轻轨重轨起重机轨规格尺寸表:8kg钢轨轨高:65mm 底宽:54mm 头宽:25mm 腰厚:7.0mm 理论重量:8.42kg/m9kg钢轨轨高:63.5mm 底宽:63.5mm 头宽:32.1mm 腰厚:5.9mm 理论重量:8.94kg/m12kg钢轨轨高:69.85mm 底宽:69.85mm 头宽:38.1mm 腰厚:7.54mm 理论重量:12.2kg/m15kg钢轨轨高:79.37mm 底宽:79.37mm 头宽:42.86mm 腰厚:8.33mm 理论重量:15.2kg/m18kg钢轨轨高:90mm 底宽:80mm 头宽:40mm 腰厚:10.0mm 理论重量:18.06kg/m22kg钢轨轨高:93.66mm 底宽:93.66mm 头宽:50.8mm 腰厚:10.72mm 理论重量:22.3kg/m24kg钢轨轨高:107mm 底宽:90mm 头宽:51mm 腰厚:10.9mm 理论重量:24.46kg/m30kg钢轨轨高:107.95mm 底宽:107.95mm 头宽:60.33mm 腰厚:12.3mm 理论重量:30.1kg/m以上为轻轨38kg钢轨轨高:134mm 底宽:114mm 头宽:68mm 腰厚:13mm 理论重量:38.733kg/m43kg钢轨轨高:140mm 底宽:114mm 头宽:70mm 腰厚:14.5mm 理论重量:44.653kg/m45kg钢轨轨高:145mm 底宽:126mm 头宽:67mm 腰厚:14.5mm 理论重量:45.546kg/m50kg钢轨轨高:152mm 底宽:132mm 头宽:70mm 腰厚:15.5mm 理论重量:51.514kg/m60kg钢轨轨高:176mm 底宽:150mm 头宽:73mm 腰厚:16.5mm 理论重量:60.64kg/m70kg钢轨轨高:120mm 底宽:120mm 头宽:70mm 腰厚:28mm 理论重量:52.8kg/m80kg钢轨轨高:130mm 底宽:130mm 头宽:80mm 腰厚:32mm 理论重量:63.69kg/m100kg钢轨轨高:150mm 底宽:150mm 头宽:100mm 腰厚:38mm 理论重量:88.96kg/m120kg钢轨轨高:170mm 底宽:170mm 头宽:120mm 腰厚:44mm 理论重量:118.1kg/m。
铁路钢轨知识:
(1)重型钢轨知识:每米公称重量年夜于30kg的钢轨.火车钢轨和起重机轨都属
重轨.火车钢轨:用于铺设铁路,要接受火车营运时的压力、冲击载荷和摩擦,要求有足够的强度和一定的韧性.质量要求严格,除保证其化学成份外,还要求检验力学性能、落锤试验和酸浸低倍组织等.生产厂有武钢、鞍钢、包钢和攀钢等.起重机轨:即吊车轨,其高度较低,头宽及腰厚尺寸较年夜,只要求检验化学成份和抗拉强度.用于铺设起重机年夜于及小车轨道.生产厂有鞍钢和攀钢.
(2)轻型钢轨知识:是每米公称重量小于或即是30kg的钢轨.轻轨的质量要求比重轨低,只要求检验其化学成份、抗拉强度、硬度和落锤试验等.主要用途:轻轨主要用于林区、矿区、工厂及施工现场等处铺设临时运输线路和轻型机车用线路.
铁路钢轨型号:.(1)轻型钢轨型号,材质:Q235,55Q;规格:
30kg/m,24kg/m,22kg/m,18kg/m,15kg/m,12kg/m,8kg/m.(2)重型钢轨型号,材质:45MN,71MN;规格:50kg/m,43kg/m,38kg/m,33kg/m (2)起重钢轨型号,材质: U71MN;规格:QU70 kg /m,QU80 kg /m,QU100 kg /m,QU120 kg /m.以上钢轨型号为经常使用钢轨型号。
铁路钢轨知识:
(1)重型钢轨知识:每米公称重量年夜于30kg的钢轨.火车钢轨和起重机轨都属
重轨.火车钢轨:用于铺设铁路,要接受火车营运时的压力、冲击载荷和摩擦,要求有足够的强度和一定的韧性.质量要求严格,除保证其化学成份外,还要求检验力学性能、落锤试验和酸浸低倍组织等.生产厂有武钢、鞍钢、包钢和攀钢等.起重机轨:即吊车轨,其高度较低,头宽及腰厚尺寸较年夜,只要求检验化学成份和抗拉强度.用于铺设起重机年夜于及小车轨道.生产厂有鞍钢和攀钢.
(2)轻型钢轨知识:是每米公称重量小于或即是30kg的钢轨.轻轨的质量要求比重轨低,只要求检验其化学成份、抗拉强度、硬度和落锤试验等.主要用途:轻轨主要用于林区、矿区、工厂及施工现场等处铺设临时运输线路和轻型机车用线路.
铁路钢轨型号:.(1)轻型钢轨型号,材质:Q235,55Q;规格:
30kg/m,24kg/m,22kg/m,18kg/m,15kg/m,12kg/m,8kg/m.(2)重型钢轨型号,材质:45MN,71MN;规格:50kg/m,43kg/m,38kg/m,33kg/m (2)起重钢轨型号,材质: U71MN;规格:QU70 kg /m,QU80 kg /m,QU100 kg /m,QU120 kg /m.以上钢轨型号为经常使用钢轨型号。
名称=重轨标准=GB/ 183-1963,GB/T 182-1963,GB/T 181-1963 -----------------------------------------------------------序号=2钢轨型号\kg/m=43A\mm=140B\mm=114C\mm=70D\mm=14.5截面面积\F\cm^2=57重心距离\至轨底Z1\cm=6.85重心距离\至轨顶Z2\cm=7.15惯性矩\Jx\cm^4=1480惯性矩\Jy\cm^4=260截面系数\W1=Jx\Z1\cm^3=217.3截面系数\W2=Jx\Z2\cm^3=208.3截面系数\W3=Jy\(B/2)/cm^3=45斜度\K=0.04375理论重量\kg/m=44.653通常长度\m=12.5,25标准号=GB182-63h1\mm=27h2\mm=42h3\mm=77.5a\mm=30.4g\mm=78f1\mm=11f2\mm=14f3\mm=r1\mm=13r2\mm=2r3\mm=4S1\mm=56S2\mm=110S3\mm=160φ=29R\mm=300R1\mm=5,10R2\mm=15名称=起重机钢轨标准=YB/T 5055-1993----------------------------------------------------------- 序号=2型号=QU80理论重量\kg/m=63.69b\mm=80b1\mm=87s\mm=32h\mm=130h1\mm=35h2\mm=26R\mm=400R1\mm=26R2\mm=44r\mm=8r1\mm=6r2\mm=2截面面积\cm^2=81.13重心距离y1\cm=6.43重心距离y2\cm=6.57惯性矩Ix\cm^4=1547.4惯性矩Iy\cm^4=482.3截面系数\W1=Ix/y1\cm^3=240.65截面系数\W2=Ix/y2\cm^3=235.52截面系数\W3=Iy/(b2/2)\cm^3=74.21参考资料:《机械设计手册》起重机钢轨(YB/T5055-1993)1、尺寸、外形、重量(1)尺寸1)钢轨的截面形状、部位名称如图1所示,其截面尺寸应符合表1的规定。