钢轨断面尺寸
- 格式:doc
- 大小:1.12 MB
- 文档页数:8
第二节钢轨基本知识一、钢轨使用规定高速铁路正线、到发线应采用60 kg/m无螺栓孔新钢轨;其他站线宜铺设50 kg/m钢轨。
200 km/h及以上高速客运铁路应选用u71MnG、强度等级为880~IPa热轧钢轨;200 km /h~250 km/h高速客货混运铁路应选用U75VG、强度等级为980 MPa热轧钢轨。
其中,U代表钢轨钢,71、75代表化学成分中碳平均含量为0.71%、0.75%,V代表钒元素,Mn代表锰元素,G代表高速铁路。
高速铁路钢轨应具备安全使用性能好、几何尺寸精度高、平直度好的特点,同时要求钢轨的实物质量达到高纯净、高平直、高精度、长定尺,这就要求钢轨钢质洁净、韧塑性高、焊接性能优良、表面基本无原始缺陷。
二、钢轨长度及断面尺寸1.钢轨长度高速铁路正线应采用符合相应技术标准的100 m定尺轨,短尺轨长度为95 m、96 m、97 ITI 和99 ITI四种。
.;,,’2.钢轨断面尺寸60 kg/m钢轨断面尺寸,如图2-1所示。
60 kg/m钢轨计算数据,如表2—9所示。
1.钢轨的化学成分(表2—10)2.钢轨拉伸性能和硬度钢轨的抗拉强度和伸长率及轨头顶面中心线上的表面硬度值应符合表2一11的规定。
四、钢轨标志我国钢轨生产厂家主要有攀钢、包钢、鞍钢和武钢四家,各厂家标志如图2 2所示。
钢轨标准规定,在钢轨轨腰部位需要采用两种标记,即轧制标志和热压印标志,同时还规定了其他标识,如在轨端刷漆以及粘贴标签。
1.凸出标志钢轨一侧轨腰上轧制的凸出标志顺序:生产厂标志——钢轨轨型(如60代表60 kg/m)——钢轨钢牌号(如u75vG、u7lMnG)——制造年(轧制年度末两位)、月(如04代表轧年度为2∞4年,Ⅲ代表3月份轧制)。
2.凹入标志钢轨另一侧的轨腰上热压印凹人标志的顺序:钢厂代码——生产年份——炉号——连铸流号——连铸坯号——钢轨顺序号——班别号。
各个钢厂的热压印标志不完全相同。
以攀钢为例说明,如图2 3所示。
名称=轻轨标准=GB/T 11264-1989----------------------------------------------------------- 序号=1钢轨型号\kg/m=9截面尺寸\轨高A\mm=63.5截面尺寸\底宽B\mm=63.5截面尺寸头宽C\mm=32.1截面尺寸\头高D\mm=17.48截面尺寸\腰高E\mm=35.72截面尺寸\底高F\mm=10.3截面尺寸\腰厚t\mm=5.9截面尺寸S1\mm=50.8截面尺寸S2\mm=101.6截面尺寸φ\mm=16截面尺寸R\mm=304.7999878截面尺寸R1\mm=4.76截面尺寸r\mm=6.35截面面积\cm^2=11.39理论重量\kg/m=8.91重心距离c\cm=3.09重心距离e\cm=3.26惯性矩I\cm^4=62.41截面系数Z\cm^3=19.1回转半径I\cm=2.33序号=2钢轨型号\kg/m=12截面尺寸\轨高A\mm=69.85截面尺寸\底宽B\mm=69.35截面尺寸头宽C\mm=38.1截面尺寸\头高D\mm=19.85截面尺寸\腰高E\mm=37.7截面尺寸\底高F\mm=12.3截面尺寸\腰厚t\mm=7.54截面尺寸S1\mm=50.8截面尺寸S2\mm=101.6截面尺寸φ\mm=16截面尺寸R\mm=304.7999878截面尺寸R1\mm=6.35截面尺寸r\mm=6.35截面面积\cm^2=15.54理论重量\kg/m=12.2重心距离c\cm=3.4重心距离e\cm=3.59惯性矩I\cm^4=98.82截面系数Z\cm^3=27.6截面尺寸\底宽B\mm=79.37截面尺寸头宽C\mm=42.86截面尺寸\头高D\mm=22.22 截面尺寸\腰高E\mm=43.65截面尺寸\底高F\mm=13.5截面尺寸\腰厚t\mm=8.33截面尺寸S1\mm=50.8截面尺寸S2\mm=101.6截面尺寸φ\mm=20截面尺寸R\mm=304.7999878 截面尺寸R1\mm=6.35截面尺寸r\mm=7.94截面面积\cm^2=19.33理论重量\kg/m=15.2重心距离c\cm=3.89重心距离e\cm=4.05惯性矩I\cm^4=156.1截面系数Z\cm^3=38.6回转半径I\cm=2.83序号=4钢轨型号\kg/m=22截面尺寸\轨高A\mm=93.66截面尺寸\底宽B\mm=93.66截面尺寸头宽C\mm=50.8截面尺寸\头高D\mm=26.98 截面尺寸\腰高E\mm=50截面尺寸\底高F\mm=16.67截面尺寸\腰厚t\mm=10.72截面尺寸S1\mm=63.5截面尺寸S2\mm=127截面尺寸φ\mm=24截面尺寸R\mm=304.7999878 截面尺寸R1\mm=6.35截面尺寸r\mm=7.94截面面积\cm^2=28.39理论重量\kg/m=22.3重心距离c\cm=4.52重心距离e\cm=4.85惯性矩I\cm^4=339截面系数Z\cm^3=69.6回转半径I\cm=3.45序号=5钢轨型号\kg/m=30截面尺寸\轨高A\mm=107.95 截面尺寸\底宽B\mm=107.95 截面尺寸头宽C\mm=60.33截面尺寸S1\mm=60.5截面尺寸S2\mm=127截面尺寸φ\mm=24截面尺寸R\mm=304.7999878截面尺寸R1\mm=6.35截面尺寸r\mm=7.94截面面积\cm^2=38.32理论重量\kg/m=30.1重心距离c\cm=5.21重心距离e\cm=5.59惯性矩I\cm^4=606截面系数Z\cm^3=108回转半径I\cm=3.98轻轨(GB/T11264-1989)2007年08月30日20.轻轨(GB/T11264-1989)(1)尺寸规格见表4-133。
起重机钢轨规格表(总3页)
--本页仅作为文档封面,使用时请直接删除即可--
--内页可以根据需求调整合适字体及大小--
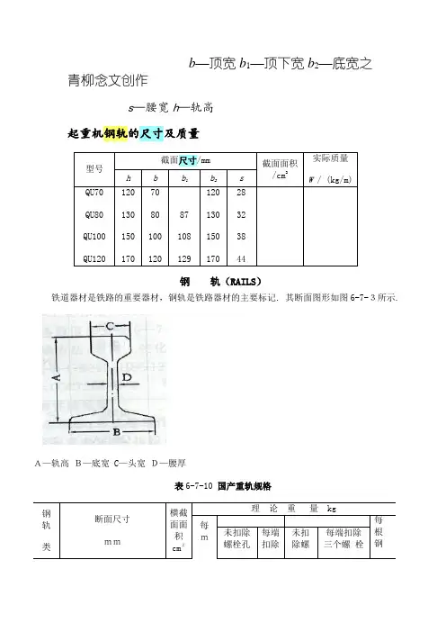
b—顶宽b1—顶下宽b2—底宽s—腰宽h—轨高
起重机钢轨的尺寸及质量
钢轨(RAILS)
铁道器材是铁路的重要器材,钢轨是铁路器材的主要标志。
其断面图形如图6-7-3所示。
A—轨高B—底宽 C—头宽D—腰厚
表6-7-10国产重轨规格
钢轨类型
断面尺寸
mm
横截
面面
积
cm2
理论重量 kg
每
m
重
量
m长的重量m长的重量每
根
钢
轨
螺
栓
孔
部
分
重
量
未扣除
螺栓孔
每端
扣除
三个
螺栓
孔
未扣
除螺
栓孔
每端扣除
三个螺栓
孔
A B C D
5015213270
4314011470
3813411468
3312011060--。
第二节钢轨基本知识一、钢轨使用规定高速铁路正线、到发线应采用60 kg/m无螺栓孔新钢轨;其他站线宜铺设50 kg/m钢轨。
200 km/h及以上高速客运铁路应选用u71MnG、强度等级为880~IPa热轧钢轨;200 km /h~250 km/h高速客货混运铁路应选用U75VG、强度等级为980 MPa热轧钢轨。
其中,U代表钢轨钢,71、75代表化学成分中碳平均含量为0.71%、0.75%,V代表钒元素,Mn代表锰元素,G代表高速铁路。
高速铁路钢轨应具备安全使用性能好、几何尺寸精度高、平直度好的特点,同时要求钢轨的实物质量达到高纯净、高平直、高精度、长定尺,这就要求钢轨钢质洁净、韧塑性高、焊接性能优良、表面基本无原始缺陷。
二、钢轨长度及断面尺寸1.钢轨长度高速铁路正线应采用符合相应技术标准的100 m定尺轨,短尺轨长度为95 m、96 m、97 ITI 和99 ITI四种。
.;,,’2.钢轨断面尺寸60 kg/m钢轨断面尺寸,如图2-1所示。
3.钢轨计算数据60 kg/m钢轨计算数据,如表2—9所示。
三、钢轨材质1.钢轨的化学成分(表2—10)2.钢轨拉伸性能和硬度钢轨的抗拉强度和伸长率及轨头顶面中心线上的表面硬度值应符合表2一11的规定。
四、钢轨标志我国钢轨生产厂家主要有攀钢、包钢、鞍钢和武钢四家,各厂家标志如图2 2所示。
钢轨标准规定,在钢轨轨腰部位需要采用两种标记,即轧制标志和热压印标志,同时还规定了其他标识,如在轨端刷漆以及粘贴标签。
1.凸出标志钢轨一侧轨腰上轧制的凸出标志顺序:生产厂标志——钢轨轨型(如60代表60 kg/m)——钢轨钢牌号(如u75vG、u7lMnG)——制造年(轧制年度末两位)、月(如04代表轧年度为2∞4年,Ⅲ代表3月份轧制)。
2.凹入标志钢轨另一侧的轨腰上热压印凹人标志的顺序:钢厂代码——生产年份——炉号——连铸流号——连铸坯号——钢轨顺序号——班别号。
各个钢厂的热压印标志不完全相同。
第二节钢轨基本知识一、钢轨使用规定高速铁路正线、到发线应采用60 kg / m无螺栓孔新钢轨;其他站线宜铺设50 kg / m钢轨。
200 km/ h及以上高速客运铁路应选用u71MnG、强度等级为880〜IPa热轧钢轨;200 km/ h〜250 km/h高速客货混运铁路应选用U75VG、强度等级为980 MPa热轧钢轨。
其中,U代表钢轨钢,71、75代表化学成分中碳平均含量为0. 71%、0. 75%, V代表钒元素,Mn代表锰兀素,G代表高速铁路。
高速铁路钢轨应具备安全使用性能好、几何尺寸精度高、平直度好的特点,同时要求钢轨的实物质量达到高纯净、高平直、高精度、长定尺,这就要求钢轨钢质洁净、韧塑性高、焊接性能优良、表面基本无原始缺陷。
二、钢轨长度及断面尺寸1 .钢轨长度高速铁路正线应采用符合相应技术标准的100 m定尺轨,短尺轨长度为95 m、96 m、97 ITI和99 ITI 四种。
.;,,'2 .钢轨断面尺寸60 kg/m钢轨断面尺寸,如图2-1所示。
70. S-> L50(邮0 kfi/m舸轨騎面图—C『―《■ ■(■■ ■—、216.5中心线一k °.图2'1 50 kfi/m 钢轨形式尺寸(单位1 mm )3 •钢轨计算数据60 kg / m 钢轨计算数据,如表 2— 9所示。
(b )60 kg/m 银轨摞栓孔布置图義2旳钢轨计茸数据三、钢轨材质1钢轨的化学成分(表2—10)S2-10搦轨北学蹴分UTlMuG0. 65—-0. 750, 15—0.580. 70—1. 20^0. 0苓.<0. 025CO. 004U75VG 6 71 —也80Q” 50—0. 70 D. 75—1.05咗实025<Q. 0250. 08<0r 0042 一 11的规定。
制造年(轧制年度末两位)、月(如04代 钢厂代码一一生产年份一一炉号一一连铸 2.钢轨拉伸性能和硬度钢轨的抗拉强度和伸长率及轨头顶面中心线上的表面硬度值应符合表a 腆>10 260—300 U75VG^102^0—930注啟惟取样螳验时•允许断后忡任率比规宦憤降低1绻f 绝对值)四、钢轨标志我国钢轨生产厂家主要有攀钢、包钢、鞍钢和武钢四家,各厂家标志如图22所示。
名称=重轨标准=GB/ 183-1963,GB/T 182-1963,GB/T 181-1963 -----------------------------------------------------------序号=2钢轨型号\kg/m=43A\mm=140B\mm=114C\mm=70D\mm=14.5截面面积\F\cm^2=57重心距离\至轨底Z1\cm=6.85重心距离\至轨顶Z2\cm=7.15惯性矩\Jx\cm^4=1480惯性矩\Jy\cm^4=260截面系数\W1=Jx\Z1\cm^3=217.3截面系数\W2=Jx\Z2\cm^3=208.3截面系数\W3=Jy\(B/2)/cm^3=45斜度\K=0.04375理论重量\kg/m=44.653通常长度\m=12.5,25标准号=GB182-63h1\mm=27h2\mm=42h3\mm=77.5a\mm=30.4g\mm=78f1\mm=11f2\mm=14f3\mm=r1\mm=13r2\mm=2r3\mm=4S1\mm=56S2\mm=110S3\mm=160φ=29R\mm=300R1\mm=5,10R2\mm=15名称=起重机钢轨标准=YB/T 5055-1993----------------------------------------------------------- 序号=2型号=QU80理论重量\kg/m=63.69b\mm=80b1\mm=87s\mm=32h\mm=130h1\mm=35h2\mm=26R\mm=400R1\mm=26R2\mm=44r\mm=8r1\mm=6r2\mm=2截面面积\cm^2=81.13重心距离y1\cm=6.43重心距离y2\cm=6.57惯性矩Ix\cm^4=1547.4惯性矩Iy\cm^4=482.3截面系数\W1=Ix/y1\cm^3=240.65截面系数\W2=Ix/y2\cm^3=235.52截面系数\W3=Iy/(b2/2)\cm^3=74.21参考资料:《机械设计手册》起重机钢轨(YB/T5055-1993)1、尺寸、外形、重量(1)尺寸1)钢轨的截面形状、部位名称如图1所示,其截面尺寸应符合表1的规定。
槽型轨
钢轨主要起支承、导向并提供牵引力和制动力的作用。
根据有轨电车特点,年通过总质量<25Mt,目前可供选择的有轨电车钢轨主要有国铁50kg/m钢轨、槽型轨,具体尺寸、规格见图1,60R2断面尺寸图。
图1现代有轨电车主要选型钢轨规格图。
60R2\59R2
槽型轨由于在钢轨上实现轮缘槽的设置,可最大限度的实现绿化和铺面面积,取得良好景观效果;用于公用路权时,轨道与行车路面容易衔接,改善了机动车的行车条件;同时,可简化轨道结构,加快施工速度。
在小半径曲线地段,槽型轨能起到护轨的作用,防止车辆独立轮脱轨,同时,可减小钢轨磨耗。
槽型钢轨主要类型分为46G1、51-53R1、55G1、55G2、56-59R1、59R2、60R1-3、62R1-2、63R1、67R1、68G1等。
有轨电车正线小半径曲线较多,且需预留与社会车辆混行的条件,个别地段需设计成绿色轨道,同时通过有轨电车荷载及轮轨匹配分析,推荐正线采用59R2、60R2等类似型号槽型钢轨。
车场线车速较低,对轨道要求相对较低,从经济性考虑,推荐采用国铁50kg/m工字钢轨。
钢轨材质:通常采用U71Mn钢轨,统一材质,可减少订货的困难,提高施工速度。
中国第一重型机械集团公司2008-12-01批准2008-12-31实施中国第一重型机械集团公司标准铁路用热轧钢轨GB 2585-2007代替GB 181~182-63材料:U74、U71Mn 、U75V38~75kg/m 的钢轨计算数据见表1,其断面尺寸分别见图1~图5。
表1钢轨计算数据轨型kg/m 横断面积cm 2重心距轨底距离cm重心距轨头距离cm对水平轴线的惯性力矩cm 4对垂直轴线的惯性力矩cm 4下部断面系数cm 3上部断面系数cm 3底侧边断面系数cm 33849.56.67 6.731204.4209.3180.6178.936.74357.06.907.101489.0260.0217.3208.345.05065.87.108.102037.0377.0287.2251.357.16077.458.129.483217524369.0339.469.97595.0378.8210.38449866550943289注:1标准钢轨的定尺长度为12.5m 、25m 、50m 和100m 。
注:2全部襋。
钢轨43kg/m ,长度L =1250mm 标注示例:钢轨43kg/m ,L =1250mm ,GB 2585-2007。
1返回总目录返回分目录后退图138kg/m钢轨断面图图243kg/m钢轨断面图图350kg/m钢轨断面图图460kg/m钢轨断面图图575kg/m钢轨断面图。
钢轨断面尺寸表的规律是什么钢轨是公路、铁路等轨道交通工程中常用的钢轨之一。
它由两种不同牌号的高碳低碳钢条,两个以上不同规格的焊轨接头和焊接接头夹套组成,通过焊接连接。
目前广泛应用在各种不同交通工具上。
轨道断面尺寸主要是指钢轨断面部分尺寸,即钢轨侧面与轨顶面之间的距离。
一般情况下,钢轨侧与轨顶面之间距离为50 mm。
由于侧向与水平部分之间有一定缝隙。
这就要求钢轨侧面和轨道顶面之间有一定水平距离以减少因侧向和水平不同而产生的横向力和摩擦力(特别是当凸缘处)。
1.钢轨断面中的横截面积,简称纵截面积,是用于计算轨距间距和钢轨截面面积的物理量。
纵截面积等于轨距距离+横截角度+纵截面积。
在各种工程中,钢轨横截面积常用于确定轨距间距,是重要的控制工程参数之一。
其公式为:式中: d为横截面积, r为轨距距离, mm为横截角度, d为横截角度系数, s为横截角度系数和横截角度系数。
纵截宽度:即道岔轨距长度/轨距半径。
它与道岔半径有关:轨距半径越大,纵截宽度越大。
纵截长度为轨距距离宽度与道岔半径之和;纵截角度为轨距角度与道岔半径之和。
2.横截面积的大小与截面大小成正比。
不同的钢轨,其厚度也有一定差别。
轨道宽度小于150 mm时,则其横向尺寸一般为40 mm;大于200 mm时,则为50 mm。
它被称为最大断面尺寸。
当横截面积小于200 mm时,不能保证轨侧面不会产生摩擦力;当横截面积大于200 mm时,会使摩擦力增大。
例如,普通平轨长度为400 mm且轨距为300 mm,其侧向尺寸约为120 mm。
因此,当轨两侧横截面积相同时,其最大断面尺寸是相同的,但轨厚度会增大。
但是,不同长度铁路采用什么样的轨距都不一样。
3.横向截面积是由两种钢条的纵截宽度决定的。
纵截长度为50 mm。
为了降低列车运行时的纵向摩擦系数和减轻道砟作用,通常可以选择更宽的纵截。
在钢轨生产中,通常将纵截长度分为直尺和角尺两种型号。
直尺钢轨截面尺寸为正方形,角尺钢轨断面尺寸为圆形。