质量管理体系内审几个案例分析
- 格式:ppt
- 大小:777.50 KB
- 文档页数:27
内部审核实操案例第一节公司介绍一、公司概况XX炉具有限责任公司是一家中外合资企业,现有员工65人,其中工程师、技师、会计师等中级以上人才15名,公司占地12000平方米,所处地理条件优越交通运输便利,公司专门研制“XX”牌各系列水暖炉具,分为5类:“蜂窝煤炉系列、煤球炉系列、立式炉系列、无烟煤多炉膛系列和烟煤连续燃烧炉系列”,年生产能力1万台,产值800万余元,采用先进工艺技术和设备。
具备严格的生产控制技术,所有产品均按国家标准生产,并具有完善的检出仪器与技术手段,保证了产品质量的稳定、可靠,得到了广大顾客的青睐与认可。
今后,本公司将继续致力于设计和开发高、精、尖新产品,并使产品质量不断提高,以更高的热诚为广大消费者服务。
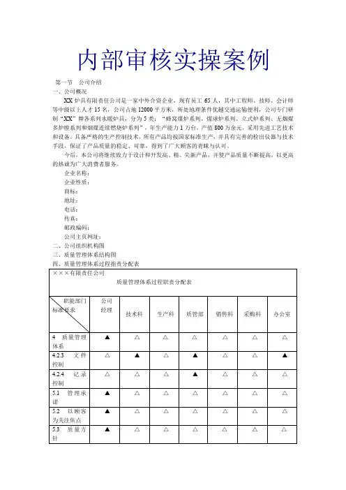
企业名称:企业性质:商标:地址:电话:传真:邮政编码:公司主页网址:二、公司组织机构图三、质量管理体系结构图四、质量管理体系过程指责分配表第三节内部审核实例一、确定审核方案审核方案的目标是:1、满足质量管理体系标准的认证要求;2、确保附和合同要求。
质管科编制年度内审计划作为审核方案的输出。
××××有限责任公司质量管理体系2002年度内审计划编号:×××××××××二、任命内用周长和内审组成员1、应保持内审活动的独立性和公正性、内审应由与受审核部门无直接关系的内审员负责,即内审员不能审核自己的工作。
2、内审员应遵循以下审核原则;(1)道德行为——职业化的基础:信实、正直、保守秘密和谨慎是内审员的基本素质。
(2)公正表达——内审员具有真实、准确地做出报告的义务。
(3)审核发现、审核结论和审核报告准确地反映了审核活动。
内审员必须报告在审核过程中所遇到的明显的障碍以及在审核组和受审核部门之间没有解决的或分歧的意见。
(4)预期的职业考虑——在审核中,内审员应具备勤奋的精神并具有正确判定的能力。
20个超经典的质量管理体系审核案例及分析20个超经典的质量管理体系审核案例及分析【案例1】某厂产品声称执行国家标准,标准规定:“产品的检测温度为25C士1oC,湿度<60%”。
但是审核时发现检验室并没有温湿度控制手段。
审核员问:“温湿度问题如何解决?”检验员说:“上次审核时已给我们开出了不合格报告,由于考虑到资金紧张,而且同行业其他厂对该产品的检测也不考虑温湿度的影响,另外该标准是推荐性标准,我们可以参照执行,进行一些改动,因此决定将该条件删除。
”检验员出示了厂经理办公会的决定,取消对温湿度的要求。
在销售科,审核员看到与顾客签定的销售合同上,填写的产品执行标准仍然是该国家标准。
案例分析:国家标准有强制性和推荐性标准。
对于推荐性标准,是建议企业采用,没有强制要求。
但是如果企业对外声称是执行的GB/TXXXX,则该标准对于企业就是强制性的了,即要求企业百分之百执行该标准,否则不能声称执行此标准。
当然,可以说是“参照执行GB/TXXXX 标准。
”本案违反了标准“8.2.4产品的监视和测量”的“这种监视和测量应依据所策划的安排,在产品实现过程的适当阶段进行。
”【案例2】某乡办企业承接开关厂开关柜箱体的焊接加工,审核员发现焊点间距分布不均匀,问工人:“工艺指导书对于焊点间距有没有规定?”焊工回答:“工艺没有规定,我们都是很熟练的焊工,凭经验就知道应该掌握的焊接间距。
”审核员在查看《焊接工艺》时看到对于箱体每边有焊接点数的规定,但没有间距要求。
但是在检验科查阅《焊接检验规程》时看到规定:“焊点应该分布均匀,两点之间距离应为10cm土2cm。
”上述两份文件均由总工程师批准。
案例分析:本案的《焊接工艺》和《焊接检验规程》对焊接的要求不同,说明文件之间没有协调一致,违反了标准“4.2.3文件控制”的“a)文件发布前得到批准,以确保文件是充分与适宜的。
”这种情况在审核中经常发现,原因在于领导在审批文件时,只是履行形式,没有认真地把文件审查一遍,以便将不合理或矛盾的地方排除。
质量管理体系内部审核案例案例一:某厂质量目标规定:“成品合格率为98%以上”。
审核员问张技术员:“成品合格率指的是什么含义?”他回答:“这是指的成员出库合格率,因为我们的成品检验不可能百分之百的检验,只是按检验规程进行抽样检验,因此存在不合格的风险。
”李技术员回答说:“这是指的成品入库前的合格率。
”检验员小王说:“这是指的成品一次交验合格率。
”案例分析:本案说明在企业内对于质量目标的定义没有得到员工的理解和沟通,这势必影响对实现质量目标的考核与控制。
违反了标准“5.4.1质量目标”的“质量目标应是可测量的,并与质量方针保持一致。
”及“5.3质量方针”的“d)在组织内得到沟通和理解”的规定。
案例二:审核员在是审核某建筑公司第一项目经理部时,看到技术交底和检验记录填写的笔体非常相似,于是询问项目经理:“技术交底和检验记录是由谁填写的?”项目经理说:“是资料员填写的。
”审核员:“资料员有技术员和检验员上岗证吗?”项目经理说:“由于工地人手少,只好由资料员代劳了,好在质检站对此也没有提出异议。
”当地政府主管部门规定:“技术交底应由具有资质的技术员或技术队长负责,检验工作应由具有资质的检验员负责。
案例分析:这种事情在建筑施工企业中常有发生。
技术交底应由技术员或技术队长交到施工的班组长,检验记录应该是检验员在施工现场实际检测的结果,而不是事后由别人在屋子里补填记录。
填写记录的人员没有相应的资质,违反了标准“5.1管理承诺”的“a)向组织传达满足顾客和法律法规要求的重要性;”及“4.2.4记录控制”的“建立并保持记录,以提供符合要求和质量按理体系有效运行的证据。
案例三:红星涂料厂将苯丙乳液配置车间承包给了一个员工负责。
于是该车间成了该厂主要生产原料的供方。
审核员在查阅供销拉提供的合格供方我名录时发现,苯丙乳液供方的名称是“红星涂料厂”。
审核员问:“你们怎样控制该车间的质量?”供销科长说:“我们只要对其进货检验合格就行了,别的方面我们管不了,他们与厂里有承包合同,你得问厂长去。
ISO质量管理体系289个审核案例(经典案例)〖案例001〗某四星级饭店有南、北两栋楼,南楼设施较北楼差些,房价也便宜些。
一天客人张先生住进南楼,因旅途劳累,不愿到餐厅就餐,因此打电话到餐厅要求送餐到客房。
但是餐厅值班员回答:“对不起,先生,南楼不提供送餐服务。
”张先生大为不满地问道:“既然是四星级饭店,即使南楼较便宜,也应该有送餐服务。
”值班员回答:“对不起,先生,这是本饭店的规定。
”案例分析:根据《旅游涉外饭店星级的划分及评定》(GB/T 14308——1997)的6.4.8条款的规定“v.有送餐菜单与饮料单,24h提供中西式早餐、正餐送餐服务。
……”尽管本标准是推荐性标准,但是饭店一旦使用即变成强制性的标准(由于饭店已经被评为四星级),应该百分之百地执行标准的规定。
因此饭店规定对南楼不提供送餐服务就违反了国家标准的规定,应立即更换。
本案违反了标准“1.1总则”的“b)通过体系的有效应用,包含体系持续改进的过程与保证符合顾客与适用的法律法规要求,旨在增强顾客满意。
”及“5.1管理承诺”的“a)向组织传达满足顾客与法律法规要求的重要性;”的规定。
〖案例002〗某公司生产系列高压硅堆,据总经理说他们生产的都是定型产品,因此没有设计开发的工作。
审核员在现场审核时看到一位技术员正在对某种新型高压硅堆进行测试,审核员问:“这是定型产品吗?”技术员回答:“这是我们刚刚由外单位引进的新产品,目前正在工艺调整阶段。
”审核员问:“关于工艺的转化你们做了什么工作?”技术员答:“由于该类型产品我们从来没有生产过,而且还要增加一些新的设备,加上没有这方面的经验,我们在工艺科的指导下已反复做了十几遍试验了,估计最近就可取得成功。
”审核员要求查看这方面有关的技术资料,比如产品的立项、策划、工艺转化的记录等等,技术员说:“我们没有把设计开发纳入质量管理体系,因此这方面的记录很不规范。
”审核员问公司经理:“为什么不把设计开发纳入质量管理体系操纵?”经理回答:“听说标准对技术开发的操纵要求很烦恼,因此我们就不纳入管理了。
质量认证审核中的典型案例分析在当今竞争激烈的市场环境中,企业要想在激烈的竞争中脱颖而出,除了产品质量和服务水平外,还需要通过一系列的认证审核来证明自己的实力和专业性。
质量认证审核是企业提高整体质量管理水平,规范生产流程的有效手段之一。
以下将通过分析一个典型的质量认证审核案例,来探讨在审核过程中的问题及解决方案。
1. 案例背景介绍:某家制造企业在市场上有一定的知名度,但在同行业竞争中不占优势。
为了提高企业的整体实力和竞争力,该企业决定进行ISO9001质量管理体系认证。
然而,在认证审核的过程中遇到了一些困难和挑战。
2. 质量管理体系建立不规范:在审核过程中发现,该企业的质量管理体系建立得不够完善,各部门之间的沟通和协作不够密切,导致信息传递不畅和工作效率低下。
这是企业在认证审核中的一大障碍。
3. 员工培训和意识不足:另外,企业的员工培训和意识普及也存在一定的问题,有些员工对ISO9001认证的要求和意义不够清晰,导致实际操作中存在差错和失误。
4. 供应链管理不规范:在审核中还发现,企业的供应链管理不够规范,供应商选择和审核不够严格,导致原材料质量无法得到有效保障,对产品的质量造成了一定的影响。
5. 内部流程缺陷和风险控制不到位:企业内部的流程也存在一定的缺陷,比如生产流程中存在浪费和漏洞,风险控制措施不到位等问题,这些都是企业在审核中需解决的难题。
6. 解决方案之一:为了解决以上问题,企业首先需要加强内部管理,完善质量管理体系,建立起各部门之间的信息沟通和协作机制,确保信息传递的畅通和工作效率的提高。
7. 解决方案之二:其次,企业需要加强员工培训和意识普及,提高员工对ISO9001认证的认识和重视程度,培养员工的质量意识和服务意识,确保生产流程的规范和质量的稳定。
8. 解决方案之三:另外,企业也需要加强供应链管理,选择高质量的供应商,建立供应商审核和评估机制,确保原材料的质量和供货的及时性,从根本上提高产品的质量和竞争力。
质量管理体系内部审核案例案例一:某厂质量目标规定:“成品合格率为98%以上”。
审核员问张技术员:“成品合格率指的是什么含义?”他回答:“这是指的成员出库合格率,因为我们的成品检验不可能百分之百的检验,只是按检验规程进行抽样检验,因此存在不合格的风险。
”李技术员回答说:“这是指的成品入库前的合格率。
”检验员小王说:“这是指的成品一次交验合格率。
”案例分析:本案说明在企业内对于质量目标的定义没有得到员工的理解和沟通,这势必影响对实现质量目标的考核与控制。
违反了标准“5.4.1质量目标”的“质量目标应是可测量的,并与质量方针保持一致。
”及“5.3质量方针”的“d)在组织内得到沟通和理解”的规定。
案例二:审核员在是审核某建筑公司第一项目经理部时,看到技术交底和检验记录填写的笔体非常相似,于是询问项目经理:“技术交底和检验记录是由谁填写的?”项目经理说:“是资料员填写的。
”审核员:“资料员有技术员和检验员上岗证吗?”项目经理说:“由于工地人手少,只好由资料员代劳了,好在质检站对此也没有提出异议。
”当地政府主管部门规定:“技术交底应由具有资质的技术员或技术队长负责,检验工作应由具有资质的检验员负责。
案例分析:这种事情在建筑施工企业中常有发生。
技术交底应由技术员或技术队长交到施工的班组长,检验记录应该是检验员在施工现场实际检测的结果,而不是事后由别人在屋子里补填记录。
填写记录的人员没有相应的资质,违反了标准“5.1管理承诺”的“a)向组织传达满足顾客和法律法规要求的重要性;”及“4.2.4记录控制”的“建立并保持记录,以提供符合要求和质量按理体系有效运行的证据。
案例三:红星涂料厂将苯丙乳液配置车间承包给了一个员工负责。
于是该车间成了该厂主要生产原料的供方。
审核员在查阅供销拉提供的合格供方我名录时发现,苯丙乳液供方的名称是“红星涂料厂”。
审核员问:“你们怎样控制该车间的质量?”供销科长说:“我们只要对其进货检验合格就行了,别的方面我们管不了,他们与厂里有承包合同,你得问厂长去。