客运企业危险源辨识与风险控制表
- 格式:doc
- 大小:123.50 KB
- 文档页数:7
客运企业危险源辨识与风险控制表施以及加强对驾驶员的安全培训教育来规范驾驶员的行车行为。
同时,加强车辆的例检和维修,确保车辆的主动安全装置和被动安全装置的正常运行。
针对涉水路面的风险,加强驾驶员的安全操作规程和作业任务分析法,同时加强特殊天气发车前的安全叮嘱和雨季安全行车教育培训。
在客运企业中,存在着多种潜在的危险源和危害因素,如视镜损坏、刮水器失效、安全带损坏、车辆被尖锐物扎破等。
这些因素可能导致道路交通事故和车辆损坏等问题。
为了控制这些风险,必须采取有效的控制措施,如加强车辆技术管理制度、制定驾驶员安全操作规程和作业任务分析法等。
同时,加强对驾驶员的安全培训教育和特殊天气发车前的安全叮嘱和雨季安全行车教育培训,提高驾驶员的安全意识和行车规范。
法看清道路情况。
容易发生碰撞事故驾驶员难以准确判断前方道路情况。
容易发生碰撞事故反应时间延长,判断距离增加,容易发生碰撞事故现有控制措施夜间行车规定。
车辆灯光检查制度夜间行车规定。
车辆灯光检查制度夜间行车规定。
车辆灯光检查制度状态时态评价方法正异紧现过将常常急在去来是否可以接受加强夜间行车时的灯光检查和维护。
提高驾驶员对夜间行车的安全意识加强夜间行车时的灯光检查和维护。
提高驾驶员对夜间行车的安全意识加强夜间行车时的灯光检查和维护。
提高驾驶员对夜间行车的安全意识备注夜间√√√经验观察法是夜间√√√经验观察法是夜间√√√经验观察法是观察路况是避免交通事故的关键。
在行驶过程中,车辆易出现侧滑情况。
特别是在平坦、两侧无树木或建筑物,同时有积雪覆盖的道路上行驶,驾驶员很难识别分道线或路侧边缘,从而引发事故。
此外,看不清路况也容易导致追尾事故和连环追尾。
驾驶员疲劳、轮胎压力过高、电器元件自燃和制动失效等也是交通事故的常见原因。
因此,需要采取控制措施来避免这些问题的发生。
一些特殊天气条件下,如雨天、雪天和大雾天气,需要特殊的安全行车管理规定。
此外,加强驾驶员的安全教育培训,并在发车前进行安全叮嘱也是必要的措施。
客运企业危险源辨识与风险评价表危险源辨识与风险评价表部门:状态时态序辨识部位及潜在危险危害可能导致的现有控制是否可正异紧现过将评价方法采用的措施备注号内容因素事故措施以接受常常急在去来视镜损坏、驾驶员车辆技术管立即停运维修更换新观察道路交通情道路交通事故 ? ? 现场观察法是理制度镜后运行车辆主动安况收到影响 1 全装置失效刮水器失效,视线车辆技术管立即维修恢复正常后道路交通事故 ? ? 现场观察法是受影响理制度运行,同时加强例检安全带损坏,车辆发生碰撞等事故车辆技术管立即维修恢复正常后时无法束缚驾驶伤人 ? ? 经验观察法是理制度运行,同时加强例检员或乘客,致其受车辆被动安伤 2 全装置失效灭火器、警告标出现紧急情况,志、安全锤、应急车辆例检操现场更换或维修,加无法及时有效 ? ? 经验观察法是门开关等损坏或作规程强日常例检和监督处理缺失未查清水情即加强特殊天气发车前涉水行驶,易使驾驶员安全作业任务分水过深 ? ? ? 是安全叮嘱和雨季安全涉水路面,如车辆熄火、电器操作规程析法行车教育培训漫水桥、过河设备受潮 3 路、积水道路加强特殊天气发车前等车辆打滑或陷驾驶员安全作业任务分水下有泥沙 ? ? ? 是安全叮嘱和雨季安全于水中操作规程析法行车教育培训危险源辨识与风险评价表部门:状态时态序辨识部位及潜在危险危害可能导致的现有控制是否可正异紧现过将评价方法采用的措施备注号内容因素事故措施以接受常常急在去来加强特殊天气发车前车胎被尖锐物驾驶员安全作业任务分水中有尖锐物 ? ? ? 是安全叮嘱和雨季安全涉水路面,如扎破操作规程析法行车教育培训漫水桥、过河3 路、积水道路车辆行驶轨迹加强特殊天气发车前驾驶员安全作业任务分等水流速度快发生偏移或被 ? ? ? 是安全叮嘱和雨季安全操作规程析法冲走行车教育培训通过GPS动态监控措速度快,制动距高速公路行施以及加强对驾驶员离加长,易发生? ? ? 经验观察法是车管理规定的安全培训教育,规连环撞车事故范驾驶员的行车规范GPS管理办长时间高速行通过GPS动态监控措法及防疲劳驶,驾驶员易疲施以及加强对驾驶员相对封闭、控制出强制休息制? ? ? 经验观察法是劳,车辆性能易的安全培训教育,规入、单向行驶、无度,驾驶员安发生变化范驾驶员的行车规范 4 高速公路平面交叉、路况全操作规程好、车速高、车流长时间高速行GPS管理办通过GPS动态监控措量大驶,驾驶员感知法及防疲劳施以及加强对驾驶员? ? ? 经验观察法是能力下降,易超强制休息制的安全培训教育,规速行驶度范驾驶员的行车规范客车车辆重心高速公路行通过GPS动态监控措高,速度快,遇车管理规定? ? ? 经验观察法是施以及加强对驾驶员突发情况易侧及驾驶员安的安全培训教育,规滑、侧翻全操作规程范驾驶员的行车规范危险源辨识与风险评价表部门:状态时态序辨识部位及潜在危险危害可能导致的现有控制是否可正异紧现过将评价方法采用的措施备注号内容因素事故措施以接受常常急在去来长时间行驶,易长途运营车加强GPS动态监控力疲劳,注意力不辆规定,GPS疲劳 ? ? ? 经验观察法是度以及加强驾驶员安集中、反应变慢监控管理规全培训教育诱发交通事故定服药后出现反加强GPS动态监控力应迟钝、嗜睡等安全告诫制药物不良反应 ? ? ? 询问交谈法是度以及加强发车前驾不良反映,引发度驶员上岗资质检查驾驶员生理交通事故 5 异常因疾病失去对加强GPS动态监控力车辆的操控能安全告诫制度以及加强发车前驾疾病 ? ? ? 现场观察法是力,引发交通事度驶员上岗资质检查,故杜绝带病上岗反映变慢,判断加强发车前驾驶员上安全告诫制酒后力下降,引发交 ? ? ? 现场观察法是岗资质检查,严把驾度通事故驶员上岗关雷电劈倒或大GPS短信息提醒,加特殊天气安风刮倒路边树强驾驶员安全教育培6 雨天雷电、大风全行车管理 ? ? ? 经验观察法是木,形成路障或训,发车前的安全叮规定砸中过往车辆嘱落实到位道路塌陷或松GPS短信息提醒,加特殊天气安软,车辆易陷入强驾驶员安全教育培路面湿滑、泥泞全行车管理 ? ? ? 经验观察法是或侧滑,同时制训,发车前的安全叮规定动距离增大嘱落实到位危险源辨识与风险评价表部门:状态时态序辨识部位及潜在危险危害可能导致的现有控制是否可正异紧现过将评价方法采用的措施备注号内容因素事故措施以接受常常急在去来实现受影响,无GPS短信息提醒,加特殊天气安光线昏暗、能见度法清晰观察路强驾驶员安全教育培6 雨天全行车管理 ? ? ? 经验观察法是低况,引发交通事训,发车前的安全叮规定故嘱落实到位车辆在行驶过程中易侧滑,车辆在平坦、两侧停运或采取停车避险无树木、建筑物特殊天气安路面被积雪覆盖等措施,并有针对性7 雪天同时有积雪覆全行车管理 ? ? ? 经验观察法是或有融雪的对驾驶员进行安全盖的道路行驶,规定培训教育识辨不出分道线、路侧边缘而引发事故停运或采取停车避险看不清路况,追特殊天气安等措施,并有针对性8 大雾天气能见度低尾事故频发,易全行车管理 ? ? ? 经验观察法是的对驾驶员进行安全连环追尾规定培训教育驾驶员易疲劳,驾驶员安全GPS短信息提醒,加9 高温天气温度过高 ? ? ? 经验观察法是轮胎压力高,易操作规程强驾驶员安全教育培爆胎,电器元件训,发车前的安全叮易自燃,制动易嘱落实到位失效危险源辨识与风险评价表部门:状态时态序辨识部位及潜在危险危害可能导致的现有控制是否可正异紧现过将评价方法采用的措施备注号内容因素事故措施以接受常常急在去来GPS短信息提醒,加使车辆偏离行驾驶员安全强驾驶员安全教育培10 台风风力能力巨大 ? ? ? 经验观察法是驶轨迹或侧翻操作规程训,发车前的安全叮嘱落实到位前照灯损坏,夜间无法观察路况发生事故,转加强监督检查和车辆照明、信号装置故车辆技术状向灯、倒车灯、 ? ? ? 经验观察法是安全例检工作,及时障况规章制度示宽灯损坏,无发现及时修复技术状况不警示作用,易发11 良生事故车辆在行驶过加强监督检查和车辆轮胎磨损严重、有程中行驶附着车辆技术状 ? ? ? 经验观察法是安全例检工作,及时裂纹或扎入杂物力不够,制动距况规章制度发现及时修复离延长易爆胎长隧道内照明差,车辆抛锚易引驾驶员安全加强日常驾驶员的安12 隧道 ? ? ? 经验观察法是可见度低发碰撞事故操作规程全培训教育驾驶员强行超隧道狭窄、限制高驾驶员安全加强日常驾驶员的安车易引发碰撞 ? ? ? 经验观察法是度操作规程全培训教育事故驾驶员难以适隧道出入口明暗驾驶员安全加强日常驾驶员的安应,短暂失明, ? ? ? 经验观察法是变化操作规程全培训教育无法观察路况危险源辨识与风险评价表部门:状态时态序辨识部位及潜在危险危害可能导致的现有控制是否可正异紧现过将评价方法采用的措施备注号内容因素事故措施以接受常常急在去来车辆容易失控,驾驶员安全加强日常驾驶员的安12 隧道出口横风 ? ? ? 经验观察法是发生侧滑操作规程全培训教育驾驶员观察不各种交通工具汇驾驶员安全加强日常驾驶员的安细,易发生碰 ? ? ? 经验观察法是聚,人车混杂操作规程全培训教育撞、刮擦事故交通信号、标志表现缺乏或损交通安全设施不驾驶员安全加强日常驾驶员的安毁,通行无指示 ? ? ? 经验观察法是完整操作规程全培训教育易发生碰撞事城乡结合部故13 路段买卖双方不注临时市场占道经驾驶员安全加强日常驾驶员的安意来往车辆发 ? ? ? 经验观察法是营操作规程全培训教育生事故行人或其他车交通参与者安全辆不遵守交通驾驶员安全加强日常驾驶员的安 ? ? ? 经验观察法是意识差规则,给安全行操作规程全培训教育车带来隐患按规定配备消防器消防器材设施缺导致火灾发生安全生产管 ? ? ? 现场观察法是材,并按期检查确保失或失效后事态失控理制度其安全有效 14 停车场造成行人陷入设置临时警定期维护路面,保障停车场地面损坏受伤或车辆陷 ? ? ? 现场观察法是告标志牌通行入受损危险源辨识与风险评价表部门:状态时态序辨识部位及潜在危险危害可能导致的现有控制是否可正异紧现过将评价方法采用的措施备注号内容因素事故措施以接受常常急在去来火灾或触电事用电安全规立即维修,并加强用线路老化 ? ? ? 现场观察法是故定电安全检查雨雪天导致走廊导致人员摔倒设置警示提15 办公区 ? ? ? 现场观察法是地面铺设防滑脚垫地板湿滑受伤醒标志电器漏电,违规操用电安全规触电事故 ? ? ? 现场观察法是加强日常教育培训作电器定设置警示标志及操作存储燃料易燃易消防安全管16 加油(气)站火灾、爆炸事故 ? ? ? 现场观察法是规程展板,开展日常爆理规定性检查制表人: 审核人: 批准人: 说明:现有控制措施栏中填写相应的规章制度、操作规程或预案等。
车前进行问询、告知,督促客运驾驶人做好对车辆的日常维护和检查,防止客运驾驶人酒后、带病或者带不良情绪上岗。
域及夜间行驶时间等,在所属车辆运行期间对车辆和驾驶员进行实时监控和管理。
设置超速行驶和疲劳驾驶的限值应当符合相应的法财产损失律法规的要求。
Array驾驶员的行为执行,不合格的人员严禁录用。
发生事故后,如实上报,并及时完成事故“四不放过”处理。
排查5、按照集团相关制度要求,开展风险分级管控和隐患排查治理工作。
3、督促落实车辆“三检”制度,并组织对车辆进行抽检,确保车辆正常运行。
4、参加公司组织的安全检查、培训教育等活动,提出安全技术方3级/黄色故等其它事故故员行为1人的行为2、落实车辆安全技术规定,对车辆按规定时间、项目投保维修,2、加强对动态监控人员的教育和培训,保证其能熟练掌握监控管理平台操作方法,切实履行岗位职责。
3、发现超速、疲劳等交通违法行为应及时发送警示信息,督促驾驶员及时纠正行为。
4、做好雨雪、大雾等恶劣天气的安全提醒。
控人员制止违规行为1、按照集团相关制度要求选择具备一定的计算机操作水平,工作2术状况验制度,严格执行营运车辆综合性能检测和技术等级评定制度,确保车辆符合安全技术条件。
逾期未年审、年检或年审、年检不合格车辆技术状况状态全后,低速通过。
水情不明的情况下禁止通过。
、冰雹等低能见度情况下行驶时,应当开启前照灯、示廓灯和后位灯,但同方向行驶的后车与前车近距离行驶时,不得使用远光灯。
机动车雾天行驶应当开启雾灯和危险报警闪光灯。
环境因素9、机动车行驶中遇有下列情形之一的,最高行驶速度不得超过每小时30公里:(一)遇雾、雨、雪、沙尘、冰雹,能见度在50米以内时;(二)在冰雪、泥泞的道路上行驶时。
车中因制动系统中的水结冰,造成刹车失灵。
6、及时清除挡风玻璃上的积雪,保证视线清晰。
7、卫星定位装置专职监控人员应及时提醒驾驶人员注意特殊天气。
必要时寻找安全地带停车休息。
其他伤害生安全事故覆盖;能见度低;路面湿滑等情气2、配备必要的防滑链条和工具。
车前进行问询、告知,督促客运驾驶人做好对车辆的日常维护和检查,防止客运驾驶人酒后、带病或者带不良情绪上岗。
域及夜间行驶时间等,在所属车辆运行期间对车辆和驾驶员进行实时监控和管理。
设置超速行驶和疲劳驾驶的限值应当符合相应的法财产损失律法规的要求。
Array驾驶员的行为执行,不合格的人员严禁录用。
发生事故后,如实上报,并及时完成事故“四不放过”处理。
排查5、按照集团相关制度要求,开展风险分级管控和隐患排查治理工作。
3、督促落实车辆“三检”制度,并组织对车辆进行抽检,确保车辆正常运行。
4、参加公司组织的安全检查、培训教育等活动,提出安全技术方3级/黄色故等其它事故故员行为1人的行为2、落实车辆安全技术规定,对车辆按规定时间、项目投保维修,2、加强对动态监控人员的教育和培训,保证其能熟练掌握监控管理平台操作方法,切实履行岗位职责。
3、发现超速、疲劳等交通违法行为应及时发送警示信息,督促驾驶员及时纠正行为。
4、做好雨雪、大雾等恶劣天气的安全提醒。
控人员制止违规行为1、按照集团相关制度要求选择具备一定的计算机操作水平,工作2术状况验制度,严格执行营运车辆综合性能检测和技术等级评定制度,确保车辆符合安全技术条件。
逾期未年审、年检或年审、年检不合格车辆技术状况状态全后,低速通过。
水情不明的情况下禁止通过。
、冰雹等低能见度情况下行驶时,应当开启前照灯、示廓灯和后位灯,但同方向行驶的后车与前车近距离行驶时,不得使用远光灯。
机动车雾天行驶应当开启雾灯和危险报警闪光灯。
环境因素9、机动车行驶中遇有下列情形之一的,最高行驶速度不得超过每小时30公里:(一)遇雾、雨、雪、沙尘、冰雹,能见度在50米以内时;(二)在冰雪、泥泞的道路上行驶时。
车中因制动系统中的水结冰,造成刹车失灵。
6、及时清除挡风玻璃上的积雪,保证视线清晰。
7、卫星定位装置专职监控人员应及时提醒驾驶人员注意特殊天气。
必要时寻找安全地带停车休息。
其他伤害生安全事故覆盖;能见度低;路面湿滑等情气2、配备必要的防滑链条和工具。
汽车客运站危险源辨识和风险评价记录表
汽车客运站危险源辨识和风险评价记录表
部门:共页,第1页
仅供学习与交流,如有侵权请联系网站删除谢谢
仅供学习与交流,如有侵权请联系网站删除谢谢3
仅供学习与交流,如有侵权请联系网站删除谢谢4
仅供学习与交流,如有侵权请联系网站删除谢谢5
仅供学习与交流,如有侵权请联系网站删除谢谢6
仅供学习与交流,如有侵权请联系网站删除谢谢7
仅供学习与交流,如有侵权请联系网站删除谢谢8
仅供学习与交流,如有侵权请联系网站删除谢谢9
仅供学习与交流,如有侵权请联系网站删除谢谢10
11
12
13
14
16
17
汽车客运站站危险源辨识和风险评价记录表
部门:共页,第1页
18
19
20
21
22
23
24
25
26
27
28
29
30
31
32
汽车客运站站危险源辨识和风险评价记录表
部门:共页,第6页
33
34
35
36
评价人:评价组长:日期: QY-SR-4311-01
37
汽车客运站站危险源辨识和风险评价记录表
部门:共页,第10页
38
39
40
41
42
评价人:评价组长:日期: QY-SR-4311-01
汽车客运站站危险源辨识和风险评价记录表
部门:共页,第14页
43
44
45
46
评价人:评价组长:日期: QY-SR-4311-01
47。
客运企业危险源辨识与风险控制表客运企业是指以客运为主要经营活动的企业,如长途客运、旅游客运、城市公交等。
由于客运企业的经营活动直接涉及到人的生命财产安全,所以必须对其进行危险源辨识和风险控制。
下面是客运企业危险源辨识和风险控制表。
一、危险源辨识危险源是指可能导致事故、灾难或伤害的自然条件、人为因素、技术缺陷等。
客运企业危险源主要包括以下方面:1. 人为因素:客车驾驶员的安全意识和驾驶技术水平是客运企业发生事故的主要原因之一。
此外,客车售票员的服务质量和乘客管理能力也是人为因素的一部分。
2. 技术因素:客车的技术状况是客运企业行驶安全的关键。
如客车的制动系统、灯光系统、轮胎等部位的故障或运用不当都会导致事故发生。
3. 自然因素:客运企业的行车路线和天气状况也是危险源之一。
山路、陡坡、冰雪、雨雪天气都会影响客车的行驶安全。
二、风险控制风险控制是指对危险源进行管理、控制和预防,减少危险事故的发生。
客运企业应该采取以下措施对危险源进行风险控制:1. 加强人员培训:客运企业应该对驾驶员、售票员等员工进行安全培训,提高其安全意识和服务质量。
2. 加强技术管理:客运企业应该加强对客车的维护和保养,定期检查车辆的制动系统、灯光系统、轮胎等部位的状况。
3. 完善管理制度:客运企业应该建立健全的管理制度和管理流程,明确各部门的职责和任务,确保管理工作的有效性和可持续性。
4. 及时更新车辆:客运企业应该定期更新旧车,购置符合国家安全标准的新车,提高车辆的安全性和舒适度。
5. 加强安全监管:政府和相关部门应该加强对客运企业的安全监管,对不符合安全标准的企业和车辆进行处罚和淘汰,推动行业健康发展。
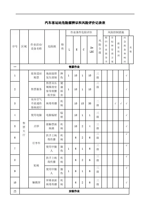
-/汽车客运站危险源辨别微风险评论记录表部门:共页,第 1页作业条件危险评论风险控制举措作业活动 / 设备名风险程序 /目标应急序号地区危险源特征D=作业和管教育准备称L E C分级LEC指导理方培训其余和响书案应一安全例检作业运营客车外观、制动系统、转向系统、传动系统、照明、信号指示灯、轮胎、悬挂系1统、安全设备和摄像优等规104080安全例检定规检项目不切合要求交通事故一级√√例检站,出具《安全例检合格通知单》放行不合格车辆,将致使途中发惹祸故。
2车辆挪动被车辆碰撞碰撞伤害101530三级√二调度报班作业运营客车《安全例检合格通知单》、《行驶证》、《道路运3调动审查输证》、客运标记牌等客车报104080一级√√交通事故班手续审查不严格,报班放计划室行不合格车辆,将致使半途发生交通事故。
4电脑使用电脑辐射辐射伤害1011三级√三5车辆安全检查出站口6检查人员指挥车辆78高温中暑四9对危险品进行检查10危险品的保存11安检处安检仪的使用12安检仪的使用13危险品检查调动报14危险品检查班-/出站口检查核查作业超员客车出站;安全例行检一级查不合格客车出站;驾驶员资质不切合要求出站;客车证件不齐出站;《出站登记交通事故104080表》未署名出站;乘客(包含司乘人员 ) 未系安全带客车出站。
放行不合格车辆,将致使途中发惹祸故汽车尾气有害气体1012三级吸入指挥不妥致使汽车发生碰撞碰撞伤害101575一级人员中署中暑310390一级危险品检测仪行包安检作业接触危险物件,产生灼伤等人体1022三级人体伤害伤害对危险品保存不妥发生火灾火灾101575一级事故安检仪故障惹起人员受伤人体10210三级伤害辐射辐射1012三级危险化学品开瓶检查产生挥人体1326三级发、泼洒伤害易燃易爆危险品检查不仔细火灾爆炸104080一级检查,放行“三品”上车导事故√√√√√√√√√√√√√√√√√√√五1516进站口1718六19小件快20递-/致半途火灾爆炸事故。
适用标准文案汽车客运站危险源辨别微风险评论记录表部门:共页,第 1页作业条件危险评论风险控制举措作业活动 / 设备名风险程序 /目标应急序号地区危险源特征D=作业和管教育准备称L E C分级LEC指导理方培训其余和响书案应一安全例检作业运营客车外观、制动系统、转向系统、传动系统、照明、信号指示灯、轮胎、悬挂系1安全例检统、安全设备和摄像优等规104080一级√√定规检项目不切合要求交通事故例检站,出具《安全例检合格通知单》放行不合格车辆,将致使途中发惹祸故。
2车辆挪动被车辆碰撞碰撞伤害101530三级√二调度报班作业运营客车《安全例检合格通知单》、《行驶证》、《道路运3调动审查输证》、客运标记牌等客车报104080一级√√交通事故班手续审查不严格,报班放计划室行不合格车辆,将致使半途发生交通事故。
4电脑使用电脑辐射辐射伤害1011三级√三出站口检查核查作业超员客车出站;安全例行检一级查不合格客车出站;驾驶员资质不切合要求出站;客车5车辆安全检查证件不齐出站;《出站登记交通事故104080√√表》未署名出站;乘客 ( 包含司乘人员 ) 未系安全带客车出站口出站。
放行不合格车辆,将致使途中发惹祸故汽车尾气有害气体1012三级√6吸入检查人员指挥车辆7指挥不妥致使汽车发生碰撞碰撞伤害101575一级√√8高温中暑人员中署中暑310390一级√√四危险品检测仪行包安检作业9对危险品进行检查接触危险物件,产生灼伤等人体1022三级√√人体伤害伤害10危险品的保存对危险品保存不妥发生火灾火灾101575一级√√事故11安检处安检仪的使用安检仪故障惹起人员受伤人体10210三级√√伤害12安检仪的使用辐射辐射1012三级√√13危险品检查危险化学品开瓶检查产生挥人体1326三级√√发、泼洒伤害调动报易燃易爆危险品检查不仔细火灾爆炸一级14危险品检查检查,放行“三品”上车导104080√√班事故致半途火灾爆炸事故。