污泥泵价格及安装操作
- 格式:docx
- 大小:207.40 KB
- 文档页数:3
污水泵安装工艺流程下载温馨提示:该文档是我店铺精心编制而成,希望大家下载以后,能够帮助大家解决实际的问题。
文档下载后可定制随意修改,请根据实际需要进行相应的调整和使用,谢谢!并且,本店铺为大家提供各种各样类型的实用资料,如教育随笔、日记赏析、句子摘抄、古诗大全、经典美文、话题作文、工作总结、词语解析、文案摘录、其他资料等等,如想了解不同资料格式和写法,敬请关注!Download tips: This document is carefully compiled by theeditor.I hope that after you download them,they can help yousolve practical problems. The document can be customized andmodified after downloading,please adjust and use it according toactual needs, thank you!In addition, our shop provides you with various types ofpractical materials,such as educational essays, diaryappreciation,sentence excerpts,ancient poems,classic articles,topic composition,work summary,word parsing,copy excerpts,other materials and so on,want to know different data formats andwriting methods,please pay attention!污水泵的安装工艺流程详解在现代城市建设和家庭生活中,污水泵起着至关重要的作用。
带式脱水压泥机安全操作规程一、开机1.首先打开空压机开关,看压力表是否达到规定值2.打开带机气阀手柄看涨紧气缸是否涨紧,(出泥端侧面两边四个大气缸)注意控制箱内压力表是否正常,看上下滤带是否涨紧。
3.滤带涨紧后,打开主机开关运行带机。
4.打开冲洗水泵开关进行冲洗。
5.打开絮凝搅拌开关。
6.打开浓缩开关。
(注:NGD、NDYQ型号才由此功能。
)7.打开加药泵开关。
(根据进泥量及絮凝效果调节加药阀大小。
)8.打开污泥泵开关。
(注意泥量大小调节阀门。
)二、关机1.关闭污泥泵开关。
2.关闭加药泵开关。
3.关闭浓缩开关(注:NGD、NDYQ型号才由此功能。
)4.关闭絮凝搅拌开关。
5.待滤带完全冲洗干净后(大约20分钟左右)关闭冲洗水泵开关。
6.关闭带机开关。
7.关闭空压机开关。
8.工作结束。
三、注意须知1.查看各部件有无松动,各加油处是否缺油,如油少马上加规定的油,各轴承必须加注2#锂基脂,各滑道上需要加注黄油。
2.压泥机主机无级变速器,需要加注无级变速器专用油(UB-1,UB-3)。
3.无极变速器上的手柄只有在运动时,方可调整转动,无运转时手柄严禁旋转。
4.造成不纠偏的几种情况:(1)检查纠偏装置上的机械法是否损坏,连接纠偏杆的螺丝是否松动;(2)在自由状态下分别波动纠偏装置上的纠偏杆,察看纠偏气缸是否动作,如果没有动作说明纠偏装置上的机械阀损坏,需要更换。
(3)上下纠偏气缸连接气管的快速接头上的调节钮是否处于开的位置。
(4)一侧面板上有2个小气缸为上下滤带纠偏气缸,分别由上面4个自动纠偏装置控制。
5.设备两侧里边安装了两个急停装置(要定期实验,保证正常使用),在滤带出现异常时,即时自动停机,以确保设备安全。
6.如何更换轴承:先把轴承螺丝松开拿掉,把轴承与轴承座一起从轴上拆下来,如果轴头生锈拆不下来,用切片把轴承座及轴承内套切开。
用锉刀把轴头修平,照原来的位置换上新的轴承,拧紧螺丝机开。
7.轴承不转动解决方法:用管钳夹住轴承内套(靠内套上的内六角螺丝卡住管钳),慢慢左右转动,灵活后再加注油脂。
本工程为某污水处理厂污水泵安装工程,主要包括污水泵及其配套设备的安装、调试和试运行。
根据设计要求,本工程采用立式污水泵,主要用于将污水从低处输送到高处或远距离输送。
二、施工准备1. 技术准备:熟悉图纸、施工规范及有关技术文件,掌握污水泵的安装要求及操作规程。
2. 材料准备:按照设计要求,准备污水泵、电机、基础、管道、阀门、伸缩器、管件、连接件等材料。
3. 人员准备:组织具有丰富经验的施工队伍,明确各岗位责任,确保施工质量。
4. 工具准备:准备水泵安装所需的工具,如扳手、螺丝刀、电焊机、水平仪、卷尺等。
三、施工方法及工艺流程1. 污水泵基础施工(1)对水泵房地面或楼面进行清扫凿毛,确保基础平整。
(2)按项目设备专业工程师审核后的水泵基础图进行放线,确定水泵基础位置。
(3)支模板:要求水泵基础高度至少高于水泵房装修好的地面50mm。
(4)按设计砼标号或不小于C20的砼灌注基础。
(5)待水泵基础达到永久强度后,用1:2水泥砂浆将基础四周抹光压平,不需预埋任何埋件。
(6)打砼及抹灰后都应进行浇水养护。
(7)验收:由土建专业质检员检查合格后,填写水泵基础预检记录,交设备专业,并分别由交方与接方的签字,也可填写中间验收记录。
2. 污水泵安装(1)水泵搬运:最好连同包装箱一起运输。
水泵在地上及地下时,有提升设备,采用提升设备搬运;水泵在地下有坡道,可由坡道运下;水泵在地下有吊装孔时,可用卷扬机送下。
(2)水泵开箱检查:按下列项目检查,并作出记录箱号和箱数,以及包装情况;设备名称、型号和规格;设备有无缺件、损坏和外观油漆等情况,进出管口保护物和封盖应完好。
(3)测量放线:测出基础纵横中心线,根据水泵底座尺寸定隔振器的位置。
(4)隔振器安装:采用JSD橡胶隔振器,做水泵的隔振元件。
其型号选择根据下列条件:水泵机组型号、水泵功率、水泵运行工况等。
(5)水泵就位:将水泵放置在基础中心位置,调整水泵水平。
(6)管道安装:按照设计要求,安装干管、支管、阀门、伸缩器、管件、连接件等。
污水处理厂污泥处理设备安装<1>污泥脱水机安装1) 一般要求(1)经过浓缩、消化处理后的污泥,到脱水机房用高干度卧螺沉降离心脱水机脱水,达到进一步减容的效果。
为后续的污泥干化和污泥填埋奠定基础。
(2)采用污泥螺杆泵,将消化污泥送入污泥脱水机,同时由絮凝剂的配制设备将高分子絮凝剂投加到脱水机。
机械脱水后的污泥含固率可以达到30%以上。
2)安装(1)安装前必须仔细核对全部设备,检查设备验收合格证书。
(2)脱水机的现场安装必须保证机械脱水的处理效果:出泥含固率≥30%、投药量≤6kg/t•Ds。
(3)安装人员上岗前必须及早阅读和掌握卧螺沉降离心机的安装指南、安装手册,明确安装程序,拟定安装工作的技术、计划、人力组织的方案;保证脱水机安装的顺利完成。
3)基座安装(1)卧螺离心机必须严格固定在底座结构上,底座用预埋铁固定(见施工图)。
其他设备地脚采用膨胀螺栓。
(2)机座在垂直和水平方向所允许的最大偏差为1mm,设备标高的允许偏差为±2mm,设备水平度1/1000mm(用水准仪检查)。
(3)将离心机基础的四块预埋铁按精度要求调整位置和水平。
(4)离心机的四个机座支腿已随机配带机械减振器,安装时将减振器地脚板的螺栓、螺母上好。
整机找正后将地脚板与预埋铁焊接。
为保护离心机漆面,最好先将每个地脚板点焊4点,然后卸下地脚螺母将离心机吊开。
将地脚板完全焊好、冷却后,再将离心机吊回复位,并上紧地脚螺母。
4)设备吊装(1)起吊离心机组装时,必须使用四个长度相同的园形吊链,并将其连接在离心机机座的吊眼上,吊链应有足够长度。
(2)设备吊装时必须使用设备原装提供的吊耳。
5)工艺管路安装(1)脱水机的进泥、出泥管道必须同进、出料口对准连接处加橡胶绝缘片,保持弹性连接;管道宜短些,便于拆装。
(2)液体排出通道的管路应注意避免管道的弯头太多或小转弯半径;管径≮200mm,且大于排出口直径;排出管应有一定倾斜度。
(3)离心机与进泥管、加药管、滤液排放管和泥饼刀阀的连接全部采用弹性连接。
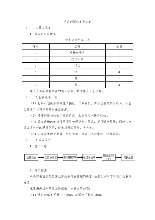
污泥刮泥机安装方案1.1.1.1.施工准备1、劳务班组应配备劳务班组配备人员施工人员必须有丰富的施工经验,熟悉整个工艺流程。
1.1.1.2.材料设备计划(1)材料计划必须按照施工图纸,工期安排,保证设备的按时到场,不能因设备及材料不足延误施工进度。
(2)设备的进场验收严格执行设计及合同要求进行验收。
(3)设备进场的堆放按照项目管理规定、要求,不得随意堆放。
同时注意设备及材料的现场保护,避免材料的损坏、丢失等。
(4)安装需要的主要施工材料包括:木方、临时垫铁、记号笔等。
1.1.1.3.设备安装1、施工工序2、池体检查设备安装前应先检查池体是否符合基础的要求,检查无误后方可进行设备的安装。
土建偏差应不超过允许范围,检查内容如下:(1)池内径偏差不超出±20mm,其圆度不超出20mm;(2)中心沉泥底部和坡面实际标高(抹平前)偏差为+10mm~-10mm;(3)池周边混凝土池壁顶面标高偏差不超出±10mm;(4)池底面周边实际标高及底面的坡度应符合图纸设计要求。
3、工作桥的安装工作桥的安装为设备安装的重要控制点,由于二沉池直径小(D=4.2m),一台汽车吊可以吊装就位。
(1)工作桥安装前应首先在沉淀池半径方向搭好符合要求的脚手架,并在承托部位垫好木板,以防损坏工作桥表面;(2)将工作桥的底架固定于池体两段;(3)按照图纸将驱动装置固定在工作桥上,并于吸泥管连接。
4、驱动装置的安装将驱动装置整体吊装至工作桥中心处并使其固定孔对应螺栓的位置并保证减速机偏离工作桥中心的方向,落座,螺栓紧固,给回转支承加注钙基润滑脂。
5、吸泥管的安装(1)按照图纸以吊板将吸泥管悬吊于桁架下,吸泥管刮泥板指向沉淀池底面,吸泥管与池底面呈45°倾斜,并使吸泥管下缘与最终抹平后的池底保持大致相同的距离,应注意池底坡度;(2)紧固各处螺栓。
6、刮渣装置及附件的安装(1)按照装配图在吸泥桁架上部安装刮渣装置,支架现场安装调整。
一、工程概况本工程为某地区污水处理厂配套的污水泵站安装工程,主要承担将污水处理厂内产生的污水提升至城市污水处理管网。
工程规模为日处理污水量20万吨,泵站设计扬程为30米,设计流量为2000立方米/小时。
本方案将详细阐述污水泵站的施工流程、技术要求和注意事项。
二、施工准备1. 施工组织(1)成立项目经理部,负责整个工程的施工组织、协调和管理。
(2)配备专业施工队伍,包括土建、管道、电气、仪表等岗位人员。
2. 材料设备(1)根据设计要求,提前准备各类材料,如钢筋、混凝土、管道、阀门、电缆等。
(2)确保材料质量符合国家标准,进场时进行验收。
(3)准备施工机械设备,如挖掘机、装载机、混凝土搅拌车、吊车等。
3. 施工图纸(1)熟悉施工图纸,了解工程结构、设备安装位置及要求。
(2)根据施工图纸,编制详细的施工方案。
三、施工工艺及流程1. 土建施工(1)根据设计图纸,进行场地平整,确保场地平整度符合要求。
(2)进行泵站基础施工,包括基础混凝土浇筑、钢筋绑扎等。
(3)泵站主体结构施工,包括墙体、顶板等。
2. 管道安装(1)根据设计图纸,进行管道铺设,包括进水管、出水管、回流管等。
(2)管道安装时,确保管道连接牢固,无明显缝隙。
(3)进行管道防腐处理,延长管道使用寿命。
3. 设备安装(1)根据设计图纸,进行设备安装,包括污水泵、控制系统等。
(2)设备安装时,确保设备位置准确,连接牢固。
(3)进行设备调试,确保设备正常运行。
4. 电气及仪表安装(1)根据设计图纸,进行电气及仪表安装,包括电缆敷设、仪表调试等。
(2)电气及仪表安装时,确保接线正确、牢固。
(3)进行电气及仪表调试,确保系统稳定运行。
四、施工质量保证措施1. 严格按设计图纸和施工规范进行施工。
2. 加强施工现场管理,确保施工质量。
3. 定期进行质量检查,发现问题及时整改。
4. 对施工人员进行质量培训,提高施工人员质量意识。
五、安全文明施工措施1. 加强施工现场安全管理,确保施工安全。
污水处理厂设备安装方案本工程中的主要设备有:回转式格栅除污机、旋转式固液分离机、螺旋压榨机、砂水分离器、水下搅拌器、水处理设备螺旋爆冷器、加氯机、污泥回流泵、浓缩脱水一体机等设备。
(1)在设备安装中要注意以下几点:①设备进场后现场施工人员、材料人员会同建设单位、生产厂家,当面开箱清点、验收,做好记录三方签字,由现场仓库保管。
②设备就位前,必须验收基础,按图检查基础的纵、横向,座标中心线,用水平仪检查标高,是否在允许偏差范围内,做好记录,签字存档,方可施工。
③安装人员必须熟悉图纸,了解设备位置,确定设备在基础上的方位。
④设备安装完毕到正式使用前,有一段时间间隔,对装好的设备要妥善保管,对主要设备的精密仪表要用木箱、塑料薄膜盖好,以免搞脏损坏。
⑤在管道工未配管前,设备上的进出口应有临时盲板盖好,以免异物进入机体。
⑥在管道工未配管前,设备上的进出口应有临时盲板盖好,以免异物进入机体。
⑦设备安装完毕后,应将随机组带来的配件按清单清点入库保管。
⑧设备安装应由专业人员进行,吊装的绳索捆绑的位置应正确。
(2)泵类设备安装本工程中的水泵由以下几种类型泵:回流泵、污泥泵、潜水泵。
①水泵的安装,水平度要求高,联轴对中要求高,安装精度应符合产品说明书的规定,以及施工验收规范的规定。
否则,会由于安装质量不佳影响到设备正常使用。
②水泵安装工艺流程基础检查放线索→放置垫铁→机座安装→检查泵体→安装找标高、找平、找正→泵体安装→垫铁点焊固定→中间验收→二次灌浆抹面→养护加油清扫准备试车→检查管道已安装完毕并符合要求→送电、电机空载试转→联轴、操作启动试运转。
③整体安装的泵、纵向安装水平偏差不应大于0.1mm/m,横向安装水平偏差不应大于0.2mm/m,污泥泵找正基准面应选用水泵出水口法兰平面,找平基准面应选用水泵叶轮传动轴,可采用吊线法测量或用水平尺校准。
进水潜污泵安装时,水泵出水管的垂直度应小于0.1mm/m,④水泵在安装前盘车检查,要灵活,无阻滞、无卡住现象。
随着我国经济的快速发展,工业废水排放量逐年增加,其中污泥产生量也日益增多。
污泥脱水机作为污泥处理的关键设备,其安装施工质量直接影响到整个污水处理系统的稳定运行。
为确保污泥脱水机安装施工顺利进行,特制定本方案。
二、施工范围1. 污泥脱水机设备基础施工;2. 污泥脱水机设备吊装;3. 污泥脱水机设备安装;4. 污泥脱水机设备调试;5. 污泥脱水机设备验收。
三、施工准备1. 施工人员:组织具备相关施工经验和技能的施工队伍,确保施工质量;2. 施工材料:按照设计要求准备水泥、钢筋、模板、混凝土等材料;3. 施工设备:准备吊车、卷扬机、水准仪、水平尺、扳手等施工设备;4. 施工图纸:熟悉并掌握施工图纸,了解设备安装位置、尺寸及施工要求。
四、施工步骤1. 设备基础施工(1)根据设计图纸,确定设备基础位置,进行测量放线;(2)挖掘设备基础坑,确保坑底平整,坑壁垂直;(3)铺设垫层,对基础坑进行夯实;(4)浇筑混凝土,确保基础尺寸、标高符合设计要求。
2. 设备吊装(1)根据设备重量和吊装高度,选择合适的吊车;(2)在设备基础位置设置吊装点,确保吊装安全;(3)将设备吊装至基础位置,调整设备水平度;(4)使用地脚螺栓将设备固定于基础。
3. 设备安装(1)按照设备说明书,将设备各部件连接在一起;(2)检查设备连接部位是否牢固,确保无渗漏现象;(3)调整设备安装角度,确保设备运行平稳。
4. 设备调试(1)检查设备电源、水源等,确保正常;(2)进行空载运行试验,检查设备运行是否平稳;(3)进行负荷运行试验,检查设备性能是否符合设计要求。
5. 设备验收(1)组织验收小组,对设备安装质量进行检查;(2)对设备运行参数进行测试,确保设备性能达标;(3)对设备进行试运行,观察设备运行状况;(4)填写验收报告,对设备安装质量进行评价。
五、施工注意事项1. 严格按照设计图纸和施工规范进行施工;2. 注意施工安全,做好防护措施;3. 加强施工过程的质量控制,确保施工质量;4. 做好施工记录,为后期维护提供依据。
污泥泵操作规程
(一)运行前的准备
1.开机前,检查泵内有否异物,避免损坏轴封和叶轮。
2.检查各固定连接部位应无松动。
3.检查联轴器对中情况。
4.点动电机,检查转向是否符合箭头所示方向(从电机端看,顺时针旋转)。
5.全开排泥阀门。
6.打开泵排气孔,向泵内及吸入管内充满水,无空气窝存。
7.起动前应盘动泵(电机)几圈;以使润滑液进入机械密封端面,防止干磨或突然起动造成动、静环的损坏或填料损坏。
(二)开机运行
就地控制:
合上总电源开关,打开排泥阀,工作方式选择旋转钮置于“手动”位置,然后再按下启动键,污泥泵即开始启动运行。
运行需停止时,按下停止键,污泥泵即停止运行。
远程控制:
合上总电源开关,打开排泥阀,工作方式选择旋转钮置于“自动”位置。
设备的运行由中控室发出的远控起动信号(闭合)和PLC时间控制。
远控方式状态下,现场起动信号无效,配电柜中将“运行”、“过载”、“缺水”信号输出到中控室。
(三)注意事项
1、运行中要经常观察排泥泵的振动、噪声、电流,电缆的松紧情况
2、沉淀池内积泥不宜过久,超过2天后泥质就相当密实。
3、吸泥时,须注意排泥的情况。
如发现阻塞现象,即须停止运行,待排泥管疏通后再重新启动。
4、超过4天以后,泥质己积实,须停清洗池底后才能使用吸泥泵,否则不但无法吸泥,且泥的阻力会使设备受损。
5、防止池内掉入砖头等硬质杂物,保持池底平滑,以免阻挡吸泥嘴,损毁吸泥嘴。
污泥回流泵的安装步骤1. 确定安装位置及安装环境在安装污泥回流泵前,需要认真判定安装位置及安装环境是否符合要求。
首先,要确保污泥回流泵安装位置离水池底部充分远,避开泥浆沉淀影响泵的运行;其次,污泥回流泵安装位置应当便利安装和维护和修理工作,阔别水的影响和电线缠绕,以避开安全隐患。
2. 安装泵体及导管第二步是安装泵体及导管。
首先需要安装泵体,将污泥回流泵沿垂直方向放入水池中,然后固定泵底,可用建筑胶水将泵固定于地面。
接着,连接好泵出口的导管,并保证接头处密封严密。
3. 连接电源在充分保证操作安全的前提下,接通污泥回流泵的电源。
需要在安装之前先确认电源的电压、频率和相数等参数是否与泵的规格相匹配,以避开电源负荷不足或过载的现象显现。
4. 调试泵连接好电源后,需要对泵进行调试。
首先,启动污泥回流泵电源,并察看泵出水口是否有水涌出,检查泵是否正常运行。
假如发觉异常,需要适时停止电源,对泵进行检查和调整。
假如正常,还需要进行泵出口流量和压力的校准,确保泵正常工作。
5. 检查泵体运行状态在泵正常运行后,需要对泵进行定期检查,以确保泵体运行状态良好。
紧要是需要检查焊接部分是否有裂缝,并检查配件与泵体是否坚固牢靠,检查电机是否发热等。
如发觉异常问题,需要适时维护和修理或更换配件和电机。
6. 定期进行保养维护在泵体运行确定周期后,需要对污泥回流泵进行定期保养维护,保持泵的稳定性和使用寿命。
紧要保养措施包括:清洗、卸压、检测、润滑等。
以上就是污泥回流泵的安装步骤,希望能对大家有所帮忙。
在使用过程中,需要注意安全,避开造成损伤,便利后续维护和修理和保养工作。
泵安装施工方案1.1安装程序基础验收→开箱检查→放线→垫铁配置→铲麻面→地脚螺栓安装→设备就位安装→校正调整→基础灌浆→拆装清洗→二次精平→各部位检查→试运转。
1.2安装前的准备工作检查泵的规格、性能是否符合图纸要求,检查设备说明书、合格证和设备试验告是否齐全。
检查设备外表如壳体、电机、导杆、耦合装置等是否受损变形,零部件是否齐全完好。
应检查潜水泵的电机、叶轮等是否有破损,接线盒等应完好无变形现象。
复测土建工程的标高是否满足设计图要求,以及检查所有的埋件留孔要求是否符合安装条件。
1.3设备安装潜水泵安装依据施工图纸,画各台泵的泵座、纵横两个方向中心线。
依据泵座图纸给定的尺寸做地脚螺栓安装模具,保证精确就位。
泵基座以下予留30mm的二次混凝土浇筑高度,待泵座安装调平后灌无收缩混凝土。
将泵座上的地脚螺栓装在30mm厚钢板模具上,平垫铁固定在模具的下平面,保证平面位置偏差不大于±10mm,标高偏差不大于±20mm。
经检测后用大于基础标号的细石混凝土进行灌浆,混凝土灌注到模具下平面处。
当混凝土达到设计强度75%后,拆除模具,将泵座安装就位,用不锈钢板精确调整到验收标准的水平度(不得超过三块)。
泵座的平面位置、水平度验收,工序验收,合格后,开始浇筑二次混凝土并安装出水管。
出水管必须按设计要求设立牢固的管道支架,泵座不得直接承受外力。
出水管安装完成后,利用其脚手架进行导杆安装,以泵的出水弯头与导杆连接处做基准点,分别以90°垂直的两个方向挂线坠,在导杆的下端点、中间支撑、上端点用钢板尺测量,调整导杆的垂直度偏差小于1/1000,全程内偏差不大于4mm,双导杆,平行偏差小于2mm,进行固定。
清理泵腔,手动盘车合格后。
将电缆与吊链分别固定在规定位置,用车间内起重机利用泵体上的吊环进行泵体吊装,使泵沿导杆顺直滑下、就位。
调整水泵出水口与泵座弯头结合处使其对正,结合处用厂家提供橡胶法兰垫密合,适当调整链条的松紧度,做好试车、交验准备工作。
重要设备运行操作流程及注意事项:卧螺离心机操作规程及注意事项1、开机前先检查电源,加润滑油。
2、开机先开低速,检查电机运转方向是否正确。
一切正常后开低速(主机25Hz,辅机20Hz.)运行2分钟,电流正常。
开高速(主机38Hz,辅机40Hz.)运行5分钟(主机副机一起开)。
3、设备运行正常后先加药,后进污泥,污泥阀门慢慢打开,先开一半,过3-5分钟看出水,出渣是否正常,出水清,出渣不干可调副机频率上升,副机频率越高出渣越干,不能太干,出渣太干易堵料。
副机频率到最高出渣还不干时,降主机频率。
操作时要看主机电流,电流不能过高(主电机电流小于20A、辅电机电流小于13A)。
调整时出水,出渣正常即可。
污泥进量加大时,加药量同时加大,副机频率下降,稳定污泥进量以后,再调出渣干湿,同时看出水,水不清-可考虑是否加药太小或污泥进量过大,增大加药或减少污泥进量,直至正常。
4、停机时先关污泥泵、阀,再关加药泵、阀,然后进清水清洗(5-10)分钟,出水清,出渣口无渣排出。
关清水停机,停机时先关副机,后关主机。
5、设备堵料时先关污泥阀,后停机,排堵料时主机开10-12Hz,副机开5-7Hz,可自动排出,待主辅机电流回至正常(主机电流10-13A、辅机电流6-8A),即可从上调主辅机转速。
6、设备保养:主轴承处每班加润滑油一次(二硫化钼-黄油),螺旋轴承每隔一周加一次油。
差速器第一次三个月换新油,之后每半个月加一次油(18#双曲线齿轮油)。
开机顺序: 主机,辅机----加药系统---- 设备运行5-10分钟----加药阀,加药泵----污泥阀,污泥泵。
关机顺序:污泥泵,污泥阀----加药泵,加药阀----清水冲洗5-15分钟-----关机(先关频率高的)----关清水阀。
离心脱水机使用注意事项第一、操作者必须要熟悉离心脱水机的结构、性能和操作方法。
第二、开机前先转动转豉数转,检查转豉运转是否正常。
第三、将需要进行脱水的物料均匀平整地放入转豉内,注意平衡,以免偏重过大造成机器振动过大,另外要注意切勿超载。
污泥泵安装施工方案1. 引言本文档旨在提供污泥泵安装施工的方案,确保施工过程安全高效。
施工人员必须遵守相关法规和安全操作规程,确保施工的质量和可靠性。
2. 施工准备在进行污泥泵安装施工之前,需要进行以下准备工作:- 确定安装位置:根据设计要求,确定污泥泵的安装位置和基础结构。
- 准备设备和工具:准备所需的污泥泵及其配件、卸载设备、工具和安全防护装备。
- 检查材料和设备:检查所有材料和设备的完整性和质量,确保其符合安全标准和规范要求。
- 制定施工计划:根据设计图纸和工程要求,制定详细的施工计划,包括工序、工期和施工顺序。
3. 施工步骤3.1 污泥泵基础施工- 根据设计要求,在确定的安装位置上进行基础结构的施工。
- 确保基础结构具备足够的承载能力和稳定性。
- 按照相关标准进行基础结构的浇筑和固化。
3.2 污泥泵安装- 将污泥泵和配件准确无误地卸载到安装位置。
- 按照设计要求,进行准确的接口连接和固定。
- 检查安装质量,确保连接稳固,无松动。
3.3 管道连接- 根据设计要求,将污泥泵的进出口管道连接到相应的管道系统。
- 使用合适的密封材料和技术,确保连接处无泄漏。
3.4 电气接线和调试- 进行污泥泵的电气接线,确保电气连接准确可靠。
- 按照操作手册,进行初始调试,确保污泥泵正常工作。
4. 安全措施在进行污泥泵安装施工的过程中,必须严格遵守以下安全措施:- 佩戴个人防护装备,如安全帽、防护眼镜、防护手套等。
- 使用合适的卸载设备和工具,确保卸载过程安全可靠。
- 在施工现场设置明确的安全警示标志和隔离区域。
- 按照安全操作规程,严格操作,避免事故和伤害的发生。
5. 施工质量检查在污泥泵安装施工完成后,进行质量检查,确保施工符合要求和标准。
- 对基础结构的平整度和稳定性进行检查。
- 检查管道连接处是否牢固,无泄漏。
- 对电气接线进行检查,确保连接准确可靠。
- 进行污泥泵的初始调试,确认其正常工作。
6. 总结本文档提供了污泥泵安装施工方案的基本内容和步骤。
DYQ污泥浓缩脱水一体机浓缩脱水一体机安装、使用和维护说明书目录DYQ系列简介一.浓缩一体机工作原理二.浓缩一体机性能特点三.浓缩一体机脱水性能参考表四.浓缩一体机主要构成五.浓缩一体机主要部件说明六.浓缩一体机技术参数表七. 设备外形及基础图八. 电器原理图九. 开机及使用维护说明DYQ型污泥浓缩脱水一体机安装使用说明书通过污泥泵泥浆首先进入混凝给料系统,同时稀释后的絮凝剂在计量泵的作用下也进入系统内然后通过管式水中造粒使污泥与絮凝剂进行充分混合,根据污泥性能调节絮凝剂和污泥混合比,使污泥达到最佳凝聚状态,然后进入带式浓缩机,在快速排水机构的作用下,大量的水快速通过网带被滤除,浓缩后的污泥被卸污装置下到脱水机重力脱水段,大部分游离水在重力作用下通过网带被滤除,随着网带的运行污泥被夹在两条滤带之间的“楔”形挤压段,污泥在“楔”形挤压段中一方面使污泥平整,另一方面污泥受到轻度挤压开始进行预压脱水。
接着进入S形压力脱水段,污泥在S形压力脱水段中被夹在上、下两层滤带中间经若干个由大到小的辊筒反复挤压剪切。
污泥在挤压力和剪切力作用下逐步脱水,形成滤饼。
接着通过卸料装置将滤饼从滤带上剥离下来,最后用大于0.6MPa的清水对各滤带进行自动清洗达到滤带再生目的。
整个污泥脱水工作全部完成。
该设备为24小时连续运行,处理能力可达200kg/m.h以上。
一、DYQ型带式压滤机工作原理污泥经过投加聚凝剂在污泥混合器内进行充分混合和反应后流入重力脱水段,这时污泥已失去流动性。
再经“楔”形压榨段,由于污泥在“楔”形压榨段中,一方面使污泥平整,另一方面受到轻度压力,使污泥再度脱水,然后喂入“S”形压榨段,在“S”形压榨中,污泥被夹压在上、下层滤布中间经若干个不同口径的辊筒反复压榨,这时对污泥造成剪切,促使滤饼进一步脱水,最后通过刮刀将滤饼刮落,而上、下滤带进行冲洗后重新使用。
(1)污泥混合器及分配箱污泥混合器的作用是使污泥与聚凝剂进行充分混合反应而设置的,根据污泥性能和流量可自由调节污泥混合器的搅拌速度,使之达到最佳聚凝状态。
污泥泵安装方案1. 引言污泥泵广泛应用于污水处理厂、化工厂和环保领域等各类工业场所,用于将污泥从一个位置输送到另一个位置。
本文将介绍污泥泵的安装方案,包括安装位置选择、安装前的准备工作、安装步骤等内容。
2. 安装位置选择在安装污泥泵之前,需要选择合适的安装位置。
以下考虑因素应该被纳入考虑:•泵站的运行效率:选择离泵站出口近的位置,以尽量减少管道阻力,提高泵站的运行效率。
•安全性和可靠性:选择位置时要考虑到泵站的安全性和可靠性。
应避免选择位于易受冲击、易受污染或易受化学腐蚀的位置。
•操作和维护方便:选择位置时要考虑到操作和维护的便利性。
选取一个易于观察泵站运行情况、方便日常操作和维护的位置。
3. 安装前的准备工作在进行污泥泵的安装之前,需要进行一系列的准备工作:3.1 确定泵站布局图纸根据实际情况,绘制泵站的布局图纸。
布局图纸应包括泵站的主要设备、管道布置、阀门位置等信息,以便于安装人员按照图纸进行安装。
3.2 检查设备和材料的完整性在安装前,需要仔细检查污泥泵及其相关设备和材料的完整性。
确保所有的设备和材料都齐全,并符合安装要求。
3.3 准备必需的工具和安全设备在安装过程中,需要准备必需的工具和安全设备。
常用的工具包括扳手、螺丝刀、起重工具等。
安全设备包括安全帽、手套、护目镜等。
4. 安装步骤4.1 安装基础首先,需要根据设备和材料的重量、尺寸和使用要求,建设一个承重且稳定的基础。
基础可以采用混凝土浇筑或钢架支撑的方式,具体方式根据实际情况而定。
4.2 安装泵体和电机将泵体和电机放置在基础上,并用螺栓固定。
通过传动装置将电机与泵体连接,确保传动装置的位置准确,拉紧螺栓。
4.3 安装管道和阀门根据布局图纸和实际情况,安装进出口管道和阀门。
注意管道的方向和高度,确保污泥在管道中能够流动,并且阀门的操作方便。
4.4 连接电源和控制系统将电源线连接到泵站电机,确保电源线的线径和电机的额定电流匹配。
连接控制系统,包括控制开关、电气保护装置等,确保泵站能够正常运行且安全可靠。
污泥回流泵安装步骤解析污泥回流泵是生产和工业中的一个紧要的设备,它旨在将处理好的污泥回流各处理系统中进行再次处理。
正确安装污泥回流泵可以有效地保证生产和工业生产的稳定性。
安装前准备器材准备•必要的安装工具,如扳手,扳手套装,扳手和各种尺寸的螺丝刀。
•安装图纸和说明书。
•备件装配,包括阀门,法兰和管道。
现场准备•在确认安装过程中无意外情况后,保持安装现场乾净,准备好指定机械设备安装区。
•检查基础埋设的深度和平整程度,确保泵的承载面垂直于基础,以及基础的垂直度等。
安装步骤第一步:支架安装依据安装要求和图纸,在污水处理系统中选择位置,安装泵的支架。
在安装支架时,需要注意以下几点:•选择好基础,泵的支架应平稳垂直。
•确保泵的支架平直且平稳,并与所选择的位置相对应。
•确保支架已进入地基并紧固,这些将是安装泵的基础。
第二步:管路接线安装好支架后,依照图纸搭建泵进出口管路,包括法兰,管道,阀门等。
在安装管路时,需要注意以下几点:•管道和各种法兰连接必需严格符合标准要求。
•确保泵进口和出口的管道直线无堵塞,并在管道上设置必要的阀门。
•深入讨论管道和阀门互连以及法兰紧固等细节问题。
第三步:泵的安装安装好管道后,将泵放到支架上并用螺栓固定。
在安装泵时,需要注意以下几点:•确保泵的垂直度和位置,使其靠在支架上。
•使用起重机或其他机械将泵放置在支架上并将泵的定制弹性联轴器与电机分别连接。
•在安装后检查泵的旋转方向(必需与电机方向相同)和泵的对中程度。
泵的垂直度和平衡度应优先考虑。
•安装后,检查泵的运行是否正常,并调整泵的位置和对中程度。
第四步:电气安装安装好泵后,进行电气管路的连接。
在安装电气连接时,需要注意以下几点:•电气连接必需符合规范要求,电缆钢质管与泵垂直。
•通过联轴器的电动机与泵连接,电缆和钢套搭配完整。
•电气箱的安装和漏电保护必需符合相关规定。
•安装后,检查电气系统的连通性,并检查电压和电流是否正常。
第五步:其他安全措施在安装完成后,还需注意以下几点的安全措施:•在系统上安装安全阀和压力表•在安装后进行泵阀门和电气故障的调试•在安装后进行泵的旋转方向检查•在运行前检查泵的运行情况总结安装污泥回流泵是一个多而杂的过程。
污泥泵价格及安装操作
一、污泥泵产品概述:
污泥泵是按迥转啮合容积式原理工作的新型泵种,主要工作部件是偏心螺杆(转子)和固定的衬套(定子)。
由于该二部件的特殊几何形状,分别形成单独的密封容腔,介质由轴向均匀推行流动,内部流速低,容积保持不变,压力稳定,因而不会产生涡流和搅动。
每级泵的输出压力为0.6MPa,扬程60m(清水),适用于输送介质温度80℃以下(特殊要求可达150℃)。
因定子选用多种弹性材料制成,所以这种泵对高粘度流体的输送和含有硬质悬浮颗粒介质或含有纤维介质的输送,有一般泵种所不能胜任的特点。
其流量与转速成正比。
传动可采用联轴器直接传动,或采用调速电机,三角带,变速箱等装置变速。
这种泵零件少,结构紧凑,体积小,维修简便,转子和定子是本泵的易损件,结构简单,便于装拆。
二、污泥泵产品特点:
污泥泵具有吸入高度强;螺杆泵零件少,结构紧凑,体积小,维修简单,转子和定子是单螺杆泵的易损件,结构简单,便于装拆。
是按迥转啮合容积式原理工作的新型泵种。
污泥泵主要工作部件是偏心螺杆(转子)和固定的衬套(定子)。
采用无毒无味的食用橡胶,工作温度可达120摄氏度,如果采用高温120摄氏度— 350摄氏度时可同本单位联系。
由于该二部件的特殊几何开头分别形成单独的密封容腔。
介质由轴向均匀推行流动。
内部流速代低,容积保持不变。
压力稳定,因而不会产品涡流和搅动。
每级泵的输出压力为
0.6MPa—1.2MPa,扬程60m—120m(清水),自吸高度一般在3m以上.可以当自吸排污泵产品使用。
三、污泥泵的优点:
1、与离心泵相比单螺杆泵无需安装阀门,流量是稳定的线性流动。
2、与气动隔膜泵相比单螺杆泵可输送各种混合杂质含有气体及固体颗粒或纤维的介质,也可输送各种腐蚀性物质。
3、与齿轮泵相比,单螺杆泵可输送高粘度的物质。
4、与柱塞泵,隔膜泵及齿轮泵不同的是,螺杆泵可用于药剂填充和计量。
四、污泥泵技术参数:
流量:0-150m3/h;
扬程:0-240m;
功率:0.75-37kw;
转速:500-960r/min;
口径:20-135MM;
温度:-15-200℃。
五、污泥泵型号意义:。