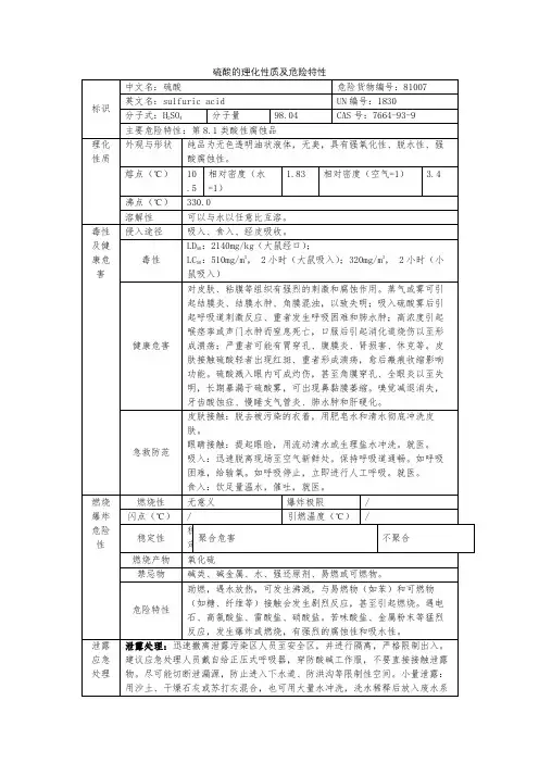
硫酸的理化性质及危险特性表
- 格式:docx
- 大小:10.77 KB
- 文档页数:1
硫酸的理化性质及危险特性表硫酸是一种常用的化学品,具有强烈的腐蚀性和吸水性。
它是一种无色透明的油状液体,工业级硫酸的纯度可以达到92.5%或98%。
硫酸可以用于生产化学肥料,同时在化工、医药、塑料、染料、石油提炼等工业领域也有广泛的应用。
需要注意的是,硫酸是一种危险品,与碱类、碱金属、水、强还原剂、易燃或可燃物等物质接触会发生剧烈危反应,甚至引起燃烧。
遇电石、高氯酸盐、硝酸盐、苦味酸盐、金属粉末等则会发生爆炸险或燃烧。
因此在操作时必须注意安全措施。
硫酸还具有对人体健康的危害,接触皮肤和粘膜会引起强烈的刺激和腐蚀作用。
吸入蒸气或雾可引起结膜炎、结膜水肿、角膜混浊,以致失明;引起呼吸道刺激,重者发生呼吸困难和肺水肿;高浓度引起喉痉挛或声门水肿而窒息死亡。
口服后引起消化道烧伤以致溃疡形成;严重者可能有胃穿孔、腹膜炎、肾人损害、休克等。
皮肤灼伤轻者出现红斑,重者形成溃疡,愈后癍痕收缩影响功能。
溅入眼内可造成灼伤,甚至角膜穿孔、全眼炎以至失明。
慢性影响包括牙齿酸蚀症、慢性支气管炎、肺气肿和肺体硬化。
在操作时需要注意防护措施,穿戴全身耐酸碱消防服、自吸过滤式防毒面具(全面罩)和橡胶耐酸碱手套等防护装备。
同时,要进行密闭操作,注意通风,远离火种、热源,工作场所严禁吸烟。
在泄漏应急处理时,应采取干粉、二氧化碳、砂土等灭火剂,并避免水流冲击性物品。
在储运时,要注意防止蒸气泄漏到工作场所空气中。
储存和运输硫酸需要注意多方面的安全问题。
首先,在搬运过程中要轻装轻卸,防止包装及损坏,同时要避免与还原剂、碱类、碱金属接触。
其次,为了应对可能的泄漏事件,需要配备相应品种和数量的消防器材及泄漏应急处理设备。
在稀释或制备溶液时,应把酸加入水中,避免沸腾和飞溅,同时倒空的可能残留有害物,需要注意处理。
如果发生泄漏,需要迅速撤离泄漏污染区人员至安全区,并进行隔离,严格限制出入。
建议应急处理人员戴自给正压式呼吸器,穿防酸碱工作服,不要直接接触泄漏物。
硫酸的主要理化和危险特性硫酸是一种重要的化学物质,在日常生产和生活中广泛应用。
它是一种无色、透明的液体,有着强烈的刺激性气味和酸味。
硫酸是强酸之一,容易与许多物质反应,所以需要非常小心。
本文将介绍硫酸的主要理化和危险特性。
一、硫酸的理化特性1、化学式:H2SO4。
2、分子量:98.076。
3、相态:在室温下为无色、透明液体,密度较大。
4、熔点:10.4℃。
5、沸点:338℃。
6、水溶性:易溶于水,水溶液有强酸性,可以腐蚀金属和织物。
7、物理性质:具有强烈的腐蚀性,会引起皮肤和眼睛的刺痛和严重的灼伤。
此外,硫酸还有高度的挥发性,能够刺激肺部和呼吸道,长期吸入过量的硫酸蒸气,会引起严重的呼吸道问题。
二、硫酸的危险特性1、腐蚀性硫酸是一种强酸,具有很强的腐蚀性。
它可以腐蚀皮肤和眼睛以及导致人体发生化学灼伤。
一旦硫酸接触到皮肤或眼睛,需要立即进行水冲洗,避免继续伤害。
2、毒性高浓度的硫酸气体对人体有毒性,它会引起呼吸困难、头痛、呕吐等不良症状。
高浓度的硫酸气体会引起严重的呼吸道问题,需要尽快进行急救和治疗。
3、易燃性硫酸有着易燃性,不能与某些物质混合,如草木灰、纸张、有机物质等。
4、环境污染硫酸在生产和处理过程中,会产生大量的二氧化硫,这种气体对环境有很大的危害。
二氧化硫会与其他气体反应,产生酸雨,导致土壤和水质的污染,对环境和人类健康造成很大的伤害。
三、使用硫酸的注意事项1、保持室内通风,保证通风口和排气口畅通。
2、注意个人防护,穿上透气且不易着火的工作服,并佩戴防护眼镜和口罩。
3、禁止直接与皮肤或眼睛接触,一旦发生接触,需要立即用清水冲洗10-15分钟,并就医处理。
4、存储在干燥通风的地方,远离强酸、碱和易燃物。
5、在使用和处理过程中,需要严格按照安全操作规程,以避免发生意外或化学事故。
总之,硫酸是一种非常重要的化学物质,但也具有强烈的腐蚀性和毒性。
在使用和处理硫酸的过程中,我们应该保持高度警惕,妥善处理废弃物、尽快清除泄漏,并进行安全操作。