采用10KV高压电源进行鲁地拉定子铁芯磁化试验合理化建议申报表
- 格式:pdf
- 大小:979.96 KB
- 文档页数:6
高压试验标准化作业指导书(卡)【专业版】(文档可以直接使用,也可根据实际需要修订后使用,可编辑放心下载)目录1、高压试验标准化作业指导书(卡)使用说明。
2、××110(66、35)kV变电所一、二次设备预防性试验标准化作业指导书3、110(66、35)kV变压器预防性试验标准化作业指导卡4、110(66、35)kV消弧线圈预防性试验标准化作业指导卡5、10kV电抗器预防性试验标准化作业指导卡6、110(66、35)kV电流互感器预防性试验标准化作业指导卡7、10kV真空开关预防性试验标准化作业指导卡8、10kV交联电缆预防性试验标准化作业指导卡9、10kV 放电线圈高压试验标准化作业指导卡10、10kV 氧化锌避雷器高压试验标准化作业指导卡11、110(66、35)kV 氧化锌避雷器高压试验标准化作业指导卡12、110(66、35)kV电磁式电压互感器高压试验标准化作业指导卡13、110(66、35)kV SF6断路器高压试验标准化作业指导卡14、10kV 母线高压试验标准化作业指导卡15、变电所接地网试验标准化作业指导卡。
高压试验准化作业指导书(卡)使用说明一、作业指导书的结构、内容、格式及相关使用规定1.高压试验作业指导书内容说明1 结构由封面、工作任务、准备阶段、作业阶段、结束阶段及相关附件共6项内容组成。
2内容、格式及相应使用说明1.1封面内容:由作业名称、编号、编写人及时间、审核人及时间、批准人及时间、作业负责人、作业时间、编写单位8项内容组成。
格式如下:使用说明:作业名称应包含:作业地点、设备电压等级、设备名称、设备编号及作业的性质。
如:××变电所预防性作业指导书。
编号:作业指导书(卡)的编号原则应统一规定,位于封皮右上角。
编号顺序为月份+班组编号+三位顺序号(如2021年6月检修班第8份指导书0618008)。
编写人、审核人、批准人及时间:(1)变电站在进行一、二次设备预防性试验时使用指导书。
独山子**公司合理化建议申报表
单位:乙烯厂乙烯一联合车间申报日期:2019/9/29
项目名称乙烯一联合车间燃料LPG汽化器改造建议人曾飞鹏、张乐、王强年龄性别
文化
程度35 男本科
内容简介:(现状及存在问题、措施及办法、附图说明、实施效果。
页面不足可附页)
项目概况
乙烯一联合车间轻烃汽化量仅能维持2.5台轻烃炉高负荷运行,3台轻烃炉同时运行时,单台炉加工量仅为43t/h,为进一步提高轻烃加工能力,车间计划对现有的燃料LPG汽化器进行改造。
1.1项目改造的目的
燃料LPG汽化器E -8411A/S设计汽化能力为23.8t/h,正常运行期间E-8411A/S处于正常备用状态,界区来燃料LPG通过新增线并入原料LPG汽化器E-2514,流量3.0~5.0t/h左右。
通过对现有流程进行改造,将E-8411A/S出口线跨接至轻烃进料总管,以达到提供轻烃汽化量的目的,进一步提高轻烃炉的加工负荷。
1.2项目改造内容
自E-8411A/S出口安全阀处分别引出一条跨线,经SR75—SR70—SR73管廊,最终跨接至界区新鲜乙烷线流量计旁路,利用新鲜乙烷线最终并入轻烃总管,为控制汽化压力在换热器出口管线新增加调节阀及压力控制。
图1 燃料LPG汽化器流程改造示意图。
采用10KV高压电源进行鲁地拉定子铁芯磁化试验合理化建议情况简介一、实施必要性过去小容量发电机定子铁芯磁化试验通常采用400V低压电源进行试验,随着机组容量逐步增大,目前大型机组定子铁芯磁化试验已不能采用400V低压电源进行试验。
鲁地拉电站6台机组容量均为360MW,定子铁芯磁化试验需要电源变压器容量较大,鲁地拉电站厂房内现有施工变压器及电缆不能满足试验要求,若采购并更换厂房内施工变压器及电缆,则需要资金较多,约需24万元,耗时较长,施工也存在困难。
采用10KV电源进行试验可避免上述不利因素,将现有10KV电源简单改造,更换现有施工电源引入线路上的跌落保险,电源部分能够满足试验电源要求。
二、实施技术方案(1)项目概况本项目需详细计算试验时励磁绕组匝数、励磁电流、试验电源容量。
综合判断现有供电系统是否需要改造。
提前准备试验措施方案,报监理工程师批准后实施。
本项目需改造现有施工电源引入线路上的跌落保险,将容量80A的3只10KV 跌落保险更换为3只150A或200A跌落保险。
试验时需自备或与设备厂家协商提供试验用的10KV高压开关柜和10KV单芯软电缆。
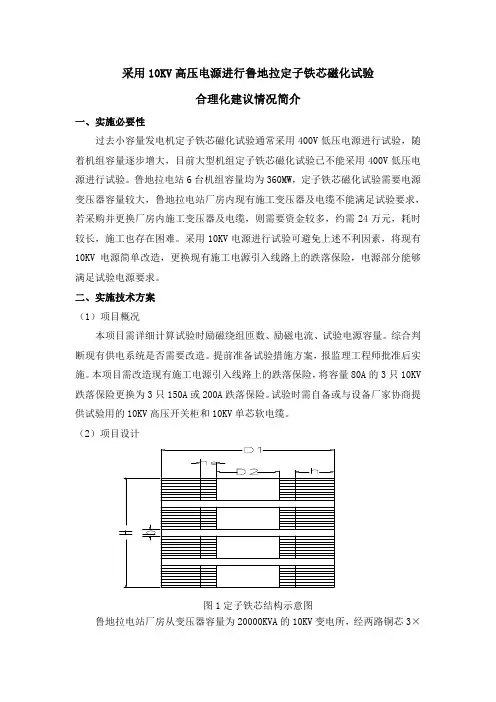
(2)项目设计图1定子铁芯结构示意图鲁地拉电站厂房从变压器容量为20000KVA的10KV变电所,经两路铜芯3×25高压电缆引入两路施工电源,再经厂房两台施工变压器(容量为800KVA和 400KVA各1台)变为400V电源供厂房用电,铜芯3×25高压电缆,在空气中的载流量为137A。
鲁地拉机组铁芯外径D1=15070mm,铁芯内径D2=14130mm,铁芯高H=2130mm,叠压系数K=0.93~0.97,通风沟高度b=6mm,通风沟数量n=46,铁芯槽深He =195mm,铁芯轭部高度h=(D1-D2)/2-He=(1507-1413)/2-9.5=27.5cm,铁芯轭部截面积S=K(H-nb) ×h =0.94×(213-46×0.6) ×27.5 =0.94×185.4×27.5 =4792.6cm2。
上海**************集团10KV变电站电气试验工程试验方案编写:年月日审核:年月日批准:年月日试验负责人:试验日期年月日时至年月日时上海***电力工程有限公司一、整体目标:1、为确保上海**************集团10KV变电站安全稳定运行目标的实现提供电气试验安全性、准确性。
2、为上海**************集团10KV变电站设备投运状态的良好,有效的检测和测量数据,确保高压试验的技术有效性、公正性和独立性。
3、全面贯彻电网建设公司的电气试验质量方针, 不断完善改进电气试验质量体系,始终保持电气试验的有效性,不断采用最新技术,提高检测、技术水平。
二、控制性目标:1、试验设备校准合格率达100%;2、试验安全100%;3、标准装置周期受检率达100%;4、杜绝各类电气设备试验时事故的发生;电气试验方案一、总则:1、严格执行电气试验规程规定。
2、每个试验项目分试验前试验方法的分析、试验中遇到的问题及解决方案、试验后的结论审核。
3、对于重要试验项目,制定可行的试验方案和备用试验方案。
4、对于危险系数高的实验项目现场查勘后进行危险点分析、总结,列举出应对措施。
二、电气试验执行规程:10KV变电站电气设备高压试验执行规程三、试验项目分析1、试验过程对电气试验质量控制,试验方法控制(1)、电气试验质量的控制:试验人员的资质的审核必须达到要求,试验过程发现的问题及时反映,及时解决。
(2)、电气试验方法控制:明确每个电气设备的检测项目,严格按照电气试验标准化作业指导书进行。
2、试验结论:试验结论严格按照《电气设备交接和预防性试验标准》执行,由高压试验专责审核签字。
四、重要试验项目方案:1、10kV开关试验方案(见附录1)。
2、避雷器试验方案(见附录2)。
3、变压器试验方案(见附录3)。
五、危险点系数高的分析:1、接地线装设不牢靠、接地点不明确、假接地。
(一)、危险点:烧坏试验设备、影响测量数据。
鲁地拉水电站定子铁芯损耗试验摘要:本文结合鲁地拉水电站#1水轮发电机定子铁损试验,着重对水轮发电机定子铁芯装压后进行铁损试验的目的、原理、标准和方法进行了介绍,对于大、中型水轮发电机组现场叠片而成的定子铁芯损耗试验有一定的参考意义。
关键词:鲁地拉水电站;定子铁芯;铁芯损耗;温升鲁地拉水电站位于云南省丽江市永胜县与大理白族自治州宾川县交界处的金沙江干流中游河段上,鲁地拉枢纽工程以发电为主,兼顾防洪、航运。
电站厂房为引水式地下厂房,装机6台,单机容量360MW。
1试验目的水轮发电机定子铁芯是由硅钢片现场叠装而成。
由于在制造和检修可能存在的质量不良,或在运行中,由于热和机械力的作用,可引起片间绝缘损坏,造成短路,形成局部过热,威胁机组的安全运行。
所以发电机在交接时或运行中,对铁芯绝缘有怀疑时,或铁芯全部与局部修理后,需进行定子铁芯的铁损试验,以测量铁芯单位质量的损耗,测量定子铁轭和齿的温度,检查各部温升是否超过规定值,从而综合判断铁芯片间的绝缘是否良好。
2试验原理定子铁芯上缠绕若干个励磁绕组,绕组接通交流电源,在定子铁芯中产生一定强度的交变磁场,同时产生涡流与磁滞损耗,使铁芯发热。
根据试验数值计算出单位重量铁芯损耗与温升,把温升和单位质量铁芯损耗折算成标准磁通量(1.0T)下的数值,并与硅钢片制造厂所提供的单位重量铁芯损耗计算值和国家相关标准规定进行比较,从而判别铁芯叠装质量。
3试验标准试验采用0.8~1.0T的磁通密度,M250-50A型硅钢片单位损耗1.05W/kg (1.0T),各点温度按1.0T磁通密度折算时,铁芯最大温升小于25K,最大温差小于15℃,铁芯与机座温差小于15℃,试验持续时间为90min。
4发电机相关参数:(1)发电机主要参数发电机型号:SF360-60/15070 发电机型式:三相、立轴半伞式、空冷同步发电机额定视在功率:400MVA 额定有功率:360MW额定电压:18kV 额定电流:12830A额定功率因数:0.9(滞后) 额定频率:50Hz(2)定子铁芯主要参数5试验前的相关计算(1) 铁芯有效长度 L=k×(L1-n×b)=174.276(cm)(2) 铁芯轭部高度 h=(Di-Da)/2-Hs=27.54(cm)(3) 铁芯轭部截面积 A=L×ha=4799.561(cm2)(4) 励磁线圈匝数 Nr=U2/(4.44f×A×B)=89.38(匝)U2 励磁线圈电源电压,为10000VF 试验电源频率,为50HzB 试验时铁芯轭部磁通密度,取1.05T由于电缆的电压降及电磁损耗,匝数取88匝,以补偿各种损耗,从而提高磁通密度并略高于1T较好。
目录1.概述 (1)2. 磁化实验 (1)2.1磁化试验目的 (1)2.2试验基本原理及方法 (1)3.试验标准 (2)4.定子磁化试验的参数计算 (2)4.1发电机技术参数 (2)4.2铁心参数及试验计算参数(发电机定子结构参数计算) (2)5.发电机定子铁损试验人员、设备及仪表配置 (5)5.1人员配置 (5)5.2设备及仪表配置 (5)6.技术措施与安全措施 (6)6.1技术措施 (6)6.2安全措施 (6)7试验前的准备准备工作 (7)7.1定子检查 (7)7.2试验电源和试验变压器检查 (7)7.3缠绕激磁绕组 (7)7.4缠绕测量绕组 (7)7.5仪器、仪表连接 (8)7.6温度计布置 (8)8.试验步骤和方法 (8)9.试验数据记录 (9)10试验结果的整理与判断 (9)10.1单位铁损的计算 (9)10.2最高齿温差的换算δt =( △tmax - △tmix)*(1/B)2(℃) .. 910.3最高铁心温升的换算△tmax =( t1- t0)*(1/B)2(℃) (9)10.5判断标准 (10)11. 风险评估 (10)1.概述布桑加水电站布置安装4台立轴悬式水轮发电机组,单台额定出力为60MW,型号为SF60-20/5700。
发电机定子机座为钢板焊接结构,受运输条件的限制,定子机座分为两瓣,在工地组焊成整圆,嵌鸽尾筋、叠片、下线和试验。
焊后机座外径为Φ6600mm,高3200mm。
定子机座无下环,大齿压板直接放于定子基础板上,机座与定子基础板的联接采用径向键定位。
定子铁芯采用高导磁、低损耗、无时效优质冷轧硅钢片冲制后叠压而成。
定子铁芯装配在安装间定子组装工位进行;机座组焊,定位筋安装,铁芯叠压完成后吊入机坑进行下线工作。
2. 磁化实验2.1磁化试验目的发电机定子铁芯是由薄冷轧硅钢片现场叠装而成。
在铁芯硅钢片的制造或现场叠装过程中,可能存在片间绝缘损坏,从而造成片间短路。
为了防止运行中因片间短路引起局部过热,甚至威胁到机组的安全运行,定子叠压成整体后必须进行铁芯磁化试验,以便及时检查出铁芯片间绝缘是否短路,压紧螺栓是否压紧等缺陷。
双河口水电站定子磁化试验方案1.简述定子磁化试验是检验定子铁芯装配质量的重要手段,也是检验铁芯自身绝缘性能的重要工序,其基本方法是在定子铁芯上缠绕若干个励磁绕组,将交流电流通入绕组内,此电流在定子铁芯中产生磁场,同时产生涡流与磁滞损耗,使铁芯发热,测量铁芯总的有功损耗与温度,计算出单位重量铁芯损耗与温升,从而判别铁芯叠装的质量。
如果铁芯绝缘不好或铁芯装配质量不佳,当铁芯通过交变磁通时,涡流损失就会增加,造成局部过热,加速铁芯绝缘和线棒绝缘的老化,严重时将造成铁芯绝缘烧伤或线棒击穿事故。
2.编写依据:1)GB8564-2003《水轮发电机组安装技术规范》2)SD287-1988《水轮发电机定子现场装配导则》3)图纸及技术说明书3.铁芯参数及试验时有关数据定子铁芯外径:Φ=625cm1=560cm定子铁芯内径: Φ2定子铁芯齿高: hc=11.95cm定子铁芯总高: H=100cm定子铁芯通风沟数: n=20定子铁芯通风沟高度: b=0.6cm填充系数: k=0.95选择电源参数: 频率f=50Hz电压u=400V试验时的磁通密度: B=1 T铁芯允许损耗42.28Kw4.试验参数的计算1)定子铁芯轭部截面积AA=L×H =K×(H-n×h )×[(Φ1-Φ2)/2-hc]=0.171798m22)励磁线圈匝数NN=U/E=400/4.44×50×1×0.171798=10(匝)考虑到线圈电压损耗,为保持1T的磁通,试验时按9匝缠绕线圈式中U—励磁线圈供电电压400Vf—试验电源频率50HzB—轭部磁通密度1TA—轭部截面积1717.98cm23) 测量线圈取1匝,则测量电压为V1=U/N=400/9=44.4(V)5.试验设备选择1)试验时电源选择厂房门口10/0.4KV、容量500 KVA的变压器。
2)试验设备及仪表6.试验接线及试验准备定子磁化试验接线图1)缠绕励磁绕组定子紧压结束,具备磁化试验条件后,可缠绕励磁绕组。
技术创新节能减排项目参加人员申报表
申报单位: 制安分局鲁地拉机电安装项目部 2013年 11 月 20 日 表2
技术创新项目参加人员情况
序号 姓 名 年龄 职务 职称 本项目分工
实际工作时间(参与
技术创新时间)
1 李楠 36 电气总工工程师 技术负责 1年
2 周若愚 30 副总工兼
工程技术
部部长
助理工程
师
技 术 30天
3 黄明 26 试验室 技术员 试验操作 6天
4 李铭 34 电气班长/ 电气操作 21天
5 孙红兵 35 发电机班
长
/ 辅助作业 6天
6 韩晓龙 3
7 卷线班 / 操作监护 6天
7 刘定勇 50 电气 / 操作监护 10天 8
9
10
11
12
13
14
技术创新节能减排项目申报表
申报单位:制安分局鲁地拉机电安装项目部 2013年 11 月 20 日 表4
提交技术资料说明
1、提交施工技术方案报审表,经监理审批后实施。
(2013年8月提供施
工技术方案报审表,详见附件2《鲁地拉4#~6#机组定子铁损试验方案报审表)。
2、随工程进度提供定子铁芯磁化试验报告(2013年9月提供4号机组试验报告,详见附件3《鲁地拉4#机组定子铁芯磁化试验报告)。
图纸说明
铁芯磁化试验原理接线图
技术创新 成果照片 说明
备注
1、必须附全套资料图纸及说明。
简单技改项目无图纸的要有
详细说明。
2 必须提交技术创新项目全套照片。
技术创新节能减排项目评审表(公司填写)
申报单位:鲁地拉机电安装项目部 2013年11月20日 表6
技术创新项目
初审意见
年 月 日
公司专家
评审委员会
年 月 日
审查意见
评审委员会成
员签字
年 月 日
局职工技协
意见
(公章) 年 月 日
领导审批意见
年 月 日。