灯具安装施工工艺流程图
- 格式:doc
- 大小:20.50 KB
- 文档页数:2
3B电气施工方案一、工程概况沿海赛洛城三期B片工程分为C6-1~C6-9九个独立塔楼,地下为整体车库和人防地下室, 地上31层,地下1层,标准层层高3m,地上为高层商住两用楼,C6-1、2、3塔楼为28层住宅楼,有两层裙楼为商铺,其余为住宅,檐高90.90m;C6-4、5、6、7、8、9塔楼为31层住宅楼,檐高98.30m。
总建筑面积为127000m2。
地下室人防区层高为4.1 m和5.6m,地下室非人防区3.6m和5.1m,塔楼标准层高3.0 m,本工程结构为钢筋混凝框架剪力墙结构。
1.供电电源:供电电压220V/380V,三相四线制;公共电源由小区专用变配电房电缆埋地引入,供电电压220V/380V,三相四线制。
应急照明,电梯及消防负荷为二级负荷,采用双电源供电,一用一备自动切换,其余为三级负荷。
2.导线选择及敷设方式:1)一般负荷采用YJV-1KV铜芯交联电力电缆,消防负荷干线采用阻燃型铜芯交联电缆,在一层埋地暗敷至电气管井,垂直干线在竖井内沿梯级式电缆桥架敷设引至各层配电箱。
2)消防动力及应急照明支线选用NHBV-500V聚氯乙烯绝缘铜芯耐火导线,支线采用BV-500V塑料绝缘铜芯导线穿PVC阻燃塑料管顶板、地板及墙内暗敷,每层由电气竖井至住户配电箱线路穿PVC阻燃塑料顶板内暗敷。
3.电气设备安装1)在柱、剪力墙、电气竖井及设备房内:电源总进线柜采用动力及照明配电柜,落地靠墙安装,下设300mm基座。
住户配电箱底边距地1.8m 嵌墙暗装,其余配电箱及控制箱均落地或底边距地1.5m挂墙明装,进出线方式为上进上出。
2)动力箱,控制箱除配电间、机房内明装外,其他均为暗装,箱体高度600mm以下的,底边距地1.5m,600~800mm高的,底边距地1.2m,800~1000mm高的,底边距地1m,1000~1200的,底边距地0.8m,1200以上的,为落地式安装,下设300mm基础。
4.保护接地措施1)本工程低压配电系统的接地形式为TN-C-S系统。
作业规范1、施工程序定灯位→管道和桥架敷设→电缆穿管→绝缘测试→灯具安装→电气设备安装→实验、调试→自检→竣工验收。
(1)、灯具定位:根据施工图纸和现场已建钢结构主体的位置,应用测量工具对灯具精确的定位;(2)、管道和桥架敷设:根据施工图纸和现场土建和钢结构的实际情况敷设管道和桥架并固定;(3)、电缆穿管:根据施工现场灯具的实际定位放置电缆,电缆的放置需符合以下几点:1)、电缆型号应符合设计要求,排列整齐,无机械损伤,标志牌齐全、正确、清晰;2)、电缆的固定、间距、弯曲半径应符合规定;3)、电缆接头良好,绝缘应符合规定;4)、保护管的连接、防腐应符合规定;(4)、绝缘测试:本工程绝缘测试使用兆欧表进行测试,测试结果达到设计和规范的要求;(5)、灯具安装:根据施工图纸首先进行现场的灯具定位,然后安装灯具做好各种防护措施。
2、配电柜安装方法(1)、工艺流程图→配电箱检查验收→弹线定位→箱体安装→绝缘检测→通电试验→验收。
(2)、设备开箱检查!)、外包装及密封良好。
2)、开箱检查型号、规格、数量符合设计要求,设备无损伤附件、备件齐全。
3)、产品技术文件产品合格证、说明书、出厂试验报告齐全。
4)、柜(盘)外观无损伤及变形,油漆完整无损,内部电器装置及元件,绝缘瓷件齐全,无损伤、裂纹等缺陷。
(3)、设备搬运1)、清理道路,排除障碍物,保证平整畅通。
2)、吊装时应使用设备自设吊耳,无吊耳时应吊挂四角其主要承力处,以防柜体变形或损坏部件。
3)、运时柜(盘)应保持水平,禁止倾斜或倒放。
(4)柜(盘)安装1)、基础型钢安装①、配电柜基础采用10#槽钢。
安装时先将槽钢调直,按图纸要求加工基础型钢架,并刷好防锈漆,放在预留铁件上,用水准仪或水平尺找平、找正。
找平处垫片最多不能超过三片。
然后基础型钢架、预埋铁件、垫片用电焊焊牢。
基础型钢平直度允许偏差每米1mm/m、全长5mm。
②、安装完毕应将系统接地线与基础型钢两端焊接。
照明灯具等末端电器的安装此部分的安装工程包括各场所的灯具、开关、插座的安装和各功能区的插座箱安装。
灯具安装必须和土建、装饰等作业单位密切配合,预留灯具位置,同时和消防报警系统感烟探测器安装、通风系统风口安装统筹考虑,合理布置,并画出详细布置图,进行会签。
1照明灯具安装流程图如下图所示:2施工准备(1)材料要求①各种型号规格的灯具及开关、插座必须符合设计要求和国家标准规定。
灯内配线严禁外露,灯具配件齐全,无机械损伤、变形、油漆剥落,灯罩破裂,灯箱歪翘等现象。
所有的灯具和开关、插座均应有产品合格证以及CCC认证。
②安装灯具所需的支吊架必须根据灯具的重量选用相应规格的镀锌材料。
(2)施工机具配备齐全,已对各班组进行详细的技术交底。
3施工方法(1)灯具安装①灯具检查a灯具的型号规格符合设计要求b各种标志灯的指示方向正确无误;应急灯必须灵敏可靠。
②吸顶式安装根据设计图确定出灯具的位置,将灯具紧贴建筑物顶板表面,使灯体完全遮盖住灯头盒,并用胀管螺栓将灯具予以固定。
在电源线进入灯具进线孔处应套上塑料胶管以保护导线。
如果灯具安装在吊顶上,则用自攻螺栓将灯体固定在龙骨上。
(2)通电试亮①灯具安装完毕且各条支路的绝缘电阻摇测合格后,方能进行通电试亮工作,通电后应仔细检查和巡视,检查灯具的控制是否灵活、准确;开关与灯具控制顺序是否相对应,如发现问题必须先断电,然后查找原因进行修复。
通电运行24小时无异常现象,即可进行竣工验收。
②开关、插座箱安装各种型号、规格开关、插座全部采用暗装方式。
a清理,用小刷子轻轻将接线盒内残存的灰块、杂物清出盒外,再用湿布将盒内灰尘擦净。
b接线;灯具的相线必须经开关控制。
面对插座,插座的左边孔接零线、右边孔接相线、上面的孔接地线,即左“零”右“相”上“地”。
c开关安装根据设计图纸,开关的安装高度为1.3米,全为暗装。
安装时,开关面板应端正、严密并与墙面平;开关位置应与灯位相对应,同一室内开关方向应一致;成排安装的开关高度应一致,高低差不得大于2mm。
建筑电气工程施工方案1、建筑电气工程施工流程建筑电气工程施工流程图2、建筑电气工程主要施工方法主要施工方法表1、施工工艺流程施工工艺流程图2、预制加工(1)套丝使用电动套丝机,为确保螺纹连接紧密,丝扣一般都加工成圆锥形外螺纹。
在套丝过程中,丝扣处应经常加机油润滑和冷却。
管端套丝长度不应小于管接头的1/2,在管箍连接拧紧后外露2~3扣的丝扣。
(2)SC25及以下的镀锌钢管使用手动弯管器弯管,SC32及以上的镀锌钢管使用液压弯管器,并注意模具的选择,弯曲半径不小于6D,即管外径的6倍。
钢管不应有折扁和裂缝,管子焊缝应在煨弯处的侧面,弯曲后不应产生凹裂现象,且弯扁程度不应大于管子外径的10%,管内无铁屑及毛刺,切断口应挫平,管口应刮光。
(3)支架加工时,应用切断机械断料,不得气割。
钻孔,应用电钻,不得气割。
支架加工完成后,应红丹一道、灰漆二道。
设计有特殊规定时则按规定进行处理。
(4)在各类盒、箱壁上开出线孔时应用开孔器、严禁气割。
开孔中心间距的尺寸,应考虑管卡之间、锁紧螺母之间应有的最小距离。
开孔直径宜大于管外径1~2mm。
3、钢管的接地连接钢管接头及灯头盒等处均采用4mm²的多股铜芯导线和专用接地线卡进行可靠的跨接接地。
4mm²的多股铜芯导线与螺丝压接处应盘圈涮锡。
对于紧定式镀锌JDG钢管连接处应涂动力复合脂,可不做接地跨接线。
4、灯头盒与灯具之间接线采用包塑金属软管保护导线,金属软管两端均用专用锁紧接头连接。
金属软管长度不大于1m,且金属软管不应退绞、松散,中间不应有接头,金属软管弯曲半径不小于软管半径的6倍,金属软管均可靠接地,且不得作为电气设备的接地导体。
4、电缆桥架及线槽安装1、工艺流程工工艺流程图2、弹线定位施工前应进行深化设计,根据深化设计图中桥架的分布进行弹线定位。
对于桥架较密集的变配电所和设备房,从地板上弹线,然后用红外线射灯定位投射到顶板来确定支架的固定点。
其它部位从顶板上放线以确定支架的位置。
电气照明专用灯具安装施工工艺标准版本:第1版 文件编号:JI-JS-QB0605-08-2004 1 适用范围本工程标准适用于工业与民用建筑的电气照明装置安装2 施工准备2.1技术准备2.1.1施工前应进行技术交底工作;2.1.2配备相应的施工质量验收规范。
2.2材料及机具要求2.2.1各型灯具:灯具的型号、规格必须符合设计要求和国家标准。
灯内配线严禁外露,灯具及其配件齐全,无机械损伤、变形,涂层剥落和灯罩破裂等缺陷。
所有灯具应有产品合格证。
2.2.2灯具导线:照明灯具使用的导线电压等级不应低于交流500伏特。
其导线线芯最小截面积应符合下表规定导线线芯最小截面积(mm2)线芯最小截面积灯具安装的场所及用途铜芯软线铜 线民用建筑室内0.5 0.5灯头线工业建筑室内0.5 1.0室 外 1.0 1.02.2.3塑料(木)台:塑料台应有足够的强度,受力后无弯翘变形等现象;木台应完整,无劈裂,油漆完好无脱落。
2.2.4吊管:采用钢管做灯具的吊管时,钢管内径不应小于10mm,钢管厚度不应小于1.5mm。
2.2.5吊钩:花灯的吊钩其圆钢直径不小于吊挂销钉的直径,且不得小于8 mm。
2.2.6 支架:根据灯具的重量选用相应规格的镀锌材料做成支架。
2.2.7灯卡具:塑料灯卡具不得有裂纹和缺损。
2.2.8其它材料:胀管、木螺丝、螺栓、螺母、平垫圈,弹簧垫、灯头铁件、灯架、灯口、日光灯脚、灯泡、灯管、电子镇流器、吊盒、轵塑料管、自在器、吊链、线卡子、灯罩、焊锡、助焊剂、橡胶绝缘带、粘塑料带、砂布、抹布等。
2.3主要机具2.3.1卷尺、线坠、水平尺、扎锥。
2.3.2手锤、錾子、钢锯、扁锉、圆锉、剥线钳、扁口钳、丝锥、一字改锥、十字改锥。
2.3.3活扳子、电炉、电烙铁、锡锅、锡勺,台钳等。
2.3.4台钻、电钻、电锤、射钉枪、兆欧表、万用表等。
2.4作业条件2.4.1 3kg以上的大型灯具在结构施工中做好预埋工作,混凝土楼板预埋螺栓,吊顶内应预留下吊杆。
机电专业施工组织设计一、电气安装工程1、电线管敷设〔1〕电线管进场检查验收电线管进场后应立即进行检查验收,钢管无压扁、内壁光滑,镀锌钢管镀层覆盖完整,外表无锈斑。
按国家标准现场抽样检测导管的壁厚及均匀度,并按批查验合格证。
〔2〕预留预埋电气管路电气管路的预留预埋包括电线管预埋及接线盒预埋,施工过程中必须紧密配合土建进行施工,配合土建施工电气管路要紧施工流程如下:1)预埋电线管预埋在混凝土内的电线管应按最近的路线敷设,为了便于穿线,管路长的电线管加过线盒,在同一区域内接头不超过4个点,弯曲曲折折曲曲折折折折度不超过270度。
暗敷设的钢管采纳丝扣连接,管箍内两管口应对接齐平。
电线管与接线盒之间采纳锁紧螺母固定。
电线管的弯曲曲折折曲曲折折折折半径应为管内径的6倍以上.弯曲曲折折曲曲折折折折度不超过90度。
暗敷设的电线管应与结构钢筋用铁丝绑扎牢固,管头用堵头堵实以防杂物管。
2)接线盒预埋开关、插座以及灯具的位置安装接线盒,接线盒的尺寸应依据与接线盒连接的电线管确定。
接线盒四面开洞,当洞口与管外径不配套时,要求在盒体两侧使用异径套管。
在现浇混凝土顶板内安装接线盒时,具体做法见图。
现浇混凝土墙体上的接线盒预留可随结构施工直截了当将接线盒安装到位,所有开关、插座用接线盒预埋,应以装饰完成面标高为准。
为防止接线盒移位,采纳钢筋固定。
接线盒面与结构施工的模板面平齐,接线盒内填充聚苯乙烯板,防止混凝土进进。
〔3〕轻质隔墙内电线管施工轻质隔墙施工时,当接线盒与墙体的龙骨相邻时,可在龙骨上直截了当固定;当接线盒的四边没有龙骨,那么需制作支架固定接线盒。
电气管道需用φ6圆钢作支架固定,圆与龙骨固定,距接线盒300mm 内需有固定点,电线管每隔2m需固定一次。
〔4〕吊项内配管及明配电线管明配钢管应排列整洁、横平竖直,固定点间距均匀,钢管的敷设一律采纳套丝管箍连接,套丝长度以用管箍连接好后螺纹外露2~3扣为宜,套丝完成后应检查是否光滑、平坦。
学校LED护眼灯(教室灯)安装施工组织计划(一)供货实施方案与措施第一部分编制依据1、教室照明产品参考标准1)IEC/TR 62778:2014《应用IEC 62471评估光源和灯具的蓝光危害》2)IEEE Std 1789-2015《IEEE推荐的高光LED减少使用者健康风险调制电流方法》3)GB 19510.14-2009《LED模块用直流或交流电子控制装置的特殊要求》4)GB 7000.1-2015《灯具第1 部分:一般要求与试验》5)GB 7000.201-2008《灯具第2-1 部分:特殊要求固定式通用灯具》6)GB/T 31831-2015《LED室内照明应用技术要求》2、教室照明质量参考标准1)GB 50034-2013 《建筑照明设计标准》2)GB 7793-2010 《中小学校教室采光和照明卫生标准》3)GB/T 5700-2008 《照明测量方法》4)GB∕T 36876-2018 《中小学校普通教室照明设计安装卫生要求》5)GB40070-2021《儿童青少年学习用品近视防控卫生要求》6)T∕JYBZ 005-2018 《中小学教室照明技术规范》7)DB3201/T 1006—2020《中小学幼儿园教室照明验收管理规范》3、成都市中小学(幼儿园)光环境提升工程实施方案4、灯具安装施工工艺标准5、本公司颁发的内部文件、工艺标准及工法。
第二部分工程概述1.项目名称:公办中小学(幼儿园)光环境改造提升工程2.供货单位:3.交货地点:具体实施地点以招标人最终指定为准)4总工期:合同签订后生效,接到招标人正式通知后120天内完成项目的安装、调试,并交付招标人验收、使用。
5.工程目标:为充分发挥企业优势,我们将选派高素质的项目经理及工程技术管理人员。
按项目法施工管理,严格执行ISO9001质量保证体系,积极推广新技术、新工艺、新材料,精心组织,科学管理,优质高效地完成施工任务,严格履行合同,确保实现如下目标:(1)质量目标:满足招标文件及现行国家(行业)规范要求,满足建设单位使用功能需求,满足项目实施要求,安装调试完成后达到验收合格标准;满足成教办【2021】10号文件要求(2)安全目标:严格按照国家安全文明施工的各项规定执行,按照国家标化管理。
照明工程施工方法(一)、电缆敷设施工路灯照明配电线路采用聚氯乙烯绝缘聚氯乙稀护套铠装铜芯电力电缆直埋方式,穿越车道等情况时,须穿∅100镀锌钢管保护,并在钢管两端设手孔井。
施工时详国标:94D164图集。
∅100镀锌钢管壁厚4mm。
1、电缆保护管1)、沟槽埋地式电力电缆保护管开槽施工工艺应根据现场环境、槽深、地质情况、施工设备、季节影响等因素综合考虑。
开挖沟槽尺寸应符合工程设计要求。
沟槽挖掘应严格按设计控制,基底高低不得扰动或超过基面。
沟槽挖掘宽度应能满足管材连接、地基施工和回填作业所需的最小间隔。
2)、地基施工○1、应将沟槽底部整平,使放在其上的管材平坦不倾斜。
○2、遇土质比较松软的地方,应将沟槽底部用水泥浆铺面。
土质较差时,应先进行处理,挖除淤泥,再用大石块压实,然后分层夯实回填上。
3)、铺管安装下管可由人工进行。
管材长短的调整,可用机械工具进行切割,切割处切口应垂直于管枕轴线,且应该光滑平整。
保护管应去毛刺,不应有穿孔、裂缝等。
4)、回填沟槽回填应在管道隐蔽工程验收后进行,填土应及时,防止管道暴露时间过长造成损失。
回填土时不得回填淤泥、砖块及其它硬性物体。
管子周围必须用软土回填。
回填土质量,必须达到设计规定的密度要求。
2、电缆穿管○1、检查管道内是否有杂物,可在敷设电缆前,应将杂物清理干净。
○2、试牵引:经过检查后的管道,可用一段(长约5m)的同样电缆作模拟牵引,然后观察电缆表面,检查磨损是否属于许可范围。
○3、将电缆盘放在电缆入孔井口的外边,先用安装有电缆牵引头并涂有电缆润滑油的钢丝绳与电缆一端连接,钢丝绳的另一端穿过电缆管道,拖拉电缆力量要均匀,检查电缆牵引过程中有无卡阻现象,如张力过大,应查明原因,问题解决后,继续牵引电缆。
电力电缆应单独穿入一根管孔内。
(二)、灯杆、灯具安装本工程根据道路等级及环境条件,道路照明灯具布置在12米人行道上单侧布置,用单挑灯,灯杆高度用8米钢制灯杆。
纵向灯杆间距30米,挑臂长1.2米,光源功率为1*100W高压钠灯作为光源,大路口采用16米中杆灯,光源采用3*400W高压钠灯。
第一章施工工艺及技术措施施工工序按下列流程图进行1、电缆沟施工1)线路测量及放线按施工图及业主提供的基准点、基准线、基准标高,从开始端用标杆,向前方逐渐定位,移动标杆,使其与路基距离符合要求,用线固定于两标尺之间,以放好的线为中心,按技术文件要求电缆沟宽度画出施工线。
2)挖电缆沟设计要求电缆埋地深度大于0.7m,开挖土量较少,采用人工开挖方法。
开挖时,一般以1: 0.2的坡度下挖。
坑深检查以直尺及拉线方式,应使电缆沟宽度及深度符合要求并平直。
挖出的土应放于电缆沟旁边,但不应使土掉入电缆沟中,挖出的土于敷设完电缆后回填。
2、电缆敷设该路灯工程电缆敷设方式主要为在100mm厚的细砂垫层上敷设,敷设电缆后在电缆上面铺设一层100mm厚的细砂垫层,然后覆盖混凝土保护板。
绝大部分电缆是沿新建道路边挖沟埋地敷设,小量电缆沿建筑梁板明敷设。
根据设计,路灯的间距一般为30多米(高杆灯和吸顶灯除外),故灯与灯之间的线管为直接连通,中间不设线盒,套管两端在灯位处以90度向上弯出。
此外,所有的路灯低压电源线路,也是采用电缆直接敷设达至各路段负荷。
电缆埋地敷设工艺应注意如下几点:(1)地暗敷设的电缆,其地沟的开挖的深度要符合设计和规范要求,管沟的底部要平整,要清除对电缆有损害的锋尖形硬物,并在底部铺设细砂层,使电缆放置受力均匀。
电缆穿越涵洞时,用大一级的钢套管进行保护(做法参照设计大样图)。
(2)电缆松放和穿管要自然平直,不要扭曲。
敷设前,要进行绝缘检查和线路通断检查,敷设后再进行绝缘检查。
由于施工过程管道和电缆置于露天环境,故套管口和电缆端头要做好防水包扎措施,穿保护套管完成后要及时做好管口的沥青浇注封堵工作。
3、灯具安装该工程采用的灯具为防水放尘型高效光源的钠灯灯具。
设计的安装高度大都为9.5m、12m、30m等。
其特点是安装高度高,安装后不利于检测和维修,因而灯具的安装质量甚为重要。
为确保质量,安装灯具必须注意下面几点:(3)灯具到货后要认真做好验收检查工作,检查其产品的合格证明书和检测报告,产品运输过程是否完好无损,零配件是否齐全。
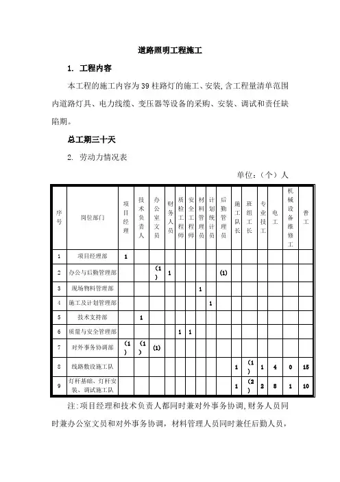
道路照明工程施工1. 工程内容本工程的施工内容为39柱路灯的施工、安装,含工程量清单范围内道路灯具、电力线缆、变压器等设备的采购、安装、调试和责任缺陷期。
总工期三十天2. 劳动力情况表单位:(个)人注:项目经理和技术负责人都同时兼对外事务协调,财务人员同时兼办公室文员和对外事务协调,材料管理人员同时兼任后勤人员,线路敷设施工队的班长由一名电工担任,灯杆基础、灯杆安装、灯具基础安装调试施工队中班长由两名专业技工担任.1。
5.2施工机械进出场计划施工机械进出场计划2。
施工方案2。
1线路敷设施工方案◆过街预埋管道电缆穿管敷设施工工艺:⑴现场勘测及交通安全标志的设置:首先确定电缆穿越街道的平面位置,然后划线,如与图纸有出入应马上向监理和工程师反映。
我们采取半幅路的管道施工、半幅路来通车的办法来进行施工组织。
对于所要施工的半幅路的管道,要先放置好交通隔离墩,施工标志、交通指示灯等。
(2)过街混凝土开凿及埋管:根据所定管道划线位置,先用水泥切割机对混凝土路面按要求设计宽度进行切割,然后对于范围内的混凝土进行人工破碎后挖除,再接着进行开挖,直至施工尺寸要求,再将底层调平,密实。
SC80钢管平行放入保持距离,埋置深度不小于0。
7米,下层管道的敷设时在第一层完后应做好水平值,保证上层的管道平行敷设,做到横平竖直,接缝严密密封,待管道全部布入检查完工后,再按设计要求进行电缆沟回填。
等半幅路的管道施工完成后,再接着按同样方法进行另外半幅路的管道施工。
在施工中及回填时候注意保护管道和管口不被堵塞。
(3) 等全幅路的管道贯通后,然后再将PVC50管道穿入镀锌钢管;(4) 电缆穿管器与电缆端部用铁丝绑扎牢固;(5)电缆穿管器牵引、另一端喂,将电缆穿过过街预埋管道;(6) 离带之间的预埋管道用同样方法,对较短管道可以不用电缆穿管器;工艺流程图:电缆穿管敷设工艺流程◆电缆敷设(直埋)、接地极及地线施工方法与步骤:⑴现场勘测:明确电缆沟的施工范围,有无障碍物等,经放样后,划上线,设置施工标志和交通安全标志,如有与设计图纸相差较大的情况应即时向监理及工程师反映.⑵电缆沟与灯杆基础窝土石方的开挖:使用锹、镐、锄等工具,按照指定位置和图纸给定尺寸挖掘,挖出的土石方应堆放在规定地方。
太阳能路灯施工方案全 HEN system office room 【HEN16H-HENS2AHENS8Q8-HENH1688】太阳能路灯安装施工方案1 安装工艺流程图2 施工工艺方法:应按规定的施工及施工规范,质量评定标准以及标准图集施工。
电气系统,按土建施工顺序,做好暗设电缆预埋线管,同时做好防预埋管堵塞的工作。
灯基础浇筑,路灯安装,电气系统穿电缆,系统调试,通电实验。
3 各工序流程及主要施工方法工序流程施工中采用以下流程:定灯位→挖路基坑→挖电池井→浇筑路灯基础→路灯组装→路灯安装→电气设备安装→实验、调试→自检→竣工验收施工方法定灯位:按照施工图及现场情况,以灯位间距为35米为基准确定路灯安装位置挖灯基坑及电池井:以图纸为基础,在路灯基础位置挖路灯基坑,电池井。
浇筑路灯基础浇筑:按路灯基础图纸预制金属构件开挖相应尺寸的基坑,金属构件进行热镀锌处理,防腐质量应符合现行国家标准《金属覆盖及其他有关覆盖层维氏和努氏显微硬度试验》(GB/T9700)《热喷漆金属件表面预处理通则》(GB/T11373)、现行行业标准《钢铁热浸铝工艺及质量检验》(ZBJ36011)的有关规定。
电池井:应符合深度保温要求下列要求,与路灯基础连接线管要匹配无误差。
路灯安装规定同一街道、公路、广场、桥梁的路灯安装高度(从光源到地面)、仰角、装灯方向宜保持一致。
基础坑开挖尺寸应符合设计规定,基础混凝土强度等级不应低于C20,基础内电缆护管从基础中心穿出并应超出基础平面30-50㎜,浇筑钢筋混凝土基础之前必须排除坑内积水。
灯具安装纵向中心线和灯臂纵向中心线应一致,灯具横向水平线应与池面平行,紧固后目测应无歪斜。
灯头固定牢靠,可调灯头应按设计调整至正确位置,灯头接线应符合下列规定。
在灯臂、灯盘、灯杆内穿线不得有接头,穿线孔口或管口应光滑、无毛刺,并应采用绝缘套管或包扎,包扎长度不得小于200㎜。
路灯安装使用的灯具、灯臂、抱箍、螺栓、压板等金属构件应进行热镀锌处理,防腐质量应符合现行国家标准《金属覆盖及其他有关覆盖层维氏和努氏显微硬度试验》(GB/T9700)《热喷漆金属件表面预处理通则》(GB/T11373)、现行行业标准《钢铁热浸铝工艺及质量检验》(ZBJ36011)的有关规定。
2.7 建筑电气工程流程图2.7.1变配电设备安装工艺流程图1.电力变压器、箱式变电所安装工艺流程图2.成套配电柜、控制柜(屏、台)安装工艺流程图3.硬母线安装工艺流程图4.不间断电源设备安装工艺流程图2.7.2供电干线安装工艺流程图2.7.2供电干线安装工艺流程图 1.封闭、插接母线安装工艺流程图2.电缆桥架安装流程图3.电缆支架安装流程图4.电缆敷设工艺流程图电缆敷设工艺流程图5.交联聚乙烯绝缘电缆热缩终端头制作工艺流程图6.户内型交联聚乙烯绝缘电缆硅橡胶预制式终端头制作工艺流程图7.交联聚乙烯绝缘电缆热缩中间头制作工艺流程图8.交联聚乙烯绝缘电缆硅橡胶预制式中间头制作流程图→9.低压热缩电缆终端头制作安装工艺流程图2.7.3低压电气工艺流程图1.低压电动机及电动执行机构检查接线工艺流程图2.低压电气动力设备实验和运行工艺流程图3.柴油发电机安装工艺流程图2.7.4配管配线工艺流程图1.钢导管敷设工艺流程图(1)暗管敷设工艺流程图(2)明管、吊顶内、护墙板内管路敷设工艺流程图(3)套接扣压式薄壁钢导管敷设工艺流程图(4)套接紧定式钢管敷设工艺流程图2.硬质阻燃塑料管敷设工艺流程图(1)明敷设工艺流程图(2)暗敷设工艺流程图3半硬质阻燃塑料管暗敷设工艺流程图4.金属线槽安装配线工艺流程图金属线槽安装配线工艺流程图5.塑料线槽安装配线工艺流程图6.滑触线及软电缆安装工艺流程图7.管内绝缘导线敷设及连接工艺流程图2.7.5照明电器安装工艺流程图1.配电箱(盘)安装工艺流程图 (1)明装配电箱明装配电箱(2)暗装配电箱2.开关、插座安装流程图3.灯具安装流工艺程图4.路灯安装工艺流程图2.7.6防雷接地安装流程图1.防雷接地安装流程图2.等电位联结安装工艺流程图。
景观灯基础施工及吊装方案景观灯基础施工及吊装方案一、工程概况赣江市民公园三期景观绿化工程:现主体可施工标段起点八一大桥至赣大桥赣江北大道K0+000 至K3+800 ,总长3800m 。
该工程属城市园林景观工程,采用设计平面图布灯的照明方式;景观灯布置在绿化带中及人行道旁,景观灯间距见设计平面图纸,局部间距视绿化带及人行道开口情况作适当调整,确保每段绿化带内景观灯布置对称;景观灯有庭院灯、路灯、高杆灯、草坪灯、侧壁灯、射灯、地埋灯等。
二、景观灯施工方案总体选择根据现场实际地质条件,灯基础土方采用人工配合挖机挖高杆灯基础、人工挖基础施工方案,基础下层采用土模,上层则用木模。
基础顶标高为该处土方面低-10CM 值,根据现场维护情况和景观灯施工工期安排,结合我单位施工技术水平和现有设备、人员情况,可以满足全面开展。
三、该标段主要工程数量名称规格型号单数量备注路灯控制柜按系统图定做位座 3 具备时控制路灯400W+250W 盏28H=10M草坪灯3*400W 盏10 用于交叉路H=12M口于交 叉路400*600*1000mm双臂灯400W+250WH=10M组 350三火灯3*400W H=12M 组 2 用于交叉路口电力电缆 VV —4*50 米 250 电力电缆VV —5*10米1300PE 盘管 φ50 米 1370高杆灯18*180W LED盏4用H=22M口电力电缆电力电缆 VV — 4*50VV — 5*10 米米 约 2011400PE 盘管 φ50 米 10900 玻璃钢电缆保护 HGBB-70/5米2200套镀锌角钢 ∠50*5*2500 根 63 镀锌扁钢 --40*4米 315主电缆手孔井内空座12700*700*1000mm支电缆手孔井内空座12玻璃钢电缆保护HGBB-70/5 米900套镀锌角钢∠50*5*2500 根75镀锌扁钢--40*4 米375电缆手孔井500*500*800mm 座7四、施工计划一工区 6 月底完成所有灯柱基础混凝土浇筑任务及部分业主已确认灯具安装。
电气工程施工流程一、施工总体顺序:电气工程施工总体顺序框图二、、动力照明系统本系统主要包括管敷设、电缆桥架安装、配电箱(柜)安装、线缆敷设、低压电器设备(灯具、开关及插座)安装,防雷接地焊接及调试等内容。
(动力照明系统施工流程图见下图)(1)钢管敷设工艺1)材料检查①所用钢管必须具备产品出厂合格证,并具有出厂日期和生产厂家。
②钢管壁厚要均匀,焊缝一致,无劈裂、砂眼、棱刺和凹扁现象。
③管箍丝扣清晰不乱扣,两端光滑无毛刺。
2)预制加工3)箱、盒固定。
4)管路敷设、连接5)关键部位的处理(2)桥架安装工艺流程弹线定位→预留孔洞→金属膨胀螺栓安装→支架与吊架固线槽安装→保护地线安装。
1)做法要求2)弹线定位:根据进出户线、盒、箱、等电器具的位置,从始端至终端找好水平或垂直线,在线路的中心线进行弹线,分匀档距并用笔标出具体位置。
3)预留孔洞:结构施工时,用木制框架固定在线槽穿墙、板处、找正,等模板拆除后,拆下框架,收好洞口。
4)金属膨胀螺栓安装首先沿墙或项板根据设计图纸弹线定位,标出固定位置,选择合适的膨胀螺栓以及与其配套的钻头,在固定点位置用冲击钻钻孔,埋好螺栓。
金属膨胀螺栓埋好后,直接将吊架或支架固定在膨胀螺栓上。
5)线槽安装:线槽安装应先做好干线,再做分线;线槽连接可采用内连接头,配上平垫、弹圈用螺母固定,螺母必须在线壁外侧;线槽交叉、丁字、十字应采用二通、三通、四通、连接;转弯部位应采用立上弯头和立下弯头,安装角度适宜;线槽末端要装上封,在盒、箱、柜进出线处采用抱脚连接。
6)保护地线安装:保护地线应敷设在线槽外侧,连接处螺栓直径不小于6mm,并加平垫和弹垫,用螺母压接牢固;金属线槽的宽度在100以内时,两段线槽连接板连接处(即用连接板做地线时),每端螺丝固定点不少于4个,宽度在200mm 以上(含200mm)两端线槽用连接板连接保护地线,每端螺丝固定点不小于6个。
3、配电箱安装工艺流程弹线定位→配电箱壳安装→明装配电箱安装→明、暗配电箱芯安装导线压接→绝缘遥测→通电检查→试验运行。
一、塑胶制品生产:甲苯、二甲苯、其他甲苯、二甲苯、其他二、灯具、玻璃制品生产加工流程其中酸蚀清洗工艺说明:废水其他灯具组装工艺流程:图2 生产工艺流程图工艺流程简述:原材料:主要为外购的金属片(螺丝、钢丝、芯片)、电子件;铆接:主要将外购的螺丝、钢丝、芯片三种原材料放入制具上面,通过铆接机进行铆接;定形:主要将铆接好的金属片通过气压机固定;检查:主要是人工检查,检查是否元件是否稳固;组装:检查合格的半成品送至组装流水线进行组装,主要为将外购的成品塑胶件、电子件(电阻、电容、发光LED、PCB、铝板、电感、IC、线路板(MOS)、保险丝(FUSE))人工组装在一起,在组装过程中不产生固体废物;点胶:使用硅胶对元器件进行再次固定;点硅胶主要是起绝缘作用;螺丝作业:使用螺丝将所有的半成品固定,经固定后即成LED灯具;点灯:使用变压器、功率计、电子称对组装完成的灯具后进行测试;老化:将灯具常规连续通电48小时;包装:对合格的产品进行包装;成品:经包装后的产品即成成品,可入库待发。
注:点硅胶是在常温下进行,同时硅胶性能较为稳定,因此在点胶过程中不会产生废气,则项目在生产过程中不会产生废气。
玻璃制品生产三、五金件生产加工1、电脑外壳、面板、五金配件生产工艺流程图噪声、粉尘废水废水酸雾包装固废2、电脑散热器生产音箱机箱生产音响面板的生产工艺流程图金属加工边角料、噪声边角料、噪声边角料、噪声边角料、噪声工艺流程简述:原材料经冲床冲压成型、CNC车床加工、铣床加工后即成成品。
原材料在生产加工过程中不会产生粉尘。
四、消防器材(1)密封圈生产工艺流程工艺流程简述:将外购的硅胶放入混料机中在常温下混合,混合后的硅胶卷成卷后放入油压成型机中进行定型成片状,经冷却后将硅胶片与模具分开,并对硅胶片进行修剪,与消防器材组装后即成成品。
(2)消防瓶生产工艺流程工艺流程简述:将外购的原料(PE、PET、PP等)放入干燥机中,在80℃的温度下烘干水份;烘干后的原料经吹塑机在110℃的温度下吹塑成型,待冷却至室温后定型,与外购的消防瓶组装之后经检验合格即成成品。
电气施工方案(完整)1.1.1电气工程概况1.1.1.1专业概况XXX电气系统简介:XXX设1个10KV高压配电室及值班室、4个变电所:1ES、2ES、3ES、4ES,每个变电所各设2台变压器。
本工程由市电网引来三路10KV电源(三电源)供电,10KV 配电系统采用单母线分段接线、分列运行,放射式供电至个变压器,两个工作电源同时工作、互为热备用,另一路为热备用。
为确保甲级XXX的附属用房的一级负荷及消防设备的供电要求,建筑内设置2台柴油发电机组作应急电源。
总平预留3台临时发电机组机位,于1ES、2ES、4ES配电房外预留临时柴油发电机供电的接驳口,分别负荷XXX的场地照明及比赛用电。
对于单台容量较大的负荷或重要负荷采用放射式供电;一级负荷及消防负荷采用来自两台变压器不同母线段(其中一段为应急母线段)的两个专用回路,在末端配电箱处自动切换供电。
其中,比赛场地照明由每个电源承担50%的场地照明灯具,重大赛事时,50%~100%的场地照明可由临时移动发电机组供电。
二级负荷采用专用回路放射式与树干式相结合的方式供电,三级负荷采用放射式与树干式相结合的方式供电。
1.1.1.2负荷分类负荷分类见表8.6.1.-1。
表1.1.1-1 负荷分类表人员准备施工准备机械准备材料准备深化设计预埋复核管内穿线灯具安装开关插座安装管内穿线动力设备接线照明明配管施工动力系统明配管施工配电箱(柜)安装电缆/母线敷设电缆头制作安装桥架安装各系统设备安装完成各系统控制线缆敷设设备交接试验运行前检查确认各设备调试运行绝缘电阻测试配电箱柜调试送电配合各专业系统调试竣工验收、交付使用桥架接地设备接地等电位端子箱安装连接接地电阻测试配电箱柜内检查接线样板施工1.1.3主要施工方法及技术措施1.1.3.1防雷接地技术措施根据招标文件工料规范内容,总承包单位负责主体防雷接地系统预留施工;强弱电井、配电箱、电梯井道、机电设备及管线的防雷接地工作由机电承包单位负责。
灯具安装施工工艺流程图
检查项目:
1、材料验收:检查灯具规格型号是否符合图纸和设计要求,质量证明文件和合格证齐全,并应有"3c"标志和证书。
零部件是否齐全,表面是否有损伤,灯头线是否符合要求。
2、灯具组装:根据灯具的组装示意图,进行各部件的组装。
选择适宜的场地,戴上纱线手套,灯内穿线的长度适宜,多股软线应涮锡,理顺导线,用尼龙扎带绑扎避开灯泡的发热区。
3、灯具的安装接线:普通座式灯的安装
1)将电源线留足维修长度去除多余长度并剥去前端线皮;
2)分清相线和零线,螺口灯具的弹簧片应接相线,螺口接零线,不得混淆;3)将灯的底座在顶板上划眼,然后打膨胀塞,固定灯具。
日光灯的安装
1)打开灯具底座板,将底座板贴近屋面顶板,使之盖住接线盒,对着接下盒位置开孔;
2)比着灯座安装孔用铅笔画好安装孔位置,打眼,塞膨胀塞,将电源线引出并固
定底座;
3)将灯头线与导线连接,盖上底座盖板,装上日光灯管。
4、绝缘摇测:用500V绝缘摇表测相线和零线,零线和地线,相线对地线,绝缘电阻值应保证在0.5兆欧以上;
5、测试合格后,通电试验。
公共建筑24H开启,民用建筑8H,每隔2H小时记录一次,在运行时间内无故障,方为合格。