铁路接发列车作业规程
- 格式:docx
- 大小:36.87 KB
- 文档页数:3
接发列车作业标准接发列车作业是指在车站或车辆段进行列车的接车和发车作业,是保障列车运行安全、准点和顺畅的重要环节。
为了规范接发列车作业,提高作业效率,保障列车运行安全,特制定本标准。
一、作业人员要求。
1. 接发列车作业人员必须持有相应的操作资格证书,经过专业培训合格并取得相关资格证书后方可上岗作业。
2. 作业人员必须严格遵守作业程序,服从指挥,严格按照规定的操作流程进行作业。
3. 作业人员必须身体健康,无酗酒、吸烟等不良嗜好,保持良好的工作状态。
二、作业流程。
1. 接车作业流程:a. 接车作业人员按照列车运行图和作业计划,提前到达接车作业岗位,做好接车准备工作。
b. 接车作业人员在列车到站后,迅速准确地完成列车的接车作业,包括车辆的检查、换挂、编组等工作。
c. 接车作业完成后,作业人员必须进行交接确认,确保列车接车作业的准确无误。
2. 发车作业流程:a. 发车作业人员按照列车运行图和作业计划,提前到达发车作业岗位,做好发车准备工作。
b. 发车作业人员在列车发车前,进行列车编组、检查、整备等工作,确保列车发车的安全顺利。
c. 发车作业完成后,作业人员必须进行交接确认,确保列车发车作业的准确无误。
三、作业安全。
1. 作业人员必须严格遵守安全操作规程,做好个人防护,确保作业过程中的安全。
2. 作业人员必须对作业区域进行安全检查,及时清除隐患,确保作业环境的安全。
3. 作业人员在作业过程中,必须严格执行列车运行规定,确保列车运行的安全。
四、作业效率。
1. 作业人员必须高效作业,做到快速、准确地完成接发列车作业。
2. 作业人员必须合理安排作业时间,提高作业效率,确保列车运行的准点。
五、作业质量。
1. 作业人员必须严格按照标准程序进行作业,确保作业质量达到标准要求。
2. 作业人员必须保持作业岗位的整洁,做好作业记录和交接工作,确保作业质量可追溯。
六、作业协作。
1. 作业人员必须密切配合,互相协作,确保接发列车作业的顺利进行。
正常情况下接发列车作业标准流程下载温馨提示:该文档是我店铺精心编制而成,希望大家下载以后,能够帮助大家解决实际的问题。
文档下载后可定制随意修改,请根据实际需要进行相应的调整和使用,谢谢!并且,本店铺为大家提供各种各样类型的实用资料,如教育随笔、日记赏析、句子摘抄、古诗大全、经典美文、话题作文、工作总结、词语解析、文案摘录、其他资料等等,如想了解不同资料格式和写法,敬请关注!Download tips: This document is carefully compiled by theeditor. I hope that after you download them,they can help yousolve practical problems. The document can be customized andmodified after downloading,please adjust and use it according toactual needs, thank you!In addition, our shop provides you with various types ofpractical materials,such as educational essays, diaryappreciation,sentence excerpts,ancient poems,classic articles,topic composition,work summary,word parsing,copy excerpts,other materials and so on,want to know different data formats andwriting methods,please pay attention!正常情况下接发列车作业标准流程如下:1. 接车准备确认接车线路空闲,检查线路、道岔、信号等设备是否正常。
接发列车作业第1部分:双线自动闭塞集中联锁(设信号员)1 范围TB/T 1500的本部分规定了双线自动闭塞集中联锁设备车站的接发列车作业程序、岗位作业技术要求。
本部分适用于普速铁路双线自动闭塞集中联锁设备设信号员的车站。
2 接发列车作业程序图2.1 接车(通过)作业程序图(见图1)图 1(程序一、项目1中接受改为“同意”)2.2发车作业程序图(见图2)图 2删除“(指示)”3接发列车作业程序及技术要求3.1 接车(通过)作业(见表1)表1表1(续)3.2 发车作业(见表2)表2表2(续)3.3有关规定3.3.1接发列车时,接发列车人员应穿着规定服装,衣帽整齐,佩戴臂(胸)章,携带列车无线调度通信设备,持规定信号旗(灯),立正姿势,站在《站细》规定地点,面向列车,注意列车运行和货物装载状态。
3.3.2办理接发列车用语应使用普通话。
遇“0”、“1”、“2”、“7”可发“dòng(洞)、“yāo(幺)”、“liǎng(两)、“guǎi”(拐)”音。
用语中括号内的“站”、“次”、“×点”、“分”、“了”可省略。
办理动车组以外的旅客列车时,车次前冠以“客车”两字(向列车调度员报点除外)。
例如:高×(次),城×(次),动×(次),动检×(次),客车×(次),客车直(特、快、临、游)×(次)。
3.3.3开放信号时,执行“一看、二点击(按)、三确认、四呼唤”及“眼看、手指、口呼”制度。
眼看:看准应操纵的按钮;手指:鼠标箭头或光电笔对准应确认的按钮(继电联锁时为中、食指并拢成“剑指”,指向应确认的按钮);口呼:规定用语,吐字清楚。
3.3.4填写《行车日志》(旅客列车使用红笔)、调度命令及各种行车凭证,要做到正确齐全,字迹清晰。
使用调度命令无线传送系统传送各种行车凭证、调度命令时,有关输入、核对、传送、接收等办法由铁路局规定。
3.3.5一端有两个及其以上列车运行方向,办理预告及下达接发车命令时,应以线名或邻站名区别方向(“线”或“站”字可省略);有两个及其以上车场或经路时,要讲明车场或经路。
接发列车作业标准接发列车是指在铁路运输中,将列车从一个车站或站场接收并安全地进行换装、维修、燃油加注等作业,然后再发往下一个目的地的作业流程。
为了保障列车运行的安全和效率,制定并执行一套科学的接发列车作业标准至关重要。
以下是针对接发列车作业的一些标准和规范。
一、作业前准备。
1. 接发列车作业前,必须对相关设备和机具进行检查和维护,确保其正常运行状态。
2. 作业人员必须穿着符合安全标准的工作服和防护用具,并接受相关安全培训。
3. 接发列车作业前,必须对列车进行全面检查,确保车辆各项指标符合运行要求。
二、列车接收作业。
1. 列车接收时,必须按照规定的停车位置进行停放,并进行牵引、卸货等作业。
2. 接收作业人员必须按照操作规程进行操作,并保持与列车驾驶员的有效沟通。
3. 在卸货作业中,必须严格按照装卸顺序和操作规范进行,确保货物安全卸载。
三、列车发车作业。
1. 发车前,必须对列车进行燃料、水、润滑油等加注作业,确保列车能够正常运行。
2. 发车作业人员必须按照操作规程进行操作,并保持与列车驾驶员的有效沟通。
3. 发车前必须对列车进行全面检查,确保车辆各项指标符合发车要求。
四、安全防护措施。
1. 在接发列车作业过程中,必须严格执行安全操作规程,杜绝一切违章操作。
2. 作业现场必须设置明显的安全警示标识,并配备必要的安全防护设施。
3. 作业人员必须严格遵守作业纪律,确保自身和他人的安全。
五、作业记录和报告。
1. 对每一次接发列车作业,必须做好详细的作业记录,并及时上报相关部门。
2. 对于作业中出现的问题和隐患,必须及时进行整改和报告,确保类似问题不再发生。
以上就是关于接发列车作业标准的一些内容,希望所有从事接发列车作业的人员都能严格遵守相关规定,确保列车运行的安全和顺利。
同时,也希望相关管理部门能够加强对接发列车作业的监督和指导,共同为铁路运输的安全和发展做出贡献。
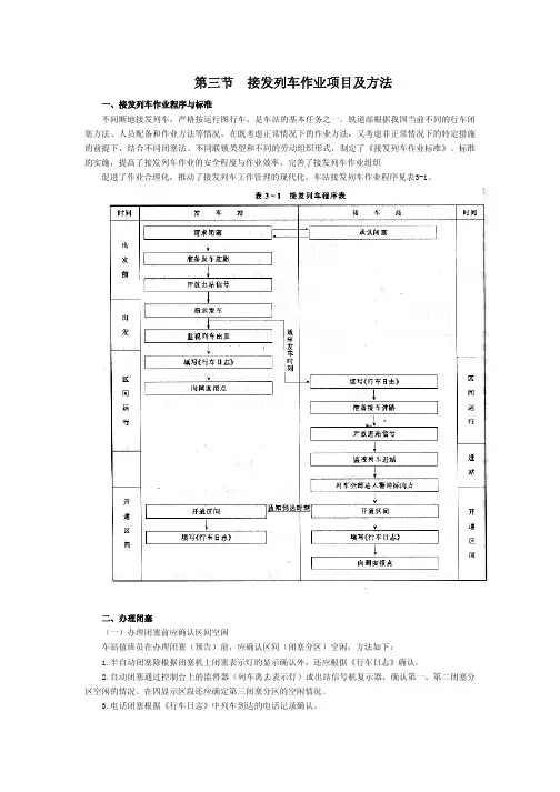
第三节 接发列车作业项目及方法一、接发列车作业程序与标准不间断地接发列车,严格按运行图行车,是车站的基本任务之一。
铁道部根据我国当前不同的行车闭塞方法、人员配备和作业方法等情况,在既考虑正常情况下的作业方法,又考虑非正常情况下的特定措施的前提下,结合不同闭塞法、不同联锁类型和不同的劳动组织形式,制定了《接发列车作业标准》。
标准的实施,提高了接发列车作业的安全程度与作业效率,完善了接发列车作业组织促进了作业合理化,推动了接发列车工作管理的现代化。
车站接发列车作业程序见表3-1。
二、办理闭塞(一)办理闭塞前应确认区间空闲车站值班员在办理闭塞(预告)前,应确认区间(闭塞分区)空闲,方法如下:1.半自动闭塞除根据闭塞机上闭塞表示灯的显示确认外,还应根据《行车日志》确认。
2.自动闭塞通过控制台上的监督器(列车离去表示灯)或出站信号机复示器,确认第一、第二闭塞分区空闲的情况。
在四显示区段还应确定第三闭塞分区的空闲情况。
3.电话闭塞根据《行车日志》中列车到达的电话记录确认。
此外,还应根据有关记录(轻型车辆使用书、施工登记、封锁区间的调度命令)与揭挂的表示牌等,确认区间空闲的情况。
(二)办理闭塞的方法我国铁路采用的行车闭塞法,无论是基本闭塞法还是代用闭塞法,都属于空间间隔法,在确认区间空闲的情况下,都能实现在同一时间、同一区间(闭塞分区)内只有一个列车占用。
具体办理的方法见《接发列车作业标准》。
三、布置与准备进路(一)接发列车进路的划分1.接车进路。
接入停车列车时,由进站信号机起,至接车线末端警冲标或出站信号机止的一段线路,称为接车进路,如图3-7所示。
图3—7 接车进路2.发车进路。
发出列车时,由列车前端至相对方向进站信号机或站界标止的一段线路,称为发车进路,如图3-8所示。
图3-8 发车进路3.通过进路。
列车通过时,通过进路为该列车通过线两端进站信号机或进站信号机至站界标间一段线路,如图3-9所示。
图3—9 通过进路(二)布置进路正确及时地准备好列车进路是接发列车工作中的关键。
车站接发列车工作细则正常作业第7条组织指挥系统(1)车站行车工作必须坚持集中领导,统一指挥、逐级负责的原则。
(2)车站值班员是车站行车工作的组织、指挥、领导者。
所有与行车有关人员必须服从车站值班员的统一指挥。
(3)车站值班员必须认真执行列车调度命令,服从调度指挥,正确运用正线、到发线,保证不间断接发列车,按运行图行车。
(4)正线上不得停留车辆,到发线上停留车辆时,须取得列车调度员准许,方可占用。
(5)接发列车时由车站值班员亲自办理:列车闭塞;布置进路(包括听取进路准备妥当的报告)、开放信号、交接凭证、接送列车、指示发车或发车等工作。
第8条接发列车作业程序及用语无连锁条件下作业程序:1、接车(通过.)作业程序图(1)接车(通过.)作业程序图(2)发车作业程序图发车作业程序图2、接发列车作业程序及用语的补充规定:(1)接发列车用语以普通话为准,阿拉伯数字“0、1、2、7”可读为“洞、幺、两、拐”。
对线路一律称“道”。
(2)填写《行车日志》,调度命令及各种行车凭证要做到正确齐全,字迹清晰。
3、接发列车占线板设置、填写办法在值班员处设附有车站线路股道的占线板,值班员应将车次填记在占线板接车股道上,列车通过后及时抹消。
4、占线板填记标准:⑴、检查接车线空闲后,应在相应股道上写上车次:如4907。
⑵、接受或布置进路命令后,在车次旁边(下边)划横线:通过:4907,接车:——4907,发车4907——⑶、进路准备好后或听取回报后画箭头:通过:>->,接车>——4907,发车4907——>⑷二次确认或听取回报后画箭头:通过>>—>>,接车>>——4907,发车4907——>>⑸派出引导员画圆圈:通过。
>>一>>,接车——4907,49074907⑹办妥闭塞填写凭证后画圆圈:通过—>>o,发车4907——>>O,C⑺凭证交付在横线下画圆圈:通过O>>—⑻列车到达接车线停妥后,擦掉符号,保留车次⑼列车出发(通过)后,(出清最外方道岔)擦掉占线板。
接发列车作业标准为了确保列车的安全运行和高效接发作业,制定并严格执行接发列车作业标准是非常重要的。
接发列车作业标准是指在铁路运输中,对于列车的接发作业所需遵循的一系列规定和程序。
本标准适用于所有铁路运输单位和相关人员,在进行列车接发作业时必须严格遵守,确保列车接发作业的安全和顺利进行。
一、接发列车前的准备工作。
1. 接发列车前,必须对接车道进行检查,确保道口畅通无阻,避免因道口堵塞导致列车无法顺利进出。
2. 确保相关设备的正常运行,如信号设备、道岔、安全装置等,必须经过检查和测试,确保其正常工作状态。
3. 接发列车作业前,必须对列车进行检查,确保车辆各项指标符合安全要求,如制动系统、车辆照明、车厢密封等。
二、接发列车作业流程。
1. 列车到站后,接车人员必须按照规定的程序进行接车作业,包括检查车辆、解除制动、连接车厢等。
2. 发车作业时,必须按照规定的程序进行,包括检查车辆、设置制动、检查车厢连接等。
3. 在接发列车作业中,必须严格按照信号指示和操作规程进行,确保列车的安全运行。
三、接发列车作业中的安全注意事项。
1. 在进行列车接发作业时,必须严格遵守相关安全规定,如穿戴安全防护用具、遵守列车接发作业的操作规程等。
2. 遇到异常情况时,必须立即报告相关部门,并根据规定的程序进行处理,确保列车接发作业的安全。
3. 在列车接发作业中,必须保持专注,严禁酗酒、吸烟等影响操作的行为。
四、接发列车作业中的环境保护。
1. 在进行列车接发作业时,必须注意环境保护,严禁乱扔垃圾、污染环境等行为。
2. 对于列车接发作业中产生的废弃物,必须按照规定进行分类处理,并妥善处置。
3. 在列车接发作业中,必须严格遵守环保规定,做到资源节约和环境友好。
五、接发列车作业的监督和检查。
1. 对于列车接发作业,必须进行定期的监督和检查,确保各项作业符合标准和规定。
2. 对于列车接发作业中发现的问题和隐患,必须及时整改和处理,确保列车接发作业的安全和顺利进行。
接发列车作业标准一、前言。
列车的接发作业是铁路运输中一个非常重要的环节,它直接关系到列车的安全和运行效率。
为了保障列车接发作业的顺利进行,制定并严格执行接发列车作业标准是非常必要的。
二、接发列车作业流程。
1. 接车作业流程。
当列车到达目的站时,接车作业人员应按照相关规定,迅速准确地进行接车作业。
首先,要确认列车的型号、车厢数量和车厢内货物的情况,然后进行车辆的检查和整备工作,确保列车可以安全停靠在站台上。
接着,要进行货物的卸载和装载作业,确保货物的安全和准确装卸。
最后,要进行列车的整备和检查,确保列车可以准时出发。
2. 发车作业流程。
当列车准备出发时,发车作业人员应按照相关规定,迅速准确地进行发车作业。
首先,要对列车进行最后一次检查,确保车辆和货物的安全和完整。
接着,要进行车辆的整备和准备工作,确保列车可以顺利出发。
最后,要对列车进行发车前的准备工作,包括车门关闭、信号灯亮起等,确保列车可以安全、准时地离开站台。
三、接发列车作业标准。
1. 作业人员要求。
接发列车作业人员必须经过专业培训,并持有相关资质证书,具备丰富的作业经验和良好的职业素养。
作业人员要严格按照规定操作,不得擅自更改作业流程或规定。
2. 装卸货物要求。
装卸货物必须按照相关规定进行,确保货物的安全和完整。
作业人员要注意货物的包装和标识,确保货物可以准确装卸,并避免货物的损坏或丢失。
3. 车辆整备要求。
车辆整备是保障列车安全的重要环节,作业人员要对列车进行仔细的检查和整备,确保列车可以安全、顺利地进行接发作业。
4. 安全防护要求。
作业人员要严格遵守相关的安全操作规定,穿戴好安全防护用具,确保作业过程中不发生安全事故。
同时,要加强对作业现场的安全监管,确保作业现场的安全和秩序。
四、总结。
接发列车作业标准的严格执行,可以有效提高列车接发作业的效率和安全性,保障列车运输的顺利进行。
作业人员要严格按照标准操作,确保列车接发作业的顺利进行,为铁路运输的发展做出贡献。
列车在正线、到发线上的作业规程
1.在正线、到发线上调车时,应经过列车调度员(车站控制时为车站值
班员)准许。
2.接发列车时,应按高速铁路《行车组织细则》规定的时间,停止影响
列车进路的调车作业和对列车运行安全有影响的其他作业。
3.接发旅客列车时,与接发列车进路没有隔开设备或脱轨器的线路,不
准向能进入接发列车进路的方向调车。
本务机车在停留线路内摘挂除外。
4.同一股道只允许一端调车作业,禁止两端同时向同一股道排列调车进路。
5.调车作业中,应执行钩钩联系制度:每钩作业前,司机(调车指挥人)应主动向列车调度员(车站负责办理调车进路时为车站值班员或车务应急值守
人员)请求进路;进路准备妥当后,列车调度员(车站值班员或车务应急值守
人员)方可通知司机(调车指挥人)。
6.越出站界调车
(1)越出站界调车时,应区间(自动闭塞区间正方向为第一个闭塞分区)空闲,单线区间闭塞系统应在发车位置;由列车调度员发布准许越出站界调车
的调度命令后,方可进行。
(2)越出站界调车期间,相邻站(线路所)禁止向该区间放行列车。
越出站界调车作业完毕,司机或调车指挥人应报告列车调度员(车站负责办理调车
进路时为车站值班员或车务应急值守人员)。
车站值班员、车务应急值守人员应及时报告列车调度员,列车调度员通知两端站(线路所)后方可组织行车。
(3)需在未设调车信号机的线路上调车作业时,根据需要可按越出站界调车作业办理,办理列车进路(进、出站信号机常态为灭灯时,应点灯),由列车调度员发布准许越出站界调车的调度命令,司机根据调度命令和进、出站信号机的显示进行调车作业。
接发列车作业标准一、作业前的准备工作。
1. 确认列车信息,在进行接发列车作业之前,首先要确认列车的相关信息,包括列车车次、车厢数量、货物类型及数量等,以便进行后续的作业计划安排。
2. 安全检查,在作业前,必须进行相关的安全检查,包括检查车辆设备是否完好,作业场地是否符合安全要求,以及作业人员是否具备相关的操作技能和安全意识。
3. 作业计划编制,根据列车信息和作业要求,制定详细的作业计划,包括作业流程、作业人员分工、作业时间安排等,确保作业有序进行。
二、接发列车的作业流程。
1. 到位准备,在列车到达作业场地之前,作业人员必须提前到位做好准备工作,包括搬运工具的准备、装卸设备的检查和调试等,确保一切就绪。
2. 货物卸载,当列车到达作业场地后,作业人员按照作业计划进行货物卸载作业,确保操作规范,避免货物损坏和人员伤害。
3. 货物装载,在完成货物卸载后,作业人员根据作业计划进行货物装载作业,同样要注意操作规范,确保货物安全装车。
4. 车辆整备,在货物装载完成后,作业人员需要对列车进行整备工作,包括车辆检查、设备清理等,确保列车可以安全启程。
5. 作业记录,在完成接发列车作业后,作业人员需要及时进行作业记录,包括货物数量、装卸时间、作业人员等信息,以便后续的作业统计和分析。
三、作业后的清理工作。
1. 场地清理,在完成接发列车作业后,作业场地需要进行清理工作,包括清理货物残留、整理搬运工具和设备等,确保作业场地的整洁和安全。
2. 资料归档,作业记录和相关资料需要进行归档工作,以便日后的查阅和管理。
3. 安全检查,在作业结束后,还需要进行一次安全检查,确保列车和作业场地的安全状况。
四、作业中的注意事项。
1. 严格遵守操作规程和安全操作规范,确保作业安全。
2. 注意货物的包装和装卸过程中的防护措施,避免货物损坏和人员伤害。
3. 合理安排作业人员,确保作业效率和质量。
4. 配合车辆驾驶员,确保列车的安全进出和装卸作业。
铁路接发列车作业规程
一、总则
1. 为确保铁路接发列车作业的安全和顺利进行,制定本规程。
2. 本规程适用于所有铁路接发列车作业人员。
3. 铁路接发列车作业人员必须遵守本规程和相关的安全操作规程。
4. 铁路接发列车作业人员必须具有相应的技能和经验,接到作业任务后必须充分了解作业要求和相关安全知识。
5. 铁路部门要定期对铁路接发列车作业人员进行检查和培训,提高其安全和技能水平。
6. 如有违反本规程和操作规程的行为,将被追究相关责任。
二、作业流程
1. 接车作业流程
下面是接车作业的流程:
1. 检查车辆停放位置是否正确。
2. 根据作业要求准备车辆,并检查锁具、手刹是否正常。
3. 进入铁路对接区域,检查区域内的铁路设备是否正常。
4. 检查列车对接位置,确保与车站设备的连接正常。
5. 安全地进入车站列车车厢,将车厢进行解锁。
6. 确认车辆无异常情况,并进行必要的货物检查。
7. 接到发车作业指令后,确认车站设备齐备后,尽快进行车辆
对接。
2. 发车作业流程
下面是发车作业的流程:
1. 确认铁路列车运行图。
2. 根据运行图,按时到达车站,并确保车速合适。
3. 确认发车作业指令,开启车内通信,并告知车站作业人员。
4. 确认货物情况,并进行必要的检查和确认。
5. 安全开启列车,并加强注意力,确保列车运行的安全和顺利。
6. 安全到站后,按照正常程序停放列车,保持与车站的连接并
关闭车厢锁具。
三、注意事项
1. 接发列车作业人员必须认真检查列车和设备,确保其运行符
合相关规程。
2. 如发现任何异常情况,必须及时上报,以保障铁路作业的安全和顺利。
3. 铁路接发列车作业人员必须具有相应的知识和技能,确保接发列车作业的安全进行。
4. 本规程附带的相关操作规程必须严格遵守。