薄膜开关生产作业标准
- 格式:pdf
- 大小:522.00 KB
- 文档页数:10
薄膜开关制作流程
第一步:薄膜开关的制作过程
1、电极材料的选择:
薄膜开关的电极材料选择,首先要考虑性能问题,如弹性和硬度,以及电气性能,如导电性、耐电强度等,需要选择材料的特性要和薄膜开关的性能需求对应。
2、分材料加工:
通常,电极材料必须经过分材料加工,如铣削、磨削、拉刀等,以获得理想的尺寸和形状,然后再对其表面进行抛光,使其成为薄膜开关的较理想的电极。
3、电极烧焊:
焊接电极时,首先要准备焊材,焊接电极时,应该尽量保持其元件纵横比较均匀,然后用焊料对电极进行焊接,保持电极的整体稳定性,同时使其电气性能更加稳定、质量更加可靠。
4、薄膜的涂制:
接着,就是薄膜的涂制,用于涂制薄膜的金属材料要求良好,有较高的纯度和抗腐蚀性,通常采用铝箔材料,用特殊的涂制设备完成,以保证涂制薄膜的质量。
5、装配完成:
最后,用机械装配完成。
薄膜开关的性能参数,用电极和薄膜组装,通常以手动方式完成,以确保最终的电气性能。
- 1 -。
薄膜开关应具备以下条件
作为薄膜开关的面板,它主要担负着产品外观的装饰与防护作用,因此用于制作面板的薄膜,至少应具备以下条件:
一、良好的外观
指制作面板的薄膜表面平整、光泽一致,没有机械性损伤、划痕、夹杂物及色斑等表面缺陷。
二、较好的耐候性
面板层薄膜开关暴露在自然环境中的表面层,其面板材料要能在一定自然环境条件下,不变形、开裂、老化和变色等
三、较好的化学性
面板层将有可能触及不同的化学药品,但对常见的大多数化学品而言,如醇类、醚类、矿物油类应有一定的耐受能力。
四、尺寸稳定性好
要求制作面板的薄膜,在一定的温度范围内(一般为-40度~55度)的尺寸,尺寸无变化。
五、弹性要求
要求面板层薄膜有一定回弱性能,同时弹性变性要小,可以用材料的延伸率判断,一般来说延伸率大,弹性变形量也大,加弹性能力就差。
根据上述要求,常用于面板的薄膜通常有聚酸酯、聚氯乙烯、聚酯及聚胺酯等几种薄膜。
薄膜开关的技术参数电性能⒈工作电压:≤50VDC⒉工作电流:≤100mA⒊接触电阻:0.5~10Ω⒋绝缘电阻:≥100MΩ(100VDC)⒌基材耐压:2kDVC⒍回弹时间:≤6ms⒎回路电阻:50Ω、150Ω、350Ω三档,或以用户需要确定⒏绝缘油墨耐压:100VDC机械性能⒈可靠性使用寿命:>100万次⒉闭合位移:0.1~0.4mm(无触觉型)0.4~1.0mm⒊健标作力:15~750g力⒋银浆迁移:在55℃,温度90%,56小时后,二线间为10MΩ/50VDC⒌银浆线上无氧化,无杂质⒍银浆线宽≥0.3mm,最小间隔0.3mm,线路毛边<1/3,线路缺口<1/4线宽⒎引脚间距标准2.54 2.50 1.27 1.25mm⒏引出线抗曲度,用d=10mm钢棍压滚80次线路不断。
环境性能⒈工作温度:-20℃~+70℃⒉存贮温度:-40℃~+85℃温度95%±5%⒊大气压:86~106KPa印刷指标⒈印刷尺寸偏差±0.10mm,外型边线不清编差±0.1mm⒉套色偏差±0.11mm/100mm,绝缘油墨全部覆盖银浆线路⒊无油墨散,字迹无残缺⒋色差不大于二级⒌不得有折痕、脱漆⒍透明窗透明清洁,色泽均匀,不得有刮伤、针孔、杂质。
对于维修人员来说,一些老式设备在配不到原机使用的薄膜开关时,可以记录下按键所对应的线号,然后用一般按钮(轻触开关)加组线方式替换。
薄膜开关上的按键只是用色彩来表达键体的位置、形状和大小。
这样,只能凭操作者的视觉来识别操作的准确性,由于没有适当的反馈信息表明手指是否按在了开关的有效范围使开关动作,凸起薄膜开关因而影响了对整机监控的自信和操作的速度。
一种使开关键体微微凸起,略高于面板,构成立体形状的薄膜开关,称为立体键开关。
立体键不仅能准确地给定键体的范围,提高辨认速度,使操作者的触觉比较敏感,同时还增进了产品外观的装饰效果. 立体键的制作,必须在面板的设计阶段就要作好安排,备有工艺孔,以便在模具压制时有精确的定位,其立体凸起的高度一般不宜超过基材厚度的两倍。
薄膜开关、薄膜面板、薄膜键盘技术条件及检验规程1.范围本标准规定了薄膜开关、薄膜面板和薄膜键盘的技术要求、试验方法、检验规程。
本标准适用于MTCN产品所需的薄膜开关、薄膜面板和薄膜键盘。
2.引用标准下列标准所包含的条文,通过在本标准中引用而构成为本标准的条文,在标准出版时,所示版本均为有效。
所有标准都会被修订,使用本标准的各方应探讨使用下列标准最新版本的可能性。
JB/T 5405 《薄膜键盘技术条件》GB/T 2423.1 《电工电子产品基本环境试验规程试验A:低温试验方法》GB/T 2423.2 《电工电子产品基本环境试验规程试验B:高温试验方法》GB/T 2423.3 《电工电子产品基本环境试验规程试验Ca:恒定湿热试验方法》GB/T 2423.17 《电工电子产品基本环境试验规程试验Ka:盐雾试验方法》GB/T 5095 《电子设备用机电元件试验规程及试验方法》GB/T 2792 《压敏胶带180º剥离强度测定方法》3.术语、定义3.1薄膜开关由具有一定弹性的绝缘材料(PET)和导电层(银浆、碳粉)组成的一种多层结构平面型非自锁按键开关。
它包括带有导电图形(开关的触点)的弹性绝缘薄膜和保持一定行程的隔离层的元件,可以由一个或一个以上开关触点的组合。
3.2薄膜面板是一种由弹性薄膜(PC、PET、HP等)加工成的具有一定功能字符指标、按键位置(鼓膜)、透明显示窗口的装饰性面板。
3.3薄膜键盘是由薄膜开关和薄膜面板组成的整体。
薄膜键盘通常是可以直接操作。
3.4 回线电阻(导带电阻+接触电阻)薄膜开关上的某个触点接通,经过接通的触点通向引线带端部的两条引线间的电阻。
3.5 按键力使触点可靠地接通时施加给薄膜开关或薄膜键盘的操作力。
3.6外观是指对一个面板外表有明显影响的特性,一般是指产品的造型、色调、光泽、字符、图案等凭视觉观察的质量要素。
3.7一个可接受的外观标准是指在最终产品上的一个不引人注意的斑点,如果该斑点易被用户注意到,应确认该斑点缺陷是否可以被用户接受。
薄膜开关生产工艺流程英文回答:The production process of membrane switches involves several steps, including design, printing, assembly, and testing. Let me walk you through each of these steps.Firstly, the design stage is crucial in determining the layout and functionality of the membrane switch. This involves creating a digital design using specialized software, which includes the placement of graphic overlays, circuit layers, and adhesive layers. The design should be user-friendly and visually appealing.Once the design is finalized, it is sent for printing. The printing process involves transferring the design onto a flexible substrate, typically made of polyester or polycarbonate. This can be done using various printing techniques, such as screen printing or digital printing. The choice of printing technique depends on factors likethe complexity of the design and the required level of detail.After printing, the individual layers of the membrane switch are assembled together. This includes laminating the graphic overlay onto the circuit layer, and then bonding the adhesive layer onto the back of the circuit layer. The adhesive layer allows the membrane switch to be securely attached to the surface it will be used on.Once the assembly is complete, the membrane switches undergo thorough testing to ensure their functionality and durability. This includes checking for proper electrical conductivity, verifying the responsiveness of the switch, and conducting environmental tests to assess its resistance to factors like temperature and humidity.In summary, the production process of membrane switches involves design, printing, assembly, and testing. Each step is crucial in creating a high-quality and reliable product.中文回答:薄膜开关的生产过程包括设计、印刷、组装和测试等几个步骤。
薄膜开关制作流程以薄膜开关制作流程为标题,下面将介绍薄膜开关的制作过程。
第一步:设计薄膜开关的结构在制作薄膜开关之前,首先需要进行设计。
设计师会根据产品的需求和功能要求,确定薄膜开关的结构、形状和尺寸,并绘制出相应的CAD图纸。
第二步:选择薄膜材料根据设计要求,选择合适的薄膜材料作为薄膜开关的基材。
常用的薄膜材料有聚酯薄膜、聚酰亚胺薄膜和聚酰胺薄膜等。
这些薄膜材料具有良好的耐磨性、耐高温性和稳定性,非常适合用于制作薄膜开关。
第三步:薄膜开关的印刷将设计好的电路图案通过印刷技术转移到薄膜材料上。
印刷技术常用的方法有丝网印刷和柔印。
印刷完成后,薄膜材料上就形成了导电线路和电极。
第四步:制作薄膜开关的触发器触发器是薄膜开关的核心部件,用于检测和触发开关动作。
触发器一般由导电材料制成,可以是导电油墨或金属箔片。
触发器的形状和数量会根据开关的设计要求进行确定。
第五步:加工薄膜开关的外观根据产品的外观要求,对薄膜开关进行外观加工。
这包括切割、打孔、贴标签等步骤。
切割可以使用激光切割或模切机进行,打孔则可以使用激光打孔或模具进行。
第六步:组装薄膜开关将加工好的薄膜开关组装到产品中。
这包括将薄膜开关粘贴到产品的相应位置,连接导线,固定开关等。
组装时需要注意薄膜开关的位置和方向,确保其正常运作。
第七步:测试薄膜开关的性能在制作完成后,需要对薄膜开关进行性能测试。
测试包括静态测试和动态测试。
静态测试是检测开关的导通和断路情况,动态测试是模拟使用场景对开关进行反复触发,测试其稳定性和耐久性。
第八步:质量检验和包装对制作好的薄膜开关进行质量检验,确保其符合产品要求。
合格的薄膜开关经过清洁和包装后,可以出厂销售或应用到相应的产品中。
以上就是薄膜开关的制作流程。
通过设计、材料选择、印刷、加工、组装、测试和质检等一系列步骤,可以制作出功能稳定、性能可靠的薄膜开关。
薄膜开关广泛应用于各类电子产品和仪器仪表中,为人们的生活和工作提供了便利。
金属薄膜开关技术参数目前本公司电子词典的按键已大量使用金属薄膜开关,为此提供以下金属薄膜开关技术参数,为产品的结构开发提供参考:1)适用范围:相类似的金属薄膜开关。
2)工作环境:2-1。
工作温度:-20℃--50℃2-2。
工作湿度:100%RH以下2-3。
储存温度:-40℃--85℃3)产品尺寸、色品、外观要求:3-1。
尺寸:产品尺寸应在:(0~50±0.10mm,>50±0.15mm)的极限范围内,产品总高度0.3mm。
3-2。
外观:产品表面不应有划伤、折痕等机械损伤,冲切边缘应平滑。
3-3。
电阻:电阻<1000mΩ3-4。
按力:A:160±20gf;B:130±20gf(Fp-Fc)/Fp*100%>30%;探头直径¢1.57mm。
3-5。
寿命:大于50万次。
3-6。
温度循环:-40℃-85℃4)产品材料:4-1:簧片:¢4mm-¢12mm,建议使用规格:¢4mm、¢5mm。
4-2:材质:A。
不锈钢镀银 B。
不锈钢镀镍。
建议采用A方式。
metal dome 的几个问题,现作如下回复:1,形状:有带点,带环,不带点的,点向上,点向下,带三点、四点,有园型的,距型的,蜘蛛型的。
2,按压力:直径3在1.32N-1.50N之间,直径4在1.37N-1.70N之间,直径5在1.57-2.00N之间,直径6在1.70-2.5N之间。
3,寿命:50-100万次4,行程:直径3在0.12-0.15之间,直径4在0.15-0.17之间,直径5在0.18-0.20之间,直径6在0.18-0.25之间。
5,大小:直径3,4,5,6和更大。
6,材料:PET7,表面处理:镀银(时间长会硫化,变黄),镀镊(不会变黄),不镀(电阻会大)。
8,弹片厚度:55UM,60UM,进口的。
薄膜开关工艺流程
薄膜开关是一种常见的电子元器件,其制造工艺需要经过多个步骤。
本文将详细介绍薄膜开关的制造流程。
一、基板准备
1.选择基板材料:通常采用聚酯薄膜、聚碳酸酯薄膜等材料作为基板。
2.清洗基板:使用去离子水和有机溶剂对基板进行清洗,以去除表面的污垢和油污。
3.涂覆导电层:在基板上涂覆导电层,通常使用银浆或铜箔作为导电层。
二、图形化处理
1.光刻:将设计好的图形投射到涂有光敏胶的基板上,在紫外线照射下使光敏胶固化,并形成图形。
2.显影:将经过曝光的光敏胶在显影剂中进行显影,去除未曝光部分的光敏胶,露出导电层。
3.金属化处理:在露出导电层的部分进行金属化处理,通常采用镀镍或镀金等方法增加导电性能。
三、成型加工
1.冲压:使用冲床将基板上的导电层冲压成所需的形状和大小。
2.切割:使用激光或刀具将基板切割成所需的尺寸。
3.折弯:将基板按照设计要求进行折弯,形成薄膜开关的外形。
四、组装测试
1.组装:将薄膜开关与其他电子元器件进行组装,通常采用表面贴装技术。
2.测试:对组装好的薄膜开关进行测试,包括导电性能、触发力、寿命等多个方面的测试。
3.包装:对通过测试的薄膜开关进行包装,并标注相关信息,如型号、规格等。
以上就是薄膜开关制造流程的详细介绍。
在实际生产中,每个步骤都需要严格控制和检验,以确保产品质量和性能。
薄膜开关工艺流程引言薄膜开关是一种常见的电子元件,广泛应用于电子设备中。
它具有薄、轻、柔、小、耐腐蚀、密封性好等诸多优点,因此在诸多领域得到了广泛的应用。
本文将详细介绍薄膜开关的工艺流程,包括原材料准备、图形制作、薄膜加工、测试和封装等环节。
原材料准备制作薄膜开关的基础材料主要包括聚酯薄膜、铜箔、导电浆料等。
在工艺流程开始之前,需要对这些原材料进行准备。
1.聚酯薄膜的选择:聚酯薄膜是薄膜开关的基底材料,需选择具有良好物理性能和电学性能的聚酯薄膜。
2.铜箔的准备:铜箔用于导电层的制作,其厚度通常在10-35μm之间。
在准备过程中,需要对铜箔进行清洗和涂覆等处理,以确保其表面的光洁度和导电性能。
3.导电浆料的准备:导电浆料是用于形成导电图案的重要材料,通常由粉末状的导电物质和有机溶剂等组成。
在准备过程中,需要确保导电浆料的质量和稳定性。
图形制作薄膜开关的图形通常通过光刻工艺制作,这需要准备光刻胶和光罩等材料。
1.光刻胶的涂布:在聚酯薄膜的表面涂布光刻胶,形成一层均匀的胶层。
光刻胶可以保护薄膜表面,并在后续步骤中起到遮光的作用。
2.光罩的制作:将设计好的图形转化为光罩,其中光罩是一种透明的玻璃板,上面包含了图形的特定区域。
光罩的制作通常使用光刻曝光和蚀刻的方法进行。
3.光刻曝光:将光罩置于光刻机中,通过光刻机的照射,将图形的图案投射到涂有光刻胶的聚酯薄膜表面。
4.蚀刻:将经过光刻曝光的聚酯薄膜进行蚀刻,以去除未被光刻胶保护的区域。
蚀刻可以使用化学蚀刻或物理蚀刻等方法进行。
薄膜加工薄膜加工是薄膜开关制作的关键环节,包括导电层的制作、绝缘层的覆盖和阻焊层的加工等步骤。
1.导电层的制作:将导电浆料通过印刷工艺涂在聚酯薄膜表面,形成导电膜图案。
导电层的制作需控制好涂布的精度和厚度,以确保导电膜的导电性能和稳定性。
2.绝缘层的覆盖:在导电层的表面覆盖一层绝缘层,以提供绝缘和保护导电层的功能。
绝缘层的制作可以通过印刷、喷涂等方法进行,需要注意覆盖的均匀性和厚度的控制。
薄膜开关的质量标准及电路设计在薄膜开关的生产实践中,薄膜开关产品中的耐压、绝缘电阻等电性能指标及面板层油墨颜色(彩色、专色)复制中的数值指标(色容差)的确立原则、测试方法等。
本文所表达的质量管理思想对电子/丝网印刷类产品的技术标准的制定、修订及标准化工作极具建设性。
一、质量标准及标准化工作的重要性随着世界经济的发展,“质量第一”已成为国际工商界的共同信念,大力开展质量管理的研究和实践已成为各国企业在竞争中取胜的主要手段。
在包括丝网印刷行业在内的国内各企业,随着社会主义市场经济体制的建立和逐步完善,“质量是企业的生命”这一理念已为企业界所认同。
谈到质量和质量管理,当然就离不开标准和标准化。
所谓“标准”是评价和衡量产品质量或服务质量(还有工作质量、工序质量等)的一个尺度,是企业进行产品质量设计和产品质量管理的依据。
没有各类标准,就无从进行管理;而所谓“标准化”,按国际标准化组织(ISO)给它下的定义则是:指为了所有有关方面的利益,特别是为了促进最佳的全面经济并适当考虑到产品使用条件与安全要求,在所有有关方面的协作下,进行有秩序的特定活动所制订并实施各项规则的过程。
标准化以科学、技术与实验的综合成果为根据,它不仅奠定当前的基础,而且不决定了将来的发展,它始终和发展的步伐相一致。
标准化工作的进行,包括技术标准化以及其它标准的贯彻,也需要在企业的质量管理过程中实施。
在这个过程中,标准和标准化工作经过实际工作的检验,从中汲取营养,不断得到发展,从而获得强大的生命力。
质量管理的过程,也就是标准化的过程,同时标准化也在推行质量管理中得以充分发挥作用。
二、薄膜开关电路的设计作为工艺制作的指导文件,就应力求设计中的矩阵,薄膜开关能与实际中的键位趋于一致。
这可减化制作时的重新排线的麻烦;同时也有利于检验,避免差错。
最好的表达方法是在画线路图时,直接就把各键的功能内容标注在矩阵中,薄膜开关且与键的实际位置一致,再将各引线按自左向右的顺序编号,这样一目了然,无须再列接线关系表。
薄膜开关流水线作业流程下载温馨提示:该文档是我店铺精心编制而成,希望大家下载以后,能够帮助大家解决实际的问题。
文档下载后可定制随意修改,请根据实际需要进行相应的调整和使用,谢谢!并且,本店铺为大家提供各种各样类型的实用资料,如教育随笔、日记赏析、句子摘抄、古诗大全、经典美文、话题作文、工作总结、词语解析、文案摘录、其他资料等等,如想了解不同资料格式和写法,敬请关注!Download tips: This document is carefully compiled by theeditor.I hope that after you download them,they can help yousolve practical problems. The document can be customized andmodified after downloading,please adjust and use it according toactual needs, thank you!In addition, our shop provides you with various types ofpractical materials,such as educational essays, diaryappreciation,sentence excerpts,ancient poems,classic articles,topic composition,work summary,word parsing,copy excerpts,other materials and so on,want to know different data formats andwriting methods,please pay attention!薄膜开关流水线作业流程详解薄膜开关,作为现代电子设备中常见的人机交互界面,其生产过程需要严谨的流水线作业以保证产品质量和效率。
薄膜开关制造工艺流程
一、概述
薄膜开关是一种微型化、高可靠性的电子元件,广泛应用于电子产品中。
其制造工艺流程主要包括:基板准备、薄膜材料沉积、光刻图形形成、金属沉积、刻蚀、清洗等步骤。
二、基板准备
1. 选择合适的基板材料,如玻璃或硅片。
2. 清洗基板表面,去除污垢和杂质。
3. 对基板进行化学处理,如氧化或硝酸处理,以增强其表面的粘附性和平整度。
三、薄膜材料沉积
1. 选择合适的薄膜材料,如氧化锌或聚合物。
2. 将薄膜材料通过物理或化学方法沉积在基板表面上。
3. 控制沉积厚度和均匀性,以确保后续加工步骤的成功。
四、光刻图形形成
1. 在已经沉积好的薄膜表面上涂覆一层光刻胶。
2. 利用掩模将光线照射到光刻胶上,形成所需的图形。
3. 通过化学处理将未曝光的光刻胶去除,留下所需的图形。
五、金属沉积
1. 在已经形成好的图形上沉积金属,如铜或铝。
2. 控制沉积厚度和均匀性,以确保后续加工步骤的成功。
六、刻蚀
1. 利用化学或物理方法将未被金属覆盖的区域进行刻蚀,以形成开关电极和导线。
2. 控制刻蚀深度和均匀性,以确保后续加工步骤的成功。
七、清洗
1. 将制造好的薄膜开关进行清洗,去除残留物和杂质。
2. 确保清洗过程不会损伤已经制造好的部件。
八、总结
以上就是薄膜开关制造工艺流程的详细介绍。
这个流程需要精细、耐心和专业技术才能完成。
在实际应用中,还需要根据具体产品要求进行调整和优化。
薄膜开关生产工艺流程
1. 设计与制版:
根据客户需求和产品功能进行设计,确定开关的尺寸、布局、颜色及图案等,并制作相应的菲林或数字印刷文件。
2. 材料准备:
准备所需的各类薄膜材料,如PET(聚对苯二甲酸乙二醇酯)、PC(聚碳酸酯)或其他特种薄膜作为基材,以及覆盖层、导电银浆、绝缘油墨、粘合剂等其他辅助材料。
3. 印刷工序:
①印刷面板:首先在底层薄膜上印刷背景图案、文字标识等信息。
②印刷线路层:在另一层薄膜上使用导电银浆或碳浆通过丝网印刷工艺印制电路触点。
③防尘膜或隔离层:如果需要,还可以增加一层防尘膜或隔离层,并在其上打印图标或符号。
4. 干固处理:
印刷好的各层材料需要经过干燥箱或隧道炉进行充分固化,确保油墨、银浆等材料彻底干燥并牢固附着在薄膜上。
5. 层压复合:
将已印刷好且已经干固的各种薄膜按照功能顺序进行精确对位,然后在无尘环境中通过热压机进行层压复合,形成多层结构的薄膜开关组件。
6. 模切成型:
使用高精度的激光切割机或模具冲床将复合好的薄膜材料裁剪成最终产品的形状和尺寸,同时形成按键部位的触感凸起或凹陷。
7. 装配连接:
如果有需要,将薄膜开关与其他电子元件如电路板、电线等进行连接,可以采用焊接、热压接线片等方式。
8. 质量检测:
对生产出来的薄膜开关进行电气性能测试、外观检查、手感检验等一系列质量控制程序,确保每个开关均符合技术标准和客户要求。
9. 包装入库:
经过严格检测合格的薄膜开关,按规格数量进行包装,并妥善存放于仓库中等待发货。
薄膜开关生产工艺流程
薄膜开关是一种常见的电子元件,它具有构造简单、易于制造、使用寿命长、响应速度快等优点,广泛应用于家用电器、工业设备、汽车电子等领域。
下面将介绍薄膜开关的生产工艺流程。
一、原材料准备
薄膜开关的主要原材料包括导电材料、绝缘材料、支撑材料等。
根据产品设计要求,准备好适量的各种材料,确保质量符合要求。
二、根据设计要求制作版图
根据薄膜开关的设计要求,制作相应的版图。
版图包括电路图、导电图案、绝缘图案等,需要使用CAD软件进行设计,并进行打样确认。
三、切割导电材料
根据设计的导电图案,使用激光切割或化学腐蚀等技术,将导电材料切割成所需形状,确保导电、导热性能符合要求。
四、印刷绝缘材料
将绝缘材料印刷在导电材料上,形成绝缘层,避免导电材料之间短路。
印刷技术需要保证绝缘层的厚度均匀、质量良好。
五、粘贴支撑材料
将支撑材料粘贴在绝缘层上,增强薄膜开关的结构强度和稳定性。
支撑材料选用柔软、耐磨、耐高温的材料,确保产品的使用寿命。
六、组装检测
将制作好的各部件按照设计要求组装在一起,进行电气连接和外观整理。
然后进行功能
测试、外观检查等工序,确保产品质量合格。
七、包装发货
将通过检测合格的薄膜开关进行清洁、包装,然后装箱发货。
在包装过程中要避免产品受到损坏,确保产品的完整性。
以上就是薄膜开关的生产工艺流程,通过精心设计、精细加工和严格检测,可以生产出符合要求的高质量薄膜开关产品。
在实际生产中,还需要根据具体产品的要求和工艺特点进行一些细节的调整和改进,以确保生产效率和产品质量的提升。
薄膜开关、薄膜面板、薄膜键盘技术条件及检验规程1.范围本标准规定了薄膜开关、薄膜面板和薄膜键盘的技术要求、试验方法、检验规程。
本标准适用于MTCN产品所需的薄膜开关、薄膜面板和薄膜键盘。
2.引用标准下列标准所包含的条文,通过在本标准中引用而构成为本标准的条文,在标准出版时,所示版本均为有效。
所有标准都会被修订,使用本标准的各方应探讨使用下列标准最新版本的可能性。
JB/T 5405 《薄膜键盘技术条件》GB/T 2423.1 《电工电子产品基本环境试验规程试验A:低温试验方法》GB/T 2423.2 《电工电子产品基本环境试验规程试验B:高温试验方法》GB/T 2423.3 《电工电子产品基本环境试验规程试验Ca:恒定湿热试验方法》GB/T 2423.17 《电工电子产品基本环境试验规程试验Ka:盐雾试验方法》GB/T 5095 《电子设备用机电元件试验规程及试验方法》GB/T 2792 《压敏胶带180º剥离强度测定方法》3.术语、定义3.1薄膜开关由具有一定弹性的绝缘材料(PET)和导电层(银浆、碳粉)组成的一种多层结构平面型非自锁按键开关。
它包括带有导电图形(开关的触点)的弹性绝缘薄膜和保持一定行程的隔离层的元件,可以由一个或一个以上开关触点的组合。
3.2薄膜面板是一种由弹性薄膜(PC、PET、HP等)加工成的具有一定功能字符指标、按键位置(鼓膜)、透明显示窗口的装饰性面板。
3.3薄膜键盘是由薄膜开关和薄膜面板组成的整体。
薄膜键盘通常是可以直接操作。
3.4 回线电阻(导带电阻+接触电阻)薄膜开关上的某个触点接通,经过接通的触点通向引线带端部的两条引线间的电阻。
3.5 按键力使触点可靠地接通时施加给薄膜开关或薄膜键盘的操作力。
3.6外观是指对一个面板外表有明显影响的特性,一般是指产品的造型、色调、光泽、字符、图案等凭视觉观察的质量要素。
3.7一个可接受的外观标准是指在最终产品上的一个不引人注意的斑点,如果该斑点易被用户注意到,应确认该斑点缺陷是否可以被用户接受。
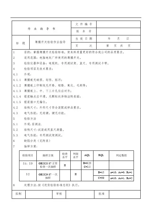
薄膜开关生产作业标准
1.目的:依据市场策略、公司政策、客户需求等因素,为预防影响质量之变异点发生,并加以控
制,以降低成本,并维持产品质量在一定的水平,特制定本作业标准。
2.适用范围
2.1.本标准适用在厂内生产薄膜开关的各生产加工过程,即从原料、印刷、成型、加工、组装至
成品的整个制造过程。
2.2.包括:试生产、首件确认、生产、IPQC检验、成品检验、出货抽验、包装、打单出货
2.3.不包括:生产排期作业、质量异常处理作业、成品仓储作业、原物料及半成品仓储作业
3.流程图:
4.作业内容
4.1.试生产:
4.1.1.产品开始量产前与异常状况处理后,需核对接到订单,并依据各制作过程的作业标准进行
试生产作业。
4.2.首件确认:
4.2.1.生产人员将试作中的5件产品送交IPQC、合格首件人员检验,并将结果纪录在
首件检查表。
4.2.2.印刷检查项目:1.原材料规格核对。
2. 原材料与生产单上的客户料号、生产周期、机种
核对。
3.印件内容。
4.烘烤条件(IR温度、输送带速度、烤箱温度时间、UV能量)。
5.外观检验(依线路、面板外观标准)。
6.电阻测量(主线路、地线线路)。
7.附着性。
8.面板颜色核对。
9.面板遮蔽性。
4.2.3.组合检查项目:1.加强片、贴头、贴条之材料规格。
2.贴合方式、位置质量检验。
3.确认冲
孔机是否正常。
4.冲孔质量检验。
5.冲孔尺寸与标准核对。
6.测试治具探针的检测。
7.熔接位置/质量确认。
8.KEY/PIN偏差核对。
9.机构孔/同心圆核对。
10.线路、面板隔片材料规格。
11.外观。
4.2.4.成型检查项目:1.模具与机种核对。
2.成形片与样品核对。
3.KEY/PIN偏差核对。
4.隔片孔
毛边检验。
4.2.
5.面板组检查项目:1.面板材料、隔片、背胶、材料规格。
2.面板遮蔽性测试。
3.接线端(公
PIN或母PIN)。
4.平整度。
4.3.生产:
4.3.1.首件经确认OK合格后,方可开始量产。
4.3.2.因生产方式的不同依据各制作过程的作业标准进行作业,生产完成后将相关信息记录。
4.3.3.自主检查:1.作业员除按操作标准外,并须作自主检查。
2.待验品与合格品应分开存放。
3.不良品与报废品亦应和良品分开,不良数应相应记录。
4.4.IPQC检验:
4.4.1.生产过程中由IPQC人员进行工艺管制,将检验结果纪录。
4.4.2.IPQC人员依据抽样计划标准执行抽样检验。
4.4.3.备料检查项目:1.原材料的外观检验。
2.规格确认、尺寸厚度测量。
3.预缩条件
查核。
4.4.4.印刷检查项目:1.备料检验。
2.产品外观检验。
3.电阻、绝缘检测。
4.图纹对准核对。
5.
客户料号、机种编号、周期、贴头线、贴条线、裁切线、十字准心核对。
6.面板颜色、外观、遮蔽性检验。
7.油墨附着性检验。
4.4.
5.组合检查项目:
4.4.
5.1.冲贴:1.贴头、贴条、加强片规格核对。
2.贴合位置、方式核对。
3.冲孔对准度核对。
4.粘贴质量检验。
4.4.
5.2.电测:
4.4.
5.2.1.阻抗测试机:1.与标准板核对。
2.探针检测。
3.机种基本数据检验。
4.外观检验(依
外观检验标准)。
4.4.
5.2.2.手动测试机:1.确认设定数据。
2.治具探针检测。
3.外观检验(依外观检验标准)。
4.4.
5.3.组配的检查项目:1.熔接位置、点数检查。
2.熔接效果检查。
3.机构孔同心圆检查。
4.KEY
偏差检测。
5.出PIN偏差检测。
6.外观检查。
7.组配程序核对。
8.配件完整性核对。
9.
颜色核对。
10.遮蔽性检查。
11.各配件规格核对。
4.4.
5.4.成型检查项目:1.模具与机种核对。
2.成形片与样品核对。
3.隔片、线路毛边(机构孔、
四外围)。
4.线路、KEY、PIN对准度核对。
5.出PIN端偏差核对。
6.外观检查。
4.5.成品检验
4.5.1.FQC人员在接到订单及生产单位送过来的产品后,依据【附件一】面版外观检验标准、【附
件二】线路外观检验标准、【附件三】窗口外观检验标准进行检验。
4.5.2.若检验不合格则依据质量异常处理进行处理。
4.6.出货抽验
4.6.1.OQC每天于产品入库前,按出货抽验作业标准进行抽验作业。
4.6.2.依据【附件一】面版外观检验标准、【附件二】线路外观检验标准、【附件三】窗口外观检
验标准进行检验,若抽样检验判定结果不合格,则依据质量异常处理作业标准进行处理。
4.7.包装
4.7.1.出货抽验合格后,成品包装人员进行包装作业。
4.7.2.包装完成后如是半成品则直接转资材仓。
4.8.打单出货
4.8.1.如是成品则由专人进行作业后转成品仓。
4.9.品质异常:质量异常系指在生产中,由作业人员自主检查或巡回品管所发现的质量异常,
其处理流程按质量异常处理作业标准。
4.10.制作过程移转:除印刷移转组合时实施全检,其余制作过程间的移转,皆按作业人员自主检
查为主,无异常方可移至下一制程;如有异常则由原生产组进行选别。
5.附件:
5.1.【附件一】面版外观检验标准
5.2.【附件二】线路外观检验标准
5.3.【附件三】窗口外观检验标准
附件一面板外观检验标准
附件二线路外观检验标准
附表三窗口外观检验标准适用:1.亮面原材料。