2017版煤矿安全生产标准化基本要求及评分方法-安全风险分级管控
- 格式:docx
- 大小:20.69 KB
- 文档页数:5
煤矿安全生产质量标准化基本要求及评分方法(征求意见稿)第1部分总则一、基本条件安全生产标准化煤矿应具备以下基本条件:1.证照(采矿许可证、安全生产许可证、矿长安全生产知识和管理能力考核合格证、营业执照)齐全有效,依法开采;2.正常连续生产(连续停产不超过3个月);3.建立健全煤矿安全生产责任制;4.设置安全生产管理机构,配置满足工作需要的人员及装备;5.建立安全生产标准化责任体系,制定并执行安全生产标准化考核评比及奖惩制度(办法),按规定正常开展安全生产标准化自查考评工作。
二、等级设定和评定程序1.煤矿安全生产标准化等级分为一级、二级、三级。
一级为最高级,三级是煤矿组织生产所应达到的最低标准。
2.煤矿安全生产标准化考核评级,按照企业自评申报、现场考核、公示监督、公告认定的程序进行。
三、工作要求1.建立和保持煤矿是创建并持续保持标准化标准的责任主体。
应通过实施风险分级管控和事故隐患排查治理、规范行为、控制质量、提高装备和管理水平、强化培训,落实安全生产标准化标准,使煤矿达到并保持安全生产标准化等级,保障安全生产。
2.目标与计划制定安全生产标准化创建年度计划,并分解到相关部门严格执行和考核。
3.组织机构与职责有负责安全生产标准化工作的机构,各单位、部门和人员的安全生产标准化工作职责明确。
4.安全生产标准化投入安全生产标准化经费有保障,改进和完善安全生产条件。
5.技术保障健全技术管理体系,完善工作制度,开展技术创新;作业规程、操作规程及安全技术措施编制符合要求,审批手续完备,贯彻执行到位。
6.现场管理和过程控制加强各生产环节的过程管控和现场管理,定期开展安全生产标准化达标自检工作。
7.持续改善在取得安全生产标准化等级的基础上,有目的、有计划的持续改进工艺技术、设备设施、管理措施,规范员工安全行为,进一步改善安全生产条件,使煤矿持续保持并提高安全生产标准化水平,建立安全生产标准化长效机制。
四、煤矿安全生产标准化体系1.井工煤矿(1)安全风险分级管控。
附件2煤矿安全生产标准化基本要求及评分方法(试行)第1部分总则一、基本条件安全生产标准化达标煤矿应具备以下基本条件:1.采矿许可证、安全生产许可证、营业执照齐全有效;2.矿长、副矿长、总工程师、副总工程师(技术负责人)在规定的时间内参加由煤矿安全监管部门组织的安全生产知识和管理能力考核,并取得考核合格证;3.不存在各部分所列举的重大事故隐患;4.建立矿长安全生产承诺制度,矿长每年向全体职工公开承诺,牢固树立安全生产“红线意识”,及时消除事故隐患,保证安全投入,持续保持煤矿安全生产条件,保护矿工生命安全。
二、等级设定煤矿安全生产标准化等级分为一级、二级、三级。
一级为最高级。
三、工作要求1.建立和保持煤矿是创建并持续保持标准化动态达标的责任主体。
应通过实施安全风险分级管控和事故隐患排查治理、规范行为、控制质量、提高装备和管理水平、强化培训,使煤矿达到并持续保持安全生产标准化等级标准,保障安全生产。
2.目标与计划制定安全生产标准化创建年度计划,并分解到相关部门严格执行和考核。
3.组织机构与职责有负责安全生产标准化工作的机构,各单位、部门和人员的安全生产标准化工作职责明确。
4.安全生产标准化投入保障安全生产标准化经费,持续改进和完善安全生产条件。
5.技术保障健全技术管理体系,完善工作制度,开展技术创新;作业规程、操作规程及安全技术措施编制符合要求,审批手续完备,贯彻执行到位。
6.现场管理和过程控制加强各生产环节的过程管控和现场管理,定期开展安全生产标准化达标自检工作。
7.持续改善煤矿取得的安全生产标准化等级,是煤矿安全生产标准化工作主管部门在考核定级时,对煤矿安全生产标准化工作现状的测评,是对煤矿执行《安全生产法》等相关规定组织开展安全生产标准化建设情况的考核认定。
取得等级的煤矿应在取得的等级基础上,有目的、有计划地持续改进工艺技术、设备设施、管理措施,规范员工安全行为,进一步改善安全生产条件,使煤矿持续保持考核定级时的安全生产条件,并不断提高安全生产标准化水平,建立安全生产标准化长效机制。
煤矿安全生产标准化基本要求及评分方法(2017版)煤矿安全生产标准化基本要求及评分方法(2017版)第1部分总则一、基本条件安全生产标准化达标煤矿应具备以下基本条件:1.采矿许可证、安全生产许可证、营业执照齐全有效;2.矿长、副矿长、总工程师、副总工程师(技术负责人)在规定的时间内参加由煤矿安全监管部门组织的安全生产知识和管理能力考核,并取得考核合格证;3.不存在各部分所列举的重大事故隐患;4.建立矿长安全生产承诺制度,矿长每年向全体职工公开承诺,牢固树立安全生产“红线意识”,及时消除事故隐患,保证安全投入,持续保持煤矿安全生产条件,保护矿工生命安全。
二、等级设定煤矿安全生产标准化等级分为一级、二级、三级。
一级为最高级。
三、工作要求1.建立和保持煤矿是创建并持续保持标准化动态达标的责任主体。
应通过实施安全风险分级管控和事故隐患排查治理、规范行为、控制质量、提高装备和管理水平、强化培训,使煤矿达到并持续保持安全生产标准化等级标准,保障安全生产。
2.目标与计划制定安全生产标准化创建年度计划,并分解到相关部门严格执行和考核。
3.组织机构与职责有负责安全生产标准化工作的机构,各单位、部门和人员的安全生产标准化工作职责明确。
4.安全生产标准化投入保障安全生产标准化经费,持续改进和完善安全生产条件。
5.技术保障健全技术管理体系,完善工作制度,开展技术创新;作业规程、操作规程及安全技术措施编制符合要求,审批手续完备,贯彻执行到位。
6.现场管理和过程控制加强各生产环节的过程管控和现场管理,定期开展安全生产标准化达标自检工作。
7.持续改善煤矿取得的安全生产标准化等级,是煤矿安全生产标准化工作主管部门在考核定级时,对煤矿安全生产标准化工作现状的测评,是对煤矿执行《安全生产法》等相关规定组织开展安全生产标准化建设情况的考核认定。
取得等级的煤矿应在取得的等级基础上,有目的、有计划地持续改进工艺技术、设备设施、管理措施,规范员工安全行为,进一步改善安全生产条件,使煤矿持续保持考核定级时的安全生产条件,并不断提高安全生产标准化水平,建立安全生产标准化长效机制。
附件2煤矿安全生产标准化基本要求及评分方法(试行)第1部分总则一、基本条件安全生产标准化达标煤矿应具备以下基本条件:1。
采矿许可证、安全生产许可证、营业执照齐全有效;2。
矿长、副矿长、总工程师、副总工程师(技术负责人)在规定的时间内参加由煤矿安全监管部门组织的安全生产知识和管理能力考核,并取得考核合格证;3。
不存在各部分所列举的重大事故隐患;4.建立矿长安全生产承诺制度,矿长每年向全体职工公开承诺,牢固树立安全生产“红线意识”,及时消除事故隐患,保证安全投入,持续保持煤矿安全生产条件,保护矿工生命安全。
二、等级设定煤矿安全生产标准化等级分为一级、二级、三级。
一级为最高级。
三、工作要求1。
建立和保持煤矿是创建并持续保持标准化动态达标的责任主体。
应通过实施安全风险分级管控和事故隐患排查治理、规范行为、控制质量、提高装备和管理水平、强化培训,使煤矿达到并持续保持安全生产标准化等级标准,保障安全生产。
2.目标与计划制定安全生产标准化创建年度计划,并分解到相关部门严格执行和考核。
3.组织机构与职责有负责安全生产标准化工作的机构,各单位、部门和人员的安全生产标准化工作职责明确。
4。
安全生产标准化投入保障安全生产标准化经费,持续改进和完善安全生产条件.5.技术保障健全技术管理体系,完善工作制度,开展技术创新;作业规程、操作规程及安全技术措施编制符合要求,审批手续完备,贯彻执行到位。
6。
现场管理和过程控制加强各生产环节的过程管控和现场管理,定期开展安全生产标准化达标自检工作。
7。
持续改善煤矿取得的安全生产标准化等级,是煤矿安全生产标准化工作主管部门在考核定级时,对煤矿安全生产标准化工作现状的测评,是对煤矿执行《安全生产法》等相关规定组织开展安全生产标准化建设情况的考核认定。
取得等级的煤矿应在取得的等级基础上,有目的、有计划地持续改进工艺技术、设备设施、管理措施,规范员工安全行为,进一步改善安全生产条件,使煤矿持续保持考核定级时的安全生产条件,并不断提高安全生产标准化水平,建立安全生产标准化长效机制。
附件2煤矿安全生产标准化基本要求及评分方法(试行)第1部分总则一、基本条件安全生产标准化达标煤矿应具备以下基本条件:1.采矿许可证、安全生产许可证、营业执照齐全有效;2.矿长、副矿长、总工程师、副总工程师(技术负责人)在规定的时间内参加由煤矿安全监管部门组织的安全生产知识和管理能力考核,并取得考核合格证;3.不存在各部分所列举的重大事故隐患;4.建立矿长安全生产承诺制度,矿长每年向全体职工公开承诺,牢固树立安全生产“红线意识”,及时消除事故隐患,保证安全投入,持续保持煤矿安全生产条件,保护矿工生命安全。
二、等级设定煤矿安全生产标准化等级分为一级、二级、三级。
一级为最高级。
三、工作要求1.建立和保持煤矿是创建并持续保持标准化动态达标的责任主体。
应通过实施安全风险分级管控和事故隐患排查治理、规范行为、控制质量、提高装备和管理水平、强化培训,使煤矿达到并持续保持安全生产标准化等级标准,保障安全生产。
2.目标与计划制定安全生产标准化创建年度计划,并分解到相关部门严格执行和考核。
3.组织机构与职责有负责安全生产标准化工作的机构,各单位、部门和人员的安全生产标准化工作职责明确。
4.安全生产标准化投入保障安全生产标准化经费,持续改进和完善安全生产条件。
5.技术保障健全技术管理体系,完善工作制度,开展技术创新;作业规程、操作规程及安全技术措施编制符合要求,审批手续完备,贯彻执行到位。
6.现场管理和过程控制加强各生产环节的过程管控和现场管理,定期开展安全生产标准化达标自检工作。
7.持续改善煤矿取得的安全生产标准化等级,是煤矿安全生产标准化工作主管部门在考核定级时,对煤矿安全生产标准化工作现状的测评,是对煤矿执行《安全生产法》等相关规定组织开展安全生产标准化建设情况的考核认定。
取得等级的煤矿应在取得的等级基础上,有目的、有计划地持续改进工艺技术、设备设施、管理措施,规范员工安全行为,进一步改善安全生产条件,使煤矿持续保持考核定级时的安全生产条件,并不断提高安全生产标准化水平,建立安全生产标准化长效机制。
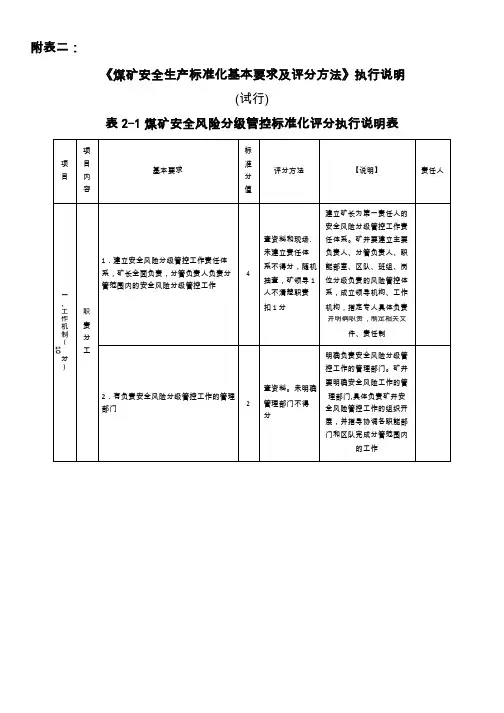
附表二:《煤矿安全生产标准化基本要求及评分方法》执行说明(试行)表2-1煤矿安全风险分级管控标准化评分执行说明表项目项目内容基本要求标准分值评分方法【说明】责任人一、工作机制(10分)职责分工1.建立安全风险分级管控工作责任体系,矿长全面负责,分管负责人负责分管范围内的安全风险分级管控工作4查资料和现场。
未建立责任体系不得分,随机抽查,矿领导1人不清楚职责扣1分建立矿长为第一责任人的安全风险分级管控工作责任体系。
矿井要建立主要负责人、分管负责人、职能部室、区队、班组、岗位分级负责的风险管控体系,成立领导机构、工作机构,指定专人具体负责并明确职责,制定相关文件、责任制2.有负责安全风险分级管控工作的管理部门2查资料。
未明确管理部门不得分明确负责安全风险分级管控工作的管理部门。
矿井要明确安全风险工作的管理部门,具体负责矿井安全风险管控工作的组织开展,并指导协调各职能部门和区队完成分管范围内的工作容值制度建设建立安全风险分级管控工作制度,明确安全风险的辨识范围、方法和安全风险的辨识、评估、管控工作流程4查资料。
未建立制度不得分,辨识范围、方法或工作流程1处不明确扣2分煤矿应完整保存体现风险管控过程的记录资料,并分类建档。
至少应包括风险管控制度、风险点台账、危险源辨识与风险评价表,以及风险分级管控清单等内容的文件化成果;涉及重大风险时,其辨识、评价过程记录,风险控制措施及其实施和改进记录等,应单独建档管理。
煤矿安全风险分级管控工作制度,应明确安全风险的辨识范围、方法和安全风险的辨识、评估、管控工作流程二、安全风险辨识评估(40分)年度辨识评估每年底矿长组织各分管负责人和相关业务科室、区队进行年度安全风险辨识,重点对井工煤矿瓦斯、水、火、煤尘、顶板、冲击地压及提升运输系统,露天煤矿边坡、爆破、机电运输等容易导致群死群伤事故的危险因素开展安全风险辨识;及时编制年度安全风险辨识评估报告,建立可能引发重特大事故的重大安全风险清单,并制定相应的管控措施;将辨识评估结果应用于确定下一年度安全生产工作重点,并指导和完善下一年度生产计划、灾害预防和处理计划、应急救援预案10查资料。
煤矿安全生产标准化基本要求及评分方法(最新版)(试行)第1部分总则一、基本条件安全生产标准化达标煤矿应具备以下基本条件:1.采矿许可证、安全生产许可证、营业执照齐全有效;2.矿长、副矿长、总工程师、副总工程师(技术负责人)在规定的时间内参加由煤矿安全监管部门组织的安全生产知识和管理能力考核,并取得考核合格证;3.不存在各部分所列举的重大事故隐患;4.建立矿长安全生产承诺制度,矿长每年向全体职工公开承诺,牢固树立安全生产“红线意识”,及时消除事故隐患,保证安全投入,持续保持煤矿安全生产条件,保护矿工生命安全。
二、等级设定煤矿安全生产标准化等级分为一级、二级、三级。
一级为最高级。
三、工作要求1.建立和保持煤矿是创建并持续保持标准化动态达标的责任主体。
应通过实施安全风险分级管控和事故隐患排查治理、规X行为、控制质量、提高装备和管理水平、强化培训,使煤矿达到并持续保持安全生产标准化等级标准,保障安全生产。
2.目标与计划制定安全生产标准化创建年度计划,并分解到相关部门严格执行和考核。
3.组织机构与职责有负责安全生产标准化工作的机构,各单位、部门和人员的安全生产标准化工作职责明确。
4.安全生产标准化投入保障安全生产标准化经费,持续改进和完善安全生产条件。
5.技术保障健全技术管理体系,完善工作制度,开展技术创新;作业规程、操作规程及安全技术措施编制符合要求,审批手续完备,贯彻执行到位。
6.现场管理和过程控制加强各生产环节的过程管控和现场管理,定期开展安全生产标准化达标自检工作。
7.持续改善煤矿取得的安全生产标准化等级,是煤矿安全生产标准化工作主管部门在考核定级时,对煤矿安全生产标准化工作现状的测评,是对煤矿执行《安全生产法》等相关规定组织开展安全生产1 / 132标准化建设情况的考核认定。
取得等级的煤矿应在取得的等级基础上,有目的、有计划地持续改进工艺技术、设备设施、管理措施,规X员工安全行为,进一步改善安全生产条件,使煤矿持续保持考核定级时的安全生产条件,并不断提高安全生产标准化水平,建立安全生产标准化长效机制。
附表二:《煤矿安全生产标准化基本要求及评分方法》执行说明(试行)表2-1煤矿安全风险分级管控标准化评分执行说明表表3—1煤矿事故隐患排查治理标准化评分执行说明表三、事故隐患治理(25分)1、事故隐患治理必须做到1.事故隐患治理符合责任、措施、资金、查资料和现场。
责任落实、措施落实、资2不符合要求不金落实、时限落实、预案时限、预案“五落实"要求得分落实,五落实记录;2、现场核查查资料和现场。
组织者不符合1、重大事故隐患专项治理2.重大事故隐患由矿长组织制定专项治要求或未按方方案;2、重大事故隐患专理方案,并组织实施;治理方案按规定及6案组织实施不项治理方案上报记录;3、时上报得分,治理方案重大事故隐患专项治理方分未及时上报扣 2案实施记录;4、现场核查级分治查资料和现场。
1、不能立即治理完成的事理3.不能立即治理完成的事故隐患,由治组织者不符合故隐患清单;2、治理责任理责任单位(部门)主要责任人按照治理4要求或未按方单位(部门)主要责任人方案组织实施案组织实施不按照治理方案组织实施治得分理记录;3、现场核查查资料和现场。
当班未采取措1、能够立即治理完成的事施或未及时治4.能够立即治理完成的事故隐患,当班故隐患清单;2、当班及时5理不得分,不做采取措施,及时治理消除,并做好记录治理措施;3、及时消除治记录扣 3 分,记理工作记录;4、现场核查录不全 1 处扣0。
5 分1.事故隐患治理有安全技术措施,并落查资料和现场。
1、事故隐患治理安全技术4没有措施、措施措施;2、安全技术措施落实到位不落实不得分实工作记录;3、现场核查安查资料和现场。
全1、治理过程危险性较大的措现场没有专人2.对治理过程危险性较大的事故隐患,事故隐患清单;2、治理安施指挥不得分、未治理过程中现场有专人指挥,并设置警示4全技术措施;3、治理记录:设置警示标识标识;安检员现场监督有现场专人指挥和安检员扣 1 分、没有安监督;4、现场核查检员监督扣 1 分表4—1煤矿通风标准化评分表项目准基本要求评分方法【说明】.责任人目 内分容值1.风桥两端接口严密,四周为实帮、实查现场。
17版《煤矿安全生产标准化基本要求及评分方法》煤矿安全生产标准化差不多要求及评分方法(试行)第1部分总则一、差不多条件安全生产标准化达标煤矿应具备以下差不多条件:1.采矿许可证、安全生产许可证、营业执照齐全有效;2.矿长、副矿长、总工程师、副总工程师(技术负责人)在规定的时刻内参加由煤矿安全监管部门组织的安全生产知识和治理能力考核,并取得考核合格证;3.不存在各部分所列举的重大事故隐患;4.建立矿长安全生产承诺制度,矿长每年向全体职工公布承诺,牢固树立安全生产“红线意识”,及时排除事故隐患,保证安全投入,连续保持煤矿安全生产条件,爱护矿工生命安全。
二、等级设定煤矿安全生产标准化等级分为一级、二级、三级。
一级为最高级。
三、工作要求1.建立和保持煤矿是创建并连续保持标准化动态达标的责任主体。
应通过实施安全风险分级管控和事故隐患排查治理、规范行为、操纵质量、提升装备和治理水平、强化培训,使煤矿达到并连续保持安全生产标准化等级标准,保证安全生产。
2.目标与打算制定安全生产标准化创建年度打算,并分解到有关部门严格执行和考核。
3.组织机构与职责有负责安全生产标准化工作的机构,各单位、部门和人员的安全生产标准化工作职责明确。
4.安全生产标准化投入保证安全生产标准化经费,连续改进和完善安全生产条件。
5.技术保证健全技术治理体系,完善工作制度,开展技术创新;作业规程、操作规程及安全技术措施编制符合要求,审批手续完备,贯彻执行到位。
6.现场治理和过程操纵加大各生产环节的过程管控和现场治理,定期开展安全生产标准化达标自检工作。
7.连续改善煤矿取得的安全生产标准化等级,是煤矿安全生产标准化工作主管部门在考核定级时,对煤矿安全生产标准化工作现状的测评,是对煤矿执行《安全生产法》等有关规定组织开展安全生产标准化建设情形的考核认定。
取得等级的煤矿应在取得的等级基础上,有目的、有打算地连续改进工艺技术、设备设施、治理措施,规范职员安全行为,进一步改善安全生产条件,使煤矿连续保持考核定级时的安全生产条件,并持续提升安全生产标准化水平,建立安全生产标准化长效机制。
第2部分安全风险分级管控一、工作要求1.组织机构与制度建立矿长为第一责任人的安全风险分级管控工作体系,明确负责安全风险分级管控工作的管理部门。
2.安全风险辨识评估(1)年度辨识评估。
每年底矿长组织开展年度安全风险辨识,重点对容易导致群死群伤事故的危险因素进行安全风险辨识评估。
(2)专项辨识评估。
以下情况,应进行专项安全风险辨识评估:a.新水平、新采(盘)区、新工作面设计前;b.生产系统、生产工艺、主要设施设备、重大灾害因素等发生重大变化时;c.启封火区、排放瓦斯、突出矿井过构造带及石门揭煤等高危作业实施前,新技术、新材料试验或推广应用前,连续停工停产1个月以上的煤矿复工复产前;d.本矿发生死亡事故或涉险事故、出现重大事故隐患,或所在省份煤矿发生重特大事故后。
3.安全风险管控(1)内容要求a.建立矿长、分管负责人安全风险定期检查分析工作机制,检查安全风险管控措施落实情况,评估管控效果,完善管控措施。
b.建立安全风险辨识评估结果应用机制,将安全风险辨识评估结果应用于指导生产计划、作业规程、操作规程、灾害预防与处理计划、应急救援预案以及安全技术措施等技术文件的编制和完善;c.重大安全风险有专门的管控方案,管控责任明确,人员、资金有保障。
(2)现场检查跟踪重大安全风险管控措施落实情况,执行煤矿领导带班下井制度,发现问题及时整改。
(3)公告警示及时公告重大安全风险。
4.保障措施(1)采用信息化管理手段开展安全风险管控工作。
(2)定期组织安全风险知识培训。
二、评分方法1.按表2-1评分,总分为100分。
按照所检查存在的问题进行扣分,各小项分数扣完为止。
2.项目内容中缺项时,按式(1)进行折算:C BA ⨯-=100100…………………………………(1) 式中 :A ——实得分数;B ——缺项标准分数;C ——检查得分数。
表2-1 煤矿安全风险分级管控标准化评分表。
附件2煤矿安全生产标准化基本要求及评分方法(试行)第1部分总则一、基本条件安全生产标准化达标煤矿应具备以下基本条件:1。
采矿许可证、安全生产许可证、营业执照齐全有效;2.矿长、副矿长、总工程师、副总工程师(技术负责人)在规定的时间内参加由煤矿安全监管部门组织的安全生产知识和管理能力考核,并取得考核合格证;3。
不存在各部分所列举的重大事故隐患;4.建立矿长安全生产承诺制度,矿长每年向全体职工公开承诺,牢固树立安全生产“红线意识”,及时消除事故隐患,保证安全投入,持续保持煤矿安全生产条件,保护矿工生命安全。
二、等级设定煤矿安全生产标准化等级分为一级、二级、三级。
一级为最高级。
三、工作要求1.建立和保持煤矿是创建并持续保持标准化动态达标的责任主体。
应通过实施安全风险分级管控和事故隐患排查治理、规范行为、控制质量、提高装备和管理水平、强化培训,使煤矿达到并持续保持安全生产标准化等级标准,保障安全生产.2.目标与计划制定安全生产标准化创建年度计划,并分解到相关部门严格执行和考核。
3.组织机构与职责有负责安全生产标准化工作的机构,各单位、部门和人员的安全生产标准化工作职责明确。
4.安全生产标准化投入保障安全生产标准化经费,持续改进和完善安全生产条件.5.技术保障健全技术管理体系,完善工作制度,开展技术创新;作业规程、操作规程及安全技术措施编制符合要求,审批手续完备,贯彻执行到位.6.现场管理和过程控制加强各生产环节的过程管控和现场管理,定期开展安全生产标准化达标自检工作。
7.持续改善煤矿取得的安全生产标准化等级,是煤矿安全生产标准化工作主管部门在考核定级时,对煤矿安全生产标准化工作现状的测评,是对煤矿执行《安全生产法》等相关规定组织开展安全生产标准化建设情况的考核认定。
取得等级的煤矿应在取得的等级基础上,有目的、有计划地持续改进工艺技术、设备设施、管理措施,规范员工安全行为,进一步改善安全生产条件,使煤矿持续保持考核定级时的安全生产条件,并不断提高安全生产标准化水平,建立安全生产标准化长效机制。
2017最新版煤矿安全生产标准化基本要求及评分方法(试行)第1部分总则一、基本条件安全生产标准化达标煤矿应具备以下基本条件:1.采矿许可证、安全生产许可证、营业执照齐全有效;2.矿长、副矿长、总工程师、副总工程师(技术负责人)在规定的时间内参加由煤矿安全监管部门组织的安全生产知识和管理能力考核,并取得考核合格证;3.不存在各部分所列举的重大事故隐患;4.建立矿长安全生产承诺制度,矿长每年向全体职工公开承诺,牢固树立安全生产“红线意识”,及时消除事故隐患,保证安全投入,持续保持煤矿安全生产条件,保护矿工生命安全。
二、等级设定煤矿安全生产标准化等级分为一级、二级、三级。
一级为最高级。
三、工作要求1.建立和保持煤矿是创建并持续保持标准化动态达标的责任主体。
应通过实施安全风险分级管控和事故隐患排查治理、规范行为、控制质量、提高装备和管理水平、强化培训,使煤矿达到并持续保持安全生产标准化等级标准,保障安全生产。
2.目标与计划制定安全生产标准化创建年度计划,并分解到相关部门严格执行和考核。
3.组织机构与职责有负责安全生产标准化工作的机构,各单位、部门和人员的安全生产标准化工作职责明确。
4.安全生产标准化投入保障安全生产标准化经费,持续改进和完善安全生产条件。
5.技术保障健全技术管理体系,完善工作制度,开展技术创新;作业规程、操作规程及安全技术措施编制符合要求,审批手续完备,贯彻执行到位。
6.现场管理和过程控制加强各生产环节的过程管控和现场管理,定期开展安全生产标准化达标自检工作。
7.持续改善煤矿取得的安全生产标准化等级,是煤矿安全生产标准化工作主管部门在考核定级时,对煤矿安全生产标准化工作现状的测评,是对煤矿执行《安全生产法》等相关规定组织开展安全生产标准化建设情况的考核认定。
取得等级的煤矿应在取得的等级基础上,有目的、有计划地持续改进工艺技术、设备设施、管理措施,规范员工安全行为,进一步改善安全生产条件,使煤矿持续保持考核定级时的安全生产条件,并不断提高安全生产标准化水平,建立安全生产标准化长效机制。
附表二:《煤矿安全生产标准化基本要求及评分方法》执行说明(试行)表2-1煤矿安全风险分级管控标准化评分执行说明表表3-1煤矿事故隐患排查治理标准化评分执行说明表三、事故隐患治理(25分)1、事故隐患治理必须做到1.事故隐患治理符合责任、措施、资金、查资料和现场.责任落实、措施落实、资2不符合要求不金落实、时限落实、预案时限、预案“五落实”要求得分落实,五落实记录;2、现场核查查资料和现场。
组织者不符合1、重大事故隐患专项治理2.重大事故隐患由矿长组织制定专项治要求或未按方方案;2、重大事故隐患专理方案,并组织实施;治理方案按规定及6案组织实施不项治理方案上报记录;3、时上报得分,治理方案重大事故隐患专项治理方分未及时上报扣 2案实施记录;4、现场核查级分治查资料和现场。
1、不能立即治理完成的事理3.不能立即治理完成的事故隐患,由治组织者不符合故隐患清单;2、治理责任理责任单位(部门)主要责任人按照治理4要求或未按方单位(部门)主要责任人方案组织实施案组织实施不按照治理方案组织实施治得分理记录;3、现场核查查资料和现场.当班未采取措1、能够立即治理完成的事施或未及时治4.能够立即治理完成的事故隐患,当班故隐患清单;2、当班及时5理不得分,不做采取措施,及时治理消除,并做好记录治理措施;3、及时消除治记录扣 3 分,记理工作记录;4、现场核查录不全 1 处扣0.5 分1.事故隐患治理有安全技术措施,并落查资料和现场。
1、事故隐患治理安全技术4没有措施、措施措施;2、安全技术措施落实到位不落实不得分实工作记录;3、现场核查安查资料和现场.全1、治理过程危险性较大的措现场没有专人2.对治理过程危险性较大的事故隐患,事故隐患清单;2、治理安施指挥不得分、未治理过程中现场有专人指挥,并设置警示4全技术措施;3、治理记录:设置警示标识标识;安检员现场监督有现场专人指挥和安检员扣 1 分、没有安监督;4、现场核查检员监督扣 1 分表4-1煤矿通风标准化评分表项目准基本要求评分方法【说明】。
附表二:《煤矿安全生产标准化基本要求及评分方法》执行说明(试行)表2-1煤矿安全风险分级管控标准化评分执行说明表表3-1煤矿事故隐患排查治理标准化评分执行说明表三、 事 故 隐患 治 理 ( 25分)1、事故隐患治理必须做到1.事故隐患治理符合责任、措施、资金、查资料和现场. 责任落实、措施落实、资2不符合要求不 金落实、时限落实、预案时限、预案“五落实"要求得分落实,五落实记录;2、现场核查查资料和现场。
组织者不符合 1、重大事故隐患专项治理 2.重大事故隐患由矿长组织制定专项治要求或未按方 方案;2、重大事故隐患专理方案,并组织实施;治理方案按规定及 6 案组织实施不项治理方案上报记录;3、时上报得分,治理方案 重大事故隐患专项治理方 分未及时上报扣 2 案实施记录;4、现场核查级分治查资料和现场. 1、不能立即治理完成的事理3.不能立即治理完成的事故隐患,由治组织者不符合故隐患清单;2、治理责任理责任单位(部门)主要责任人按照治理 4 要求或未按方 单位(部门)主要责任人方案组织实施案组织实施不 按照治理方案组织实施治得分理记录;3、现场核查查资料和现场.当班未采取措 1、能够立即治理完成的事施或未及时治4.能够立即治理完成的事故隐患,当班故隐患清单;2、当班及时5理不得分,不做采取措施,及时治理消除,并做好记录治理措施;3、及时消除治记录扣 3 分,记理工作记录;4、现场核查录不全 1 处扣0.5 分1.事故隐患治理有安全技术措施,并落查资料和现场。
1、事故隐患治理安全技术4没有措施、措施 措施;2、安全技术措施落实到位不落实不得分实工作记录;3、现场核查安查资料和现场。
全1、治理过程危险性较大的措现场没有专人2.对治理过程危险性较大的事故隐患,事故隐患清单;2、治理安施指挥不得分、未治理过程中现场有专人指挥,并设置警示 4全技术措施;3、治理记录:设置警示标识标识;安检员现场监督有现场专人指挥和安检员扣 1 分、没有安监督;4、现场核查检员监督扣 1 分表4—1煤矿通风标准化评分表项目准基本要求评分方法【说明】。
第2部分安全风险分级管控
一、工作要求
1.组织机构与制度
建立矿长为第一责任人的安全风险分级管控工作体系,明确负责安全风险分级管控工作的管理部门。
2.安全风险辨识评估
(1)年度辨识评估。
每年底矿长组织开展年度安全风险辨识,重点对容易导致群死群伤事故的危险因素进行安全风险辨识评估。
(2)专项辨识评估。
以下情况,应进行专项安全风险辨识评估:
a.新水平、新采(盘)区、新工作面设计前;
b.生产系统、生产工艺、主要设施设备、重大灾害因素等发生重大变化时;
c.启封火区、排放瓦斯、突出矿井过构造带及石门揭煤等高危作业实施前,新技术、新材料试验或推广应用前,连续停工停产1个月以上的煤矿复工复产前;
d.本矿发生死亡事故或涉险事故、出现重大事故隐患,或所在省份煤矿发生重特大事故后。
3.安全风险管控
(1)内容要求
a.建立矿长、分管负责人安全风险定期检查分析工作机制,检查安全风险管控措施落实情况,评估管控效果,完善管控措施。
b.建立安全风险辨识评估结果应用机制,将安全风险辨识评估结果应用于指导生产计划、作业规程、操作规程、灾害预防与处理计划、应急救援预案以及安全技术措施等技术文件的编制和完善;
c.重大安全风险有专门的管控方案,管控责任明确,人员、资金有保障。
(2)现场检查
跟踪重大安全风险管控措施落实情况,执行煤矿领导带班下井制度,发现问题及时整改。
(3)公告警示
及时公告重大安全风险。
4.保障措施
(1)采用信息化管理手段开展安全风险管控工作。
(2)定期组织安全风险知识培训。
二、评分方法
1.按表2-1评分,总分为100分。
按照所检查存在的问题进行扣分,各小项分数扣完为止。
2.项目内容中缺项时,按式(1)进行折算:
C B
A ⨯-=
100100
…………………………………(1) 式中 :
A ——实得分数;
B ——缺项标准分数;
C ——检查得分数。
表2-1 煤矿安全风险分级管控标准化评分表。