江苏省危险化学品建设项目安全审查要点
- 格式:doc
- 大小:93.54 KB
- 文档页数:7
江苏省危险化学品生产、储存企业建设项目安全审查管理办法(试行)第一条为规范我省危险化学品生产、储存企业建设项目的安全审查,根据《安全生产法》、《危险化学品安全管理条例》(以下简称《条例》)和有关法律、法规,结合江苏实际,制定本办法。
第二条危险化学品的生产和储存实行统一规划、合理布局和严格控制。
设区的市级人民政府在编制总体规划时,应当按照确保安全的原则,规划适当区域专门用于危险化学品的生产、储存。
本省行政区域内新建危险化学品生产、储存企业和现有危险化学品生产、储存企业的新、改、扩建危险化学品生产、储存建设项目(以下统称危险化学品生产、储存企业建设项目),必须按照《条例》和本办法的规定,经省、设区的市安全生产监督管理部门的安全审查。
未经审查合格的,危险化学品生产、储存企业建设项目不得开工建设。
第三条江苏省安全生产监督管理局(以下简称省安监局)负责全省剧毒化学品生产、储存企业建设项目的安全审查。
设区的市安全生产监督管理局(以下简称市安监局)负责本行政区域内除国家安全生产监督管理总局、省安监局负责安全审查的危险化学品生产、储存企业建设项目以外的危险化学品生产、储存企业建设项目的安全审查。
跨行政区域建设的危险化学品生产、储存企业建设项目的安全审查,按照属地管理的原则,由建设项目所在地的市安监局负责安全审查。
各地可结合本地实际情况,制定具体的危险化学品生产、储存企业建设项目安全审查实施细则,但不得违反国家规定的行政许可事项实施程序与原则和本办法的规定要求。
第四条危险化学品生产、储存企业建设项目应具备下列基本条件:(一) 有符合国家标准的生产工艺、设备或者储存方式、设施;(二) 工厂、仓库的周边安全防护距离符合国家标准或者国家有关规定;(三) 有符合生产或者储存需要的管理人员和技术人员;(四) 有健全的安全管理制度;(五) 符合法律、法规规定和国家标准要求的其他条件。
第五条危险化学品生产、储存企业建设项目的建设单位(以下简称建设单位)必须对建设项目进行可行性研究或安全条件论证,可行性研究报告或安全条件论证报告应包含以下主要内容:(一)拟建危险化学品生产、储存企业建设项目内在的危险、有害因素对周边的影响;(二)周边环境对拟建危险化学品生产、储存企业建设项目的影响;(三)自然条件对拟建危险化学品生产、储存企业建设项目的影响。
关于印发《江苏省危险化学品建设项目安全监督管理实施细则》的通知苏安监〔2012〕153号各市安全生产监督管理局:为贯彻执行《危险化学品建设项目安全监督管理办法》(国家安监总局令第45号,以下简称《管理办法》),加强我省危险化学品建设项目的安全监督管理,规范危险化学品建设项目安全审查工作,现将《江苏省危险化学品建设项目安全监督管理实施细则》(以下简称《实施细则》)予以发布,并将有关事项通知如下,请一并遵照执行:一、加强宣传,促进危险化学品建设项目安全监管法规文件的贯彻落实各地要根据本地区危险化学品安全监管的实际情况,通过危险化学品安全督查检查、企业负责人培训、下发告知通知等形式,将《管理办法》和《实施细则》等法规文件精神宣传传达到企业,督促指导企业按照国家和省规定要求,做好危险化学品建设项目的安全管理工作。
二、规范工作,确保危险化学品建设项目安全审查质量各地要按照国家和省关于危险化学品建设项目安全监督管理的规定,进一步明确和细化危险化学品建设项目安全审查的具体审查要求,严格审查标准。
对存在问题的建设项目要督促建设单位按要求整改,不符合条件的不予通过安全审查。
要严格按照《行政许可法》的规定以及《管理办法》和《实施细则》的要求,依规范程序做好危险化学品建设项目安全审查申请的受理、审查等各环节工作和相关许可文书的制作,在规定的时限内完成许可工作。
三、严格管理,强化危险化学品建设项目安全审查基础工作各市安监局要按照《实施细则》的要求,根据本地区企业分布和安全监管工作实际,研究制定具体工作方案,确定并公布本部门和县级安监部门危险化学品建设项目安全审查的管辖分工。
各地要建立健全危险化学品建设项目安全监管基础工作台账,按要求做好危险化学品建设项目安全审查情况统计上报工作。
要进一步充实危险化学品建设项目安全审查专家队伍,加强专家队伍的管理,严格要求,保证建设项目符合规定的安全条件。
省安监局负责安全审查的建设项目中,省安监局直接负责安全审查的,通过省安监局行政许可网上公开运行系统网上申报,同时将书面材料报省安监局。
危险化学品建设项目安全审查要点危险化学品是指具有毒、腐蚀、爆炸、燃烧、放射性等性质,可能对人员、财产、环境造成伤害或危害的化学物质。
危险化学品建设项目的安全审查是为了确保项目在建设、运行过程中能够有效预防和控制危险化学品事故的发生,保障公众和环境的安全。
以下是危险化学品建设项目安全审查的要点:1. 项目选址和规划:审查项目选址是否与周边环境相容,是否考虑到相关安全要求,如远离居民区、水源地和重要自然生态保护区等。
审查规划是否合理,如危险化学品的储存和处理设施是否设置在符合安全要求的区域。
2. 设计和建设:审查项目的设计是否符合国家和行业的安全标准,如设备的稳定性、防爆性能等。
审查建设过程中是否有计划、可行的安全措施和管理措施,并是否符合相关法律法规的要求。
3. 现场环境保护:审查项目是否采取了合适的环境保护措施,如防止危险化学品泄漏或排放对土壤、水体和大气的污染。
审查项目是否有适当的废物处理和排放控制措施。
4. 设备和材料:审查项目所使用的设备和材料是否符合安全要求,是否有相应的证书和资质。
审查设备和材料的技术参数是否满足设计要求,是否能够正常运行和安全使用。
5. 安全防护设施:审查项目是否设置了必要的安全防护设施,如防爆设备、消防设施、报警系统等。
审查这些设施是否经过充分测试和验收,是否能够在危险情况下及时启动和运行。
6. 应急预案和演练:审查项目是否制定了有效的应急预案,应急预案是否与周边社区和相关单位协调一致。
审查项目是否定期组织演练,检验应急响应能力和相关设备的有效性。
7. 人员培训和管理:审查项目是否进行了危险化学品安全培训,培训内容是否覆盖了项目的安全管理要求和应急处理程序。
审查项目是否有合适的人员配备和管理制度,以确保项目的安全运行。
8. 监控和检测:审查项目是否安装了必要的监控和检测设备,如气体探测器、视频监控系统等。
审查项目监控和检测设备的准确性、可靠性和有效性,是否能够及时发现和处理潜在的安全隐患。
江苏省安全生产监督管理局关于加强危险化学品生产、储存建设项目安全审查的通知
文章属性
•【制定机关】江苏省安全生产监督管理局
•【公布日期】2006.12.26
•【字号】苏安监[2006]228号
•【施行日期】2006.12.26
•【效力等级】地方规范性文件
•【时效性】现行有效
•【主题分类】枪支弹药、危险物品管理
正文
江苏省安全生产监督管理局关于加强危险化学品生产、储存
建设项目安全审查的通知
(苏安监〔2006〕228号)
各市安全生产监督管理局:
按照《省政府办公厅关于印发全省化工生产企业专项整治方案的通知》(苏政办发[2006]121号)中“严格化工生产企业市场准入”的规定,原由县(市、区)核准、备案的化工项目权限已上收至省辖市投资主管部门。
各级安监部门在对危险化学品生产、储存建设项目进行安全审查材料受理时,要严格把关,凡2006年10月份以后未在省辖市或以上投资主管部门核准、备案的,一律不予受理。
特此通知。
二〇〇六年十二月二十六日。
江苏省安全生产监督管理局关于危险化学品建设项目监督管理工作的通知
正文:
---------------------------------------------------------------------------------------------------------------------------------------------------- 江苏省安全生产监督管理局关于危险化学品建设项目监督管理工作的通知
(苏安监〔2006〕161号)
各市安监局:
近日,省局印发了《江苏省建设项目安全设施“三同时”管理办法(试行)》(苏安监[2006]134号),对全省建设项目安全设施“三同时”工作作出了一般性规定。
鉴于危险化学品建设项目的特殊性,经研究,危险化学品建设项目仍按如下规定执行:
1、危险化学品生产、储存建设项目安全审查按《江苏省危险化学品生产、储存企业建设项目安全审查管理办法(试行)》(苏安监[2005]174号)执行。
2、危险化学品建设项目安全设施设计审查和竣工验收按《江苏省建设工程项目劳动安全卫生预评价和“三同时”监督管理办法(试行)》(苏安监[2002]51号)和《关于进一步加强建设项目(工程)劳动安全卫生预评价和“三同时”工作意见的通知》(苏政办发[2001]155号)有关规定执行。
国家和省有关危险化学品建设项目监督管理的办法出台后,按新的规定执行。
二○○六年八月二十二日
——结束——。
江苏危险化学品建设项目安全审查要点前言近年来,危险化学品事故时有发生,给人们的生命财产安全带来了严重威胁。
江苏省作为我国化工产业大省,危化品项目建设总量较大,因此,安全审查就显得尤为重要。
本文将从法律法规、危险化学品分类、救援预案等方面进行讲解,以期提高江苏危险化学品建设项目的安全性。
法律法规危险化学品建设项目在审查前,需了解国家相关的法律、法规和规范性文件,了解项目建设应符合哪些具体的规定,以保证项目的合法性和规范性。
主要包括以下文件:1.《中华人民共和国安全生产法》2.《危险化学品生产企业安全规定》3.《危险化学品存储企业安全规定》4.《危险化学品经营企业安全规定》5.《危险化学品环境管理办法》6.《中华人民共和国消防法》7.《危险化学品事故应急预案规定》等危险化学品分类在安全审查中,正确分辨危险化学品的类别及其危险性等级,是十分重要的。
危险化学品种类繁多,具体分为易燃易爆危险品、毒性品、腐蚀品、氧化剂、高压气体等。
各种危险化学品在安全管理上所采取的措施、安全防范等方面有所不同,因此需要在安全审查前准确判断。
救援预案在危险化学品建设项目安全审查中,救援预案也是一个重要环节。
一旦发生危化品事故,现场应立即启动救援预案,通过适当的应急措施,最大程度地保障群众的生命财产安全。
在安全审查中,应当审核企业的事故应急预案是否符合国家规范和要求,是否可操作性强且防控措施到位,以及是否有必要采取额外的措施。
安全防范在危险化学品建设项目中,安全防范措施的落实是确保项目安全的重中之重。
应按照国家相关规定和要求,从企业内部安全隐患、防范措施的建立与改进等方面进行审核。
主要包括以下措施:1.确定安全区域及其数量2.建立完善的管理制度和流程3.安装配备必要的安全设备和器材4.培训企业员工的意识和技能,提高安全管理水平5.实现数据共享、预警预告等信息化手段,加强安全防范危化品事故给人们生命财产安全带来了极大威胁,因此,加强危险化学品建设项目安全审查也就显得尤为重要。
江苏省危险化学品建设项目安全监督管理实施细则第一条为贯彻执行《危险化学品建设项目安全监督管理办法》(国家安全监管总局令第45号,以下简称《管理办法》),加强危险化学品建设项目安全监督管理,规范危险化学品建设项目安全审查工作,依据有关安全生产法律、法规、规章的规定,结合我省实际,制定本实施细则。
第二条本省行政区域内新建、改建、扩建危险化学品生产、储存的建设项目以及伴有危险化学品产生的化工建设项目、危险化学品长输管道的建设项目(以下统称建设项目),其安全监督管理,适用本实施细则。
新建建设项目,主要指新建、迁建企业的建设项目,或现有企业原址重建或在原厂区内建设与现有生产、储存活动不同的建设项目。
改建建设项目,主要指现有企业为更新技术、工艺和变更危险化学品品种等,对在役的主要生产、储存装置(设施)进行改造的建设项目。
扩建建设项目,主要指现有企业为扩大生产能力,在原址建设与现有生产、储存活动相同,且生产、储存装置(设施)相对独立的建设项目。
危险化学品长输管道,是指穿越厂区外公共区域的危险化学品输送管道和陆上石油天然气(城镇燃气除外)长输管道。
下列建设项目不适用本实施细则:(一)危险化学品的勘探、开采及其辅助储存的;(二)原油和天然气勘探、开采的配套输送及储存的;(三)城镇燃气的输送及储存的;(四)储存、装卸危险化学品的港口建设项目;(五)未列入投资主管部门核准、备案管理范围的。
第三条建设项目所在企业(以下简称建设单位)要依法履行安全生产主体责任,保证建设项目安全设施与主体工程同时设计、同时施工、同时投入生产(使用),委托具备相应资质的单位负责安全评价、设计、施工、监理,保证建设项目工艺技术可靠、安全设施齐全有效、自动化控制水平满足安全生产需要。
建设单位应当对其提交的有关文件、资料的真实性负责。
负责建设项目安全评价、设计、施工、监理的单位,应当具备相应的资质,并对其工作成果负责。
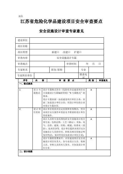
第四条建设项目的安全审查,是指建设项目安全条件审查、安全设施设计审查。
危险化学品建设项目安全试生产专家审查要点1.项目可行性研究报告:审查项目的可行性研究报告,包括项目的目标、技术路线、工艺流程等内容。
要评估项目的技术可行性和安全性,并考虑环境因素对项目的影响。
2.设计文件审查:审查项目的设计文件,包括设备布置图、平面图、剖面图等。
要确保设计符合相关规范和标准,设备间的距离和隔离符合要求,设备设置合理,容易操作和维护。
3.安全管理制度与应急预案:审查项目的安全管理制度和应急预案,包括安全操作规程、事故应急救援预案等。
要确保制度完善、合理,并具备有效的应对风险和应急的能力。
4.辅助设施和消防设备:审查项目的辅助设施和消防设备,包括安全出口、防火门、消防器材等。
要确保这些设施设备能够有效地预防和控制事故,并保护工作人员和周围环境的安全。
5.废水、废气、废渣处理:审查项目的废水、废气、废渣处理设施和技术方案。
要确保处理设施符合环保要求,能够有效地处理危险化学品产生的废弃物,防止对环境造成污染。
6.人员培训与管理:审查项目的人员培训和管理制度,包括员工的安全培训、操作规程培训等。
要确保员工具备相关的安全意识和操作技能,能够识别和应对潜在的安全风险。
7.安全监测与评估:审查项目的安全监测与评估措施,包括安全监测系统、定期安全评估等。
要确保项目能够进行有效的安全监测,及时发现和处理安全隐患。
8.环保验收:审查项目的环保验收情况,包括环境影响评价报告、环保设施的运行情况等。
要确保项目已通过环保验收,符合相关环保法规的要求。
以上是危险化学品建设项目安全试生产(使用)专家审查的要点。
审查的目的是确保项目具备必要的安全保障措施,保护员工和周围环境的安全。
同时,专家审查还可以提供相关的建议和改进建议,以提高项目的安全性。
《关于印发《江苏省危险化学品建设项目安全审查要点》的通知》该通知文件明确指出,危险化学品建设项目安全审查是确保该项目在建设过程中能够符合相关法律法规规定,采取必要的防范措施,降低安全风险的必要操作。
安全审查主要包括项目前期准备、设计、施工、安装、调试、试运行及投产等各个环节。
在项目前期准备阶段,相关单位应该充分调查研究项目的技术经济可行性,进行风险评估,明确项目所涉及的危险化学品的性质、用途和可能带来的安全风险。
此外,还需要建立安全投资预算,确保项目的安全措施得到充分的资金支持。
在设计、施工和安装阶段,设计单位和建设单位应该按照国家标准和规范,确保建设项目符合安全要求。
设计单位应该综合考虑工艺、设备、场地、环保以及灾害防护等诸多因素,对项目的安全性进行全面评估。
建设单位在施工和安装过程中必须严格按照施工图纸和设计要求进行操作,确保项目符合相应的安全标准。
在调试、试运行和投产阶段,项目负责人需要提供所有操作人员的相应资质证书,确保操作人员具备丰富的操作经验和安全意识。
同时,还需要制定相应的应急预案,以应对突发事件和事故的发生。
此外,还需要进行安全演练和培训,提高工作人员的技能水平和应急响应能力。
文件还要求,相关单位在建设项目安全审查过程中,应该加强与地方政府、相关监管部门和社会公众的沟通,及时汇报项目进展情况和安全风险的变化,共同合作,共同解决项目建设中的各种问题。
该通知文件的印发和实施,对提高江苏省危险化学品建设项目的安全管理水平,预防和减少事故的发生具有重要意义。
同时,文件还对相关单位的责任和义务进行了明确,对于确保项目的安全以及社会公众的安全意识提升也起到了积极的推动作用。
危险化学品建设项目安全审查要点主要包括以下几个方面:1. 项目概况:- 项目名称、位置和规模;- 项目的投资方和建设单位;- 项目的建设内容和工艺流程;- 项目的主要危险化学品种类和数量。
2. 项目审批和资质情况:- 项目的审批手续和相关文件的有效性;- 建设单位的资质和资金实力;- 投资方的背景和信誉记录。
3. 项目选址及环境影响评价:- 项目选址的合理性和安全性;- 周边区域的人口密度、交通情况和环境质量;- 项目对环境的影响和可能引发的事故、灾害等。
4. 设备设施情况:- 设备设施的技术参数和性能要求;- 设备设施的制造商和供应商的信誉记录;- 设备设施的安装、调试、运行及维护情况。
5. 工艺流程和安全控制措施:- 工艺流程的合理性和技术可行性;- 危险化学品在生产过程中的传递、转移、存储和处理情况;- 取得和维持工艺控制的技术和管理手段;- 安全设施和安全管理措施的设计和规划。
6. 危险性评估:- 对危险化学品在生产、储存和运输过程中的可能的事故、灾害性事件进行评估;- 评估危险化学品事故发生的概率和可能的后果;- 评估项目的风险等级和安全风险管控措施。
7. 应急救援措施:- 设定各种应急情况下的应急预案和应急处置措施;- 清楚规定各岗位人员的救援职责和权限;- 设备技术参数、应急装备和应急资源的准备情况;- 组织相关人员进行应急演练,并加以改进。
8. 周边环境安全风险防范:- 周边重点区域、设施和人群的安全保护;- 建立与周边社区的沟通和协调机制;- 安排专业人员定期检查和维护周边环境安全保护设施。
9. 员工培训和安全意识教育:- 建立员工的危险化学品安全培训和教育制度;- 通过相关知识的培训提高员工的安全意识和应急处置能力;- 员工培训的周期和培训效果的评估。
10. 定期检查和监督管理:- 建立项目的定期检查和随机监督的制度;- 通过定期检查和监督确保项目的安全运行;- 对重大事故、灾害发生的情况进行调查和报告。
江苏省危险化学品建设项目安全监督管理实施细则第一条为贯彻执行《危险化学品建设项目安全监督管理办法》(国家安全监管总局令第45号,以下简称《管理办法》),加强危险化学品建设项目安全监督管理,规范危险化学品建设项目安全审查工作,依据有关安全生产法律、法规、规章的规定,结合我省实际,制定本实施细则。
第二条本省行政区域内新建、改建、扩建危险化学品生产、储存的建设项目以及伴有危险化学品产生的化工建设项目、危险化学品长输管道的建设项目(以下统称建设项目),其安全监督管理,适用本实施细则。
新建建设项目,主要指新建、迁建企业的建设项目,或现有企业原址重建或在原厂区内建设与现有生产、储存活动不同的建设项目。
改建建设项目,主要指现有企业为更新技术、工艺和变更危险化学品品种等,对在役的主要生产、储存装置(设施)进行改造的建设项目。
扩建建设项目,主要指现有企业为扩大生产能力,在原址建设与现有生产、储存活动相同,且生产、储存装置(设施)相对独立的建设项目。
危险化学品长输管道,是指穿越厂区外公共区域的危险化学品输送管道和陆上石油天然气(城镇燃气除外)长输管道。
下列建设项目不适用本实施细则:(一)危险化学品的勘探、开采及其辅助储存的;(二)原油和天然气勘探、开采的配套输送及储存的;(三)城镇燃气的输送及储存的;(四)储存、装卸危险化学品的港口建设项目;(五)未列入投资主管部门核准、备案管理范围的。
第三条建设项目所在企业(以下简称建设单位)要依法履行安全生产主体责任,保证建设项目安全设施与主体工程同时设计、同时施工、同时投入生产(使用),委托具备相应资质的单位负责安全评价、设计、施工、监理,保证建设项目工艺技术可靠、安全设施齐全有效、自动化控制水平满足安全生产需要。
建设单位应当对其提交的有关文件、资料的真实性负责。
负责建设项目安全评价、设计、施工、监理的单位,应当具备相应的资质,并对其工作成果负责。
第四条建设项目的安全审查,是指建设项目安全条件审查、安全设施设计审查。
江苏省安全生产监督管理局关于危险化学品建设项目安全监
管有关问题的通知
【法规类别】特种行业和危险品管理
【发文字号】苏安监[2006]203号
【发布部门】江苏省安全生产监督管理局
【发布日期】2006.11.07
【实施日期】2006.10.01
【时效性】现行有效
【效力级别】地方规范性文件
江苏省安全生产监督管理局关于危险化学品建设项目安全监管有关问题的通知
(苏安监〔2006〕203号)
各市安全生产监督管理局:
为加强危险化学品建设项目安全监督管理,规范危险化学品建设项目安全许可行为,依据《危险化学品建设项目安全许可实施办法》(国家安监总局令第8号),现就危险化学品建设项目安全监管有关问题通知如下。
一、关于进行安全审查的危险化学品建设项目的范围。
无论是否危险化学品生产、储存企业,企业凡新建、
1 / 1。