江苏省危险化学品储存场所
- 格式:doc
- 大小:61.50 KB
- 文档页数:10
应急管理部办公厅关于认真整改危险化学品事故隐患和问题的函文章属性•【制定机关】应急管理部•【公布日期】2018.09.01•【文号】应急厅函〔2018〕388号•【施行日期】2018.09.01•【效力等级】部门规范性文件•【时效性】现行有效•【主题分类】固体废弃物与有毒化学品污染防治,劳动安全保护正文应急管理部办公厅关于认真整改危险化学品事故隐患和问题的函应急厅函〔2018〕388号天津、辽宁、江苏、浙江、山东、广东省(市)安全生产监督管理局:为深刻吸取近年来夏季危险化学品储存场所发生的重特大安全事故教训,按照应急管理部部长办公会议部署,应急管理部组织6个督导组于2018年8月5日至11日对天津、辽宁、江苏、浙江、山东、广东等6个省(市)的40家危险化学品生产经营企业的危险化学品储存场所安全进行了检查,共发现223项主要事故隐患和问题(见附件),其中重大事故隐患22项。
主要表现在以下几个方面:一是危险化学品储存不规范,超量、超品种储存。
南京联合全程物流有限公司无剧毒化学品经销资质却储存剧毒物质,超经营许可范围经营危险化学品。
舟山外轮供应有限公司库房内的涂料和环氧稀释剂储存过密,遮挡消防设施,未预留安全和消防通道,且超库房设计储量储存环氧稀释剂。
日照锦湖金马化学有限公司仓库内甲类易燃液体和强氧化物混存。
二是重大危险源未安装自动控制系统、安全仪表系统。
粤海(番禺)石油化工储运开发有限公司储罐的液位、温度、压力等参数采用PLC控制,无法在控制室屏幕上显示。
南京清江石化经销有限公司T-211罐内物料为柴油,但设置的为有毒气体报警器。
天津东旭物流有限公司已构成危险化学品重大危险源,但没有重大危险源评估报告。
长春化工(盘锦)有限公司属于一、二级重大危险源的异丙醇储罐进出口阀门未设置紧急切断阀。
三是动火等特殊作业安全管理制度不落实。
中海油舟山石化有限公司2018年7月11日开具的一张特殊动火票证,作业时间早于签发时间。
关于印发《江苏省危险化学品建设项目安全审查要点(试行)》
的通知
苏安监…2012‟157号
各市安全生产监督管理局:
为提高危险化学品建设项目专家技术性审查的质量,规范专家审查工作,统一审查标准,现将《江苏省危险化学品建设项目安全审查要点(试行)》(简称《审查要点》)印发你们,并将有关事项通知如下。
一、《审查要点》分为“安全条件审查专家意见”、“安全设施设计审查专家意见”和“安全设施竣工验收专家意见”三部分。
各地在组织建设项目安全审查时,根据审查内容,由专家分别填写对应的表格。
二、《审查要点》是对危险化学品建设项目安全审查的基本要求,各地可结合本地实际情况,在《审查要点》的基础上进一步提高和细化。
在项目安全审查时,可根据所审查危险化学品建设项目的具体情况,增加相应的审查内容,在附表中加以说明。
三、省安监局委托审查的危险化学品建设项目,各位专家填写的审查意见应同时报省安监局。
各地在使用《审查要点》中有问题或疑问的,请及时和省安监局联系。
附:江苏省危险化学品建设项目安全审查要点(试行)
二〇一二年六月二十九日
附件1:江苏省危险化学品建设项目安全审查要点
江苏省危险化学品建设项目安全审查要点
(试行)
安全条件审查专家意见
专家(签名):年月日
附件2:江苏省危险化学品建设项目安全审查要点
江苏省危险化学品建设项目安全审查要点
(试行)
安全设施设计审查专家意见
专家(签名):年月日
附件3:江苏省危险化学品建设项目安全审查要点
江苏省危险化学品建设项目安全审查要点
(试行)
安全设施竣工验收专家意见
专家(签名):年月日。
江苏省精细化工企业动火作业安全规定(试行)苏安监〔2018〕1号1范围本规定明确了精细化工企业(以下简称企业)动火作业区划分、动火作业有关人员职责和资质、动火作业分级和审批、动火分析及判定、动火作业现场安全管理、《动火安全作业证》管理等要求。
本规定适用于精细化工企业动火作业管理;化学品仓储企业的动火作业,可参照此规定执行。
2 规范性引用文件下列文件对于本规定的应用是必不可少的。
凡是注日期的引用文件,仅注日期的版本适用于本规定。
凡是不注日期的引用文件,其最新版本(包括所有的修改单)适用于本规定。
GB50016建筑设计防火规范GB50160 石油化工企业设计防火规范GB30871 化学品生产单位特殊作业安全规范AQ3022化学品生产单位动火作业安全规范AQ3028化学品生产单位受限空间作业安全规范AQ3025化学品生产单位高处作业安全规范3 术语和定义下列术语和定义适用于本规定。
3.1 精细化工企业依法设立,生产、使用和储存精细化工原料或产品的企业。
主要包括:农药、医药、染料、涂料(包括油漆和油墨)、颜料、试剂和高纯物、信息用化学品(包括感光材料和磁性记录材料)、食品和饲料添加剂、粘合剂、催化剂和各种助剂、化学药品和日用化学品、电子化学品及材料、功能高分子材料等行业。
3.2 仓储企业依法设立,储存化工(危险化学品)原料和(或)产品的仓储经营企业。
3.3动火作业直接或间接产生明火的工艺设备以外的禁火区内可能产生火焰、火花或炽热表面的非常规作业,如使用电焊、气焊(割)、喷灯、电钻、砂轮、塑料焊等进行的作业。
实验室使用的电炉、酒精灯、加热套等,合成炉开车点炉等,不作为动火作业管理。
3.4易燃易爆场所GB50016、GB50160中火灾危险分类为甲、乙类区域的场所。
3.5属地是指动火作业点所在的某一区域,该区域为企业组织架构中有明确管理负责人的一个管理单元,如:分厂、车间、独立的生产装置、仓库等。
3.6固定动火区是指由企业批准在火灾爆炸危险场所外划定,不需要办理《动火安全作业证》的特定动火作业区域。
江苏省安监局关于下发《江苏省危险化学品生产、储存企业建设项目安全审查管理办法》(试行)的通知【法规类别】特种行业和危险品管理【发文字号】苏安监[2005]174号【发布部门】江苏省安全生产监督管理局【发布日期】2005.12.09【实施日期】2005.12.09【时效性】现行有效【效力级别】地方规范性文件江苏省安监局关于下发《江苏省危险化学品生产、储存企业建设项目安全审查管理办法》(试行)的通知(苏安监〔2005〕174号2005年12月9日)各市安全生产监督管理局:根据《危险化学品安全管理条例》(国务院令第344号)规定,为规范我省危险化学品生产、储存企业建设项目的安全审查,我局制定了《江苏省危险化学品生产、储存企业建设项目安全审查管理办法》(试行),并经省政府法制办审核,现下发各地,请遵照执行。
江苏省危险化学品生产、储存企业建设项目安全审查管理办法(试行)第一条为规范我省危险化学品生产、储存企业建设项目的安全审查,根据《安全生产法》、《危险化学品安全管理条例》(以下简称《条例》)和有关法律、法规,结合江苏实际,制定本办法。
第二条危险化学品的生产和储存实行统一规划、合理布局和严格控制。
设区的市级人民政府在编制总体规划时,应当按照确保安全的原则,规划适当区域专门用于危险化学品的生产、储存。
本省行政区域内新建危险化学品生产、储存企业和现有危险化学品生产、储存企业的新、改、扩建危险化学品生产、储存建设项目(以下统称危险化学品生产、储存企业建设项目),必须按照《条例》和本办法的规定,经省、设区的市安全生产监督管理部门的安全审查。
未经审查合格的,危险化学品生产、储存企业建设项目不得开工建设。
第三条江苏省安全生产监督管理局(以下简称省安监局)负责全省剧毒化学品生产、储存企业建设项目的安全审查。
设区的市安全生产监督管理局(以下简称市安监局)负责本行政区域内除国家安全生产监督管理总局、省安监局负责安全审查的危险化学品生产、储存企业建设项目以外的危险化学品生产、储存企业建设项目的安全审查。
江苏省重大危险源监管等级评估分级实施导则江苏省重大危险源监管等级评估分级实施导则1 目的为了贯彻落实《中华人民共和国安全生产法》、《危险化学品安全管理条例》(国务院344号令)及《江苏省重大危险源监督管理指导意见(暂行)》,规范重大危险源所在单位的安全生产活动,促进其整体安全管理水平的提高,也为安全生产管理部门全面掌握和分析江苏省重大危险源的基本状况、风险等级,加强我省重大危险源的管理,切实保护广大人民群众的生命和财产安全,特制定本导则。
2 范围本导则适用于江苏省行政区域内所有企业重大危险源管理现状的评估和分级。
3 术语3.1重大危险源是指长期地或者临时地生产、搬运、使用或储存危险物品,且危险物品的数量等于或超过临界量的场所和设施,以及其他存在危险能量等于或超过临界量的场所和设施。
3.2 资源是指实施安全生产管理所需的人力、财力、设施、技术和方法等。
3.3 相关方关注企业安全行为或受其安全行为影响的个人或团体。
3.4 重大危险源监控系统独立于生产设施的安全监控专用系统, 是重大危险源安全监测预警系统的现场功能执行设施,属于区域固定危险源安全监测预警现场信号的汇集、控制和转发的接入平台系统。
是企业重要的安全设施。
3.5关键装置与重大危险源相关的易燃、易爆、有毒、有害、易腐蚀、高温、高压、真空、深冷、临氢、烃氧化等条件下进行工艺操作和实时监控的装置。
3.6重点部位与重大危险源相关的以下部位:- 1 -(1)制造、储存、销售易燃易爆、剧毒等危险化学品场所,以及可能形成爆炸、火灾场所的罐区、装卸台(站)、油库、仓库等,(2)对关键装置安全生产起关键作用的公用工程系统等。
3.7化学品是指各种化学元素、由元素组成的化合物及其混合物,包括天然的或者人造的。
3.8危险化学品是指具有易燃易爆、有毒有害及有腐蚀特性,会对人员、设施、环境造成伤害或损害的化学品,包括爆炸品、压缩气体和液化气体、易燃液体、易燃固体、自燃物品和遇湿易燃物品、氧化剂和有机过氧化物、有毒品和腐蚀品等。
江苏省安全生产监督管理局危险化学品经营储存单位安全评价导则(试行)文章属性•【制定机关】江苏省安全生产监督管理局•【公布日期】2006.03.21•【字号】苏安监[2006]62号•【施行日期】2006.04.01•【效力等级】地方规范性文件•【时效性】现行有效•【主题分类】枪支弹药、危险物品管理正文江苏省安全生产监督管理局危险化学品经营储存单位安全评价导则(试行)(苏安监〔2006〕62号二○○六年三月二十一日)1范围本导则规定了有危险化学品储存(总储存量在2吨以上或储存量构成重大危险源)的经营单位(以下简称经营储存单位)安全评价的前提条件、程序、内容和要求。
本导则适用于对危险化学品经营储存单位的安全评价。
2规范性引用文件下列文件中的条文通过在本导则的引用而成为本导则的条文。
安全评价时,可根据被评价单位的实际情况,引用未列入的有关法律、法规、规章、标准和规范性文件中的条文。
所有引用条文,其最新版本适用于本导则。
《中华人民共和国安全生产法》(国家主席令第70号)《中华人民共和国环境保护法》(国家主席令第22号)《中华人民共和国消防法》(国家主席令第4号)《中华人民共和国职业病防治法》(国家主席令第60号)《危险化学品安全管理条例》(国务院令第344号)《易制毒化学品管理条例》(国务院令第445号)《特种设备安全监察条例》(国务院令第373号)《江苏省安全生产条例》《危险化学品经营许可证管理办法》(原国家经贸委令第36号)《仓库防火安全管理规则》(公安部令第6号)《易燃易爆化学物品消防安全监督管理办法》(公安部令第18号)《劳动防护用品监督管理规定》(国家安监总局令第1号)《安全评价通则》(原国家安监局安监管技字[2004]37号)《关于〈危险化学品经营许可证管理办法〉的实施意见》(原国家安监局安监管管二字[2002]103号)《危险化学品事故应急救援预案编制导则(单位版)》(原国家安监局安监管危化字[2004]43号)《江苏省危险化学品经营许可证实施细则》(苏安监[2004]140号)《关于危险化学品经营许可证有关工作的通知》(苏安监[2006]48号)《危险化学品名录》《危险货物品名表》 GB12268《重大危险源辩识》GB18218《建筑设计防火规范》GBJ16《石油化工企业设计防火规范》GB50160《储罐区防火堤设计规范》GB50351《建筑物防雷设计规范》GB50057《爆炸和火灾危险环境电力装置设计规范》GB50058《建筑灭火器配置设计规范》GBJ140《职业性接触毒物危害程度分级》GB5044《工业场所有害因素职业接触限值》GBZ2《常用化学危险品贮存通则》GB15603《易燃易爆性商品储藏养护技术条件》GB17914《腐蚀性商品储藏养护技术条件》GB17915《毒害性商品储藏养护技术条件》GB17916《危险化学品经营企业开业条件和技术要求》GB18265《阻隔防爆储罐技术要求》AQ3001《化工企业静电接地设计规程》HG/T206753安全评价的前提条件3.1 被评价单位应持有的证明文件3.1.1 工商行政管理部门核发的营业执照或名称预先核准通知书。
江苏省剧毒化学品经营安全管理办法第一条为了消除剧毒化学品对社会产生的危害,确保社会稳定和人民生命财产的安全,规范剧毒化学品经营单位经营行为,加强对剧毒化学品流通领域的安全监督管理,根据《中华人民共和国安全生产法》、《危险化学品安全管理条例》(国务院令第344号)、《危险化学品经营许可证管理办法》(原国家经贸委令第36号)等规定,结合本省实际,制定本办法。
第二条在江苏省行政区域内从事剧毒化学品经营活动,适用本办法。
第三条本办法所称剧毒化学品,是指由国务院安全生产监督管理部门会同公安、环境保护、卫生、质检、交通等部门确定公布的《剧毒化学品目录》中规定的范围。
第四条江苏省对剧毒化学品经营销售实行统筹规划、合理布局和严格控制,并对剧毒化学品经营销售单位实行定点和许可制度。
第五条剧毒化学品经营销售单位原则上分为四类:(一)剧毒化学品贸易经营单位(指从事进出口、转口、批发、零售剧毒化学品的单位);(二)剧毒化学品生产企业在厂外设立的经营网点;(三)属于剧毒化学品范围的农药经营单位;(四)属于剧毒化学品范围的试剂类(含医药类)专门经营单位。
上述四类以下统称剧毒化学品经营单位。
第六条剧毒化学品经营单位定点原则:(一)剧毒化学品贸易经营单位原则上省辖市在市区范围内设立2家、县(市)设立1家;剧毒化学品使用企业超过100家以上的省辖市、县(市)可适当放宽,放宽数量由省辖市安全生产监督管理部门确定;从事液氯(氯)贸易经营单位可以适当放宽,放宽数量由省辖市安全生产监督管理部门确定。
(二)在省级以上工商行政管理部门注册的剧毒化学品贸易经营单位,由省安全生产监督管理部门按照有关规定严格控制。
(三)本省或外省剧毒化学品生产企业在厂外设立的经营网点,不受上述定点数量限制,但在江苏省范围内只能设立一个经营网点;本省或外省剧毒化学品生产企业在厂外设点经营本企业产品以外的其他剧毒化学品的仍受定点数量限制。
(四)属于剧毒化学品的农药经营单位,由省辖市安全生产监督管理部门严格控制。
关于印发《江苏省危险化学品建设项目安全监督管理实施细则》的通知发布时间:2012-06-18 编辑:潘睿苏安监〔2012〕153号各市安全生产监督管理局:为贯彻执行《危险化学品建设项目安全监督管理办法》(国家安监总局令第45号,以下简称《管理办法》),加强我省危险化学品建设项目的安全监督管理,规范危险化学品建设项目安全审查工作,现将《江苏省危险化学品建设项目安全监督管理实施细则》(以下简称《实施细则》)予以发布,并将有关事项通知如下,请一并遵照执行:一、加强宣传,促进危险化学品建设项目安全监管法规文件的贯彻落实各地要根据本地区危险化学品安全监管的实际情况,通过危险化学品安全督查检查、企业负责人培训、下发告知通知等形式,将《管理办法》和《实施细则》等法规文件精神宣传传达到企业,督促指导企业按照国家和省规定要求,做好危险化学品建设项目的安全管理工作。
二、规范工作,确保危险化学品建设项目安全审查质量各地要按照国家和省关于危险化学品建设项目安全监督管理的规定,进一步明确和细化危险化学品建设项目安全审查的具体审查要求,严格审查标准。
对存在问题的建设项目要督促建设单位按要求整改,不符合条件的不予通过安全审查。
要严格按照《行政许可法》的规定以及《管理办法》和《实施细则》的要求,依规范程序做好危险化学品建设项目安全审查申请的受理、审查等各环节工作和相关许可文书的制作,在规定的时限内完成许可工作。
三、严格管理,强化危险化学品建设项目安全审查基础工作各市安监局要按照《实施细则》的要求,根据本地区企业分布和安全监管工作实际,研究制定具体工作方案,确定并公布本部门和县级安监部门危险化学品建设项目安全审查的管辖分工。
各地要建立健全危险化学品建设项目安全监管基础工作台账,按要求做好危险化学品建设项目安全审查情况统计上报工作。
要进一步充实危险化学品建设项目安全审查专家队伍,加强专家队伍的管理,严格要求,保证建设项目符合规定的安全条件。
江苏省危险化学品建设项目安全监督管理实施细则第一条为贯彻执行《危险化学品建设项目安全监督管理办法》(国家安全监管总局令第45号,以下简称《管理办法》),加强危险化学品建设项目安全监督管理,规范危险化学品建设项目安全审查工作,依据有关安全生产法律、法规、规章的规定,结合我省实际,制定本实施细则。
第二条本省行政区域内新建、改建、扩建危险化学品生产、储存的建设项目以及伴有危险化学品产生的化工建设项目、危险化学品长输管道的建设项目(以下统称建设项目),其安全监督管理,适用本实施细则。
新建建设项目,主要指新建、迁建企业的建设项目,或现有企业原址重建或在原厂区内建设与现有生产、储存活动不同的建设项目。
改建建设项目,主要指现有企业为更新技术、工艺和变更危险化学品品种等,对在役的主要生产、储存装置(设施)进行改造的建设项目。
扩建建设项目,主要指现有企业为扩大生产能力,在原址建设与现有生产、储存活动相同,且生产、储存装置(设施)相对独立的建设项目。
危险化学品长输管道,是指穿越厂区外公共区域的危险化学品输送管道和陆上石油天然气(城镇燃气除外)长输管道。
下列建设项目不适用本实施细则:(一)危险化学品的勘探、开采及其辅助储存的;(二)原油和天然气勘探、开采的配套输送及储存的;(三)城镇燃气的输送及储存的;(四)储存、装卸危险化学品的港口建设项目;(五)未列入投资主管部门核准、备案管理范围的。
第三条建设项目所在企业(以下简称建设单位)要依法履行安全生产主体责任,保证建设项目安全设施与主体工程同时设计、同时施工、同时投入生产(使用),委托具备相应资质的单位负责安全评价、设计、施工、监理,保证建设项目工艺技术可靠、安全设施齐全有效、自动化控制水平满足安全生产需要。
建设单位应当对其提交的有关文件、资料的真实性负责。
负责建设项目安全评价、设计、施工、监理的单位,应当具备相应的资质,并对其工作成果负责。
第四条建设项目的安全审查,是指建设项目安全条件审查、安全设施设计审查。
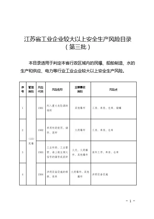
江苏省工业企业较大以上安全生产风险目录(第一批)江苏省工业企业中存在较大以上的安全生产风险,这些企业包括非煤矿山、化工、医药、冶金、有色、建材、机械、轻工、纺织、烟草、燃气生产和供应等行业工业企业,以及带有储存设施的危险化学品经营企业。
这些企业的相关定义按照《国民经济行业分类》(GB/T4754-2017)执行。
第一类是非煤矿山行业,包括7个大类:石油和天然气开采业、黑色金属矿采选业、有色金属矿采选业、非金属矿采选业、开采专业及辅助性活动、其他采矿业。
但不包括煤炭开采和洗选专业及辅助性活动。
第二类是医药、化工行业,包括4个大类:石油、煤炭及其他燃料加工业、化学原料和化学制品制造业、医药制造业、化学纤维制造业。
但不包括10个中类和5个小类。
第三类是冶金、有色、建材、机械、轻工、纺织、烟草行业,简称为冶金等工业。
其中,冶金行业包括黑色金属冶炼和压延加工业;有色行业包括有色金属冶炼和压延加工业;建材行业包括非金属矿物制品业,但不包括玻璃制品制造和其他陶瓷制品制造等5个小类;机械行业包括金属制品业、通用设备制造业、专用设备制造业、汽车制造业、铁路、船舶、航空航天和其他运输设备制造业、电气机械和器材制造业、计算机、通信和其他电子设备制造业、仪器仪表制造业、金属制品、机械和设备修理业,但不包括照明器具制造和钟表制造等。
需要注意的是,以上企业中存在较大以上的安全生产风险,需要引起重视和加强管理。
可能发生铁水、熔渣、红焦泄漏的区域高炉附属设施(包括铁口、铁水管道、炉渣、炉灰等)铸铁机区域铁水运输过程中的运输管道、车辆和站点高炉停炉放残铁时的处理区域高炉本体(炉缸、铁口、风口、炉皮、冷却壁及水管)热风炉、煤气发生炉、煤气净化炉、煤气余热锅炉等设备及其附属设施高炉喷吹煤气管道、煤气余压阀、煤气流量计等附属设施高炉本体周围的煤气管道、附属设施和煤气排放口高炉附属设施(包括铁口、铁水管道、炉渣、炉灰等)铸铁机区域铁水运输过程中的运输管道、车辆和站点高炉停炉放残铁时的处理区域在钢铁生产过程中,存在着许多风险点。
江苏省对新建危化品入园的管理规定
第一条为贯彻执行江苏省《危险化学品建设项目安全监督管理办法》(国家安全监管总局令第45号,以下简称《管理办法》),加强危险化学品建设项目安全监督管理,规范危险化学品建设项目安全审查工作,依据有关安全生产法律、法规、规章的规定,结合我省实际,制定本实施细则。
第二条本省行政区域内新建、改建、扩建危险化学品生产、储存的建设项目以及伴有危险化学品产生的化工建设项目、危险化学品长输管道的建设项目(以下统称建设项目),其安全监督管理,适用本实施细则。
新建建设项目,主要指新建、迁建企业的建设项目,或现有企业原址重建或在原厂区内建设与现有生产、储存活动不同的建设项目。
改建建设项目,主要指现有企业为更新技术、工艺和变更危险化学品品种等,对在役的主要生产、储存装置(设施)进行改造的建设项目。
扩建建设项目,主要指现有企业为扩大生产能力,在原址建设与现有生产、储存活动相同,且生产、储存装置(设施)相对独立的建设项目。
危险化学品长输管道,是指穿越厂区外公共区域的危险化学品输送管道和陆上石油天然气(城镇燃气除外)长输管道。
下列建设项目不适用本实施细则:
(一)危险化学品的勘探、开采及其辅助储存的;
(二)原油和天然气勘探、开采的配套输送及储存的;
(三)城镇燃气的输送及储存的;
(四)储存、装卸危险化学品的港口建设项目;
(五)未列入投资主管部门核准、备案管理范围的。
第三条江苏省建设项目所在企业(以下简称建设单位)要依法履行安全生产主体责任,保证建设项目安全设施与主体工程同时设计、同时施工、同时投入生产(使用),委托具备相应资质的单位负责安全评价、设计、施工、监理,保证建设项目工艺技术可靠、安全设施齐全有效、自动化控制水平满足安全生产需要。
江苏省安监局关于开展重点化工(危险化学品)企业本质安全诊断治理专项行动的通知发布时间:2018-08-03苏安监〔2018〕87号各设区市安全生产监督管理局:为深刻吸取连云港聚鑫生物科技有限公司“12·9”重大爆炸事故教训,全面诊断治理重点化工(危险化学品)企业(以下简称企业)重大生产安全事故隐患、安全设施设计和全流程自动化控制存在的突出问题,进一步提升企业安全风险管控和安全生产保障能力,有效防范遏制较大以上和有重大社会影响的生产安全事故,决定从2018年8月1日至2020年12月31日在全省开展重点化工(危险化学品)企业本质安全诊断治理专项行动(以下简称专项行动)。
现将有关事项通知如下。
一、专项行动范围(一)涉及重点监管危险化工工艺的化工企业。
(二)构成一、二级重大危险源的化工(危险化学品)生产、经营企业。
(三)产品或原料自身具有爆炸性的化工企业。
自身具有爆炸性的产品或原料主要是指列入重点监管危险化学品名录中的环氧乙烷、环氧丙烷、环氧氯丙烷、过氧乙酸、过氧化甲乙酮、过氧化(二)苯甲酰、硝化纤维素、硝酸胍、过氧化苯甲酸叔丁酯、硝基胍、N,N'-二亚硝基五亚甲基四胺、2,2'-偶氮二异丁腈、偶氮二异庚腈、硝化甘油、硝基苯、硝酸铵等16种化学品。
二、专项行动内容(一)诊断治理重大生产安全事故隐患。
(二)诊断治理在役生产装置、储存设施安全设施设计存在的突出问题。
(三)诊断治理在役生产装置、储存设施自动化控制系统以及安全仪表系统(SIS)存在的突出问题。
三、专项行动任务(一)排查诊断(2019年3月底前完成)企业组织生产、工艺、设备、仪表、安全管理等相应专业人员和专家或者聘请具备相应资质的评价机构、设计单位开展排查诊断。
1.依据《化工和危险化学品生产经营单位重大生产安全事故隐患判定标准(试行)》,全面开展隐患排查诊断,列出隐患清单,制定整改方案。
2.依据相关设计规范,对在役生产装置、储存设施的安全设施设计进行诊断,诊断在役生产装置、储存设施与竣工图的一致性,排查设计存在的突出问题,形成安全设施设计诊断报告,列出问题清单,提出整改建议。
江苏省人民政府办公厅关于印发江苏省危险化学品重特大生产安全事故应急预案的通知文章属性•【制定机关】江苏省人民政府办公厅•【公布日期】2020.12.14•【字号】苏政办函〔2020〕130号•【施行日期】2020.12.14•【效力等级】地方规范性文件•【时效性】现行有效•【主题分类】环境污染事故与应急管理正文省政府办公厅关于印发江苏省危险化学品重特大生产安全事故应急预案的通知各市、县(市、区)人民政府,省各委办厅局,省各直属单位:经省人民政府同意,现将《江苏省危险化学品重特大生产安全事故应急预案》印发给你们,请认真组织实施。
江苏省人民政府办公厅2020年12月14日江苏省危险化学品重特大生产安全事故应急预案目录1 总则1.1 编制目的1.2 编制依据1.3 适用范围1.4 事故分级1.5 工作原则1.6 预案体系1.7 风险分析2 组织体系2.1 指挥机构及其主要职责2.2 成员单位及其应急处置职责2.3 现场指挥部及其主要职责2.4 危险化学品从业单位职责3 预防、监测与预警3.1 预防3.2 监测与预警4 应急响应4.1 信息报告4.2 先期处置4.3 启动响应4.4 处置措施4.5 事故现场处置要点4.6 信息发布4.7 应急结束5 后期处置5.1 善后处置5.2 事故调查5.3 总结评估6 应急保障措施6.1 应急队伍保障6.2 资金保障6.3 装备物资保障6.4 医疗卫生保障6.5 交通运输保障6.6 通信与信息保障6.7 技术支持保障6.8 宣传、培训和演练7 附则7.1 预案管理7.2 奖励与责任追究7.3 预案实施时间1 总则1.1 编制目的规范全省危险化学品(以下简称为危化品)生产安全事故的应急管理、应急响应程序,科学、及时、有效地组织实施应急救援工作,预防和减少次生事故发生,最大限度减少人员伤亡、财产损失,保护生态环境,保障人民群众生命和财产安全。
1.2 编制依据依据《中华人民共和国突发事件应对法》《中华人民共和国安全生产法》《生产安全事故应急条例》《生产安全事故报告和调查处理条例》《危险化学品安全管理条例》《生产安全事故应急预案管理办法》《国家危险化学品事故灾难应急预案》《江苏省安全生产条例》《江苏省实施〈中华人民共和国突发事件应对法〉办法》《江苏省突发事件总体应急预案》等法律法规规章及有关规定,制定本预案。
江苏省应急管理厅关于印发《江苏省危险化学品安全生产深度检查指导工作指南》的通知苏应急〔2019〕1号各设区市安全生产监督管理局:现将《江苏省危险化学品安全生产深度检查指导工作指南》印发给你们,请结合本地实际认真贯彻落实,并及时传达至辖区内化工(危险化学品)企业。
附件:1.江苏省危险化学品安全生产深度检查指导工作指南2.江苏省化工(危险化学品)企业深度检查指导表江苏省应急管理厅2019年1月2日感谢你的观看感谢你的观看附件1江苏省危险化学品安全生产深度检查指导工作指南为进一步规范全省危险化学品安全生产深度检查指导工作,提升检查指导工作的精准度,建立健全安全检查与指导、检查与执法并举的长效工作机制,依法推动化工(危险化学品)企业落实安全生产主体责任,有效管控危险化学品行业重大风险,消除重大隐患,遏制较大及以上和重大社会影响的生产安全事故发生,持续促进全省危险化学品行业安全生产形势稳定好转。
一、适用范围深度检查指导适用于省、设区市、县(市、区)危险化学品安全生产监督管理机构(以下简称监管机构),依据安全生产相关法律法规和规范标准,对辖区内化工(危险化学品)重点企业的规章制度、操作规程、现场管理、人员培训、工艺安全可靠性、设备设施完整性等安全生产现状开展的深度安全检查与整改指导,以及对涉及违法违规行为和重大隐患的企业依法实施查处。
二、检查内容监管机构应根据《江苏省化工(危险化学品)企业重点隐患执法检查指导目录》(苏安监〔2016〕58号),参照《江苏省化工(危险化学品)企业深度检查指导表》,编制深度检查指导表。
省厅深度检查指导表可参照执行。
三、组织形式深度检查指导组由2名(含)以上安全监管及执法人员和5名(含)以上不同专业的专家共同组成,检查指导分设计、工艺、设备、仪表、安全管理等5个专业组,每组至少配备1名对应专业的专家,受检企业对应各组配备专业技术人员协助检查。
由负责组织深度检查指导的监管机构指定专家组组长。
江苏省化工(危险化学品)企业安全风险评估和分级办法第一条为贯彻落实《省政府办公厅关于印发江苏省危险化学品安全综合治理实施方案的通知》(苏政办发〔2017〕17号)和《省安委会办公室关于印发江苏省防范遏制重特大事故构建双重预防机制实施办法的通知》(苏安办〔2016〕103号)要求,全面排查全省化工(危险化学品)企业安全风险,建立安全风险分级管控和隐患排查治理双重预防机制,规范化工(危险化学品)企业安全风险评估和分级工作制定本办法。
第二条本办法适用于江苏省行政区域内所有危险化学品生产企业、使用危险化学品从事生产的化工企业、原料和产品均不涉及危险化学品的一般化工企业、危险化学品经营企业(含加油站,无储存设施的企业除外)(以下简称企业)。
第三条根据企业固有风险大小、本质安全水平、安全生产管理现状,采用风险矩阵评价方法,开展安全风险评估,分析事故发生的可能性和事故后果的严重性,综合评定企业的安全风险等级。
第四条企业依据《江苏省化工(危险化学品)企业安全风险分级取值标准》(附件1),自行评估事故发生的可能性L 值和事故后果的严重性S值,对照《江苏省化工(危险化学品)- 1 -企业安全风险矩阵与风险等级判别标准》(附件2),计算风险R值,确定安全风险等级。
第五条企业安全风险分为4个等级,从高到低依次划分为红色风险、橙色风险、黄色风险和蓝色风险。
根据评估确定的安全风险等级,将企业依次划分为红色重大风险企业、橙色较大风险企业、黄色一般风险企业、蓝色低风险企业。
第六条在企业安全风险分级的基础上,对存在以下情况的企业进行安全风险等级校正,提高或降低风险等级:1.发生没有人员伤亡的火灾、爆炸事故的,自事故发生之日起提高1个风险等级。
2.发生一般生产安全事故的,自事故发生之日起,提高2个风险等级。
3.发生较大及以上生产安全事故的,自事故发生之日起,直接认定为红色高风险企业。
4.违反安全生产法律法规受到行政处罚5万元及以上的,自处罚生效之日起提高1个风险等级。
江苏省危险化学品生产企业安全生产许可证明施细则第一条为贯彻贯彻《危险化学品生产企业安全生产许可证明施措施》(国家安全监管总局令第41号,如下简称《实行措施》),严格危险化学品生产企业安全生产条件,规范危险化学品生产企业安全生产许可证旳申请、受理、审查、决定和管理工作,根据有关安全生产法律、法规和规章,结合本省实际,制定本实行细则。
第二条本实行细则所称危险化学品生产企业(如下简称生产企业),是指依法设置且获得工商营业执照或者工商核准文献,生产旳最终产品、中间产品(如下统称为产品)列入《危险化学品目录》旳企业。
中间产品,是指为满足生产旳需要,生产一种或多种化学品,作为下一种生产过程参与化学反应旳原料。
第三条本省行政区域内旳生产企业,应当按照《实行措施》和本实行细则旳规定,申请领取《危险化学品生产企业安全生产许可证》(如下简称安全生产许可证)。
未获得安全生产许可证旳生产企业,不得从事危险化学品生产活动。
第四条属于下列状况之一旳,不合用本实行细则:(一)产品品名虽然列入《危险化学品目录》,但未到达国家、行业、地方和企业产品原则;(二)购置危险化学品进行分装、充装,在购置旳危险化学品中加入非危险化学品旳溶剂进行稀释后销售或使用;(三)非化工类其他工贸企业生产旳危险化学品,仅为本企业非化工类生产装置配套,参与旳下一种生产过程不是化学反应过程;(四)在溶解、萃取等物理过程中作为溶剂旳危险化学品,仅在生产装置循环使用且没有参与化学反应(以低浓度化学品提纯生产高浓度危险化学品旳加工过程除外);(五)通过鉴定分类属于危险化学品确定原则,但未列入《危险化学品目录》(2828类项除外);(六)以“现场供气”模式生产空气化工产品;(七)生产中直接放空旳危险化学品。
第五条省安全生产监督管理局(如下简称省安监局),负责本省行政区域内中央企业及其直接控股波及危险化学品生产旳企业(总部)以外旳企业安全生产许可证旳颁发管理,并负责剧毒化学品生产企业安全生产许可证旳审查工作。
江苏省危险化学品储存场所
安全专项整治实施方案
为深刻吸取靖江市德桥仓储有限公司“4•22”火灾事故教训,在全省深入开展危险化学品安全专项整治,特别是强化对危险化学品储存场所的安全管理,按照国家安全监管总局、交通运输部及国家铁路局联合印发的《危险化学品储存场所安全专项整治工作方案》部署要求,制定本实施方案。
一、整治目标
督促涉及危险化学品储存的企业认真落实安全生产主体责任,切实深入贯彻安全生产法律法规及标准要求,全面排查安全风险,及时治理事故隐患,通过整治提升一批、整顿一批、关闭一批问题企业,切实提升危险化学品储存场所的本质安全水平和安全保障能力,有效防范危险化学品较大以上事故发生。
二、整治范围
危险化学品储存场所(含生产、经营、运输环节的罐区、库场、堆场等),重点是构成重大危险源且涉及硝酸铵等爆炸品、有毒有害气体的储存场所,甲类、乙类易燃液体及液化气体的储存场所,尤其是单独储存经营油品或化工品的罐区。
三、整治内容
(一)储存场所未取得合法规划手续、周边安全防护距离不满足安全要求的;未经过正规设计,存在违法建设和经营、未批先建、批小建大、无证经营、超量超范围经营等违法行为的;压力容器压力管道使用登记、安全技术档案未按要求建立完备的;未经工艺变更许可后改变储罐设计使用条件,未经安全论证合格使用多个化学品储罐尾气联通回收系统的。
(二)安全生产责任体系“五落实五到位”不落实,未按要求健全安全生产领导责任制和安全生产管理机构的;未依法租赁危险化学品储存场所(设施)从事危险化学品经营活动及未明确出租方、承租方的安全管理责任的;未制定和落实安全管理制度的,未建立完善和执行安全隐患排查治理制度的;动火、进入受限空间等特殊作业违反有关国家标准要求,未建立并严格落实特殊作业管理制度的。
(三)专职安全管理人员配置不到位,未依法依规对从业人员开展安全教育培训,从业人员无证上岗,对本岗位涉及的危险化学品安全风险不清楚、不掌握的。
(四)未对重大危险源定期辨识、评估及备案,重大危险源安全管理制度和安全操作规程不完善,未建立安全监测监控体系或体系不稳定不可靠,未及时采取有效措施消除事故隐患,重大危险源管控不到位的。
(五)安全仪表系统设计、安装、调试、操作、维护等全生命周期管理及制度不健全或不落实;液位、温度、压力等重要运行参数监控系统运行管理不到位;油罐液位超低、超高报警和自动联锁设置及运行不完好;有毒物料储罐、低温储罐、压力球罐进出物料管道和危险化学品长输管道未设置紧急切断设施;可燃、有毒气体泄漏报警系统的配置和运行不完好;可燃、有毒气体检测仪报警时,岗位人员未及时到现场确认并采取有效控制措施等安全仪表系统管理不规范的。
(六)违反爆炸品(《危险货物分类和品名编号》〈GB 6944-2012〉中规定的1.1项、1.2项)和硝酸铵类物质的危险货物集装箱应实行直装直取、不准在港区内存放的规定,与易燃易爆、有毒有害危险化学品的安全距离不符合规定要求,存在超量储存、违规混存、超高堆放、野蛮装卸等现象的。
(七)易燃易爆危险化学品储罐区未配置避雷、防静电设施并定期检修、检测的;未对大型油罐二次密封空间进行可燃气体浓度检测和落实防雷击措施的;储罐切水、倒罐、装卸过程中,未安排作业人员在作业现场看护的;储罐超温、超压、超液位、管线超流速操作;在储罐或与储罐连接的管道内违规添加强氧化剂、易聚合、强腐蚀等可能发生剧烈化
学反应的物质;库房内违反规定混存、混放;泄漏物料不及时处置,现场有“跑、冒、滴、漏”等现象的。
(八)危险化学品专用仓储区未配置门禁和视频监控系统,未对进出车辆及人员进行严格的安全检查和如实登记;进入专用仓储区的危化品运输车辆、驾驶员和押运人员未具备相应资质;危化品运输车辆未佩戴阻火器,无证运输、超载运输、混运;危化品运输车辆装卸作业区域、设备、设施和操作规程及收发货登记台账不符合要求;涉及液化石油气、液化天然气、液氯和液氨等易燃易爆有毒有害液化企业的充装未采用万向节管道充装系统的。
(九)未审核承包商的资质和安全生产业绩,未对承包商实施入厂前安全教育,未对承包商作业过程进行现场监督、过程监控,未有效防控作业安全风险等承包商管理不到位的。
(十)未制定符合实际需求的危险化学品事故应急预案并定期开展应急培训和演练,应急预案未与地方政府有效衔接;夏季“四防”(防雷、防火防爆、防汛、防高温)措施以及应急救援器材、设备、物资配备使用不到位的;储罐区消防泵房未按要求设置独立消防给水系统,不能满足扑救最大储罐所需的冷却和灭火用水、泡沫灭火剂需要;储罐区未按要求设置环形消防车道,相邻罐组防火堤外之间未留消防
通道;不具备紧急断电情况下切断油料、输气管道供给的管阀措施的。
(十一)未吸取天津港“8•12”特别重大火灾爆炸等同行业事故教训,未制定并落实整改措施,排查治理隐患不全面、不彻底的。
四、工作分工
各市安监、交通运输(港口)部门按照部门职责和“谁审批、谁负责”的原则,明确职责分工和整治任务。
交通运输(港口)部门要及时将专项整治中涉及其他管理部门职责的事项通报给同级的安监部门;安监部门要做好综合协调,及时将有关事项通报同级的相关管理部门。
五、时间安排
(一)安全风险隐患摸底及企业自查自改阶段(即日起至2016年7月)。
各地安监、交通运输(港口)部门要立即动员部署涉及危险化学品储存的企业开展专项整治,认真组织摸排危险化学品储存场所的底数,建立危险化学品储存场所及其安全风险的分布档案,并报同级人民政府安委会,安委会应将有关信息通报相关成员单位。
涉及危险化学品储存的企业要结合《省政府办公厅关于印发江苏省危险化学品安全专项整治实施方案的通知》(苏政传发[2016]122号)要求,将危险化学品储存场所安全专
项整治内容作为重点,全面开展自查自纠工作,对检查发现的问题和隐患要建立台账并及时整改;暂时不具备整改条件的,要制定有效的风险管控措施,落实责任,限期整改;不具备安全生产条件的,必须立即停产。
(二)政府部门检查督导阶段(2016年8月至10月)。
各地安监、交通运输(港口)部门要组织专业力量将专项整治与执法检查、专项督查紧密结合,对重点企业、重点地区、重点单位进行全面抽查督查督导,督促涉及危险化学品储存的企业落实安全生产主体责任,排查治理消除事故隐患。
省安监局、交通运输厅将根据专项整治开展情况,适时联合组织暗访暗查督导,及时将有关情况通报各有关部门和当地人民政府,确保专项整治取得实效。
(三)总结阶段(2016年11月上旬)。
各地安监、交通运输(港口)部门认真总结专项整治工作进展、成效和经验并及时上报。
六、有关要求
(一)加强工作协调配合。
各地安监、交通运输(港口)部门要加强对本行业领域的指导协调和监督检查,分解任务、明确要求、落实责任、密切配合,形成工作合力;要及时收集、分析、报告专项整治实施过程中的难点问题,及时报告同级人民政府并抄送其他有关部门。
(二)落实企业主体责任。
各有关企业要将由企业主要
负责人签字的自查自改情况于2016年7月25日前报送负责监管的县级安监或交通运输部门,县级安监、交通运输(港口)部门应依据《省政府办公厅关于印发江苏省危险化学品安全专项整治实施方案的通知》(苏政传发[2016]122号)要求,将隐患分类纳入“危险化学品企业(单位)安全专项整治排查结果汇总表(红、黄、蓝)”,并按照危险化学品安全专项整治实施方案的标准督促企业开展隐患治理,确保隐患整改到位。
各有关企业每月25日前将隐患整改进展情况报送负责监管的县级安监、交通运输部门,并由县级安监、交通运输部门汇总上报相应市级部门。
(三)跟踪督促整治工作。
各市安监、交通运输(港口)部门要指定专人负责联络和汇总,将构成一级重大危险源的危险化学品储存场所统计表(见附件1)于2016年7月31日前分别报送省安全监管局、交通运输厅;专项整治期间每月25日各市安监、交通运输(港口)部门应向省安监局、交通运输厅报送执法检查处罚情况明细表(见附件2)及专项整治进展情况,并于2016年11月5日前上报专项整治工作总结。
请迅速将本通知转发基层安监和交通运输(港口)部门并传达至辖区内带有危险化学品储存场所(含生产、经营、运输环节的罐区、库场、堆场等)的企业。
铁路系统的危险化学品储存场所安全专项整治工作由国家铁路局按系统部署。
附件:1、危险化学品储存场所统计表
2、执法检查处罚情况明细表
审核人:填表人:联系电话:
审核人:填表人:联系电话:。