编码器的安装使用与接线方法
- 格式:doc
- 大小:13.50 KB
- 文档页数:1
欧姆龙E6B2系列(增量型编码器)接线方式
常用欧姆龙E6B2系列编码器有CWZ6C、CWZ5B、CWZ3E三种,其中CWZ6C和CWZ5B 分别是NPN开路集电极和PNP开路集电极输出(如下图),CWZ3E是电压输出,因此在接线上前2者不同与以往编码器,不能直接接入变频器的脉冲采集装置中,以安川PG-B2卡为例:
一:根据三极管放大电路,在基极与电源间增加偏置电阻接法
其中R取值680欧~2000欧,0.5W
其中针对安川PG-B2卡应选用680~1000欧的电阻
针对ABB PRBA01编码器模块应选用15V(1000~1500欧),24V(1500~2000欧)的电阻(ABB只能用偏置电阻接法,且A-B-不能同OV短接,出差前注意带电阻。
)
若出现下列情况,则适当减少电阻阻值:
A:脉冲信号不稳定,编码器反馈数值波动较大
B:正方向信号反馈数值正常,负方向反馈数值基本没有
C:反馈数值响应慢,电机运行电流不正常
二:直连法
此接法经过实际运用信号正常,但有反映在超频下有可能发生异常,请在使用此连接方式时注意观察。
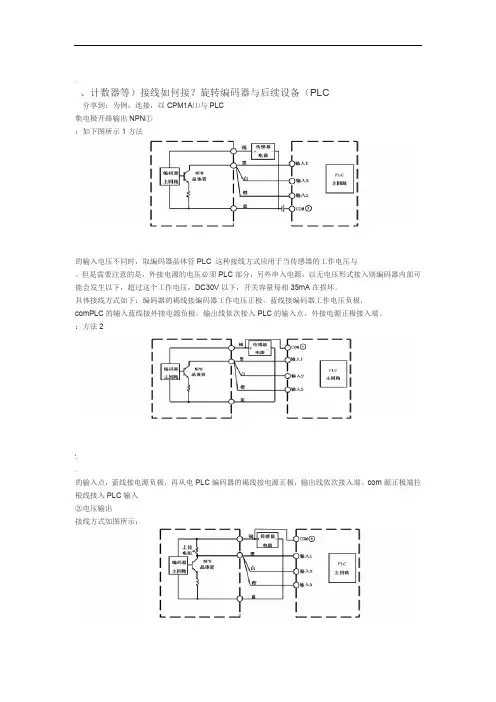
.、计数器等)接线如何接?旋转编码器与后续设备(PLC分享到:为例:连接,以CPM1A⑴与PLC集电极开路输出NPN①:如下图所示1方法的输入电压不同时,取编码器晶体管PLC 这种接线方式应用于当传感器的工作电压与。
但是需要注意的是,外接电源的电压必须PLC部分,另外串入电源,以无电压形式接入则编码器内部可能会发生以下,超过这个工作电压,DC30V以下,开关容量每相35mA在损坏。
具体接线方式如下:编码器的褐线接编码器工作电压正极,蓝线接编码器工作电压负极,comPLC的输入蓝线接外接电源负极,输出线依次接入PLC的输入点,外接电源正极接入端。
:方法2'..的输入点,蓝线接电源负极,再从电PLC编码器的褐线接电源正极,输出线依次接入端。
com源正极端拉根线接入PLC输入②电压输出接线方式如图所示:的输入点,蓝线具体接线方式如下:编码器的褐线接电源正极,输出线依次接入PLC 端。
输入com接电源负极,再从电源正极端拉根线接入PLC集电极开路输出③PNP接线方式如下图所示:具体接线方式如下:编码器的褐线接工作电压正极,蓝线接工作电压负极,输出线依端。
的输入PLCcom 的输入次接入PLCcom端,再从电源负极端拉根线接入④线性驱动输出具体接线如下:输出线依次接入后续设备相应的输入点,褐线接工作电压的正极,蓝线接工作电压的负极。
制)为例OMRONH7CX⑵与计数器连接,以('..输入信号分为无电压输入和电压输入。
H7CX①无电压输入:输出信号。
NPN以无电压方式输入时,只接受集电极开路输出的接线方式如下:NPN具体接线方式如下:褐线接电源正极,蓝线接电源负极,再从电源负极端拉根线接号端子。
7和9号端子,如果需要自动复位,则橙线接入6号端子,黑线和白线接入8电压输出的接线方式如下:NPN集电极开路输出方式一样。
NPN 接线方式与②电压输入集电极开路输出的接线方式如下图所示:NPN'..蓝线接电源负极,再从电源负极端拉根线接6具体接线方式如下:褐线接电源正极,号端子,黑线和白线接入8和9号端子,如果需要自动复位,则橙线接入7号端子。
多摩川编码器接线说明1. 简介编码器是一种用来测量物体位置或角度的设备,它将位置或角度转换成电信号输出。
多摩川编码器是一款常见的旋转式编码器,适用于各种机械设备中。
本文将详细介绍多摩川编码器的接线方法,包括硬件连接和信号处理。
2. 硬件连接多摩川编码器通常有四个引脚,分别是VCC、GND、A相和B相。
以下是接线步骤:1.将VCC引脚连接到电源的正极(通常为5V或3.3V)。
2.将GND引脚连接到电源的负极。
3.将A相引脚连接到控制器或微控制器的GPIO口。
4.将B相引脚连接到控制器或微控制器的另一个GPIO口。
请注意,确保电源电压与编码器规格匹配,并遵循正确的极性连接。
否则可能会导致设备损坏。
3. 信号处理多摩川编码器输出两路正交方波信号(A相和B相),用于测量旋转方向和角度。
以下是对信号的处理方法:1.使用外部中断:将A相和B相引脚连接到控制器的外部中断输入引脚。
通过监测中断触发事件,可以实时获取编码器的旋转方向和角度。
// 示例代码(Arduino)int encoderPinA = 2; // A相引脚连接到Arduino的2号引脚int encoderPinB = 3; // B相引脚连接到Arduino的3号引脚void setup() {pinMode(encoderPinA, INPUT);pinMode(encoderPinB, INPUT);attachInterrupt(digitalPinToInterrupt(encoderPinA), handleEncoder, CHANGE);}void loop() {// 其他代码}void handleEncoder() {int encoderStateA = digitalRead(encoderPinA);int encoderStateB = digitalRead(encoderPinB);// 根据旋转方向和角度进行处理}2.软件轮询:将A相和B相引脚连接到控制器的普通GPIO口,并通过软件轮询方式读取引脚状态。
各种输出形式的旋转编码器与后续设备(PLC、计数器等)接线分别怎么接?⑴与PLC连接,以CPM1A为例①NPN集电极开路输出方法1:如下图所示这种接线方式应用于当传感器的工作电压与PLC的输入电压不同时,取编码器晶体管部分,另外串入电源,以无电压形式接入PLC。
但是需要注意的是,外接电源的电压必须在DC30V以下,开关容量每相35mA以下,超过这个工作电压,则编码器内部可能会发生损坏。
具体接线方式如下:编码器的褐线接编码器工作电压正极,蓝线接编码器工作电压负极,输出线依次接入PLC的输入点,蓝线接外接电源负极,外接电源正极接入PLC的输入com端。
方法2:编码器的褐线接电源正极,输出线依次接入PLC的输入点,蓝线接电源负极,再从电源正极端拉根线接入PLC输入com端。
②电压输出接线方式如图所示:具体接线方式如下:编码器的褐线接电源正极,输出线依次接入PLC的输入点,蓝线接电源负极,再从电源正极端拉根线接入PLC输入com端。
不过需要注意的是,不能以下图方式接线。
③PNP集电极开路输出接线方式如下图所示:具体接线方式如下:编码器的褐线接工作电压正极,蓝线接工作电压负极,输出线依次接入PLC的输入com端,再从电源负极端拉根线接入PLC的输入com端。
④线性驱动输出具体接线如下:输出线依次接入后续设备相应的输入点,褐线接工作电压的正极,蓝线接工作电压的负极。
⑵与计数器连接,以H7CX(OMRON制)为例H7CX输入信号分为无电压输入和电压输入。
①无电压输入:以无电压方式输入时,只接受NPN输出信号。
NPN集电极开路输出的接线方式如下:具体接线方式如下:褐线接电源正极,蓝线接电源负极,再从电源负极端拉根线接6号端子,黑线和白线接入8和9号端子,如果需要自动复位,则橙线接入7号端子。
NPN电压输出的接线方式如下:接线方式与NPN集电极开路输出方式一样。
②电压输入NPN集电极开路输出的接线方式如下图所示:具体接线方式如下:褐线接电源正极,蓝线接电源负极,再从电源负极端拉根线接6号端子,黑线和白线接入8和9号端子,如果需要自动复位,则橙线接入7号端子。
本技术文档提供参考方案,旨在解决因机械安装和布线造成的编码器的故障。
一般指引请不要敲击编码器请不要敲击编码器!!请不要使编码器承受超出轴所允许的负载请不要使编码器承受超出轴所允许的负载!! 请不要打开编码器内部请不要打开编码器内部!! 请不要使用刚性联轴器不要使用刚性联轴器!!请不要机械加工编码器本体或者轴请不要机械加工编码器本体或者轴!!每种产品的安装方式都不尽相同,所以难于提供所有安装方式的信息。
按照以下安装指引,结合相应的安装规范仔细安装,能保证产品运行的长久性。
柔性联轴器,伺服夹环,安装螺丝等其他安装硬件是不包含在编码器中的,如需要请与厂家联系。
编码器安装及接线指导机械安装实心轴类1、编码器轴与用户端输出轴之间采用弹性软连接,以避免因用户轴的串动、跳动而造成编码器轴系和码盘的损坏。
2、安装时请注意允许的轴负载。
3、应保证编码器轴与用户输出轴的不同轴度<0.20mm ,与轴线的偏角<1.5°。
4、安装时严禁敲击和摔打碰撞,以免损坏轴系和码盘。
空心轴类1、要避免与编码器刚性连接。
2、 安装轴的尺寸请参照对应的说明。
3、安装时编码器应轻轻推入被套轴,严禁用锤敲击,以免损坏轴承和码盘。
4、长期使用时,检查固定编码器的螺钉是否松动。
典型机械安装方式之一典型机械安装方式之一::伺服法兰型1、固定机器上的驱动轴;不能将编码器轴与机器直接相连接,通常采用柔性联轴器。
2、安装联轴器(1)到编码器上,请注意联轴器不要接触到编码器表面;3、将带螺丝(3)的伺服夹环(2)推到安装法兰表面,但不要锁紧螺丝;4、旋转伺服夹环(2)以便将编码器推入到位5、旋转伺服夹环(2)进入到伺服套子中,然后轻轻缩紧。
6、在驱动轴上固定好联轴器(1)并尽量减少角度和水平对准误差以保证联轴器和编码器安装误差在允许范围内。
7、锁紧伺服夹环上的3个螺丝。
典型机械安装方式之二典型机械安装方式之二::夹紧法兰型1、固定机器上的驱动轴;不能将编码器轴与机器直接相连接,通常采用柔性联轴器。
欧姆龙旋转编码器正确的接线
(1)正确接线至关重要,如图1 为NPN 输出增量型E6B2-CWZ6C 的接线原理,图2 为NPN 输出增量型E6B2-CWZ6C 的实际接线,棕色线接电源正极,蓝色线接电源负极,黑色线接输入0.00,白色线接输入0.01,橙色线接输入
0.04,PLC 的COM 接电源正极。
(2)下图为PNP 输出增量型E6B2-CWZ6B 的实际接线图,棕色线接电源正极,蓝色线接电源负极,黑色线接输入0.00,白色线接输入0.01,橙色线接输入0.04,PLC 的COM 接电源负极。
(3)图1 为值型编码器的线与PLC 输入的点的对应图,图2 为NPN 输出值型E6C3-AG5C 的实际接线图,红色线接电源正极,黑色线接电源负极,褐色线接输入0.00,橙色线接输入0.01,黄色线接输入0.02,绿色线接输入0.03,蓝色线接输入0.04,紫色线接输入0.05,灰色线接输入0.06,白色线接输入
0.07,粉色线接输入0.08,PLC 的COM 接电源正极。
(4)下图为PNP 输出值型E6C3-AG5B 的实际接线图,红色线接电源正极,黑色线接电源负极,褐色线接输入0.00,橙色线接输入0.01,黄色线接输入0.02,绿色线接输入0.03,蓝色线接输入0.04,紫色线接输入0.05,灰色线接输入0.06,白色线接输入0.07,粉色线接输入0.08,PLC 的COM 接电源负极。
(5)图1 为线驱动编码器的接线原理,图2 为实际接线图,黑色线接A0+,黑红镶边线A0-,白色线接B0+,白红镶边线接B0-, 橙色线接Z0+,橙红镶边线接Z0-,褐色线接电源+5V,蓝色线接电源0V,切勿接线错误。
编码器的使用方法及注意事项(最新版4篇)目录(篇1)I.编码器的定义和作用II.编码器的种类和使用方法III.编码器的使用注意事项IV.总结正文(篇1)编码器是一种将模拟信号转换为数字信号的设备,广泛应用于工业自动化、物联网、智能家居等领域。
以下是编码器的使用方法及注意事项:一、编码器的定义和作用编码器是一种将模拟信号转换为数字信号的设备,其主要作用是实现对物理量的测量和控制。
常见的编码器有光电编码器、磁编码器、超声编码器等。
二、编码器的种类和使用方法1.光电编码器:光电编码器是一种利用光电效应将旋转角度转换为数字信号的设备。
使用光电编码器时,需要将传感器固定在旋转部件上,并将编码盘固定在旋转轴上。
通过读取传感器输出的数字信号,可以实现对旋转角度的测量和控制。
2.磁编码器:磁编码器是一种利用磁感应原理将旋转角度转换为数字信号的设备。
使用磁编码器时,需要将传感器固定在旋转部件上,并将编码盘固定在旋转轴上。
通过读取传感器输出的数字信号,可以实现对旋转角度的测量和控制。
3.超声编码器:超声编码器是一种利用超声波原理将旋转角度转换为数字信号的设备。
使用超声编码器时,需要将传感器固定在旋转部件上,并将超声波发生器和接收器分别安装在旋转轴和旋转部件上。
通过读取传感器输出的数字信号,可以实现对旋转角度的测量和控制。
三、编码器的使用注意事项1.确保编码器与被测物体之间的距离和角度正确,避免误差。
2.在使用光电编码器时,需要注意传感器的清洁和维护,避免灰尘和油污对测量精度的影响。
目录(篇2)I.编码器的定义和作用II.编码器的使用方法III.编码器的注意事项正文(篇2)I.编码器的定义和作用编码器是一种将模拟信号转换为数字信号的设备,常用于测量和监控设备的运行状态。
编码器可以将设备的速度、位置、旋转方向等参数转换成数字信号,从而实现对设备的自动化控制。
II.编码器的使用方法1.确认编码器的连接方式:编码器通常采用串口或网络接口与控制系统连接。
编码器是一种用来将机械或光学运动转换成电子信号的设备。
它可以将运动的信息转换成数字形式,用于控制系统或者数据采集。
在编码器中,接线是非常重要的一部分,正确的接线可以确保编码器正常工作,反之则会导致编码器失效。
本文将介绍编码器接线的原理和方法。
一、编码器接线的原理1.编码器的工作原理编码器是由光电传感器和旋转盘(或者线性标尺)组成的。
当旋转盘或者线性标尺发生运动时,光电传感器会感应到运动的变化,然后将这些变化转换成电子信号。
这些电子信号可以表示旋转的方向和速度,也可以用来计数和控制。
2.编码器的接线原理编码器接线的原理是将光电传感器产生的信号接入到相应的控制系统或者数据采集卡中,以便进行信号的处理和分析。
一般来说,编码器的接线会包括信号线、供电线和接地线。
信号线用来传输编码器产生的信号,供电线用来为编码器提供工作电源,接地线用来保证信号的稳定和可靠传输。
二、编码器接线的方法1.确定编码器的接线方式在进行编码器接线之前,首先需要确定编码器的接线方式。
一般来说,编码器的接线方式有两种,分别是增量式编码器和绝对式编码器。
增量式编码器的接线比较简单,一般只需要将信号线、供电线和接地线接入相应的接口即可。
而绝对式编码器的接线比较复杂,需要根据具体的接口和信号类型来确定接线方式。
2.进行接线测试在确定了编码器的接线方式之后,需要进行接线测试。
接线测试的目的是验证接线的正确性,确保编码器可以正常工作。
接线测试一般包括对信号线、供电线和接地线进行测试,检测它们之间的连接是否正常,以及信号的稳定性和准确性。
3.接线固定接线测试通过之后,需要对接线进行固定。
接线固定的目的是防止接线在运动中松动或者断开,导致编码器失效。
一般来说,可以使用绝缘胶带或者接线端子来固定接线,确保接线的可靠性和稳定性。
三、总结编码器是将机械或者光学运动转换成电子信号的设备,它在自动化控制和数据采集中起着重要的作用。
正确的接线是确保编码器正常工作的关键,我们需要了解编码器的接线原理和方法,确保接线的正确性和稳定性。
详细图文解析编码器正确的接线方法
编码器正确的接线方法:
(1)正确接线至关重要,如图1 为NPN 输出增量型E6B2-CWZ6C 的接线原理,图2 为NPN 输出增量型E6B2-CWZ6C 的实际接线,棕色线接电源正极,蓝色线接电源负极,黑色线接输入0.00,白色线接输入0.01,橙色线接输入0.04,PLC 的COM 接电源正极。
(2)下图为PNP 输出增量型E6B2-CWZ6B 的实际接线图,棕色线接电源正极,蓝色线接电源负极,黑色线接输入0.00,白色线接输入0.01,橙色线接输入0.04,PLC 的COM 接电源负极。
(3)图1 为绝对值型编码器的线与PLC 输入的点的对应图,图2 为NPN 输出绝对值型E6C3-AG5C 的实际接线图,红色线接电源正极,黑色线接电源负极,褐色线接输入0.00,橙色线接输入0.01,黄色线接输入0.02,绿色线接输入0.03,蓝色线接输入0.04,紫色线接输入0.05,灰色线接输入0.06,白色线接输入0.07,粉色线接输入0.08,PLC 的COM 接电源正极。
(4)下图为PNP 输出绝对值型E6C3-AG5B 的实际接线图,红色线接。
详细图文解析编码器正确的接线方法
编码器正确的接线方法:
(1)正确接线至关重要,如图1 为NPN 输出增量型E6B2-CWZ6C 的接线原理,图2 为NPN 输出增量型E6B2-CWZ6C 的实际接线,棕色线接电源正极,蓝色线接电源负极,黑色线接输入0.00,白色线接输入0.01,橙色线接输入0.04,PLC 的COM 接电源正极。
(2)下图为PNP 输出增量型E6B2-CWZ6B 的实际接线图,棕色线接电源正极,蓝色线接电源负极,黑色线接输入0.00,白色线接输入0.01,橙色线接输入0.04,PLC 的COM 接电源负极。
(3)图1 为绝对值型编码器的线与PLC 输入的点的对应图,图2 为NPN 输出绝对值型E6C3-AG5C 的实际接线图,红色线接电源正极,黑色线接电源负极,褐色线接输入0.00,橙色线接输入0.01,黄色线接输入0.02,绿色线接输入0.03,蓝色线接输入0.04,紫色线接输入0.05,灰色线接输入0.06,白色线接输入0.07,粉色线接输入0.08,PLC 的COM 接电源正极。
(4)下图为PNP 输出绝对值型E6C3-AG5B 的实际接线图,红色线接
电源正极,黑色线接电源负极,褐色线接输入0.00,橙色线接输入0.01,黄色线接输入0.02,绿色线接输入0.03,蓝色线接输入0.04,紫色线接输入0.05,灰色线接输入0.06,白色线接输入0.07,粉色线接输入0.08,PLC 的COM 接电源负极。
(5)图1 为线驱动编码器的接线原理,图2 为实际接线图,黑色线接A0+,黑红镶边线A0-,白色线接B0+,白红镶边线接B0-, 橙色线接Z0+,橙红镶边线接Z0-,褐色线接电源+5V,蓝色线接电源0V,切勿接线错误。
。
众海编码器使用说明摘要:1.众海编码器概述2.众海编码器的安装与配置3.众海编码器的使用方法4.众海编码器的维护与升级5.众海编码器的技术支持与联系方式正文:一、众海编码器概述众海编码器是一款高性能、多功能的编码器,适用于各种自动化控制系统。
它能够实现对旋转轴位置的精确测量,并将测量结果转换为标准电信号输出,以满足不同工业控制领域的需求。
众海编码器具有体积小、精度高、稳定性强、抗干扰能力强等优点,广泛应用于机床、电机、电梯、自动化生产线等领域。
二、众海编码器的安装与配置1.安装众海编码器可安装在各种旋转轴上,如轴端或轴承座上。
安装时,请确保编码器与旋转轴之间的连接牢固可靠,并保证编码器轴与旋转轴的同心度。
此外,为了保证编码器的工作环境,应尽量避免将其安装在潮湿、高温或充满尘埃的环境中。
2.配置众海编码器有多种型号,用户可根据实际需求选择合适的型号。
配置时,需要设置编码器的工作电压、输出信号类型等参数。
对于某些特殊应用场景,用户还可以选择定制编码器,以满足特定需求。
三、众海编码器的使用方法1.连接众海编码器输出信号为电信号,通常包括A 相、B 相和Z 相输出。
其中,A 相和B 相输出信号为旋转轴位置的绝对值,Z 相输出信号为旋转轴的零位参考。
用户需要将编码器的A 相、B 相和Z 相输出分别接入控制系统的相应输入端口。
2.调试在实际应用中,为了确保编码器的测量精度,需要对其进行调试。
调试主要包括调整编码器的零位、校准旋转轴位置等步骤。
具体调试方法可参考编码器说明书。
四、众海编码器的维护与升级1.维护为了保证众海编码器的正常工作和延长使用寿命,应定期对其进行维护。
维护主要包括清洁编码器外部灰尘和油污、检查连接线是否松动、检查编码器轴是否磨损等。
2.升级众海编码器支持固件升级,以适应不断更新的控制系统需求。
用户可通过厂家提供的升级工具进行固件升级。
五、众海编码器的技术支持与联系方式众海编码器提供全面的技术支持服务,包括产品选型、安装调试、故障排除等。
安装指南Avigilon™模拟视频编码器型号:ENC-4P-H264重要安全信息本手册针对本摄像机的使用提供有关安装与操作信息以及预防措施。
安装不当可能导致意外故障。
安装本设备之前,请仔细阅读本手册。
请为设备用户提供本手册,以备日后使用。
l请勿靠近水使用或受到淋湿或溅湿。
l请勿将装有液体的物品放置在设备的上方。
l请勿受雨淋或受潮。
l仅限室内使用。
如果在室外使用,则需要使用规定的室外安装转换器或防护罩。
如需更多信息,请咨询Avigilon。
l安装设备仅限合格人员来完成,且必须符合当地所有法规。
l本产品专用电源为标有“2级”或“LPS”或“有限功率电源”的UL认证电源单元,额定输出电压为12 VDC或24 VAC,最小额定功率为8 W;或者,采用以太网供电(PoE),额定电压为48 VDC,最小额定功率为8 W。
l与本产品连接的任何外部电源只能与同型号系列的其他Avigilon产品连接。
外部电源接头必须进行适当绝缘。
l严禁与市供电源直接连接。
l请勿安装在任何热源附近,比如散热器、热风口、炉灶或其他热源。
l请勿使线缆受到过大压力、过重负载或拧扯。
l请勿拆开或拆解设备。
产品不含用户可自行维修部件。
l将所有维修交给合格人员完成。
可能需要维修的情况有以下几种:摄像机损坏(比如,因液体溅湿或坠落物而损坏),受雨淋或受潮,不正常运行或者掉落。
l清洁设备机身时,请勿使用强效洗涤剂或腐蚀性洗涤剂。
l仅使用Avigilon推荐的附件。
l如果未按照本文档的说明来使用控制或调节装置或者操作步骤,可能会导致有害辐射泄露。
合规声明本设备符合FCC规程的第15部分规定。
摄像机运行遵守以下两个条件:(1)本设备不会产生有害干扰;(2)本设备必须承受收到的任何干扰,包括可能导致意外运行的干扰。
本A类数码设备符合加拿大ICES-003标准。
FCC声明测试结果表明,根据FCC规程第15部分,本设备符合A类数码设备的规定。
这些规定用于提供合理保护,以免在商业环境中运行时受到有害干扰。
旋转编码器与后续设备(PLC、计数器等)接线如何接?分享到:⑴与PLC连接,以CPM1A为例:①NPN集电极开路输出方法1:如下图所示这种接线方式应用于当传感器的工作电压与PLC的输入电压不同时,取编码器晶体管部分,另外串入电源,以无电压形式接入PLC。
但是需要注意的是,外接电源的电压必须在DC30V以下,开关容量每相35mA以下,超过这个工作电压,则编码器内部可能会发生损坏。
具体接线方式如下:编码器的褐线接编码器工作电压正极,蓝线接编码器工作电压负极,输出线依次接入PLC的输入点,蓝线接外接电源负极,外接电源正极接入PLC的输入com 端。
方法2:编码器的褐线接电源正极,输出线依次接入PLC的输入点,蓝线接电源负极,再从电源正极端拉根线接入PLC输入com端。
②电压输出接线方式如图所示:具体接线方式如下:编码器的褐线接电源正极,输出线依次接入PLC的输入点,蓝线接电源负极,再从电源正极端拉根线接入PLC输入com端。
③PNP集电极开路输出接线方式如下图所示:具体接线方式如下:编码器的褐线接工作电压正极,蓝线接工作电压负极,输出线依次接入PLC的输入com端,再从电源负极端拉根线接入PLC的输入com端。
④线性驱动输出具体接线如下:输出线依次接入后续设备相应的输入点,褐线接工作电压的正极,蓝线接工作电压的负极。
⑵与计数器连接,以H7CX(OMRON制)为例H7CX输入信号分为无电压输入和电压输入。
①无电压输入:以无电压方式输入时,只接受NPN输出信号。
NPN集电极开路输出的接线方式如下:具体接线方式如下:褐线接电源正极,蓝线接电源负极,再从电源负极端拉根线接6号端子,黑线和白线接入8和9号端子,如果需要自动复位,则橙线接入7号端子。
NPN电压输出的接线方式如下:接线方式与NPN集电极开路输出方式一样。
②电压输入NPN集电极开路输出的接线方式如下图所示:具体接线方式如下:褐线接电源正极,蓝线接电源负极,再从电源负极端拉根线接6号端子,黑线和白线接入8和9号端子,如果需要自动复位,则橙线接入7号端子。
GST-BMQ-4编码器安装使用说明书(Ver.1.01,2022.06)一、概述GST-BMQ-4编码器(以下简称编码器)可对电子编码的探测器或模块进行地址码、灵敏度、设备类型等的读出和地址码、灵敏度的写入功能以及单点测试功能,还可对总线上的探测器或模块进行在线设备统计、批量测试、重码检测等操作。
二、特点1.该编码器采用手握式结构,外形小巧,携带方便,操作简单;2.可对公司生产的总线型探测器、模块等设备编码,也可进行在线设备统计、批量测试、重码检测等操作;3.采用128*128点阵液晶显示,支持汉字、数字、字母、图标显示,显示直观;4.具有低功耗模式、自动关机功能;5.具有电池欠压指示功能;6.具备背光显示功能。
三、技术特性1.电源:4节5号1.5V电池或DC5V USB电源2.工作电流≤12mA3.待机电流≤0.3mA4.使用环境:温度:-10℃~+50℃相对湿度≤95%,不凝露5.尺寸:166mm×62mm×26mm6.外壳防护等级:IP40四、结构特征外形示意图如图1所示。
图1外形示意图1.总线接口2.TYPE-C接口3.开关键4.液晶屏5.背光键6.金属触片7.滑动按钮8.铭牌9.电池盒后盖10.固定螺钉其中各部分名称和功能说明如下:1.总线接口:编码器通过总线接口与探测器或模块相连。
2.TYPE-C接口:用于外置供电或编码器固件版本升级(固件升级属于专业操作,本说明书不做介绍)。
3.开机键:完成系统硬件开机和关机操作。
4.液晶屏:显示有关探测器的一切信息和操作人员输入的相关信息,并且当电源欠压时给出指示。
5.背光键:液晶屏背光的打开与关闭。
6.金属触片:编码器通过金属触片与探测器相接触(目前只适用G5系列探测器)。
7.滑动按钮:通过滑动按钮推出或收回金属触片。
8.铭牌:印于编码器背面。
9.电池盒后盖:内部放置电池。
10.固定螺钉:将电池盒后盖和后壳固定在一起。
五、使用及操作1.电池的初次安装打开电池盖螺丝和电池盒后盖,将电池正确装在电池盒内,盖好后盖,拧紧螺丝。
海湾电子编码器安装使用说明书一、概述GST-BMQ-2电子编码器(以下简称编码器)可对电子编码的探测器或模块进行地址码、灵敏度、设备类型等的读出和地址码、灵敏度的写入功能,还可以对火灾显示盘进行地址码、灯号及二次码的读出和写入。
二、特点1. 该编码器采用手握式结构,外形小巧,携带方便,操作简单;2. 该编码器可通过编码器后盖的总线接口,直接和总线型探测器旋接,进行编码等操作,更加方便,如图2所示(略);3. 可对公司生产的总线型探测器、模块等设备编码,可对ZF-GST8903火灾显示盘、JTY-HM-GST102线型光束感烟火灾探测器、JTY-HF-GST102线型光束感烟火灾探测器、隔爆点型可燃气体探测器等I²C接口设备编码;4. 四位段码式液晶显示,显示直观;5. 低功耗睡眠和自动关机功能;6. 电池欠压指示功能三、技术特性1. 电源:1节9V叠式电池2. 工作电流≤8mA3. 待机电流≤100чA4. 使用环境:温度:-10℃~+50℃相对湿度≤95%,不凝露5. 尺寸:164mm×64mm×37mm四、结构特征外形示意图如图1所示(略)1:电源开关 2:液晶屏3:总线插口 4:火灾显示盘接口(I²C)5:复位键 6:固定螺丝7:电池盒后盖 8:铭牌9:JTY-GD-G3、JTY-ZCD-G3N探测器总线接口10:JTY-GM-GST9611、JTW-ZOM-GST9612型探测器总线接口11:电池盒后盖螺丝 12:保护盖其中各部分名称和功能说明如下:1. 电源开关:完成系统硬件开机和关机操作。
2. 液晶屏:显示有关探测器的一切信息和操作人员输入的相关信息,并且当电源欠压时给出指示。
3. 总线插口:编码器通过总线插口与探测器或模块相连。
4. 火灾显示盘接口(I²C):编码器通过此接口与ZF-GST8903火灾显示盘或以I²C编程方式编码的探测器相连。
GS编码器接线方式(1)
1:编码器插头与编码器底座对应接法
9 9
9 9
编码器针 1 8 3 4 6 5 10 12
变频插头 1 2 3 4 5 6 7 8
注解1:编码器底座,与编码器插头正面看为一对一的关系,但是装上以后不是对应的关系。
2:编码器11号脚为零线与地线并接。
本接线方式为编码器插头12号与11号并联
GS编码器接线方式(2)
2:编码器插头与编码器底座不对应接法
编码器:
9 9
9 9
编码器插针8 1 6 5 3 4 12 10 变频插头 1 2 3 4 5 6 7 8
注解1:编码器底座与编码器插头正面看为不对应的关系,但是装上以后不是一对一的关系。
2:编码器11号脚为零线与地线并接。
本接线方式为编码器插头10号与11号并联。
编码器的安装使用与接线方法
绝对型旋转编码器的机械安装使用:绝对型旋转编码器的机械安装有高速端安装、低速端安装、辅助机械装置安装等多种形式。
高速端安装:安装于动力马达转轴端(或齿轮连接),此方法优点是分辨率高,由于多圈编码器
有4096圈,马达转动圈数在此量程范围内,可充分用足量程而提高分辨率,缺点是运动物体通过减
速齿轮后,来回程有齿轮间隙误差,一般用于单向高精度控制定位,例如轧钢的辊缝控制。
另外编码器直接安装于高速端,马达抖动须较小,不然易损坏编码器。
低速端安装:安装于减速齿轮后,如卷扬钢丝绳卷筒的轴端或最后一节减速齿轮轴端,此方法已无齿轮来回程间隙,测量较直接,精度较高,此方法一般测量长距离定位,例如各种提升设备,送料小车定位等。
辅助机械安装:常用的有齿轮齿条、链条皮带、摩擦转轮、收绳机械等。
旋转编码器是一种光电式旋转测量装置,它将被测的角位移直接转换成数字信号(高速脉冲信号)。
编码器如以信号原理来分,有增量型编码器,绝对型编码器。
我们通常用的是增量型编码器,可将旋转编码器的输出脉冲信号直接输入给PLC,利用PLC的高速计数器对其脉冲信号进行计数,以获得测量结果。
不同型号的旋转编码器,其输出脉冲的相数也不同,有的旋转编码器输出A、B、Z三相脉冲,有的只有A、B相两相,最简单的只有A相。
编码器有5条引线,其中3条是脉冲输出线,1条是COM端线,1条是电源线(OC门输出型)。
编码器的电源可以是外接电源,也可直接使用PLC的DC24V电源。
电源“-”端要与编码器的COM 端连接,“+ ”与编码器的电源端连接。
编码器的COM端与PLC输入COM端连接,A、B、Z两相脉冲输出线直接与PLC的输入端连接,A、B为相差90度的脉冲,Z相信号在编码器旋转一圈只有一个脉冲,通常用来做零点的依据,连接时要注意PLC输入的响应时间。
旋转编码器还有一条屏蔽线,使用时要将屏蔽线接地,提高抗干扰性。
编码器-----------PLC
A-----------------X0
B-----------------X1
Z------------------X2
+24V------------+24V
COM------------- -24V-----------COM[1]。