工程训练车削训练教案样本
- 格式:doc
- 大小:478.50 KB
- 文档页数:17
课时安排:2课时教学目标:1. 让学生掌握车工基本操作技能,包括车床的基本构造、操作规程和基本安全知识。
2. 使学生能够熟练进行车外圆柱面、车内圆柱面、车圆锥等基本车削操作。
3. 培养学生的安全意识,提高实际操作能力。
教学重点:1. 车床的基本操作规程。
2. 车削的基本操作技能。
教学难点:1. 车削过程中工件定位与夹具的使用。
2. 车削过程中刀具的选择与调整。
教学准备:1. 车床、车刀、工件、夹具等实训设备。
2. 相关教材、教学视频等教学资源。
教学过程:第一课时一、导入1. 通过图片、视频等形式展示车工在实际生产中的应用,激发学生的学习兴趣。
2. 引导学生思考车工实训的重要性。
二、讲解车床的基本构造与操作规程1. 讲解车床的基本构造,包括主轴、刀架、床身等部分。
2. 讲解车床的操作规程,包括开机、关机、工件安装、刀具安装等步骤。
三、示范操作1. 教师示范车削外圆柱面的操作过程,包括工件定位、刀具安装、切削参数的调整等。
2. 学生观摩并记录操作步骤。
四、学生实践操作1. 学生按照示范步骤进行车削外圆柱面的操作。
2. 教师巡回指导,解答学生疑问。
五、总结与反馈1. 教师总结本节课所学内容,强调操作要点。
2. 学生反馈操作过程中遇到的问题,教师进行解答。
第二课时一、复习与巩固1. 复习上节课所学内容,巩固车床的基本操作规程。
2. 复习车削外圆柱面的操作步骤。
二、讲解车内圆柱面、车圆锥的操作方法1. 讲解车内圆柱面、车圆锥的操作方法,包括工件定位、刀具安装、切削参数的调整等。
2. 教师示范操作,学生观摩。
三、学生实践操作1. 学生按照示范步骤进行车内圆柱面、车圆锥的操作。
2. 教师巡回指导,解答学生疑问。
四、总结与反馈1. 教师总结本节课所学内容,强调操作要点。
2. 学生反馈操作过程中遇到的问题,教师进行解答。
五、布置作业1. 学生课后复习本节课所学内容,巩固操作技能。
2. 学生课后练习车削车内圆柱面、车圆锥,提高操作水平。
典型零件车削加工
教学内容及过程
说明
教学设计:
教学内容及过程: 一、组织教学
1、检查学生出勤情况,及工作服穿着情况。
2、强调课堂纪律,要求学生认真听讲,细心操作。
3、加强安全文明生产教育。
二、入门指导
【复习提问】
1、G71、G9
2、G75指令的格式?使用时的注意事项有哪些? 2、车削外圆、切槽时切削用量的选择?车削螺纹主轴转速的选择?
3、找多名学生回答提出的问题,并给予评价。
【引入新课】 情境设置:教师准备一个已经制作好的零件,进行产品展示,供学生参考,让学生能有一个感性认识,并以此引入新课的讲解。
实物图片
讲解 讨论 复习 已学 知识 做到 温故 知新
5~10 分钟
实物 展示。
工程训练(车削训练)教案
二、车床
1、普通车床的编号
在编号C618中。
——是“车床”汉语拼音的第一个字母(大写)为车削类机床;
副切削刃:是前面和副后面的交线,它担负少量的切削任务。
刀尖:是主切削刃和副切削刃的相交部分,它通常是一小段过渡圆弧。
2、车刀的切削部分主要角度:
1)前角(γ)——前角表示前刀面相对水平面的倾斜程度,其作用是使车刀容易切下切屑。
一般前角为5°~
负前角。
安装工件应注意选用合理、可靠的装夹基面,且要找正夹牢。
使用顶尖安装工件时,要拧紧卡箍螺钉,锁紧尾架和尾架套筒。
思考题:
思考题:
车削工件时,为什么需要试切?
尖刀主要用于粗车外圆和没有台阶或台阶不大的外圆。
车高度在5mm以上的台阶时,应分层进行切削。
(见下图)
车端面时应注意以下几点:
1)车刀的刀尖应对准工件中心,以免车出的端面中心留有凸台。
2)偏刀车端面,当切深较大时,容易扎刀。
而且到工件中心时是将凸
见图:根据零件的锥角2α,将小刀架扳转
法操作简单,能保证一定的加工精度,而且还能车内锥角和锥角很大的锥。
一、教学目标1. 知识目标:(1)使学生掌握车工的基本操作技能,了解车床的结构和功能;(2)使学生熟悉车削加工的基本原理和加工方法;(3)使学生了解常用刀具的种类、性能和选用方法。
2. 能力目标:(1)培养学生独立操作车床的能力;(2)提高学生的动手实践能力;(3)培养学生的团队协作精神和沟通能力。
3. 情感目标:(1)激发学生对车工实训的兴趣,提高学生的学习积极性;(2)培养学生严谨的工作态度和良好的职业素养;(3)增强学生的安全意识,提高自我保护能力。
二、教学内容1. 车床的基本结构及功能;2. 车削加工的基本原理和加工方法;3. 常用刀具的种类、性能和选用方法;4. 车削加工工艺及注意事项;5. 实训操作:车削外圆柱面、内圆柱面、圆锥面、成形面等。
三、教学过程1. 导入新课(1)简要介绍车工实训的意义和目的;(2)播放车工实训操作视频,激发学生的学习兴趣。
2. 讲解与演示(1)讲解车床的基本结构及功能;(2)演示车削加工的基本原理和加工方法;(3)介绍常用刀具的种类、性能和选用方法;(4)讲解车削加工工艺及注意事项。
3. 学生实训(1)分组进行车削实训,每组一名指导教师;(2)学生按照指导教师的指导,进行车削操作;(3)指导教师巡回指导,纠正学生的错误操作。
4. 总结与评价(1)总结本次实训的收获与不足;(2)对学生的实训成果进行评价;(3)布置课后作业,巩固所学知识。
四、教学资源1. 教学课件;2. 车床、刀具、工件等实训设备;3. 实训指导书。
五、教学评价1. 学生对车工实训的兴趣和积极性;2. 学生掌握车工基本操作技能的程度;3. 学生在实训过程中的表现,如团队合作、沟通能力等;4. 学生对实训内容的理解和应用能力。
六、教学反思1. 教师应注重实训过程中的安全教育和操作规范;2. 加强对学生操作技能的指导,提高实训效果;3. 关注学生的个体差异,因材施教;4. 激发学生的学习兴趣,提高学生的学习积极性。
工程训练教学大纲
训练时间5天(22小时)
一目的与意义:提高学生动手能力,通过操作训练,使学生较熟练地掌握车工初级基本操作技能。
二内容与时间安排:
内容技能要求时间
一工艺准
备(一)讲述轴、套和圆
锥、螺纹
能读懂轴、套和圆锥、螺纹及圆弧等简单零
件图
120分钟(二)制定加工工艺
1.能读懂轴、套和圆锥、螺纹及圆弧等简
单零件的机械加工工艺过程
2.能制定简单零件的车削加工顺序(工步)
3.能合理选择切削用量
4.能合理选择切削液
90分钟(三)刀具准备
能合理选用车床常用刀具
60分钟(四)设备维护保养能简单维护保养普通车床30分钟
二、工件加工,精度检验及误差
分析(一)轴类零件的加工
及检验误差分析
1能车削3个以上台阶的普通台阶轴,并达
到图纸要求:
2..能使用游标卡尺、千分尺、测量直径及长
度
180分钟
(二)套类零件的加工
及检验误差分析
1能车削套类零件,并达到图纸要求
2.能使用游标卡尺、千分尺,内径百分表
测量直径,内空及长度.
3.能用塞规测量孔径
240分钟
(三)螺纹的加工及检
验误差分析
1能车削普通螺纹,并达到图纸要求
2.能用螺纹千分尺测量三角螺纹的中径
3.能用三针测量螺纹中径
4.能用螺纹环规及塞规对螺纹进行综合检
验
300分钟
(四)锥面的加工及检
验误差分析
1能车削具有内、外圆锥面工件的锥面并进
行相应的计算和调整
2.能用角度样板、万能角度尺测量锥度
3.能用涂色法检验锥度
300分钟。
车工实训教学教案(全)(二)引言概述:车工实训教学教案是在工业领域中必不可少的教学工具之一。
本教案旨在为学生提供全面的车工实训知识和技能,并通过系统化的教学过程,培养学生的动手能力、创新思维和解决问题的能力。
本教案分为五个大点,分别是机床操作,刀具选择,工件夹紧,车削工艺和质量检测,每个大点包含五到九个小点,旨在帮助学生全面理解车工实训的核心要点。
正文:一、机床操作1. 了解机床的结构和工作原理2. 熟悉机床的安全操作规程3. 学习机床的调速和进给控制4. 掌握不同机床的操作步骤5. 实践使用机床进行基础加工操作二、刀具选择1. 了解不同类型刀具的结构和用途2. 学习刀具的选配原则3. 掌握刀具的安装和调整方法4. 熟悉刀具的使用寿命和维护5. 实践使用不同刀具进行车削加工三、工件夹紧1. 理解工件夹紧的目的和原理2. 掌握不同类型夹具的使用方法3. 学习夹具的设计和制作4. 熟悉夹具的调试和使用注意事项5. 实践使用夹具进行工件夹紧和固定四、车削工艺1. 理解车削工艺的基本概念和要点2. 学习车削参数的选择和调整3. 掌握不同车削方法的应用4. 熟悉车削中的刀具路径和加工顺序5. 实践使用车床进行不同工件的车削加工五、质量检测1. 了解质量检测的意义和重要性2. 学习常见的质量检测方法和仪器使用3. 掌握尺寸测量和表面质量检测技术4. 熟悉质检标准和工艺要求5. 实践使用检测仪器进行质量检测和判定总结:通过本教案的学习,学生可以全面掌握车工实训的核心要点,包括机床操作、刀具选择、工件夹紧、车削工艺和质量检测等方面的知识和技能。
这将为学生将来从事车工实践工作打下坚实的基础,提高其实际操作和问题解决能力。
希望本教案能够为车工实训教学提供参考和指导,促进学生的全面发展。
《车削实习教案》word版第一章:车削实习概述1.1 车削实习的目的和意义1.2 车削实习的基本要求1.3 车削实习的安全注意事项第二章:车削工具和设备2.1 车床的分类和结构2.2 车刀的类型和选用2.3 车床附件和工具的使用第三章:车削基本工艺3.1 车削轴类零件3.2 车削螺纹零件3.3 车削齿轮零件3.4 车削球形和圆柱形零件第四章:车削加工质量控制4.1 车削加工质量的定义和评价指标4.2 影响车削加工质量的因素4.3 提高车削加工质量的途径第五章:车削实习操作实例5.1 轴类零件的车削操作实例5.2 螺纹零件的车削操作实例5.3 齿轮零件的车削操作实例5.4 球形和圆柱形零件的车削操作实例第六章:车削加工工艺参数选择6.1 切削参数的选择6.2 切削液的选择和使用6.3 车削速度、进给量和切削深度的确定第七章:车削加工中的误差控制7.1 加工误差的类型与产生原因7.2 误差测量与评定7.3 减小加工误差的方法第八章:车削加工中的刀具补偿8.1 刀具补偿的概念与作用8.2 刀具补偿的计算与设置8.3 刀具补偿的应用实例第九章:复杂零件的车削加工9.1 复杂零件的特点和加工要求9.2 复杂零件的车削加工策略9.3 复杂零件加工实例分析第十章:车削实习项目与评价10.1 车削实习项目的设置与实施10.2 车削实习成果的评价方法10.3 车削实习成果评价实例第十一章:车削加工中的数控编程11.1 数控车床的基本原理与结构11.2 数控车削编程的基本概念11.3 数控车削编程实例第十二章:车削加工自动化与应用12.1 车削加工自动化的意义与发展趋势12.2 车削的基本结构与工作原理12.3 车削应用实例第十三章:车削加工中的绿色制造与可持续发展13.1 绿色制造的概念与内涵13.2 车削加工中的绿色制造技术13.3 车削加工可持续发展策略第十四章:车削加工安全与环保14.1 车削加工中的安全风险与预防措施14.2 车削加工中的环保要求与实施方法14.3 车削加工安全与环保实例第十五章:车削实习总结与展望15.1 车削实习的成果与收获15.2 车削实习中存在的问题与改进方向15.3 车削实习的发展趋势与展望重点和难点解析本文主要介绍了《车削实习教案》的内容,包括车削实习概述、车削工具和设备、车削基本工艺、车削加工质量控制、车削实习操作实例、车削加工工艺参数选择、车削加工中的误差控制、车削加工中的刀具补偿、复杂零件的车削加工、车削实习项目与评价、车削加工中的数控编程、车削加工自动化与应用、车削加工中的绿色制造与可持续发展、车削加工安全与环保以及车削实习总结与展望等十五个章节。
车削实习教案车削实习教案〔附件〕第一天一、看录像,了解车削的基本知识二、车工安全讲解1、要认真练好基本操作。
2、独立操作时要精力集中,一丝不苟,胆大心细,先想后动。
3、要严格遵守各项安全操作规程〔由师傅具体讲解〕。
4、有问题要及时请教师傅,不要自行其事。
三、车床介绍及空载运作1、熟悉卧式车床的型号、组成、运动和用途,掌握车床的操作方法并加工零件。
2、了解车床的典型传动方式、典型机构及传动系统。
3、了解车床常用附件的大致结构和用途。
要会选择零件的装夹方法。
4、了解常用的刀具材料、车刀角度的作用及车刀的刃磨方法。
5、了解各种回转外表的加工方法及所用刀具;了解车外圆、钻孔、车孔所能到达的尺寸公差等级和外表粗糙度R a值的范围。
6、了解空载运作。
四、示范讲解工件安装及刀具安装1、示范讲解工件的安装和找正的方法1〕松开三爪,使之处于适当的位置。
2〕将工件放置在三爪卡盘上,并轻轻夹紧。
3〕找正工件:扳转卡盘观察端面跳动的情况,用三爪扳手轻敲击突出部分……一直到端面跳动符合要求为止。
4〕找正后卡紧工件。
强调:①卡紧时的正确姿势和用力方式。
②工件卡紧后必须立即取下卡盘扳了。
2、示范讲解刀具安装1〕讲解并示范车刀安放的要求①车刀放在方刀架左侧。
②车刀前面朝上。
③刀头伸出长度约等于刀体的倍。
④右偏刀主切削刃应与横向进给方向成3°~5°。
⑤刀尖应与车床旋转轴线等高,一般用尾顶尖校对高低。
⑥调整刀尖高度用垫刀片。
2〕安放好车刀,用螺钉轻轻拧住。
3〕示范并讲解校对刀尖高低①把刀架摇向尾座。
②扳转方刀架和摇动尾座套筒,使刀尖接近顶尖。
③观察刀尖高低。
④示范:加垫刀片—-对顶尖—-调整垫刀片—-对顶尖……一直到刀尖与顶尖等高为止。
⑤强调注意事项:a.扳转方刀架不能用力过猛,防止车刀甩出;b.移动刀架和顶尖时,要防止刀尖撞及顶尖而损坏;c.垫刀片要平整对齐。
4〕示范压紧车刀①锁紧方刀架。
②压紧车刀。
③强调注意事项:a.紧固车刀时应先锁紧方刀架〔卸刀也要先锁紧方刀架〕;b.紧固车刀时刀尖应远离顶尖,防止方刀架转动而碰坏刀尖;c.如刀尖略高,应先紧车刀前面的螺钉;刀尖略低,先紧车刀后面的螺钉。
车削加工实训教案(授课人:)【课题】轴的车削加工【教学目标】1、知识目标:车削加工理论知识2、能力目标:车削加工操作技能、量具、夹具的使用【授课内容】1、车刀的安装及修整;2、工件的装夹及对刀;3、车削用量的选择,机床的调整及使用;4、工件的测量。
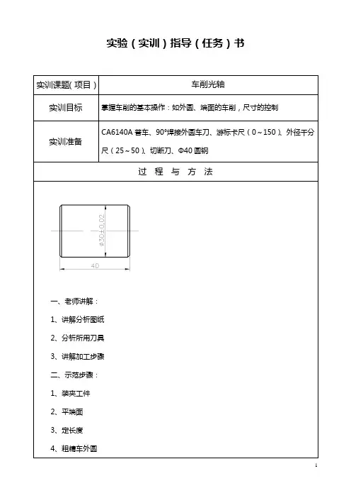
【教学重点】1、重点内容:工件的车削加工及测量2、突出重点的方法:示范练习指导【教学难点】1、难点内容:工件的车削加工及测量2、突破难点的方法:示范练习指导【教时安排】12课时【教学方式方法】案例、讲授、讨论、示范、指导【教学手段】实践操作【使用教具】【使用教材】《机械制造技术实训指导书》自编教材【参考资料】《机械制造技术》机械工业出版社虞华中主编2011【教学过程】(包括教学步骤、讲授内容、时间分配、教学方法、板书设计等)1.任务书在CA6140A型车床上加工下图中的模柄。
2.任务实施(1)选择车刀(2)工件的装夹(3)切削用量的选择①粗车时切削用量的选择:粗车时,因加工表面粗糙度要求不高,选取进给量主要考虑刀具和工件的刚性,硬质合金车刀车钢件时,αp应取2~4mm,f取0.6~0.9mm/r,切削速度vc 的选择: vc应取50~70m/min;车铸铁工件时αp ≤3mm,f取0.8~1.2mm/r,切削速度vc的选择取40~60m/min;高速钢车刀车削铸件或钢件时,切削速度均不得超过30m/min。
②精加工时主要考虑表面粗糙度要求,按表面粗糙度选取进给量,应选取较大的切削速度vc,硬质合金车刀车钢件时取50~90m/min,进给量f取0.25~0.3mm/r,背吃刀量αp取1~2mm进行车削,以获得较好的切削效果。
③机床的调整:先调主轴转速,再调整进给手柄,使之达到指定位置。
(4)切削的工艺过程表1.1 加工工艺过程工序号工序简图工序内容注意事项1 对刀及车端面必须动车对刀;车端面时应将刀架转一定角度并将端面车平。
2 车外圆至Φ42mm×70mm和Φ40mm×55mm并倒角车外圆时必须将刀架复位,以保证台阶面与外圆柱面间的90°夹角,注意直径、长度尺寸度量及控制,倒角。
工程训练(车削训练)教案
二、车床
1、普通车床的编号
在编号C618中。
——是“车床”汉语拼音的第一个字母(大写)为车削类机床;
副切削刃:是前面和副后面的交线,它担负少量的切削任务。
刀尖:是主切削刃和副切削刃的相交部分,它通常是一小段过渡圆弧。
2、车刀的切削部分主要角度:
1)前角(γ)——前角表示前刀面相对水平面的倾斜程度,其作用是使车刀容易切下切屑。
一般前角为5°~
负前角。
安装工件应注意选用合理、可靠的装夹基面,且要找正夹牢。
使用顶尖安装工件时,要拧紧卡箍螺钉,锁紧尾架和尾架套筒。
思考题:
思考题:
车削工件时,为什么需要试切?
尖刀主要用于粗车外圆和没有台阶或台阶不大的外圆。
车高度在5mm以上的台阶时,应分层进行切削。
(见下图)
车端面时应注意以下几点:
1)车刀的刀尖应对准工件中心,以免车出的端面中心留有凸台。
2)偏刀车端面,当切深较大时,容易扎刀。
而且到工件中心时是将凸
见图:根据零件的锥角2α,将小刀架扳转
法操作简单,能保证一定的加工精度,而且还能车内锥角和锥角很大的锥。
工程训练( 车削训练) 教案
教学手段课堂讲解、现场演示及训练场地实际指导操作
一、基本要求
( 1) 了解普通车床的型号、用途、切削运动、各组成部分的作用
及传动系统。
2) 熟悉车工常见的刀具( 右偏刀、弯头刀、镗刀、螺纹车刀、切
槽刀) 和量具( 钢板尺、游标卡尺) 以及主要附件( 三爪卡盘、四爪卡
盘、拨盘、顶尖、心轴、花盘、弯板、中心架、跟刀架) 的大致结
构和应用。
( 3) 熟悉车削外圆、端面、孔、螺纹、锥面、成形面和切槽、滚
花等加工方法以及车削加工可达到的尺寸公差等级和表粗糙度值的大致范
围。
( 4) 了解并遵守车工安全操作规程, 学会使用车床。
掌握车削端面、
备注外圆、锥面、钻孔、镗孔的操作方法, 能独立完成简单轴类等零件的加
工。
一、车床在机器制造中的作用
车床是金属切削机床中最主要的一种切削机床, 在一般的机器制造工
厂中以车床为主数量最多, 也称之为工作母机。
车床的功用是对各种大小
不同形状不同的旋转表面, 以及螺旋表面进行切削加工, 它是利用工件的
旋转运动和刀具的直线运动来切削金属的。
它能够把不同形状及材料的毛
坯变成我们需要的机器零件或其它零件。
二、车床
1、普通车床的编号
在编号C618中。
C——是”车床”汉语拼音的第一个字母( 大写) 为车削类机床; 6——代表普通车床;
18——代表主轴中心到床面距离的1/10, 即中心高为180mm。
根据1976年颁发的标准, 新编号为C6136。
C——是”车床”汉语拼音的第一个字母( 大写) 为车削类机床; 6——代表普通车床组; 1——代表普通车床型: 36——代表导轨上工件最大回转直径为360mm。
2、普通车床的用途和车削加工运动
在机械加工车间中, 车床约占机床总数的一半左右。
车床所用的刀具除了各种
部分及其功能
C6132普通车床主要是由床身、床头箱、进给箱、溜板箱、丝杠、
光杠、拖板( 大、中、小拖板) 、刀台和尾座等组成的。
床身: 用来支承车床的各个部件, 并按技术要求把各部件联接在一起,
床身要有足够的刚度和强度, 床身上有四条平行的导轨, 供大拖板及尾架
移动。
床头箱: 箱体内装有一根空心的主轴, 操作箱外的手柄是变换箱内的
齿轮啮合位置, 能够改变主轴的转速和刀架的进给方向。
在主轴的一端能
够安装卡盘或顶尖, 用来夹固或支承工件, 并带动工件作旋转的主运动。
进给箱: 从床头箱传来的运动, 经交换齿轮传给进给箱, 利用箱外的
手柄来改变齿轮的位置, 使光杠或丝杠得到多种不同的转速, 从而使大、
中拖板得到不同的移动速度, 以满足车削时所需的不同进给量和不同的螺
距要求。
光杠和
丝杠: 光杠。