车削加工实训教案.doc
- 格式:doc
- 大小:647.05 KB
- 文档页数:18
典型零件车削加工
教学内容及过程
说明
教学设计:
教学内容及过程: 一、组织教学
1、检查学生出勤情况,及工作服穿着情况。
2、强调课堂纪律,要求学生认真听讲,细心操作。
3、加强安全文明生产教育。
二、入门指导
【复习提问】
1、G71、G9
2、G75指令的格式?使用时的注意事项有哪些? 2、车削外圆、切槽时切削用量的选择?车削螺纹主轴转速的选择?
3、找多名学生回答提出的问题,并给予评价。
【引入新课】 情境设置:教师准备一个已经制作好的零件,进行产品展示,供学生参考,让学生能有一个感性认识,并以此引入新课的讲解。
实物图片
讲解 讨论 复习 已学 知识 做到 温故 知新
5~10 分钟
实物 展示。
工程训练(车削训练)教案
二、车床
1、普通车床的编号
在编号C618中。
——是“车床”汉语拼音的第一个字母(大写)为车削类机床;
副切削刃:是前面和副后面的交线,它担负少量的切削任务。
刀尖:是主切削刃和副切削刃的相交部分,它通常是一小段过渡圆弧。
2、车刀的切削部分主要角度:
1)前角(γ)——前角表示前刀面相对水平面的倾斜程度,其作用是使车刀容易切下切屑。
一般前角为5°~
负前角。
安装工件应注意选用合理、可靠的装夹基面,且要找正夹牢。
使用顶尖安装工件时,要拧紧卡箍螺钉,锁紧尾架和尾架套筒。
思考题:
思考题:
车削工件时,为什么需要试切?
尖刀主要用于粗车外圆和没有台阶或台阶不大的外圆。
车高度在5mm以上的台阶时,应分层进行切削。
(见下图)
车端面时应注意以下几点:
1)车刀的刀尖应对准工件中心,以免车出的端面中心留有凸台。
2)偏刀车端面,当切深较大时,容易扎刀。
而且到工件中心时是将凸
见图:根据零件的锥角2α,将小刀架扳转
法操作简单,能保证一定的加工精度,而且还能车内锥角和锥角很大的锥。
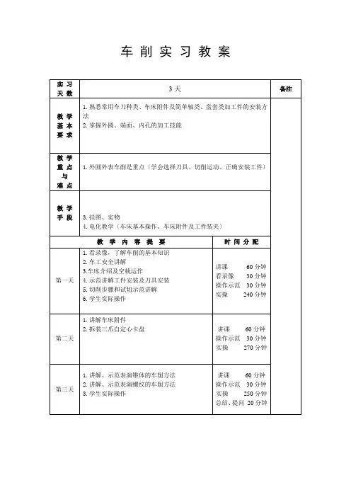
《车削实习教案》word版第一章:车削实习概述1.1 车削实习的目的和意义1.2 车削实习的基本要求1.3 车削实习的安全注意事项第二章:车削工具和设备2.1 车床的分类和结构2.2 车刀的类型和选用2.3 车床附件和工具的使用第三章:车削基本工艺3.1 车削轴类零件3.2 车削螺纹零件3.3 车削齿轮零件3.4 车削球形和圆柱形零件第四章:车削加工质量控制4.1 车削加工质量的定义和评价指标4.2 影响车削加工质量的因素4.3 提高车削加工质量的途径第五章:车削实习操作实例5.1 轴类零件的车削操作实例5.2 螺纹零件的车削操作实例5.3 齿轮零件的车削操作实例5.4 球形和圆柱形零件的车削操作实例第六章:车削加工工艺参数选择6.1 切削参数的选择6.2 切削液的选择和使用6.3 车削速度、进给量和切削深度的确定第七章:车削加工中的误差控制7.1 加工误差的类型与产生原因7.2 误差测量与评定7.3 减小加工误差的方法第八章:车削加工中的刀具补偿8.1 刀具补偿的概念与作用8.2 刀具补偿的计算与设置8.3 刀具补偿的应用实例第九章:复杂零件的车削加工9.1 复杂零件的特点和加工要求9.2 复杂零件的车削加工策略9.3 复杂零件加工实例分析第十章:车削实习项目与评价10.1 车削实习项目的设置与实施10.2 车削实习成果的评价方法10.3 车削实习成果评价实例第十一章:车削加工中的数控编程11.1 数控车床的基本原理与结构11.2 数控车削编程的基本概念11.3 数控车削编程实例第十二章:车削加工自动化与应用12.1 车削加工自动化的意义与发展趋势12.2 车削的基本结构与工作原理12.3 车削应用实例第十三章:车削加工中的绿色制造与可持续发展13.1 绿色制造的概念与内涵13.2 车削加工中的绿色制造技术13.3 车削加工可持续发展策略第十四章:车削加工安全与环保14.1 车削加工中的安全风险与预防措施14.2 车削加工中的环保要求与实施方法14.3 车削加工安全与环保实例第十五章:车削实习总结与展望15.1 车削实习的成果与收获15.2 车削实习中存在的问题与改进方向15.3 车削实习的发展趋势与展望重点和难点解析本文主要介绍了《车削实习教案》的内容,包括车削实习概述、车削工具和设备、车削基本工艺、车削加工质量控制、车削实习操作实例、车削加工工艺参数选择、车削加工中的误差控制、车削加工中的刀具补偿、复杂零件的车削加工、车削实习项目与评价、车削加工中的数控编程、车削加工自动化与应用、车削加工中的绿色制造与可持续发展、车削加工安全与环保以及车削实习总结与展望等十五个章节。
车削实习教案车削实习教案〔附件〕第一天一、看录像,了解车削的基本知识二、车工安全讲解1、要认真练好基本操作。
2、独立操作时要精力集中,一丝不苟,胆大心细,先想后动。
3、要严格遵守各项安全操作规程〔由师傅具体讲解〕。
4、有问题要及时请教师傅,不要自行其事。
三、车床介绍及空载运作1、熟悉卧式车床的型号、组成、运动和用途,掌握车床的操作方法并加工零件。
2、了解车床的典型传动方式、典型机构及传动系统。
3、了解车床常用附件的大致结构和用途。
要会选择零件的装夹方法。
4、了解常用的刀具材料、车刀角度的作用及车刀的刃磨方法。
5、了解各种回转外表的加工方法及所用刀具;了解车外圆、钻孔、车孔所能到达的尺寸公差等级和外表粗糙度R a值的范围。
6、了解空载运作。
四、示范讲解工件安装及刀具安装1、示范讲解工件的安装和找正的方法1〕松开三爪,使之处于适当的位置。
2〕将工件放置在三爪卡盘上,并轻轻夹紧。
3〕找正工件:扳转卡盘观察端面跳动的情况,用三爪扳手轻敲击突出部分……一直到端面跳动符合要求为止。
4〕找正后卡紧工件。
强调:①卡紧时的正确姿势和用力方式。
②工件卡紧后必须立即取下卡盘扳了。
2、示范讲解刀具安装1〕讲解并示范车刀安放的要求①车刀放在方刀架左侧。
②车刀前面朝上。
③刀头伸出长度约等于刀体的倍。
④右偏刀主切削刃应与横向进给方向成3°~5°。
⑤刀尖应与车床旋转轴线等高,一般用尾顶尖校对高低。
⑥调整刀尖高度用垫刀片。
2〕安放好车刀,用螺钉轻轻拧住。
3〕示范并讲解校对刀尖高低①把刀架摇向尾座。
②扳转方刀架和摇动尾座套筒,使刀尖接近顶尖。
③观察刀尖高低。
④示范:加垫刀片—-对顶尖—-调整垫刀片—-对顶尖……一直到刀尖与顶尖等高为止。
⑤强调注意事项:a.扳转方刀架不能用力过猛,防止车刀甩出;b.移动刀架和顶尖时,要防止刀尖撞及顶尖而损坏;c.垫刀片要平整对齐。
4〕示范压紧车刀①锁紧方刀架。
②压紧车刀。
③强调注意事项:a.紧固车刀时应先锁紧方刀架〔卸刀也要先锁紧方刀架〕;b.紧固车刀时刀尖应远离顶尖,防止方刀架转动而碰坏刀尖;c.如刀尖略高,应先紧车刀前面的螺钉;刀尖略低,先紧车刀后面的螺钉。
车削加工实训教案(授课人:)【课题】轴的车削加工【教学目标】1、知识目标:车削加工理论知识2、能力目标:车削加工操作技能、量具、夹具的使用【授课内容】1、车刀的安装及修整;2、工件的装夹及对刀;3、车削用量的选择,机床的调整及使用;4、工件的测量。
【教学重点】1、重点内容:工件的车削加工及测量2、突出重点的方法:示范练习指导【教学难点】1、难点内容:工件的车削加工及测量2、突破难点的方法:示范练习指导【教时安排】12课时【教学方式方法】案例、讲授、讨论、示范、指导【教学手段】实践操作【使用教具】【使用教材】《机械制造技术实训指导书》自编教材【参考资料】《机械制造技术》机械工业出版社虞华中主编2011【教学过程】(包括教学步骤、讲授内容、时间分配、教学方法、板书设计等)1.任务书在CA6140A型车床上加工下图中的模柄。
2.任务实施(1)选择车刀(2)工件的装夹(3)切削用量的选择①粗车时切削用量的选择:粗车时,因加工表面粗糙度要求不高,选取进给量主要考虑刀具和工件的刚性,硬质合金车刀车钢件时,αp应取2~4mm,f取0.6~0.9mm/r,切削速度vc 的选择: vc应取50~70m/min;车铸铁工件时αp ≤3mm,f取0.8~1.2mm/r,切削速度vc的选择取40~60m/min;高速钢车刀车削铸件或钢件时,切削速度均不得超过30m/min。
②精加工时主要考虑表面粗糙度要求,按表面粗糙度选取进给量,应选取较大的切削速度vc,硬质合金车刀车钢件时取50~90m/min,进给量f取0.25~0.3mm/r,背吃刀量αp取1~2mm进行车削,以获得较好的切削效果。
③机床的调整:先调主轴转速,再调整进给手柄,使之达到指定位置。
(4)切削的工艺过程表1.1 加工工艺过程工序号工序简图工序内容注意事项1 对刀及车端面必须动车对刀;车端面时应将刀架转一定角度并将端面车平。
2 车外圆至Φ42mm×70mm和Φ40mm×55mm并倒角车外圆时必须将刀架复位,以保证台阶面与外圆柱面间的90°夹角,注意直径、长度尺寸度量及控制,倒角。
工程训练(车削训练)教案
二、车床
1、普通车床的编号
在编号C618中。
——是“车床”汉语拼音的第一个字母(大写)为车削类机床;
副切削刃:是前面和副后面的交线,它担负少量的切削任务。
刀尖:是主切削刃和副切削刃的相交部分,它通常是一小段过渡圆弧。
2、车刀的切削部分主要角度:
1)前角(γ)——前角表示前刀面相对水平面的倾斜程度,其作用是使车刀容易切下切屑。
一般前角为5°~
负前角。
安装工件应注意选用合理、可靠的装夹基面,且要找正夹牢。
使用顶尖安装工件时,要拧紧卡箍螺钉,锁紧尾架和尾架套筒。
思考题:
思考题:
车削工件时,为什么需要试切?
尖刀主要用于粗车外圆和没有台阶或台阶不大的外圆。
车高度在5mm以上的台阶时,应分层进行切削。
(见下图)
车端面时应注意以下几点:
1)车刀的刀尖应对准工件中心,以免车出的端面中心留有凸台。
2)偏刀车端面,当切深较大时,容易扎刀。
而且到工件中心时是将凸
见图:根据零件的锥角2α,将小刀架扳转
法操作简单,能保证一定的加工精度,而且还能车内锥角和锥角很大的锥。
《数控车削》实习教案课题一:数控车床基础知识一、课题纲要1.目的要求(1)了解数控车床组成、结构及用途;(2)了解数控车床的加工原理和;(3)了解数控车床的工作特点。
2.教学手段:CAI课件机床等3.注意事项:遵守实习纪律与操作规章制度。
4.时间安排:讲解30分钟,机床介绍30分钟。
二、课题讲解1.概念数控:CNC(Computer Numerical Control),是一种利用计算机通过数字信息来实现加工自动化控制的技术。
数控机床:是采用了数控技术对机床的运动及其加工过程进行控制的自动化机床。
普通机床的运动是通过人脑发出指令,由人的手操作有关手柄或按纽来控制机床运动的,而数控机床是通过计算机发出指令直接控制机床运动的。
2.数控机床的特点(1)广泛的适应性,高度的灵活性;(2)精度高,质量稳定;(3)生产效率高;(4)减轻劳动强度,改善劳动条件;(5)便于实现计算机集成制造;(6)综合经济效益好。
3.数控机床的主要组成部分机床、数控装置、自动换刀装置、伺服系统。
机床:指数控机床的机械部件,包括主运动部件,进给运动执行部件等,还有冷却、润滑、转位和夹紧等辅助装置。
数控装置:是数控机床的核心,包括运算和存贮等计算机硬件及相应配套的运算控制软件。
自动换刀装置:实现自动换刀的功能。
伺服系统:伺服驱动系统由伺服驱动电路和伺服驱动装置组成,并与机床的执行部件和机械传动部件组成数控机床的进给系统。
4.数控车削的加工对象数控车床主要用于盘类、轴类和套类等回转体工件的加工,可以进行内外表面圆面、柱面、锥面、螺纹、沟槽和钻孔等加工。
5.数控机床的工作过程零件图样->程序介质->输入输出装置->计算机数控装置->伺服驱动/位置检测->机床运动。
6.数控车的工作原理首先根据零件图样,结合工艺进行程序编制,然后通过键盘或其它输入设备输入,送入数控系统后再经过调试、修改,最后把它存储起来。
数控机床加工零件时,根据所存储的程序,由数控装置控制机床执行机构的各个动作,使刀具与工件及其它辅助装置严格的按照数控程序规定的路径和参数进行加工,从而加工出满足技术要求的零件。
车削加工课程设计一、教学目标本课程的教学目标是使学生掌握车削加工的基本原理、方法和操作技能,能够正确、安全地进行车削加工操作,具备一定的创新意识和实践能力。
知识目标:了解车削加工的基本概念、原理和工艺,掌握车削加工的操作步骤和技巧。
技能目标:能够熟练操作车床,进行各种车削加工操作,具备一定的工艺选择和问题解决能力。
情感态度价值观目标:培养学生的创新意识,提高学生对车削加工技术的兴趣和热情,使学生认识到车削加工在现代制造业中的重要性。
二、教学内容本课程的教学内容主要包括车削加工的基本原理、方法和操作技能。
1.车削加工的基本原理:介绍车削加工的定义、特点和应用范围,解释车削加工的基本原理和工艺过程。
2.车削加工的方法:讲解各种车削加工方法,如外圆车削、内孔车削、螺纹车削等,以及相应的刀具选择和使用方法。
3.车削加工的操作技能:通过实际操作,使学生掌握车床的操作步骤和技巧,包括装夹工件、选择刀具、调整加工参数等。
三、教学方法为了激发学生的学习兴趣和主动性,本课程将采用多种教学方法。
1.讲授法:通过教师的讲解,使学生了解车削加工的基本原理和方法。
2.讨论法:通过小组讨论,激发学生思考问题,培养学生的创新意识和解决问题的能力。
3.案例分析法:通过分析实际案例,使学生更好地理解车削加工的应用和工艺选择。
4.实验法:通过实际操作,使学生掌握车削加工的操作技能,培养学生的实践能力。
四、教学资源为了支持教学内容和教学方法的实施,丰富学生的学习体验,我们将选择和准备以下教学资源。
1.教材:选择适合本课程的教材,提供系统的知识体系和操作指导。
2.参考书:提供相关的参考书籍,帮助学生深入理解和拓展知识。
3.多媒体资料:制作多媒体课件和教学视频,生动展示车削加工的操作过程和技巧。
4.实验设备:提供车床和相关的实验设备,让学生能够进行实际操作和实践。
五、教学评估本课程的评估方式将包括平时表现、作业和考试等方面,以全面、客观地评估学生的学习成果。
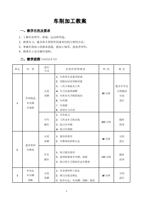
车削加工实训教案工程训练中心2009 年 12 月长春工业大学工程训练课程教案教师姓名实训项目名称车削加工概述时间45 分钟地点车削加工实训现场讲授内容一、教学目的及要求:1.了解车削加工的概念、特点和工艺范围;2.了解车床的种类、型号的含义,并掌握车床的组成及各部分的功用;3.了解车床的传动;4.掌握车床安全保养;5.掌握切削用量的概念和意义;6.掌握刻度盘的使用。
二、教学重点:1.车削加工的特点和工艺范围;2.车床的组成及各部分的功用;3.车床安全保养;4.切削用量的概念和意义;5.刻度盘的使用。
三、教学难点:1.车床的组成及各部分的功用;2.切削用量的概念和意义;3.刻度盘的使用。
四、教学内容:1.车削加工的概念、特点和工艺范围:在车床上,工件作旋转的主运动,刀具作平面直线或曲线的进给运动,完成机械零件切削加工的过程,称为车削加工。
它是机械加工中最基本、最常用的加工方法,各类车床约占金属切削机床总数的一半,所以它在机械加工中占有重要的位置。
车削适用于加工回转零件,其切削过程连续平稳,车削加工的范围很广,可完成车外圆、车端面、车内外圆锥面、切槽和切断、镗孔、切内槽、钻中心孔、钻孔、铰孔、锪锥孔、车内外螺纹、攻螺纹、车成形面、滚花等主要工作。
车削加工精度一般为IT11 ~ 7,表面粗糙度Rα值为 12.5 ~0.8 μm 。
2.车床(结合实物讲解):1)车床的种类:车床种类很多,有普通卧式车床、立式车床、转塔车床、自动和半自动车床、仪表车床、数控车床等。
2)车床型号的含义:目前常用的车床有C6132、C6136、C6140 等几个型号。
C6132 的含义如下: C 是类别代号,表示车床类; 6 是组别代号,表示落地及卧式车床; 1 是系别代号,表示普通卧式车床型;32 是主参数,表示车床能加工工件最大直径的1/10 即 320mm。
3)车床的组成及各部分的功用:车床是由床身、主轴箱、进给箱、溜板箱、光杠和丝杠、拖板与刀架、尾架组成。
(1)床身用于支撑和连接车床各部件并保证各自相对位置。
床身上有供刀架和尾座移动用的导轨。
C6132车床床身内还装有变速箱和电机等。
(2)主轴箱又称床头箱,内装主轴和主轴变速机构。
它用于支撑主轴并使之得到不同的转速。
车床主轴为空心结构,可通过小于主轴孔径的毛坯棒料。
主轴的前端安装卡盘或其他装夹工件的夹具;前端内锥为莫氏锥度,用于安装顶尖来装夹轴类工件或其他带锥柄的夹具或量棒。
主轴箱还把运动传给进给箱,以便使刀具实现进给运动。
(3)进给箱又称走刀箱,内部是一套变速机构。
通过进给箱的变换并由光杠或丝杠输出,可以获得不同的进给速度。
(4)溜板箱又称拖板箱,内装有进给运动的分向机构。
用来将光杠输入的转动变成刀架的纵向或横向进给运动输出,将丝杠的转动变成刀架的纵向运动。
(5)光杠和丝杠通过光杠或丝杠将进给箱运动传给溜板箱。
光杠转动使刀具作机动进给运动,用于车削各内外表面。
丝杠转动则用于车削螺纹。
(6)拖板与刀架在溜板箱上面有大、中、小三层拖板,在小拖板与中拖板间有转盘,小拖板上方是刀架。
大拖板直接放在床身导轨上,在溜板箱的带动下各拖板和刀架沿导轨作纵向移动。
在大拖板上面有一垂直于床身导轨的燕尾导轨,为中拖板,它可以完成横向进给运动。
在中拖板与小拖板间的转盘上有刻度,转盘用螺栓紧固在中拖板上,松开螺母转盘可以在水平面一定范围内扳转一定角度以改变小拖板的进给方向,一般用于车削短锥面。
小拖板可以沿转盘上的导轨作短距离移动。
刀架用于装夹和转换刀具。
(7)尾架又称尾座,它的位置可以沿床身导轨调节。
尾架莫氏锥度套筒内可以安装顶尖、中心钻、麻花钻、扩孔钻和铰刀,分别用于支承长工件、钻中心孔、钻圆柱孔、扩孔和铰孔。
(8)床腿支承床身,并与地基连接。
4)车床的传动:C6132 卧式车床有两条传动路线,从电机经变速箱、带轮和主轴箱使主轴旋转,称为主运动传动系统。
从主轴箱经挂轮到进给箱,再经光杠或丝杠到溜板箱使刀架移动,称为进给运动传动系统。
(1)主运动传动系统C6132 卧式车床主轴共有12 种转速,它们分别是45、 66、94、120、173、 248、360、530、 750、 958、1380、1980 r/min 。
(2)进给运动传动系统车床作一般进给时,刀架由光杠经过溜板箱中的传动机构来带动。
对于每一组配换齿轮,进给箱可变化20 种不同的进给量。
加工螺纹时,车刀的纵向进给运动由丝杠带动溜板箱上的对开螺母,拖动刀架来实现。
5)车床的维护保养和安全操作规程:(1)穿好合适的工作服,扎紧袖口。
女同学必须戴帽子并把长发塞入帽中。
不允许戴手套操作车床。
(2)开车前按指定加油孔注油进行机床润滑,检查各手柄的位置是否正确,检查工具、量具、刀具是否合适,安放是否合理。
(3)停车状态或传入主轴齿轮处于脱空位置,进行装夹工件。
装夹好工件,要及时取下卡盘扳手,以免伤人。
(4)工件和刀具必须装夹牢固,否则回飞出伤人。
(5)工作时必须精力集中,不许擅自离开机床,需要离开时必须关闭电源。
工作时操作者的头、手和身体部位不能离旋转机件太近。
(6)开车时,变换主轴转速必须停车进行;变换进给箱手柄位置要在低速时进行;不准用手摸工件和用量具测量工件;不准用手拉切屑,要用专用的钩子清除切屑。
(7)若工作中出现异常情况应立即关闭电源,然后向指导教师反映情况。
(8)停车时因惯性工件会继续旋转,不许用手去刹住转动的工件或卡盘。
(9)工作完毕后,要关闭电源,清理切屑,擦净机床,并将大拖板摇至车尾一端。
(10)不允许在卡盘、机床导轨上敲击和校正工件。
床面上不准放工件、刀具和量具。
3.切削用量三要素:在切削过程中,工件上形成三个变化着的表面。
待加工表面:工件上待切除的表面。
过渡表面:主切削刃正在切削的表面。
已加工表面:经刀具切削后形成的表面。
切削用量是描述切削运动大小的参数。
在一般的切削加工中,切削用量包括切削速度、进给量、背吃刀量三个要素。
1)切削速度υc是指在单位时间内,工件和刀具沿主运动方向的相对位移。
(m/s 或m/min)当主运动为旋转运动时,则切削速度为υ c= d W n (m/s)601000式中: d W—待加工表面的直径或刀具直径, (mm)。
n—工件或刀具的转速,(r/min )2Ln r ( m/s)当主运动为往复直线运动时,则切削速度为υ =c601000式中: L——往复直线运动的行程长度, (mm)n r——主运动每分钟的往复次数, (str/min)2)进给量f 是指在单位时间内或主运动的一个工作循环内,刀具与工件沿进给运动方向相对移动的距离。
车削的主运动是旋转运动,工件每转一转,为一个工作循环,进给量的单位为 mm/r。
3)背吃刀量(切削深度)a p背吃刀量又称切削深度,一般指工件待加工表面与已加工表面间的垂直距离。
车削外圆时,背吃刀量为d w d ma p ( mm)2式中: d w——待加工表面直径;d m——已加工表面直径。
4.刻度盘的使用(结合实物讲解):普通车床的纵向进给、横向进给以及小刀架的移动量均靠刻度盘指示。
在车削工件时,要准确、迅速地掌握背吃刀量,必须熟练准确地使用刻度盘。
控制横向进给量的中滑板刻度盘紧固在横向丝杠轴头上,中滑板与丝杠上的螺母紧固在一起。
当中滑板手柄带动刻度盘转一周时,丝杠也转一周,这时螺母带动中滑板移动一个螺距。
因此,中滑板移动的距离可根据刻度盘上的格数来计算:刻度盘每转 1 格中滑板移动的距离(刻度盘格值)=丝杠螺距 / 刻度盘格数例如, C6132 车床的横向进给丝杠的螺距为4mm,刻度盘一周等分 200 格,所以刻度盘每转 1 格中滑板移动的距离(刻度盘格值)为4mm/200=0.02mm。
由于丝杠与螺母之间存在间隙,进刻度时,如果刻度盘手柄摇过了头,或者试切后发现尺寸不对而需将车刀退回时,刻度盘不能直接退回到所要求的刻度。
因为当刻度盘正转或反转至同一位置时,刀具的实际位置存在由间隙引起的误差。
因此,正确的操作是将刻度盘向相反方向退回半圈左右,消除间隙的影响之后再摇到所需位置。
小滑板刻度盘的原理及其使用与中滑板的相同,只是刻度值不同,其刻度盘主要用于控制工件长度方向上的尺寸。
5.学生操作:1)停车练习:正确变换主轴转速、进给量;熟悉掌握纵向和横向手动进给手柄的转动方向;熟悉掌握纵向和横向机动进给的操作;尾架的操作;刻度盘的应用。
2)低速开车练习:长春工业大学工程训练课程教案教师姓名实训项目名称车床基本操作 1时间45 分钟地点车削加工实训现场讲授内容一、教学目的及要求:1.了解工件在车床上的装夹方法,并掌握三爪卡盘装夹工件的方法;2.熟悉车刀的种类,并掌握安装车刀的方法;3.了解粗车和精车的目的,并掌握切削步骤与试切的方法;4.了解常用量具的基本结构和使用方法。
5.掌握车削外圆、端面和台阶等常见形面的加工方法;二、教学重点:1.工件和车刀的安装;2.切削步骤与试切;3.常用量具的使用方法;4.常见形面的车削方法。
三、教学难点:1.切削步骤与试切;2.常见形面的车削方法。
四、教学内容:1.工件在车床上的装夹方法:在车床上安装工件,要求定位准确,即被加工表面的回转中心与车床主轴的轴线重合,夹紧可靠,能承受合理的切削力,保证工作时安全,使加工顺利,达到预期的加工质量。
1)利用三爪自定心卡盘安装工件的方法、特点、应用:(结合实物讲解)三爪自定心卡盘简称三爪卡盘,是车床上最常用的附件。
它由一个大伞齿轮、三个小伞齿轮、三个卡爪和卡盘体四部分组成。
当使用卡盘扳手转动任何一个小伞齿轮时,均能带动大伞齿轮旋转,于是大伞齿轮背面的平面螺纹就带动三个卡爪同时向中心收拢或张开,以夹紧不同直径的工件。
由于三个卡爪同时移动并能自行对中(其对中精度约为0.05 ~ 0.15mm),故三爪自定心卡盘适宜快速夹持截面为圆形、正三角形、正六边形的工件。
三爪自定心卡盘还附带三个“反爪” ,换到卡盘体上即可用来夹持直径较大的工件。
使用三爪卡盘装夹工件的步骤如下:(1)将毛坯轻轻夹持在三个爪之间;(2)使主轴低速回转,检查工件有无偏摆,若出现偏摆则在停车后用小锤轻敲校正,然后夹紧工件;(3)检查刀架是否与卡盘或工件在切削行程内有碰撞,并注意每次使用卡盘扳手后及时取下扳手,以免开车时飞出伤人。
2)简介利用其他车床附件装夹工件的方法、特点、应用:(结合挂图讲解)包括四爪单动卡盘、顶尖、心轴、中心架、跟刀架、花盘和弯板等。
2.车刀及其安装方法 : (结合实物讲解)1)车刀的组成 :车刀由刀杆和刀头组成,刀杆是刀具的夹持部分,用来将车刀夹固在车床方刀架上,刀头是刀具上夹固和焊接刀条、刀片的部分,或由它形成切削刃的部分。
车刀切削部分由三面两刃一尖组成:(1)前刀面刀具上切屑流出时所经过的表面,一般指车刀的上面。