消防车等效均布荷载的计算
- 格式:doc
- 大小:404.00 KB
- 文档页数:6
汽车等效均布荷载的简化计算Building Structure设计交流汽车等效均布荷载的简化计算朱炳寅/中国建筑设计研究院汽车(消防车)轮压以其荷载数值大、作用位置不确定够厚,轮压扩散足够充分时,汽车轮压荷载可按均布荷载考及一般作用时间较短而倍受结构设计者关注。
结构设计的关虑。
当覆土层厚度足够时,可按汽车在合理投影面积范围内键问题在于汽车轮压等效均布荷载数值的确定。
轮压荷载作的平均荷重计算汽车的轮压荷载,见表2。
用位置的不确定性,给等效均布荷载的确定带来了一定难覆土厚度足够时消防车的荷载表2度,一般情况下,要精确计算轮压的等效均布荷载是比较困汽车类型 100kN 150kN 200kN 300kN 550kN2难的,且从工程设计角度看,也没有必要。
“等效”和“折荷载/kN/m 4.3 6.3 8.5 11.3 11.4覆土厚度最小值hmin/m 2.5 2.4 2.4 2.3 2.6减”的本质都是“近似”,且其次数越多,误差就越大。
本文推荐满足工程设计精度需要的汽车轮压等效均布荷载的足够的覆土厚度指:汽车轮压通过土层的扩散、交替和简化计算方法,供读者参考。
重叠,达到在某一平面近似均匀分布时的覆土层厚度。
足够1 影响等效均布荷载的主要因素的覆土厚度数值应根据工程经验确定,当无可靠设计经验1.1跨度时,可按后轴轮压的扩散面积不小于按荷重比例划分的汽车等效均布荷载的数值与构件的跨度有直接的关系,在相投影面积(图 1)确定相应的覆土厚度为 hmin ,当实际覆土同等级的汽车轮压作用下,板的跨度越小,则等效均布荷载厚度 h≥hmin 时,可认为覆土厚度足够。
的数值越大;而板的跨度越大,则等效均布荷载数值越小。
以300kN级汽车为例(图1):结构设计中应注意“等效均布荷载”及“效应相等”的特点,考虑汽车合理间距(每侧600mm)后汽车的投影面积为(8+0.6 )×(2.5+0.6 )=26.66m2汽车轮压荷载具有荷载作用位置变化的特性,是移动的活荷载,其最大效应把握困难,且效应类型(弯矩、剪力等)不后轴轮压占全车重量的比例为 240/300=0.8同,等效均布荷载的数值也不相同,等效的过程就是一次近取后轴轮压的扩散面积为 0.8×26.66=21.33m2似的过程。
双向板的梁、板消防车等效均布荷载选用说明
一、适用范围及设计条件
1、消防车总重按30吨计算。
2、覆土扩散角≥230。
3、钢筋混凝土板厚≥160mm。
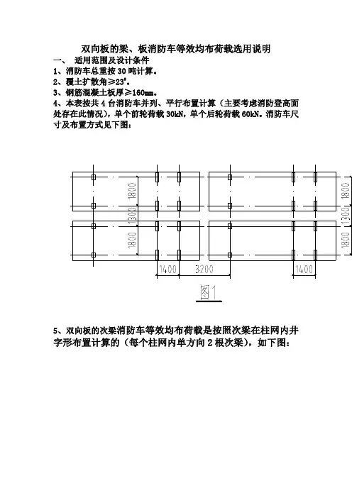
4、本表按共4台消防车并列、平行布置计算(主要考虑消防登高面处存在此情况),单个前轮荷载30kN,单个后轮荷载60kN。
消防车尺寸及布置方式见下图:
5、双向板的次梁消防车等效均布荷载是按照次梁在柱网内井字形布置计算的(每个柱网内单方向2根次梁),如下图:
6、不符合本条规定时,设计者不得直接采用,应另行计算确定。
二、双向板消防车等效均布荷载
三、双向板的框架梁
四、双向板的次梁。
关于消防车荷载的简化计算规范明确规定了等效均布荷载的计算原则,但由于消防车轮压位置的不确定性,实际计算复杂且计算结果有时与规范数值出入很大,对双向板问题更加突出.为方便设计,并应网友的要求,此处提供满足工程设计要求的等效荷载计算表(此为博主正在编辑整理的书稿内容),供设计者选择使用。
1.不同板跨时,双向板等效均布荷载的简化计算表格表1中列出了在消防车(300kN级)轮压直接作用下,不同板跨的双向板其等效均布荷载简化计算数值,供读者参考。
表1 消防车轮压直接作用下双向板的等效均布荷载2. 不同覆土厚度时,消防车轮压等效均布荷载的简化计算不同覆土厚度时,对消防车轮压等效均布荷载数值的计算可采取简化方法,考虑不同覆土厚度对消防车轮压等效均布荷载数值的影响,近似可按线性关系按表2确定。
表2 消防车轮压作用下,不同覆土厚度时的等效均布荷载调整系数3. 综合考虑板跨和不同覆土层厚度时,消防车轮压等效均布荷载的确定考虑板跨和不同覆土层厚度确定消防车轮压作用下的等效均布荷载数值时,可采用简化计算方法,参考表-3,表-4确定不同板跨、不同覆土层厚度时的等效均布荷载数值。
表3 消防车轮压作用下单向板的等效均布荷载值(kN/m2)表4 消防车轮压作用下双向板的等效均布荷载值(kN/m2)4. 等效均布荷载属于结构估算的范畴,追求过高的计算精度对工程设计而言没有必要。
实际工程中应注意效应的统一性,即注意在不同效应时,等效荷载不可通用。
自从我的《建筑结构设计规范应用图解手册》出版以来,常有读者就第13页表4.1.1-3的“覆土厚度足够”提出量化要求,今补充说明如下:表4.1.1-3 覆土厚度足够时消防车的荷载足够的覆土厚度指:汽车轮压通过土层的扩散、交替和重叠,达到在某一平面近似均匀分布时的覆土层厚度。
足够的覆土厚度数值应根据工程经验确定,当无可靠设计经验时,可按后轴轮压的扩散面积不小于按荷重比例划分的汽车投影面积确定(如:300kN级汽车,汽车的合理投影面积为(8+0.6)×(2.5+0.6)=26.66m2,后轴轮压占全车重量的比例为240/300=0.8,取后轴轮压的扩散面积为0.8×26.66=21.33m2,相应的覆土厚度为hmin,当实际覆土厚度h≥hmin时,可认为覆土厚度足够)取表中hmin 数值。
规范明确规定了等效均布荷载的计算原则,但由于消防车轮压位置的不确定性,实际计算复杂且计算结果有时与规范数值出入很大,对双向板问题更加突出.为方便设计,并应网友的要求,此处提供满足工程设计要求的等效荷载计算表(此为博主正在编辑整理的书稿内容),供设计者选择使用。
1.不同板跨时,双向板等效均布荷载的简化计算表格表1中列出了在消防车(300kN级)轮压直接作用下,不同板跨的双向板其等效均布荷载简化计算数值,供读者参考。
2.表1 消防车轮压直接作用下双向板的等效均布荷载
2. 不同覆土厚度时,消防车轮压等效均布荷载的简化计算
不同覆土厚度时,对消防车轮压等效均布荷载数值的计算可采取简化方法,考虑不同覆土厚度对消防车轮压等效均布荷载数值的影响,近似可按线性关系按表2确定。
表2 消防车轮压作用下,不同覆土厚度时的等效均布荷载调整系数
3. 综合考虑板跨和不同覆土层厚度时,消防车轮压等效均布荷载的确定
考虑板跨和不同覆土层厚度确定消防车轮压作用下的等效均布荷载数值时,可采用简化计算方法,参考表-3,表-4确定不同板跨、不同覆土层厚度时的等效均布荷载数值。
表3 消防车轮压作用下单向板的等效均布荷载值(kN/m2)
表4 消防车轮压作用下双向板的等效均布荷载值(kN/m2)
4. 等效均布荷载属于结构估算的范畴,追求过高的计算精度对工程。
汽车等效均布荷载的简化计算Building Structure设计交流汽车等效均布荷载的简化计算朱炳寅/中国建筑设计研究院汽车(消防车)轮压以其荷载数值大、作用位置不确定够厚,轮压扩散足够充分时,汽车轮压荷载可按均布荷载考及一般作用时间较短而倍受结构设计者关注。
结构设计的关虑。
当覆土层厚度足够时,可按汽车在合理投影面积范围内键问题在于汽车轮压等效均布荷载数值的确定。
轮压荷载作的平均荷重计算汽车的轮压荷载,见表2。
用位置的不确定性,给等效均布荷载的确定带来了一定难覆土厚度足够时消防车的荷载表2度,一般情况下,要精确计算轮压的等效均布荷载是比较困汽车类型 100kN 150kN 200kN 300kN 550kN2难的,且从工程设计角度看,也没有必要。
“等效”和“折荷载/kN/m 4.3 6.3 8.5 11.3 11.4覆土厚度最小值hmin/m 2.5 2.4 2.4 2.3 2.6减”的本质都是“近似”,且其次数越多,误差就越大。
本文推荐满足工程设计精度需要的汽车轮压等效均布荷载的足够的覆土厚度指:汽车轮压通过土层的扩散、交替和简化计算方法,供读者参考。
重叠,达到在某一平面近似均匀分布时的覆土层厚度。
足够1 影响等效均布荷载的主要因素的覆土厚度数值应根据工程经验确定,当无可靠设计经验1.1跨度时,可按后轴轮压的扩散面积不小于按荷重比例划分的汽车等效均布荷载的数值与构件的跨度有直接的关系,在相投影面积(图 1)确定相应的覆土厚度为 hmin ,当实际覆土同等级的汽车轮压作用下,板的跨度越小,则等效均布荷载厚度 h≥hmin 时,可认为覆土厚度足够。
的数值越大;而板的跨度越大,则等效均布荷载数值越小。
以300kN级汽车为例(图1):结构设计中应注意“等效均布荷载”及“效应相等”的特点,考虑汽车合理间距(每侧600mm)后汽车的投影面积为(8+0.6 )×(2.5+0.6 )=26.66m2汽车轮压荷载具有荷载作用位置变化的特性,是移动的活荷载,其最大效应把握困难,且效应类型(弯矩、剪力等)不后轴轮压占全车重量的比例为 240/300=0.8同,等效均布荷载的数值也不相同,等效的过程就是一次近取后轴轮压的扩散面积为 0.8×26.66=21.33m2似的过程。
消防车等效均布荷载的计算【摘要】消防车荷载的取值,一直比较混乱,为使消防车荷载有一个较为合理的取值,笔者对消防车等效荷载进行了常见的几种情况的计算,供设计界同仁参考。
【关键词】消防车等效荷载轮压扩散角动力系数消防车荷载的取值,就目前来说,一直比较混乱, 有按《建筑结构荷载规范》(下面简称《荷载规范》)要求单向板(板跨度≥2m)取35kN/㎡、双向板(板跨度≥6m)取20kN/㎡的,也有取等效均布荷载为26kN/㎡的, 还有主梁取0.8X20=16kN/㎡次梁为0.95X20=19kN/㎡的,如此等等,各种取法都有。
而消防车荷载的取值又属“强条”。
《荷载规范》表4.1.1注第3条:“……;当不符合本表的要求的时候,应将车轮的局部荷载按结构效应的等效原则,换算为等效均布荷载。
”即消防车荷载的取值大小应按等效均布荷载计算。
这些对每一个设计人员来说,都是清楚的。
但是在实际工程中,由于等效均布荷载计算过程较为繁琐, 设计周期又短等各种原因,大都未进行等效均布荷载的计算。
一般来说,凡取等效均布荷载的,都没有相应的计算资料, 大都采取“估算”的办法。
就目前成都建筑市场而言,基本上都采用大底盘地下室,其上部修建若干栋多、高层建筑,这样必然出现小区内的消防通道置于地下室的顶板上。
而地下室的顶板设计,一般采用井字梁楼盖或十字梁楼盖,板跨大都小于6.0mX6.0m,故消防车荷载是不能取20kN/㎡。
而应按规范要求进行等效均布荷载计算(单向板或密肋楼盖较少采用,所以此处仅就双向板进行分析)。
为使消防车荷载有一个较为合理的取值,笔者对消防车等效均布荷载进行了常见的几种情况的计算,供设计界同仁参考,以飨读者。
1.荷载计算消防车荷载均沿消防车道布置。
小区道路通常不是很宽,一般在5m左右,所以消防车按单列布置(当小区消防通道宽度≥6 m时,应按并列两辆消防车的布置进行等效均布荷载计算。
此种情况,不在本文叙述范围)。
为求最不利情况,按两车车尾对车尾的排列,两车尾间净距按500㎜计,消防车总重量按《荷载规范》要求,以300 kN计算。
消防车轮压等效荷载计算规范明确规定了等效均布荷载的计算原则,但由于消防车轮压位置的不确定性,实际计算复杂且计算结果有时与规范数值出入很大,对双向板问题更加突出.为方便设计,并应网友的要求,此处提供满足工程设计要求的等效荷载计算表(此为博主正在编辑整理的书稿内容),供设计者选择使用。
1.不同板跨时,双向板等效均布荷载的简化计算表格表1中列出了在消防车(300kN级)轮压直接作用下,不同板跨的双向板其等效均布荷载简化计算数值,供读者参考。
表1 消防车轮压直接作用下双向板的等效均布荷载板跨(m)2.0 2.5 3.0 3.5 4.0 4.5 5.0 5.5 ≥6.0等效均布荷载(kN/m2) 35.0 33.1 31.3 29.4 27.5 25.6 23.8 21.9 20.02. 不同覆土厚度时,消防车轮压等效均布荷载的简化计算不同覆土厚度时,对消防车轮压等效均布荷载数值的计算可采取简化方法,考虑不同覆土厚度对消防车轮压等效均布荷载数值的影响,近似可按线性关系按表2确定。
表2 消防车轮压作用下,不同覆土厚度时的等效均布荷载调整系数覆土厚度(m)≤0.25 0.50 0.75 1.00 1.25 1.50 1.75 2.00≥2.50调整系数 1.00 0.92 0.83 0.75 0.66 0.58 0.49 0.41 0.323. 综合考虑板跨和不同覆土层厚度时,消防车轮压等效均布荷载的确定考虑板跨和不同覆土层厚度确定消防车轮压作用下的等效均布荷载数值时,可采用简化计算方法,参考表-3,表-4确定不同板跨、不同覆土层厚度时的等效均布荷载数值。
表3 消防车轮压作用下单向板的等效均布荷载值(kN/m2)板跨(m)覆土厚度(m)≤0.25 0.50 0.75 1.00 1.25 1.50 1.75 2.00 ≥2.50≥2 35.0 32.0 29.1 26.1 23.2 20.2 17.2 14.3 11.3表4 消防车轮压作用下双向板的等效均布荷载值(kN/m2)板跨(m)覆土厚度(m)≤0.25 0.50 0.75 1.00 1.25 1.50 1.75 2.00 ≥2.502.0 35.0 32.0 29.1 26.1 23.2 20.2 17.2 14.3 11.32.5 33.1 30.4 27.7 24.9 22.2 19.5 16.8 14.0 11.33.0 31.3 28.8 26.3 23.8 21.3 18.8 16.3 13.8 11.33.5 29.4 27.1 24.9 22.6 20.3 18.1 15.8 13.6 11.34.0 27.5 25.5 23.5 21.4 19.4 17.4 15.4 13.3 11.34.5 25.6 23.8 22.0 20.3 18.5 16.7 14.9 13.1 11.35.0 23.8 22.2 20.6 19.1 17.5 16.0 14.4 12.9 11.35.5 21.9 20.6 19.2 17.9 16.6 15.3 14.0 12.6 11.3≥6.0 20.0 18.9 17.8 16.7 15.7 14.6 13.5 12.4 11.34. 等效均布荷载属于结构估算的范畴,追求过高的计算精度对工程设计而言没有必要。
消防车轮压等效荷载计算规范明确规定了等效均布荷载的计算原则,但由于消防车轮压位置的不确定性,实际计算复杂且计算结果有时与规范数值出入很大,对双向板问题更加突出.为方便设计,并应网友的要求,此处提供满足工程设计要求的等效荷载计算表(此为博主正在编辑整理的书稿内容),供设计者选择使用。
1.不同板跨时,双向板等效均布荷载的简化计算表格表1中列出了在消防车(300kN级)轮压直接作用下,不同板跨的双向板其等效均布荷载简化计算数值,供读者参考。
表1 消防车轮压直接作用下双向板的等效均布荷载板跨(m)2.0 2.5 3.0 3.5 4.0 4.5 5.0 5.5 ≥6.0等效均布荷载(kN/m2) 35.0 33.1 31.3 29.4 27.5 25.6 23.8 21.9 20.02. 不同覆土厚度时,消防车轮压等效均布荷载的简化计算不同覆土厚度时,对消防车轮压等效均布荷载数值的计算可采取简化方法,考虑不同覆土厚度对消防车轮压等效均布荷载数值的影响,近似可按线性关系按表2确定。
表2 消防车轮压作用下,不同覆土厚度时的等效均布荷载调整系数覆土厚度(m)≤0.25 0.50 0.75 1.00 1.25 1.50 1.75 2.00 ≥2.50调整系数 1.00 0.92 0.83 0.75 0.66 0.58 0.49 0.41 0.323. 综合考虑板跨和不同覆土层厚度时,消防车轮压等效均布荷载的确定考虑板跨和不同覆土层厚度确定消防车轮压作用下的等效均布荷载数值时,可采用简化计算方法,参考表-3,表-4确定不同板跨、不同覆土层厚度时的等效均布荷载数值。
表3 消防车轮压作用下单向板的等效均布荷载值(kN/m2)板跨(m)覆土厚度(m)≤0.25 0.50 0.75 1.00 1.25 1.50 1.75 2.00 ≥2.50≥2 35.0 32.0 29.1 26.1 23.2 20.2 17.2 14.3 11.3表4 消防车轮压作用下双向板的等效均布荷载值(kN/m2)板跨(m)覆土厚度(m)≤0.25 0.50 0.75 1.00 1.25 1.50 1.75 2.00 ≥2.502.0 35.0 32.0 29.1 26.1 23.2 20.2 17.2 14.3 11.32.5 33.1 30.4 27.7 24.9 22.2 19.5 16.8 14.0 11.33.0 31.3 28.8 26.3 23.8 21.3 18.8 16.3 13.8 11.33.5 29.4 27.1 24.9 22.6 20.3 18.1 15.8 13.6 11.34.0 27.5 25.5 23.5 21.4 19.4 17.4 15.4 13.3 11.34.5 25.6 23.8 22.0 20.3 18.5 16.7 14.9 13.1 11.35.0 23.8 22.2 20.6 19.1 17.5 16.0 14.4 12.9 11.35.5 21.9 20.6 19.2 17.9 16.6 15.3 14.0 12.6 11.3≥6.0 20.0 18.9 17.8 16.7 15.7 14.6 13.5 12.4 11.34. 等效均布荷载属于结构估算的范畴,追求过高的计算精度对工程设计而言没有必要。
消防车荷载怎么简化计算
关于消防车荷载的简化计算(2021-12-0118:19:41)
规范明确规定了等效均布荷载的计算原则,不确定性但由于消防车轮压左侧的不确定性,实际计算复杂且计算结果有时与规范数值出入很大,对双向板问题更加突出.为方便设计,并应网友的要求,排序此处提供满足工程设计要求的等效荷载计算表(正在此为博主正在编辑整理的书稿内容),供设计者选择使用。
1.不同板跨时,双向板等效大都均布荷载的简化计算表格
表1中同列出了在消防车(300kN级)轮压直接作用下,不同板跨的双向板其等效均布荷载简化计算数值,供读者参考。
表1消防车轮压直接作用下双向帕板下的等效均布荷载
2.不同覆土厚度时,简化消防车轮压等效均布荷载的简化计算
不同覆土厚度时,对消防车轮压等效均布荷载的计算可采取简化方法,考虑不同覆土厚度对负面影响消防车轮压等效均布荷载数值的影响,反之亦然可按线性关系按表2确定。
表2消防车轮压作用下,不同覆土时的等效均布荷载调整系数
3.综合综合考虑板跨和不同覆土层厚度时,消防车轮压等效均布荷载的确定
考虑板跨和不同覆土层厚度确定消防车轮压下使作用下让的等效均布荷载数值时,可采用简化计算方法,参考表-3,表-4确定不同板跨、不同覆土层厚度时的等效均布荷载载重数值。
表3消防车轮压作用下单向板的等效均荷载值(kN/m2)
表4消防车轮压作用下双向板的等效均布荷载值(kN/m2)
4.等效均布荷载属于结构中估算的范畴,追求过高的计算精度对工程设计而言没有必要。
实际工程中应注意效应共振的统一性,即考虑在不同效应时,等效剪应力不可通用。
关于消防车荷载的分析消防车的等效均布活荷载应根据消防车规格、楼板覆土层厚度等因素综合取值:1、楼板的消防车等效均布活荷载数值可按2.2.1-1表取值2楼面次梁的消防车等效均布活荷载,应将楼板等效均布活荷载数值乘以0.8确定.3设置双向次梁的楼盖主梁,消防车等效均布活荷载应根据主梁所围成的“等代楼板”确定的等效均布活荷载,乘以折减系数0.8确定.4墙、柱的消防车等效均布活荷载,应先根据墙、柱所围成的“等代楼板”确定的等效均布活荷载,乘以折减系数0.8确定.【说明】1.注意等效和均布的不可分割性,等效一定是等效成均布的活荷载,表2. 2.1-1按300kN级消防车,以简支板模型跨中弯矩相等的原则等效.2.消防车对结构影响的关键是轮压(一般是后轴轮压),各级消防车对结构的等效均布活荷载可以按轮压大小进行简单换算.3.消防车的等效均布活荷载具有效应的一一对应性,理论上不同效应之间不可互用,《建筑结构荷载规范》GB 50009按简支板跨中弯矩相等的原则得出的等效均布活荷载,也只能应用于简支楼板的跨中弯矩计算,将其应用于楼板的所有效应计算,则属于结构设计中的简化和估算,而将楼板的等效均布活荷载应用于梁、柱等各类支承构件的所有效应计算,则是一种更大程度的近似,因此对消防车等效均布活荷载的取值应以概念设计为主,以考虑结构构件可能出现的最大内力.4.按《建筑结构荷载规范》GB50009规定计算时,在同一消防车作用下,单向板的等效均布活荷载数值要小于同样跨度的双向板,而按表 2. 2.1-1取值时可避免此类问题的出现.5.楼面次梁的等效均布活荷载,依据楼板的等效均布活荷载乘以折减系数后确定,为简化设计计算取统一折减系数为0.8,以图 2. 2.1-1为例,柱网6m×6m的楼盖结构设十字次梁,消防车轮压直接作用在地下室顶板,次梁的等效均布活荷载按次梁所围成3m×3m的楼板查表 2.2.1-1确定为3lkN/m2,再乘以折减系数为0.8,即31x0.8=24. 8kN/m26.设置双向次梁的楼盖主梁,其等效均布活荷载计算时,楼板的等效均布活荷载按楼面主梁所围成的“等代楼板”计算(注意不适用于设置单向次梁的楼盖),以图 2. 2.1-1为例,柱网6m×6m的楼盖结构设十字次梁,消防车轮压直接作用在地下室顶板,对应于主梁等效均布活荷载计算时的“等代楼板”应为6m×6m,相应的等效均布活荷载应按“等代楼板”6m×6m查表 2. 2.1-1确定为20kN/m2,则在消防车轮压直接作用下主梁的等效均布活荷载为20×0.8=16kN/m2(若简单套用规范规定,则主梁的等效均布活荷载为31×0.8=24.8kN/m2,比本条规定大55%).为简化设计计算取统一折减系数为0.807.墙、柱的等效均布活荷载计算时,楼板的等效均布活荷载按墙、柱所围成的“等代楼板”计算,以图 2. 2.1-1为例,柱网6m×6m的楼盖结构的柱,消防车轮压直接作用在地下室顶板,对应于柱等效均布活荷载计算时的“等代楼板”应为6m×6m,相应的等效均布活荷载应按“等代楼板”6m×6m确定为20kN/m2,则在消防车轮压直接作用下柱的等效均布活荷载为20×0.8=16kN/m2(若简单套用规范规定,则柱的等效均布活荷载为31×0.8=24.8kN/m2,比本条规定大55%).为简化设计计算取统一折减系数为0.8.8.上消防车的地上结构,进行结构整体计算时,消防车荷载不应采用等效均布活荷载,应根据可能出现的消防车数量,确定消防车的总荷载,构件设计时,按表 2.2.1-1确定的等效均布活荷载计算.9.消防车荷载的效应组合见第 2.8节.。
•关于消防车荷载的简化计算(Z)
规范明确规定了等效均布荷载的计算原则,但由于消防车轮压位置的不确定性,实际计算复杂且计算结果有时与规范数值出入很大,对双向板问题更加突出.为方便设计,并应网友的要求,此处提供满足工程设计要求的等效荷载计算表(此为博主正在编辑整理的书稿内容),供设计者选择使用。
1.不同板跨时,双向板等效均布荷载的简化计算表格
表1中列出了在消防车(300kN级)轮压直接作用下,不同板跨的双向板其等效均布荷载简化计算数值,供读者参考。
表1 消防车轮压直接作用下双向板的等效均布荷载
2. 不同覆土厚度时,消防车轮压等效均布荷载的简化计算
不同覆土厚度时,对消防车轮压等效均布荷载数值的计算可采取简化方法,考虑不同覆土厚度对消防车轮压等效均布荷载数值的影响,近似可按线性关系按表2确定。
表2 消防车轮压作用下,不同覆土厚度时的等效均布荷载调整
系数
3. 综合考虑板跨和不同覆土层厚度时,消防车轮压等效均布荷载的确定
考虑板跨和不同覆土层厚度确定消防车轮压作用下的等效均布荷载数值时,可采用简化计算方法,参考表-3,表-4确定不同板跨、不同覆土层厚度时的等效均布荷载数值。
表3 消防车轮压作用下单向板的等效均布荷载值(kN/m2)
表4 消防车轮压作用下双向板的等效均布荷载值(kN/m2)
4. 等效均布荷载属于结构估算的范畴,追求过高的计算精度对工程设计
而言没有必要。
实际工程中应注意效应的统一性,即注意在不同效应时,等效荷载不可通用。
友情提示:方案范本是经验性极强的领域,本范文无法思考和涵盖全面,供参考!最好找专业人士起草或审核后使用。
1楼面等效均布荷载: B-11.1基本资料1.1.1工程名称: 50吨四轮(280T)消防车轮压等效均布荷载计算1.1.2周边支承的双向板,板的跨度 L x= 3000mm,L y= 3000mm,板的厚度 h = 400mm,垫层压力扩散角θ = 30°1.1.3周边支承的双向板,板的跨度 L x= 3000mm,L y= 3000mm,板的厚度 h = 400mm,垫层压力扩散角θ = 30°局部集中荷载 N = 280kN,荷载作用面的宽度 b tx= 600mm,荷载作用面的宽度 b ty= 2000mm;垫层厚度 s = 600mm荷载作用面中心至板左边的距离 x = 1500mm,最左端至板左边的距离 x1= 1200mm,最右端至板右边的距离 x2= 1200mm荷载作用面中心至板下边的距离 y = 1500mm,最下端至板下边的距离 y1= 500mm,最上端至板上边的距离 y2= 500mm1.2荷载作用面的计算宽度1.2.1 b cx= b tx + 2s·tanθ + h = 600+2*600*tan30°+400 = 1693mm1.2.2 b cy= b ty + 2s·tanθ + h = 2000+2*600*tan30°+400 = 3093mm当 0.5b cy> y 且 0.5b cy> 0.5b ty + y2时,取 b cy= L y= 3000mm1.3局部荷载的有效分布宽度1.3.1按上下支承考虑时局部荷载的有效分布宽度当 b cy≥ b cx, b cx≤ 0.6L y时,取 b x= b cx + 0.7L y= 1693+0.7*3000 = 3793mm1.3.2按左右支承考虑时局部荷载的有效分布宽度当 b cx< b cy, b cy≤ 2.2L x时,取b y= 2b cy / 3 + 0.73L x= 2*3000/3+0.73*3000 = 4190mm1.4绝对最大弯矩1.4.1按上下支承考虑时的绝对最大弯矩1.4.1.1将局部集中荷载转换为 Y 向线荷载q y= N / b ty= 280/2 = 140kN/m1.4.1.2 M maxY= q y·b ty·(L y - y)·[y1 + b ty·(L y - y) / 2L y] / L y= 140*2*(3-1.5)*[0.5+2*(3-1.5)/(2*3)]/3 = 140kN·m1.4.2按左右支承考虑时的绝对最大弯矩1.4.2.1将局部集中荷载转换为 X 向线荷载q x= N / b tx= 280/0.6 = 466.67kN/m1.4.2.2 M maxX= q x·b tx·(L x - x)·[x1 + b tx·(L x - x) / 2L x] / L x= 466.67*0.6*(3-1.5)*[1.2+0.6*(3-1.5)/(2*3)]/3 = 189kN·m1.5由绝对最大弯矩等值确定的等效均布荷载1.5.1按上下支承考虑时的等效均布荷载2) = 8*140/(3.793*32) = 32.81kN/mq1.5.2按左右支承考虑时的等效均布荷载2) = 8*189/(4.19*32) = 40.1kN/mq1.5.3等效均布荷载 qe= Max{q ex, q ey} = Max{32.81, 40.1} = 40.1kN/m1.6由局部荷载总和除以全部受荷面积求得的平均均布荷载qe' = N / (L x·L y) = 280/(3*3) = 31.11kN/m。
消防车等效均布荷载的计算
【摘要】消防车荷载的取值,一直比较混乱,为使消防车荷载有一个较为合理的取值,笔者对消防车等效荷载进行了常见的几种情况的计算,供设计界同仁参考。
【关键词】消防车等效荷载轮压扩散角动力系数
消防车荷载的取值,就目前来说,一直比较混乱, 有按《建筑结构荷载规范》(下面简称《荷载规范》)要求单向板(板跨度≥2m)取35kN/㎡、双向板(板跨度≥6m)取20kN/㎡的,也有取等效均布荷载为26kN/㎡的, 还有主梁取0.8X20=16kN/㎡次梁为0.95X20=19kN/㎡的,如此等等,各种取法都有。
而消防车荷载的取值又属“强条”。
《荷载规范》表4.1.1注第3条:“……;当不符合本表的要求的时候,应将车轮的局部荷载按结构效应的等效原则,换算为等效均布荷载。
”即消防车荷载的取值大小应按等效均布荷载计算。
这些对每一个设计人员来说,都是清楚的。
但是在实际工程中,由于等效均布荷载计算过程较为繁琐, 设计周期又短等各种原因,大都未进行等效均布荷载的计算。
一般来说,凡取等效均布荷载的,都没有相应的计算资料, 大都采取“估算”的办法。
就目前成都建筑市场而言,基本上都采用大底盘地下室,其上部修建若干栋多、高层建筑,这样必然出现小区内的消防通道置于地下室的顶板上。
而地下室的顶板设计,一般采用井字梁楼盖或十字梁楼盖,板跨大都小于6.0mX6.0m,故消防车荷载是不能取20kN/㎡。
而应按规范要求进行等效均布荷载计算(单向板或密肋楼盖较少采用,所以此处仅就双向板进行分析)。
为使消防车荷载有一个较为合理的取值,笔者对消防车等效均布荷载进行了常见的几种情况的计算,供设计界同仁参考,以飨读者。
1.荷载计算
消防车荷载均沿消防车道布置。
小区道路通常不是很宽,一般在5m左右,所以消防车按单列布置(当小区消防通道宽度≥6 m时,应按并列两辆消防车的布置进行等效均布荷载计算。
此种情况,不在本文叙述范围)。
为求最不利情况,按两车车尾对车尾的排列,两车尾间净距按500㎜计,消防车总重量按《荷载规范》要求,以300 kN计算。
消防车荷载前、后桥轮压及车列布置见图1~图3, 轮压面积按200㎜X600㎜计。
2.楼板计算
2.1. 有填土
地下室柱网尺寸一般为6.6m~7.8m,结构布置常采用井字梁楼盖或十字梁楼盖,如图4。
地下室顶板上部,由于绿化需要,均有填土, 填土厚度一般为600~900㎜,计算时考虑了填土层压力扩散影响,其压力扩散角θ取22°,钢筋混凝土顶板厚度按160㎜计, 压力扩散角θ取45°,如图5:
当采用井字梁楼盖时从图6可以看出,,局部压力扩散后,基本连成一片,且其覆盖面积已超出井字楼盖中一块板的面积。
所以可将后桥轮压直接除以面积,就得到板的等效均布荷载,见表一。
当采用十字梁楼盖时,板跨为3.3X3.3~3.9X3.9,从图6中可以看出,轮压扩散后面积基本覆盖全板,故可以按板面积平均,则得表二:
表一
表二
2.2 无填土
当板上无填土时, 对于井字梁楼盖则以后桥轮压计算板的等效均布荷载。
由于当一个轮子放在板中心时,另一个轮子已在板外,所以只须考虑板中心一个轮压进行计算。
如图7。
如图8:板厚度仍按160㎜计, 扩散角θ取45°,不考虑道路面层的影响,计算时以局部荷载在板跨中心处所引起的弯矩与等效均布荷载在板跨中心处所产生的弯矩相等的原则确定。
计算结果见表三(计算过程从略)。
当采用十字梁楼盖时,利用“影响线”原理,板跨中心最大弯矩时的轮压位置按图9布置,计算原则同井字梁楼盖, 计算结果见表三(计算过程从略)。
表三
3. 次梁计算
次梁的等效均布荷载,按简支梁跨中弯矩相等的原则进行计算。
消防车轮压局部荷载作用下的最大弯矩最不利布置按多个集中力作用下的影响线求得。
考虑一侧轮压作用在梁上(不考虑填土的扩散作用), 另一侧轮压实际作用在板上。
为采用现有程序计算方便,将其简化为另一侧轮压作用在另一次梁上,并且不考虑轮压的扩散作用,直接按集中力进行计算,如图10。
由此计算得到次梁的等效均布荷载。
结果见表四、表五(计算过程从略)。
表四:井字梁
4. 主梁计算
主梁等效均布荷载计算,也按简支梁跨中弯矩相等的原则进行。
同样考虑最不利荷载布置,采用与次梁同样的简化方法计算求得主梁的等效均布荷载。
如图11。
结果见表六、表七(计算过程从略)。
表七:十字梁
按《荷载规范》第6.4.2条:“……车辆起动和刹车的动力系数,可采用1.1~1.3;其动力荷载只传至楼板和梁”。
对于消防车而言, 起动和刹车属瞬间荷载,不像车库起动和刹车随时都存在,且可能数台车同时起动和刹车。
毕竟火灾的发生具有偶然性,再加以顶板上填土的减震作用, 消防车制动对楼板和梁的影响也是很有限的。
所以,笔者认为,对有填土的消防车荷
载其动力系数K可以取1.0;对无填土的消防车荷载其动力系数K可以取《荷载规范》规定的1.1~1.3的中间值1.15~1.2。
6.建议
6.1本文中所得消防车等效均布荷载只考虑了消防车本身的荷载,而实际尚应考虑其他荷载的存在,如:指挥车或其他消防器具、围观群众等荷载。
故应在计算主梁和次梁时的等效均布荷载再加上一均布荷载值,笔者建议此值可取2.0 kN/㎡。
6.2对防空地下室中钢筋混凝土结构构件来说,处于屈服后开裂状态仍属正常的工作状态,这点与静力作用下结构构件所处的状态有很大不同。
冷轧带肋钢筋、冷拉钢筋等经冷加工处理的钢筋伸长率低,塑性变形能力差,延性不好。
地下室顶板由于车辆起动和刹车均产生的是动力作用,笔者认为, 顶板配筋不宜采用冷加工处理的钢筋。
参考文献
【1】《建筑结构荷载规范GB 50009—2011 2011年版》
【2】朱炳寅《对荷载规范第4.1.1条的理解与应用》建筑结构随刊赠阅2006.5月
【3】陈基发沙志国编著《建筑结构荷载设计手册第二版》。