继电接触器控制系统基本电路
- 格式:ppt
- 大小:34.44 MB
- 文档页数:58
继电接触器控制电路的原理
继电接触器是一种电气控制装置,用于控制电路的开关与断开。
其原理是利用电磁作用的原理,通过通电时产生的磁场来使开关触点闭合或断开,以实现电路的打开或关闭。
继电接触器由电磁系统和触控系统两部分组成。
电磁系统包括线圈、铁芯和中心柱,而触控系统则由触点、导电材料和继电器壳体构成。
当继电接触器通电时,电流经过线圈时,根据安培定律可得知,产生的磁场会使铁芯和中心柱受到磁力的作用,产生磁动作。
当线圈中通有电流时,产生的磁场会将铁芯吸引过来,同时中心柱也会被磁力吸引,使得接触器的触点闭合。
当线圈断电时,磁场消失,铁芯和中心柱因弹簧的作用返回原位,触点则会因外部力的作用恢复到断开状态。
继电接触器的触点具有良好的导电和断电特性,能够高效稳定地实现电路的闭合和断开。
在闭合状态下,继电接触器的触点之间会形成一个通路,电流可以经过这个通路流动,实现电路的导通。
而在断开状态下,继电接触器的触点之间则形成断路,电流不能通过,从而实现电路的断开。
继电接触器还具有较大的承载能力,可以承受较高的电流和电压,能够在各种工况下稳定地工作。
此外,继电接触器还具有可靠性高、寿命长、抗干扰能力强等
特点。
继电接触器常常应用于电气控制系统中,可用于控制各种电动机、灯光、加热器、空调等设备的开关操作。
通过控制继电接触器的通电和断电,可以实现对这些设备的启停和控制。
综上所述,继电接触器是一种利用电磁作用原理工作的电气控制装置,通过通电时产生的磁场来使触点闭合或断开,从而实现电路的打开或关闭。
它具有结构简单、操作可靠、承载能力大等优点,广泛应用于各种电气控制系统中。
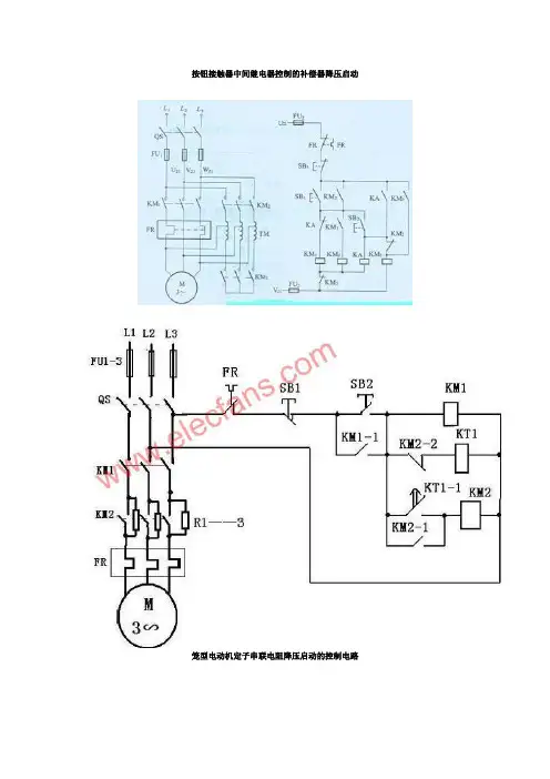
按钮接触器中间继电器控制的补偿器降压启动笼型电动机定子串联电阻降压启动的控制电路JJ1B-75型自耦降压启动器电路JK1-125型自耦降压启动器电路22~75型自耦降压启动电路11~75型自耦降压启动电路按钮、接触器控制星三角降压启动控制电路QX3-13型星三角降压启动器电路电动机星三角降压启动电路电动机不带电切换的星三角启动电路使用中间继电器防飞弧短路的Y星三角启动电路使用断星合三角隔延时的星三角启动电路星三角启动电路图采用继电器和限流电阻构成的软启动电路图2是采用继电器K1和限流电阻R1构成的防浪涌电流电路。
电源接通瞬间,输入电压经整流(D1~D4)和限流电阻R1对滤波电容器C1充电,防止接通瞬间的浪涌电流,同时辅助电源Vcc经电阻 R2对并接于继电器K1线包的电容器C2充电,当C2上的电压达到继电器K1的动作电压时,K1动作,其触点K1.1闭合而旁路限流电阻R1,电源进入正常运行状态。
限流的延迟时间取决于时间常数(R2C2),通常选取为0.3~0.5s。
为了提高延迟时间的准确性及防止继电器动作抖动振荡,延迟电路可采用图3所示电路替代RC延迟电路。
图2 采用继电器K1和限流电阻构成的软启动电路图3 替代RC的延迟电路图1是采用晶闸管V和限流电阻R1组成的防浪涌电流电路。
在电源接通瞬间,输入电压经整流桥(D1~D4)和限流电阻R1对电容器C充电,限制浪涌电流。
当电容器C充电到约80%额定电压时,逆变器正常工作。
经主变压器辅助绕组产生晶闸管的触发信号,使晶闸管导通并短路限流电阻R1,开关电源处于正常运行状态。
防浪涌软启动电路开关电源的输入电路大都采用电容滤波型整流电路,在进线电源合闸瞬间,由于电容器上的初始电压为零,电容器充电瞬间会形成很大的浪涌电流,特别是大功率开关电源,采用容量较大的滤波电容器,使浪涌电流达100A以上。
在电源接通瞬间如此大的浪涌电流,重者往往会导致输入熔断器烧断或合闸开关的触点烧坏,整流桥过流损坏;轻者也会使空气开关合不上闸。
第五章继电接触器控制系统的设计继电接触器控制系统是一种传统的自动控制系统,它通过继电接触器驱动电机和其他设备实现自动化控制。
本文将介绍继电接触器控制系统的设计步骤和注意事项。
一、设计步骤1.需求分析:首先,设计人员需要了解系统的整体需求和功能,包括需要驱动的设备类型、设备数量、控制信号种类等。
同时,需要了解系统的工作环境和使用条件,以便选择合适的继电接触器和配套设备。
2.电路设计:根据需求分析的结果,设计人员可以开始进行电路设计。
通常,继电接触器控制系统的电路包括电源电路、输入电路和输出电路。
电源电路用于为整个系统提供电源供应,输入电路负责接收来自控制信号源的信号,输出电路则控制继电器的工作状态。
3.继电器选型:继电接触器的选型是关键步骤之一,设计人员需要根据控制系统的需求选择合适的继电器。
选择继电器时,需要考虑工作电流、额定电压、最大开关次数和工作温度范围等参数。
4.继电器布置:根据设计的电路和继电器的选型,设计人员可以开始进行继电器的布置。
布置继电器时,需要考虑继电器之间的相互干扰和继电器与其他电路元件之间的布局关系。
同时,需要合理安排继电器的通信线路和控制线路。
5.系统调试:在完成电路设计和继电器布置后,设计人员需要对整个系统进行调试。
调试过程中,设计人员需要逐一检查系统的电路连接、信号传输和继电器工作状态,以确保系统的正常工作。
二、注意事项1.电源供应:继电接触器控制系统通常需要稳定可靠的电源供应。
设计人员需要合理选择和布置电源供应线路,避免电源波动对系统的影响。
2.继电器的散热问题:继电接触器在工作过程中会产生一定的热量,设计人员需要合理设计继电器的散热系统,以确保继电器的长期稳定工作。
3.线路的绝缘和防护:继电器控制系统的线路需要进行绝缘处理和防护措施,以防止电流泄漏和外界干扰。
4.继电器与其他元器件的匹配:在进行继电器控制系统的设计时,设计人员需要根据系统的需求选择合适的电线、保险丝、电容等配套元器件,以确保整个系统的兼容性和稳定性。