JJG52-2013弹性元件式一般压力表、压力真空表和真空表检定规程的压力检定记录
- 格式:doc
- 大小:42.50 KB
- 文档页数:1
压力表校准标准装置测量不确定度分析1、信息1.1测量依据:JJG52-2013《弹性元件式一般压力表、压力真空表和真空表检定规程》1.2环境条件:温度(20±5)℃1.3测量标准:精密数字压力表(0~2.5)MPa,0.05级1.4被测量对象:一般压力表((0~1)MPa,1.6级2、测量方法被检(一般)压力表需在检定室内恒温2小时后方可进行检定。
检定时根据被检表的量程和准确度等级计算出允许误差值,并以该值衡量被检表的零点误差、示值重复性、示值变动性以及基本示值误差。
检定点压力由精密数字压力表确定,不做修正。
3、数学模型X= (X被-X标)式中:x —被检表的示值误差;X被—被检表的示值;X标—精密数字压力表显示的标准压力值;4、各分量的标准不确定度评定举例:选择一只测量压力范围(0~1.0)MPa,准确度等级1.6级的压力表作为被检表,相应选取标准装置中测量范围压力范围(0~2.5)MPa,准确度等级为0.05级的精密数字压力表作为标准表。
4.1 标准不确定度A类评定由重复性引入的误差,选取一台测量范围为(0~1.0)MPa、准确度等级1.6级、性能稳定的一般压力表,用测量范围为(0~2.5)MPa的0.05级的精密数字压力表在相同测量条件下在0.8MPa处连续测量10次,读取一般压力表的显示值,测量结果如下:根据贝塞尔公式得由重复性引入的不确定度分量为单次标准偏差s=1n x x 2n1i i--∑=)(=0.0025 ( MPa )u(x)1=s /2.5(标准表量程)×100%= 0.10%4.2 标准不确定度B 类评定4.2.1由标准装置引入的不确定度分量由(标准表)准确度等级0.05%,不确定度分量服从正态分布,取因子3u(x)2=0.05%(标准表检定的准确度等级)/ 3=0.017%;4.2.2由环境温度引入的不确定度标准表工作环境(20±5)℃,温度变换对示值影响不大,可忽略。
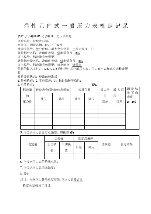
弹性元件式一般压力表检定记录
JNTY/JL/YQYB/01记录编号:力压字第号
送检单位:被检表名称:
制造商:测量范围:MPa出厂编号:
准确度等级:级分度值:最大允许误差:±检定温度:℃
计量标准名称:准确度等级:级测量范围:MPa
证书编号:标准器有效期至:
计量标准器名称:准确度等级:级测量范围:MPa
证书编号:标准器有效期至:检定地点:计量室
依据的技术文件:JJG52-2013弹性元件式一般压力表、压力真空表和真空表检定规程
被检器具状态:校准前校准后
1.外观检查:
2.零位误差:3:指针偏转平稳性:
5.电接点压力表设定点偏差、切换差MPa
6.电接点压力表的绝缘电阻:
7.电接点压力表绝缘强度:
8.其他:
结论:根据以上各项检定结果,该压力表符合级
检定员复核员年月日。
目的:建立弹性元件式一般压力表、压力真空表和真空表复检管理规定,确保弹性元件式一般压力表、压力真空表和真空表质量符合标准规定。
范围:适用于GMP有关弹性元件式一般压力表、压力真空表和真空表有效期/复验期的管理。
职责:仪表检定人员对此规定实施负责,质量管理部负责人监督检查。
程序:1.仪表检定人员严格按照JJG 52-2013 弹性元件式一般压力表、压力真空表和真空表检定规程实施检定。
2.JJG 52-2013 弹性元件式一般压力表、压力真空表和真空表检定规程如下:JJG 中华人民共和国国家计量检定规程JJG 52——2013弹性元件式一般压力表、压力真空表和真空表Elastic Element Pressure Gauges, Pressure-VacuumGauges and Vacuum Gauges for General Use2013-06-24发布 2013-12-24实施国家质量监督检验检疫总局发布2.1 范围本规程适用于弹性元件式一般压力表、压力真空表和真空表(以下简称压力表)的首次检定、后续检定和使用中检定。
2.2 引用文件本规程引用下列文件:JJF 1008-2008 压力计量名词术语及定义GB/T 1226-2010 一般压力表凡是注日期的引用文件,仅注日期的版本适用于基本规程;凡是不注日期的引用文件,其最新版本(包括所有的修改单)适用于本规程。
2.3术语和计量单位2.3.1 术语2.3.1.1 弹性元件式压力表(可统称:压力表)以弹性敏感元件为感压元件的测量压力的仪表。
【JJF 1008-2008 定义4.1】2.3.1.2 设定点偏差输出变量按规定的要求输出时,设定值与测得的实际值之差。
【JJF 1008-2008定义7.10】2.3.1.3 切换值位式控制仪表上行程(或下行程)中,输出从一种状态换到另一种状态时所测得的输入量。
【JJF1008-2008定义7.11】2.3.1.4 切换差同一设定点上、下行程切换值之差。
目的:建立弹性元件式一般压力表、压力真空表和真空表复检管理规定,确保弹性元件式一般压力表、压力真空表和真空表质量符合标准规定。
范围:适用于GMP有关弹性元件式一般压力表、压力真空表和真空表有效期/复验期的管理。
职责:仪表检定人员对此规定实施负责,质量管理部负责人监督检查。
程序:1.仪表检定人员严格按照JJG 52-2013 弹性元件式一般压力表、压力真空表和真空表检定规程实施检定。
2.JJG52-2013 弹性元件式一般压力表、压力真空表和真空表检定规程如下:JJG 中华人民共和国国家计量检定规程JJG 52——2013弹性元件式一般压力表、压力真空表和真空表Elastic Element Pressure Gauges, Pressure-Vacuum Gauges and Vacuum Gauges for General Use 2013-06-24发布 2013-12-24实施国家质量监督检验检疫总局发布2.1范围本规程适用于弹性元件式一般压力表、压力真空表和真空表(以下简称压力表)的首次检定、后续检定和使用中检定。
2.2引用文件本规程引用下列文件:JJF 1008-2008 压力计量名词术语及定义GB/T 1226-2010 一般压力表凡是注日期的引用文件,仅注日期的版本适用于基本规程;凡是不注日期的引用文件,其最新版本(包括所有的修改单)适用于本规程。
2.3术语和计量单位2.3.1 术语2.3.1.1 弹性元件式压力表(可统称:压力表)以弹性敏感元件为感压元件的测量压力的仪表。
【JJF 1008-2008 定义4.1】2.3.1.2 设定点偏差输出变量按规定的要求输出时,设定值与测得的实际值之差。
【JJF 1008-2008定义7.10】2.3.1.3 切换值位式控制仪表上行程(或下行程)中,输出从一种状态换到另一种状态时所测得的输入量。
【JJF1008-2008定义7.11】2.3.1.4 切换差同一设定点上、下行程切换值之差。
作者:于椅上作品编号:785632589421G 101创作日期:2020年12月20日实用文库汇编之目的:建立弹性元件式一般压力表、压力真空表和真空表复检管理规定,确保弹性元件式一般压力表、压力真空表和真空表质量符合标准规定。
范围:适用于GMP有关弹性元件式一般压力表、压力真空表和真空表有效期/复验期的管理。
职责:仪表检定人员对此规定实施负责,质量管理部负责人监督检查。
程序:1.仪表检定人员严格按照JJG 52-2013 弹性元件式一般压力表、压力真空表和真空表检定规程实施检定。
2.JJG 52-2013 弹性元件式一般压力表、压力真空表和真空表检定规程如下:JJG中华人民共和国国家计量检定规程JJG 52——2013弹性元件式一般压力表、压力真空表和真空表Elastic Element Pressure Gauges, Pressure-VacuumGauges and Vacuum Gauges for General Use2013-06-24发布2013-12-24实施国家质量监督检验检疫总局发布2.1 范围本规程适用于弹性元件式一般压力表、压力真空表和真空表(以下简称压力表)的首次检定、后续检定和使用中检定。
2.2 引用文件本规程引用下列文件:JJF 1008-2008 压力计量名词术语及定义GB/T 1226-2010 一般压力表凡是注日期的引用文件,仅注日期的版本适用于基本规程;凡是不注日期的引用文件,其最新版本(包括所有的修改单)适用于本规程。
2.3术语和计量单位2.3.1 术语2.3.1.1 弹性元件式压力表(可统称:压力表)以弹性敏感元件为感压元件的测量压力的仪表。
【JJF 1008-2008 定义4.1】2.3.1.2 设定点偏差输出变量按规定的要求输出时,设定值与测得的实际值之差。
【JJF 1008-2008定义7.10】2.3.1.3 切换值位式控制仪表上行程(或下行程)中,输出从一种状态换到另一种状态时所测得的输入量。
目的:建立弹性元件式一般压力表、压力真空表和真空表复检管理规定,确保弹性元件式一般压力表、压力真空表和真空表质量符合标准规定。
范围:适用于GMP有关弹性元件式一般压力表、压力真空表和真空表有效期/复验期的管理。
职责:仪表检定人员对此规定实施负责,质量管理部负责人监督检查。
程序:1.仪表检定人员严格按照JJG 52-2013 弹性元件式一般压力表、压力真空表和真空表检定规程实施检定。
2.JJG 52-2013 弹性元件式一般压力表、压力真空表和真空表检定规程如下:JJG 中华人民共和国国家计量检定规程JJG 52——2013弹性元件式一般压力表、压力真空表和真空表Elastic Element Pressure Gauges, Pressure-VacuumGauges and Vacuum Gauges for General Use2013-06-24发布 2013-12-24实施国家质量监督检验检疫总局发布2.1 范围本规程适用于弹性元件式一般压力表、压力真空表和真空表(以下简称压力表)的首次检定、后续检定和使用中检定。
2.2 引用文件本规程引用下列文件:JJF 1008-2008 压力计量名词术语及定义GB/T 1226-2010 一般压力表凡是注日期的引用文件,仅注日期的版本适用于基本规程;凡是不注日期的引用文件,其最新版本(包括所有的修改单)适用于本规程。
2.3术语和计量单位2.3.1 术语2.3.1.1 弹性元件式压力表(可统称:压力表)以弹性敏感元件为感压元件的测量压力的仪表。
【JJF 1008-2008 定义4.1】2.3.1.2 设定点偏差输出变量按规定的要求输出时,设定值与测得的实际值之差。
【JJF 1008-2008定义7.10】2.3.1.3 切换值位式控制仪表上行程(或下行程)中,输出从一种状态换到另一种状态时所测得的输入量。
【JJF1008-2008定义7.11】2.3.1.4 切换差同一设定点上、下行程切换值之差。
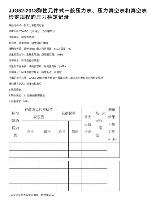
JJG52-2013弹性元件式⼀般压⼒表、压⼒真空表和真空表检定规程的压⼒检定记录
弹性元件式⼀般压⼒表检定记录
JNTY/JL/YQYB/01记录编号:⼒压字第号
送检单位:被检表名称:
制造商:测量范围:()MPa出⼚编号:
准确度等级:级分度值:最⼤允许误差:±检定温度:℃
计量标准名称:准确度等级:级测量范围:()MPa
证书编号:标准器有效期⾄:
计量标准器名称:准确度等级:级测量范围:()MPa
证书编号:标准器有效期⾄:检定地点:计量室
依据的技术⽂件:JJG52-2013弹性元件式⼀般压⼒表、压⼒真空表和真空表检定规程
被检器具状态:校准前校准后
1.外观检查:
2.零位误差:3:指针偏转平稳性:
4.⽰值检定:MPa
5.电接点压⼒表设定点偏差、切换差MPa
6.电接点压⼒表的绝缘电阻:
7.电接点压⼒表绝缘强度:
8.其他:
结论:根据以上各项检定结果,该压⼒表符合级检定员复核员年⽉⽇。
GMP-JJG 52弹性元件式一般压力表、压力真空表和真空表检定规定目的:建立弹性元件式一般压力表、压力真空表和真空表复检管理规定,确保弹性元件式一般压力表、压力真空表和真空表质量符合标准规定。
范围:适用于GMP有关弹性元件式一般压力表、压力真空表和真空表有效期/复验期的管理。
职责:仪表检定人员对此规定实施负责,质量管理部负责人监督检查。
程序:1. 仪表检定人员严格按照JJG 52-2013 弹性元件式一般压力表、压力真空表和真空表检定规程实施检定。
2. JJG 52-2013 弹性元件式一般压力表、压力真空表和真空表检定规程如下:JJG中华人民共和国国家计量检定规程JJG 52——2013弹性元件式一般压力表、压力真空表和真空表Elastic Element Pressure Gauges, Pressure-VacuumGauges and Vacuum Gauges for General Use2013-06-24发布2013-12-24实施国家质量监督检验检疫总局发布2.1 范围本规程适用于弹性元件式一般压力表、压力真空表和真空表(以下简称压力表)的首次检定、后续检定和使用中检定。
2.2 引用文件本规程引用下列文件:JJF 1008-2008 压力计量名词术语及定义GB/T 1226-2010 一般压力表凡是注日期的引用文件,仅注日期的版本适用于基本规程;凡是不注日期的引用文件,其最新版本(包括所有的修改单)适用于本规程。
2.3 术语和计量单位2.3.1 术语2.3.1.1 弹性元件式压力表(可统称:压力表)以弹性敏感元件为感压元件的测量压力的仪表。
【JJF 1008-2008 定义4.1】2.3.1.2 设定点偏差输出变量按规定的要求输出时,设定值与测得的实际值之差。
【JJF 1008-2008定义7.10】2.3.1.3 切换值位式控制仪表上行程(或下行程)中,输出从一种状态换到另一种状态时所测得的输入量。
GMP-JJG 52弹性元件式一般压力表、压力真空表和真空表检定规定目的:建立弹性元件式一般压力表、压力真空表和真空表复检管理规定,确保弹性元件式一般压力表、压力真空表和真空表质量符合标准规定。
范围:适用于GMP有关弹性元件式一般压力表、压力真空表和真空表有效期/复验期的管理。
职责:仪表检定人员对此规定实施负责,质量管理部负责人监督检查。
程序:1. 仪表检定人员严格按照JJG 52-2013 弹性元件式一般压力表、压力真空表和真空表检定规程实施检定。
2. JJG 52-2013 弹性元件式一般压力表、压力真空表和真空表检定规程如下:JJG中华人民共和国国家计量检定规程JJG 52——2013弹性元件式一般压力表、压力真空表和真空表Elastic Element Pressure Gauges, Pressure-VacuumGauges and Vacuum Gauges for General Use2013-06-24发布2013-12-24实施国家质量监督检验检疫总局发布2.1 范围本规程适用于弹性元件式一般压力表、压力真空表和真空表(以下简称压力表)的首次检定、后续检定和使用中检定。
2.2 引用文件本规程引用下列文件:JJF 1008-2008 压力计量名词术语及定义GB/T 1226-2010 一般压力表凡是注日期的引用文件,仅注日期的版本适用于基本规程;凡是不注日期的引用文件,其最新版本(包括所有的修改单)适用于本规程。
2.3 术语和计量单位2.3.1 术语2.3.1.1 弹性元件式压力表(可统称:压力表)以弹性敏感元件为感压元件的测量压力的仪表。
【JJF 1008-2008 定义4.1】2.3.1.2 设定点偏差输出变量按规定的要求输出时,设定值与测得的实际值之差。
【JJF 1008-2008定义7.10】2.3.1.3 切换值位式控制仪表上行程(或下行程)中,输出从一种状态换到另一种状态时所测得的输入量。
一般压力表校验规程1.0目的为保障国家计量单位制的统一和量值的准确可靠,以有效的措施来控制影响检测质量的各种因素,确保检测质量,为客户提供可靠数据,出具符合国家标准、准确无误的证书,制定本校验规程。
2.0范围本规程适用于弹性元件式一般压力表、压力真空表和真空表(以下简称压力表)的首次检定、后续检定和使用中检查。
3.0责任3.1正确使用计量标准并负责维护、保养,使其保持良好的技术状态。
3.2执行计量技术法规,进行计量检定工作。
3.3保证计量检定的原始数据和有关技术资料的完整、真实。
4.0检定条件4.1环境条件检定温度:(20±5)℃;相对湿度:不大于85%;环境压力:大气压力。
仪表在检定前应在以上规定的环境条件下至少静置2h。
4.2检定用工作介质4.2.1测量上限不大于0.25MPa的压力表,工作介质为清洁的空气或无毒、无害和化学性能稳定的气体;4.2.2测量上限大于0.25小于等于40MPa的压力表,工作介质为无腐蚀性的液体或根据标准器所要求使用的工作介质。
5.0检定项目与方法5.1外观检查5.1.1压力表的零部件装配应牢固,无松动现象。
5.1.2新制造的压力表涂层应均匀光洁,无明显剥脱现象。
压力表应装有安全孔安全孔上须有防尘装置(不准被测介质逸出表外的压力表除外)。
5.1.3氧气表还必须标以红色“禁油”字样。
真空表应有“-”或“负”字。
5.1.4压力表分度盘上应有如下下标志:制造单位或商标;产品名称;计量单位和数字;计量器具制造许可证标志和编号;准确度等级;出厂编号。
5.2确定允许误差,压力表的准确度等级和允许误差及其关系见下表准确度等级(级)最大允许误差/%零位测量上限的(90~100)%其余部分带止销不带止销1.0 1.0 ±1.0 ±1.6 ±1.01.6(1.5) 1.6 ±1.6 ±2.5 ±1.62.5 2.5 ±2.5 ±4.0 ±2.54.0 4.0 ±4.0 ±4.0 ±4.05.3、零位的检定5.3.1带止销的压力表,在无压力或真空时,指针应紧靠止销,“缩格”应不得超过表1规定的允许误差绝对值。
G M P-J J G52弹性元件式一般压力表、压力真空表和真空表检定规定目的:建立弹性元件式一般压力表、压力真空表和真空表复检管理规定,确保弹性元件式一般压力表、压力真空表和真空表质量符合标准规定。
范围:适用于GMP有关弹性元件式一般压力表、压力真空表和真空表有效期/复验期的管理。
职责:仪表检定人员对此规定实施负责,质量管理部负责人监督检查。
程序:1.仪表检定人员严格按照JJG 52-2013 弹性元件式一般压力表、压力真空表和真空表检定规程实施检定。
2.JJG 52-2013 弹性元件式一般压力表、压力真空表和真空表检定规程如下:JJG 中华人民共和国国家计量检定规程JJG 52——2013弹性元件式一般压力表、压力真空表和真空表Elastic Element Pressure Gauges, Pressure-VacuumGauges and Vacuum Gauges for General Use2013-06-24发布 2013-12-24实施国家质量监督检验检疫总局发布2.1 范围本规程适用于弹性元件式一般压力表、压力真空表和真空表(以下简称压力表)的首次检定、后续检定和使用中检定。
2.2 引用文件本规程引用下列文件:JJF 1008-2008 压力计量名词术语及定义GB/T 1226-2010 一般压力表凡是注日期的引用文件,仅注日期的版本适用于基本规程;凡是不注日期的引用文件,其最新版本(包括所有的修改单)适用于本规程。
2.3术语和计量单位2.3.1 术语2.3.1.1 弹性元件式压力表(可统称:压力表)以弹性敏感元件为感压元件的测量压力的仪表。
【JJF 1008-2008 定义4.1】2.3.1.2 设定点偏差输出变量按规定的要求输出时,设定值与测得的实际值之差。
【JJF 1008-2008定义7.10】2.3.1.3 切换值位式控制仪表上行程(或下行程)中,输出从一种状态换到另一种状态时所测得的输入量。
弹性元件式一般压力表检定记录
JNTY/JL/YQYB/01记录编号:力压字第号
送检单位:被检表名称:
制造商:测量范围:()MPa出厂编号:
准确度等级:级分度值:最大允许误差:±检定温度:℃
计量标准名称:准确度等级:级测量范围:()MPa
证书编号:标准器有效期至:
计量标准器名称:准确度等级:级测量范围:()MPa
证书编号:标准器有效期至:检定地点:计量室
依据的技术文件:JJG52-2013弹性元件式一般压力表、压力真空表和真空表检定规程
被检器具状态:校准前校准后
1.外观检查:
2.零位误差:3:指针偏转平稳性:
4.示值检定:MPa
5.电接点压力表设定点偏差、切换差MPa
6.电接点压力表的绝缘电阻:
7.电接点压力表绝缘强度:
8.其他:
结论:根据以上各项检定结果,该压力表符合级检定员复核员年月日。
对JJG 52-2013《弹性元件式一般压力表、压力真空表和真空表检定规程》中耐压检定的探讨
辜卫国;杨敬磊
【期刊名称】《计量与测试技术》
【年(卷),期】2022(49)10
【摘要】弹性元件式压力表是将管道压力通过压力表弹性元件和传动机构在表盘上指示出现场压力的示值,广泛应用于生产企业、燃气管道。
涉及安全类的压力表属于强制检定仪表,在检定过程中,测量上限需耐压3min,而对于面大量广的压力表检定工作,很多人不解甚至觉得没有必要,本文将对此进行讨论。
【总页数】2页(P21-22)
【作者】辜卫国;杨敬磊
【作者单位】淮安市计量测试中心
【正文语种】中文
【中图分类】TB9
【相关文献】
1.检定弹簧管式一般压力表,压力真空表及真空表示值方法的探讨
2.JJG 52—2013《弹性元件式一般压力表、压力真空表和真空表》存在的问题探讨
3.浅析一般压力表、压力真空表和真空表检定依据的新旧规程对比
4.关于举办“JJG 913—2015《浮标式氧气吸入器》与JJG 926—2015《记录式压力表、压力真空表和真
空表》等6个国家计量检定新规程宣贯会”的通知5.压力表计量基础知识讲座第十讲弹性元件式一般压力表的检定(中)
因版权原因,仅展示原文概要,查看原文内容请购买。
jjg 52-2013一般压力表检定规程JJG 52-2013一般压力表检定规程1. 引言在工业生产过程中,压力表是一种广泛使用的测量工具。
为了确保生产过程的准确度和稳定性,对压力表的检定必不可少。
本文档旨在制定一般压力表的检定规程,以保证测量结果的准确性和可靠性。
2. 术语和定义2.1 压力表:指用于测量压力的仪器或设备。
2.2 指示误差:指压力表显示值与真实值之间的差异。
2.3 检定:指对压力表进行校准并评估其准确性的过程。
2.4 检定结果:指经过检定后,得到的压力表指示误差和不确定度的值。
3. 检定装置和工具3.1 标准压力表:用于对待检压力表进行比较校准的基准仪器。
3.2 检定装置:包括稳定的工作台面、气源系统、数据采集系统等。
3.3 检定工具:包括校验线、压力源、压力转换器等。
4. 检定前的准备工作4.1 检定前的环境条件要求:确保检定过程在恒温、无风和无磁场的环境下进行。
4.2 检定前的准备工作:包括对检定装置及工具进行校验和检测,确保其精度和可靠性。
5. 检定步骤5.1 检定准备:将待检压力表与标准压力表置于同一环境条件下,使其达到稳定状态。
5.2 检定操作:通过调整标准压力表的指示值,与待检压力表进行逐级比较和校准。
5.3 检定数据采集:使用数据采集系统采集并记录待检压力表和标准压力表的指示值。
5.4 数据处理:对采集到的数据进行处理,计算出待检压力表的指示误差和不确定度。
5.5 检定结果:根据数据处理的结果,给出待检压力表的指示误差和不确定度。
6. 检定结果的判定根据检定结果,判定待检压力表是否合格。
判定标准可以根据国家相关标准进行制定。
7. 检定报告和记录7.1 检定报告:记录检定的详细过程、步骤、数据和结果。
7.2 检定记录:包括检定日期、检定人员、检定装置和工具的信息等。
8. 检定周期根据压力表的使用频率、工作环境和精度要求,制定合理的检定周期。
常规情况下,建议每年进行一次检定。
弹性元件式一般压力表检定记录
JNTY/JL/YQYB/01 记录编号:力压字第号
送检单位:被检表名称:
制造商:测量范围: ( )MPa 出厂编号:
准确度等级:级分度值:最大允许误差:±检定温度:℃计量标准名称:准确度等级:级测量范围: ( )MPa 证书编号:标准器有效期至:
计量标准器名称:准确度等级:级测量范围: ( )MPa 证书编号:标准器有效期至:检定地点:计量室
依据的技术文件:JJG52-2013弹性元件式一般压力表、压力真空表和真空表检定规程
被检器具状态:校准前校准后
1.外观检查:
2.零位误差: 3:指针偏转平稳性:
4.示值检定: MPa
5.电接点压力表设定点偏差、切换差MPa
6.电接点压力表的绝缘电阻:
7.电接点压力表绝缘强度:
8.其他:
结论:根据以上各项检定结果,该压力表符合级
检定员复核员年月日。