水压试验报告(带曲线图)
- 格式:doc
- 大小:94.50 KB
- 文档页数:5
高压钢管水压试验报告
1. 引言
本报告旨在记录高压钢管的水压试验结果。
水压试验是一种常用的非破坏性检测方法,用于验证高压钢管的密封性和强度。
2. 实验目的
本实验的主要目的是测试高压钢管在一定压力下的密封性能和承压能力。
3. 实验过程
3.1 实验器材
- 高压钢管
- 水泵
- 压力表
- 密封胶带
3.2 实验步骤
1. 将高压钢管两端使用密封胶带进行严密封闭。
2. 将高压钢管连接到水泵出口,并通过水泵将水注入管道。
3. 逐渐增加水泵的输出压力,直到达到设计压力。
4. 维持设计压力30分钟,观察高压钢管的密封情况。
5. 缓慢降低压力,直到压力等于大气压,取下高压钢管并记录该过程。
4. 实验结果
4.1 密封性能
经过30分钟的测试,高压钢管保持了较好的密封状态,未出现泄漏现象。
4.2 承压能力
试验过程中,高压钢管能够承受设计压力,未出现变形或破裂的情况。
5. 实验结论
本次水压试验表明高压钢管具有良好的密封性能和承压能力,符合预期要求。
高压钢管可以在实际应用中承受高压力环境下的工作。
6. 参考文献
- 张三, 高压钢管输气管道压力测试方法与注意事项, 石油与天然气工程, 2018.
- 李四, 高压钢管的密封性能测试及评价标准, 管道技术, 2019.。
35mpa水压试验报告1. 引言水压试验是一种常用的方法,用于评估水压设备的性能和安全性。
本报告旨在详细描述一次35MPa水压试验的实施和结果分析,以便更好地理解设备在高压环境下的工作情况。
2. 实验目的本次实验旨在评估某水压设备在35MPa下的工作性能和安全性。
通过对设备进行高压下的测试,我们可以了解其是否满足设计要求,并且能够承受预期工作条件下的应力。
3. 实验方法3.1 实验设备准备我们选择了一台经过严格测试和校准的水压设备,并确保其内部部件均处于良好状态。
同时,我们对实验环境进行了必要检查,以确保实验过程中没有任何安全隐患。
3.2 实施步骤首先,我们将待测试设备置于试验台上,并将其与高压泵连接。
然后,我们根据设计要求将试样放置在适当位置,并连接相应传感器以测量各种参数。
接下来,我们逐步增加水泵输出流量和相应的流量阀门开度,以逐渐增加系统内部压力。
在每个压力点上,我们记录下相应的压力、温度、流量和时间数据。
在达到目标压力后,我们将保持系统处于稳定状态,并持续记录数据。
在实验结束后,我们将设备恢复到初始状态,并对实验设备进行检查和维护。
4. 实验结果与分析根据实验数据和分析结果,我们得出以下结论:4.1 设备性能评估通过对设备在35MPa下的测试,我们发现其能够稳定工作,并且没有出现任何异常情况。
各项参数均符合设计要求,并且没有出现任何泄漏或损坏。
4.2 安全性评估在测试过程中,我们对设备进行了全面的安全性评估。
通过检查实验过程中的各项参数和观察设备工作情况,我们确认该设备能够安全承受35MPa的工作压力,并且没有发现任何安全隐患。
5. 实验结论通过本次35MPa水压试验,我们得出以下结论:5.1 设备符合设计要求根据实验结果和分析数据,可以得出结论:该水压设备在35MPa下能够稳定工作,并且各项参数均符合设计要求。
因此,我们可以认为该设备在高压环境下具有良好的性能。
5.2 设备具有良好的安全性在实验过程中,我们对设备的安全性进行了全面评估,并没有发现任何安全隐患。
For personal use only in study and research;not for commercial use水压试验报告袂葿水压试验报告蚄蕿水压试验报告膂螈水压试验报告工程名称:聊城市茌平县八乡镇区域供气工程(一期工程)管线编号:G2仅供个人用于学习、研究;不得用于商业用途。
For personal use only in study and research; not for commercial use.Nur für den pers?nlichen für Studien, Forschung, zu kommerziellen Zwecken verwendet werden.Pour l 'étude et la recherche uniquement àdes fins personnelles; pas àdes fins commerciales.толькодлялюдей, которыеиспользуютсядляобучения, исследованийинедолжныиспользоватьсявкоммерческихцелях.以下无正文仅供个人用于学习、研究;不得用于商业用途。
For personal use only in study and research; not for commercial use.Nur für den pers?nlichen für Studien, Forschung, zu kommerziellen Zwecken verwendet werden.Pour l 'étude et la recherche uniquement àdes fins personnelles; pas àdes fins commerciales.толькодлялюдей, которыеиспользуютсядляобучения, исследованийинедолжныиспользоватьсявкоммерческихцелях.以下无正文For personal use only in study andresearch; not for commercial use。
水压实验报告一、实验目的本实验旨在通过测量不同水压下的液体位移,探索水的压力与流动性质之间的关系,并进一步理解液体静压力的产生机制。
二、实验装置和材料1. 实验装置:- 液压装置:包括液压缸、活塞、压力表、液压管等。
- 液体容器:用于储存实验所需的水。
- 测量装置:包括刻度尺、测量液体位移的测量器具等。
2. 实验材料:- 水:纯净水或蒸馏水。
三、实验步骤1. 设置实验装置:将液压装置正确连接好,确保密封性良好。
2. 准备实验材料:准备一定量的水,并确保其纯净度。
3. 测量液体位移:将液体从液压装置的液压缸中排出,通过刻度尺和测量器具测量液体位移的变化。
4. 液体位移与水压关系的测量:逐渐增加液压装置的压力,观察并记录液体位移与压力的关系。
5. 多组实验数据的测量:重复步骤3和4,记录多组实验数据,以提高测量精度。
四、实验结果和数据处理1. 实验数据的记录:将每次实验的压力和液体位移数据记录下来。
2. 压力与液体位移的关系:绘制压力和液体位移的散点图,并拟合出最佳曲线,以描述其间的关系。
3. 结果的分析:根据实验数据及拟合结果,分析压力与液体位移之间的相关性,并讨论可能的误差来源。
五、实验讨论与结论通过本次实验,我们观察到了液体在不同水压下的位移变化,从而得出以下结论和讨论:1. 压力与液体位移成正比例关系:实验数据和拟合结果显示,随着液压装置的压力增加,液体位移也相应增加,呈现出近似线性的关系。
2. 静压力与液体压强的关系:根据实验结果,可以得知液体的静压力与液体的压强成正比,也与液体的密度有关。
3. 可能的误差来源:实验中可能存在如液体溢出、液体表面张力等误差来源,这些因素可能会对实验结果产生影响。
4. 实验结果的应用:了解和掌握液体的压力性质对于工程领域的应用至关重要,例如水压技术在水坝、液压机械等领域的应用。
六、实验总结通过本次水压实验,我们对液体在不同压力下的位移变化有了更深入的了解,并探索了液体静压力的产生机制。
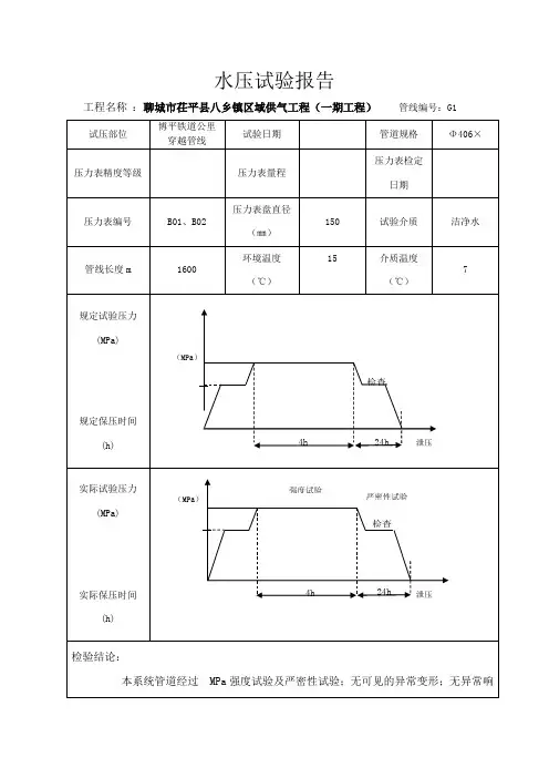
水压试验报告试压部位 博平铁道1.6公里穿越管线试验日期 2012.04.18~04.21 管道规格 Φ406×8.0 压力表精度等级 0.4 压力表量程 0-16.0MPa 压力表检定日期 2012.02.30 压力表编号 B01、B02 压力表盘直径(㎜) 150 试验介质 洁净水 管线长度m1600环境温度 (℃)15介质温度 (℃)7规定试验压力(MPa)规定保压时间(h)实际试验压力(MPa)实际保压时间(h)检验结论:本系统管道经过 6.0 MPa 强度试验及4.0Mpa 严密性试验;无可见的异常变形;无异常响声;无渗漏;保压成功,试验合格。
建设单位验收人 施工单位验收人泄压4h 6.04.0检查24h检查4.0强度试验严密性试验24h(MPa )P14h泄压(MPa )P16.0(签字)年 月 日(签字)年 月 日水压试验报告试压部位 北杨集至博平门站管线试验日期 2012.07.06~07.10 管道规格 Φ406×7.1 压力表精度等级 0.4 压力表量程 0-16.0MPa 压力表检定日期 2012.02.30 压力表编号 B01、B02 压力表盘直径(㎜) 150 试验介质 洁净水 管线长度m8950环境温度 (℃)29介质温度 (℃)20规定试验压力(MPa)规定保压时间(h)实际试验压力(MPa)实际保压时间(h)检验结论:本系统管道经过 6.0 MPa 强度试验及4.0Mpa 严密性试验;无可见的异常变形;无异常响声;无渗漏;保压成功,试验合格。
泄压4h 6.04.0检查24h检查4.0强度试验严密性试验24h(MPa )P14h泄压(MPa )P16.0建设单位验收人施工单位验收人(签字)年月日(签字)年月日水压试验报告试压部位李楼至红庙变径管段试验日期2012.12.26~12.29管道规格Φ323×7.1压力表精度等级0.4 压力表量程0-16.0MPa 压力表检定日期2012.02.30压力表编号B01、B02 压力表盘直径(㎜)150 试验介质洁净水管线长度m 12600 环境温度(℃)-2~8 介质温度(℃)3规定试验压力(MPa)规定保压时间(h)实际试验压力(MPa)实际保压时间(h)泄压4h6.04.0检查24h检查4.0强度试验严密性试验24h(MPa)P14h 泄压(MPa)P16.0检验结论:本系统管道经过 6.0 MPa 强度试验及4.0Mpa 严密性试验;无可见的异常变形;无异常响声;无渗漏;保压成功,试验合格。
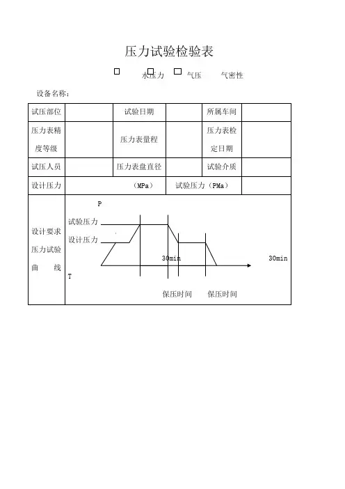
水压试验报告The hydraulic test reports设计要求 压力试验 曲 线Curve for pressuretestof desig n requireme nt实 际压力试验 曲 线Curveforpressure test of actual结论(Conclusion):本产品经 MPa 试验,无渗漏;无可见的异常变形;无异常响声;试验结论合格, This producttest by Mpa, no leakage;no visible abnormal deformation;no abno rmal no ise; Test con clusi on ofqualified监检员(supervise inspector) : 检验责任师(duty engineer ):日期(date):试压部位Pressure test locatio n试验日期Date of test工艺过程卡编号Process card number压力表精度等级Pressure gauge precisi on grade压力表量程Pressure gaugerange压力表检定日期Pressure gauge verificati on date压力表编号Pressure gauge number压力表盘直径Pressure gauge diameter(mm)试验介质Test medium氯离子含量Chloride ion content环境温度「C)Ambie nt temperature介质温度(C)Medium temperature产品编号(Product ID)Q/HY0341217检查员(inspector)试验压力 设计压力。