补桩技术方案(精选.)
- 格式:doc
- 大小:150.00 KB
- 文档页数:24
补桩施工方案1. 引言由于地质变化、基础施工质量问题或其他原因,某些工程项目在施工过程中可能出现地基沉降、地基沉降、地面变形等问题。
为了保证建筑物的稳定性和工程的安全性,需要进行补桩施工。
本文档旨在提供一份详细的补桩施工方案。
2. 方案概述补桩施工方案主要包括以下几个方面:•项目背景和目标•地质勘察和分析•桩基设计•施工方法和工序•施工时间计划•质量控制•安全管理3. 项目背景和目标本补桩施工方案适用于某工程项目中的地基沉降问题。
目标是通过施工补桩,提高地基的稳定性和承载力,确保工程的安全运行。
4. 地质勘察和分析在施工前,需要进行详细的地质勘察和分析,包括测量地面沉降情况、进行土壤和岩石采样,并对采样的样本进行室内试验和分析。
通过地质勘察和分析,可以确定补桩的位置、桩长和桩径等参数。
5. 桩基设计根据地质勘察和分析的结果,进行桩基设计。
桩基设计主要包括桩的类型选择、桩长和桩径的确定、桩身和桩头的设计等。
设计应符合相关国家标准和规范,并考虑工程的承载力和变形要求。
6. 施工方法和工序本施工方案采用以下施工方法和工序:6.1 桩基施工材料和设备准备确保施工所需的材料和设备的齐全和质量符合要求。
包括钢筋、混凝土、钢模板、振动打桩机等。
6.2 现场布置和桩基标定根据设计要求,在施工现场进行桩基施工的布置和标定,确保桩基的位置和方向准确。
6.3 桩基施工依照设计要求,进行桩基的施工。
包括钻孔、清孔、灌注混凝土等工序。
施工过程中,要注意施工质量的控制和安全管理。
6.4 后期处理施工完成后,进行后期处理工作。
包括清理施工现场、记录施工过程和结果、对施工设备和工具进行维护和保养等。
7. 施工时间计划根据施工范围和施工工序的复杂程度,制定详细的施工时间计划。
考虑到天气、设备使用时间等因素,确保施工能按计划进行。
8. 质量控制在施工过程中,要进行严格的质量控制。
包括对施工材料的检查和验收、对施工工序的质量把控等。
目录1.工程概况 1.1地理位置1.2工程范围、内容及工程量 1.3自然条件 1.4编制依据 2.施工总平面布置 3.施工方案 3.1施工准备 3.2施工流程布置 3.3施工方法4.施工进度计划和保证措施 5.设备机械配置及劳动力安排计划 6.项目管理组织体系7.保证质量、安全、文明生产措施附图:1、施工流程图1.工程概况 1.1地理位置上海环球金融中心位于浦东陆家嘴贸易中心区,Z4-1街区,西邻东泰路、金茂大厦,南接银城南路,东近银城路地道,北靠世纪大道。
上海环球金融中心用地面积为30000m 2,建筑占地面积14400m 2,总建筑面积为377292m 2,建筑总高度为492m ,地下3层,地上101层。
建成后的上海环球是一幢跨世纪的、具有国际一流设施和一流管理水平的智能型、超大型的金融办公综合大厦。
基础工程桩为打入式钢管桩分别为Φ700δ18,Φ700δ15和Φ700δ11,桩顶标高分别为-15m~-17.5m,已于1998年施工完毕。
本次工程桩仅为总体设计修改后的部分补桩。
1.2工程范围、内容及工程量 1.2.1工程范围及内容①临时便道的铺设、临水、临电的铺接,现场排水及安全警戒标志及打桩场地处理。
②Φ700δ14(SKK90)钢管桩的卸桩、堆放、驳运、焊接、施打。
③桩的放线、定位、打桩、接桩、焊缝质检和送桩。
④送桩孔的回填。
⑤H 型管桩复合桩的制作、沉放。
1.2.2工程量见下表:工程量表1.3自然条件 1.3.1地形地貌上海位于东海之滨,长江三角洲冲积平原,地貌形态单一,地形平坦,施工场地内原有居民住宅已全部拆除,标高一般在3.31~4.04m之间,平均按3.7m 考虑。
1.3.2地基土构成与特征①层为填土,土质不均,结构松散,层底标高0.6~2.3m。
②层粘土夹粉质粘土,含铁锰结核,氧化铁斑纹及少量有机质层底标高为0.05~1.37m。
③层淤泥质粉质粘土,含少量薄层粉砂,层底标高为-1.96~-4.09m 。
£!塑、:竺.凰桩基补强的施工技术方法探讨丁兆松(赣榆县青口地基基础工程有限公司,江苏赣榆222100)睛要]在灌注桩基础施工中,因复杂的地质条件或施工管理漏洞时有出现桩身混凝土离析、松散等质量问题,时须机械补强处理。
本文以某工程^L挖孔桩桩基的补强施工为倒,介绍了高压旋喷灌浆与静压注浆相结合的施工技术应用,以求获得最佳的经济效益和桩基补强效果。
c关键词]高压旋喷法;静压注浆;褂强;植基1施工技术介绍压力灌浆是通过~定的压力将灌浆材料注入土(岩)体中,由于劈裂、渗透、挤压等作用使土(岩)体孔隙<裂隙)充填、置换、挤压并与之胶结的加固补强方法,它在基础处理方面的应用主要是对桩基础的加固,通过加固桩底虚土、桩侧土和承台底土层,提高桩基承载力。
2工程概况某商住偻地面以上28层,地下2层,基础采用人工挖孔桩,桩径为1200,1400,1600,1800ram,设计桩长约20m,桩身混凝土强度等级为C20,单桩承载力设汁值为2400—3200kN,桩尖持力层为中风化或微风化泥岩,共施工挖孔桩168根。
据地质勘探报告,场地地层自上而下埋藏如下:1)杂填上:厚1.5—2.6m,灰褐色、黄色等;松散状态,夹砖、石碎块。
2)淤泥质土:厚13~31m,黑褐色,含有大量腐植物、有机物,湿,松散。
3)粉质粘土:厚O B一2.5m,灰白色,局部花色,由粉质粘上和含砂粘土组成,夹少量粉土,湿,可塑。
4)碎石上:厚0.6~5m,灰白色,含大量碎石,含次生石英岩,碎石之间填充白色离岭石粘土,稍密一中密。
5)强风化;!尼岩:厚1.0~1Bm,岩块手捏易碎。
6)中风化泥岩:厚0.6—2.1m,岩块锤击易碎。
7)微风化泥岩。
工程桩施工完成后,对全部桩进行了检测,P I T低应变检测结果为I类桩134根,II类桩18根,Ⅲ类桩16根,再对其中6根Ⅲ类桩进行PD A高应碧瞪测,结果表明其承载力仅为设计承载力的0.7—12倍,达不到设计要求。
建筑补桩方案建筑补桩方案一、背景介绍在建筑工程中,经常会遇到地基不牢固、土层不稳定等导致地基沉降或者偏移的问题。
为了保证建筑物的稳定性和安全性,需要采取相应的补桩措施。
补桩是指在地基下方灌注水泥浆或注入混凝土来增加地基的承载能力和稳定性的一种方法。
二、补桩方案1.前期调查与设计在进行补桩工程之前,需要对地基状况进行详细的调查和分析。
通过地质勘察和土壤试验,确定地基的类型、厚度、稳定性等参数,分析地基的承载能力和变形特性。
根据调查结果,设计相应的补桩方案。
2.补桩类型选择针对不同的地基情况,补桩可以选择不同的类型。
常见的补桩类型有钢筋混凝土灌注桩、预制桩、扩底桩等。
根据地基的类型和承载要求,选择最合适的补桩类型。
3.补桩工艺选择根据补桩类型的选择,确定相应的补桩工艺。
对于钢筋混凝土灌注桩,可采用钻孔灌注法或钻孔长灌注法;对于预制桩,可采用直接沉桩法或打入法。
选择合适的工艺可以提高施工效率和质量。
4.施工参数确定根据地基调查和设计要求,确定施工参数。
包括桩径、桩长、桩间距、混凝土强度等。
在确定施工参数的同时,也要考虑工程成本和施工难度,进行综合评估。
5.施工方案制定根据补桩类型、补桩工艺和施工参数,制定详细的施工方案。
包括施工顺序、施工方法、设备选择、安全措施等。
确保施工过程中的安全性和施工质量。
6.施工过程控制在进行补桩工程时,需要进行严密的施工过程控制。
包括监测地基沉降、补桩质量控制、施工进度控制等。
及时发现和解决施工中的问题,确保施工质量和进度。
7.施工完成后的检测与验收补桩施工完成后,需要进行检测与验收。
通过测量桩身竖向位移、桩侧摩阻、桩端承载力等参数,评估补桩效果。
同时,对施工过程的质量进行检查和验收。
三、总结补桩是解决地基沉降和偏移问题的常用方法,可以提高建筑物的稳定性和安全性。
在进行补桩工程时,需要进行详细的地基调查和设计,选择合适的补桩类型和工艺,制定施工方案,并进行严密的施工过程控制。
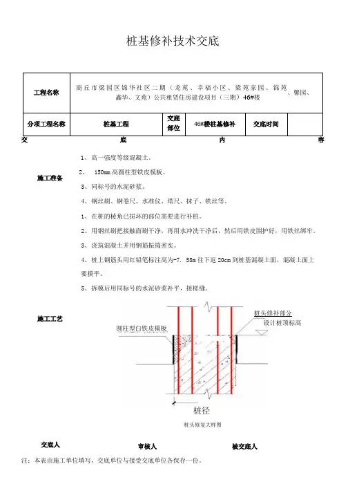
桩基修补技术交底 工程名称 商丘市梁园区锦华社区二期(龙苑、幸福小区、梁苑家园、锦苑 鑫华、文苑)公共租赁住房建设项目(三期)46#楼
、馨园、 分项工程名称
桩基工程 交底 部位 46#楼桩基修补 交底时间
交底
内
容 1、 高一强度等级混凝土。
2、 150mm 高圆柱型铁皮模板。
3、 同标号的水泥砂浆。
4、 钢丝刷、钢卷尺、水准仪、塔尺、抹子、铁丝等。
1、 在桩的棱角已损坏的部位需要进行补桩。
2、 用钢丝刷把接触面刷干净,再用水冲洗干净后,然后用铁皮围护好,用铁丝绑牢。
3、 浇筑混凝土并用钢筋振捣密实。
4、 桩上钢筋头用红铅笔标注高为-7. 58m 往下返20cm 到桩基混凝土面,混凝土面上 要摸平。
5、 拆模后用同标号的水泥砂浆补平,接槎缝。
注:本表由施工单位填写,交底单位与接受交底单位各保存一份。
施工准备 施工工艺
桩头修补部分 交底人
审核人 被交底人
设计桩顶标高
圆柱型白铁皮模板 桩径
桩头修复大样图。
项目补桩工程施工方案因个别桩在人工破桩时桩顶标高控制不符合要求,对其进行补桩处理。
一、工程概况本工程方地下二层,地上二十六层。
总建筑面积为12014.63平方米,建筑总高度为75.85米,基底面积628。
555平方米,东西跨度37。
9米,南北跨度为16。
7米.层高地下一层3.5米,地下二层3。
3米,标准层2。
9米。
地下平时为储藏间,战时做人防用。
混凝土强度等级:基础垫层C15;基础C35,抗渗等级P6;主体C35、C30、C25;本工程地基采用混凝土灌注桩(CFG),桩径400㎜,采用长螺旋钻孔。
管内泵压混合料成桩工艺。
有效桩长17.5m,桩基混凝土强度等级C20。
二、现场管理人员岗位分配情况:项目经理:技术负责人:施工员:砼班组由振动棒手1人、电工1人、普工5人.三、施工准备:1、手推车及用具准备就绪。
2、插入式振动棒一套。
3、作业条件(1)模板内的余土、杂物等清理干净。
模板缝隙应严密不漏浆。
(2)模板标高等均符合设计要求和设计规范规定。
四、操作工艺:1、对个别达不到标高及破损桩头应凿平、清理干净。
挖土深度大于桩端头50mm,宽度大于桩端头100mm,然后支设模板。
2、模板验收合格后,先在桩头上刷素水泥浆结合层一道,然后浇筑C30细石砼浇捣至设计标高。
3、浇筑之前,审查搅拌站原材质量,监督配料过程及外加剂掺量.4、砼运输采用手推车浇筑砼,第一车卸到模板上,然后用人工分散。
5、派专人值班观察模板是否有位移变化,发现问题应立即停止浇筑并应在浇筑砼初凝之前整修完毕。
6、防裂缝措施:严禁收面时浇水和浇筑砼过程中洒水.7、若砼较稠、严禁加水,若砼离析,严禁使用并及时与搅拌站调度联系处理并上报监理.8、随时检查坍落度是否符合要求。
9、经验收合格后方可进行下道工序施工。
五、成品保护:1、浇筑砼时,不得用重物冲击模板;过道应搭设跳板,保证牢固和严密。
2、砼的养护:浇筑后,砼表面派专人收面后,用塑料薄膜覆盖。
六、质量控制:1、所用原材均应有检测报告,并应有配合比.2、严格按配合比施工,并按规定留制试块.3、补桩桩头标高控制在±20mm.下面总结范文为赠送的资料不需要的朋友,下载后可以编辑删除!祝各位朋友生活愉快!员工年终工作总结【范文一】201x年就快结束,回首201x年的工作,有硕果累累的喜悦,有与同事协同攻关的艰辛,也有遇到困难和挫折时惆怅,时光过得飞快,不知不觉中,充满希望的201x年就伴随着新年伊始即将临近.可以说,201x年是公司推进行业改革、拓展市场、持续发展的关键年。
补桩施工方案一、前言补桩施工是在建筑物地基发生下沉或变形时的一种补救措施,旨在维护建筑物的结构安全和稳定。
在进行补桩施工前,需要对地基进行详细的分析和评估,以确定最合适的补桩方案并确保施工的顺利进行。
二、施工前准备工作在进行补桩施工前,需要进行以下准备工作:1.地质勘察和测量:通过地质勘察和测量,确定地基的具体情况和需要补桩的位置,为后续施工提供数据支持。
2.方案设计和评估:根据地质勘察结果,设计补桩方案并进行评估,选择最适合的补桩方式和技术参数。
3.施工计划制定:根据补桩方案,制定详细的施工计划,包括施工步骤、时间安排和人员调配等。
三、补桩施工步骤1. 土方开挖首先需要进行土方开挖,将需要补桩的位置清理出来,确保施工区域干净整洁。
2. 钻孔根据设计方案,进行钻孔作业,将桩体埋设到设计要求的深度和位置。
3. 钢筋安装在钻孔中安装钢筋,与桩体连接,增强桩体的承载能力。
4. 浇筑混凝土将混凝土灌入钻孔中,形成桩体,经过固化后增强地基的承载能力。
5. 检测和验收施工完成后,进行桩基的质量检测和验收,确保施工质量符合要求。
四、施工安全注意事项1.施工现场要严格执行施工安全规范,保证施工人员的人身安全。
2.施工过程中要加强监测,及时发现问题并采取措施处理。
3.施工现场要保持整洁,确保施工过程中没有杂物干扰施工。
五、总结补桩施工是维护建筑物结构安全和稳定的重要工作,只有科学合理的设计和施工,才能确保补桩效果。
在实际施工中,需要严格执行相关规范和要求,做好施工前的准备工作和施工过程中的各项措施,确保施工的安全和质量。
补桩施工方案补桩施工方案是指在已完工的建筑或工程部分中,因结构稳定性、土质问题等原因,需要进一步加固或修复的情况下,采用打桩的方法进行加固或修复的施工方案。
一、施工前的准备工作1.了解工程情况:了解需要进行补桩的建筑或工程部分的结构、荷载要求以及土质等情况,制定合理的施工方案和施工计划。
2.测量勘察:对施工区域进行测量勘察,确定施工范围和桩位位置,确定桩的类型和规格。
3.技术交底:对施工人员进行技术交底,明确施工要求和注意事项,并进行相关安全教育。
4.设备准备:准备好施工所需的设备和工具,包括挖掘机、打桩机、便携式测斜仪等。
5.安全措施:制定完善的施工安全措施,确保施工过程中安全可控。
二、施工过程1.现场布置:按照施工计划和桩位要求进行现场布置,包括放线、划定施工区域等。
2.挖掘土方:使用挖掘机按照桩位要求进行土方挖掘,确保桩孔底部清洁。
3.定位检测:使用测斜仪对桩孔底部进行定位检测,确保桩孔位置和垂直度符合要求。
4.打桩施工:使用打桩机进行桩的施工,根据桩的类型和规格选择合适的施工方法。
a.静载桩施工:将预制好的钢筋混凝土桩框放入桩孔中,用专用机械进行压桩,逐段加桩,直至达到设计要求。
b.动力桩施工:采用冲击器、震动器等设备,通过振动或冲击将钢筋混凝土桩施工至所需深度。
5.浇筑砼:在桩孔中浇筑混凝土,保证桩身与土体的一体性和稳定性。
6.检测验收:对所施工的桩进行质量检测和验收,确保桩的强度和稳定性满足设计要求。
三、施工后的收尾工作1.回填土方:将挖掘的土方进行回填,按要求进行均质压实。
2.清理作业面:清理施工现场,清除垃圾和杂物。
3.制作施工记录:制作详细的施工记录,包括施工过程、质量检测和验收结果等。
4.整理设备工具:整理施工所使用的设备和工具,进行维护保养。
5.安全总结:对施工过程中的安全问题进行总结,提出改进措施,完善安全管理。
以上是补桩施工方案的基本内容,根据具体的工程要求和施工实际情况,可以适当进行调整和完善。
目录1.工程概况1.1地理位置1.2工程范围、内容及工程量1.3自然条件1.4编制依据2.施工总平面布置3.施工方案3.1施工准备3.2施工流程布置3.3施工方法4.施工进度计划和保证措施5.设备机械配置及劳动力安排计划6.项目管理组织体系7.保证质量、安全、文明生产措施附图:1、施工流程图1.工程概况1.1地理位置上海环球金融中心位于浦东陆家嘴贸易中心区,Z4-1街区,西邻东泰路、金茂大厦,南接银城南路,东近银城路地道,北靠世纪大道。
上海环球金融中心用地面积为30000m2,建筑占地面积14400m2,总建筑面积为377292m2,建筑总高度为492m,地下3层,地上101层。
建成后的上海环球是一幢跨世纪的、具有国际一流设施和一流管理水平的智能型、超大型的金融办公综合大厦。
基础工程桩为打入式钢管桩分别为Φ700δ18,Φ700δ15和Φ700δ11,桩顶标高分别为-15m~-17.5m,已于1998年施工完毕。
本次工程桩仅为总体设计修改后的部分补桩。
1.2工程范围、内容及工程量1.2.1工程范围及内容①临时便道的铺设、临水、临电的铺接,现场排水及安全警戒标志及打桩场地处理。
②Φ700δ14(SKK90)钢管桩的卸桩、堆放、驳运、焊接、施打。
③桩的放线、定位、打桩、接桩、焊缝质检和送桩。
④送桩孔的回填。
⑤H型管桩复合桩的制作、沉放。
1.2.2工程量见下表:工程量表1.3自然条件1.3.1地形地貌上海位于东海之滨,长江三角洲冲积平原,地貌形态单一,地形平坦,施工场地内原有居民住宅已全部拆除,标高一般在3.31~4.04m之间,平均按3.7m考虑。
1.3.2地基土构成与特征①层为填土,土质不均,结构松散,层底标高0.6~2.3m。
②层粘土夹粉质粘土,含铁锰结核,氧化铁斑纹及少量有机质层底标高为0.05~1.37m。
③层淤泥质粉质粘土,含少量薄层粉砂,层底标高为-1.96~-4.09m。
④层淤泥质粘土,夹少量薄层粉砂,层底标高为-12.69~-13.99m。
补桩施工方案项目简介在建筑工程施工过程中,为了保证建筑物的稳定性和安全性,有时需要对已经建成或正在建设的建筑物进行补桩施工。
补桩施工是指在原有的基础桩基础上,进一步加固和增强建筑物的承载能力和抗震能力。
本文将针对补桩施工方案进行详细的介绍。
施工准备在进行补桩施工前,需要进行充分的施工准备工作,包括测量设计、材料准备和机械设备准备等。
测量设计在进行补桩施工前,需要对原有的基础桩进行测量,并根据测量数据进行施工设计。
测量设计主要包括以下几个方面:1.确定补桩的位置和数量:根据建筑物的具体情况和需要加固的部位,确定补桩的位置和数量。
可以通过测量和分析建筑物的结构来确定需要加固的部位。
2.确定桩的类型和规格:根据建筑物的特点和需要加固的部位,选择适当的桩的类型和规格。
常见的桩的类型包括钢筋混凝土桩、预制桩和复合桩等。
3.确定桩的布置方式:根据建筑物的结构要求和补桩的需要,确定桩的布置方式。
常见的桩的布置方式包括等距布置、边桩布置和网格布置等。
材料准备在进行补桩施工前,需要准备各种施工所需的材料,包括桩材料、钢筋、混凝土和施工用具等。
具体的材料准备工作包括以下几个方面:1.桩材料的准备:根据补桩的具体要求,选择适当的桩材料。
常见的桩材料包括混凝土和钢等。
2.钢筋的准备:根据补桩的具体要求,选择适当规格和长度的钢筋。
根据设计要求,将钢筋进行切割和弯曲等加工。
3.混凝土的准备:根据施工需要,准备适量的混凝土,并按照混凝土配合比要求进行配制。
4.施工用具的准备:准备各种施工所需的工具和设备,包括挖掘机、打桩机、钢筋切割机和混凝土搅拌机等。
机械设备准备在进行补桩施工前,需要准备适当的机械设备,用于完成施工任务。
常见的机械设备包括挖掘机、打桩机、起重机和混凝土搅拌机等。
具体的机械设备准备工作包括以下几个方面:1.挖掘机的准备:根据施工需要,选择适当规格和型号的挖掘机。
挖掘机用于进行土方开挖和桩基开孔等工作。
2.打桩机的准备:根据施工需要,选择适当规格和型号的打桩机。
第一章工程概况
****项目位于****。
基础形式为桩基础,总桩数为869根,施工桩顶标高为-7.1 m,基槽底标高为-7.31m。
在土方开挖和破桩施工时,部分桩头出现了破损和钢筋锚固不够的现象需要修复。
一、破损桩头见附图:
二、破损桩头处理措施
人工用錾子将所有破损桩头凿除到结实的部位,清理干净,用水湿润,
在保证桩径和钢筋保护层条件下,用定型铁皮支模。
对于破损不太严重的
桩头用高标号的灌浆料填补密实,对于破损严重的桩用高一标号的混凝土
浇筑。
在浇筑时要振捣密实,并留同条件试块不少于两组。
待新浇筑的混
凝土初凝后洒水养护。
三、钢筋锚固不够长处理措施
对于桩头钢筋预留长度不满足设计要求的钢筋全部采用同直径的钢
筋焊接到设计长度。
单面焊接10d,双面焊接5d,钢筋搭接不能在同一截面,接头间距应大于35d。
当不能满足时应隔一根再加一根同直径的钢筋
焊接(附图1),由于锚桩是18根螺纹18的钢筋,而且在同一截面,采
用隔一根在加一根钢筋焊接影响承台梁钢筋的安装,为此,在同一截面单
面搭接焊采用15d(附图2),并且要顺着承台梁主筋的方向焊接。
对于工
程桩单面搭接焊不能错开同直径的35d,采用(附图1)做法。
施工单位:监理单位:。
补桩施工方案摘要:本文介绍了补桩施工方案的相关内容。
补桩施工是一种常见的土木工程施工手段,它可以有效地加固地基,提高建筑物的稳定性和承载能力。
本文将从补桩的基本原理、施工方法和注意事项三个方面,详细介绍补桩施工方案的具体过程和要点。
通过合理的施工方案和严格的操作规范,可以确保补桩施工的质量和安全。
关键词:补桩施工;地基加固;稳定性;承载能力1. 引言补桩施工是一项重要的土木工程施工工作,它的目的是通过钢筋混凝土桩的加固,提高建筑物的稳定性和承载能力。
补桩施工在建筑修缮、基础加固、地下室施工等领域得到广泛应用。
本文将介绍补桩施工的基本原理、施工方法和注意事项,帮助读者了解补桩施工的过程和要点。
2. 补桩的基本原理补桩的基本原理是通过设置钢筋混凝土桩,加固地基,提高建筑物的稳定性和承载能力。
补桩的基本原理可以总结为以下几点:(1) 桩的承载能力:钢筋混凝土桩可以通过桩身的搭接,有效地传递上部建筑物的荷载到地基中,增加地基的承载能力。
(2) 桩的稳定性:桩身的纵向和横向受力均匀,可以增加地基的稳定性,有效地抵抗地震和其他外力的作用。
(3) 桩的抗浮力:通过桩身的自重和侧摩阻力,可以提供一定的抗浮力,防止地基沉降和倾斜。
3. 补桩施工的方法补桩施工的方法可以根据具体情况灵活选择,常见的施工方法包括:(1) 钻孔灌注桩:采用钻孔方式,在地基中钻孔并注入混凝土,在孔中设置钢筋加固。
(2) 扩孔灌注桩:首先在地基中钻孔,然后使用机械设备扩大孔径,最后注入混凝土并设置钢筋。
(3) 预制桩:在工厂预先制作好钢筋混凝土桩,并运输到现场安装。
(4) 螺旋桩:通过机械设备将螺旋桩螺旋进入地基中,形成承载桩体。
4. 补桩施工的注意事项在进行补桩施工时,需要注意以下事项,以确保施工质量和安全:(1) 施工前的勘察:在进行补桩施工前,必须进行详细的地质勘察和设计分析,确定桩的类型、数量和布置方式。
(2) 施工现场的准备:施工现场应平整、清理,确保施工过程中的安全和顺利进行。
第48卷第9期2021年5月施工技术Construction Technology建筑技术开发Building Technology Developmenti:或板底膨胀螺栓\下层板面(a )(b )图1梁底加固示意 (a )立面;(b )剖面2.2项目难点(1) 地下承压水稳定水位高,在底板开凿桩孔,可能会 遇到大量涌水。
(2) 地下室空间受限,常规桩架无法在地下室内施工, 常规GPS -10型钻孔灌注粧桩架高12.5m 且桩周圈需要有不少 于3.0m 的操作空间。
(3) 后注浆钻孔灌注粧粧径粗,粧底的绝对标高 ■40.000m ,有效桩长达到29m ,粧身强度等级为C 40,施工 技术难度大,桩身质量要求高。
(4) 封粧难度大,后补钢筋需要保证搭接长度,桩孔内 修理需成截头锥形孔即上口小、下口大的桩孔形状难度大,板面复位要求高。
(5) 工期紧张,补桩施工处于关键施工线路上且施工工期较长,根据工期要求,地下室补桩和地上结构施工需要同时进行。
3工艺流程3.1现有结构拆除及加固结合现场实际情况和补粧设计图纸,将对补桩施工有影 响的结构进行拆除,但在拆除结构前应在需拆除的梁节点底 部采用400mm ><400_H 型钢进行竖向支撑,型钢顶部及根 部焊接10m m 厚500mmx 500mm 钢板,钢板垫板四周用膨胀 螺丝固定以便减少上下楼板冲切受力,如图1所示。
1工程概况本项目位于上海市黄浦区黄浦江畔,建筑面积8.8万m 2,地上20-27层,地下3层。
地下室结构己施工完成,基础埋深 为14m 。
上海市黄浦区小东门街道616, 735街坊项目位于上海市黄浦区董家渡路两侧,分为南、北2个地块,总建筑面积120 万m 2。
其中南地块由15栋塔楼组成,地上8~50层,地下2〜 3层,建筑面积60万m 2,为集办公、商业、酒店与住宅于一体的综合体建筑群。
住宅标段地下室结构己施工完成,因建设单 位控股方变更,需要对II 、13、14楼3栋塔楼(住宅)房型进 行调整,重新进行设计,需要补桩31根(直径700_,桩长29m )。
补桩施工方案补桩施工方案1. 引言本文档旨在为补桩施工工作提供详细的施工方案,包括施工前的准备工作、施工过程中的安全措施以及施工后的验收工作等。
2. 施工前准备2.1 资料收集与分析在施工前阶段,需要对施工地点进行详细的资料收集与分析。
主要包括以下方面:- 地质勘探资料:获取地质勘探报告、地层剖面图、孔洞数据等,以了解施工地下情况和地质层分布情况。
- 工程设计图纸:研究施工项目的设计图纸,包括桩基位置、桩径、桩长等相关信息。
- 环境因素评估:评估施工现场的环境因素,如降雨量、土质状况、地下水位等,以确定施工过程中可能遇到的问题。
2.2 配置设备与材料根据施工地点的具体情况,准备并配置所需的设备和材料。
主要包括:- 桩机:根据桩基设计要求确定所需的桩机类型和数量。
- 钻具与工具:配备钻具和各类工具,以满足不同施工阶段的需求。
- 钢筋与混凝土:根据设计要求配置所需的钢筋和混凝土。
3. 施工过程3.1 地面准备工作在施工前,需要对施工地点进行地面准备工作:- 清理施工区域:清理施工区域内的障碍物,确保施工区域干净整洁。
- 做好交通指引:设置交通标志,指示施工区域并确保施工区域的安全通行。
3.2 钻孔施工根据桩基设计要求,在待补桩的位置进行钻孔施工:1. 安装桩机:根据桩机类型和工程要求,按照正确的操作步骤安装桩机。
2. 开挖钻孔:根据桩基设计要求,使用桩机进行钻孔作业,确保孔洞直径、深度符合设计要求。
3. 清理孔洞:使用吹管等工具清理孔洞内的杂物和泥浆,保证孔洞内壁清洁。
3.3 砼浇筑与钢筋连接在完成钻孔后,进行砼浇筑和钢筋连接工作:1. 筏板安装:根据设计要求,安装钢筋筏板,确保位置正确、牢固可靠。
2. 钢筋连接:依据桩基设计要求,在孔洞内放置预制钢筋,与筏板上的钢筋连接。
3. 砼浇筑:进行砼浇筑作业,确保砼充实、密实,使其与地基中的土壤贴合。
3.4 后续处理完成砼浇筑与钢筋连接后,进行后续处理工作:1. 确认固结时间:根据砼特性和环境条件,确认砼固结时间,以便进行下一步的施工工作。
补桩原则及补桩后桩及承台的设计验算方法一.断桩现象发生的通常原因及应对办法采用预应力管桩的工程常常会出现断桩的现象,工程实践中常见的断桩原因及应对办法如下:1.软硬突变且岩面倾斜持力层为坚硬的基岩,桩端进入持力层时存在软硬突变现象,且岩面倾斜较为严重,无论是锤击桩还是静压桩,这类场地的断桩率都很高,通常达30%以上,应尽可能避免采用预应力管桩基础。
典型的场地为岩溶地区,即石灰岩地区,其特点为石灰岩基本无风化现象,即没有全风化、强风化、中风化之分,直接为微风化状,强度达40~50MPa以上;但存在严重的地下水溶蚀现象,故常见较多的溶洞、土洞发育;由于基岩处通常有较为丰富的地下水冲蚀,故上部土层愈接近岩面则愈软,承载力也愈低,甚至存在空洞(土洞)。
因此,基岩面以上没有渐变的缓冲土层,“软硬突变”现象严重,且岩面非常陡峭(可以类比一下云南的石林),故会产生高的断桩率是不难理解的。
我司设计的工程属该类场地的有:时代的白云永泰倚云小镇项目,中海的南海千灯湖项目,中海的金沙洲项目等。
2.软硬突变持力层以上无硬度渐变的缓冲土层,如普通的土层直接进入中风化,淤泥、松散砂层直接进入强风化等,则容易发生断桩现象。
应对措施应因地制宜,不同情况区别对待,如顺德的粤鸿基项目,淤泥质土直接进入强风化,锤击桩断桩较严重,改为静压后则明显改善;时代狮山项目,山地建筑,采用锤击预应力管桩,设计要求收锤标准为最后三阵平均贯入度3公分左右,施工时300管桩用50锤,局部地段断桩率较高,施工单位反映桩到达持力层后贯入度急速下降,如前1阵(10锤)贯入度为50mm,第2阵贯入度马上减为10mm以下,第3阵则已发生断桩,这时,可将收锤标准改为最后一阵的贯入度达到20mm即可,可尽量避免断桩,且桩承载力也基本不会影响,当然采用400的管桩也可减少断桩的几率,桩长较短的情况下对造价也不会有大的影响,另尚应注意采用较重锤时要“重锤低击”。
若采取措施也不能避免高断桩率,则应考虑其他的基础形式;若采取措施后已将断桩控制在非常有限的范围,则对个别的断桩的位置采用补桩处理。
人工挖孔灌注桩补桩方案一、编制依据:二、工程概况三、施工准备3.1、检查基坑安全性,在保证基坑边坡牢固、稳定情况下,方可施工。
3.2、依设计要求本工程±0.000m的绝对标高为671.700m。
基础承台底标高为-6.100m、-6.45、-7.100m和-8.800m,筏板桩顶相对对标高为-6.2m,-7.2m,-6.55m、-9.00m。
四、施工工艺流程工艺流程:确定砼标号→清理桩头→支模→灌注砼→拆模养护4.1、第一步:确定砼标号本工程灌注桩砼标号为C40,补桩混凝土标号为C45,砼将由阳泉市益汇砼制品有限责任公司提供。
4.2、第二布:清理桩头根据图纸要求,核定桩顶标高。
计算出需要补桩的长度和直径。
对需要补桩的桩头采用笤帚清理碎石及残渣后,用清水对其进行冲洗,使桩头清洁。
浇筑前必须把桩头及周边的泥土清理干净。
4.3、第二步:支模现场灌注桩在破桩头和钢筋焊接之后,做定型模型或使用三合板,模型直径同桩径要保证钢筋保护层不得小于50mm,在此基础上保证桩的外观尽量成圆柱形。
4.4、第四步:灌注混凝土砼到场之后,对其强度等级、坍落度等技术参数进行核实。
人工用斗车将砼运至需要补桩的部位,进行灌注,灌注之后使用钢筋充分振捣,避免模板内部出现空洞等现象,并使用小锤沿模板外围轻轻敲打,避免出现蜂窝、麻面等现象,最后在混凝土面上进行收面,混凝土面与破桩面平齐。
4.5、第五步:拆模与养护混凝土浇筑之后,待混凝土初凝完成之后方可进行拆模,拆模时注意不得损坏混凝土面和边角。
拆模后及时进行养护。
五、质量保证措施5.1、成立有效的施工管理班子,确保现场施工管理井然有序,组织具有施工经验的施工人员,确保各道工序的施工质量。
建立健全的质量保证体系,明确职责,落实到人。
5.2、严格按照既定的施工方案施工。
编制详细施工组织和操作规程,并以此为指导,合理的组织和调配材料、机械设备、运输机具和劳动人员,做到均匀生产,使工程优质、高效、低耗。