水准仪i角检验报告
- 格式:doc
- 大小:190.50 KB
- 文档页数:2
仪器检校报告测量仪器的使用,是整个测量工作的核心。
本次测量实习中,经纬仪、水准仪各轴系间的关系如不满足精度要求,将在很大程度上影响实习中各个环节测量工作的精度。
本小组对水准仪、经纬仪的检校方法及结果如下:一、水准仪的检验1.方法(1)圆水准器的检验:气泡居中后,将仪器绕竖轴旋转180°看气泡是否居中。
如居中,条件满足;如不居中,则需要校正。
(2)十字横丝的检验:整平后,用横丝的一段对准大约20m 处一固定点,转动微动螺旋,看该固定点是否沿横丝移动。
如沿横丝移动,则条件满足:如不沿横丝移动,则需要校正。
(3)i 角检验:如图1,在平坦地上选A ,B 两点,在中点C 假设仪器,读取11,b a 。
则A ,B 两点的高差满足:1111)()(b a x b x a h AB -=---=。
再在距B 点2至3米处架设仪器,读取22,b a 。
设此时A 尺的正确度数为'2a ,如'22a a =,则i 角为0;若'22a a >,则i 角向上;若'22a a <,则i 角向下。
当mm a a 3'22>-时,仪器需要校正。
图12..检验结果与校正本组水准仪的以上三项检验均满足要求,不需校正。
二、经纬仪的检验1.方法(1) 照准部水准管轴垂直于仪器竖轴的检验。
1) 检验方法:① 先将经纬仪严格整平。
② 照准部,使水准管与三个脚螺旋中的任意一对平行,转动脚螺旋使气泡严格居中。
③再将照准部旋转180︒,此时,如果气泡仍居中,说明该条件能够满足。
若气泡偏离中央零点位置,则需进行校正。
(2) 十字丝竖丝的检验。
1) 检验方法:整平仪器后,用十字丝竖丝的最上端照准一明显固定点,固定照准部制动螺旋和望远镜制动螺旋,然后转动望远镜微动螺旋,使望远镜上下微动,如果该固定点目标不离开竖丝,说明此条件满足,否则需要校正。
3、视准轴的检验。
盘左盘右读数法。
(1) 检验方法:① 选与视准轴大致处于同一水平线上的一点作为照准目标,安置好仪器后,盘左位置照准此目标并读取水平度盘读数,记作α左。
水准仪i角检验和校正方法什么是水准仪的i角水准仪的视准轴在垂直方向与水准轴的夹角。
水准仪产生i角变化的原因:是仪器本身的结构与外业工作条件的变化而致仪器中的十字丝是固定在上下的V形槽中下面的V形槽由弹簧支撑着上面是一个压紧调节螺丝。
由于因内部与外界环境条件的变化如温度、湿■度、震动的变化它会产生i角微小的变化或者由于其它内应力的变化而产生不同程度的变化也是不足为奇的。
在用户说明书中已明确水准仪的i角可由用户自行调整。
请参照水准仪说明书自行调整。
现在再扼要地介绍水准仪i角的测定办法如图所示将水准仪置平在二支水准标尺的中间仪器距标尺约30 米或40米前后大约等距离读取标尺上的读数得到二点的高差值。
搬迁器至二支标尺的一内侧或外侧均可此时仪器至标尺的距离分别为近距离的标尺只是几米而远距离的标尺已是几十米。
同样测量这二点的高差值如果二次测得的高差相等说明仪器i角为零。
高差不等就说明仪器存在着i角的误差。
如:仪器在中间读取A尺的读数a1 0962 B尺的读数b1 1062 仪器在一侧读取A尺的读数a2 0835 B尺的读数b2 0933hi 1062 0962 0100 h2 0933 0835 0098 h 0098 0100 2 mm按小角公式计算i角i △• p s = 2 mm X 206265” / 60000mm 二41 / 6 ”二7”i角的测定也可以按照将水准仪可以放置在二支水准标尺二外侧法测定仪器的i角。
道理是一样的正确的a4值是a4 = aF - a2' + a3'水准仪i角的允许误差水准仪i角允许误差的概念应该说有三方面的涵义也是三种情况下的不同要求1. 出厂时工厂调校的允许误差、2. 用户调校时的允许误差、3. 测量等级或规定所要求的允许误差。
如彳来卡NA2 i角的允许误差出厂调校为±8”用户调校为±20” 但是根据我国国家水准测量规范和工程测量规范的要求用于一、二等水准测量的水准仪仪器的i角不应超过15” 用于三、四等水准测量的仪器仪器的i角不应超过20” o所以在用彳来卡水准仪NA2加GPM3测微分划板进行一、二等水准测量时仪器的i角必须调校至15”以内在进行三等以下水准测量时仪器的i角应在20”以内。
电子水准仪i角检验实验报告电子i角检验实验报告一、实验目的通过对BOIF产DAL数字电子水准仪的电子i角校正试验的实践,加深对数字电子水准仪的电子i角的理解,掌握电子i角的校正测试原理方法,领会i角作为未知量参与平差的方法与意义。
二、实验实施DAL1528R数字电子水准仪一台,脚架一副,配套通讯电缆一根,装备有配套软件的计算机一台或计算器一部、配套条码标尺2支、相距80米的水准点和尺垫2个。
三、实验操作1、电子i角的校正:在相距约40~60米的两水准点A、B分别架设标尺,在标尺间选出一位置1架设仪器,仪器开机选定功能菜单的电子i角校正功能(中文版提示为“9.电i校正”,英文版提示为“iCAL”),按照提示分别照准标尺A、B进行测量;然后仪器向某标尺方向移动约15米架设整平仪器,再按提示分别照准标尺A、B进行测量,仪器完成校正计算后将自动关机。
2、电子i角的检验:在相距约80米的两个水准点上分别架设条码标尺,讲仪器分别架设于两标尺之间大约20米、30米、40米、50米、60米处、读取两个标尺的高度和视距。
根据公式计算出i角的测试结果。
四、实验报告一、线路号A尺读数B尺读数高差△Hi视距差△Di△Di*△Hi△Di*△Di Hai Dai Hbi Dbi1 1.2089 34.18 1.2216 74.16 0.0127 39.980 0.5077 1598 .4002 1.1949 41.95 1.2091 65.92 0.0142 23.970 0.3404 574. 5613 1.1906 51.29 1.2113 56.58 0.0153 5.290 0.0809 27.9 8414 1.2591 63.87 1.2773 44.17 0.0182 -19.700 -0.3585 388.0905 1.2415 72.81 1.2605 35.40 0.0189 -37.410 -0.7070 1399 .508∑△Hi= 0.07930 ∑△Di=12.130∑△Hi*△Di=-0.1365 ∑△Di*△Di=3988.544∑△Hi*△Hi= 0.0013h=0.0161 I=-17.136∑vi*vi=-1.1354e-005m0= 0.00195 Qhh= 0.2015 QII= 2.5258e-004mh=8.7323e-004 mi=6.3773二、路线j △Hj △Dj1 0.0127 39.9802 0.0142 23.9703 0.0153 5.2904 0.0182 -19.7005 0.0189 -37.410环路△Hi △Di △Di*△Hi△Di*△Di△Hi*△Hi1—2 0.0015 -16.01 -0.02402256.32010.00000225 1—3 0.0026 -34.69 -0.090191203.3960.00000676 1—4 0.0055 -59.68 -0.328243561.7020.00003025 1—5 0.0062 -77.39 -0.479825989.2120.00003844 2—3 0.0011 -18.68 -0.02055348.94240.00000121 2—4 0.0040 -43.67 -0.174681907.0690.00001600 2—5 0.0047 -61.38 -0.288493767.5040.00002209 3—4 0.0029 -24.99 -0.07247624.50010.00000841 3—5 0.0036 -43.70 -0.157321909.690.00001296 4—5 0.0007 -17.71 -0.0124313.64410.00000049∑△Di*△Hi -1.64817∑△Di*△Di 19881.98∑△Hi*△Hi 0.00013886I -17.0989∑Vi*Vi -28.1789m0 1.769mi 2587.82小结:从实验结果来看,I=-17.136有点偏大,在测量(操作无误)无误的情况下(同组人员测量的I角都为17″左右),说明该仪器确实存在较大的i角,再联系每次整平后,旋转180°水准泡严重发生偏离中心位置,说明该仪器本身存在较大的误差,可能是长期没有经过校准的缘故。
水准仪检测报告范文一、检测目的本次检测的目的是检验水准仪的测量准确性和稳定性,以确保其能够准确、可靠地完成测量任务。
二、检测方法本次检测采用外检法进行,即将被测水准仪放置在平稳的工作台上,使用一次性水准尺对其进行检测。
以水准尺两端的标尺刻度差值和水平仪的读数差值作为水准仪的误差。
三、检测步骤1.准备工作检测工具:一次性水准尺、水平仪、工作台;检测环境:平稳的实验室工作台;调整水准仪:将水准仪放置在工作台上,使用水平仪调整水准仪的水平状态。
2.检测过程(1)将一次性水准尺平放在工作台上,并用夹具固定,确保其完全水平。
(2)将水准仪放置在水准尺上,调整水准仪的位置和高度,使其与水准尺接触紧密。
(3)记录水平仪在水平照射板上的读数,记录下来。
(4)将水准仪移动到水准尺另一端,再次记录水平仪的读数。
(5)计算两次读数之差,即可得到水准仪的误差。
四、检测结果本次检测得到的数据为:第一次读数:0.2mm;第二次读数:-0.1mm。
根据计算,水准仪的误差范围为:0.2mm-(-0.1mm)=0.3mm。
五、结论根据本次检测结果可得出以下结论:1. 水准仪的测量误差为0.3mm。
2.水准仪在两次测量中的误差较小,表明其具有较高的测量准确性。
3.水准仪的误差范围在可接受范围内,能够满足正常的测量需求。
六、检测建议基于本次检测结果,提出以下建议:1.水准仪可以进一步调整,以提高其测量准确性。
2.定期对水准仪进行校准,以确保其准确性和稳定性。
3.在使用水准仪进行测量时,应注意环境条件的影响,如避免风力、振动等干扰。
七、总结本次水准仪检测结果表明,水准仪具有较高的测量准确性和稳定性,可以满足正常的测量需求。
但仍需加强对水准仪的调整和校准,以确保其持续准确可靠地进行测量工作。
水准仪的检验与校正实验报告(共5则)第一篇: 水准仪的检验与校正实验报告水准仪的检验与校正实验报告一、实验目的与要求:1.弄清水准仪的主要轴线及它们之间应满足的几何关系;2.掌握DS3水准仪检验与校正的方法。
二、设备:DS3水准仪1台, 水准尺2根, 尺垫2个, 小螺丝刀1把, 校正针1根, 记录板1块。
三、方法与步骤:1.一般性检验:安置仪器后, 首先检验:三脚架是否牢固, 制动和微动螺旋、微倾螺旋、对光螺旋等是否有效, 望远镜成像是否清晰等, 同时了解水准仪各主要轴线及其相互关系。
2.圆水准器轴平行于仪器竖轴的检验与校正:检验:转动脚螺旋使圆水准器气泡居中, 将仪器绕竖轴旋转180°后, 若气泡仍居中, 则说明圆水准器轴平行于仪器竖轴, 否则需要校正。
校正:先稍松圆水准器底部中央的固紧螺丝, 再拨动圆水准器的校正螺丝, 使气泡返回偏离量的一半, 然后再转动脚螺旋使气泡居中。
如此反复检校, 直到圆水准器在任何位置时, 气泡都在刻划圈内为止, 最后旋紧固紧螺旋。
3.十字丝横丝垂直于仪器竖轴的检验与校正:检验:以十字丝横丝一端瞄准约20m处的一细小目标点, 转动水平微动螺旋, 若横丝始终不离开目标点, 则说明十字丝横丝垂直于仪器竖轴, 否则需要校正。
校正:旋下十字丝分划板护罩, 用小螺丝刀松开十字丝分划板的固定螺丝, 微略转动十字丝分划板, 使转动水平微动螺旋时横丝不离开目标点。
如此反复检校, 直至满足要求。
最后将固定螺丝旋紧, 并旋上护罩。
4.水准管轴与视准轴平行关系的检验与校正:检验: 在平坦地面上选定相距60-80米的A.B两点, 放下尺垫立水准尺。
现在距A.B等距离处安置水准仪, 分别读取A.B两点水准尺读数a1.b1, 求得正确高差Hab(b1(a1。
再在A点附近2-3米处水准仪, 分别读取A.B两点水准尺读数a2.b2, 求得B尺的上的应有读数b2(a2(Hab。
若b2=b2'时, 说明水准管轴与视准轴平行;若b2(b2'时, 说明水准管轴与视准轴不平行。
电子水准仪i角检验校正The document was finally revised on 2021数字水准仪i角检验校正i角的产生:水准仪产生i角变化的原因是仪器本身的结构与外业工作条件的变化而至,仪器中的十字丝是固定在上下的V形槽中,下面的V形槽由弹簧支撑着,上面是一个压紧调节螺丝。
由于内部与外界环境条件的变化,如温度、湿度、震动的变化它会产生i角微小的变化;或者,由于其它内应力的变化而产生不同程度的变化也是不足为奇的。
富斯特乃尔法纳保尔法库卡马可法日本方法实际测试分析与结论1、四中方法均是把检验和校正结合为一体,经实际测试,检验之后仪器可自动完成校正,使i角达到允许的范围内,符合国家水准测量规范要求。
2、四种犯法的对比分析(1)四种方法的基本原理相同,都是立两个水准尺,把水准仪不仅安置在两个水准尺的中间处,而且安置在距两个水准尺距离不同的地方,所以所测得到的两个立尺点之间的高差会受到i角的影响,这样一来,就可以利用仪器的两个不同位置所测得到两个立尺点之间的高差不同,求出i角的大小。
(2)采用三种不同方法时,两次安置水准仪时,水准仪的移动距离不同,参见表1。
(3)采用四种不同方法时,水准仪和水准尺之间的相对位置不同,参见表2。
3、水准仪i角的允许误差水准仪i角允许误差的概念应该说有三方面的涵义,也是三种情况下的不同要求;出厂时工厂调校的允许误差、用户调校时的允许误差、测量等级或规定所要求的允许误差。
如莱卡NA2 i角的允许误差:(1)出厂调校为:±8″,(2)用户调校为:±20″,但是根据我国国家水准测量规范和工程测量规范的要求,用于一、二等水准测量的水准仪,仪器的i角不应超过15″,所以在进行沉降观测过程中,施工单位必须每月进行i角检验,并保证i角必须调校在15″以内表1 两次安置水准仪时,水准仪的移动距离表2 四种不同方法对水准仪和水准尺的相对位置。
水准仪的检验与校正实验报告
测量水准仪的检验与校正实验报告
本报告描述了使用测量水准仪进行检验与校正实验的细节。
该实验有利于确定样本的准确程度,并筛查其中的不良品。
一、实验环境
测量水准仪检验、校正实验是在室内实验室完成的,温度为21℃,湿度为65%。
室内设备按要求完好,并无干扰污染。
二、实验目的
主要目的是检验测量水准仪的保守和精度。
如果仪表不精确,那么在测量地面时,就会造成测量偏差,影响准确性和准确性。
三、实验准备
1. 首先,我们需要准备测量水准仪,安装支架,校准好圆规,调整垂直管;
2. 然后用水准仪探测设置基准,同时标记基准点;
3. 接着,我们使用水准线及锯齿测角仪,核查水准仪与地面之间是否存在偏差。
四、实验步骤
1. 首先,检查水准仪各个部位,检查是否有异常磨损或性能变化,并更换零部件,以确保安全性能。
2. 接下来,播放到基准点,测量生长点,分别读取两个点的水平值,显示误差和精度,最终确定测量水准仪是否符合要求。
3. 最后,使用专业软件,对水准仪校准,查看校准前后的水准值,确定水准仪能否达到精确的要求。
五、实验结果
该实验的结果表明,在测量水准仪的基准点比较、校准过程中,所得误差在±0.2mm以下,显示测量仪器性能正常,能够满足测量需求。
六、结论
经过上述实验,该实验获得的有效数据表明,测量水准仪能够达到要求的精度和不精度,
证明其具有较高的精准性;该实验也有助于检验产品质量,确保产品符合精准标准。
水准仪检验报告一. 水准仪的轴线应满足的条件如图所示,1CC 为视准轴,1LL 为水准管轴,1L L ''圆水准管轴,1VV 为仪器旋转轴(纵轴)。
进行水准测量时,水准仪的视准轴必须水平,据此在水准尺上读数,才能正确测定两点间的高差,而视准轴的水平是根据水准管气泡居中来判断的。
因此,水准仪在装配上应满足水准管轴平行于视准轴这个主要条件。
仪器的粗平(纵轴铅垂)是根据圆水准器的气泡剧中,因此,圆水准轴应平行于纵抽。
此外,为了能按十字丝的横丝在水准尺上正确读数,横丝应水平,即横丝应垂直于纵轴。
综上所述,水准仪的轴线应满足下列条件: (1) 圆水准轴平行于纵轴(//L V '); (2) 横丝垂直于纵轴;(3) 水准管轴平行于视准轴(//C L );二. 水准仪的检验(一) 圆水准器的检验目的:检验圆水准轴是否平行于纵轴(//L V ')。
检验步骤:(1)旋转脚螺旋使圆水准气泡居中;(2)将仪器绕纵轴旋转180,看气泡是否偏于一边。
检验结果记录:项目检验结果圆水准器的检验气泡仍然居中,未偏于一边(如下图所示),表明圆水准轴平行于纵轴。
转180前转180后(二)十字丝的检验目的:水准仪整平后,十字丝的横丝应水平,纵丝应铅垂,即横丝应垂直于纵轴。
检验步骤:(1)整平水准仪后,用十字丝交点瞄准一个清晰目标点P(如图所示);(2)转动水平微动螺旋,看P点是否离开横丝;检验结果记录:项目检验结果十字丝的检验转动水平微动螺旋后,P点仍然与横丝重合,表明十字丝横丝水平。
(三)水准管轴平行于视准轴的检验目的:检验水准管轴是否平行于视准轴(//CL)。
检验步骤:(1)先在平坦地面上选定相距越60~80m的A,B两点放置尺垫,树立水准尺;(2)在第一个测站,将水准仪安置于A,B的中点C,并精平仪器分别读取A,B点上水准尺的读数1a '和1b ';(3)将水准尺转向变成红面,再次读取两水准尺上的读数1a ''和1b '';(4)对于DS3级水准仪,若两次高差其差值不大于5mm ,则取其平均值作为A,B 间不受i 角影响的的正确高差,即()()111111=+2h a b a b ⎡⎤''''''--⎢⎥⎣⎦;(5)将仪器搬到离B 点相距约2m 处的第二个测站,精平仪器后读取A ,B 点水准尺的读数2a 和2b ,再次测得A ,B 两点间的高差222=h a b -;(6)对于DS3级水准仪,如果2h 与1h 的差值不大于5mm ,则可认为水准管轴平行于视准轴,否则按12-=ABh h i D ρ''计算水准管与视准轴交角i ;检验结果记录:视准轴检验记录表。
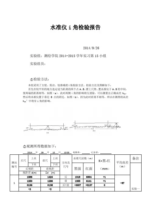
水准仪i角检验报告2014/9/26实验组:测绘学院2014-2015学年实习第15小组实验组员:○1检验方法:本组采用了方便、简洁、较准确的i角检验方法。
检验方法及图解如下:首先在较平坦的地方选定适当距离的两个点A、B,摆上尺垫。
置水准仪于A、B的中间,使两端的距离相等,如图(a)。
此时两侧i角的影响相互消除,可以测量出正确高差h ab,然后将水准仪置于靠近B点的附近,如图(b)。
因为此时距离不相等,所以在测得的高差h ab〞中将有i角的影响。
○2观测所得数据如下:2014 年09 月10 日10:00 观测者:记录者:○3检验结果及结论:实验一h AB〞=-37mm;h AB=-14mm;S A-S B=27.6m;×ρ=172.51〞.i1=hAB〞−h ABSA−S B实验二h AB〞=-34mm;h AB=-12mm;S A-S B=27.6m;×ρ=164.41〞.i2=hAB〞−hABSA−SBi = (i1+i2) /2 = 168.46〞实验结果:易得168.46〞>20〞,而20〞是三四等水准测量时i角的限度,所以,所检验的水准仪i角不合格。
○4i角检验过程中遇到的问题:由于本组成员开始的时候对仪器的操作不是很熟练,在测量及检验的过程中也走了不少的弯路,检验过程中的操作问题主要有三个:(i)仪器的位置没有完全置于两个水准尺中间;(ii)将仪器放于靠近B水准尺的时候没有将仪器完全放于A、B仪器所在的直线上;(iii)不良的天气状况。
○5收获:经过认真反复的调试经过不厌其烦的筛选天气,本组成员最终成功的完成了i角的检验工作。
虽然检验结果不尽如人意,但通过本次i角检验过程结合检测及整个测量结果,本组成员更加深刻的认识到了仪器指标检验的重要性,懂得了在任何仪器的使用之前都要进行严格的检校工作。
此次的检验工作经验给予我们不仅仅是宝贵的工作经验,让我们学会了如何去灵活处理工作过程中存在的各种问题,更重要的是它让我们深刻体会到认真严谨的工作态度的重要性,并能够在以后的工作中将这种科学严谨的工作态度保持并传扬下去。
水准仪i角检验报告
一、关于i角的检验
望远镜视准轴和水准管水准轴都是空间直线,如果它们互相平行,那么无论是在包含视准轴的竖直面上投影还是在水平面上的投影都应该是平行的。
对竖直面上的投影是否平行的检验称为i角检验,水平面上投影是否平行的检验称为交叉误差检验。
对于水准测量,重要的是i角检验。
如果i=0,则水准轴平行后,视准轴也是水平的,满足水准测量基本原理的要求。
二、原理与检验方法
示意图如下
三、检验观测计算表
观
示意图示意图
A尺B尺高差
h AB’/mm
A尺B尺高差
h AB’’/mm
2
AB AB
AB
h h
i
S
ρ
'''
-
=
四、检验结论
i=+4”≤±20”
得,检验的i角符合限差要求。
欢迎您的下载,
资料仅供参考!
致力为企业和个人提供合同协议,策划案计划书,学习资料等等
打造全网一站式需求。
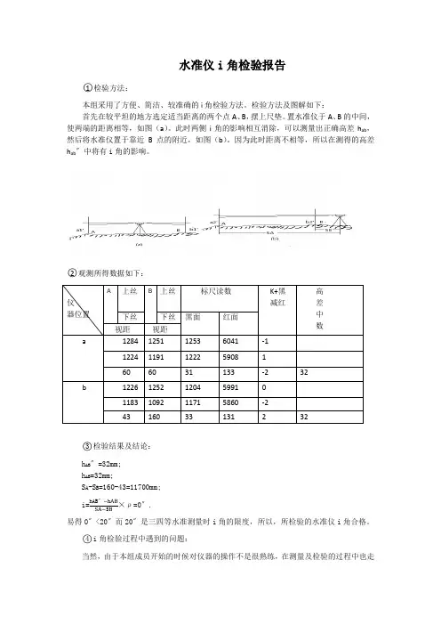
水准仪i角检验报告
○1检验方法:
本组采用了方便、简洁、较准确的i角检验方法。
检验方法及图解如下:
首先在较平坦的地方选定适当距离的两个点A、B,摆上尺垫。
置水准仪于A、B的中间,使两端的距离相等,如图(a)。
此时两侧i角的影响相互消除,可以测量出正确高差h ab,然后将水准仪置于靠近B点的附近,如图(b)。
因为此时距离不相等,所以在测得的高差h ab〞中将有i角的影响。
○2观测所得数据如下:
○3检验结果及结论:
h AB〞=32mm;
h AB=32mm;
S A-S B=160-43=11700mm;
i=hAB〞−h AB
×ρ=0〞.
SA−S B
易得0〞<20〞而20〞是三四等水准测量时i角的限度,所以,所检验的水准仪i角合格。
○4i角检验过程中遇到的问题:
当然,由于本组成员开始的时候对仪器的操作不是很熟练,在测量及检验的过程中也走
了不少的弯路,检验过程中的操作问题主要有三个:
(i)仪器的位置没有完全置于两个水准尺中间;
(ii)将仪器放于靠近B水准尺的时候没有将仪器完全放于A、B仪器所在的直线上。
(iii)不良的天气状况。
○5收获:
经过认真反复的调试经过不厌其烦的筛选天气,本组成员最终成功的完成了i角的检验工作。
通过本次i角检验过程结合检测及整个测量结果,本组成员更加深刻的认识到了仪器指标检验的重要性,懂得了在任何仪器的使用之前都要进行严格的检校工作。
此次的检验工作将会给我们的学习及生活态度带来一个既深刻又美好的影响。
什么是水准仪的i角?水准仪的视准轴在垂直方向与水准轴的夹角。
水准仪产生i角变化的原因:是仪器本身的结构与外业工作条件的变化而致,仪器中的十字丝是固定在上下的V形槽中,下面的V形槽由弹簧支撑着,上面是一个压紧调节螺丝。
由于因内部与外界环境条件的变化,如温度、湿度、震动的变化它会产生i角微小的变化,或者,由于其它内应力的变化而产生不同程度的变化也是不足为奇的。
在用户说明书中已明确,水准仪的i角可由用户自行调整。
请参照水准仪说明书自行调整。
现在,再扼要地介绍水准仪i角的测定办法,如图所示:将水准仪置平在二支水准标尺的中间,仪器距标尺约30米或40米,前后大约等距离,读取标尺上的读数得到二点的高差值。
搬迁仪器至二支标尺的一内侧或外侧均可,此时,仪器至标尺的距离分别为近距离的标尺只是几米,而远距离的标尺已是几十米。
同样,测量这二点的高差值,如果二次测得的高差相等,说明仪器i角为零。
高差不等就说明仪器存在着i角的误差。
如:仪器在中间,读取A尺的读数a1=0962,B尺的读数b1=1062仪器在一侧,读取A尺的读数a2=0835,B尺的读数b2=0933h1=-1062+0962=-0100 h2=-0933+0835=-0098h=-0098+0100=+2 mm按小角公式计算i角;i=Δ·ρ/s = 2 mm × 206265” / 60000mm = 41 / 6 ” = 7”i角的测定也可以按照将水准仪可以放置在二支水准标尺二外侧的方法测定仪器的i角。
道理是一样的,正确的a4值是;a4 = a1’- a2’+ a3’水准仪i角的允许误差水准仪i角允许误差的概念应该说有三方面的涵义,也是三种情况下的不同要求;1.出厂时工厂调校的允许误差、2.用户调校时的允许误差、3.测量等级或规定所要求的允许误差。
如徕卡NA2 i角的允许误差:出厂调校为:±8”,用户调校为:±20”,但是,根据我国国家水准测量规范和工程测量规范的要求,用于一、二等水准测量的水准仪,仪器的i角不应超过15”,用于三、四等水准测量的仪器,仪器的i角不应超过20”。
水准仪i 角误差与检定1、水准仪i 角i 角:水准管轴(管水准器气泡顶点切线)与望远镜视准轴之间的夹角。
自动安平仪是自动安平系统形成的水平线与望远镜视准轴之间的夹角。
i 角误差是水准测量的主要误差来源之一,是水准测量工作开展之前、之中必须检定的项目。
i 角误差对水准测量结果的影响方式如下图所示。
由图可知,i 〃角产生读数误差记为Δi 〃,则式中: i 〃——i 〃角角值(代数值,可为正数或负数。
单位:秒,)Δi 后——i 〃角对后视读数的影响Δi 前——i 〃角对前视读数的影响D 后视——后视距离 ""*""*ρΔρΔ前视后视前后i D i D i i ==D 前视——前视距离ρ〃=206265按照水准测量原理,设含有i 〃角影响的前、后视读数分别为a ’ 、b ’ ,则高差 h = 后视读数a - 前视读数b= (a ’+ Δi 后) - (b ’+ Δi 前)=(a ’-b ’)+(Δi 后-Δi 前)当不顾及其他因素影响时,如测站前、后视距相等, Δi 后-Δi 前=0,i 角对测量结果不产生影响。
要求每测站前、后视距相等,其原因之一就是为了消除i 角影响。
2、i 角的检定方法1)国家《一、二等水准测量规范》和《三、四等水准测量规范》规定的方法: 三种检定方案:212121BI AI B I AI ABI I 或或,如下图所示:第一、二两种方法i 角大小的计算公式如下:)(61.1)(2)()(21512112210D D D D b a b a i +*-----=''- 第三种方法i 角大小的计算公式如下:)(61.1)()(21512112210D D D D b a b a i +*-----=''-2)仪器置中法如图所示,将两只水准尺置于相距一百米的位置。
Sb当仅顾及i角影响,水准仪置中(仪位2)时,i角对高差测量的影响为0;若将水准仪摆在仪位1,i角对高差测量的影响为dh,则dhiiiiSSab2200000100000206265100000110000)(dh=''''⋅=''⋅-=''''⋅-=ρ这种方法能很快地计算出i角度大小。
水准仪检测报告
一.水准仪轴线的几何关系
水准仪轴线应满足的几何条件是:
1.水准管轴LL//视准轴CC
2.圆水准轴L’L’//竖轴VV
3.横丝要水平(即:⊥竖轴VV)
如下图所示:
一.水准仪的检验与校正
(一)圆水准器的检验与校正
1.检验:气泡居中后,再将仪器绕竖轴旋转180°,看气泡是否居中。
2.校正:用脚螺旋使气泡向中央移动一半, 再用拨针拨动三个“校正
螺旋”,使气泡居中。
(二)十字丝横丝的检验与校正
1.检验:(见图)
整平后,用横丝的一端对准一固定点P,转动微动螺旋,看P点是否沿着横丝移动。
2.校正:旋下目镜处的十字丝环外罩,转动左右2个“校正螺丝”。
(三)水准管轴平行于视准轴(i角)的检验与校正
1.检验:
(1)平坦地上选A、B两点,约50m。
(2)在中点C架仪,读取a1、b1,得h1=a1-b1
(3)在距B点约2~3m处架仪,读取a2、b2,得h2=a2-b2
(4)若h2≠h1 ,则水准管轴不平行于视准轴,有i角。
因为①h1为正确高差②b2的误差可忽略不计,故有:
对于S3水准仪,若i角大于时,需校正。
1.校正方法有二种:
(1) 校正水准管
旋转微倾螺旋,使十字丝横丝对准(a2’=h1+b2),拨动水准管“校正螺丝”,使水准管气泡居中。
(2)校正十字丝——可用于自动安平水准仪
保持水准管气泡居中,拨动十字丝上下两个“校正螺丝”,使横丝对准a2’。
光学水准仪i角的检验方法小结i角的检验记录编号:DSZ2-230972 日期:2011-6-10 时间:PM04:00观测者吕庆辉使用仪器苏州一光DSZ2 记录者王伟标尺曹志成像清晰稳定检查者杨同州仪器站观测次序标尺读数高差a-b(mm)i角的计算A尺读数a B尺读数bJ11 1.058 0.962 96 A、B标尺间距S=20.6m2 1.122 1.026 963 1.198 1.101 97 2Δmm=(a2-b2) -(a1-b1)=-0.75mm4 1.268 1.173 95中数a1=1.1615 b1=1.0655 96J21 1.544 1.448 962 1.464 1.369 9510*-0.375=-3.75”3 1.285 1.190 954 1.143 1.048 95中数a2=1.359 b2=1.264 95.25如下附图:注解:1、在J1和J2处,分别以四个不同的仪器高度进行观测A、B,并按照表格要求进行填写。
2、测量中,有一个常数ρ=(180/3.14159)*60*60=206265,它是把角度化为弧度时的一个常数,在测量误差推算时经常要用到。
换句话说当一个角度有1秒的误差时,206265米长的距离上垂直于方向线的误差是1米,这个1米是这么得来的:半径为206265米,其1秒所对应的弧长为L=R*弧度,即L=206265*(1”/206265)=1米!相对于如此大的半径,弧长可认为是直线,即如上所说,垂直于方向线的距离是1米。
通过这个常数,我们可以很快的计算出由于i角在L米距离上引起的误差是多大,比如i角是5秒,在水平距离是1000米上,引起的误差是▲=5(秒)*(1000米/206265”)=0.024米=24毫米,这对于现场计算误差有很大的帮助!3、i角的计算原理是:利用了三角形的中线定理,理论HA-HB=HBA,在J1处测得数值,由于i角引起了误差,产生了在A尺读出HA+▲,在B尺读出HB+2▲,则高差HBA1’= (HA+▲)- (H B+2▲)=HA-HB-▲= HBA-▲;在J2处测得数值,由于i角引起了误差,产生了在A尺读出HA+2▲,在B尺读出HB+▲,则高差HBA2’=(HA+2▲)- (HB+▲)=HA-HB+▲= HBA+▲;HB A1’- HBA2’= (HBA-▲)-(HBA+▲)=-2▲。
i角检验实验报告一、实验目的水准仪 i 角误差是水准仪视准轴与水准管轴不平行而产生的夹角。
通过本次实验,旨在准确测量水准仪的 i 角误差,评估仪器的精度状况,为实际测量工作提供可靠的仪器状态信息,确保测量成果的准确性。
二、实验原理在平坦的地面上选择相距约 80 米的 A、B 两点,打入木桩或设置固定标志。
在 A、B 两点中间选取一点 C,使 AC 和 BC 的距离大致相等。
在 A、B 两点上分别竖立水准尺,先在 C 点处安置水准仪,测量 A、B 两点的高差 h1。
然后将水准仪搬到靠近 B 点处(距离约 3 米),重新测量 A、B 两点的高差 h2。
若两次测量的高差之差不超过规定的限差,则取两次高差的平均值作为最终结果。
根据几何关系,可以计算出水准仪的 i 角值。
三、实验仪器本次实验所使用的仪器为_____型号的水准仪一台,配套水准尺两根,以及若干测量辅助工具,如尺垫等。
四、实验步骤1、选择实验场地在较为平坦开阔、通视良好的场地选定 A、B 两点,两点间距离约80 米。
用木桩或其他明显标志物标记 A、B 点的位置。
2、仪器安置在 A、B 两点中间大致等距离的位置 C 处,先将三脚架大致调平,然后将水准仪安装在三脚架上,通过调整脚螺旋使圆水准器气泡居中,完成粗平。
3、观测 A、B 两点高差 h1利用中丝读取 A 点水准尺的读数 a1,再读取 B 点水准尺的读数 b1,计算高差 h1 = a1 b1。
4、仪器搬迁将水准仪搬到靠近 B 点约 3 米的位置 D 处,同样先进行粗平。
5、观测 A、B 两点高差 h2按照上述方法读取 A 点的读数 a2 和 B 点的读数 b2,计算高差 h2= a2 b2。
6、数据记录与处理将观测得到的数据记录在表格中,计算两次高差的差值Δh = h1 h2。
若Δh 不超过规定限差,则取两次高差的平均值(h1 + h2) / 2 作为最终高差结果。
7、计算 i 角根据公式 i =Δh × ρ /(S1 S2) 计算 i 角,其中ρ 为206265″,S1 为 A、C 两点的距离,S2 为 B、D 两点的距离。
水准仪i角检验报告
一、关于i角的检验
望远镜视准轴和水准管水准轴都是空间直线,如果它们互相平行,那么无论是在包含视准轴的竖直面上投影还是在水平面上的投影都应该是平行的。
对竖直面上的投影是否平行的检验称为i角检验,水平面上投影是否平行的检验称为交叉误差检验。
对于水准测量,重要的是i角检验。
如果i=0,则水准轴平行后,视准轴也是水平的,满足水准测量基本原理的要求。
二、原理与检验方法
示意图如下
三、检验观测计算表
观
示意图示意图
A尺B尺高差
h AB’/mm
A尺B尺高差
h AB’’/mm
2
AB AB
AB
h h
i
S
ρ
'''
-
=
四、检验结论
i=+4”≤±20”
得,检验的i角符合限差要求。