水准仪i角检验自动计算表
- 格式:xls
- 大小:23.50 KB
- 文档页数:2
水准仪i角误差的计算公式水准仪是咱们在测量工作中经常会用到的一个重要工具。
而水准仪的 i 角误差,这可是个关键的概念,要是不搞清楚,测量结果可能就会出大问题!那啥是水准仪的 i 角误差呢?简单来说,就是水准仪的视准轴与水准管轴不平行所产生的夹角。
这个夹角会导致测量结果出现偏差。
接下来咱就讲讲水准仪 i 角误差的计算公式。
它的计算公式通常是这样的:i = Δ·ρ″/S 。
这里面的Δ 是水准仪在距离为 S 的两点上所测高差的差值,ρ″是一个常数,大概是206265″。
给您举个例子哈,比如说有一次我们在进行一个工程测量的时候,用同一台水准仪分别在相距 50 米的 A、B 两点进行测量。
先在 A 点测量的读数是 1.235 米,然后在 B 点测量的读数是 1.789 米。
那这两点的高差就是 1.789 - 1.235 = 0.554 米。
然后呢,我们把水准仪搬到离 A 点 100 米远的 C 点,再测 A 点的读数变成了 0.987 米。
这时候 A、C 两点的高差就是 1.235 - 0.987 = 0.248 米。
那么Δ 就是 0.554 - 0.248 = 0.306 米,S 就是 100 米。
把这些数带进公式里,i = 0.306×206265÷100,算出来就是水准仪的 i 角误差啦。
在实际测量中,这个 i 角误差要是超过了一定的限度,那就得对水准仪进行校正,不然测量结果就不可靠喽。
我还记得有一回,我们小组在做一个地形测绘的项目。
当时大家都忙得热火朝天的,谁也没注意到水准仪好像有点不对劲。
等把数据都采集回来一分析,发现偏差大得离谱。
后来一检查,才发现是水准仪的 i 角误差太大了,没及时校正。
那可把我们给愁坏了,没办法,只能重新去测量。
那几天真是累得够呛,但是也让我们深刻认识到了,对待测量工作,任何一个小细节都不能马虎,尤其是像水准仪 i 角误差这样的关键因素。
所以啊,朋友们,搞清楚水准仪 i 角误差的计算公式,并且在实际工作中正确运用和及时校正,那是相当重要的,这能保证咱们测量结果的准确性,可不能掉以轻心哟!。
检验人仪器编号天气温度(℃)
杨德山
219093
多云
11
(m) (m)
(m) (m)
(m)(m)
1.713
1.3630.350 1.638 1.2840.354
(m) (m)
(m)
100
1.8
98.2
备注:结论:DS1水准仪不超过15″,DS3水准仪不超过20″
第 1 页 共 1 页
i<20″,符合规范要求
检验时间水准仪i角检验表
2016.4.14
检验方法:在较平坦的地方选定距离为80m 的两个点A 、B,并在A 、B 两点各放一个
尺垫。
置水准仪于A 、B 的中间,使两端距离均为40m ,如图(a )所示,此时测量得到
高差值。
然后将水准仪置于两点中B 点的附近,如图(b )所示,此时测得高差值
为含有i角误差的高差值 ,则i角可按照上面的公式计算出来。
注:ρ=206265
仪器在后尺A与前尺B中间
仪器在AB延长线上
(″)8
()/()
AB AB A B i h h S S '
=-ρ-11AB h a b '
'=-1a '1b '
22AB h a b '''=-2a '2b 'A S B S A B
S S -AB
h AB h '
红色字体部分需自己输入
S
应为1.5至3米
B。
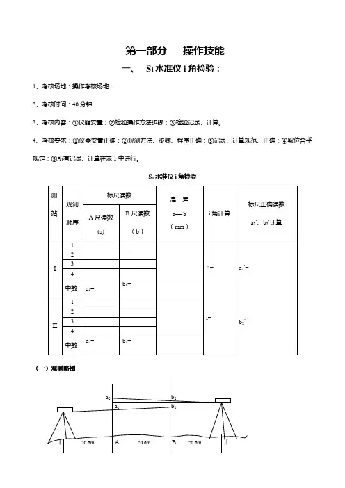
第一部分操作技能一、S1水准仪i角检验:1、考核场地:操作考核场地一2、考核时间:40分钟3、考核内容:①仪器安置;②检验操作方法步骤;③检验记录、计算。
4、考核要求:①仪器安置正确;②观测方法、步骤、程序正确;③记录、计算规范、正确;④取位合乎规定;⑤所有记录、计算在表1中进行。
S1水准仪i角检验(一)观测略图(二)技术要求:1、仪器安置:高度适中,架头水平,踩实脚架,园气泡严格居中。
2、观测:先后分别在Ⅰ、Ⅱ两测站上观测。
每测站上先后分别照准后尺和前尺基本分划读数(每次照准后4次读数)读至0.01mm。
3、计算:标尺读数中数计算、高差计算、标尺正确读数计算取至0.01mm,角度取至0.1″。
4、限差:4 次读数互差≤±0。
5mm。
(三)计算公式:1、i角计算:Δ=〔(a2-b2)-(a1-b1)〕/2=(h2-h1)/2;i=10Δ″2、正确读数计算:a2'= a2-2Δ;b2'= b2-Δ四、检验方法:(见上图)1、安置仪器于Ⅰ处,照准A点水准尺,用锲形丝卡因瓦尺上某一刻划线四次读数;用同样方法照准B 点水准尺进行四次读数,计算四次测定的平均数,并计算Ⅰ处观测高差。
2、安置仪器于Ⅱ处,照准A点水准尺,用锲形丝卡因瓦尺上某一刻划线四次读数;用同样方法照准B 点水准尺进行四次读数。
,计算四次测定的平均数,并计算Ⅰ处观测高差3、计算i角和在A、B尺上的正确读数a2'、b2'。
(四)算例二、道路圆曲线测设1、考核场地:操作考核场地四2、考核时间:50分钟3、使用仪器工具:J6经纬仪、30m钢尺4、考核内容:①线路转折角测定;②曲线元素的计算;③曲线主点里程桩号计算;④三主点放样数据的计算;⑤曲线三主点测设。
5、考核要求:①线路转折角测定正确;②曲线元素的计算正确;③曲线主点里程桩号计算正确;④三主点放样数据的计算正确;⑤三主点测设方法正确;⑥;转折角测定符合限差要求;点位测设符合精度要求;⑦记录、计算取位正确;⑧所有记录计算在表4中进行6、已知数据:园曲线设计半径:(考核现场抽取决定);转折点里程桩号:3+450.857、抽取的园曲线设计半径注记:R= m圆曲线的测设方法如下:1、根据中线AB 和BC 用经纬仪在B 点测出转向角α。
水准仪i角计算公式
水准仪i角计算公式是指用来计算水平仪器i角的数学公式。
水平仪
器最常见的类型是水准仪,它常用于测量水平方向或者地平面的倾斜角度。
i角指的是水平仪器刻度盘上的读数,它表示了仪器的水平度。
在水平仪
仪器上,通常会有两条水平线,分别对应着正下方的刻度盘,一个指向左侧,一个指向右侧。
当读数在两条水平线之间时,可以通过计算i角来确
定仪器具体的倾斜角度。
i角是通过读取水平仪刻度盘上的度数来计算的。
一般情况下,每个
刻度代表的角度是固定的,取决于水平仪的精度等级。
具体的计算公式如下:
i角=刻度盘读数×刻度盘每刻度代表的角度值
其中,刻度盘读数是指刻度盘上实际读取到的数值,而刻度盘每刻度
代表的角度值是指刻度盘上相邻两个刻度之间的角度差。
需要注意的是,刻度盘每刻度代表的角度值通常是根据仪器的精度等
级确定的,不同等级的水准仪可能有不同的刻度盘设计。
因此,在实际使
用中需要根据水平仪的型号和说明来确定具体的刻度盘每刻度代表的角度值。
另外,刻度盘读数有正负之分,如果读数在左侧水平线和右侧水平线
之间时为正数,如果在右侧线和左侧线之间时,则为负数。
这也需要根据
具体的读数位置来进行判断和计算。
综上所述,水准仪i角的计算公式为:
i角=刻度盘读数×刻度盘每刻度代表的角度值
其中,刻度盘每刻度代表的角度值需要根据水平仪的型号和说明来确定,刻度盘读数需要根据读数位置来判断正负。
这个公式可以用来计算水准仪的倾斜角度,帮助我们实现精确的水平测量。
水准仪i 角误差与检定1、水准仪i 角i 角:水准管轴(管水准器气泡顶点切线)与望远镜视准轴之间的夹角。
自动安平仪是自动安平系统形成的水平线与望远镜视准轴之间的夹角。
i 角误差是水准测量的主要误差来源之一,是水准测量工作开展之前、之中必须检定的项目。
i 角误差对水准测量结果的影响方式如下图所示。
由图可知,i 〃角产生读数误差记为Δi 〃,则式中: i 〃——i 〃角角值(代数值,可为正数或负数。
单位:秒,)Δi 后——i 〃角对后视读数的影响Δi 前——i 〃角对前视读数的影响D 后视——后视距离 ""*""*ρΔρΔ前视后视前后i D i D i i ==D 前视——前视距离ρ〃=206265按照水准测量原理,设含有i 〃角影响的前、后视读数分别为a ’ 、b ’ ,则高差 h = 后视读数a - 前视读数b= (a ’+ Δi 后) - (b ’+ Δi 前)=(a ’-b ’)+(Δi 后-Δi 前)当不顾及其他因素影响时,如测站前、后视距相等, Δi 后-Δi 前=0,i 角对测量结果不产生影响。
要求每测站前、后视距相等,其原因之一就是为了消除i 角影响。
2、i 角的检定方法1)国家《一、二等水准测量规范》和《三、四等水准测量规范》规定的方法: 三种检定方案:212121BI AI B I AI ABI I 或或,如下图所示:第一、二两种方法i 角大小的计算公式如下:)(61.1)(2)()(21512112210D D D D b a b a i +*-----=''- 第三种方法i 角大小的计算公式如下:)(61.1)()(21512112210D D D D b a b a i +*-----=''-2)仪器置中法如图所示,将两只水准尺置于相距一百米的位置。
Sb当仅顾及i角影响,水准仪置中(仪位2)时,i角对高差测量的影响为0;若将水准仪摆在仪位1,i角对高差测量的影响为dh,则dhiiiiSSab2200000100000206265100000110000)(dh=''''⋅=''⋅-=''''⋅-=ρ这种方法能很快地计算出i角度大小。
光学水准仪i角的检验方法小结i角的检验记录编号:DSZ2-230972 日期:2011-6-10 时间:PM04:00观测者吕庆辉使用仪器苏州一光DSZ2 记录者王伟标尺曹志成像清晰稳定检查者杨同州仪器站观测次序标尺读数高差a-b(mm)i角的计算A尺读数a B尺读数bJ11 1.058 0.962 96 A、B标尺间距S=20.6m2 1.122 1.026 963 1.198 1.101 97 2Δmm=(a2-b2) -(a1-b1)=-0.75mm4 1.268 1.173 95中数a1=1.1615 b1=1.0655 96J21 1.544 1.448 962 1.464 1.369 9510*-0.375=-3.75”3 1.285 1.190 954 1.143 1.048 95中数a2=1.359 b2=1.264 95.25如下附图:注解:1、在J1和J2处,分别以四个不同的仪器高度进行观测A、B,并按照表格要求进行填写。
2、测量中,有一个常数ρ=(180/3.14159)*60*60=206265,它是把角度化为弧度时的一个常数,在测量误差推算时经常要用到。
换句话说当一个角度有1秒的误差时,206265米长的距离上垂直于方向线的误差是1米,这个1米是这么得来的:半径为206265米,其1秒所对应的弧长为L=R*弧度,即L=206265*(1”/206265)=1米!相对于如此大的半径,弧长可认为是直线,即如上所说,垂直于方向线的距离是1米。
通过这个常数,我们可以很快的计算出由于i角在L米距离上引起的误差是多大,比如i角是5秒,在水平距离是1000米上,引起的误差是▲=5(秒)*(1000米/206265”)=0.024米=24毫米,这对于现场计算误差有很大的帮助!3、i角的计算原理是:利用了三角形的中线定理,理论HA-HB=HBA,在J1处测得数值,由于i角引起了误差,产生了在A尺读出HA+▲,在B尺读出HB+2▲,则高差HBA1’= (HA+▲)- (H B+2▲)=HA-HB-▲= HBA-▲;在J2处测得数值,由于i角引起了误差,产生了在A尺读出HA+2▲,在B尺读出HB+▲,则高差HBA2’=(HA+2▲)- (HB+▲)=HA-HB+▲= HBA+▲;HB A1’- HBA2’= (HBA-▲)-(HBA+▲)=-2▲。
水准仪ί角检测表
工程名称:
仪器型号出厂编号观测人
观测日期观测时间检查人
仪器在A、B两尺之间仪器靠近B尺一侧a1 b1 h1 a2 b2 h2
DAB ί角的计算ί= (h2-h1)ρ/DAB 计算结果检测结论
检测方法:(1)在平坦地面上选定相距约80m的A、B两点立水准尺。
先量出与A、B距离相等的O1点,安置水准仪,分别读取A、B两点水准尺的读数a1和b1,得A、B点之间的高差h1。
h1=a1—b1
(2)把水准仪安置在距B点约3m的O2点,此时测得高差值为含有ί角误差的高差值h2。
h2=a2—b2
则ί角可按照上述公式计算。
式中DAB为A、B两点平距,ρ=206265″。
对于DS3型水准仪,ί角值大于20″时,需要进行校正。