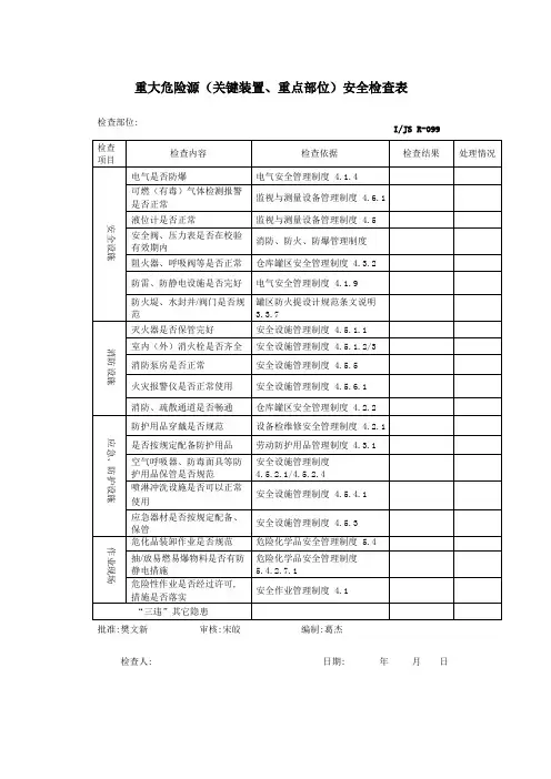
关键装置、重点部位安全检查表
- 格式:doc
- 大小:51.00 KB
- 文档页数:2
关键装置、重点部位安全监督检查记录表
XXX的关键装置和重点部位进行了安全监督检查。
检查由公司领导、技术和安全等部门负责人组成的检查组负责,每月进行一次,并将检查情况记录在检查表中。
参加检查的人员对安全标志、消防器材、报警装置、安全通道、消防通道等进行了检查。
同时,检查组还对设备转动部位的安全防护罩、设备运行情况、设备维护保养、设备运行记录、现场清洁和通风情况进行了检查。
此外,检查组还对管理人员督促操作工执行和落实安全生产方针、政策、法规、制度,操作工穿戴劳动防护用品和按操作规程作业,以及对外来人员和非本岗位操作人员的管理情况进行了检查。
最终,检查组将检查结果分为符合和异常,并对异常情况进行了描述。
关键装置及重点部位安全检查表
关键装置、重点部位: 年月日
安全生产十项注意事项:
一、工作前穿戴好规定的劳动防护品,检查设备及作业场地,做到安全可靠。
二、不违章作业,并监督制止他人违章作业。
三、不准擅自开动别人操作的机械,电器开关设备。
登高作业应戴好安全带、安全帽、并有专人监护、防止坠落,严禁向下乱抛工具和设备零件。
四、不准随便拆除各种安全防护装置、信号标志、仪表及专指示器等。
保持设备齐全有效灵敏可靠。
五、不准随意启动设备。
机器设备停机检查或修理时,应切断电源并悬挂警示牌,取牌人应是挂牌人。
开机时发出信号,听到回音确定安全后才能开机。
六、不准吊装物及下行人。
多人操作起重搬运要统一指挥,密切配合。
不准超负荷使用机器。
七、不在易燃物品附近吸烟动火,不乱扔垃圾。
八、不在厂内无证驾驶机动车辆,机动车进出车间转弯必须鸣号减速。
车辆行驶中严禁爬上跳下。
九、工作时精力集中,不准打闹、赤脚、赤膊、穿拖鞋和高跟鞋。
十、上班时间不准怠工、滋事、脱岗或擅离职守。
有事请假经领导批准后方可离开岗位。
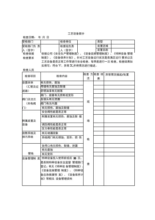
受检部门检杳单位类型
受检部门负责人(签字)检查组负责
人(签字)
装置区域
装置名称工艺设备部分
检查人员
检杳项目检杳内容检查方
法
检查结
果
异常情况描述/处置
容器本体有无损伤、腐蚀
(汇管及过焊缝有无腐蚀及裂缝
滤器)防锈油漆有无脱落
阀门、旋塞有无损耗或变形
阀门及法兰各接头有无泄漏
现(所有阀阀门有无内漏
门)有无损伤、腐蚀及裂缝
安全阀性能是否正常
附属装置及附属装置有无损伤、腐蚀及裂缝
场
设备调压阀性能是否正常
压力表性能是否正常
放散系统及有无堵漏现象
排污系统系统阀门有无锈蚀、变形、损伤
检
各焊口有无损伤、裂缝、泄漏
有无腐蚀
管线有无变形
设备管理制度特种设备投入使用前或后30 日,
是否到特种设备安全监督管理部门登记;有无《特种设备管理制度》、《设备设施管理制度》、《特种设备应急救援预案》、《设备保养计划》等相关设备管理资料查
检查依据检查要求依据公司《安全生产管理制度》、《设备设施管理制度》、《特种设备管理制度》、《设备保养计划》,针对工艺设备运行状况是否满足运行要求以及工艺设备是否正常工作等进行安全检查。
每季度进行一次检查,检查结果如实填写:符合V、异常X,并将情况进行描述。
检查日期:年月日
消防系统部分检查日期:年月日
关键装置及重点部位安全检查表(3)
仪表系统部分
电气系统部分
检查日期:年月日
检查要求设备设施、电气系统是否满足规范要求进行安全检查。
每季度进行一次检查,检查结果如实填写:符合V、异常x,并将情况进行描述。
安全间距部分检查日期:年月日。